Sign in to use this feature.

Years

Between: -

Subjects

remove_circle_outline
remove_circle_outline
remove_circle_outline
remove_circle_outline
remove_circle_outline
remove_circle_outline

Journals

Article Types

Countries / Regions

Search Results (16)

Search Parameters:
Keywords = sliding mode observer and wind turbine

Order results
Result details
Results per page
Select all
Export citation of selected articles as:
18 pages, 6661 KB  
Article
On Neural Observer in Dynamic Sliding Mode Control of Permanent Magnet Synchronous Wind Generator
by Ali Karami-Mollaee and Oscar Barambones
Mathematics 2024, 12(14), 2246; https://doi.org/10.3390/math12142246 - 19 Jul 2024
Cited by 2 | Viewed by 1178
Abstract
The captured energy of a wind turbine (WT) can be converted into electricity by a generator. Therefore, to improve the efficiency of this system, both the structures of WTs and generators should be considered for control. But the present challenge is WT uncertainty, [...] Read more.
The captured energy of a wind turbine (WT) can be converted into electricity by a generator. Therefore, to improve the efficiency of this system, both the structures of WTs and generators should be considered for control. But the present challenge is WT uncertainty, while the input signals to the generator should be smooth. In this paper, a permanent magnet synchronous generator (PMSG) is considered. The dynamics of the PMSG can be described using two axes, named d-q reference frameworks, with an input in each framework direction. To obtain the maximum power and to overcome the uncertainty by means of a smooth signal, the dynamic sliding mode controller (D-SMC) is implemented. In the D-SMC, an integrator is placed in the control scheme in order to suppress the chattering, because it acts like a low-pass filter. To estimate the state added by the integrator, a new observer-based neural network (ONN) is proposed. The proof of the stability of the D-SMC and ONN is based on Lyapunov theory. To prove the advantages of the D-SMC, a comparison was also carried out by traditional sliding mode control (T-SMC) with a similar ONN. From this comparison, we know that the advantages of the D-SMC are clear in terms of real implementation, concept, and chattering suppression. Full article
(This article belongs to the Special Issue Control Theory and Applications, 2nd Edition)
Show Figures

Figure 1

25 pages, 421 KB  
Review
Linear, Nonlinear, and Distributed-Parameter Observers Used for (Renewable) Energy Processes and Systems—An Overview
by Verica Radisavljevic-Gajic, Dimitri Karagiannis and Zoran Gajic
Energies 2024, 17(11), 2700; https://doi.org/10.3390/en17112700 - 2 Jun 2024
Cited by 7 | Viewed by 1988
Abstract
Full- and reduced-order observers have been used in many engineering applications, particularly for energy systems. Applications of observers to energy systems are twofold: (1) the use of observed variables of dynamic systems for the purpose of feedback control and (2) the use of [...] Read more.
Full- and reduced-order observers have been used in many engineering applications, particularly for energy systems. Applications of observers to energy systems are twofold: (1) the use of observed variables of dynamic systems for the purpose of feedback control and (2) the use of observers in their own right to observe (estimate) state variables of particular energy processes and systems. In addition to the classical Luenberger-type observers, we will review some papers on functional, fractional, and disturbance observers, as well as sliding-mode observers used for energy systems. Observers have been applied to energy systems in both continuous and discrete time domains and in both deterministic and stochastic problem formulations to observe (estimate) state variables over either finite or infinite time (steady-state) intervals. This overview paper will provide a detailed overview of observers used for linear and linearized mathematical models of energy systems and review the most important and most recent papers on the use of observers for nonlinear lumped (concentrated)-parameter systems. The emphasis will be on applications of observers to renewable energy systems, such as fuel cells, batteries, solar cells, and wind turbines. In addition, we will present recent research results on the use of observers for distributed-parameter systems and comment on their actual and potential applications in energy processes and systems. Due to the large number of papers that have been published on this topic, we will concentrate our attention mostly on papers published in high-quality journals in recent years, mostly in the past decade. Full article
(This article belongs to the Section B: Energy and Environment)
18 pages, 4735 KB  
Article
New Adaptive Super-Twisting Extended-State Observer-Based Sliding Mode Scheme with Application to FOWT Pitch Control
by Ronglin Ma, Fei Lu Siaw, Tzer Hwai Gilbert Thio and Wenxiang Yang
J. Mar. Sci. Eng. 2024, 12(6), 902; https://doi.org/10.3390/jmse12060902 - 28 May 2024
Cited by 9 | Viewed by 2854
Abstract
This paper details the transformation of the velocity or position-tracking problem of a class of uncertain systems using finite time stability control for first-order uncertain systems. A new composite extended-state observer sliding mode (ESOSM) scheme is proposed, which includes an adaptive super-twisting-like ESO [...] Read more.
This paper details the transformation of the velocity or position-tracking problem of a class of uncertain systems using finite time stability control for first-order uncertain systems. A new composite extended-state observer sliding mode (ESOSM) scheme is proposed, which includes an adaptive super-twisting-like ESO and an adaptive super-twisting controller. The adaptive super-twisting controller is implemented through a barrier function-based second-order sliding mode algorithm. To further reduce control chattering and improve control performance, the adaptive super-twisting-like ESO, which employs high-order terms in the super-twisting algorithm to accelerate convergence, is designed to observe the lumped uncertainty in real time. The advantages of the proposed scheme are verified by a numerical example and application with regard to floating offshore wind turbine (FOWT) pitch control. Compared with proportional integral (PI) and adaptive super-twisting sliding mode (ASTSM) schemes, better results are obtained in velocity tracking and fatigue load suppression. For the FOWT pitch control application, the platform roll, pitch, and yaw are decreased by 3%, 2%, and 4%, respectively, compared to the PI scheme at an average turbulent wind speed of 17 m/s and turbulence intensity of 17.27%. Full article
Show Figures

Figure 1

18 pages, 9752 KB  
Article
A Composite Super-Twisting Sliding Mode Approach for Platform Motion Suppression and Power Regulation of Floating Offshore Wind Turbine
by Wenxiang Yang, Yaozhen Han, Ronglin Ma, Mingdong Hou and Guang Yang
J. Mar. Sci. Eng. 2023, 11(12), 2318; https://doi.org/10.3390/jmse11122318 - 7 Dec 2023
Cited by 4 | Viewed by 2003
Abstract
The floating platform motion of an offshore wind turbine system can exacerbate output power fluctuations and increase fatigue loads. This paper proposes a new scheme based on a fast second-order sliding mode (SOSM) control and an adaptive super-twisting extended state observer to suppress [...] Read more.
The floating platform motion of an offshore wind turbine system can exacerbate output power fluctuations and increase fatigue loads. This paper proposes a new scheme based on a fast second-order sliding mode (SOSM) control and an adaptive super-twisting extended state observer to suppress the platform motion and power fluctuation. Firstly, an affine nonlinear model of the floating wind turbine pitch system is constructed. Then, a fast SOSM pitch control law is adopted to adjust the blade pitch angle, and a new adaptive super-twisting extended state observer is constructed to achieve total disturbance observation. Finally, simulations are conducted under two cases of wind and wave conditions based on FAST (fatigue, aerodynamics, structures, and turbulence) and MATLAB/Simulink. Compared with the traditional proportional integral (PI) control scheme and standard super-twisting control scheme, the platform roll under the proposed scheme is reduced by 13% and 4%, and pitch is reduced by 16% and 3% in Case 1. Correspondingly, the roll is reduced by 9% and 15%, and pitch is reduced by 7% and 1% in Case 2. For the tower top pitch and yaw moment, load reductions of 7% and 3% or more are achievable compared with those under the PI control scheme. It is indicated that the proposed scheme is more effective in suppressing floating platform motion, stabilizing output power of the wind turbine system, and reducing tower loads. Full article
(This article belongs to the Topic Marine Renewable Energy, 2nd Edition)
Show Figures

Figure 1

23 pages, 8364 KB  
Article
A Novel Composite Pitch Control Scheme for Floating Offshore Wind Turbines with Actuator Fault Consideration
by Shuang Liu, Yaozhen Han, Ronglin Ma, Mingdong Hou and Chao Kang
J. Mar. Sci. Eng. 2023, 11(12), 2272; https://doi.org/10.3390/jmse11122272 - 30 Nov 2023
Cited by 6 | Viewed by 2270
Abstract
It is of great importance to simultaneously stabilize output power and suppress platform motion and fatigue loads in floating offshore wind turbine control systems. In this paper, a novel composite blade pitch control scheme considering actuator fault is proposed based on an augmented [...] Read more.
It is of great importance to simultaneously stabilize output power and suppress platform motion and fatigue loads in floating offshore wind turbine control systems. In this paper, a novel composite blade pitch control scheme considering actuator fault is proposed based on an augmented linear quadratic regulator (LQR), a fuzzy proportional integral (PI) and an adaptive second-order sliding-mode observer. Collective pitch control was achieved via the fuzzy PI, while individual pitch control was based on the augmented LQR. In the case of actuator fault, an adaptive second-order sliding-mode observer was constructed to effectively eliminate the need for the upper bound of unknown fault derivatives and suppress the chattering effect. This paper conducted co-simulations based on FAST (Fatigue, Aerodynamics, Structures, and Turbulence) and MATLAB/Simulink to verify the effectiveness and superiority of the proposed scheme under different environmental conditions. It is shown that platform roll was reduced by approximately 54% compared to that under PI control. For the tower fore–aft moment, load reductions of 45% or more were achievable. The proposed scheme can greatly reduce the pitch and roll of the floating platform and loads in the windward direction of the wind turbine. Full article
(This article belongs to the Special Issue Advances in Offshore Wind and Wave Energies—2nd Edition)
Show Figures

Figure 1

26 pages, 3854 KB  
Article
Actuator FDI Scheme for a Wind Turbine Benchmark Using Sliding Mode Observers
by Vicente Borja-Jaimes, Manuel Adam-Medina, Jarniel García-Morales, Gerardo Vicente Guerrero-Ramírez, Betty Yolanda López-Zapata and Eduardo Mael Sánchez-Coronado
Processes 2023, 11(6), 1690; https://doi.org/10.3390/pr11061690 - 1 Jun 2023
Cited by 9 | Viewed by 2020
Abstract
This paper proposes a fault detection and isolation (FDI) scheme for a wind turbines subject to actuator faults in both the pitch system and the drive train system. The proposed scheme addresses fault detection and isolation problems using a fault estimation approach. The [...] Read more.
This paper proposes a fault detection and isolation (FDI) scheme for a wind turbines subject to actuator faults in both the pitch system and the drive train system. The proposed scheme addresses fault detection and isolation problems using a fault estimation approach. The proposed approach considers the use of a particular class of sliding mode observers (SMOs) designed to maintain the sliding motion even in the presence of actuator faults. The fault detection problem is solved by reconstructing the actuator faults through an appropriate analysis of the nonlinear output error injection signal, which is required to keep the SMO in a sliding motion. To ensure accurate fault reconstruction, only two conditions are required, namely that the faults are bounded and they meet the matching condition. A scheme based on a bank of SMOs is proposed to solve the fault detection and isolation problem in the pitch system. For the drive train system, a scheme using only one SMO is proposed. The performance of the proposed FDI scheme is validated by using a wind turbine benchmark model subjected to several actuator faults. Normalized root mean square error (NRMSE) analysis is performed to evaluate the accuracy of the actuator fault estimations. Full article
Show Figures

Figure 1

24 pages, 5059 KB  
Article
Adaptive Backstepping Integral Sliding Mode Control for 5DOF Barge-Type OFWT under Output Constraint
by Syed Awais Ali Shah, Bingtuan Gao, Irfan Ahmad, Hameed Ullah, Nigar Ahmed and Anjum Saeed
J. Mar. Sci. Eng. 2023, 11(3), 492; https://doi.org/10.3390/jmse11030492 - 24 Feb 2023
Cited by 9 | Viewed by 2388
Abstract
This article presents a new control solution for a dynamical model of a translational oscillator with a rotational actuator (TORA) based on multi-body dynamics for a barge-type offshore floating wind turbine (OFWT). TORA has been employed as an active structural control strategy. The [...] Read more.
This article presents a new control solution for a dynamical model of a translational oscillator with a rotational actuator (TORA) based on multi-body dynamics for a barge-type offshore floating wind turbine (OFWT). TORA has been employed as an active structural control strategy. The solution of bounding the output movements of platform pitch and tower bending angle to a certain limit, along with mitigating the OFWT vibrations due to environmental disturbances and uncertainties, is presented in this novel control framework. This new control algorithm consists of a high-gain observer (HGO)-based adaptive backstepping integral sliding mode control (ISMC) and a barrier Lyapunov function (BLF). This guarantees satisfying the constraints on the states and effectively resolves the problem of the unavailability of the system states. The proposed control law based on the BLF has been compared with an adaptive backstepping ISMC to show the efficiency of the output-constraint control scheme. Through MATLAB/SIMULINK numerical simulations and their numeric error table, the effectiveness of the proposed control scheme has been examined. The results confirm the validity and efficiency of the proposed control approaches. Full article
(This article belongs to the Special Issue Offshore Wind Energy)
Show Figures

Figure 1

40 pages, 11938 KB  
Article
Output Power Control and Load Mitigation of a Horizontal Axis Wind Turbine with a Fully Coupled Aeroelastic Model: Novel Sliding Mode Perspective
by Hongfu Zhang, Jiahao Wen, Farshad Golnary and Lei Zhou
Mathematics 2022, 10(15), 2735; https://doi.org/10.3390/math10152735 - 2 Aug 2022
Cited by 1 | Viewed by 2525
Abstract
The power control of horizontal axis wind turbines can affect significantly the vibration loads and fatigue life of the tower and the blades. In this paper, we both consider the power control and vibration load mitigation of the tower fore-aft vibration. For this [...] Read more.
The power control of horizontal axis wind turbines can affect significantly the vibration loads and fatigue life of the tower and the blades. In this paper, we both consider the power control and vibration load mitigation of the tower fore-aft vibration. For this purpose, at first, we developed a fully coupled model of the NREL 5MW turbine. This model considers the full aeroelastic behaviour of the blades and tower and is validated by experiment results, comparing the time history data with the FAST (Fatigue, Aerodynamics, Structures, and Turbulence) code which is developed by NREL (National Renewable Energy Lab in the United States). In the next, novel sensorless control algorithms are developed based on the supper twisting sliding mode control theory and sliding mode observer for disturbance rejection. In region II (the wind speed is between the cut-in and rated wind velocity), the novel sensorless control algorithm increased the power coefficient in comparison to the conventional indirect speed control (ISC) method (the conventional method in the industry). In region III (the wind speed is between the rated and cut-out speed), an adaptive neural fuzzy inference system (ANFIS) is developed to estimate pitch sensitivity. The rotor speed, pitch angle, and effective wind velocity are inputs, and pitch sensitivity is the output. The designed novel pitch control performance is compared with the gain scheduled PI (GPI) method (the conventional approach in this region). The simulation results demonstrate that the flapwise blade displacement is reduced significantly. Finally, to reduce the fore-aft vibration of the tower, a tuned mass damper (TMD) was designed by using the genetic algorithm and the fully coupled model. In comparison to the literature body, we demonstrate that the fully coupled model provides much better accuracy in comparison to the uncoupled model to estimate the vibration loads. Full article
Show Figures

Figure 1

31 pages, 6269 KB  
Article
Robust Variable-Step Perturb-and-Observe Sliding Mode Controller for Grid-Connected Wind-Energy-Conversion Systems
by Ilham Toumi, Billel Meghni, Oussama Hachana, Ahmad Taher Azar, Amira Boulmaiz, Amjad J. Humaidi, Ibraheem Kasim Ibraheem, Nashwa Ahmad Kamal, Quanmin Zhu, Giuseppe Fusco and Naglaa K. Bahgaat
Entropy 2022, 24(5), 731; https://doi.org/10.3390/e24050731 - 20 May 2022
Cited by 24 | Viewed by 3782
Abstract
In order to extract efficient power generation, a wind turbine (WT) system requires an accurate maximum power point tracking (MPPT) technique. Therefore, a novel robust variable-step perturb-and-observe (RVS-P&O) algorithm was developed for the machine-side converter (MSC). The control strategy was applied on a [...] Read more.
In order to extract efficient power generation, a wind turbine (WT) system requires an accurate maximum power point tracking (MPPT) technique. Therefore, a novel robust variable-step perturb-and-observe (RVS-P&O) algorithm was developed for the machine-side converter (MSC). The control strategy was applied on a WT based permanent-magnet synchronous generator (PMSG) to overcome the downsides of the currently published P&O MPPT methods. Particularly, two main points were involved. Firstly, a systematic step-size selection on the basis of power and speed measurement normalization was proposed; secondly, to obtain acceptable robustness for high and long wind-speed variations, a new correction to calculate the power variation was carried out. The grid-side converter (GSC) was controlled using a second-order sliding mode controller (SOSMC) with an adaptive-gain super-twisting algorithm (STA) to realize the high-quality seamless setting of power injected into the grid, a satisfactory power factor correction, a high harmonic performance of the AC source, and removal of the chatter effect compared to the traditional first-order sliding mode controller (FOSMC). Simulation results showed the superiority of the suggested RVS-P&O over the competing based P&O techniques. The RVS-P&O offered the WT an efficiency of 99.35%, which was an increase of 3.82% over the variable-step P&O algorithm. Indeed, the settling time was remarkably enhanced; it was 0.00794 s, which was better than for LS-P&O (0.0841 s), SS-P&O (0.1617 s), and VS-P&O (0.2224 s). Therefore, in terms of energy efficiency, as well as transient and steady-state response performances under various operating conditions, the RVS-P&O algorithm could be an accurate candidate for MPP online operation tracking. Full article
(This article belongs to the Special Issue Nonlinear Control Systems with Recent Advances and Applications)
Show Figures

Figure 1

20 pages, 404 KB  
Article
Generalized Sliding Mode Observers for Simultaneous Fault Reconstruction in the Presence of Uncertainty and Disturbance
by Ashkan Taherkhani, Farhad Bayat, Kaveh Hooshmandi and Andrzej Bartoszewicz
Energies 2022, 15(4), 1411; https://doi.org/10.3390/en15041411 - 15 Feb 2022
Cited by 2 | Viewed by 2262
Abstract
In this paper, a generalized sliding mode observer design method is proposed for the robust reconstruction of sensors and actuators faults in the presence of both unknown disturbances and uncertainties. For this purpose, the effect of uncertainty and disturbance on the system has [...] Read more.
In this paper, a generalized sliding mode observer design method is proposed for the robust reconstruction of sensors and actuators faults in the presence of both unknown disturbances and uncertainties. For this purpose, the effect of uncertainty and disturbance on the system has been considered in generalized state-space form, and the LMI tool is combined with the concept of an equivalent output error injection method to reduce the effects of them on the reconstruction process. The upper bound of the disturbance and uncertainty are minimized in the design of the sliding motion so that the reconstruction of the faults will be minimized. The design method is applied for actuator faults in the generalized state-space form, and then with some suitable filtering, the method extends as sensors and actuators coincidentally faults. Since in the proposed approach, the state trajectories do not leave the sliding manifold even in simultaneous sensors and actuators faults, then the faults are reconstructed based upon information retrieved from the equivalent output error injection signal. Due to the importance of the robust fault reconstruction in the wind energy conversion system (WECS), the proposed approach is successfully applied to a 5 MW wind turbine system. The simulation results verify the robust performances of the proposed approach in the presence of unknown perturbations and uncertainties. Full article
(This article belongs to the Topic Artificial Intelligence and Sustainable Energy Systems)
Show Figures

Figure 1

12 pages, 2328 KB  
Article
FPGA in the Loop Implementation for Observer Sliding Mode Control of DFIG-Generators for Wind Turbines
by Houda El Alami, Badre Bossoufi, Saad Motahhir, Eman H. Alkhammash, Mehedi Masud, Mohammed Karim, Mohammed Taoussi, Manale Bouderbala, Mouna Lamnadi and Mohammed El Mahfoud
Electronics 2022, 11(1), 116; https://doi.org/10.3390/electronics11010116 - 30 Dec 2021
Cited by 44 | Viewed by 4203
Abstract
This paper presents a new contribution of the nonlinear control technique of electrical energy in a wind energy system. The nonlinear sliding mode technique used to control the powers of the DFIG-Generator is connected to the power grid by two converters (grid side [...] Read more.
This paper presents a new contribution of the nonlinear control technique of electrical energy in a wind energy system. The nonlinear sliding mode technique used to control the powers of the DFIG-Generator is connected to the power grid by two converters (grid side and machine side). The proposed model is validated using tracking and robustness tests with a real wind speed. The control was developed under Matlab/Simulink, and the FPGA in the Loop technique was used to design the DFIG model. By employing a co-simulation, the purpose is to test the controller for the FPGA simulated model or system in its entirety. The results obtained by the cο-simulation show the efficiency of the proposed model in terms of speed and robustness with a rate THD = 0.95, and the proposed model of the sliding mode controller shows a significant improvement in the quality of energy produced by the wind system. Full article
Show Figures

Figure 1

16 pages, 2353 KB  
Article
Sliding Mode Observer-Based Fault Detection and Isolation Approach for a Wind Turbine Benchmark
by Vicente Borja-Jaimes, Manuel Adam-Medina, Betty Yolanda López-Zapata, Luis Gerardo Vela Valdés, Luisana Claudio Pachecano and Eduardo Mael Sánchez Coronado
Processes 2022, 10(1), 54; https://doi.org/10.3390/pr10010054 - 28 Dec 2021
Cited by 14 | Viewed by 3787
Abstract
A fault detection and isolation (FDI) approach based on nonlinear sliding mode observers for a wind turbine model is presented. Problems surrounding pitch and drive train system FDI are addressed. This topic has generated great interest because the early detection of faults in [...] Read more.
A fault detection and isolation (FDI) approach based on nonlinear sliding mode observers for a wind turbine model is presented. Problems surrounding pitch and drive train system FDI are addressed. This topic has generated great interest because the early detection of faults in these components allows avoiding irreparable damage in wind turbines. A fault diagnosis strategy using nonlinear sliding mode observer banks is proposed due to its ability to handle model uncertainties and external disturbances. Unlike the reported solutions, the solution approach does not need a priori knowledge of the faults and considers system uncertainty. The robustness to disturbances, uncertainties, and measurement noise is shown in the dynamic of the generated residuals, which is sensible to only one kind of fault. To show the effectiveness of the proposed FDI approach, numerical examples based on a wind turbine benchmark model, considering closed loop applications, are presented. Full article
Show Figures

Figure 1

21 pages, 7034 KB  
Article
A Novel Nonsingular Terminal Sliding Mode Control-Based Double Interval Type-2 Fuzzy Systems: Real-Time Implementation
by Hooman Mohammadi Moghadam, Meysam Gheisarnejad, Maryam Yalsavar, Hossein Foroozan and Mohammad-Hassan Khooban
Inventions 2021, 6(2), 40; https://doi.org/10.3390/inventions6020040 - 4 Jun 2021
Cited by 8 | Viewed by 3303
Abstract
Extensive use of wind turbine (WT) systems brings remarkable challenges to the stability and safety of the power systems. Due to the difficulty and complexity of modeling such large plants, the model-independent strategies are preferred for the control of the WT plants which [...] Read more.
Extensive use of wind turbine (WT) systems brings remarkable challenges to the stability and safety of the power systems. Due to the difficulty and complexity of modeling such large plants, the model-independent strategies are preferred for the control of the WT plants which eliminates the need to model identification. This current work proposes a novel model-independent control methodology in the rotor side converter (RSC) part to ameliorate low voltage ride through (LVRT) ability especially for the doubly-fed induction generator (DFIG) WT. A novel model-independent nonsingular terminal sliding mode control (MINTSMC) was developed based on the principle of the ultra-local pattern. In the suggested controller, the MINTSMC scheme was designed to stabilize the RSC of the DFIG, and a sliding-mode supervisor was adopted to determine the unknown dynamics of the proposed system. An auxiliary dual input interval type 2 fuzzy logic control (DIT2-FLC) was established in a model-independent control structure to remove the estimation error of the sliding mode observer. Real-time examinations have been carried out using a Real-Time Model in Loop (RT-MiL) for validating the applicability of the proposed model-independent control in a real-time platform. To evaluate the usefulness and supremacy of the MINTSMC based DIT2-FLC, the real-time outcomes are compared with outcomes of RSC regulated conventional PI controller and MINTSMC controller. Full article
(This article belongs to the Special Issue Microgrids: Protection, Cyber Physical Issues, and Control)
Show Figures

Figure 1

18 pages, 3209 KB  
Article
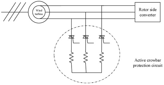
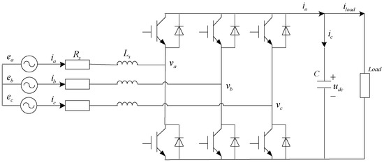
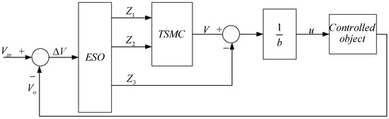
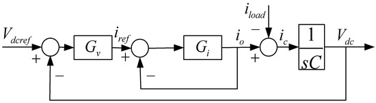
Research on Zero-Voltage Ride Through Control Strategy of Doubly Fed Wind Turbine
by Kaina Qin, Shanshan Wang and Zhongjian Kang
Energies 2021, 14(8), 2287; https://doi.org/10.3390/en14082287 - 19 Apr 2021
Cited by 5 | Viewed by 2436
Abstract
With the rapid increase in the proportion of the installed wind power capacity in the total grid capacity, the state has put forward higher and higher requirements for wind power integration into the grid, among which the most difficult requirement is the zero-voltage [...] Read more.
With the rapid increase in the proportion of the installed wind power capacity in the total grid capacity, the state has put forward higher and higher requirements for wind power integration into the grid, among which the most difficult requirement is the zero-voltage ride through (ZVRT) capability of the wind turbine. When the voltage drops deeply, a series of transient processes, such as serious overvoltage, overcurrent, or speed rise, will occur in the motor, which will seriously endanger the safe operation of the wind turbine itself and its control system, and cause large-scale off-grid accident of wind generator. Therefore, it is of great significance to improve the uninterrupted operation ability of the wind turbine. Doubly fed induction generator (DFIG) can achieve the best wind energy tracking control in a wide range of wind speed and has the advantage of flexible power regulation. It is widely used at present, but it is sensitive to the grid voltage. In the current study, the DFIG is taken as the research object. The transient process of the DFIG during a fault is analyzed in detail. The mechanism of the rotor overcurrent and DC bus overvoltage of the DFIG during fault is studied. Additionally, the simulation model is built in DIgSILENT. The active crowbar hardware protection circuit is put into the rotor side of the wind turbine, and the extended state observer and terminal sliding mode control are added to the grid side converter control. Through the cooperative control technology, the rotor overcurrent and DC bus overvoltage can be suppressed to realize the zero-voltage ride-through of the doubly fed wind turbine, and ensure the safe and stable operation of the wind farm. Finally, the simulation results are presented to verify the theoretical analysis and the proposed control strategy. Full article
(This article belongs to the Section A3: Wind, Wave and Tidal Energy)
Show Figures

Figure 1

21 pages, 3353 KB  
Article
Short-Circuit Fault Tolerant Control of a Wind Turbine Driven Induction Generator Based on Sliding Mode Observers
by Takwa Sellami, Hanen Berriri, Sana Jelassi, A Moumen Darcherif and M Faouzi Mimouni
Energies 2017, 10(10), 1611; https://doi.org/10.3390/en10101611 - 14 Oct 2017
Cited by 19 | Viewed by 6803
Abstract
The installed energy production capacity of wind turbines is growing intensely on a global scale, making the reliability of wind turbine subsystems of greater significance. However, many faults like Inter-Turn Short-Circuit (ITSC) may affect the turbine generator and quickly lead to a decline [...] Read more.
The installed energy production capacity of wind turbines is growing intensely on a global scale, making the reliability of wind turbine subsystems of greater significance. However, many faults like Inter-Turn Short-Circuit (ITSC) may affect the turbine generator and quickly lead to a decline in supplied power quality. In this framework, this paper proposes a Sliding Mode Observer (SMO)-based Fault Tolerant Control (FTC) scheme for Induction Generator (IG)-based variable-speed grid-connected wind turbines. First, the dynamic models of the wind turbine subsystems were developed. The control schemes were elaborated based on the Maximum Power Point Tracking (MPPT) method and Indirect Rotor Flux Oriented Control (IRFOC) method. The grid control was also established by regulating the active and reactive powers. The performance of the wind turbine system and the stability of injected power to the grid were hence analyzed under both healthy and faulty conditions. The robust developed SMO-based Fault Detection and Isolation (FDI) scheme was proved to be fast and efficient for ITSC detection and localization.Afterwards, SMO were involved in scheming the FTC technique. Accordingly, simulation results assert the efficacy of the proposed ITSC FTC method for variable-speed wind turbines with faulty IG in protecting the subsystems from damage and ensuring continuous connection of the wind turbine to the grid during ITSC faults, hence maintaining power quality. Full article
(This article belongs to the Special Issue Wind Generators Modelling and Control)
Show Figures

Figure 1

Back to TopTop