Sign in to use this feature.

Years

Between: -

Subjects

remove_circle_outline
remove_circle_outline
remove_circle_outline
remove_circle_outline
remove_circle_outline
remove_circle_outline
remove_circle_outline
remove_circle_outline

Journals

Article Types

Countries / Regions

Search Results (30)

Search Parameters:
Keywords = on-line PD monitoring system

Order results
Result details
Results per page
Select all
Export citation of selected articles as:
17 pages, 3486 KB  
Article
A Novel Air Gap Structure to Enhance Sensitivity for High-Frequency Current Transformer Cores
by Naufal Hilmi Fauzan, Wan-Jen Hung and Cheng-Chien Kuo
Electronics 2025, 14(13), 2570; https://doi.org/10.3390/electronics14132570 - 25 Jun 2025
Viewed by 1233
Abstract
This study proposes a novel air gap structure to enhance the sensitivity and saturation resistance of high-frequency current transformers (HFCTs) used in partial discharge (PD) detection for high-voltage equipment. While previous research has shown that air gaps can prevent core saturation, the impact [...] Read more.
This study proposes a novel air gap structure to enhance the sensitivity and saturation resistance of high-frequency current transformers (HFCTs) used in partial discharge (PD) detection for high-voltage equipment. While previous research has shown that air gaps can prevent core saturation, the impact of asymmetrical versus symmetrical air gaps has not been systematically analyzed. In this paper, we perform a detailed simulation-based comparison using Material 43 and Material 78 ferrite cores. The results show that asymmetrical air gaps significantly increase flux density and improve sensitivity compared with symmetrical designs, achieving a flux enhancement of up to 40%. A physical mechanism based on flux concentration and reduced fringing effects is proposed to explain these improvements. This study provides a new design strategy for HFCTs, enhancing their performance under high-current conditions and improving the reliability of online PD monitoring systems. Future work will involve experimental validation to further confirm these findings. Full article
Show Figures

Figure 1

26 pages, 16054 KB  
Article
Online Monitoring of Partial Discharges in Large Power Transformers Using Ultra-High Frequency and Acoustic Emission Methods: Case Studies
by Wojciech Sikorski and Jaroslaw Gielniak
Energies 2025, 18(7), 1718; https://doi.org/10.3390/en18071718 - 29 Mar 2025
Cited by 3 | Viewed by 2912
Abstract
Partial discharges (PDs) are one of the leading causes of catastrophic power transformer failures. To prevent such failures, online PD monitoring systems are increasingly being implemented. In this paper, to the best of the authors’ knowledge, a case study analysis of short-term PD [...] Read more.
Partial discharges (PDs) are one of the leading causes of catastrophic power transformer failures. To prevent such failures, online PD monitoring systems are increasingly being implemented. In this paper, to the best of the authors’ knowledge, a case study analysis of short-term PD monitoring is presented for the first time using a combination of acoustic emission and ultra-high-frequency methods. Studies have shown that this approach, supported by selected statistical methods for analyzing the convergence (such as the confusion matrix and agreement metrics) of acoustic and electromagnetic pulse detection, improves the reliability of PD detection. Furthermore, it was shown that short-term PD monitoring enables the identification of time windows during which discharges occur periodically and the determination of the transformer phase containing the PD source. This, in turn, facilitates the application of the time difference of arrival (TDoA) technique for the precise localization of transformer insulation defects. Full article
Show Figures

Figure 1

17 pages, 1271 KB  
Systematic Review
Towards Transforming Neurorehabilitation: The Impact of Artificial Intelligence on Diagnosis and Treatment of Neurological Disorders
by Andrea Calderone, Desiree Latella, Mirjam Bonanno, Angelo Quartarone, Sepehr Mojdehdehbaher, Antonio Celesti and Rocco Salvatore Calabrò
Biomedicines 2024, 12(10), 2415; https://doi.org/10.3390/biomedicines12102415 - 21 Oct 2024
Cited by 35 | Viewed by 17661
Abstract
Background and Objectives: Neurological disorders like stroke, spinal cord injury (SCI), and Parkinson’s disease (PD) significantly affect global health, requiring accurate diagnosis and long-term neurorehabilitation. Artificial intelligence (AI), such as machine learning (ML), may enhance early diagnosis, personalize treatment, and optimize rehabilitation through [...] Read more.
Background and Objectives: Neurological disorders like stroke, spinal cord injury (SCI), and Parkinson’s disease (PD) significantly affect global health, requiring accurate diagnosis and long-term neurorehabilitation. Artificial intelligence (AI), such as machine learning (ML), may enhance early diagnosis, personalize treatment, and optimize rehabilitation through predictive analytics, robotic systems, and brain-computer interfaces, improving outcomes for patients. This systematic review examines how AI and ML systems influence diagnosis and treatment in neurorehabilitation among neurological disorders. Materials and Methods: Studies were identified from an online search of PubMed, Web of Science, and Scopus databases with a search time range from 2014 to 2024. This review has been registered on Open OSF (n) EH9PT. Results: Recent advancements in AI and ML are revolutionizing motor rehabilitation and diagnosis for conditions like stroke, SCI, and PD, offering new opportunities for personalized care and improved outcomes. These technologies enhance clinical assessments, therapy personalization, and remote monitoring, providing more precise interventions and better long-term management. Conclusions: AI is revolutionizing neurorehabilitation, offering personalized, data-driven treatments that enhance recovery in neurological disorders. Future efforts should focus on large-scale validation, ethical considerations, and expanding access to advanced, home-based care. Full article
(This article belongs to the Special Issue Emerging Research in Neurorehabilitation)
Show Figures

Figure 1

20 pages, 2003 KB  
Article
A Novel Method for Online Diagnostic Analysis of Partial Discharge in Instrument Transformers and Surge Arresters from the Correlation of HFCT and IEC Methods
by Marcel Antonionni de Andrade Romano, André Melo de Morais, Marcus Vinicius Alves Nunes, Kaynan Maresch, Luiz Fernando Freitas-Gutierres, Ghendy Cardoso, Aécio de Lima Oliveira, Erick Finzi Martins, Cristian Hans Correa and Herber Cuadro Fontoura
Energies 2024, 17(19), 4921; https://doi.org/10.3390/en17194921 - 1 Oct 2024
Cited by 3 | Viewed by 2502
Abstract
In this work, a new methodology is proposed for the online and non-invasive extraction of partial discharge (PD) pulses from raw measurement data obtained using a simplified setup. This method enables the creation of sub-windows with optimized size, each containing a single candidate [...] Read more.
In this work, a new methodology is proposed for the online and non-invasive extraction of partial discharge (PD) pulses from raw measurement data obtained using a simplified setup. This method enables the creation of sub-windows with optimized size, each containing a single candidate PD pulse. The proposed approach integrates mathematical morphological filtering (MMF) with kurtosis, a first-order Savitzky-Golay smoothing filter, the Otsu method for thresholding, and a specific technique to associate each sub-window with the phase angle of the applied voltage waveform, enabling the construction of phase-resolved PD (PRPD) patterns. The methodology was validated against a commercial PD detection device adhering to the IEC (International Electrotechnical Commission) standard. Experimental results demonstrated that the proposed method, utilizing an off-the-shelf 8-bit resolution data acquisition system and a low-cost high-frequency current transformer (HFCT) sensor, effectively diagnoses and characterizes PD activity in high-voltage equipment, such as surge arresters and instrument transformers, even in noisy environments. It was able to characterize PD activity using only a few cycles of the applied voltage waveform and identify low amplitude PD pulses with low signal-to-noise ratio signals. Other contribution of this work is the diagnosis and fault signature obtained from a real surge arrester (SA) with a nominal voltage of 192 kV, corroborated by destructive disassembly and internal inspection of the tested equipment. This work provides a cost-effective and accurate tool for real-time PD monitoring, which can be embedded in hardware for continuous evaluation of electrical equipment integrity. Full article
Show Figures

Figure 1

16 pages, 4010 KB  
Article
Localization for Dual Partial Discharge Sources in Transformer Oil Using Pressure-Balanced Fiber-Optic Ultrasonic Sensor Array
by Feng Liu, Yansheng Shi, Shuainan Zhang and Wei Wang
Sensors 2024, 24(14), 4450; https://doi.org/10.3390/s24144450 - 10 Jul 2024
Cited by 6 | Viewed by 1967
Abstract
The power transformer is one of the most crucial pieces of high-voltage equipment in the power system, and its stable operation is crucial to the reliability of power transmission. Partial discharge (PD) is a key factor leading to the degradation and failure of [...] Read more.
The power transformer is one of the most crucial pieces of high-voltage equipment in the power system, and its stable operation is crucial to the reliability of power transmission. Partial discharge (PD) is a key factor leading to the degradation and failure of the insulation performance of power transformers. Therefore, online monitoring of partial discharge can not only obtain real-time information on the operating status of the equipment but also effectively predict the remaining service life of the transformer. Meanwhile, accurate localization of partial discharge sources can assist maintenance personnel in developing more precise and efficient maintenance plans, ensuring the stable operation of the power system. Dual partial discharge sources in transformer oil represent a more complex fault type, and piezoelectric transducers installed outside the transformer oil tank often fail to accurately capture such discharge waveforms. Additionally, the sensitivity of the built-in F-P sensors can decrease when installed deep within the oil tank due to the influence of oil pressure on its sensing diaphragm, resulting in an inability to accurately detect dual partial discharge sources in transformer oil. To address the impact of oil pressure on sensor sensitivity and achieve the detection of dual partial discharge sources under high-voltage conditions in transformers, this paper proposes an optical fiber ultrasonic sensor with a pressure-balancing structure. This sensor can adapt to changes in oil pressure environments inside transformers, has strong electromagnetic interference resistance, and can be installed deep within the oil tank to detect dual partial discharge sources. In this study, a dual PD detection system based on this sensor array is developed, employing a cross-positioning algorithm to achieve detection and localization of dual partial discharge sources in transformer oil. When applied to a 35 kV single-phase transformer for dual partial discharge source detection in different regions, the sensor array exhibits good sensitivity under high oil pressure conditions, enabling the detection and localization of dual partial discharge sources in oil and winding interturn without obstruction. For fault regions with obstructions, such as within the oil channel of the transformer winding, the sensor exhibits the capability to detect the discharge waveform stemming from dual partial discharge sources. Overall, the sensor demonstrates good sensitivity and directional clarity, providing effective detection of dual PD sources generated inside transformers. Full article
(This article belongs to the Topic Advances in Non-Destructive Testing Methods, 2nd Edition)
Show Figures

Figure 1

21 pages, 21117 KB  
Article
Novel Reference Method for the Characterization of PD Measuring Systems Using HFCT Sensors
by Eduardo Arcones, Fernando Álvarez, Javier Ortego and Fernando Garnacho
Sensors 2024, 24(12), 3788; https://doi.org/10.3390/s24123788 - 11 Jun 2024
Cited by 4 | Viewed by 1666
Abstract
During their lifespan, high-voltage (HV) electrical systems are subjected to operating conditions in which electrical, mechanical, thermal and environmental-related stresses occur. These conditions over time lead to unforeseen failures caused by various types of defects. For this reason, there are several technologies for [...] Read more.
During their lifespan, high-voltage (HV) electrical systems are subjected to operating conditions in which electrical, mechanical, thermal and environmental-related stresses occur. These conditions over time lead to unforeseen failures caused by various types of defects. For this reason, there are several technologies for measuring and monitoring the electrical systems, with the aim of minimizing the number of faults. The early detection of defects, preferably in their incipient state, will enable the necessary corrective actions to be taken in order to avoid unforeseen failures. These failures generally lead to human risks and material damage, lack of power supply and significant economic losses. An efficient maintenance technique for the early detection of defects consists of the supervision of the dielectrics status in the installations by means of on-line partial discharge (PD) measurement. Nowadays, there are numerous systems in the market for the measurement of PD in HV installations. The most efficient with a reasonable cost will be those that offer greater security guarantees and the best positioned in the market. Currently, technology developers and users of PD measuring systems face difficulties related to the lack of reference procedures for their complete characterization and to the technical and economic drawback of performing the characterization tests on site or in laboratory installations. To deal with the previous difficulties, in this paper a novel method for the complete and standardized characterization of PD measuring systems is presented. The applicability of this method is mainly adapted for the characterization of systems operating in on-line applications using high-frequency current transformer (HFCT) sensors. For the appropriate application of the method, an associated and necessary scale modular test platform is used. In the test platform, the real on-site measuring conditions of an HV insulated distribution line are simulated in a controlled way. Practical characterizations, showing the convenience and advantages of applying the method using the modular test platform, are also presented. Full article
(This article belongs to the Special Issue Feature Papers in Physical Sensors 2024)
Show Figures

Figure 1

17 pages, 1625 KB  
Article
Supervised Contrastive Learning for Fault Diagnosis Based on Phase-Resolved Partial Discharge in Gas-Insulated Switchgear
by Nhat-Quang Dang, Trong-Tai Ho, Tuyet-Doan Vo-Nguyen, Young-Woo Youn, Hyeon-Soo Choi and Yong-Hwa Kim
Energies 2024, 17(1), 4; https://doi.org/10.3390/en17010004 - 19 Dec 2023
Cited by 10 | Viewed by 2711
Abstract
Supervised contrastive learning (SCL) has recently emerged as an alternative to conventional machine learning and deep neural networks. In this study, we propose an SCL model with data augmentation techniques using phase-resolved partial discharge (PRPD) in gas-insulated switchgear (GIS). To increase the fault [...] Read more.
Supervised contrastive learning (SCL) has recently emerged as an alternative to conventional machine learning and deep neural networks. In this study, we propose an SCL model with data augmentation techniques using phase-resolved partial discharge (PRPD) in gas-insulated switchgear (GIS). To increase the fault data for training, we employ Gaussian noise adding, Gaussian noise scaling, random cropping, and phase shifting for supervised contrastive loss. The performance of the proposed SCL was verified by four types of faults in the GIS and on-site noise using an on-line ultra-high-frequency (UHF) partial discharge (PD) monitoring system. The experimental results show that the proposed SCL achieves a classification accuracy of 97.28% and outperforms the other algorithms, including support vector machines (SVM), multilayer perceptron (MLP), and convolution neural networks (CNNs) in terms of classification accuracy, by 6.8%, 4.28%, 2.04%, respectively. Full article
Show Figures

Figure 1

28 pages, 16354 KB  
Article
A Smart Grid Overvoltage Identification System Associated with Partial Discharge Signal and Dielectric Loss Detection
by Guojin Chen, Yucheng Zhu, Zihao Meng, Weixing Fang, Wei Xie, Ming Xu and Wenxin Li
Sensors 2023, 23(18), 7727; https://doi.org/10.3390/s23187727 - 7 Sep 2023
Cited by 2 | Viewed by 2064
Abstract
Capacitive equipment refers to its insulation design using the principle of capacitance of electrical equipment, mainly by a variety of different capacitive components in series. Most of the equipment in the substation is capacitive equipment. Once an insulation failure occurs, it will lead [...] Read more.
Capacitive equipment refers to its insulation design using the principle of capacitance of electrical equipment, mainly by a variety of different capacitive components in series. Most of the equipment in the substation is capacitive equipment. Once an insulation failure occurs, it will lead to extremely serious consequences. Monitoring grid overvoltage and insulation degradation of capacitive equipment is an effective means to ensure the stable operation of the power system. Therefore, in order to enhance the health management of capacitive equipment, including transformers, bushings, and current transformers, and to mitigate the risk of severe failures, it is imperative to conduct broad-spectrum frequency-domain online monitoring of overvoltages, dielectric losses, and partial discharge. However, the current monitoring work requires the utilization of multiple detection apparatuses. Aiming at the disadvantage that the existing inspection is not well integrated and requires a combination of multiple devices. This paper proposes a smart grid overvoltage identification system that utilizes partial discharge (PD) signals in correlation with dielectric loss detection. The system achieves synchronous detection of dielectric loss and high-frequency partial discharge by synchronously and in real-time acquiring four current signals from the power grid, enhancing the integration level of the hardware system. Full article
(This article belongs to the Section Industrial Sensors)
Show Figures

Figure 1

17 pages, 3316 KB  
Article
Metrological Qualification of PD Analysers for Insulation Diagnosis of HVDC and HVAC Grids
by Fernando Garnacho, Fernando Álvarez, Alf-Peter Elg, Christian Mier, Kari Lahti, Abderrahim Khamlichi, Eduardo Arcones, Joni Klüss, Armando Rodrigo Mor, Pertti Pakonen, José Ramón Vidal, Álvaro Camuñas, Jorge Rovira, Carlos Vera and Miran Haider
Sensors 2023, 23(14), 6317; https://doi.org/10.3390/s23146317 - 11 Jul 2023
Cited by 4 | Viewed by 1979
Abstract
On-site partial discharge (PD) measurements have turned out to be a very efficient technique for determining the insulation condition in high-voltage electrical grids (AIS, cable systems, GIS, HVDC converters, etc.); however, there is not any standardised procedure for determining the performances of PD [...] Read more.
On-site partial discharge (PD) measurements have turned out to be a very efficient technique for determining the insulation condition in high-voltage electrical grids (AIS, cable systems, GIS, HVDC converters, etc.); however, there is not any standardised procedure for determining the performances of PD measuring systems. In on-line and on-site PD measurements, high-frequency current transformers (HFCTs) are commonly used as sensors as they allow for monitoring over long distances in high-voltage installations. To ensure the required performances, a metrological qualification of the PD analysers by applying an evaluation procedure is necessary. A novel evaluation procedure was established to specify the quantities to be measured (electrical charge and PD repetition rate) and to describe the evaluation tests considering the measured influence parameters: noise, charge amplitude, pulse width and time interval between consecutive pulses. This procedure was applied to different types of PD analysers used for off-line measurements, sporadic on-line measurements and continuous PD monitoring. The procedure was validated in a round-robin test involving two metrological institutes (RISE from Sweden and FFII from Spain) and three universities (TUDelft from the Netherlands, TAU from Finland and UPM from Spain). With this round-robin test, the effectiveness of the proposed qualification procedure for discriminating between efficient and inappropriate PD analysers was demonstrated. Furthermore, it was shown that the PD charge quantity can be properly determined for on-line measurements and continuous monitoring by integrating the pulse signals acquired with HFCT sensors. In this case, these sensors must have a flat frequency spectrum in the range between several tens of kHz and at least two tens of MHz, where the frequency pulse content is more significant. The proposed qualification procedure can be useful for improving the future versions of the technical specification TS IEC 62478 and the standard IEC 60270. Full article
(This article belongs to the Special Issue Power and Electronic Measurement Systems)
Show Figures

Figure 1

21 pages, 6386 KB  
Article
Low-Cost Online Partial Discharge Monitoring System for Power Transformers
by Wojciech Sikorski and Artur Wielewski
Sensors 2023, 23(7), 3405; https://doi.org/10.3390/s23073405 - 23 Mar 2023
Cited by 23 | Viewed by 7895
Abstract
The article presents in detail the construction of a low-cost, portable online PD monitoring system based on the acoustic emission (AE) technique. A highly sensitive piezoelectric transducer was used as the PD detector, whose frequency response characteristics were optimized to the frequency of [...] Read more.
The article presents in detail the construction of a low-cost, portable online PD monitoring system based on the acoustic emission (AE) technique. A highly sensitive piezoelectric transducer was used as the PD detector, whose frequency response characteristics were optimized to the frequency of AE waves generated by discharges in oil–paper insulation. The popular and inexpensive Teensy 3.2 development board featuring a 32-bit MK20DX256 microcontroller with the ARM Cortex-M4 core was used to count the AE pulses. The advantage of the system is its small dimensions and weight, easy and quick installation on the transformer tank, storage of measurement data on a memory card, battery power supply, and immediate readiness for operation without the need to configure. This system may contribute to promoting the idea of short-term (several days or weeks) PD monitoring, especially in developing countries where, with the dynamically growing demand for electricity, the need for inexpensive transformer diagnostics systems is also increasing. Another area of application is medium-power transformers (up to 100 MVA), where temporary PD monitoring using complex measurement systems requiring additional infrastructure (e.g., control cabinet, cable ducts for power supply, and data transmission) and qualified staff is economically unjustified. Full article
Show Figures

Figure 1

31 pages, 5506 KB  
Review
Partial Discharges Monitoring for Electric Machines Diagnosis: A Review
by Jonathan dos Santos Cruz, Fabiano Fruett, Renato da Rocha Lopes, Fabio Luiz Takaki, Claudia de Andrade Tambascia, Eduardo Rodrigues de Lima and Mateus Giesbrecht
Energies 2022, 15(21), 7966; https://doi.org/10.3390/en15217966 - 27 Oct 2022
Cited by 30 | Viewed by 10946
Abstract
Online monitoring of Partial Discharges (PDs) in rotating electrical machines is an useful tool for machine prognosis, as it presents reduced costs compared to intrusive inspections and is associated with relevant problems. Although this monitoring method has been developed for almost 50 years, [...] Read more.
Online monitoring of Partial Discharges (PDs) in rotating electrical machines is an useful tool for machine prognosis, as it presents reduced costs compared to intrusive inspections and is associated with relevant problems. Although this monitoring method has been developed for almost 50 years, the recent advancements in processes automation and signal processing techniques allow improvements that are still being studied by academic and industrial researchers. To analyze the current context of PDs monitoring, this article presents a literature review based on concepts of PDs in rotating machines, data acquisition techniques, state-of-the art commercial equipment, and recent methodologies for detection and pattern recognition of PDs. The challenges identified in the literature that motivate the development of more reliable and robust PD monitoring systems are presented and discussed. Full article
Show Figures

Figure 1

11 pages, 2495 KB  
Article
DFT Insight to Ag2O Modified InN as SF6-N2 Mixture Decomposition Components Detector
by Haibo Dong, Wenjun Li, Muhammad Junaid, Zhuo Lu, Hao Luo and Weihu Sun
Appl. Sci. 2022, 12(15), 7873; https://doi.org/10.3390/app12157873 - 5 Aug 2022
Cited by 3 | Viewed by 2272
Abstract
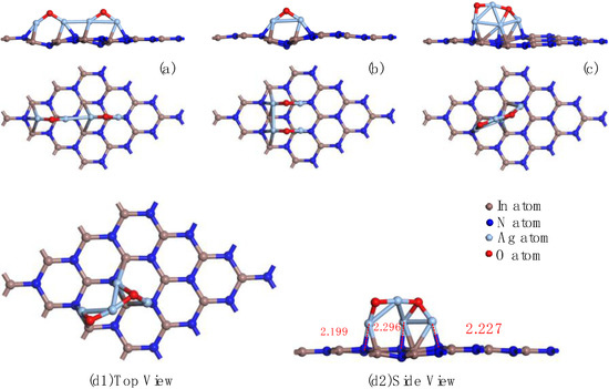
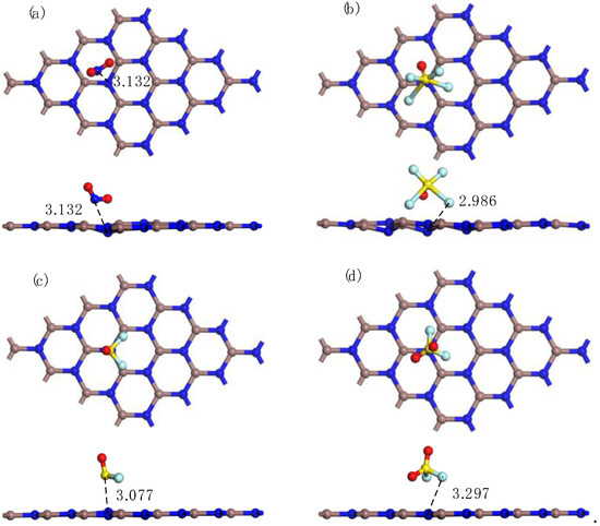
In gas-insulated switchgear (GIS), partial discharge (PD) can be monitored by detecting sulfur hexafluoride-nitrogen (SF6-N2) decomposition components. In this paper, silver oxide (Ag2O) modification was introduced to improve the gas-sensing properties of graphene-like indium nitride (InN). The [...] Read more.
In gas-insulated switchgear (GIS), partial discharge (PD) can be monitored by detecting sulfur hexafluoride-nitrogen (SF6-N2) decomposition components. In this paper, silver oxide (Ag2O) modification was introduced to improve the gas-sensing properties of graphene-like indium nitride (InN). The adsorption process of NO2, SO2F2, SOF2 and SOF4 on Ag2O-InN was simulated based on the first principles calculation and density functional theory (DFT). The gas sensing mechanism was revealed by density of states theory and molecular orbital theory. It is found that Ag2O doping greatly improves the adsorption properties of InN to NO2 and SOF2 molecules. The adsorption capacity of Ag2O-InN to the four gas molecules is: NO2 > SOF2 > SOF4 > SO2F2. All adsorptions can proceed spontaneously, and the gas molecules are electron donors and Ag2O-InN is an electron acceptor. Through the analysis of recovery time, it is found that NO2 is difficult to desorb from the substrate due to the significant adsorption energy of −2.201 eV, while SOF4, SOF2 and SO2F2 have a moderate adsorption energy of −0.185 eV, −0.754 eV and 0.173 eV and extremely short desorption time. The conductivity of the whole system changed after these four gases were adsorbed on the Ag2O-InN monolayer. In summary, Ag2O-InN can be used as NO2 adsorbent and gas sensors to detect SOF4, SOF2 and SO2F2. This paper provides a method for on-line monitoring of partial discharge in GIS. Full article
(This article belongs to the Section Electrical, Electronics and Communications Engineering)
Show Figures

Figure 1

13 pages, 6720 KB  
Article
Cable-Partial-Discharge Recognition Based on a Data-Driven Approach with Optical-Fiber Vibration-Monitoring Signals
by Wenxia Pan, Xingchi Chen and Kun Zhao
Energies 2022, 15(15), 5686; https://doi.org/10.3390/en15155686 - 5 Aug 2022
Cited by 5 | Viewed by 2576
Abstract
The effective pattern recognition of cable partial discharges (PDs) enables prompt corresponding measures to ensure cable safety. Traditional PD monitoring methods have limitations in online monitoring and accurate positioning, and the feature extraction of the monitored electrical signals requires significant prior knowledge. Therefore, [...] Read more.
The effective pattern recognition of cable partial discharges (PDs) enables prompt corresponding measures to ensure cable safety. Traditional PD monitoring methods have limitations in online monitoring and accurate positioning, and the feature extraction of the monitored electrical signals requires significant prior knowledge. Therefore, this paper reports the performance of the distributed optical-fiber vibration-sensing monitoring of PDs on a cable with different insulation defects, and proposes a data-driven recognition approach based on the monitoring signals. The time series of the backscattered Rayleigh light intensity (BRLI) changes at the PD position were collected as the sample data. The coefficients of the time series’ autoregressive moving average (ARMA) models were extracted as features. Next, a classification model trained by the random forest (RF) algorithm was established. After the model’s validation with the experimental data and a comparative analysis with previously published methods, the PD recognition model was simply optimized based on the RF principle. The results showed that the proposed method achieved a high recognition accuracy, of about 98%, indicating that the data-driven approach—combining the ARMA model and the RF—is effective for cable-PD pattern recognition in distributed optical-fiber vibration-sensing systems. Full article
(This article belongs to the Section F: Electrical Engineering)
Show Figures

Graphical abstract

21 pages, 8190 KB  
Article
Fuzzy Algorithms for Diagnosis of Furnace Transformer Insulation Condition
by Alexander S. Karandaev, Igor M. Yachikov, Andrey A. Radionov, Ivan V. Liubimov, Nikolay N. Druzhinin and Ekaterina A. Khramshina
Energies 2022, 15(10), 3519; https://doi.org/10.3390/en15103519 - 11 May 2022
Cited by 18 | Viewed by 2477
Abstract
Implementation of the smart transformer concept is critical for the deployment of IIoT-based smart grids. Top manufacturers of power electrics develop and adopt online monitoring systems. Such systems become part of high-voltage grid and unit transformers. However, furnace transformers are a broad category [...] Read more.
Implementation of the smart transformer concept is critical for the deployment of IIoT-based smart grids. Top manufacturers of power electrics develop and adopt online monitoring systems. Such systems become part of high-voltage grid and unit transformers. However, furnace transformers are a broad category that this change does not affect yet. At the same time, adoption of diagnostic systems for furnace transformers is relevant because they are a heavy-duty application with no redundancy. Creating any such system requires a well-founded mathematical analysis of the facility’s condition, carefully selected diagnostic parameters, and setpoints thereof, which serve as the condition categories. The goal hereof was to create an expert system to detect insulation breach and its expansion as well as to evaluate the risk it poses to the system; the core mechanism is mathematical processing of trends in partial discharge (PD). We ran tests on a 26-MVA transformer installed on a ladle furnace at a steelworks facility. The transformer is equipped with a versatile condition monitoring system that continually measures apparent charge and PD intensity. The objective is to identify the condition of the transformer and label it with one of the generally recognized categories: Normal, Poor, Critical. The contribution of this paper consists of the first ever validation of a single generalized metric that describes the condition of transformer insulation based on the online monitoring of the PD parameters. Fuzzy logic algorithms are used in mathematical processing. The proposal is to generalize the set of diagnostic variables to a single deterministic parameter: insulation state indicator. The paper provides an example of calculating it from the apparent charge and PD power readings. To measure the indicativeness of individual parameters for predicting further development of a defect, the authors developed a method for testing the diagnostic sensitivity of these parameters to changes in the condition. The method was tested using trends in readings sampled whilst the status was degrading from Normal to Critical. The paper also shows a practical example of defect localization. The recommendation is to broadly use the method in expert systems for high-voltage equipment monitoring. Full article
(This article belongs to the Section F: Electrical Engineering)
Show Figures

Figure 1

20 pages, 12876 KB  
Article
Analysis of Electromagnetic Properties of New Graphene Partial Discharge Sensor Electrode Plate Material
by Huiyuan Zhang and Zhensheng Wu
Sensors 2022, 22(7), 2550; https://doi.org/10.3390/s22072550 - 26 Mar 2022
Cited by 7 | Viewed by 2611
Abstract
Advanced sensing and measurement technology is the key to realizing the transparent power grid and electric internet of things. Meanwhile, sensors, as an indispensable part of the smart grid, can monitor, collect, process, and transmit various types of data information of the power [...] Read more.
Advanced sensing and measurement technology is the key to realizing the transparent power grid and electric internet of things. Meanwhile, sensors, as an indispensable part of the smart grid, can monitor, collect, process, and transmit various types of data information of the power system in real-time. In this way, it is possible to further control the power system. Among them, partial discharge (PD) sensors are of great importance in the fields of online monitoring of insulation condition, intelligent equipment control, and power maintenance of power systems. Therefore, this paper intends to focus on advanced sensing materials and study new materials for the improvement for partial discharge sensors. As two-dimensional material, graphene is introduced. The electromagnetic properties of graphene partial discharge sensor electrode plate material are analyzed theoretically. By studying the influence of different chemical potential, relaxation time, temperature, and frequency, we obtain the changing curve of conductivity, dielectric constant, and refractive index. A linear regression model based on the least-squares method was developed for the three electromagnetic properties. Finally, the simulation and experiment verified that the graphene partial discharge sensor has better absorption of the partial discharge signal. This study can apply to the design of graphene partial discharge sensors. Full article
(This article belongs to the Section Nanosensors)
Show Figures

Figure 1

Back to TopTop