Sign in to use this feature.

Years

Between: -

Subjects

remove_circle_outline
remove_circle_outline
remove_circle_outline
remove_circle_outline
remove_circle_outline
remove_circle_outline
remove_circle_outline
remove_circle_outline
remove_circle_outline

Journals

remove_circle_outline
remove_circle_outline
remove_circle_outline
remove_circle_outline

Article Types

Countries / Regions

Search Results (296)

Search Parameters:
Keywords = moving ship

Order results
Result details
Results per page
Select all
Export citation of selected articles as:
29 pages, 1647 KB  
Article
A Hierarchical Cooperative Control Framework for Shipboard Boarding Systems Based on Dynamic Positioning Feedforward
by Lun Tan, Chaohe Chen, Xinkuan Yan, Boxuan Chen and Jianhu Fang
Energies 2026, 19(8), 1902; https://doi.org/10.3390/en19081902 - 14 Apr 2026
Viewed by 217
Abstract
Offshore wind turbine operation and maintenance in complex sea states is influenced by the coupled effects of low-frequency vessel drift and high-frequency wave-induced disturbances. In practical operations, the ship dynamic positioning system primarily regulates low-frequency motion through vessel position control, whereas a boarding [...] Read more.
Offshore wind turbine operation and maintenance in complex sea states is influenced by the coupled effects of low-frequency vessel drift and high-frequency wave-induced disturbances. In practical operations, the ship dynamic positioning system primarily regulates low-frequency motion through vessel position control, whereas a boarding compensation system is required to attenuate high-frequency six-degrees-of-freedom motions to ensure safe personnel transfer. This study establishes coupled kinematic mapping among the ship dynamic positioning system, the Stewart platform, and a three-degrees-of-freedom gangway and proposes a hierarchical cooperative control architecture. At the upper layer, an extended Kalman filter and an exponential moving average low-pass filter are employed for online state estimation and for separating low-frequency and high-frequency components. A Kalman filter lookahead predictor is then used to generate a short-horizon prediction of the high-frequency component and to construct a feedforward reference signal. At the middle layer, the feedforward reference and the gangway end error feedback are coordinated at the velocity level, and a quadratic programming-based allocation strategy distributes compensation tasks between the Stewart platform and the gangway under safety-related constraints, including actuator stroke limits and singularity avoidance. At the lower layer, a robust feedback controller is designed for the gangway to mitigate modeling uncertainties and environmental disturbances and to ensure stable tracking. MATLAB R2024a-based simulations under representative wave conditions demonstrate that the proposed architecture improves end effector tracking accuracy and closed-loop stability compared with baseline strategies, providing a feasible engineering solution for shipboard boarding operations in complex sea states. Full article
(This article belongs to the Section A: Sustainable Energy)
31 pages, 6244 KB  
Article
Physics-Driven Multi-Modal Fusion for SAR Ship Detection Under Motion Defocusing
by Xinmei Qiang, Ze Yu, Xianxun Yao, Dongxu Li, Ruijuan Deng, Na Pu and Shengjie Zhong
Remote Sens. 2026, 18(8), 1166; https://doi.org/10.3390/rs18081166 - 14 Apr 2026
Viewed by 248
Abstract
Synthetic aperture radar (SAR) ship detection is severely limited by the artifacts caused by motion. Due to the complex six-degree-of-freedom (6-DOF) motion of ships, the ship imaging exhibits aberration phenomena including spatial blurring, discrete ghosting, and Lorentz linear blurring. Traditional detectors rely on [...] Read more.
Synthetic aperture radar (SAR) ship detection is severely limited by the artifacts caused by motion. Due to the complex six-degree-of-freedom (6-DOF) motion of ships, the ship imaging exhibits aberration phenomena including spatial blurring, discrete ghosting, and Lorentz linear blurring. Traditional detectors rely on the identification of static spatial features. When the phase coherence is disrupted, they tend to fail. To overcome this problem, we propose a multimodal fusion framework based on physical principles. This framework establishes a theoretical connection between the ship hydrodynamic response and imaging degradation through short, long, and ultra-long coherence processing intervals (CPI). The framework adopts a cascaded architecture: first, a lightweight YOLOv8 performs rapid global screening, followed by a signal backtracking mechanism that extracts high-fidelity time-frequency domain (TFD) and range instantaneous Doppler (RID) features from the original distance compressed data. In the second-level detection, these physical features are adaptively fused with spatial intensity through a YOLOv8 network integrated with the convolutional block attention module (CBAM) to reduce the false detection rate. The validation on high-fidelity simulations and real GF-3 datasets shows that this method consistently achieves an average precision (mAP) of over 95%, outperforming several widely used detectors, and demonstrates strong generalization ability in extreme imaging conditions, suitable for maritime detection scenarios. Full article
(This article belongs to the Special Issue Ship Imaging, Detection and Recognition for High-Resolution SAR)
Show Figures

Figure 1

25 pages, 8275 KB  
Article
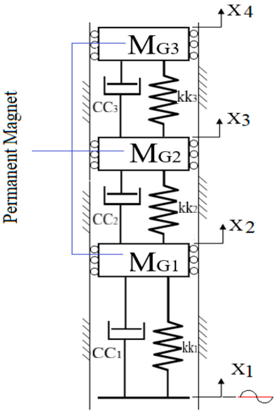
Optimization of a Ship-Based Three-Magnet Energy Harvester Using Wave Excitation via the Flower Pollination and Simulated Annealing Algorithms
by Ho-Chih Cheng, Min-Chie Chiu and Ming-Guo Her
Vibration 2026, 9(2), 26; https://doi.org/10.3390/vibration9020026 - 10 Apr 2026
Viewed by 139
Abstract
In response to the urgent requirement for sustainable power supply for deep-sea or offshore underwater sensing equipment, this work investigates autonomous power generation aboard marine vessels. The vertical vibrations induced by wave excitation at the bottom of the vessel are utilized to drive [...] Read more.
In response to the urgent requirement for sustainable power supply for deep-sea or offshore underwater sensing equipment, this work investigates autonomous power generation aboard marine vessels. The vertical vibrations induced by wave excitation at the bottom of the vessel are utilized to drive the vibration energy harvesters on the deck for power generation. In a scenario involving automatic steering, a multiplicity of magnetoelectric harvesters mounted on the deck would move vertically in response to surface wave motion, enabling continuous conversion of wave energy into electrical power. The key feature of this study is that the ship-based self-power generation system is simple to install and safe, with the vibration energy harvesters mounted above the sea surface to avoid the unpredictable underwater sea conditions. This study presents a numerical case analysis of a three-magnet energy harvester designed to generate induced electrical power under wave conditions characterized by a speed of V = 3.0 m/s, amplitude of Zo = 0.4 m, and wavelength of λ = 2.0 m. Prior to optimizing the ship-based energy harvester, the mathematical model of a three-magnet vibration system was validated against experimental data to ensure accuracy. Subsequently, a sensitivity study was performed to evaluate the influence of wave parameters (e.g., amplitude and wavelength) and the harvester’s geometric parameters on the electrical power output. To maximize power generation, the flower pollination algorithm—an efficient bio-inspired optimization method known for its robustness in global search—was integrated with the objective function defined as the root-mean-square electrical power. Simulation results indicate that the optimized harvester is capable of producing up to 0.1943 W. These findings highlight the potential of ship-based energy harvesters as a sustainable and reliable source of electrical power. Full article
Show Figures

Figure 1

18 pages, 2747 KB  
Article
Stochastic Air Quality Modelling of Ship Emissions in Port Areas for Maritime Decarbonization Pathways
by Ramazan Şener and Yordan Garbatov
J. Mar. Sci. Eng. 2026, 14(6), 542; https://doi.org/10.3390/jmse14060542 - 13 Mar 2026
Viewed by 334
Abstract
Decarbonizing the maritime sector requires not only adopting alternative fuels and propulsion technologies but also quantitatively assessing their impacts on coastal and urban air quality. This study develops a stochastic, time-resolved air-quality modelling framework to evaluate ship-related pollutant dispersion in port environments. The [...] Read more.
Decarbonizing the maritime sector requires not only adopting alternative fuels and propulsion technologies but also quantitatively assessing their impacts on coastal and urban air quality. This study develops a stochastic, time-resolved air-quality modelling framework to evaluate ship-related pollutant dispersion in port environments. The approach integrates Automatic Identification System (AIS) trajectories, vessel-specific emission factors, and meteorological inputs within a moving-source Gaussian dispersion model to simulate the spatio-temporal evolution of pollutant concentrations. A 24 h case study for the Ports of Los Angeles and Long Beach demonstrates highly intermittent emission behaviour, with peak aggregated emission rates reaching approximately 1.2 kg/s for CO2 and 3.8 g/s for SO2. Temporally integrated concentration fields reveal maximum cumulative dosages of 0.145 g·s/m3 for NOx, 0.023 g·s/m3 for SO2, 0.014 g·s/m3 for total PM, and 7.5 g·s/m3 for CO2 in near-port traffic corridors. Sensitivity analysis indicates that effective emission height variations alter cumulative exposure by up to 17%, whereas temporal resolution changes produce deviations below 7%, confirming numerical stability. Monte Carlo uncertainty propagation demonstrates bounded but non-negligible variability in exposure estimates under realistic emission and wind uncertainties. Results show that cumulative exposure patterns differ substantially from short-term concentration peaks, highlighting the importance of time-integrated and receptor-based metrics for port air quality assessment. The proposed AIS-driven stochastic framework provides a reproducible and computationally efficient tool for evaluating operational mitigation strategies and supporting evidence-based maritime decarbonization pathways. Full article
Show Figures

Figure 1

35 pages, 2847 KB  
Article
Predicting Technological Trends and Effects Enabling Large-Scale Supply Drones
by Keirin John Joyce, Mark Hargreaves, Jack Amos, Morris Arnold, Matthew Austin, Benjamin Le, Keith Francis Joiner, Vincent R. Daria and John Young
Technologies 2026, 14(3), 155; https://doi.org/10.3390/technologies14030155 - 3 Mar 2026
Viewed by 1062
Abstract
Drones have long been explored by commercial and military users for supply. While several systems offering small payloads in drone delivery have seen operational use, large-scale supply drones have yet to be adopted. A range of setbacks cause this, including technological and operational [...] Read more.
Drones have long been explored by commercial and military users for supply. While several systems offering small payloads in drone delivery have seen operational use, large-scale supply drones have yet to be adopted. A range of setbacks cause this, including technological and operational challenges that hinder their adoption. Here, we evaluate these challenges from a conceptual modelling perspective and forecast their applicability once these barriers are overcome. This study uses technology trend modelling and bibliometric activity mapping methodologies to predict the applicability of specific technologies that are currently identified as operational challenges. Specifically for supply drones, we model trends in technological improvements of battery technology and aircraft control, and project its focus on landing zone autonomy and powertrain. The prediction also focuses on the current state of hybrid power and higher levels of automation required for landing zone operations. These models are validated through several published case studies of small delivery drones and then applied to assess the feasibility and constraints of larger supply drones. A case study involving the conceptual design of a supply drone large enough to move a shipping container is presented to illustrate the critical technologies required to transition large supply drones from concept to operational reality. Key technologies required for large-scale supply drones have yet to build up a critical mass of research activity, particularly on landing zone autonomy and powertrain. Moreover, additional constraints beyond technological and operational challenges could include limitations in autonomy, certification hurdles, regulatory complexity, and the need for greater social trust and acceptance. Full article
(This article belongs to the Special Issue Aviation Science and Technology Applications)
Show Figures

Graphical abstract

28 pages, 1025 KB  
Article
When Interfaces “Act for You”: An Eye-Tracking Experiment on Delegation, Transparency Cues, and Trust in Agentic Shopping Assistants
by Stefanos Balaskas, Kyriakos Komis, Ioanna Yfantidou and Dimitra Skandali
Multimodal Technol. Interact. 2026, 10(3), 22; https://doi.org/10.3390/mti10030022 - 1 Mar 2026
Viewed by 608
Abstract
Agentic shopping assistants increasingly move beyond recommending products to executing actions in users’ workflows (e.g., adding items to cart, applying coupons, selecting shipping). This shift from advice to delegation raises questions about appropriate reliance, perceived control, and how interface cues support oversight when [...] Read more.
Agentic shopping assistants increasingly move beyond recommending products to executing actions in users’ workflows (e.g., adding items to cart, applying coupons, selecting shipping). This shift from advice to delegation raises questions about appropriate reliance, perceived control, and how interface cues support oversight when systems can act. We report a laboratory eye-tracking experiment using a chat-only e-commerce prototype in a mixed 2 × 2 design: action autonomy varied within participants (recommend-only vs. act-on-behalf, with undo/edit), and transparency cues varied between participants (minimal statements vs. preview + rationale describing what will happen and why). Three standardized shopping tasks were completed by 72 participants. Results included behavioral logs (task time, overrides), areas-of-interest (AOI)-based eye-tracking (chat attention and verification indicators), and post-task self-reports (trust, control, uneasiness, perceived transparency). Act-on-behalf autonomy reduced completion time, but it also increased unease, decreased trust and perceived control, and increased the likelihood of an override, suggesting a trade-off between efficiency and oversight. The autonomy-related penalties for trust and perceived control under act-on-behalf execution were lessened by preview + rationale transparency, which additionally enhanced perceived transparency, trust, and unease. This mechanism coincided with eye-tracking: transparency decreased verification latency during agent actions and redirected attention toward information supplied by assistants. Transparency did not reliably reduce overrides, suggesting that minimal effective transparency can streamline supervision and improve evaluations without eliminating corrective behavior. Full article
Show Figures

Graphical abstract

21 pages, 952 KB  
Article
Institutional Pressure and Seafarers’ Rights Protection: The Mediating Role of ESG Strategy in the Chinese Shipping Industry
by Shouchao Zhu, Xingguo Cao, Bin Dong and Junghwan Choi
Sustainability 2026, 18(3), 1694; https://doi.org/10.3390/su18031694 - 6 Feb 2026
Viewed by 507
Abstract
Moving beyond passive legal compliance is a critical challenge for the global shipping industry in protecting seafarers’ rights. Drawing on interviews with 32 Chinese shipping executives, this study conceptualizes Environmental, Social, and Governance (ESG) strategy not merely as a disclosure tool, but as [...] Read more.
Moving beyond passive legal compliance is a critical challenge for the global shipping industry in protecting seafarers’ rights. Drawing on interviews with 32 Chinese shipping executives, this study conceptualizes Environmental, Social, and Governance (ESG) strategy not merely as a disclosure tool, but as a critical “governance translation” mechanism. We propose a theoretical model where external accountability pressures drive the institutionalization of seafarers’ rights protection (SRP), mediated effectively by corporate ESG engagement. We find that this process is positively moderated by three boundary conditions: the localization of international conventions, the intensity of Port State Control (PSC) enforcement, and the maturity of organizational governance. Practically, the findings suggest that policymakers should prioritize the clear localization of international standards to reduce ambiguity. For managers, the study demonstrates that embedding SRP into board oversight and digital monitoring systems is essential for transforming labor rights from a cost center into a sustainable strategic advantage. Full article
(This article belongs to the Special Issue Sustainable Management of Shipping, Ports and Logistics)
Show Figures

Figure 1

19 pages, 2387 KB  
Article
High-Precision Marine Radar Object Detection Using Tiled Training and SAHI Enhanced YOLOv11-OBB
by Sercan Külcü
Sensors 2026, 26(3), 942; https://doi.org/10.3390/s26030942 - 2 Feb 2026
Viewed by 724
Abstract
Reliable object detection in marine radar imagery is critical for maritime situational awareness, collision avoidance, and autonomous navigation. However, it remains challenging due to sea clutter, small targets, and interference from fixed navigational aids. This study proposes a high-precision detection pipeline that integrates [...] Read more.
Reliable object detection in marine radar imagery is critical for maritime situational awareness, collision avoidance, and autonomous navigation. However, it remains challenging due to sea clutter, small targets, and interference from fixed navigational aids. This study proposes a high-precision detection pipeline that integrates tiled training, Sliced Aided Hyper Inference (SAHI), and an oriented bounding box (OBB) variant of the lightweight YOLOv11 architecture. The proposed approach effectively addresses scale variability in Plan Position Indicator (PPI) radar images. Experiments were conducted on the real-world DAAN dataset provided by the German Aerospace Center (DLR). The dataset consists of 760 full-resolution radar frames containing multiple moving vessels, dynamic own-ship, and clutter sources. A semi-automatic contour-based annotation pipeline was developed to generate multi-format labels, including axis-aligned bounding boxes, oriented bounding boxes (OBBs), and instance segmentation masks, directly from radar echo characteristics. The results demonstrate that the tiled YOLOv11n-OBB model with SAHI achieves an mAP@0.5 exceeding 0.95, with a mean center localization error below 10 pixels. The proposed method shows better performance on small targets compared to standard full-image baselines and other YOLOv11 variants. Moreover, the lightweight models enable near real-time inference at 4–6 FPS on edge hardware. These findings indicate that OBBs and scale-aware strategies enhance detection precision in complex marine radar environments, providing practical advantages for tracking and navigation tasks. Full article
(This article belongs to the Section Radar Sensors)
Show Figures

Figure 1

21 pages, 5003 KB  
Article
Design and Implementation of a Wave Measurement System Based on Millimeter-Wave Radar Array
by Zhijin Qiu, Yunfei Jiang, Bo Wang, Chen Fan, Yushang Wu, Zhiqian Li, Jing Zou and Bin Wang
Sensors 2026, 26(3), 859; https://doi.org/10.3390/s26030859 - 28 Jan 2026
Viewed by 535
Abstract
Ocean waves are created by energy passing through water, causing it to move in a circular motion and have a crucial impact on the safety of ship navigation, offshore engineering construction, and marine disaster early warning. Therefore, developing high-precision, real-time wave observation technology [...] Read more.
Ocean waves are created by energy passing through water, causing it to move in a circular motion and have a crucial impact on the safety of ship navigation, offshore engineering construction, and marine disaster early warning. Therefore, developing high-precision, real-time wave observation technology to accurately obtain wave parameters is very important. This study employs a One-Vertical-Two-Inclined Millimeter-Wave Radar Array (1V2I-MMWRA) to observe wave parameters in the South China Sea. Based on the measured displacement time series, significant wave height, mean wave height, significant wave period, and mean wave period were estimated using both the zero-crossing method and spectral estimation. The system performance was validated against an air–sea interface flux buoy. Experimental results demonstrate that the zero-crossing method exhibits superior precision. The Root-Mean-Square Errors (RMSEs) for the aforementioned parameters were 0.13 m, 0.11 m, 0.81 s, and 0.46 s, respectively. In contrast, spectral estimation yielded higher RMSEs of 0.20 m, 0.16 m, 1.07 s, and 0.74 s, primarily attributed to increased deviations during typhoon passage. Furthermore, directional spectrum analysis reveals that peak frequency and Power Spectral Density (PSD) intensify with the strengthening of the typhoon, while estimated wave directions align closely with in situ measurements. These findings confirm the high reliability of the 1V2I-MMWRA under extreme conditions, highlighting its distinct advantages of lower power consumption and ease of deployment. Full article
(This article belongs to the Section Environmental Sensing)
Show Figures

Figure 1

24 pages, 6313 KB  
Article
IoT-Driven Pull Scheduling to Avoid Congestion in Human Emergency Evacuation
by Erol Gelenbe and Yuting Ma
Sensors 2026, 26(3), 837; https://doi.org/10.3390/s26030837 - 27 Jan 2026
Viewed by 448
Abstract
The efficient and timely management of human evacuation during emergency events is an important area of research where the Internet of Things (IoT) can be of great value. Significant areas of application for optimum evacuation strategies include buildings, sports arenas, cultural venues, such [...] Read more.
The efficient and timely management of human evacuation during emergency events is an important area of research where the Internet of Things (IoT) can be of great value. Significant areas of application for optimum evacuation strategies include buildings, sports arenas, cultural venues, such as museums and concert halls, and ships that carry passengers, such as cruise ships. In many cases, the evacuation process is complicated by constraints on space and movement, such as corridors, staircases, and passageways, that can cause congestion and slow the evacuation process. In such circumstances, the Internet of Things (IoT) can be used to sense the presence of evacuees in different locations, to sense hazards and congestion, to assist in making decisions based on sensing to guide the evacuees dynamically in the most effective direction to limit or eliminate congestion and maximize safety, and notify to the passengers the directions they should take or whether they should stop and wait, through signaling with active IoT devices that can include voice and visual indications and signposts. This paper uses an analytical queueing network approach to analyze an emergency evacuation system, and suggests the use of the Pull Policy, which employs the IoT to direct evacuees in a manner that reduces downstream congestion by signalling them to move forward when the preceding evacuees exit the system. The IoT-based Pull Policy is analyzed using a realistic representation of evacuation from an existing commercial cruise ship, with a queueing network model that also allows for a computationally very efficient comparison of different routing rules with wide-ranging variations in speed parameters of each of the individual evacuees.Numerical examples are used to demonstrate its value for the timely evacuation of passengers within the confined space of a cruise ship. Full article
(This article belongs to the Section Internet of Things)
Show Figures

Figure 1

26 pages, 13407 KB  
Article
Wake-Independent Velocity Estimation and Motion Compensation for SAR Moving Target Based on Time–Frequency Analysis
by Chun Wen, Yunhua Wang, Yanmin Zhang, Honglei Zheng, Daozhong Sun, Qian Li and Fei Chen
Sensors 2026, 26(3), 832; https://doi.org/10.3390/s26030832 - 27 Jan 2026
Viewed by 491
Abstract
Imaging moving targets in synthetic aperture radar (SAR) remains a significant challenge due to the defocusing and azimuthal displacement caused by target motion. To address this, this paper proposes a velocity estimation and motion compensation technique to mitigate the impact of moving targets [...] Read more.
Imaging moving targets in synthetic aperture radar (SAR) remains a significant challenge due to the defocusing and azimuthal displacement caused by target motion. To address this, this paper proposes a velocity estimation and motion compensation technique to mitigate the impact of moving targets on SAR imaging quality. The core innovation of this study lies in a wake-independent method for determining the radar beam center crossing time. Unlike traditional approaches that rely on wake features, our proposed method determines the crossing time by detecting the abrupt change in echo intensity along the time axis (i.e., the azimuth direction) of the time–frequency spectrum. Using this estimated timing, the target’s radial and azimuthal velocities are estimated. Subsequently, using the estimated velocity, the motion compensation of the moving target echoes is carried out through phase correction. Due to the difficulty in obtaining AIS data strictly synchronized with real SAR acquisitions, simulation data are initially utilized to verify the proposed method. The simulation results of moving ships with different velocities under three incidence angles demonstrate that the estimated errors of the radar radial and the azimuthal velocities generally remain below 0.1 m/s (2% relative error) and 0.5 m/s (5% relative error), respectively. Furthermore, after motion compensation, the azimuthal displacement caused by radial velocity is effectively corrected, restoring targets to their actual positions. Finally, the Level-0 raw data of ships acquired by Sentinel-1 SAR are applied to further verify the effectiveness of the method proposed in this paper. Full article
(This article belongs to the Section Radar Sensors)
Show Figures

Figure 1

29 pages, 34479 KB  
Article
High-Resolution Mapping of Port Dynamics from Open-Access AIS Data in Tokyo Bay
by Moritz Hütten
Geomatics 2026, 6(1), 10; https://doi.org/10.3390/geomatics6010010 - 27 Jan 2026
Viewed by 1120
Abstract
Knowledge about vessel activity in port areas and around major industrial zones provides insights into economic trends, supports decision-making for shipping and port operators, and contributes to maritime safety. Vessel data from terrestrial receivers of the Automatic Identification System (AIS) have become increasingly [...] Read more.
Knowledge about vessel activity in port areas and around major industrial zones provides insights into economic trends, supports decision-making for shipping and port operators, and contributes to maritime safety. Vessel data from terrestrial receivers of the Automatic Identification System (AIS) have become increasingly openly available, and we demonstrate that such data can be used to infer port activities at high resolution and with precision comparable to official statistics. We analyze open-access AIS data from a three-month period in 2024 for Tokyo Bay, located in Japan’s most densely populated urban region. Accounting for uneven data coverage, we reconstruct vessel activity in Tokyo Bay at ~30 m resolution and identify 161 active berths across seven major port areas in the bay. During the analysis period, we find an average of 35±17stat vessels moving within the bay at any given time, and 293±22stat+65syst10syst vessels entering or leaving the bay daily, with an average gross tonnage of 11,86050+280. These figures indicate an accelerating long-term trend toward fewer but larger vessels in Tokyo Bay’s commercial traffic. Furthermore, we find that in dense urban environments, radio shadows in vessel AIS data can reveal the precise locations of inherently passive receiver stations. Full article
Show Figures

Graphical abstract

24 pages, 3755 KB  
Article
Drone-Based Maritime Anomaly Detection with YOLO and Motion/Appearance Fusion
by Nutchanon Suvittawat, De Wen Soh and Sutthiphong Srigrarom
Remote Sens. 2026, 18(3), 412; https://doi.org/10.3390/rs18030412 - 26 Jan 2026
Viewed by 886
Abstract
Maritime surveillance is critical for ensuring the safety and continuity of sea logistics, port operations, and coastal activities in the presence of anomalies such as unlawful maritime activities, security-related incidents, and anomalous events (e.g., tsunamis or aggressive marine wildlife). Recent advances in unmanned [...] Read more.
Maritime surveillance is critical for ensuring the safety and continuity of sea logistics, port operations, and coastal activities in the presence of anomalies such as unlawful maritime activities, security-related incidents, and anomalous events (e.g., tsunamis or aggressive marine wildlife). Recent advances in unmanned aerial vehicles (UAVs)/drones and computer vision enable automated, wide-area monitoring that can reduce dependence on continuous human observation and mitigate the limitations of traditional methods in complex maritime environments (e.g., waves, ship clutter, and marine animal movement). This study proposes a hybrid anomaly detection and tracking pipeline that integrates YOLOv12, as the primary object detector, with two auxiliary modules: (i) motion assistance for tracking moving anomalies and (ii) stillness (appearance) assistance for tracking slow-moving or stationary anomalies. The system is trained and evaluated on a custom maritime dataset captured using a DJI Mini 2 drone operating around a port area near Bayshore MRT Station (TE29), Singapore. Windsurfers are used as proxy (dummy) anomalies because real anomaly footage is restricted for security reasons. On the held-out test set, the trained model achieves over 90% on Precision, Recall, and mAP50 across all classes. When deployed on real maritime video sequences, the pipeline attains a mean Precision of 92.89% (SD 13.31), a mean Recall of 90.44% (SD 15.24), and a mean Accuracy of 98.50% (SD 2.00%), indicating strong potential for real-world maritime anomaly detection. This proof of concept provides a basis for future deployment and retraining on genuine anomaly footage obtained from relevant authorities to further enhance operational readiness for maritime and coastal security. Full article
Show Figures

Graphical abstract

24 pages, 393 KB  
Article
Global Transition of Energy Vectors in the Maritime Sector: Role of Liquefied Natural Gas, Green Hydrogen, and Ammonia in Achieving Net Zero by 2050
by Carmen Luisa Vásquez Stanescu, Rhonmer Pérez-Cedeño, Jesús C. Hernández and Teresa Batista
Energies 2026, 19(2), 568; https://doi.org/10.3390/en19020568 - 22 Jan 2026
Viewed by 761
Abstract
The global transition toward net-zero emissions by 2050, encompassing the International Energy Agency’s Roadmap for the energy sector, the IMO’s revised strategy for the maritime industry, and broader climate guidelines, necessitates a profound transformation of both global energy systems and the shipping sector. [...] Read more.
The global transition toward net-zero emissions by 2050, encompassing the International Energy Agency’s Roadmap for the energy sector, the IMO’s revised strategy for the maritime industry, and broader climate guidelines, necessitates a profound transformation of both global energy systems and the shipping sector. In this context, energy vectors such as Liquefied Natural Gas, Green Hydrogen, and Ammonia are emerging as key elements for this shift. This review article proposes a comprehensive analysis of these vectors, contrasting their roles: Liquefied Natural Gas as a transitional solution and Hydrogen and Ammonia as long-term pillars for decarbonization. The research moves beyond a simple comparative analysis, offering a detailed mapping and evaluation of the global port infrastructure required for their safe handling, cryogenic storage, and bunkering operations. We examine their technical specifications, decarbonization potential, and the challenges related to operational feasibility, costs, regulation, and sustainability. The objective is to provide a critical perspective on how the evolution of maritime ports into energy hubs is a sine qua non condition for the secure and efficient management of these vectors, thereby ensuring the sector effectively meets the Net Zero 2050 climate goals. Full article
18 pages, 3332 KB  
Article
Experimental Investigation of the Performance of an Artificial Backfill Rock Layer Against Anchor Impacts for Submarine Pipelines
by Yang He, Chunhong Hu, Kunming Ma, Guixi Jiang, Yunrui Han and Long Yu
J. Mar. Sci. Eng. 2026, 14(2), 228; https://doi.org/10.3390/jmse14020228 - 21 Jan 2026
Viewed by 405
Abstract
Subsea pipelines are critical lifelines for marine resource development, yet they face severe threats from accidental ship anchor impacts. This study addresses the scientific challenge of quantifying the “protection margin” of artificial rock-dumping layers, moving beyond traditional passive structural response to a “Critical [...] Read more.
Subsea pipelines are critical lifelines for marine resource development, yet they face severe threats from accidental ship anchor impacts. This study addresses the scientific challenge of quantifying the “protection margin” of artificial rock-dumping layers, moving beyond traditional passive structural response to a “Critical Failure Intervention” logic. Based on the energy criteria of DNV-RP-F107, a critical velocity required to trigger Concrete Weight Coating (CWC) failure for a bare pipe was derived and established as the Safety Factor baseline (S = 1). Two groups of scaled model tests (1:15) were conducted using a Hall anchor to simulate impact scenarios, where impact forces were measured via force sensors beneath the pipeline under varying backfill thicknesses and configurations. Results show that artificial backfill provides a significant protective redundancy; a 10 cm coarse rock layer increases the safety factor to 3.69 relative to the H0 baseline, while a multi-layer configuration (sand bedding plus coarse rock) elevates S to 27. Analysis reveals a non-linear relationship between backfill thickness and cushioning efficiency, characterized by diminishing marginal utility once a specific thickness threshold is reached. These findings indicate that while thickness is critical for extreme impacts, the protection efficiency optimizes at specific depths, providing a quantifiable framework to reduce small-particle layers in engineering projects without compromising safety. Full article
Show Figures

Figure 1

Back to TopTop