Sign in to use this feature.

Years

Between: -

Subjects

remove_circle_outline
remove_circle_outline
remove_circle_outline
remove_circle_outline
remove_circle_outline
remove_circle_outline
remove_circle_outline
remove_circle_outline
remove_circle_outline

Journals

remove_circle_outline
remove_circle_outline
remove_circle_outline
remove_circle_outline
remove_circle_outline
remove_circle_outline
remove_circle_outline

Article Types

Countries / Regions

remove_circle_outline
remove_circle_outline
remove_circle_outline
remove_circle_outline
remove_circle_outline
remove_circle_outline

Search Results (835)

Search Parameters:
Keywords = hysteresis characteristics

Order results
Result details
Results per page
Select all
Export citation of selected articles as:
18 pages, 16681 KB  
Article
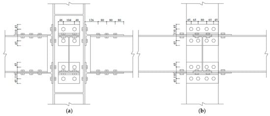
Seismic Performance Testing and Damage Analysis of Reinforced T-Stub Connections
by Yifei Chen, Xin Bu, Bing Shen, Xufeng Yin, Xinwu Wang, Qiang Huang and Zhiwei Zhang
Buildings 2025, 15(22), 4112; https://doi.org/10.3390/buildings15224112 - 14 Nov 2025
Abstract
To improve the seismic performance of semi-rigid steel frame beam–column joints connected by T-stubs, reinforced T-stubs formed via wedge-shaped and thickening modifications are proposed. Taking the middle column joints in steel frames as the research objects, three types of beam–column joints are designed [...] Read more.
To improve the seismic performance of semi-rigid steel frame beam–column joints connected by T-stubs, reinforced T-stubs formed via wedge-shaped and thickening modifications are proposed. Taking the middle column joints in steel frames as the research objects, three types of beam–column joints are designed by adopting ordinary, wedge-shaped, and thickened wedge-shaped T-stubs. To conduct a comparative analysis of the seismic performance of the test specimens, this study imposes low-cycle cyclic loads on the column ends of each specimen along their major-axis and minor-axis in-planes. This loading protocol is adopted to simulate the dynamic responses of the specimens under bidirectional seismic action. Comparing the macroscopic failure phenomena of the specimens, the influence of reinforced T-stubs on the plastic development mode of the joints is analyzed. Based on seismic indicators such as hysteresis characteristics, skeleton curves, stiffness degradation, and energy dissipation capacity, the energy dissipation capacity of the specimens along the major-axis is greater than that along the minor-axis, but their deformation capacity is slightly reduced. The bearing capacity, energy dissipation, and rotational stiffness could be improved by reinforced T-stubs, but the deformation capacity is reduced to varying degrees. The stiffness degradation rate of the specimen adopting wedge-shaped T-stubs shows a more obvious accelerating trend. Through the comparative analysis of the three specimens based on the energy damage index, the results indicate that wedge-shaped T-stubs significantly increase the damage degree of the specimens, but thickened wedge-shaped T-stubs have a relatively small impact on the evolution of joint damage. Full article
Show Figures

Figure 1

14 pages, 2524 KB  
Article
Hydrazine Intercalation into 2D MoTe2 Field Effect Transistor as Charge Trapping Sites for Nonvolatile Memory Applications
by Li Yuan, Yongyu Wu, Haohui Ou, Di Wu, Yuhan Ji, Dianyu Qi and Wenjing Zhang
Nanomaterials 2025, 15(22), 1721; https://doi.org/10.3390/nano15221721 - 14 Nov 2025
Abstract
Driven by the demands of artificial intelligence, big data and the Internet of Things, non-volatile memory has become the cornerstone of modern computing. However, at present, most of the preparation processes are quite complex and have high requirements for the materials. Here, we [...] Read more.
Driven by the demands of artificial intelligence, big data and the Internet of Things, non-volatile memory has become the cornerstone of modern computing. However, at present, most of the preparation processes are quite complex and have high requirements for the materials. Here, we discovered that hydrazine (N2H4) molecules can be efficiently intercalated into the MoTe2, acting as stable charge-trapping centers. This intercalation not only induces a controllable reversible polar conversion but also causes a huge hysteretic window (>60 V) lasting over one hour in air. Leveraging this giant hysteresis, we fabricated a simplified memory device. The device demonstrates a large erase/program current ratio of ~104 and excellent retention characteristics. Our work pioneers the use of interlayer molecular intercalation for electronic modulation in 2D semiconductors, offering a new paradigm for developing memory devices with fabrication processes. Full article
Show Figures

Figure 1

20 pages, 2552 KB  
Article
Research on Deformation and Energy Dissipation in a Symmetrical High-Rise Structure Under Bidirectional Near-Field Pulse-like Ground Motions
by Lianjie Jiang, Lu Guo and Jinshuang Dong
Symmetry 2025, 17(11), 1958; https://doi.org/10.3390/sym17111958 - 14 Nov 2025
Abstract
Seven groups of near-field pulse-like ground motions and three groups of ordinary ground motions were bidirectionally inputted into a symmetrical high-rise structure to comparatively study the deformation and energy dissipation characteristics of the structure. The results reveal that compared to ordinary ground motions, [...] Read more.
Seven groups of near-field pulse-like ground motions and three groups of ordinary ground motions were bidirectionally inputted into a symmetrical high-rise structure to comparatively study the deformation and energy dissipation characteristics of the structure. The results reveal that compared to ordinary ground motions, under near-field pulse-like ground motions, the inter-story drift angles of the structure significantly exceed the code limit, accompanied by a downward shift of the floors with the maximum drift angles. Moreover, the input energy is substantially higher and the hysteresis energy dissipation supersedes damping energy dissipation as the dominant mode. During an 8-degree frequent earthquake, coupling beams are the main energy-dissipating members, the floors below 2/3 of structural height mainly dissipate hysteresis energy by coupling beams, while the floors above 2/3 of structural height mainly dissipate hysteresis energy by frame beams. During 8-degree design earthquakes and rare earthquakes, frame beams are the main energy-dissipating members, the hysteresis energy ratio of coupling beams is significantly reduced, and the hysteresis energy ratio of shear walls gradually increases. During 8-degree design earthquakes, the 1st floor mainly dissipates hysteresis energy by shear walls, the 2nd to 6th floors mainly dissipate hysteresis energy by coupling beams, and the 7th to 36th floors mainly dissipate hysteresis energy by frame beams. During 8-degree rare earthquakes, the hysteresis energy on the 1st to 2nd floors is mainly dissipated by shear walls, while it is mainly borne by frame beams on other floors. Full article
(This article belongs to the Section Engineering and Materials)
Show Figures

Figure 1

23 pages, 3986 KB  
Article
Moisture Content Distribution in Cross-Section of Cylindrical Wood Components
by Panpan Tian, Heng Zhang, Jianhong Han, Yu Zhao and Xia Han
Polymers 2025, 17(22), 2994; https://doi.org/10.3390/polym17222994 - 11 Nov 2025
Viewed by 104
Abstract
The moisture content of wood components varies with changes in the external environment, which significantly affects the mechanical properties, moisture stress, decay, drying shrinkage, and cracking of wood components. Therefore, calculating the moisture content distribution of the cross-section of wood components is an [...] Read more.
The moisture content of wood components varies with changes in the external environment, which significantly affects the mechanical properties, moisture stress, decay, drying shrinkage, and cracking of wood components. Therefore, calculating the moisture content distribution of the cross-section of wood components is an important basis for in-depth research on wood components. First, a hygroscopicity test was performed on 45° sector-shaped Chinese fir thin-plate specimens. The specimens were treated to an absolutely dry state and placed in two different environments. The average moisture content and moisture content gradient on the cross-section of the specimens were measured, and the spatial distribution and temporal variation in the moisture content were studied. A theoretical model for the moisture content distribution of wood was then derived based on food drying theory. Finally, the applicability of the theoretical model was verified through experiments, and the effects of the root order μn of the characteristic equation of key parameters, the size of the component, and the position of the component on the moisture content distribution were discussed for the theoretical model. During the hygroscopic process, the average moisture content of wood components increased continuously, but the growth rate gradually slowed. The surface moisture content rapidly reached the level of the external moisture content first, followed by the equilibrium moisture content within a few hours. Hygroscopic hysteresis evidently occurred within the wood, which may take dozens or even hundreds of days. When calculating the average moisture content model of cylindrical components, as well as those of the models of the spatial and temporal variation in the moisture content, it is sufficient to take the first 3 orders of the root μn of the characteristic equation of the first Bessel function J. The rate of moisture release of cylindrical components is faster than that of laminates because the ratio of the surface area to the volume of a cylinder is greater than that of a plate, and the former is twice that of the latter. The results revealed that the theoretical model for the moisture content distribution of wood has good accuracy and applicability. Full article
(This article belongs to the Special Issue Advances in Wood and Wood Polymer Composites)
Show Figures

Figure 1

17 pages, 2681 KB  
Article
Development of Closed Symmetrical Robotic Arms Driven by Pneumatic Muscle Actuators
by Che-Wei Chang and Mao-Hsiung Chiang
Actuators 2025, 14(11), 545; https://doi.org/10.3390/act14110545 - 7 Nov 2025
Viewed by 189
Abstract
This research aims to investigate the practicality and feasibility of pneumatic muscle actuators (PMAs) applied in the pneumatic servo system. The mechanism consists of closed symmetrical planar robotic arms driven by two pairs of opposing PMAs, whose structure is similar to human arms. [...] Read more.
This research aims to investigate the practicality and feasibility of pneumatic muscle actuators (PMAs) applied in the pneumatic servo system. The mechanism consists of closed symmetrical planar robotic arms driven by two pairs of opposing PMAs, whose structure is similar to human arms. Importantly, the two distal links (or wrist parts) are combined into a collective end-effector, whose desired position is controlled only by the two shoulder angle joints. When two pairs of PMAs are attached to the upper arms, they actuate each shoulder and assist in the movement of the arms. However, the nonlinear behavior, high hysteresis, low damping, and time-varying characteristics of PMAs significantly limit their controllability. Therefore, to effectively address these challenges, a Fourier series-based adaptive sliding mode controller with H (FSB-ASMC + H) is employed to achieve accurate path tracking of the PMAs. This control approach not only compensates for approximation errors, disturbances, and unmodeled dynamics but also ensures the desired H positioning performance of the overall system. The controller method can not only effectively prevent approximation errors, disturbances, and un-modeled dynamics but can also ensure the required H positioning performance of the whole system. Thus, the results of the experiment showed that the control strategy for the system collocating the FSB-ASMC + H can attain excellent control performance. Full article
(This article belongs to the Special Issue Intelligent Control for Pneumatic Servo System)
Show Figures

Figure 1

14 pages, 2678 KB  
Article
Modeling and Experimental Investigation on Rheological Characteristics of Magnetorheological Fluids and Greases Under Steady and Large-Amplitude Oscillatory Shear
by Ran Deng, Min Sun, Zhou Zhou, Meng Zhou, Lu Han, Jiong Wang, Yiyang Bai, Limeng Peng, Junyu Chen, Guang Zhang, Min Tang and Zhong Zhang
Magnetochemistry 2025, 11(11), 97; https://doi.org/10.3390/magnetochemistry11110097 - 6 Nov 2025
Viewed by 217
Abstract
This study systematically investigates the complex nonlinear rheological behavior of magnetorheological fluids (MRFs) and greases (MRGs) through comparative experiments under two shear modes (steady-state shear and large-amplitude oscillatory shear) at room temperature. Results demonstrate that during steady-state shear tests, the apparent viscosity of [...] Read more.
This study systematically investigates the complex nonlinear rheological behavior of magnetorheological fluids (MRFs) and greases (MRGs) through comparative experiments under two shear modes (steady-state shear and large-amplitude oscillatory shear) at room temperature. Results demonstrate that during steady-state shear tests, the apparent viscosity of both materials decreases with the increasing shear rate, exhibiting shear-thinning behavior at high shear rates that aligns with the Herschel–Bulkley constitutive model. Throughout the logarithmically increasing shear rate range, the viscosity and shear stress of MRF consistently exceed those of MRG. Under low-frequency, large-amplitude oscillatory shear (LAOS) conditions, both materials display pronounced viscoelasticity and hysteresis. At higher current levels, the maximum shear stress of MRF surpasses MRG, but its hysteresis loops exhibit reduced smoothness. The Bouc–Wen model accurately characterizes the nonlinear hysteresis of both materials, with model parameters successfully identified via a genetic algorithm. This work establishes a universal framework for the dynamic mechanical response mechanisms of magnetorheological materials, providing theoretical guidance for designing and predicting the performance of smart damping devices. Full article
Show Figures

Figure 1

20 pages, 6012 KB  
Article
Feasibility of Employing Semi-Hard Magnetic Materials for Hysteresis Magnetic Clutches in Railway Systems
by Paweł Pistelok and Marcin Adamiak
Materials 2025, 18(21), 5044; https://doi.org/10.3390/ma18215044 - 5 Nov 2025
Viewed by 293
Abstract
This paper introduces innovative approaches to the design of railway point machines, with particular emphasis on the implementation of multi-component AlNiCoFe alloys, classified as semi-hard magnetic materials. A comprehensive review of existing mechanisms for mechanical force transmission—from the electric motor to the throwing [...] Read more.
This paper introduces innovative approaches to the design of railway point machines, with particular emphasis on the implementation of multi-component AlNiCoFe alloys, classified as semi-hard magnetic materials. A comprehensive review of existing mechanisms for mechanical force transmission—from the electric motor to the throwing bar—was conducted. The inherent limitations of conventional dry friction clutches, commonly used in current point machine designs, are critically analyzed. Furthermore, the feasibility of employing multi-component AlNiCoFe alloys as functional materials in hysteresis magnetic clutches is examined, with a view toward enhancing the reliability and performance of railway point actuation systems. A review of diagnostic methods for railway point machines was conducted to evaluate the potential application of a novel magnetic torque limiter as a means to eliminate maintenance activities typically required for systems utilizing dry friction clutches. Experimental research was performed on AlNiCoFe alloys employed as the hysteresis layer in the proposed torque limiter. Microstructural and compositional analyses were carried out using scanning electron microscopy (SEM), Energy Dispersive Spectroscopy (EDS), and X-ray Diffraction (XRD) to determine the crystallographic structure, chemical composition, and selected physical properties of the tested materials. The hysteresis loops of the tested materials were measured using a Vibrating Sample Magnetometer (VSM) over a wide temperature range. A prototype magnetic clutch, functioning as a torque limiter in a railway point machine, was developed and presented. The operational characteristics—specifically the throwing force as a function of time—were recorded for a railway point machine equipped with an electromechanical module incorporating the new magnetic torque limiter. The advantages of the proposed solution in terms of force transmission and overall system performance in railway point machine design were analyzed and discussed. Full article
(This article belongs to the Section Metals and Alloys)
Show Figures

Figure 1

17 pages, 4459 KB  
Article
Microstructure (EBSD-KAM)-Informed Selection of Single-Powder Soft Magnetics for Molded Inductors
by Chang-Ting Yang, Yu-Fang Huang, Chun-Wei Tien, Kun-Yang Wu, Hung-Shang Huang and Hsing-I Hsiang
Materials 2025, 18(21), 5016; https://doi.org/10.3390/ma18215016 - 4 Nov 2025
Viewed by 309
Abstract
This study systematically benchmarks the performance of four single soft magnetic powders—water-atomized Fe–Si–Cr (FeSiCr), silica-coated reduced iron powder (RIP), silica-coated carbonyl iron powder (CIP), and phosphate-coated CIP (CIP-P)—to establish quantitative relationships between powder attributes, deformation substructure, and high-frequency loss for molded power inductors [...] Read more.
This study systematically benchmarks the performance of four single soft magnetic powders—water-atomized Fe–Si–Cr (FeSiCr), silica-coated reduced iron powder (RIP), silica-coated carbonyl iron powder (CIP), and phosphate-coated CIP (CIP-P)—to establish quantitative relationships between powder attributes, deformation substructure, and high-frequency loss for molded power inductors (100 kHz–1 MHz). We prepared toroidal compacts at 200 MPa and characterized them by initial permeability (μi), core-loss (Pcv(f)), partitioning (Pcv(f) = Khf + Kef2, Kh, Ke: hysteresis and eddy-current loss coefficients), and EBSD (electron backscatter diffraction)-derived microstrain metrics (Kernel Average Misorientation, KAM; low-/high-angle grain-boundary fractions). Corrosion robustness was assessed using a 5 wt% NaCl, 35 °C, 24 h salt-spray protocol. Our findings reveal that FeSiCr achieves the highest μi across the frequency band, despite its lowest compaction density. This is attributed to its coarse particle size (D50 ≈ 18 µm) and the resulting lower intragranular pinning. The loss spectra are dominated by hysteresis over this frequency range, with FeSiCr exhibiting the largest Kh, while the fine, silica-insulated Fe powders (RIP/CIP) most effectively suppress Ke. EBSD analysis shows that the high coercivity and hysteresis loss in CIP (and, to a lesser extent, RIP) are correlated with dense, deformation-induced subgrain networks, as evidenced by higher mean KAM and a lower low-angle grain boundary fraction. In contrast, FeSiCr exhibits the lowest KAM, with strain confined primarily to particle contact regions. Corrosion testing ranked durability as FeSiCr ≳ CIP ≈ RIP ≫ CIP-P, which is consistent with the Cr-rich passivation of FeSiCr and the superior barrier properties of the SiO2 shells compared to low-dose phosphate. At 15 A, inductance retention ranks CIP (67.9%) > RIP (55.7%) > CIP-P (48.8%) > FeSiCr (33.2%), tracking a rise in effective anisotropy and—for FeSiCr—lower Ms that precipitate earlier roll-off. Collectively, these results provide a microstructure-informed selection map for single-powder formulations. We demonstrate that particle size and shell chemistry are the primary factors governing eddy currents (Ke), while the KAM-indexed substructure dictates hysteresis loss (Kh) and DC-bias superposition characteristics. This framework enables rational trade-offs between magnetic permeability, core loss, and environmental durability. Full article
(This article belongs to the Section Electronic Materials)
Show Figures

Figure 1

18 pages, 3562 KB  
Article
Cold-Sprayed Ni and NdFeB-Al Powders Recovery and Reuse
by Jean-Michel Lamarre, Alexandre Nascimento, Cindy Charbonneau, Luc Pouliot and Fabrice Bernier
Materials 2025, 18(21), 5000; https://doi.org/10.3390/ma18215000 - 1 Nov 2025
Viewed by 276
Abstract
As cold spray additive manufacturing matures, significant efforts are being made to develop spray conditions for more challenging materials, thereby expanding the technology’s range of applications. One main challenge while using commercially available equipment is that, even under optimized conditions, deposition efficiency remains [...] Read more.
As cold spray additive manufacturing matures, significant efforts are being made to develop spray conditions for more challenging materials, thereby expanding the technology’s range of applications. One main challenge while using commercially available equipment is that, even under optimized conditions, deposition efficiency remains low for some materials. Powder particles that do not adhere are wasted, which can severely affect the process economics, especially in a mass production context and/or when expensive feedstocks are used. Powder recovery and reuse is a logical solution to mitigate this problem, yet few studies evaluate its feasibility and its impact on powder characteristics and ultimately coating performance. In this work, powder recovery was investigated for two cases: a Ni powder and a NdFeB-Al powder mix, used respectively for repair applications and for the fabrication of permanent magnets. A prototype recovery system was built, achieving a recovery efficiency of up to 75%. The powders were recovered after up to four spray runs, and their morphology and size distribution were characterized. The magnetic properties of both powders and coatings were evaluated using hysteresis measurements. Although the process affects the particle size distribution and their magnetic properties, powders remain suitable for re-deposition for both materials. In particular, it was shown that NdFeB-Al mix maintains 97% of its initial magnetic performance under industrial operating conditions. Full article
Show Figures

Figure 1

15 pages, 4874 KB  
Article
Detection Method of Residual Magnetism in Power Transformers Based on the Hysteresis Area of Magnetization
by Yuwei Wang, Wenjuan Dong, Delinuer Azan, Xingang Wang, Renaguli Wufuer, Hao Wang, Changao Ji, Chunwei Song, Jinlong He and Gang Li
Electronics 2025, 14(21), 4272; https://doi.org/10.3390/electronics14214272 - 31 Oct 2025
Viewed by 217
Abstract
Residual magnetism in the core of a power transformer can lead to an increased inrush current during closing, which may trigger relay protection malfunctions and cause equipment aging. Accurate detection of residual magnetism is crucial for grid safety. Traditional offline detection requires interrupting [...] Read more.
Residual magnetism in the core of a power transformer can lead to an increased inrush current during closing, which may trigger relay protection malfunctions and cause equipment aging. Accurate detection of residual magnetism is crucial for grid safety. Traditional offline detection requires interrupting operation, while online methods are susceptible to interference and have limited accuracy. This paper proposes a method for detecting residual magnetism in power transformers based on the hysteresis area of magnetization. First, the magnetic flux distribution of the transformer is analyzed through finite element simulation, revealing that low-frequency excitation can make the core’s magnetic flux density distribution more uniform, and that the leakage flux and the flux inside the core have similar characteristics, which helps to determine the optimal position for flux detection. Next, the relationship between the small hysteresis loop area and residual magnetism is studied, revealing a monotonic mapping relationship between the normalized area of the negative hysteresis loop under current pulse excitation and the residual magnetism. Finally, experimental verification shows that this method effectively detects residual magnetism under different levels and operational conditions. The method is non-invasive, real-time, and highly resistant to interference, offering a new approach for residual magnetism detection in power transformers. Full article
Show Figures

Figure 1

12 pages, 4558 KB  
Article
Localized Reluctivity Stabilization of Hysteresis Model for Transient Finite Element Simulation of Ferromagnetic Materials
by Xiaotong Fu, Shuai Yan, Yaxing Zhou, Zhifu Chen, Xiaoyu Xu and Zhuoxiang Ren
Eng 2025, 6(11), 289; https://doi.org/10.3390/eng6110289 - 28 Oct 2025
Viewed by 199
Abstract
The hysteresis model can be used to accurately predict the magnetic hysteresis characteristics of ferromagnetic materials. Incorporating the hysteresis model into finite element calculations enables precise prediction of field distributions, voltage or current variations in circuits, and losses, which is essential for electromagnetic [...] Read more.
The hysteresis model can be used to accurately predict the magnetic hysteresis characteristics of ferromagnetic materials. Incorporating the hysteresis model into finite element calculations enables precise prediction of field distributions, voltage or current variations in circuits, and losses, which is essential for electromagnetic transient analysis involving remanent magnetization. When incorporating the hysteresis model into finite element analysis, prohibitively small time-steps are required to resolve hysteresis loops, leading to excessive simulation times compared to simplified BH curve approaches. Furthermore, numerical instabilities arise near zero-crossing points of magnetic flux density, where erroneous negative differential reluctivity values may lead to the divergence of the nonlinear solving process. A finer time resolution needs to be utilized to ensure the convergence of the nonlinear solver. This leads to more time-steps and longer computational time. This work proposes a localized stabilization strategy for regulating the differential reluctivity in instability-prone regions of the hysteresis loop, which can stabilize the nonlinear iteration while avoiding the local refinement of time resolution and thus reduce the overall computation time. Full article
(This article belongs to the Special Issue Interdisciplinary Insights in Engineering Research)
Show Figures

Figure 1

13 pages, 2868 KB  
Article
Prescribed-Performance-Based Sliding Mode Control for Piezoelectric Actuator Systems
by Shengjun Wen, Shixin Zhang and Jun Yu
Actuators 2025, 14(11), 516; https://doi.org/10.3390/act14110516 - 25 Oct 2025
Viewed by 271
Abstract
A prescribed-performance-based sliding mode control method with feed-forward inverse compensation is proposed in this study to improve the micropositioning accuracy and convergence speed of a piezoelectric actuator (PEA). Firstly, the piezo-actuated micropositioning system is described by a Hammerstein structure model, and an inverse [...] Read more.
A prescribed-performance-based sliding mode control method with feed-forward inverse compensation is proposed in this study to improve the micropositioning accuracy and convergence speed of a piezoelectric actuator (PEA). Firstly, the piezo-actuated micropositioning system is described by a Hammerstein structure model, and an inverse Prandtl–Ishlinskii (PI) model was employed to compensate for its hysteresis characteristics. Then, considering modelling errors, inverse compensation errors, and external disturbances, a new prescribed performance function (PPF) with an exponential dynamic decay rate was developed to describe the constrained region of the errors. We then transformed the error into an unconstrained form by constructing a monotonic function, and the sliding variables were obtained by using the transformation error. Based on this, a sliding mode controller with a prescribed performance function (SMC-PPF) was designed to improve the control accuracy of PEAs. Furthermore, we demonstrated that the error can converge to the constrained region and the sliding variables are stable within the switching band. Finally, experiments were conducted to verify the speed and accuracy of the controller. The step-response experiment results indicated that the time taken for SMC-PPC to enter the error window was 8.1 and 2.2 ms faster than that of sliding mode control (SMC) and PID, respectively. The ability of SMC-PPF to improve accuracy was verified using four different reference inputs. These results showed that, for these different inputs, the root mean square error of the SMC-PPF was reduced by over 39.6% and 52.5%, compared with the SMC and PID, respectively. Full article
(This article belongs to the Section Actuator Materials)
Show Figures

Figure 1

18 pages, 5840 KB  
Article
Experimental Study on Instability of Shotcrete Reinforced Slope Based on Embedded Anchor Sensor
by Hai Ning, Junkai Ou and Jihuan Jin
Sensors 2025, 25(20), 6493; https://doi.org/10.3390/s25206493 - 21 Oct 2025
Viewed by 629
Abstract
Given the limitation of existing slope collapse monitoring technology, which relies on surface sensors, and the difficulty in capturing the precursors of deep rock and soil instability, this study used rock anchor embedded sensing technology to conduct collapse tests on artificial simulated slopes. [...] Read more.
Given the limitation of existing slope collapse monitoring technology, which relies on surface sensors, and the difficulty in capturing the precursors of deep rock and soil instability, this study used rock anchor embedded sensing technology to conduct collapse tests on artificial simulated slopes. Two groups of control conditions were designed: (1) shotcrete reinforced slope and natural slope; and (2) GFRP anchor and spiral steel anchor support system. The deformation characteristics of the slope at the initial stage of collapse were analyzed. The results show that the monitoring method based on the stress–strain response of deep rock mass significantly improved the early warning effect. GFRP anchor had a lower elastic modulus and responded more sensitively to small displacements than spiral steel anchor. Shotcrete reinforcement transformed slope deformation from ‘local dispersed deformation’ to ‘overall coordinated deformation’ and delayed slope instability via the ‘deformation hysteresis effect’. This study provides key technical parameters for the intelligent monitoring system of high-risk slopes as well as support for pre-disaster emergency evacuation decision-making and the establishment of intelligent early warning systems. Full article
(This article belongs to the Section Environmental Sensing)
Show Figures

Figure 1

26 pages, 5224 KB  
Article
Modeling Anisotropic Permeability of Coal and Shale with Gas Rarefaction Effects, Matrix–Fracture Interaction, and Adsorption Hysteresis
by Lilong Wang, Zongyuan Li, Jie Zeng, Biwu Chen, Jiafeng Li, Huimin Jia, Wenhou Wang, Jinwen Zhang, Yiqun Wang and Zhihong Zhao
Processes 2025, 13(10), 3304; https://doi.org/10.3390/pr13103304 - 15 Oct 2025
Viewed by 320
Abstract
Permeability of fissured sorbing rocks, such as coal and shale, controls gas transport and is relevant to a variety of scientific problems and industrial processes. Multiple gas transport and rock deformation mechanisms affect permeability evolution, including gas rarefaction effects, gas-sorption-induced anisotropic matrix–fracture interaction, [...] Read more.
Permeability of fissured sorbing rocks, such as coal and shale, controls gas transport and is relevant to a variety of scientific problems and industrial processes. Multiple gas transport and rock deformation mechanisms affect permeability evolution, including gas rarefaction effects, gas-sorption-induced anisotropic matrix–fracture interaction, and anisotropic deformation induced by effective stress variation. In this paper, a generic anisotropic permeability model is proposed to address the impacts of the above mechanisms and effects. Specifically, the influence of matrix–fracture interactions on permeability evolution is depicted through the nonuniform matrix swelling caused by the gas diffusion process from fracture walls into the matrix. The following characteristics are also incorporated in this model: (1) anisotropic mechanical and swelling properties, (2) arbitrary box-shaped matrix blocks due to the anisotropic rock structure, (3) adsorbability variation of different matrix blocks because of complex rock compositions, (4) adsorption hysteresis, and (5) dynamic tortuosity. The directional permeability models are derived based on the anisotropic poroelasticity theory and anisotropic swelling equations considering adsorption hysteresis. We use a gas-invaded-volume ratio to describe the nonuniform swelling of matrix blocks. Additionally, swelling of blocks with different adsorption and mechanical properties are characterized by a volume-weighted function. Finally, the anisotropic tortuosity is defined as a power law function of effective porosity. The model is verified against experimental data. Results show that four-stage permeability evolution with time can be observed. Permeability evolution in different directions follows its own ways and depends on anisotropic swelling, mechanical properties, and structures, even when the boundary conditions are identical. Adsorption hysteresis controls the local shrinkage region. Tortuosity variation significantly affects permeability but has the smallest influence on the local swelling region. The existence of multiple matrix types complicates the permeability evolution behavior. Full article
(This article belongs to the Special Issue Advances in Enhancing Unconventional Oil/Gas Recovery, 2nd Edition)
Show Figures

Figure 1

24 pages, 2872 KB  
Article
Moisture Sorption Isotherms of Fructooligosaccharide and Inulin Powders and Their Gelling Competence in Delaying the Retrogradation of Rice Starch
by Bing Dai, Ruijun Chen, Zheng Wei, Jianzhang Wu and Xingjun Li
Gels 2025, 11(10), 817; https://doi.org/10.3390/gels11100817 - 12 Oct 2025
Cited by 1 | Viewed by 426
Abstract
The accurate determination of the equilibrium moisture content (EMC) of gel-related powdery samples requires strictly controlled conditions and a long time period. In this study, the adsorption and desorption isotherms of two fructooligosaccharide (FOS) powders and three inulin powders were determined using a [...] Read more.
The accurate determination of the equilibrium moisture content (EMC) of gel-related powdery samples requires strictly controlled conditions and a long time period. In this study, the adsorption and desorption isotherms of two fructooligosaccharide (FOS) powders and three inulin powders were determined using a dynamic moisture sorption analyzer at 0.1–0.9 water activity (aw) and 20–35 °C, respectively. The adsorption and desorption isotherms all exhibited type IIa sigmoidal curves; the desorptive isotherm was smooth, the FOS adsorption curves had three inflection points, and the inulin adsorption curves had five inflection points. Large hysteresis between the adsorption and desorption isotherms occurred at 0.1–0.7 aw for FOS and 0.1–0.6 aw for inulin. Seven equations, Boquet, Ferro–Fontan, Guggenheim–Anderson–de Boer (GAB), Generalized D’Arcy and Watt (GDW), modified GAB (MGAB), Peleg, and our developed Polynomial, were found to fit the isotherms of the FOS and inulin samples; for adsorption, the best equations were Ferro–Fontan and GDW, and for desorption, the best equations were Polynomial and MGAB. The GDW and MGAB equations could not distinguish the effect of temperature on the isotherms, while the Polynomial equation could. The mean adsorptive monolayer moisture content (M0) values in FOS and inulin samples were predicted as 7.29% and 7.94% wet basis, respectively. The heat of moisture sorption of FOS and inulin approached that of pure water at about 32.5% and 22.5% wet basis (w.b.) moisture content (MC), respectively. Fourier Transform Infrared Spectroscopy (FTIR) showed that the peaks in inulin with absorbance values above 0.52 and in FOS with absorbance values above 0.35 were at 1020, 1084, and 337 cm−1; these could represent the amorphous structure (primary alcohol C-OH), C-O group, and hydroxyl functional group, respectively. Microscopic structure analysis showed that inulin powder particles were more round-shaped and adhered together, resulting in hygroscopic and sticky characteristics, with a maximum equilibrium moisture content (EMC) of 34% w.b. In contrast, the FOS powders exhibited irregular amorphous particles and a maximum EMC of 60% w.b. As hydrogels, 3–10% FOS or inulin addition reduced the peak, trough, final, breakdown, and setback viscosities of rice starch pasting, but increased the peak time and pasting temperature. FOS addition gave stronger reduction in the setback viscosity and in amylose retrogradation of rice starch pasting than inulin addition. The differential scanning calorimeter (DSC) showed 3–10% FOS addition reduced the amylopectin aging of retrograded paste of rice starch, but 5–7% inulin addition tended to reduce. These results suggest that FOS and inulin have strong hygroscopic properties and can be used to maintain the freshness of starch-based foods. These data can be used for drying, storage, and functional food design of FOS and inulin products. Full article
(This article belongs to the Special Issue Modification of Gels in Creating New Food Products (2nd Edition))
Show Figures

Figure 1

Back to TopTop