Sign in to use this feature.

Years

Between: -

Subjects

remove_circle_outline
remove_circle_outline
remove_circle_outline
remove_circle_outline
remove_circle_outline
remove_circle_outline
remove_circle_outline
remove_circle_outline
remove_circle_outline

Journals

Article Types

Countries / Regions

remove_circle_outline
remove_circle_outline
remove_circle_outline
remove_circle_outline

Search Results (129)

Search Parameters:
Keywords = grid flexibility and resilience

Order results
Result details
Results per page
Select all
Export citation of selected articles as:
39 pages, 4921 KB  
Systematic Review
Grid-Scale Battery Energy Storage and AI-Driven Intelligent Optimization for Techno-Economic and Environmental Benefits: A Systematic Review
by Nipon Ketjoy, Yirga Belay Muna, Malinee Kaewpanha, Wisut Chamsa-ard, Tawat Suriwong and Chakkrit Termritthikun
Batteries 2026, 12(1), 31; https://doi.org/10.3390/batteries12010031 (registering DOI) - 17 Jan 2026
Abstract
Grid-Scale Battery Energy Storage Systems (GS-BESS) play a crucial role in modern power grids, addressing challenges related to integrating renewable energy sources (RESs), load balancing, peak shaving, voltage support, load shifting, frequency regulation, emergency response, and enhancing system stability. However, harnessing their full [...] Read more.
Grid-Scale Battery Energy Storage Systems (GS-BESS) play a crucial role in modern power grids, addressing challenges related to integrating renewable energy sources (RESs), load balancing, peak shaving, voltage support, load shifting, frequency regulation, emergency response, and enhancing system stability. However, harnessing their full potential and lifetime requires intelligent operational strategies that balance technological performance, economic viability, and environmental sustainability. This systematic review examines how artificial intelligence (AI)-based intelligent optimization enhances GS-BESS performance, focusing on its techno-economic, environmental impacts, and policy and regulatory implications. Following Preferred Reporting Items for Systematic Reviews and Meta-Analyses (PRISMA) guidelines, we review the evolution of GS-BESS, analyze its advancements, and assess state-of-the-art applications and emerging AI techniques for GS-BESS optimization. AI techniques, including machine learning (ML), predictive modeling, optimization algorithms, deep learning (DL), and reinforcement learning (RL), are examined for their ability to improve operational efficiency and control precision in GS-BESSs. Furthermore, the review discusses the benefits of advanced dispatch strategies, including economic efficiency, emissions reduction, and improved grid resilience. Despite significant progress, challenges persist in data availability, model generalization, high computational requirements, scalability, and regulatory gaps. We conclude by identifying emerging opportunities to guide the next generation of intelligent energy storage systems. This work serves as a foundational resource for researchers, engineers, and policymakers seeking to advance the deployment of AI-enhanced GS-BESS for sustainable, resilient power systems. By analyzing the latest developments in AI applications and BESS technologies, this review provides a comprehensive perspective on their synergistic potential to drive sustainability, cost-effectiveness, and energy systems reliability. Full article
(This article belongs to the Special Issue AI-Powered Battery Management and Grid Integration for Smart Cities)
41 pages, 6791 KB  
Article
Integrated Biogas–Hydrogen–PV–Energy Storage–Gas Turbine System: A Pathway to Sustainable and Efficient Power Generation
by Artur Harutyunyan, Krzysztof Badyda and Łukasz Szablowski
Energies 2026, 19(2), 387; https://doi.org/10.3390/en19020387 - 13 Jan 2026
Viewed by 167
Abstract
The increasing penetration of variable renewable energy sources intensifies grid imbalance and challenges the reliability of small-scale power systems. This study addresses these challenges by developing and analyzing a fully integrated hybrid energy system that combines biogas upgrading to biomethane, photovoltaic (PV) generation, [...] Read more.
The increasing penetration of variable renewable energy sources intensifies grid imbalance and challenges the reliability of small-scale power systems. This study addresses these challenges by developing and analyzing a fully integrated hybrid energy system that combines biogas upgrading to biomethane, photovoltaic (PV) generation, hydrogen production via alkaline electrolysis, hydrogen storage, and a gas-steam combined cycle (CCGT). The system is designed to supply uninterrupted electricity to a small municipality of approximately 4500 inhabitants under predominantly self-sufficient operating conditions. The methodology integrates high-resolution, full-year electricity demand and solar resource data with detailed process-based simulations performed using Aspen Plus, Aspen HYSYS, and PVGIS-SARAH3 meteorological inputs. Surplus PV electricity is converted into hydrogen and stored, while upgraded biomethane provides dispatchable backup during periods of low solar availability. The gas-steam combined cycle enables flexible and efficient electricity generation, with hydrogen blending supporting dynamic turbine operation and further reducing fossil fuel dependency. The results indicate that a 10 MW PV installation coupled with a 2.9 MW CCGT unit and a hydrogen storage capacity of 550 kg is sufficient to ensure year-round power balance. During winter months, system operation is sustained entirely by biomethane, while in high-solar periods hydrogen production and storage enhance operational flexibility. Compared to a conventional grid-based electricity supply, the proposed system enables near-complete elimination of operational CO2 emissions, achieving an annual reduction of approximately 8800 tCO2, corresponding to a reduction of about 93%. The key novelty of this work lies in the simultaneous and process-level integration of biogas, hydrogen, photovoltaic generation, energy storage, and a gas-steam combined cycle within a single operational framework, an approach that has not been comprehensively addressed in the recent literature. The findings demonstrate that such integrated hybrid systems can provide dispatchable, low-carbon electricity for small communities, offering a scalable pathway toward resilient and decentralized energy systems. Full article
(This article belongs to the Special Issue Transitioning to Green Energy: The Role of Hydrogen)
Show Figures

Figure 1

35 pages, 9791 KB  
Article
A Holistic Design Framework for Post-Disaster Housing Using Interlinked Modules for Diverse Architectural Applications
by Ali Mehdizade and Ahmad Walid Ayoobi
Sustainability 2026, 18(2), 778; https://doi.org/10.3390/su18020778 - 12 Jan 2026
Viewed by 297
Abstract
Providing effective post-disaster housing remains a globally complex challenge shaped by interrelated constraints, including environmental sustainability, socio-cultural compatibility, logistical capacity, and economic feasibility. Contemporary responses therefore require housing solutions that extend beyond rapid deployment to incorporate flexibility, adaptability, and long-term spatial transformation. In [...] Read more.
Providing effective post-disaster housing remains a globally complex challenge shaped by interrelated constraints, including environmental sustainability, socio-cultural compatibility, logistical capacity, and economic feasibility. Contemporary responses therefore require housing solutions that extend beyond rapid deployment to incorporate flexibility, adaptability, and long-term spatial transformation. In this context, this study advances a design-oriented, computational framework that positions parametric design at the core of post-disaster housing production within the broader digital transformation of the construction sector. The research proposes an adaptive parametric–modular housing system in which standardized architectural units are governed by a rule-based aggregation logic capable of generating context-responsive spatial configurations across multiple scales and typologies. The methodology integrates a qualitative synthesis of global post-disaster housing literature with a quantitative computational workflow developed in Grasshopper for Rhinoceros 3D (version 8). Algorithmic scripting defines a standardized spatial grid and parametrically regulates key building components structural systems, façade assemblies, and site-specific environmental parameters, enabling real-time configuration, customization, and optimization of housing units in response to diverse user needs and varying climatic, social, and economic conditions while maintaining constructability. The applicability of the framework is examined through a case study of the Düzce Permanent Housing context, where limitations of existing post-disaster stock, such as spatial rigidity, restricted growth capacity, and fragmented public-space integration, are contrasted with alternative settlement scenarios generated by the proposed system. The findings demonstrate that the framework supports multi-scalar and multi-typological reconstruction, extending beyond individual dwellings to include public, service, and open-space components. Overall, the study contributes a transferable computational methodology that integrates modular standardization with configurational diversity and user-driven adaptability, offering a sustainable pathway for transforming temporary post-disaster shelters into permanent, resilient, and socially integrated community assets. Full article
Show Figures

Figure 1

24 pages, 1234 KB  
Article
Reimagining Proximity: Operationalising the X-Minute City and Urban Regeneration in Amsterdam and Milan
by Fulvia Pinto and Mina Akhavan
Land 2026, 15(1), 71; https://doi.org/10.3390/land15010071 - 30 Dec 2025
Viewed by 272
Abstract
The study explores the concept of the X-Minute City, an evolution of the 15-min city paradigm, as an operational tool for sustainable urban regeneration in Europe. Starting from the goal of ensuring daily accessibility to key services within 5–20 min on foot or [...] Read more.
The study explores the concept of the X-Minute City, an evolution of the 15-min city paradigm, as an operational tool for sustainable urban regeneration in Europe. Starting from the goal of ensuring daily accessibility to key services within 5–20 min on foot or by bicycle, the research analyses how this proximity model can respond to contemporary environmental, social, and infrastructural challenges. Through a comparative approach between Amsterdam and Milan, chosen for their regulatory and cultural differences, the study combines documentary analysis, urban policy evaluation, and the construction of a grid of multidimensional indicators relating to proximity, sustainable mobility, spatial reuse, and social inclusion. In conceptual terms, the X-Minute City is understood here as a flexible and governance-oriented extension of the 15-min city, in which proximity is treated as an adaptive temporal band (5–20 min) and as an infrastructure of multilevel urban governance rather than a fixed and universal design rule. The findings highlight that in the Netherlands, the model is supported by a coherent and integrated regulatory framework, while in Italy, innovative local experiments and bottom-up participatory practices prevail. The analysis demonstrates that integrating the X-Minute City with multilevel governance tools and inclusive policies can foster more equitable, resilient, and sustainable cities. Finally, the research proposes an adaptable and replicable framework, capable of transforming the X-Minute City from a theoretical vision to an operational infrastructure for 21st-century European urban planning. The limitations of this predominantly qualitative, document-based approach are discussed, together with future directions for integrating spatial accessibility modelling and participatory methods. Full article
Show Figures

Figure 1

27 pages, 1647 KB  
Article
Research on an Integrated Method for Pre-Disaster Robust Optimization, In-Disaster Emergency Disposal and Post-Disaster Coordinated Restoration of Port Power Grids
by Xinchi Wei, Haojie Zhou, Ran Chen, Yu Zhao, Shanshan Shi and Qian Ai
Electronics 2026, 15(1), 149; https://doi.org/10.3390/electronics15010149 - 29 Dec 2025
Viewed by 107
Abstract
With the increasing frequency of global climate change and natural disasters, the resilience and stability of port power grids have become crucial for ensuring continuous port operations. This study proposes a three-stage resilience optimization method for port power grids under disaster scenarios, aiming [...] Read more.
With the increasing frequency of global climate change and natural disasters, the resilience and stability of port power grids have become crucial for ensuring continuous port operations. This study proposes a three-stage resilience optimization method for port power grids under disaster scenarios, aiming to enhance their supply capacity and operational flexibility across the pre-disaster, during-disaster, and post-disaster phases. In the pre-disaster stage, the model considers the uncertainty of photovoltaic (PV) generation and the reconfigurability of the grid, optimizing the quantity and spatial layout of mobile energy storage systems with the objective of minimizing configuration and load-shedding risk costs, thereby improving system disturbance resistance. During the disaster, the model integrates the dynamic coordination of distributed generators, PV units, and storage systems to minimize load-shedding costs and achieve staged restoration and multi-source energy coordination. In the post-disaster stage, considering the failure of lines and nodes caused by disasters, a topology reconstruction and source-load coordination optimization strategy is developed to ensure rapid power restoration and critical load supply. Simulation studies based on an improved IEEE 33-bus system demonstrate that the proposed robust optimization model in the pre-disaster phase significantly enhances risk resistance and system resilience, while the incorporation of mobile energy storage further improves the system’s flexibility and black-start capability. This research provides an effective theoretical foundation and practical framework for post-disaster recovery and resilience enhancement of port power grids. Full article
Show Figures

Figure 1

23 pages, 655 KB  
Article
Unlocking Demand-Side Flexibility in Cement Manufacturing: Optimized Production Scheduling for Participation in Electricity Balancing Markets
by Sebastián Rojas-Innocenti, Enrique Baeyens, Alejandro Martín-Crespo, Sergio Saludes-Rodil and Fernando A. Frechoso-Escudero
Energies 2025, 18(24), 6585; https://doi.org/10.3390/en18246585 - 17 Dec 2025
Viewed by 236
Abstract
The growing share of variable renewable energy sources in power systems is increasing the need for short-term operational flexibility—particularly from large industrial electricity consumers. This study proposes a practical, two-stage optimization framework to unlock this flexibility in cement manufacturing and support participation in [...] Read more.
The growing share of variable renewable energy sources in power systems is increasing the need for short-term operational flexibility—particularly from large industrial electricity consumers. This study proposes a practical, two-stage optimization framework to unlock this flexibility in cement manufacturing and support participation in electricity balancing markets. In Stage 1, a mixed-integer linear programming model minimizes electricity procurement costs by optimally scheduling the raw milling subsystem, subject to technical and operational constraints. In Stage 2, a flexibility assessment model identifies and evaluates profitable deviations from this baseline, targeting participation in Spain’s manual Frequency Restoration Reserve market. The methodology is validated through a real-world case study at a Spanish cement plant, incorporating photovoltaic (PV) generation and battery energy storage systems (BESS). The results show that flexibility services can yield monthly revenues of up to €800, with limited disruption to production processes. Additionally, combined PV + BESS configurations achieve electricity cost reductions and investment paybacks as short as six years. The proposed framework offers a replicable pathway for integrating demand-side flexibility into energy-intensive industries—enhancing grid resilience, economic performance, and decarbonization efforts. Full article
Show Figures

Figure 1

28 pages, 3992 KB  
Article
Stochastic Optimization of Real-Time Dynamic Pricing for Microgrids with Renewable Energy and Demand Response
by Edwin García, Milton Ruiz and Alexander Aguila
Energies 2025, 18(24), 6484; https://doi.org/10.3390/en18246484 - 11 Dec 2025
Viewed by 505
Abstract
This paper presents a comprehensive framework for real-time energy management in microgrids integrating distributed renewable energy sources and demand response (DR) programs. To address the inherent uncertainties in key operational variables—such as load demand, wind speed, solar irradiance, and electricity market prices—this study [...] Read more.
This paper presents a comprehensive framework for real-time energy management in microgrids integrating distributed renewable energy sources and demand response (DR) programs. To address the inherent uncertainties in key operational variables—such as load demand, wind speed, solar irradiance, and electricity market prices—this study employs a probabilistic modeling approach. A two-stage stochastic optimization method, combining mixed-integer linear programming and optimal power flow (OPF), is developed to minimize operational costs while ensuring efficient system operation. Real-time dynamic pricing mechanisms are incorporated to incentivize consumer load shifting and promote energy-efficient consumption patterns. Three microgrid scenarios are analyzed using one year of real historical data: (i) a grid-connected microgrid without DR, (ii) a grid-connected microgrid with 10% and 20% DR-based load shifting, and (iii) an islanded microgrid operating under incentive-based DR contracts. Results demonstrate that incorporating DR strategies significantly reduces both operating costs and reliance on grid imports, especially during peak demand periods. The islanded scenario, while autonomous, incurs higher costs and highlights the challenges of self-sufficiency under uncertainty. Overall, the proposed model illustrates how the integration of real-time pricing with stochastic optimization enhances the flexibility, resilience, and cost-effectiveness of smart microgrid operations, offering actionable insights for the development of future grid-interactive energy systems. Full article
Show Figures

Figure 1

26 pages, 3154 KB  
Article
Mitigating Load Shedding in South Africa Through Optimized Hybrid Solar–Battery Deployment: A Techno-Economic Assessment
by Ginevra Vittoria and Rui Castro
Energies 2025, 18(24), 6480; https://doi.org/10.3390/en18246480 - 10 Dec 2025
Viewed by 607
Abstract
South Africa’s persistent electricity shortages and recurrent load shedding remain among the most pressing challenges to national economic growth and social stability. This paper presents a techno-economic framework to assess how optimized deployment of photovoltaic (PV) and battery energy storage systems (BESSs) can [...] Read more.
South Africa’s persistent electricity shortages and recurrent load shedding remain among the most pressing challenges to national economic growth and social stability. This paper presents a techno-economic framework to assess how optimized deployment of photovoltaic (PV) and battery energy storage systems (BESSs) can mitigate these disruptions under realistic grid and regulatory constraints. Despite recent operational improvements at Eskom—including a 10-month period without load shedding in 2024—energy insecurity persists due to aging coal assets, limited transmission capacity, and slow renewable integration. Using hourly demand and solar-resource data for 2023, combined with Eskom’s load-reduction records, a Particle Swarm Optimization (PSO) model identifies cost-optimal hybrid system configurations that minimize the Levelized Cost of Electricity (LCOE) while maximizing coverage of unserved energy. Three deployment scenarios are analyzed: (i) constrained regional grid capacity, (ii) flexible redistribution of capacity across six provinces, and (iii) unconstrained national deployment. Results indicate that constrained deployment covers about 86% of curtailed load at 1.88 USD kWh−1, whereas flexible and unconstrained scenarios achieve over 99% coverage at ≈0.58 USD kWh−1. The findings demonstrate that targeted PV–BESS expansion, coupled with selective grid reinforcement, can effectively eliminate load shedding and accelerate South Africa’s transition toward a resilient, low-carbon electricity system. Full article
Show Figures

Figure 1

18 pages, 4545 KB  
Review
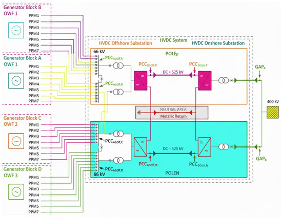
Multi-Terminal HVDC Networks for Offshore Energy Integration: Technical Challenges and Grid Interfacing Strategies
by Moazzam Nazir, Johan H. Enslin, James McCalley and Eric Hines
Energies 2025, 18(24), 6383; https://doi.org/10.3390/en18246383 - 5 Dec 2025
Viewed by 618
Abstract
Offshore wind (OSW) energy represents a vast and largely untapped resource capable of significantly contributing to the rising global electricity demand while advancing ambitious decarbonization and clean energy transition goals. Despite its potential, the effective harnessing of OSW is contingent upon the strategic [...] Read more.
Offshore wind (OSW) energy represents a vast and largely untapped resource capable of significantly contributing to the rising global electricity demand while advancing ambitious decarbonization and clean energy transition goals. Despite its potential, the effective harnessing of OSW is contingent upon the strategic and reliable integration of offshore generation into existing onshore AC power systems. Multi-terminal high-voltage direct current (MTDC) networks have emerged as a promising solution for this task, offering enhanced flexibility, scalability, and operational resilience. However, several technical and operational challenges—such as lack of standardization, coordinated control of multiple multi-vendor converters, reliable communication infrastructures, protection schemes, and seamless integration of offshore HVDC substations—must be addressed to fully realize the benefits of MTDC systems. This review paper critically examines these challenges and proposes a control, communication, protection, and HVDC substation design that could be adopted as an initial guideline for the efficient and secure integration of OSW into AC grids. By identifying current research gaps and synthesizing existing solutions, the paper provides a comprehensive framework for optimizing the role of MTDC networks in future offshore wind deployments. Full article
(This article belongs to the Special Issue Grid Integration of Renewable Energy: Latest Advances and Prospects)
Show Figures

Figure 1

27 pages, 2902 KB  
Article
Life Cycle Assessment of Small Passenger Cars in the Context of Smart Grid Integration and Sustainable Power System Development
by Katarzyna Piotrowska, Izabela Piasecka and Marek Opielak
Sustainability 2025, 17(23), 10788; https://doi.org/10.3390/su172310788 - 2 Dec 2025
Viewed by 654
Abstract
The accelerating integration of electromobility into renewable-based power systems necessitates a comprehensive understanding of vehicle life cycles and their interactions with emerging smart grid infrastructures. This study employs a Life Cycle Assessment (LCA) approach to evaluate the environmental performance of materials and components [...] Read more.
The accelerating integration of electromobility into renewable-based power systems necessitates a comprehensive understanding of vehicle life cycles and their interactions with emerging smart grid infrastructures. This study employs a Life Cycle Assessment (LCA) approach to evaluate the environmental performance of materials and components used in A- and B-segment passenger vehicles, within the framework of sustainable energy system development. Four propulsion technologies—petrol, diesel, compressed natural gas (CNG), and battery electric vehicles (BEVs)—were analyzed across two technological horizons (2020 and 2050), considering both landfilling and recycling end-of-life scenarios. The results demonstrate that while BEVs offer the lowest operational emissions and the greatest potential for supporting grid flexibility and renewable energy integration, they also exhibit the highest environmental burdens during production, primarily due to battery manufacturing. Nevertheless, the adoption of advanced recycling technologies significantly mitigates these impacts by reducing resource depletion, global warming potential, and cumulative energy demand. The findings highlight that circular material management and high-efficiency recycling are critical enablers of sustainable electromobility. By linking vehicle charging, energy storage, and recycling strategies, the integration of transport and energy systems can enhance grid stability, improve resource efficiency, and accelerate progress toward a decarbonized, resilient, and smart energy future. Full article
Show Figures

Figure 1

29 pages, 1678 KB  
Review
Beyond Seasonal Arbitrage—Structured Review on Distributed Long Duration Energy Storage and Its Benefits to the Distribution Grid
by Catherine Adelmann and Dietmar Graeber
Energies 2025, 18(23), 6256; https://doi.org/10.3390/en18236256 - 28 Nov 2025
Viewed by 676
Abstract
The rapid rise in variable renewable energy sources such as wind and solar introduces significant volatility and uncertainty into electricity grids, underscoring the critical need for increased system flexibility to ensure stability and reliability. Long-duration energy storage (LDES) technologies are emerging as essential [...] Read more.
The rapid rise in variable renewable energy sources such as wind and solar introduces significant volatility and uncertainty into electricity grids, underscoring the critical need for increased system flexibility to ensure stability and reliability. Long-duration energy storage (LDES) technologies are emerging as essential solutions for meeting needs by enabling the storage and dispatch of energy over extended periods—from several hours to days or even weeks. The existing literature and system studies focus predominantly on centralized LDES providing seasonal arbitrage under idealized “copper plate” grid assumptions, while the broader distribution grid services and the specific role of distributed LDES and its benefits to the distribution grid remain largely underexplored. This paper presents a structured literature review on studies published between 2015 and 2025 that explicitly address grid-connected LDES at the distribution level. The review synthesizes the portfolio of services provided by distributed LDES—ranging from seasonal arbitrage, curtailment reduction, and hosting capacity enhancement to T&D deferral, resilience, and hydrogen co-products—and compares techno-economic characteristics, modeling approaches, and optimization objectives across studies. On this basis, the review identifies the main research gaps and contribution areas and gives direction for future research. Full article
Show Figures

Figure 1

29 pages, 5706 KB  
Article
A Blockchain-Based Architecture for Energy Trading to Enhance Power Grid Stability
by Hongyan Sun and Tim Weingärtner
Electronics 2025, 14(23), 4629; https://doi.org/10.3390/electronics14234629 - 25 Nov 2025
Viewed by 945
Abstract
The integration of renewable energy sources (RES) and distributed energy resources (DER) into local energy markets is transforming modern power grids toward a decentralized architecture. To enhance the efficiency of decentralized energy trading, blockchain technology has been widely adopted in constructing peer-to-peer energy [...] Read more.
The integration of renewable energy sources (RES) and distributed energy resources (DER) into local energy markets is transforming modern power grids toward a decentralized architecture. To enhance the efficiency of decentralized energy trading, blockchain technology has been widely adopted in constructing peer-to-peer energy trading platforms, providing incentives for renewable energy generation and utilization. However, the rapid growth of small-scale suppliers and intermittent DERs introduces significant challenges to grid stability, including supply–demand imbalances and voltage fluctuations. To address these challenges, we propose a blockchain-based energy trading system architecture designed to enable a self-regulating, sustainable, and resilient grid. The proposed system architecture achieves grid stability through three key components: (i) precise endpoint control via AI Agents with lightweight forecasting models integrated into existing hardware systems, (ii) flexible distributed control through an efficient incentive mechanism, named Proof of Prediction, based on a blockchain-based automated trading process, and (iii) macro-level coordination via global regulation roles. We implemented a prototype of the proposed architecture on the Ethereum Blockchain and applied it to a microgrid-scale distributed automated trading environment. Our evaluation results show that using the architecture we proposed achieves a peak-shaving rate of up to 29.6%, while maintaining the overall supply–demand deviation of around 5% on average, demonstrating its strong potential as a foundation for building stable and modern power grids. Full article
(This article belongs to the Special Issue Blockchain Technologies: Emerging Trends and Real-World Applications)
Show Figures

Figure 1

24 pages, 2858 KB  
Article
An Advanced Control Framework for Frequency Regulation in Renewable-Dominated Power Systems: Fractional-Order Virtual Primary–Secondary Control with Synthetic Inertia Control
by Sherif A. Zaid, Gaber Magdy, Hani Albalawi, Omar A. Alatawi, Abderrahim Lakhouit and Ayman E. M. Ahmed
Fractal Fract. 2025, 9(12), 766; https://doi.org/10.3390/fractalfract9120766 - 25 Nov 2025
Viewed by 664
Abstract
This paper suggests a developed virtual inertia-damping control (VIDC) scheme to improve the frequency stability of low-inertia, renewable-dominated power systems. The introduced approach integrates fractional-order control theory into both virtual primary and secondary control loops (FO-VPSC), coordinated with a Battery Energy Storage System [...] Read more.
This paper suggests a developed virtual inertia-damping control (VIDC) scheme to improve the frequency stability of low-inertia, renewable-dominated power systems. The introduced approach integrates fractional-order control theory into both virtual primary and secondary control loops (FO-VPSC), coordinated with a Battery Energy Storage System (BESS)-based VIDC, to provide richer phase shaping and greater flexibility in mitigating diverse system disturbances. To ensure robustness and adaptability, the FO-VPSC parameters are optimally tuned using the Dandelion Optimizer (DO) algorithm. The effectiveness of the proposed strategy is validated on a two-area interconnected renewable power system comprising heterogeneous sources, including a thermal power plant, solar and wind units, and BESSs. Simulation results reveal that the proposed FO-VPSC significantly enhances the system’s dynamic response, achieving a 35–45% reduction in frequency overshoot, up to a 42% improvement in settling time, and a 30% reduction in frequency deviation magnitude compared with conventional VIDC. Moreover, the proposed control strategy improves inter-area oscillation damping and ensures stable operation under renewable penetration above 60% reduction in system inertia and damping constants. These results confirm that the FO-VPSC-based VIDC provides superior adaptability and resilience for next-generation low-inertia grids. Full article
Show Figures

Figure 1

27 pages, 4620 KB  
Article
Simulating the Electrification of Cape Town’s Last-Mile Motorcycle Fleet: Grid Impact and Resource Requirements
by Halloran Stratford and Marthinus Johannes Booysen
World Electr. Veh. J. 2025, 16(12), 641; https://doi.org/10.3390/wevj16120641 - 22 Nov 2025
Viewed by 527
Abstract
The rapid growth of on-demand services in Sub-Saharan Africa has intensified reliance on internal combustion engine (ICE) motorcycles for last-mile delivery, with Cape Town exemplifying both the opportunities and challenges of this trend. While motorcycles provide affordable and flexible mobility, their disproportionate emissions, [...] Read more.
The rapid growth of on-demand services in Sub-Saharan Africa has intensified reliance on internal combustion engine (ICE) motorcycles for last-mile delivery, with Cape Town exemplifying both the opportunities and challenges of this trend. While motorcycles provide affordable and flexible mobility, their disproportionate emissions, high operating costs, and exposure to volatile fuel prices create pressing economic and environmental concerns. This paper investigates the implications of electrifying Cape Town’s last-mile delivery fleet by modelling the operational dynamics of 39,005 delivery trips performed by 385 motorcycles. Using empirical data, the study simulates fleet electrification under two battery-swapping scenarios—daytime swapping only and a hybrid swapping plus overnight charging model—while testing unmanaged and managed charging strategies. Results show that downsizing the fleet could reduce system resources by more than 50%, lowering capital and grid burdens, with managed charging offering long-term operational savings. Managed charging approaches, particularly off-peak balancing and solar-following, successfully mitigate grid strain and enhance solar utilisation, though they demand larger battery pools, a trade-off quantified by a techno-economic analysis. Crucially, pairing electrification with decentralised solar generation demonstrates the potential for a resilient, net-zero system insulated from load shedding. The findings provide a transferable framework for African cities to decarbonise urban logistics while safeguarding rider livelihoods and grid stability. Full article
Show Figures

Figure 1

27 pages, 1057 KB  
Review
Multi-Area Economic Dispatch Under Renewable Integration: Optimization Challenges and Research Perspectives
by Hossein Lotfi
Processes 2025, 13(12), 3766; https://doi.org/10.3390/pr13123766 - 21 Nov 2025
Viewed by 545
Abstract
The shift toward decentralized energy systems and the rapid growth of renewable integration have brought renewed attention to the Multi-Area Economic Dispatch (MAED) problem. Unlike single-area dispatch, which focuses only on local balance, MAED must also coordinate inter-area exchanges, respect regional operating limits, [...] Read more.
The shift toward decentralized energy systems and the rapid growth of renewable integration have brought renewed attention to the Multi-Area Economic Dispatch (MAED) problem. Unlike single-area dispatch, which focuses only on local balance, MAED must also coordinate inter-area exchanges, respect regional operating limits, and ensure overall reliability. This paper reviews both MAED and its dynamic extension, the Multi-Area Dynamic Economic Dispatch (MADED). The review examines core objectives—cost minimization, emission reduction, and renewable utilization—and surveys a wide range of solution methods. These include classical mathematical programming, metaheuristic and hybrid approaches, and more recent advances based on machine learning and reinforcement learning. Special emphasis is placed on uncertainty-oriented models that address demand variability, market dynamics, and renewable fluctuations. The discussion also highlights the role of Distributed Energy Resources (DERs), Energy Storage Systems (ESSs), and Demand Response (DR) in improving system flexibility and resilience. Despite notable progress, research gaps remain, including limited treatment of uncertainty, insufficient integration of DR, oversimplified modeling of electric vehicles, and the marginal role of reliability. To address these issues, a research agenda is proposed that aims to develop more adaptive, scalable, and sustainable dispatch models. The insights provided are intended to support both academic research and practical applications in the planning and operation of interconnected grids. Full article
(This article belongs to the Special Issue Modeling, Optimization, and Control of Distributed Energy Systems)
Show Figures

Figure 1

Back to TopTop