Due to scheduled maintenance work on our servers, there may be short service disruptions on this website between 11:00 and 12:00 CEST on March 28th.
Sign in to use this feature.

Years

Between: -

Subjects

remove_circle_outline
remove_circle_outline
remove_circle_outline
remove_circle_outline
remove_circle_outline
remove_circle_outline
remove_circle_outline
remove_circle_outline
remove_circle_outline

Journals

remove_circle_outline
remove_circle_outline
remove_circle_outline
remove_circle_outline
remove_circle_outline
remove_circle_outline
remove_circle_outline
remove_circle_outline
remove_circle_outline
remove_circle_outline
remove_circle_outline
remove_circle_outline
remove_circle_outline
remove_circle_outline
remove_circle_outline
remove_circle_outline

Article Types

Countries / Regions

remove_circle_outline
remove_circle_outline
remove_circle_outline
remove_circle_outline
remove_circle_outline

Search Results (891)

Search Parameters:
Keywords = environmental self-efficiency

Order results
Result details
Results per page
Select all
Export citation of selected articles as:
25 pages, 45583 KB  
Article
Terrain-Aware Self-Supervised Representation Learning for Tree Species Mapping in Mountainous Regions Under Limited Field Samples
by Li He, Leiguang Wang, Liang Hong, Qinling Dai, Wei Gu, Xingyue Du, Mingqi Yang, Juanjuan Liu and Yaoming Feng
Remote Sens. 2026, 18(6), 951; https://doi.org/10.3390/rs18060951 - 21 Mar 2026
Viewed by 124
Abstract
Accurate tree species mapping is critical for forest inventory, biodiversity assessment, and ecosystem management. In mountainous regions, terrain-induced radiometric non-stationarity and limited field access often produce scarce, clustered, and environmentally biased samples, limiting model generalization. To address this issue, this study proposes a [...] Read more.
Accurate tree species mapping is critical for forest inventory, biodiversity assessment, and ecosystem management. In mountainous regions, terrain-induced radiometric non-stationarity and limited field access often produce scarce, clustered, and environmentally biased samples, limiting model generalization. To address this issue, this study proposes a terrain-aware self-supervised representation learning framework for tree species classification under small-sample conditions. The framework integrates terrain information into representation learning and adopts a hybrid contrastive–generative self-supervised strategy to learn discriminative and terrain-robust features from large volumes of unlabeled multi-source remote sensing data. These learned representations are subsequently combined with limited field samples to produce regional-scale tree species maps. Experiments conducted across Yunnan Province, China, using Sentinel-1, Sentinel-2 and Landsat time-series data show that the proposed framework substantially improvesa class separability and classification robustness in complex mountainous environments. The framework achieves an overall accuracy of 75.8%, significantly outperforming conventional feature engineering (38.3–40.6%) and supervised deep learning models (37.3–47.8%). Species with relatively homogeneous structure and strong ecological niche dependence can be accurately mapped with limited training samples, whereas structurally complex forest communities require broader environmental sample coverage. Overall, the results highlight the potential of terrain-aware self-supervised representation learning as a scalable and data-efficient paradigm for forest mapping in mountainous and environmentally heterogeneous regions. Full article
Show Figures

Figure 1

16 pages, 6683 KB  
Article
Optimizing Modified Activated Carbon Fiber for Organic Pollutant Removal from Reverse Osmosis Concentrate: Response Surface Modeling and Optimization
by Xiaohan Wei, Aili Gao, Ruijia Ma, Yunchang Huang, Chenglin Liu, Jinlong Wang, Lihua Cheng and Xuejun Bi
Materials 2026, 19(6), 1186; https://doi.org/10.3390/ma19061186 - 18 Mar 2026
Viewed by 195
Abstract
Reverse osmosis concentrate (ROC) contains relatively high levels of refractory organic pollutants, posing significant challenges due to its difficult treatment and high environmental risks. Therefore, efficient and convenient removal strategies are essential. In this study, a self-developed iron-modified activated carbon fiber (Fe-ACF) was [...] Read more.
Reverse osmosis concentrate (ROC) contains relatively high levels of refractory organic pollutants, posing significant challenges due to its difficult treatment and high environmental risks. Therefore, efficient and convenient removal strategies are essential. In this study, a self-developed iron-modified activated carbon fiber (Fe-ACF) was employed as an adsorbent to remove organic pollutants from ROC. Additionally, response surface methodology (RSM) was applied to model the adsorption process, identify and evaluate key influencing parameters, and optimize operational conditions. The adsorption mechanisms and regeneration stability of Fe-ACF were also investigated. Kinetic analysis revealed that the adsorption process is predominantly governed by chemisorption, with intraparticle diffusion identified as the primary rate-limiting step. Isothermal adsorption studies demonstrated that the Langmuir–Freundlich model best describes the adsorption behavior, yielding a theoretical maximum adsorption capacity of 12.21 ± 0.80 mg/g. Thermodynamic analysis confirmed that the adsorption process is spontaneous, endothermic, and driven by an increase in entropy. The RSM optimization identified pH as the dominant factor. The optimal adsorption conditions were a pH of 4.18, a temperature of 34.63 °C, a stirring speed of 547.91 rpm, and an adsorbent dosage of 1.55 g/L. The adsorption mechanism involves hydrogen bonding, π–π interactions, surface complexation, and electrostatic forces. Fe-ACF exhibits competitive regeneration stability and structural integrity. In summary, Fe-ACF demonstrates significant potential as a treatment material for ROC. Full article
(This article belongs to the Section Carbon Materials)
Show Figures

Graphical abstract

29 pages, 7044 KB  
Article
Experimental Characterisation of Translucent High-Performance Concrete Tiles Incorporating Recycled Glass for Architectural Envelopes
by Oriol Paris-Viviana, Paula Martin-Goñi, Andreu Corominas and Oriol Pons-Valladares
Buildings 2026, 16(6), 1163; https://doi.org/10.3390/buildings16061163 - 16 Mar 2026
Viewed by 182
Abstract
The construction sector faces environmental challenges related to material consumption, waste generation and energy efficiency. In this context, light-transmitting concrete tiles incorporating recycled glass offer a favourable solution for the construction of lightweight building envelope systems combining circularity, functional performance and design value. [...] Read more.
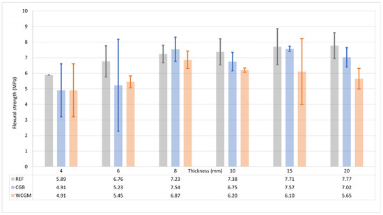
The construction sector faces environmental challenges related to material consumption, waste generation and energy efficiency. In this context, light-transmitting concrete tiles incorporating recycled glass offer a favourable solution for the construction of lightweight building envelope systems combining circularity, functional performance and design value. This research project developed novel self-compacting high-performance concrete tiles integrating coarse waste-glass aggregates to develop translucent components for use as solar filters. To the authors’ best knowledge there is a gap in the market regarding this type of envelope. Three concrete mixtures were developed, including the reference mix and two waste-glass-based mixtures with different glass contents, colours and nominal size distributions. Concrete tiles with thicknesses between 4 and 20 mm were analysed regarding their overall physical, mechanical, durability and luminous performance. This research paper’s conclusions confirm the suitability of recycled glass concrete tiles for facade applications and support the selection of the minimum viable thickness as a design approach. An optimal thickness of 8 mm was determined, providing the optimal balance between translucency (8–4% light transmittance), structural behaviour (flexural strength > 7 MPa) and durability performance (mass losses < 2.34%). Improving the mechanical performance of slender elements by increasing both the contribution of fibres and matrix–waste bonding are among the future follow-up steps. Full article
Show Figures

Figure 1

15 pages, 2959 KB  
Article
Synergistic Coupling of Intrinsic Internal Electric Field and Macroscopic Polarization in a Photocatalytic Fuel Cell for Efficient Antibiotic Degradation
by Xicheng Li, Bicheng Ji, Jiajie Bao, Jiuwei Wu and Changzheng Wang
Nanomaterials 2026, 16(6), 354; https://doi.org/10.3390/nano16060354 - 13 Mar 2026
Viewed by 223
Abstract
The concurrent challenges of environmental pollution and energy scarcity necessitate advanced sustainable technologies. Photocatalytic fuel cells (PFCs) offer a promising route by coupling pollutant degradation with energy recovery. However, the synergistic interplay between anode intrinsic properties and macroscopic polarization effects remains inadequately understood. [...] Read more.
The concurrent challenges of environmental pollution and energy scarcity necessitate advanced sustainable technologies. Photocatalytic fuel cells (PFCs) offer a promising route by coupling pollutant degradation with energy recovery. However, the synergistic interplay between anode intrinsic properties and macroscopic polarization effects remains inadequately understood. Herein, a BiOBr-doped TiO2 nanotube array photoanode with engineered oxygen vacancies was developed to construct a synergistically enhanced PFC system. XPS, EPR, and DFT analyses confirm the formation of oxygen vacancies and favorable band bending, inducing an internal electric field that markedly promotes charge separation and interfacial reaction kinetics. As a result, the charge separation efficiency is enhanced by approximately fourfold relative to pristine TiO2 nanotube arrays. Under the combined action of the internal electric field and self-bias-induced polarization field, photogenerated electrons and holes undergo directional transport and effective utilization. The optimized PFC achieves 78% sulfamethoxazole degradation within 180 min, representing a 1.38-fold improvement. Degradation pathways and toxicity evolution were further elucidated using LC–MS and Fukui function analysis, highlighting the critical role of electric field-driven charge regulation in high-performance PFCs. Full article
(This article belongs to the Section Environmental Nanoscience and Nanotechnology)
Show Figures

Figure 1

18 pages, 6345 KB  
Article
Shape Memory and Self-Healing Behavior of 4D-Printed Electroactive Polycaprolactone/Polylactic Acid/Graphene Nanocomposite: Structure-Properties Relations
by Rumiana Kotsilkova, Evgeni Ivanov, Vladimir Georgiev and Todor Batakliev
J. Compos. Sci. 2026, 10(3), 155; https://doi.org/10.3390/jcs10030155 - 12 Mar 2026
Viewed by 341
Abstract
The 4D printing of thermo-responsive shape-memory multicomponent polymer composites, which possess the ability to change shape by exposure to heat, has attracted much attention in recent years because of their scientific and technological significance. In the present study, we investigate shape memory performance [...] Read more.
The 4D printing of thermo-responsive shape-memory multicomponent polymer composites, which possess the ability to change shape by exposure to heat, has attracted much attention in recent years because of their scientific and technological significance. In the present study, we investigate shape memory performance of a polylactic acid-polycaprolactone-graphene nanocomposite activated directly by increasing the environmental temperature and indirectly, by Joule heating. The incorporation of graphene within the shape-memory biopolymer blend allowed formation of a programmable conduction path, whose electric properties are intimately coupled to thermo-mechanical processes. Advanced rheological, thermal, and thermo-mechanical properties were evaluated and related to the structure of nanocomposite. The electrically and thermally stimulated shape memory and self-healing behavior of the nanocomposite based on polycaprolactone/poly(lactic) acid blend reinforced with graphene nanoplatelets (PCL/PLA/GNP) were investigated. The shape memory tests revealed a good reversibility of 76% between the temporary and permanent states of the samples bent to 180 degrees and a high healing efficiency of 96% if stimulated by Joule heating. The highly electroactive nanocomposite demonstrated a great potential for 4D-printing of objects with complex structures, shapes, and electrically-stimulated shape-memory and self-healing functions. The nanocomposite is biodegradable, recyclable, and reusable, which may reduce the carbon footprint of the rapidly developing additive technology. Full article
(This article belongs to the Special Issue Advanced Additive Manufacturing of High-Performance Composites)
Show Figures

Figure 1

30 pages, 2571 KB  
Article
Energy Integration and Valorization of Surplus Electricity Through Alkaline Water Electrolysis Within a Self-Generation Scheme Using Gas Turbogenerators
by Juan Cadavid, David Patiño-Ruiz, Manuel Saba, Oscar E. Coronado-Hernández, Rafael D. Méndez-Anillo and Alejandro Martínez-Amariz
Sci 2026, 8(3), 62; https://doi.org/10.3390/sci8030062 - 10 Mar 2026
Viewed by 280
Abstract
This study assesses the technical, operational, environmental, and economic feasibility of integrating alkaline water electrolysis (AEL) using on-site measured surplus electricity from two 20 MW natural-gas turbogenerators installed at a Central Processing Facility (CPF) in a Colombian oilfield. Unlike approaches based on modeled [...] Read more.
This study assesses the technical, operational, environmental, and economic feasibility of integrating alkaline water electrolysis (AEL) using on-site measured surplus electricity from two 20 MW natural-gas turbogenerators installed at a Central Processing Facility (CPF) in a Colombian oilfield. Unlike approaches based on modeled profiles, the analysis relies on more than 31,000 experimental records of gas consumption and active power, enabling an accurate characterization of the structural availability of energy surpluses under real operating conditions. A specialized industrial water treatment and purification company was consulted and provided with the physicochemical characterization results obtained from process water samples analyzed by an accredited laboratory. Based on these parameters, the technical supplier confirmed the feasibility of designing a multistage treatment train, including equalization, filtration, clarification, activated carbon, ultrafiltration, and reverse osmosis, capable of achieving final conductivities at or below 5 µS/cm. This water quality level is compatible with typical industrial alkaline electrolysis requirements and in line with technical specifications commonly aligned with ASTM and ISO standards for pressurized AEL systems. A strategic comparison between PEM and AEL technologies, supported by IFE/EFE matrices and sensitivity analyses, identified alkaline electrolysis as the optimal alternative under a stable electrical profile and capital expenditure constraints. Energy sizing for scenarios between 1.5 and 10 MW, assuming continuous 24 h operation and an average specific consumption of 50 kWh/kg H2, yields productions between 0.5 and 3.5 t H2/day, with electrical efficiencies above 70%. A 20-year financial analysis indicates a techno-economic threshold near 3 MW (NPV > 0; IRR > WACC), with optimal performance in the 6.5–10 MW range and payback periods between 2 and 4 years under internal valorization of the surplus electricity. From an environmental perspective, the produced hydrogen is classified as low-carbon rather than “green” due to its thermal origin; however, the integration improves the turbines’ operating regime and valorizes surplus electrical exergy that was previously unused, providing a replicable strategy for industrial assets with self-generation and treatable water availability. Full article
Show Figures

Figure 1

29 pages, 10745 KB  
Article
A Machine Learning-Based Multi-Objective Optimization and Decision Support Framework for Age-Friendly Outdoor Activity Spaces
by Hui Wang, Rui Zhang, Ling Jiang, Lu Zhang and Guang Yang
Buildings 2026, 16(5), 1088; https://doi.org/10.3390/buildings16051088 - 9 Mar 2026
Viewed by 272
Abstract
Thermal comfort and adequate sunlight exposure are essential for maintaining the health of older adults. Although multi-objective optimization (MOO) has been increasingly applied to improve environmental performance in spatial design, most existing studies still rely on computationally expensive physical simulations, and their optimization [...] Read more.
Thermal comfort and adequate sunlight exposure are essential for maintaining the health of older adults. Although multi-objective optimization (MOO) has been increasingly applied to improve environmental performance in spatial design, most existing studies still rely on computationally expensive physical simulations, and their optimization results often lack interpretability and operability in early design decision-making. To address these issues, this study proposes a collaborative optimization framework that integrates machine learning surrogate models with neural visualization tools to support performance-driven design of age-friendly outdoor spaces at the early stage. Based on survey data from 46 typical Beijing communities, we constructed a parametric model with three objectives: minimizing summer UTCI, maximizing winter UTCI, and maximizing sunlight duration. An XGBoost model is adopted as a surrogate to accelerate performance prediction, while a self-organizing map (SOM) was applied to cluster and visualize Pareto-optimal solutions. The results indicate that the surrogate model achieves high predictive accuracy and reduces overall computational time by approximately 45% compared with conventional physical simulations. Moreover, the SOM-based visual decision process compresses the high-dimensional solution space and reduces candidate schemes by more than 90%, enabling rapid identification of design solutions that balance environmental performance and spatial morphology. The proposed framework improves both computational efficiency and decision support capacity for performance-oriented spatial design and provides a novel methodological reference for the environmental renewal of age-friendly outdoor spaces. Full article
(This article belongs to the Section Architectural Design, Urban Science, and Real Estate)
Show Figures

Figure 1

22 pages, 5499 KB  
Article
Experimental and Numerical Investigation on Three-Segment Precast Bridge Columns with Grouted Sleeve-Unbonded Prestressing Hybrid Connections
by Bo Yi, Ningyu Zhao, Guozheng Chen, Haitao Tang, Boheng Zhang and Guan Wang
Buildings 2026, 16(5), 1041; https://doi.org/10.3390/buildings16051041 - 6 Mar 2026
Viewed by 165
Abstract
Precast bridge columns offer efficiency and environmental benefits, yet complex mountainous terrain and limited workspace severely restrict the transportation of large segments. To address this challenge and the limited ductility of traditional connections, this study proposes a multi-segment precast bridge column with hybrid [...] Read more.
Precast bridge columns offer efficiency and environmental benefits, yet complex mountainous terrain and limited workspace severely restrict the transportation of large segments. To address this challenge and the limited ductility of traditional connections, this study proposes a multi-segment precast bridge column with hybrid connections (PSC-GSPT) utilizing grouted sleeves and unbonded prestressing tendons. Quasi-static tests and OpenSees simulations compared a three-segment PSC-GSPT specimen with a cast-in-place (CIP) column. Results demonstrate that the hybrid system shifts the plastic hinge above the sleeves due to their high stiffness, ensuring controlled damage. Compared to the CIP specimen, the PSC-GSPT increased peak load by 30.2% and ductility by 20.7%, while exhibiting excellent self-centering capability and 27% higher cumulative energy dissipation. Numerical parametric analysis indicates that a central tendon configuration delays yielding, boosting ductility by over 15% versus perimeter layouts, and an initial prestress level of 30% is recommended to optimize both self-centering and ductility. This study provides a theoretical basis for applying high-performance precast piers in transportation-restricted environments. Full article
(This article belongs to the Special Issue Analysis of Performance in Green Concrete Structures)
Show Figures

Figure 1

27 pages, 5957 KB  
Article
A Study of the Three-Dimensional Localization of an Underwater Glider Hull Using a Hierarchical Convolutional Neural Network Vision Encoder and a Variable Mixture-of-Experts Transformer
by Jungwoo Lee, Ji-Hyun Park, Jeong-Hwan Hwang, Kyoungseok Noh and Jinho Suh
Remote Sens. 2026, 18(5), 793; https://doi.org/10.3390/rs18050793 - 5 Mar 2026
Viewed by 221
Abstract
Although underwater gliders are highly energy-efficient platforms capable of long-duration and large-scale ocean observation, their lack of self-propulsion requires external assistance for recovery upon mission completion. In harsh and dynamic marine environments, reliably detecting the glider and accurately estimating its three-dimensional position are [...] Read more.
Although underwater gliders are highly energy-efficient platforms capable of long-duration and large-scale ocean observation, their lack of self-propulsion requires external assistance for recovery upon mission completion. In harsh and dynamic marine environments, reliably detecting the glider and accurately estimating its three-dimensional position are critical to ensuring the recovery operations are safe and efficient. This paper proposes a perception framework based on deep learning to detect underwater glider hulls and estimate their three-dimensional relative positions using camera–sonar multi-sensor fusion. This approach integrates a hierarchical convolutional neural network (CNN) vision encoder and a transformer-based architecture to estimate the glider’s spatial location and heading direction simultaneously. The hierarchical CNN encoder extracts multi-level, semantically rich visual features, thereby improving robustness to visual degradation and environmental disturbances common in underwater settings. Additionally, the transformer incorporates a variable mixture-of-experts (vMoE) mechanism that adaptively allocates expert networks across layers, enhancing representational capacity while maintaining computational efficiency. The resulting pose estimates enable precise, collision-free ROV navigation for automated recovery and onboard sensor inspection tasks. Experimental results, including ablation studies, validate the effectiveness of the proposed components and demonstrate their contributions to accurate glider hull detection and three-dimensional localization. Overall, the proposed framework provides a scalable, reliable perception solution that allows for the safe, autonomous recovery of underwater gliders with an ROV in realistic ocean environments. Full article
Show Figures

Figure 1

20 pages, 3178 KB  
Article
Resource Utilization of Tea Residue Biomass via Catalytic Vacuum Pyrolysis
by Lifang Li, Mingming Pan, Qing Huang, Yuanyong Yao, Yuhang Xu and Sen Li
Energies 2026, 19(5), 1282; https://doi.org/10.3390/en19051282 - 4 Mar 2026
Viewed by 360
Abstract
Waste biomass represents both an environmental pollutant and a potential renewable energy source. This study examines the feasibility of hydrogen production from tea residue biomass and solid waste, focusing on pyrolysis-based hydrogen generation. Compared to atmospheric pyrolysis, vacuum conditions reduce the saturated vapor [...] Read more.
Waste biomass represents both an environmental pollutant and a potential renewable energy source. This study examines the feasibility of hydrogen production from tea residue biomass and solid waste, focusing on pyrolysis-based hydrogen generation. Compared to atmospheric pyrolysis, vacuum conditions reduce the saturated vapor pressure of biomass volatiles, thereby promoting char gasification, gas-phase interactions, and secondary tar cracking. Utilizing a self-designed vacuum-pyrolysis-catalysis system, we investigated the effects of key parameters—vacuum level, temperature, catalyst-to-feedstock ratio, and retention time on pyrolysis product distribution and formation mechanisms. Results indicate that Ni was successfully and uniformly loaded onto waste calcium oxide desiccant (DC) support via impregnation, thereby significantly increasing the specific surface area of the catalyst. Optimization using response surface methodology identified the following optimal conditions: pressure of 5 kPa, temperature of 835.89 °C, catalyst/feedstock ratio of 110.02%, and retention time of 2.35 h. Under these conditions, a hydrogen yield of 256.39 mL·g−1 was achieved, corresponding to 95.3% of the simulated value. The process not only enabled efficient hydrogen production but also simultaneously yielded bio-oil and biochar, thereby facilitating carbon capture and recycling. These findings provide valuable insights into the resource-oriented application of vacuum pyrolysis-catalysis technology to waste biomass. Full article
Show Figures

Graphical abstract

17 pages, 1240 KB  
Article
Enhancing the Resilience of Distributed Energy Storage on Smart Highways: A System Dynamics Approach for Dynamic Maintenance Decision-Making
by Xiaochun Peng and Yanqun Yang
Energies 2026, 19(5), 1259; https://doi.org/10.3390/en19051259 - 3 Mar 2026
Viewed by 223
Abstract
The resilience of Intelligent Transportation Systems (ITSs) heavily relies on distributed Battery Energy Storage Systems (BESSs) deployed in harsh, unattended highway environments. Traditional maintenance strategies often fail to account for the dynamic feedback between battery aging, environmental stress, and maintenance response latency. This [...] Read more.
The resilience of Intelligent Transportation Systems (ITSs) heavily relies on distributed Battery Energy Storage Systems (BESSs) deployed in harsh, unattended highway environments. Traditional maintenance strategies often fail to account for the dynamic feedback between battery aging, environmental stress, and maintenance response latency. This study proposes a system dynamics (SD) framework to evaluate and optimize the resilience of these critical power infrastructures. By modeling the nonlinear interactions among sensor data, controller logic, and remote discharge terminals, we simulate the system’s dynamic behavior over a 36-month lifecycle. The results reveal a critical “scalability threshold”: when battery pack quantity exceeds 40 units, the system’s self-healing time increases disproportionately, degrading resilience. Furthermore, the study identifies 384 V as the optimal “Resilience Topology Voltage”, offering the fastest recovery speed by balancing thermal stability with consistency management efficiency. These findings provide theoretical guidelines for configuring BESS capacity and optimizing remote maintenance protocols to ensure uninterrupted highway operations. Full article
(This article belongs to the Section D: Energy Storage and Application)
Show Figures

Figure 1

22 pages, 23521 KB  
Article
Superpixel-Tokenized and Frequency-Modulated Hybrid CNN–Transformer for Remote Sensing Semantic Segmentation
by Xinlin Xie, Chenhao Chang, Yunyun Yang and Gang Xie
Remote Sens. 2026, 18(5), 754; https://doi.org/10.3390/rs18050754 - 2 Mar 2026
Viewed by 293
Abstract
Remote sensing semantic segmentation is fundamental for fine-grained urban scene understanding, which in turn provides pixel-level semantic insights for urban development and environmental surveillance. However, existing hybrid segmentation architectures fail to incorporate intrinsic geometric and physical priors, inevitably leading to structural fragmentation, boundary [...] Read more.
Remote sensing semantic segmentation is fundamental for fine-grained urban scene understanding, which in turn provides pixel-level semantic insights for urban development and environmental surveillance. However, existing hybrid segmentation architectures fail to incorporate intrinsic geometric and physical priors, inevitably leading to structural fragmentation, boundary ambiguity, and spatial misalignment of heterogeneous features. Therefore, we propose a Superpixel-Tokenized and Frequency-Modulated Hybrid CNN–Transformer network (SFCT-Net) for remote sensing semantic segmentation. The proposed network integrates superpixel tokens and high-frequency constraints to preserve structural integrity and boundary precision. First, our Superpixel-Tokenized Linear Position Attention (STLPA) module replaces rigid window tokens with semantic superpixels to ensure object integrity with linear computational complexity. Second, we construct a Frequency-Modulated Deformable Edge Refinement (FMDER) module that leverages high-frequency spectral priors to modulate deformable sampling, achieving robust boundary recovery. Finally, we develop the Spatial–Semantic Feature Coupling (SSFC) module, which employs a dual-branch strategy to correct spatial drift and align deep semantic features with shallow details. Experiments conducted on our self-built Taiyuan Satellite Remote Sensing Dataset (TSRSD) along with the ISPRS Vaihingen and Potsdam benchmark datasets demonstrate that our proposed SFCT-Net delivers state-of-the-art performance and efficiency by fusing superpixel and frequency priors for robust structural and boundary recovery. Full article
Show Figures

Figure 1

26 pages, 8442 KB  
Article
Dynamic Operation and Optimization Analysis of an Innovative Distributed Energy System Based on Full-Spectrum Solar Energy Cascade Utilization
by Rong Zeng, Jinran Peng and Xianglin Tang
Energies 2026, 19(5), 1218; https://doi.org/10.3390/en19051218 - 28 Feb 2026
Viewed by 174
Abstract
The cascade utilization of spectral beam splitting represents an effective method for enhancing the efficiency of solar energy utilization. However, most research has been conducted under stable conditions, and the impacts across different climatic zones have not been taken into account. Therefore, this [...] Read more.
The cascade utilization of spectral beam splitting represents an effective method for enhancing the efficiency of solar energy utilization. However, most research has been conducted under stable conditions, and the impacts across different climatic zones have not been taken into account. Therefore, this paper investigates an innovative distributed energy system utilizing full-spectrum solar cascade in three different climate zones. A full-spectrum solar model is established in MATLAB 2023, and the corresponding photovoltaic model files are invoked in the TRNSYS 18. After operation, the performance of full-spectrum frequency division solar energy is obtained. The equivalent carbon emissions (ECE), self-sufficiency ratio (SS), self-consumption ratio (SC) and levelized cost of energy (LCOE) are adopted as indicators to assess the environmental, energy and economic benefits of each system. The results show that the net present value (NPV) in Chengdu is the highest (186,674.19 USD), while that in Beijing is the lowest (171,458.75 USD), and that in Guangzhou is in the middle (180,650.23 USD). After optimization, Beijing achieves the lowest LCOE and the highest SS, Guangzhou achieves the highest SC and the lowest ECE, Chengdu achieves a balanced configuration where moderate on-site generation meets nearly half of the total demand. Full article
Show Figures

Figure 1

26 pages, 10683 KB  
Article
Advanced Optimization of Clonazepam-Loaded Solid Self-Emulsifying Drug Delivery Systems: Comparison of Weighted Goal Programming and Desirability Function in a Quality by Design Framework
by María Luisa González-Rodríguez, Sonia Valverde-Cabeza, Enrique Pérez-Terrón, Antonio María Rabasco and Pedro Luis González-Rodriguez
Pharmaceutics 2026, 18(3), 305; https://doi.org/10.3390/pharmaceutics18030305 - 28 Feb 2026
Viewed by 453
Abstract
Background/Objectives: Clonazepam (CLZ), a BCS Class II drug, presents significant oral delivery challenges due to its low aqueous solubility. This study explores the systematic development of solid self-emulsifying drug delivery systems (S-SEDDS) using Quality by Design (QbD). The primary objective was to evaluate [...] Read more.
Background/Objectives: Clonazepam (CLZ), a BCS Class II drug, presents significant oral delivery challenges due to its low aqueous solubility. This study explores the systematic development of solid self-emulsifying drug delivery systems (S-SEDDS) using Quality by Design (QbD). The primary objective was to evaluate and compare advanced mathematical optimization frameworks, specifically Derringer’s Desirability Function (D) and Weighted Goal Programming (WGP), to identify a robust formulation that enhances drug solubilization while ensuring superior processability and flowability. Methods: Liquid SEDDS were solidified by adsorption onto a porous matrix (Aerosil® 200/Lactose). A multi-objective optimization was conducted to define a robust Design Space (DS), comparing D against WGP. The trade-offs between competing Critical Quality Attributes (CQAs), specifically powder flowability (angle of repose, AR), blending efficiency (BE), and CLZ recovery (CR), were evaluated. Characterization included morphology from Environmental Scanning Electron Microscopy (ESEM), droplet size analysis, and pH-dependent dissolution studies. Results: D provided a highly robust baseline, yielding constant optimal coordinates (F2, F3 = +1; F4 = 0) across all sensitivity levels, with a predicted AR of 40.46°, BE of 0.12 and CR of 90.0%. However, WGP successfully refined this solution by allowing a more flexible weighting of goals, achieving a more favorable compromise with an AR of 38.96°, a BE of 0.11, and a CR of 90.23%. The optimized system maintained nanometric droplet sizes (<200 nm) and showed a controlled, pH-independent release profile, reaching 80% drug solubilization at 6 h. Conclusions: Integrating WGP into the QbD framework offers a more versatile and precise optimization than the traditional D for complex pharmaceutical systems. This approach ensures the production of high-quality S-SEDDS, bridging the gap between mathematical modeling and the stringent requirements of industrial solid dosage manufacturing. Full article
Show Figures

Graphical abstract

21 pages, 4411 KB  
Article
An Edge-Enhanced and Feature-Fused Terahertz Image Denoising Network for Wheat Impurity Detection
by Mengdie Jiang, Xuejing Lu, Yuying Jiang and Hongyi Ge
Agronomy 2026, 16(5), 527; https://doi.org/10.3390/agronomy16050527 - 28 Feb 2026
Viewed by 260
Abstract
During the harvesting and storage of wheat, various impurities are often mixed in, which adversely affect the processing quality and food safety of wheat. Therefore, developing an efficient and accurate impurity detection method is of great importance. Terahertz (THz) imaging technology can acquire [...] Read more.
During the harvesting and storage of wheat, various impurities are often mixed in, which adversely affect the processing quality and food safety of wheat. Therefore, developing an efficient and accurate impurity detection method is of great importance. Terahertz (THz) imaging technology can acquire time-domain spectral transmission images of wheat impurities, providing more features and facilitating detection. However, due to the limitations of THz imaging system hardware and environmental factors, the acquired THz images are often contaminated with noise, resulting in blurred details and indistinct edges, which severely hinder the accurate identification of impurities. To improve the quality of THz images of wheat impurities, this study proposes an Edge-Enhanced and Feature-Fused Image Denoising Network (EEFDNet). The proposed network employs a dual-branch architecture: a denoising branch utilizing dilated convolutions to strengthen feature representation, and an edge enhancement branch designed to emphasize impurity contour information. The outputs of the two branches are integrated through a feature fusion module to effectively remove noise while preserving and enhancing structural details. Experimental results on a self-established THz image dataset of wheat impurities demonstrate that EEFDNet exhibits superior performance, with the PSNR (Peak Signal-to-Noise Ratio) and SSIM (Structural Similarity Index) reaching 32.59 dB and 0.9180, respectively, outperforming several mainstream denoising models. Moreover, the proposed method exhibits strong robustness under high-noise conditions. This study provides an effective image preprocessing approach for wheat impurity detection and establishes a solid foundation for subsequent high-precision impurity identification. Full article
(This article belongs to the Section Precision and Digital Agriculture)
Show Figures

Figure 1

Back to TopTop