Experimental Characterisation of Translucent High-Performance Concrete Tiles Incorporating Recycled Glass for Architectural Envelopes
Abstract
1. Introduction
2. Materials
2.1. Reference Concrete Components
2.2. Wasted Glass and Particle Size Distribution Characterisation
2.3. Mix Design and Proportioning of Concrete with Recycled Glass
| Materials | Mixture | |||
|---|---|---|---|---|
| REF | CGB | WCGM | ||
| Binders (kg/m3) | BL I 52.5 R White | 800 | 528 | 616 |
| Aggregates and filler (kg/m3) | Sand 0–1 | 720 | 476 | 555 |
| Hard Granite White 1–3 | 440 | 290 | 340 | |
| Limestone Powder | 200 | 132 | 154 | |
| WG aggregates (kg/m3) | CGB | - | 790 | - |
| WGB | - | - | 273 | |
| CGS | - | - | 270 | |
| Fibres (kg/m3) | AR Glass Fibres 13 mm | 28 | 18 | 22 |
| Water (L/m3) (20% Binder) | 160 | 106 | 125 | |
| Superplasticiser (SP) (L/m3) | (2.5% Binder) | 20 | 13.2 | 15.4 |
| Shrinkage-reducing adm. (SRA) (L/m3) | (1% Binder) | 8 | 5.3 | 6.2 |
| Nanosilica (kg/m3) | (5% Binder) | 40 | 26.4 | 30.8 |
| Compressive Strength (MPa) | ||||
| 7-day | 64.1 | 45.4 | 48.1 | |
| 28-day | 70.0 | 58.3 | 56.2 | |
2.4. Concrete Tile Preparation: Moulding, Cutting and Thickness Definition
3. Test Procedure
3.1. Physical and Mechanical Tests
3.1.1. Apparent Density, Water Absorption and Effective Porosity Test
3.1.2. Flexural Strength Test
3.1.3. Impact Resistance Test
3.2. Durability Test
3.2.1. Salt Crystallisation Test
3.2.2. Thermal Shock Test
3.3. Luminous Tests
3.3.1. Opaque-to-Translucent Glass Ratio Test
3.3.2. Luminous Transmittance Test
4. Results and Discussion
4.1. Physical and Mechanical Properties
4.1.1. Apparent Density, Water Absorption and Effective Porosity
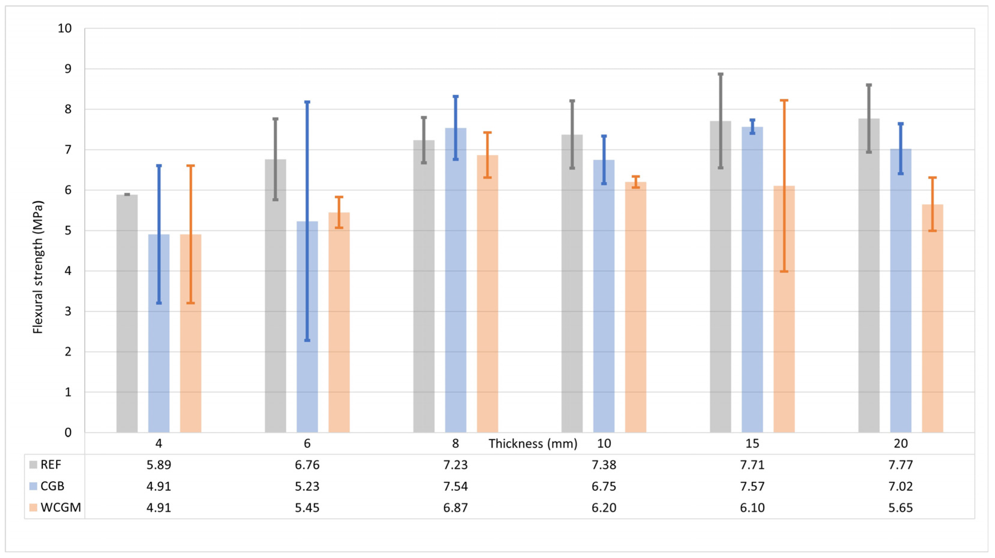
4.1.2. Flexural Strength
4.1.3. Impact Resistance
4.2. Durability Properties
4.2.1. Salt Crystallisation
4.2.2. Thermal Shock Test Results
4.3. Luminous Properties
5. Conclusions
- Minimising the component thickness is essential to reach the main goal of developing translucent concrete, reaching the 8% light transmittance that is adequate for solar filters. Focusing on this goal, the best thicknesses are of 8 mm or less, as then the aggregate size of the WG is less restrictive because it fits within the element’s cross-section. However, once the thickness exceeds 10 mm, the optical properties change significantly. Light transmittance drops off sharply with darker glass—particularly amber, brown, and green—thus effectively forcing the use of white waste glass to maintain any functional transparency.
- A minimum thickness of 8 mm is necessary to achieve the minimum acceptable mechanical and durability performance. These are a flexural strength of more than 7 MPa and mass losses inferior to 2.34%. Also, large WG aggregates are particularly problematic in thinner tiles, tending to trigger continuous failure because of a weak Interfacial Transition Zone (ITZ), which compromises the overall flexural strength. Furthermore, durability tests—specifically those involving salt crystallisation and thermal shock—confirm that the ITZ is the real bottleneck.
- There is room for improvement on the impact and flexural performance of the 8 mm wide tiles, which are the best in terms of translucency, durability and other mechanical properties, as previously concluded.
Author Contributions
Funding
Data Availability Statement
Acknowledgments
Conflicts of Interest
Abbreviations
| WG | Waste Glass |
| CGB | Colour Waste Glass Big (10–31.5 mm) |
| CGS | Colour Waste Glass Small (4–10 mm) |
| WCGM | White Waste Glass Mix |
| WGB | White Waste Glass Big (10–31.5 mm) |
| SCC | Self-Compacting Concrete |
| SP | Superplasticizer |
| PSD | Particle Size Distribution |
| HPC | High-Performance Concrete |
| EAD | European Assessment Document |
| LTC | Light-Transmitting Concrete |
| Ag,s | Surface Glass Area (%) |
| Ag,lt | Light-Transmitting Surface Glass Area (%) |
| ηlt | Light-Transmission-Efficiency Index |
| WPC | White Portland Cement |
| SCM | Supplementary Cementitious Material |
| ITZ | Interfacial Transition Zones |
| LP | Limestone Powder |
| PVB | Polyvinyl Butyral |
References
- Jayakodi, S.; Senaratne, S.; Perera, S. Circular Economy Business Model in the Construction Industry: A Systematic Review. Buildings 2024, 14, 379. [Google Scholar] [CrossRef]
- Moschen-Schimek, J.; Kasper, T.; Huber-Humer, M. Critical review of the recovery rates of construction and demolition waste in the European Union—An analysis of influencing factors in selected EU countries. Waste Manag. 2023, 167, 150–164. [Google Scholar] [CrossRef]
- Yildirim, M.; Polat, H. Building Information Modeling Applications in Energy-Efficient Refurbishment of Existing Building Stock: A Case Study. Sustainability 2023, 15, 13600. [Google Scholar] [CrossRef]
- Comisión Europea. Oleada de Renovación para Europa: Ecologizar Nuestros Edificios, Crear Empleo y Mejorar Vidas. Bruselas. 2020. Available online: https://eur-lex.europa.eu/legal-content/EN-ES/TXT/?uri=CELEX:52020DC0662 (accessed on 10 March 2026).
- Ascione, F.; Bianco, N.; Iovane, T.; Mastellone, M.; Mauro, G.M. The evolution of building energy retrofit via double-skin and responsive façades: A review. Sol. Energy 2021, 224, 703–717. [Google Scholar] [CrossRef]
- Masseck, T.; París-Viviana, O.; Habibi, S.; Pons-Valladares, O. Integrated sustainability assessment of construction waste-based shading devices for the refurbishment of obsolete educational public building stock. J. Build. Eng. 2024, 87, 109024. [Google Scholar] [CrossRef]
- Vilhena, A.; Silva, C.; Fonseca, P.; Couto, S. Exterior walls covering system to improve thermal performance and increase service life of walls in rehabilitation interventions. Constr. Build. Mater. 2017, 142, 354–362. [Google Scholar] [CrossRef]
- Martin-Goñi, P.; Avellaneda, J.; González, J.M. Energetic and Functional Rehabilitation of Residential Buildings in Europe: Analysis and Cataloguing of the Strategies Used. Buildings 2024, 14, 525. [Google Scholar] [CrossRef]
- Godakandage, R.; Weerasinghe, P.; Gamage, K.; Adnan, H.; Nguyen, K. A Systematic Review on Cavity Fires in Buildings: Flame Spread Characteristics, Fire Risks, and Safety Measures. Fire 2024, 7, 12. [Google Scholar] [CrossRef]
- Mo, X.; Pons-Valladares, O.; Donoso, S.I.O. Model to Improve Classrooms’ Visual Comfort Using Waste-Based Shading and Its Validation in Mediterranean Schools. Sustainability 2024, 16, 10176. [Google Scholar] [CrossRef]
- Lakhouit, A. Revolutionizing urban solid waste management with AI and IoT: A review of smart solutions for waste collection, sorting, and recycling. Results Eng. 2025, 25, 104018. [Google Scholar] [CrossRef]
- Alsayed, H.; Wehbi, N.; Khatib, J.; Kırgız, M.S.; El-Hassan, H. Light transmitting concrete with glass and optical fibers: A solution for sustainable buildings—A review. Mech. Compos. Mater. 2025, 61, 785–806. [Google Scholar] [CrossRef]
- Bai, J.; Zhang, W.; Tian, J.; Wu, X.; Zheng, M. Development of Optical Fiber Light-Transmitting Concrete (LTC)—A Review. Buildings 2025, 15, 104. [Google Scholar] [CrossRef]
- Al-Sodani, K.A.A. Production, Thermal, Durability, Mechanical Properties of Translucent Concrete and Its Applications in Sustainable Construction: A Review. Buildings 2025, 15, 3314. [Google Scholar] [CrossRef]
- Luhar, I.; Luhar, S.; Savva, P.; Theodosiou, A.; Petrou, M.F.; Nicolaides, D. Light transmitting concrete: A review. Buildings 2021, 11, 480. [Google Scholar] [CrossRef]
- Chiew, S.M.; Ibrahim, I.S.; Ariffin, M.A.M.; Lee, H.S.; Singh, J.K. Development and properties of light-transmitting concrete (LTC)—A review. J. Clean. Prod. 2021, 284, 124780. [Google Scholar] [CrossRef]
- Johnston, C.D. Waste Glass as Coarse Aggregate for Concrete. J. Test. Eval. 1974, 2, 344–350. [Google Scholar] [CrossRef]
- Merzbacher, C.I.; Kersey, A.D.; Friebele, E.J. Fiber optic sensors in concrete structures: A review. Smart Mater. Struct. 1996, 5, 196. [Google Scholar] [CrossRef]
- Mainini, A.G.; Poli, T.; Zinzi, M.; Cangiano, S. Spectral light transmission measure and radiance model validation of an innovative transparent concrete panel for façades. Energy Procedia 2012, 30, 1184–1194. [Google Scholar] [CrossRef]
- Spiesz, P.; Rouvas, S.; Brouwers, H.J.H. Utilization of waste glass in translucent and photocatalytic concrete. Constr. Build. Mater. 2016, 128, 436–448. [Google Scholar] [CrossRef]
- Rajabipour, F.; Giannini, E.; Dunant, C.; Ideker, J.H.; Thomas, M.D.A. Alkali-silica reaction: Current understanding of the reaction mechanisms and the knowledge gaps. Cem. Concr. Res. 2015, 76, 130–146. [Google Scholar] [CrossRef]
- Chen, J.; Poon, C.S. Photocatalytic activity of titanium dioxide modified concrete materials—Influence of utilizing recycled glass cullets as aggregates. J. Environ. Manag. 2009, 90, 3436–3442. [Google Scholar] [CrossRef]
- Han, B.; Zhang, L.; Ou, J. (Eds.) Light-Transmitting Concrete. In Smart and Multifunctional Concrete Toward Sustainable Infrastructures; Springer: Singapore, 2017; pp. 273–283. [Google Scholar] [CrossRef]
- Shenoy, A.; Nayak, G.; Tantri, A.; Shetty, K.K. Thermal transmission characteristics of plastic optical fibre embedded light transmitting concrete. Mater. Today Proc. 2022, 65, 1759–1773. [Google Scholar] [CrossRef]
- Juan, S.; Zhi, Z. Preparation and Study of Resin Translucent Concrete Products. Adv. Civ. Eng. 2019, 2019, 8196967. [Google Scholar] [CrossRef]
- Momin, A.A.; Kadiranaikar, R.B.; Jagirdar, S.; Arshad, M.; Inamdar, A. Study on Light Transmittance of Concrete Using Optical Fibers and Glass Rods. IOSR J. Mech. Civ. Eng. 2014, 67, 67–72. Available online: https://www.iosrjournals.org/iosr-jmce/papers/ICAET-2014/ce/volume-1/11.pdf (accessed on 21 January 2026).
- Muhammad, S.; Morsi, E.M.; Muhammad, N. Development, Testing, and Implementation Strategy of a Translucent Concrete-Based Smart Lane Separator for Increased Traffic Safety. J. Constr. Eng. Manag. 2017, 143, 04016129. [Google Scholar] [CrossRef]
- Kim, B. Light Transmitting Lightweight Concrete with Transparent Plastic Bar. Open Civ. Eng. J. 2017, 11, 615–626. [Google Scholar] [CrossRef]
- Pons, O.; Abt, T. Evaluation of household waste materials for façade components in primary educational workshops. Mechanical and fire properties. J. Build. Eng. 2020, 29, 101202. [Google Scholar] [CrossRef]
- Hillebrandt, A.; Riegler-Floors, P.; Rosen, A.; Seggewies, J.-K. Manual of Recycling. Building as Sources of Materials; Detail Business Information GmbH: Munich, Germany, 2018. [Google Scholar]
- Gómez-Ramió, J.; Cavalaro, S.; Aguado, A. The Trencadis Mosaic on the Pinnacles of the Sagrada Familia Cathedral. Int. J. Archit. Herit. 2015, 9, 594–604. [Google Scholar] [CrossRef][Green Version]
- Pons, O.; Habibi, S.; Peña, D. Sustainability assessment of household waste based solar control devices for workshops in primary schools. Sustainability 2018, 10, 4071. [Google Scholar] [CrossRef]
- Mansour, M.A.; Ismail, M.H.B.; Latif, Q.B.A.I.; Alshalif, A.F.; Milad, A.; Al Bargi, W.A. A Systematic Review of the Concrete Durability Incorporating Recycled Glass. Sustainability 2023, 15, 3568. [Google Scholar] [CrossRef]
- Marey, H.; Kozma, G.; Szabó, G. Green concrete materials selection for achieving circular economy in residential buildings using system dynamics. Clean. Mater. 2024, 11, 100221. [Google Scholar] [CrossRef]
- Esmaeili, J.; Ghaffarinia, M.; Nodehi, M.; Gencel, O.; Shi, J.; Ozbakkaloglu, T. Mechanical and fractural characteristics of structural lightweight fiber reinforced concrete. Struct. Concr. 2023, 24, 2420–2439. [Google Scholar] [CrossRef]
- Pagliolico, S.L.; Verso, V.R.M.L.; Torta, A.; Giraud, M.; Canonico, F.; Ligi, L. A preliminary study on light transmittance properties of translucent concrete panels with coarse waste glass inclusions. Energy Procedia 2015, 78, 1811–1816. [Google Scholar] [CrossRef]
- Qaidi, S.; Najm, H.M.; Abed, S.M.; Özkılıç, Y.O.; Al Dughaishi, H.; Alosta, M.; Sabri, M.M.S.; Alkhatib, F.; Milad, A. Concrete Containing Waste Glass as an Environmentally Friendly Aggregate: A Review on Fresh and Mechanical Characteristics. Materials 2022, 15, 6222. [Google Scholar] [CrossRef]
- Lakhouit, A. Enhancing environmental benefits through recycling glass to improve soil properties and concrete. Clean. Waste Syst. 2025, 11, 100301. [Google Scholar] [CrossRef]
- UNE-EN 12350-8; Testing Fresh Concrete Part 8: Self-Compacting Concrete Slump-Flow Test. AENOR Asociación Española de Normalización y Certificación: Madrid, Spain, 2020; p. 11.
- UNE-EN 206:2013+A2; Concrete Specification, Performance, Production and Conformity. AENOR Asociación Española de Normalización y Certificación: Madrid, Spain, 2021; p. 103.
- Abalouch, I.; Sakami, S.; Elabbassi, F.E.; Boukhattem, L. Effects of recycled fine glass aggregates on alkali silica reaction and thermo-mechanical behavior of modified concrete. Appl. Sci. 2021, 11, 9045. [Google Scholar] [CrossRef]
- Khalooee, S.; Ahmadi, B.; Askarinejad, A.; Nekooei, M. Tackling the issues of self-compacting concrete containing high volume of waste glass aggregate by zeolite. Struct. Concr. 2021, 22, E207–E227. [Google Scholar] [CrossRef]
- UNE-EN 12390-3; Testing Hardened Concrete—Part 3: Compressive Strength of Test Specimens. BSI Standards: London, UK, 2020; Volume 38, p. 18.
- UNE 83980; Durabilidad del Hormigón. Métodos de Ensayo. Determinación de la Absorción de Agua, la Densidad y la Porosidad Accesible al Agua del Hormigón. European Standards: Plzen, Czech Republic, 2014.
- UNE-EN ISO 10545-4; Ceramic Tiles. Part 4: Determination of Modulus of Rupture and Breaking Strength. ISO: Geneva, Switzerland, 2019; p. 9.
- Kits for External Wall Claddings Mechanically Fixed European Assessment Document for. 2021. Available online: https://www.eota.eu (accessed on 21 January 2026).
- UNE-EN 12370; Natural Stone Test Methods Determination of Resistance to Salt Crystallisation. European Standards: Plzen, Czech Republic, 2020; p. 10.
- UNE-EN ISO 10545-9; Ceramic tiles Part 9: Determination of Resistance to Thermal Shock. ISO: Geneva, Switzerland, 2013.
- CIE—Comission Internationale de l’Eclairage. ILV: International Lighting Vocabulary; International Commission on Illumination (CIE): Vienna, Austria, 2020. [Google Scholar] [CrossRef]
- CIE—Comission Internationale de l’Eclairage. Method of Measuring and Specifying Colour Rendering Properties of Light Sources; Commission Internationale de L’éclairage, CIE Central Bureau: Vienna, Austria, 1995. [Google Scholar]
- ISO 9050:2003; Glass in Building—Determination of Light Transmittance, Solar Direct Transmittance, Total Solar Energy Transmittance, Ultraviolet Transmittance and Related Glazing Factors. ISO: Geneva, Switzerland, 2003.
- Chandrathilaka, E.R.K.; Baduge, S.K.; Mendis, P.; Thilakarathna, P.S.M. Flexural performance of prefabricated ultra-high-strength textile reinforced concrete (UHSTRC): An experimental and analytical investigation. Buildings 2020, 10, 68. [Google Scholar] [CrossRef]
- Ichino, H.; Kuwahara, N.; Beppu, M.; Williamson, E.B.; Himi, A. Effects of the shape, size, and surface roughness of glass coarse aggregate on the mechanical properties of two-stage concrete. Constr. Build. Mater. 2024, 411, 134296. [Google Scholar] [CrossRef]
- Epure, C.; Munteanu, C.; Istrate, B.; Harja, M.; Buium, F. Applications of Recycled and Crushed Glass (RCG) as a Substitute for Natural Materials in Various Fields—A Review. Materials 2023, 16, 5957. [Google Scholar] [CrossRef]
- Çelik, A.İ.; Özkılıç, Y.O.; Zeybek, Ö.; Karalar, M.; Qaidi, S.; Ahmad, J.; Burduhos-Nergis, D.D.; Bejinariu, C. Mechanical Behavior of Crushed Waste Glass as Replacement of Aggregates. Materials 2022, 15, 8093. [Google Scholar] [CrossRef]
- Mallum, I.; Mohd, A.R.; Lim, N.H.A.S.; Omolayo, N. Sustainable Utilization of Waste Glass in Concrete: A Review. Silicon 2022, 14, 3199–3214. [Google Scholar] [CrossRef]
- Omoding, N.; Cunningham, L.S.; Lane-Serff, G.F. Effect of using recycled waste glass coarse aggregates on the hydrodynamic abrasion resistance of concrete. Constr. Build. Mater. 2021, 268, 121177. [Google Scholar] [CrossRef]
- Vintimilla, C.; Etxeberria, M.; Li, Z. Durable Structural Concrete Produced with Coarse and Fine Recycled Aggregates Using Different Cement Types. Sustainability 2023, 15, 14272. [Google Scholar] [CrossRef]
- Li, Y.; Zhang, J.; Cao, Y.; Hu, Q.; Guo, X. Design and evaluation of light-transmitting concrete (LTC) using waste tempered glass: A novel concrete for future photovoltaic road. Constr. Build. Mater. 2021, 280, 122551. [Google Scholar] [CrossRef]
- Chavez-Galan, J.; Almanza, R. Solar filters based on iron oxides used as efficient windows for energy savings. Sol. Energy 2007, 81, 13–19. [Google Scholar] [CrossRef]
- de Rosso, L.T.; de Melo, J.V.S. Impact of incorporating recycled glass on the photocatalytic capacity of paving concrete blocks. Constr. Build. Mater. 2020, 259, 119778. [Google Scholar] [CrossRef]
















| Binder and SCM | |||||||||||
|---|---|---|---|---|---|---|---|---|---|---|---|
| Type | SiO2 (%) | CaO (%) | Fe2O3 (%) | AI2O3 (%) | MgO (%) | SO3 (%) | Na2O (%) | K2O (%) | P2O5 (%) | TiO2 (%) | LOI (%) |
| WPC | 19.88 | 67.52 | 0.29 | 3.79 | 1.24 | 3.28 | 0.09 | 0.80 | 0.19 | 0.16 | 2.76 |
| LP | 0.91 | 55.89 | 0.15 | 0.37 | 0.40 | - | 0.02 | 0.07 | 0.22 | 0.06 | 41.89 |
| Admixtures | |||
|---|---|---|---|
| Type | Base | Density (kg/m3) | Recommendations |
| SP | Based on polycarboxylate ether | 1048 | 0.3–2.0% |
| SRA | Water surface tension reducer | 970 | 3.0–7.5% |
| Materials | Oven-Dried Particle (kg/m3) | Water Absorption (%) | Amount of Fine Aggregates (%) | LA Index (%) |
|---|---|---|---|---|
| Dolomitic Sand 0–1 | 2650 | 1.60 | 11.13 | - |
| Granite Sand 1–3 | 2700 | 1.00 | 0.12 | - |
| WGB | 2474 | - | 0.30 | 40 |
| CGB | 2499 | - | 0.17 | 42 |
| CGS | 2439 | - | 0.54 | 42 |
| t500 (sg) | Viscosity Class | d1 (mm) | d2 (mm) | SF (d1 + d2)/2 (mm) | Slump-Flow Class | |
|---|---|---|---|---|---|---|
| REF | 3.5 | VS2 | 810 | 790 | 800 | SF3 |
| CGB | 4.5 | VS2 | 800 | 780 | 790 | SF3 |
| WCGM | 5.0 | VS2 | 770 | 755 | 760 | SF3 |
| Code | Thickness of WG Concrete Tiles | |||||
|---|---|---|---|---|---|---|
| 4 mm | 6 mm | 8 mm | 10 mm | 15 mm | 20 mm | |
| REF | REF-4 | REF-6 | REF-8 | REF-10 | REF-15 | REF-20 |
| CGB | CGB-4 | CGB-6 | CGB-8 | CGB-10 | CGB-15 | CGB-20 |
| WCGM | WCGM-4 | WCGM-6 | WCGM-8 | WCGM-10 | WCGM-15 | WCGM-20 |
| Thickness (mm) | Dry Weight (g) | Apparent Density (kg/m3) | Accessible Porosity (%) | Water Absorption (%) | |
|---|---|---|---|---|---|
| REF | 4 | 196.85 | 2050.47 | 10.41 | 6.68 |
| 6 | 312.23 | 2168.26 | 7.20 | 4.42 | |
| 8 | 424.49 | 2210.86 | 5.66 | 3.55 | |
| 10 | 538.52 | 2243.83 | 4.86 | 2.96 | |
| 15 | 812.38 | 2256.61 | 6.27 | 3.11 | |
| 20 | 1113.54 | 2319.86 | 5.06 | 2.61 | |
| CGB | 4 | 203.41 | 2118.85 | 9.41 | 5.95 |
| 6 | 309.10 | 2146.49 | 7.77 | 4.90 | |
| 8 | 434.47 | 2262.84 | 7.38 | 4.51 | |
| 10 | 579.09 | 2412.88 | 4.93 | 3.08 | |
| 15 | 898.54 | 2495.94 | 4.32 | 3.22 | |
| 20 | 1177.24 | 2452.58 | 3.91 | 2.67 | |
| WCGM | 4 | 182.38 | 1951.82 | 10.25 | 6.55 |
| 6 | 309.10 | 2146.53 | 7.89 | 5.13 | |
| 8 | 417.72 | 2175.6 | 7.12 | 4.36 | |
| 10 | 531.22 | 2213.4 | 6.55 | 3.97 | |
| 15 | 838.27 | 2328.53 | 6.49 | 3.98 | |
| 20 | 1165.37 | 2427.85 | 5.28 | 3.19 | |
| Code | Soft-Body Impact | Category | Hard-Body Impact | Category | ||
|---|---|---|---|---|---|---|
| S1 | S2 | H1 | H2 | |||
| REF-20 | ok | ok | I | ok | 3 | IV |
| REF-15 | ok | ok | I | ok | 2 | IV |
| REF-10 | ok | ok | I | 2 | - | - |
| REF-8 | ok | 3 | - | - | - | - |
| CGB-20 | ok | ok | I | 1 | 3 | IV |
| CGB-15 | ok | ok | I | 2 | - | - |
| CGB-10 | ok | 3 | - | - | - | - |
| WCGM-20 | ok | ok | I | 3 | - | - |
| WCGM-15 | ok | 3 | - | - | - | - |
| Code | Thickness (mm) | Weight Loss (%) | St. Deviation (%) | Key Qualitative Failure Mode |
|---|---|---|---|---|
| REF | 4–8 | 0.63–2.31 | 0.92–3.96 | Small corner breaks and eroded edges. |
| CGB | 4 | 11.56 | 9.56 | Structural loss (1/4 of piece); important ITZ debonding. |
| CGB | 6–10 | 1.26–2.82 | 0.41–0.99 | Slight ITZ debonding at corners and notches. |
| WCGM | 4 | 1.8 | 0.53 | Small corner and notch spalling and eroded edges. |
| WCGM | 6–10 | 1.67–2.34 | 0.11–0.67 | Surface erosion (top face); aggregate extrusion. |
| ALL | 15–20 | 0.52–2.11 | 0.07–1.16 | Minor rounding of edges and corners. |
| Code | Thickness (mm) | Weight Lost (%) | St. Dev. (%) |
|---|---|---|---|
| REF | 4 | 4.99 | 0.80 |
| 6 | 4.02 | 0.30 | |
| 8 | 3.08 | 0.52 | |
| 10 | 1.34 | 0.43 | |
| 15 | 0.59 | 0.68 | |
| 20 | 0.54 | 0.37 | |
| CGB | 4 | 9.74 | 6.69 |
| 6 | 3.87 | 0.04 | |
| 8 | 3.20 | 0.54 | |
| 10 | 1.49 | 0.60 | |
| 15 | 1.22 | 0.28 | |
| 20 | 0.66 | 0.34 | |
| WCGM | 4 | 17.57 | 23.30 |
| 6 | 3.63 | 0.26 | |
| 8 | 3.49 | 0.38 | |
| 10 | 3.67 | 0.37 | |
| 15 | 2.14 | 0.05 | |
| 20 | 2.06 | 0.49 |
Disclaimer/Publisher’s Note: The statements, opinions and data contained in all publications are solely those of the individual author(s) and contributor(s) and not of MDPI and/or the editor(s). MDPI and/or the editor(s) disclaim responsibility for any injury to people or property resulting from any ideas, methods, instructions or products referred to in the content. |
© 2026 by the authors. Licensee MDPI, Basel, Switzerland. This article is an open access article distributed under the terms and conditions of the Creative Commons Attribution (CC BY) license.
Share and Cite
Paris-Viviana, O.; Martin-Goñi, P.; Corominas, A.; Pons-Valladares, O. Experimental Characterisation of Translucent High-Performance Concrete Tiles Incorporating Recycled Glass for Architectural Envelopes. Buildings 2026, 16, 1163. https://doi.org/10.3390/buildings16061163
Paris-Viviana O, Martin-Goñi P, Corominas A, Pons-Valladares O. Experimental Characterisation of Translucent High-Performance Concrete Tiles Incorporating Recycled Glass for Architectural Envelopes. Buildings. 2026; 16(6):1163. https://doi.org/10.3390/buildings16061163
Chicago/Turabian StyleParis-Viviana, Oriol, Paula Martin-Goñi, Andreu Corominas, and Oriol Pons-Valladares. 2026. "Experimental Characterisation of Translucent High-Performance Concrete Tiles Incorporating Recycled Glass for Architectural Envelopes" Buildings 16, no. 6: 1163. https://doi.org/10.3390/buildings16061163
APA StyleParis-Viviana, O., Martin-Goñi, P., Corominas, A., & Pons-Valladares, O. (2026). Experimental Characterisation of Translucent High-Performance Concrete Tiles Incorporating Recycled Glass for Architectural Envelopes. Buildings, 16(6), 1163. https://doi.org/10.3390/buildings16061163

