Sign in to use this feature.

Years

Between: -

Subjects

remove_circle_outline
remove_circle_outline
remove_circle_outline
remove_circle_outline
remove_circle_outline
remove_circle_outline
remove_circle_outline
remove_circle_outline
remove_circle_outline

Journals

remove_circle_outline
remove_circle_outline
remove_circle_outline
remove_circle_outline
remove_circle_outline
remove_circle_outline
remove_circle_outline
remove_circle_outline
remove_circle_outline
remove_circle_outline
remove_circle_outline
remove_circle_outline
remove_circle_outline
remove_circle_outline
remove_circle_outline
remove_circle_outline
remove_circle_outline
remove_circle_outline
remove_circle_outline
remove_circle_outline
remove_circle_outline

Article Types

Countries / Regions

remove_circle_outline
remove_circle_outline
remove_circle_outline
remove_circle_outline
remove_circle_outline
remove_circle_outline

Search Results (1,942)

Search Parameters:
Keywords = environmental interferences

Order results
Result details
Results per page
Select all
Export citation of selected articles as:
812 KB  
Proceeding Paper
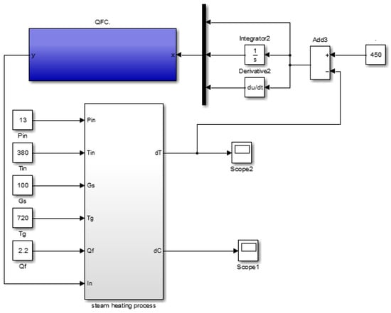
Hybrid Quantum-Fuzzy Control for Intelligent Steam Heating Management in Thermal Power Plants
by Noilakhon Yakubova, Ayhan Istanbullu, Isomiddin Siddiqov and Komil Usmanov
Eng. Proc. 2025, 117(1), 33; https://doi.org/10.3390/engproc2025117033 (registering DOI) - 26 Jan 2026
Abstract
In recent years, intelligent control of complex thermodynamic systems has gained increasing attention due to global demands for higher energy efficiency and reduced environmental impact in industrial settings. This study explores the integration of quantum control methodologies-grounded in established principles of quantum mechanics—into [...] Read more.
In recent years, intelligent control of complex thermodynamic systems has gained increasing attention due to global demands for higher energy efficiency and reduced environmental impact in industrial settings. This study explores the integration of quantum control methodologies-grounded in established principles of quantum mechanics—into the automation of thermal processes in power plant operations. Specifically, it investigates a hybrid quantum-fuzzy control system for managing steam heating processes, a critical subsystem in thermal power generation. Unlike conventional control strategies that often struggle with nonlinearity, time delays, and parameter uncertainty, the proposed method incorporates quantum-inspired optimization algorithms to enhance adaptability and robustness. The quantum component, based on recognized models of coherent control and quantum interference, is utilized to refine the inference mechanisms within the fuzzy logic framework, allowing more precise handling of state transitions in multivariable environments. A simulation model was constructed using validated physical parameters of a pilot-scale steam heating unit, and the methodology was tested against baseline scenarios with conventional proportional-integral-derivative (PID) control. Experimental protocols and statistical analysis confirmed measurable improvements: up to 25% reduction in fuel usage under specific operational conditions, with an average of 1 to 2% improvement in energy efficiency. The results suggest that quantum-enhanced intelligent control offers a feasible pathway for bridging the gap between quantum theoretical models and macroscopic thermal systems, contributing to the development of more energy-resilient industrial automation solutions. Full article
Show Figures

Figure 1

27 pages, 49730 KB  
Article
AMSRDet: An Adaptive Multi-Scale UAV Infrared-Visible Remote Sensing Vehicle Detection Network
by Zekai Yan and Yuheng Li
Sensors 2026, 26(3), 817; https://doi.org/10.3390/s26030817 - 26 Jan 2026
Abstract
Unmanned Aerial Vehicle (UAV) platforms enable flexible and cost-effective vehicle detection for intelligent transportation systems, yet small-scale vehicles in complex aerial scenes pose substantial challenges from extreme scale variations, environmental interference, and single-sensor limitations. We present AMSRDet (Adaptive Multi-Scale Remote Sensing Detector), an [...] Read more.
Unmanned Aerial Vehicle (UAV) platforms enable flexible and cost-effective vehicle detection for intelligent transportation systems, yet small-scale vehicles in complex aerial scenes pose substantial challenges from extreme scale variations, environmental interference, and single-sensor limitations. We present AMSRDet (Adaptive Multi-Scale Remote Sensing Detector), an adaptive multi-scale detection network fusing infrared (IR) and visible (RGB) modalities for robust UAV-based vehicle detection. Our framework comprises four novel components: (1) a MobileMamba-based dual-stream encoder extracting complementary features via Selective State-Space 2D (SS2D) blocks with linear complexity O(HWC), achieving 2.1× efficiency improvement over standard Transformers; (2) a Cross-Modal Global Fusion (CMGF) module capturing global dependencies through spatial-channel attention while suppressing modality-specific noise via adaptive gating; (3) a Scale-Coordinate Attention Fusion (SCAF) module integrating multi-scale features via coordinate attention and learned scale-aware weighting, improving small object detection by 2.5 percentage points; and (4) a Separable Dynamic Decoder generating scale-adaptive predictions through content-aware dynamic convolution, reducing computational cost by 48.9% compared to standard DETR decoders. On the DroneVehicle dataset, AMSRDet achieves 45.8% mAP@0.5:0.95 (81.2% mAP@0.5) at 68.3 Frames Per Second (FPS) with 28.6 million (M) parameters and 47.2 Giga Floating Point Operations (GFLOPs), outperforming twenty state-of-the-art detectors including YOLOv12 (+0.7% mAP), DEIM (+0.8% mAP), and Mamba-YOLO (+1.5% mAP). Cross-dataset evaluation on Camera-vehicle yields 52.3% mAP without fine-tuning, demonstrating strong generalization across viewpoints and scenarios. Full article
(This article belongs to the Special Issue AI and Smart Sensors for Intelligent Transportation Systems)
Show Figures

Figure 1

22 pages, 7222 KB  
Article
Cadmium Impairs Human GnRH Neuron Development: Mechanistic Insights into Reproductive Dysfunction
by Giulia Guarnieri, Jacopo J. V. Branca, Rachele Garella, Letizia Lazzerini, Flavia Mencarelli, Francesco Palmieri, Paolo Comeglio, Matteo Becatti, Mario Maggi, Massimo Gulisano, Alessandra Pacini, Roberta Squecco and Annamaria Morelli
Int. J. Mol. Sci. 2026, 27(3), 1221; https://doi.org/10.3390/ijms27031221 (registering DOI) - 26 Jan 2026
Abstract
There is increasing evidence that exposure to environmental toxicants may impact fertility, especially during critical windows of reproductive axis development. Hypothalamic gonadotropin-releasing hormone (GnRH) neurons, essential for puberty onset and fertility, originate from the olfactory placode and migrate toward the hypothalamus during development, [...] Read more.
There is increasing evidence that exposure to environmental toxicants may impact fertility, especially during critical windows of reproductive axis development. Hypothalamic gonadotropin-releasing hormone (GnRH) neurons, essential for puberty onset and fertility, originate from the olfactory placode and migrate toward the hypothalamus during development, making them particularly vulnerable to environmental insults. Cadmium (Cd), a widespread heavy metal, is well known for its gonadotoxicity, but its impact on human hypothalamic neuron development remains unclear. Using human fetal GnRH neuroblasts (FNCB4) we investigated the effects of Cd exposure on their morpho-functional and developmental features. Cd induced oxidative stress and COX2 mRNA upregulation, indicative of inflammatory pathway activation, which was accompanied by reduced cell migration and downregulation of motility-related genes. These effects were associated with F-actin disassembly and altered expression of adhesion molecules. Electrophysiological analyses showed that Cd altered membrane potential, increased capacitance and permeability, and disrupted gap junctional communication, as also confirmed by connexin-43 delocalization. Moreover, Cd significantly reduced the expression of specific GnRH neuronal markers, suggesting impaired functional maturation. Overall, our findings provide the first evidence that Cd may interfere with mechanisms crucially involved in human GnRH neuron development, adding new mechanistic insights into the comprehension of how early-life exposure to Cd may contribute to fertility concerns. Full article
(This article belongs to the Special Issue Molecular Mechanisms and Pathways Involved in Toxicant-Induced Stress)
Show Figures

Figure 1

19 pages, 321 KB  
Review
Spray-Applied RNA Interference Biopesticides: Mechanisms, Technological Advances, and Challenges Toward Sustainable Pest Management
by Xiang Li, Hang Lu, Chenchen Zhao and Qingbo Tang
Horticulturae 2026, 12(2), 137; https://doi.org/10.3390/horticulturae12020137 - 26 Jan 2026
Abstract
Spray-induced gene silencing (SIGS) represents a transformative paradigm in sustainable pest management, utilizing the exogenous application of double-stranded RNA (dsRNA) to achieve sequence-specific silencing of essential genes in arthropod pests. Unlike transgenic approaches, sprayable RNA interference (RNAi) biopesticides offer superior versatility across crop [...] Read more.
Spray-induced gene silencing (SIGS) represents a transformative paradigm in sustainable pest management, utilizing the exogenous application of double-stranded RNA (dsRNA) to achieve sequence-specific silencing of essential genes in arthropod pests. Unlike transgenic approaches, sprayable RNA interference (RNAi) biopesticides offer superior versatility across crop systems, flexible application timing, and a more favorable regulatory and public acceptance profile. The 2023 U.S. EPA registration of Ledprona, the first sprayable dsRNA biopesticide targeting Leptinotarsa decemlineata, marks a significant milestone toward the commercialization of non-transformative RNAi technologies. Despite the milestone, large-scale field deployment faces critical bottlenecks, primarily environmental instability, enzymatic degradation by nucleases, and variable cellular uptake across pest taxa. This review critically analyzes the mechanistic basis of spray-applied RNAi and synthesizes the recent technological breakthroughs designed to overcome physiological and environmental barriers. We highlight advanced delivery strategies, including nuclease inhibitor co-application, liposome encapsulation, and nanomaterial-based formulations that enhance persistence on plant foliage and uptake efficiency. Furthermore, we discuss how innovations in microbial fermentation have drastically reduced synthesis costs, rendering industrial-scale production economically viable. Finally, we outline the roadmap for broad adoption, addressing essential factors such as biosafety assessment, environmental fate, resistance management protocols, and the path toward cost-effective manufacturing. Full article
27 pages, 101543 KB  
Article
YOLO-WL: A Lightweight and Efficient Framework for UAV-Based Wildlife Detection
by Chang Liu, Peng Wang, Yunping Gong and Anyu Cheng
Sensors 2026, 26(3), 790; https://doi.org/10.3390/s26030790 - 24 Jan 2026
Viewed by 65
Abstract
Accurate wildlife detection in Unmanned Aerial Vehicle (UAV)-captured imagery is crucial for biodiversity conservation, yet it remains challenging due to the visual similarity of species, environmental disturbances, and the small size of target animals. To address these challenges, this paper introduces YOLO-WL, a [...] Read more.
Accurate wildlife detection in Unmanned Aerial Vehicle (UAV)-captured imagery is crucial for biodiversity conservation, yet it remains challenging due to the visual similarity of species, environmental disturbances, and the small size of target animals. To address these challenges, this paper introduces YOLO-WL, a wildlife detection algorithm specifically designed for UAV-based monitoring. First, a Multi-Scale Dilated Depthwise Separable Convolution (MSDDSC) module, integrated with the C2f-MSDDSC structure, expands the receptive field and enriches semantic representation, enabling reliable discrimination of species with similar appearances. Next, a Multi-Scale Large Kernel Spatial Attention (MLKSA) mechanism adaptively highlights salient animal regions across different spatial scales while suppressing interference from vegetation, terrain, and lighting variations. Finally, a Shallow-Spatial Alignment Path Aggregation Network (SSA-PAN), combined with a Spatial Guidance Fusion (SGF) module, ensures precise alignment and effective fusion of multi-scale shallow features, thereby improving detection accuracy for small and low-resolution targets. Experimental results on the WAID dataset demonstrate that YOLO-WL outperforms existing state-of-the-art (SOTA) methods, achieving 94.2% mAP@0.5 and 58.0% mAP@0.5:0.95. Furthermore, evaluations on the Aerial Sheep and AI-TOD datasets confirm YOLO-WL’s robustness and generalization ability across diverse ecological environments. These findings highlight YOLO-WL as an effective tool for enhancing UAV-based wildlife monitoring and supporting ecological conservation practices. Full article
(This article belongs to the Section Intelligent Sensors)
16 pages, 2575 KB  
Article
Analysis of Pre-Seismic Disturbances Based on Dynamic Variations in Gravity Solid Tide Amplitude Factors
by Zheng Mu, Xiaoqing Su, Kai Chang and Yaxin Zhao
Geosciences 2026, 16(2), 53; https://doi.org/10.3390/geosciences16020053 - 23 Jan 2026
Viewed by 138
Abstract
Pre-seismic anomalies in solid tidal factors can reveal crustal stress accumulation and predict seismic risk; such disturbance signals associated with earthquake incubation are extremely subtle and easily obscured by environmental noise, instrument errors, and other interference factors, placing heightened demands on the precision [...] Read more.
Pre-seismic anomalies in solid tidal factors can reveal crustal stress accumulation and predict seismic risk; such disturbance signals associated with earthquake incubation are extremely subtle and easily obscured by environmental noise, instrument errors, and other interference factors, placing heightened demands on the precision of gravity data acquisition and the capability to detect and isolate solid tidal signals effectively. In this paper, we propose a novel method for determining time-varying solid tidal factors based on the normal time–frequency transform (NTFT) theory, an approach allowing us to unbiasedly determine the instantaneous amplitude, frequency, and phase of time-varying signals, while mitigating the influence of edge effects to a certain extent. In the study outlined in this paper, we first design simulation experiments to validate the effectiveness of the new method. Subsequently, utilising high-precision superconducting gravimeter observation data, the proposed method is applied to the detection of pre-seismic disturbances preceding the 2004 Sumatra megathrust earthquake. Our results demonstrate that, compared to traditional harmonic analysis methods, this novel approach more accurately filters out interference signals, effectively captures the faint pre-seismic perturbations of solid tides, and significantly enhances the timeliness of pre-seismic disturbance detection, thus providing more reliable technical support for earthquake precursor monitoring. Full article
Show Figures

Figure 1

24 pages, 2780 KB  
Article
Smart Monitoring System for Bolt Fastening and Loosening Detection in Ground Equipment Assembly
by Wen-Chun Lan and Hwi-Ming Wang
Appl. Sci. 2026, 16(3), 1153; https://doi.org/10.3390/app16031153 - 23 Jan 2026
Viewed by 57
Abstract
This study presents the design, implementation, and experimental validation of an integrated fastening monitoring platform for vehicle ground equipment, aimed at supporting structural maintenance and operational safety. Rather than introducing a fundamentally new sensing principle, the work focuses on the system-level integration and [...] Read more.
This study presents the design, implementation, and experimental validation of an integrated fastening monitoring platform for vehicle ground equipment, aimed at supporting structural maintenance and operational safety. Rather than introducing a fundamentally new sensing principle, the work focuses on the system-level integration and verification of existing sensing, communication, and control technologies for reliable bolt loosening detection and torque-controlled pneumatic fastening. The proposed platform consists of a Smart Control Gateway (SCG), a Signal Transducer Socket (STS), and a Smart Washer Set (SWS), incorporating smart nuts and clamping-force sensing washers for M50 and M35 bolts. Sub-GHz wireless RF communication and wired RS-485 transmission are employed to provide scalable and robust connectivity among system components. The SCG hardware and firmware are fully implemented and verified, enabling continuous acquisition and transmission of fastening-state data. Experimental evaluations include functional verification, mechanical integration tests, and durability assessments. The smart washers demonstrate stable sensing performance over 100 assembly and disassembly cycles without observable degradation. The STS is validated through 200,000 impact cycles under intermittent loading conditions (3 s impact, 3 s pause), confirming its suitability for repeated industrial operation. Real-time data transmission tests verify the system’s capability to detect bolt loosening events induced by vibration or external interference. The results indicate that the proposed platform provides a practical and reliable solution for fastening-state monitoring in safety-relevant ground equipment. This work contributes validated engineering evidence for deploying integrated smart fastening systems in industrial maintenance applications and establishes a foundation for future studies on environmental robustness, false-alarm characterization, and real-time performance guarantees. Full article
(This article belongs to the Special Issue Smart Manufacturing and Industry 4.0: 3rd Edition)
20 pages, 2413 KB  
Article
Modeling and Optimization of NLOS Underwater Optical Channels Using QAM-OFDM Technique
by Noor Abdulqader Hamdullah, Mesut Çevik, Hameed Mutlag Farhan and İzzet Paruğ Duru
Photonics 2026, 13(1), 99; https://doi.org/10.3390/photonics13010099 (registering DOI) - 22 Jan 2026
Viewed by 19
Abstract
Due to increasing human activities underwater, there is a growing demand for high-speed underwater optical communication (UOWC) data links for security surveillance, environmental monitoring, pipeline inspection, and other applications. Line-of-sight communication is impossible under certain conditions due to misalignment, physical obstructions, irregular usage, [...] Read more.
Due to increasing human activities underwater, there is a growing demand for high-speed underwater optical communication (UOWC) data links for security surveillance, environmental monitoring, pipeline inspection, and other applications. Line-of-sight communication is impossible under certain conditions due to misalignment, physical obstructions, irregular usage, and difficulty adjusting the receiver orientation, especially when used in environments with mobile users or submerged sensor networks. Therefore, non-line-of-sight (NLOS) optical communication is used in this study. Advanced modulation schemes—quadrature amplitude modulation and orthogonal frequency-division multiplexing (QAM-OFDM)—were used to transmit the signal underwater between two network nodes. QAM increases the data transfer rate, while OFDM reduces dispersion and inter-symbol interference (ISI). The proposed UOWC system is investigated using a 532 nm green laser diode (LD). Reliable high-speed data transmission of up to 15 Gbps is achieved over horizontal distances of 134 m, 43 m, 21 m, and 5 m in four different aquatic environments—pure water (PW), clear ocean (CLO), coastal ocean (COO), and harbor II (HarII), respectively. The system achieves effectively error-free performance within the simulation duration (BER < 10−9), with a received optical signal power of approximately −41.5 dBm. Clear constellation patterns and low BER values are observed, confirming the robustness of the proposed architecture. Despite the limitations imposed by non-line-of-sight (NLOS) communication and the diversity aquatic environments, our proposed architecture excels at underwater long-distance data transmission at high speeds. Full article
(This article belongs to the Section Optical Communication and Network)
Show Figures

Figure 1

17 pages, 1748 KB  
Review
Next-Generation Biopesticides for the Control of Fungal Plant Pathogens
by Younes Rezaee Danesh, Nurhan Keskin, Solmaz Najafi, Harlene Hatterman-Valenti and Ozkan Kaya
Plants 2026, 15(2), 312; https://doi.org/10.3390/plants15020312 - 20 Jan 2026
Viewed by 196
Abstract
This review explores the innovative approaches in the development of next-generation biopesticides, focusing on molecular and microbial strategies for effective control of fungal plant pathogens. As agricultural practices increasingly seek sustainable solutions to combat plant diseases, biopesticides have emerged as a promising alternative [...] Read more.
This review explores the innovative approaches in the development of next-generation biopesticides, focusing on molecular and microbial strategies for effective control of fungal plant pathogens. As agricultural practices increasingly seek sustainable solutions to combat plant diseases, biopesticides have emerged as a promising alternative to chemical pesticides, offering reduced environmental impact and enhanced safety for non-target organisms. The review begins by outlining the critical role of fungal pathogens in global agriculture, emphasizing the need for novel control methods that can mitigate their detrimental effects on crop yields. Key molecular strategies discussed include the use of genetic engineering to enhance the efficacy of biopesticides, the application of RNA interference (RNAi) techniques to target specific fungal genes, and the development of bioactive compounds derived from natural sources. Additionally, this review highlights the potential of microbial agents, such as beneficial bacteria and fungi, in establishing biocontrol mechanisms that promote plant health and resilience. Through a comprehensive review of recent studies and advancements in the field, this manuscript illustrates how integrating molecular and microbial strategies can lead to the development of effective biopesticides tailored to combat specific fungal threats. The implications of these strategies for sustainable agriculture are discussed, alongside the challenges and future directions for research and implementation. Ultimately, this review aims to provide a thorough understanding of the transformative potential of next-generation biopesticides in the fight against fungal plant pathogens, contributing to the broader goal of sustainable food production. Full article
(This article belongs to the Special Issue Biopesticides for Plant Protection)
Show Figures

Figure 1

29 pages, 7700 KB  
Article
Secure and Decentralised Swarm Authentication Using Hardware Security Primitives
by Sagir Muhammad Ahmad and Barmak Honarvar Shakibaei Asli
Electronics 2026, 15(2), 423; https://doi.org/10.3390/electronics15020423 - 18 Jan 2026
Viewed by 194
Abstract
Autonomous drone swarms are increasingly deployed in critical domains such as infrastructure inspection, environmental monitoring, and emergency response. While their distributed operation enables scalability and resilience, it also introduces new vulnerabilities, particularly in authentication and trust establishment. Conventional cryptographic solutions, including public key [...] Read more.
Autonomous drone swarms are increasingly deployed in critical domains such as infrastructure inspection, environmental monitoring, and emergency response. While their distributed operation enables scalability and resilience, it also introduces new vulnerabilities, particularly in authentication and trust establishment. Conventional cryptographic solutions, including public key infrastructures (PKI) and symmetric key protocols, impose computational and connectivity requirements unsuited to resource-constrained and external infrastructure-free swarm deployments. In this paper, we present a decentralized authentication scheme rooted in hardware security primitives (HSPs); specifically, Physical Unclonable Functions (PUFs) and True Random Number Generators (TRNGs). The protocol leverages master-initiated token broadcasting, iterative HSP seed evolution, randomized response delays, and statistical trust evaluation to detect cloning, replay, and impersonation attacks without reliance on centralized authorities or pre-distributed keys. Simulation studies demonstrate that the scheme achieves lightweight operation, rapid anomaly detection, and robustness against wireless interference, making it well-suited for real-time swarm systems. Full article
(This article belongs to the Special Issue Unmanned Aircraft Systems with Autonomous Navigation, 2nd Edition)
Show Figures

Figure 1

20 pages, 3982 KB  
Article
AI-Driven Decimeter-Level Indoor Localization Using Single-Link Wi-Fi: Adaptive Clustering and Probabilistic Multipath Mitigation
by Li-Ping Tian, Chih-Min Yu, Li-Chun Wang and Zhizhang (David) Chen
Sensors 2026, 26(2), 642; https://doi.org/10.3390/s26020642 - 18 Jan 2026
Viewed by 142
Abstract
This paper presents an Artificial Intelligence (AI)-driven framework for high-precision indoor localization using single-link Wi-Fi channel state information (CSI), targeting real-time deployment in complex multipath environments. To overcome challenges such as signal distortion and environmental dynamics, the proposed system integrates adaptive and unsupervised [...] Read more.
This paper presents an Artificial Intelligence (AI)-driven framework for high-precision indoor localization using single-link Wi-Fi channel state information (CSI), targeting real-time deployment in complex multipath environments. To overcome challenges such as signal distortion and environmental dynamics, the proposed system integrates adaptive and unsupervised intelligence modules into the localization pipeline. A refined two-stage time-of-flight (TOF) estimation method is introduced, combining a minimum-norm algorithm with a probability-weighted refinement mechanism that improves ranging accuracy under non-line-of-sight (NLOS) conditions. Simultaneously, an adaptive parameter-tuned DBSCAN algorithm is applied to angle-of-arrival (AOA) sequences, enabling unsupervised spatio-temporal clustering for stable direction estimation without requiring prior labels or environmental calibration. These AI-enabled components allow the system to dynamically suppress multipath interference, eliminate positioning ambiguity, and maintain robustness across diverse indoor layouts. Comprehensive experiments conducted on the Widar2.0 dataset demonstrate that the proposed method achieves decimeter-level accuracy with an average localization error of 0.63 m, outperforming existing methods such as “Widar2.0” and “Dynamic-MUSIC” in both accuracy and efficiency. This intelligent and lightweight architecture is fully compatible with commodity Wi-Fi hardware and offers significant potential for real-time human tracking, smart building navigation, and other location-aware AI applications. Full article
(This article belongs to the Special Issue Sensors for Indoor Positioning)
Show Figures

Figure 1

35 pages, 3457 KB  
Review
Silver Nanoparticles in Antibacterial Research: Mechanisms, Applications, and Emerging Perspectives
by Hasan Karataş, Furkan Eker, Emir Akdaşçi, Mikhael Bechelany and Sercan Karav
Int. J. Mol. Sci. 2026, 27(2), 927; https://doi.org/10.3390/ijms27020927 - 16 Jan 2026
Viewed by 174
Abstract
Silver nanoparticles (AgNPs) possess distinct physicochemical characteristics and demonstrate high antibacterial potential that highlights them as promising alternatives against a wide range of pathogens. The immense antibacterial potential of AgNPs is primarily attributed to the release of silver ions that lead to the [...] Read more.
Silver nanoparticles (AgNPs) possess distinct physicochemical characteristics and demonstrate high antibacterial potential that highlights them as promising alternatives against a wide range of pathogens. The immense antibacterial potential of AgNPs is primarily attributed to the release of silver ions that lead to the disruption of bacterial cell membrane, generation of reactive oxygen species (ROS), inhibition of protein synthesis and interference with DNA replication. Variations in AgNPs’ shape, size, and surface characteristics are also considered key factors determining their effectivity as well as specificity. AgNPs are considered potent antibacterial agents, including against antibiotic- and drug-resistant strains. However, inappropriate dosages or unoptimized application of may result in potential toxicity, consisting one of the main drawbacks of the AgNPs’ safer administration. This article reviews the recent literature on the antibacterial potential of AgNPs, focusing on their broad mechanisms of action, applicability, especially in agriculture, biomedical and environmental fields, toxicity and future perspectives. Full article
(This article belongs to the Special Issue Innovative Nanomaterials from Functional Molecules)
Show Figures

Figure 1

38 pages, 4734 KB  
Article
Robust Disturbance-Response Feature Modeling and Multi-Perspective Validation of Compensation Capacitor Signals
by Tongdian Wang and Pan Wang
Mathematics 2026, 14(2), 316; https://doi.org/10.3390/math14020316 - 16 Jan 2026
Viewed by 146
Abstract
In high-speed railways, the reliability of jointless track circuits largely hinges on the operational integrity of compensation capacitors. These capacitors are periodically installed along the track to mitigate rail inductive impedance and stabilize signal transmission. The induced voltage response, referred to as the [...] Read more.
In high-speed railways, the reliability of jointless track circuits largely hinges on the operational integrity of compensation capacitors. These capacitors are periodically installed along the track to mitigate rail inductive impedance and stabilize signal transmission. The induced voltage response, referred to as the compensation-capacitor signal, serves as a critical diagnostic indicator of circuit health. Yet it is often distorted by electromagnetic interference and structural resonance, posing significant challenges for robust feature extraction. To address this challenge, we propose a Disturbance-Robust Feature Distillation (DRFD) framework that performs multi-perspective modeling and validation of robust features. The framework formulates a unified multi-objective optimization model that jointly considers statistical significance, environmental stability, and structural separability. These objectives are harmonized through an adaptive Bayesian weighting mechanism, enabling automatic identification of disturbance-resistant and discriminative features under complex operating conditions. Experimental evaluations on real-world datasets collected at a 100 kHz sampling rate from roadbed, tunnel, and bridge environments demonstrate that the DRFD framework achieves 96.2% accuracy and 95.4% F1-score, outperforming the best-performing baseline by 4.2–7.8% in accuracy and 6.5% in F1-score. Moreover, the framework achieves the lowest cross-condition relative variance (RV < 0.015), confirming its high robustness against electromagnetic and structural disturbances. The extracted core features—Root Mean Square (RMS), Peak Factor (PF), and Center Frequency (CF)—faithfully capture the intrinsic electromagnetic behaviors of compensation capacitors, thus linking statistical robustness with physical interpretability for enhanced reliability assessment of railway signal systems. Full article
Show Figures

Figure 1

32 pages, 1920 KB  
Review
A Comparative Evaluation of Soil Amendments in Mitigating Soil Salinization and Modifying Geochemical Processes in Arid Land
by Amira Batool, Kun Zhang, Fakher Abbas, Arslan Akhtar and Jiefei Mao
Agronomy 2026, 16(2), 222; https://doi.org/10.3390/agronomy16020222 - 16 Jan 2026
Viewed by 206
Abstract
Salinization is a growing global problem, particularly in arid and semi-arid areas, where salt concentration interferes with the soil structure, altering natural cycling, decreasing agricultural outputs, and threatening food security. Although many soil amendments have been studied, there is still a limited understanding [...] Read more.
Salinization is a growing global problem, particularly in arid and semi-arid areas, where salt concentration interferes with the soil structure, altering natural cycling, decreasing agricultural outputs, and threatening food security. Although many soil amendments have been studied, there is still a limited understanding of their interaction with soil after mixture application and the geochemical processes and long-term sustainability that govern their effects. To address this knowledge gap, this review elucidated the effectiveness and sustainability of soil amendments, biochar, humic substances, and mineral additives in restoring saline and sodic soils of arid and semi-arid region to explore the geochemical processes that underlie their impact. A systematic search of 174 peer-reviewed studies was conducted across multiple databases (Web of Science, Google Scholar, and Scopus) using relevant keywords and the findings were converted into quantitative values to evaluate the effects of biochar, gypsum, zeolite, and humic substances on key soil properties. Biochar significantly improved cation exchange capacity, nutrient retention, microbial activity, and water retention by enhancing soil porosity and capillarity, thereby increasing plant-available water. Gypsum improved phosphorus availability, while zeolite facilitated the removal of sodium and supported microbial activity. Humic substances enhanced soil porosity, water retention, and aggregate stability. When applied together, these amendments improved soil health by regulating salinity, enhancing nutrient cycling, while also stabilizing soil conditions and ensuring long-term sustainability through improved geochemical balance and reduced environmental impacts. The findings highlight the critical role of multi-functional amendments in promoting climate-resilient agriculture and long-term soil health restoration in saline-degraded regions. Further research and field implementation are crucial to optimize their effectiveness and ensure sustainable soil management across diverse agricultural environments. Full article
Show Figures

Figure 1

27 pages, 12605 KB  
Article
YOLOv11n-CGSD: Lightweight Detection of Dairy Cow Body Temperature from Infrared Thermography Images in Complex Barn Environments
by Zhongwei Kang, Hang Song, Hang Xue, Miao Wu, Derui Bao, Chuang Yan, Hang Shi, Jun Hu and Tomas Norton
Agriculture 2026, 16(2), 229; https://doi.org/10.3390/agriculture16020229 - 15 Jan 2026
Viewed by 201
Abstract
Dairy cow body temperature is a key physiological indicator that reflects metabolic level, immune status, and environmental stress responses, and it has been widely used for early disease recognition. Infrared thermography (IRT), as a non-contact imaging technique capable of remotely acquiring the surface [...] Read more.
Dairy cow body temperature is a key physiological indicator that reflects metabolic level, immune status, and environmental stress responses, and it has been widely used for early disease recognition. Infrared thermography (IRT), as a non-contact imaging technique capable of remotely acquiring the surface radiation temperature distribution of animals, is regarded as a powerful alternative to traditional temperature measurement methods. Under practical cowshed conditions, IRT images of dairy cows are easily affected by complex background interference and generally suffer from low resolution, poor contrast, indistinct boundaries, weak structural perception, and insufficient texture information, which lead to significant degradation in target detection and temperature extraction performance. To address these issues, a lightweight detection model named YOLOv11n-CGSD is proposed for dairy cow IRT images, aiming to improve the accuracy and robustness of region of interest (ROI) detection and body temperature extraction under complex background conditions. At the architectural level, a C3Ghost lightweight module based on the Ghost concept is first constructed to reduce redundant feature extraction while lowering computational cost and enhancing the network capability for preserving fine-grained features during feature propagation. Subsequently, a space-to-depth convolution module is introduced to perform spatial rearrangement of feature maps and achieve channel compression via non-strided convolution, thereby improving the sensitivity of the model to local temperature variations and structural details. Finally, a dynamic sampling mechanism is embedded in the neck of the network, where the upsampling and scale alignment processes are adaptively driven by feature content, enhancing the model response to boundary temperature changes and weak-texture regions. Experimental results indicate that the YOLOv11n-CGSD model can effectively shift attention from irrelevant background regions to ROI contour boundaries and increase attention coverage within the ROI. Under complex IRT conditions, the model achieves P, R, and mAP50 values of 89.11%, 86.80%, and 91.94%, which represent improvements of 3.11%, 5.14%, and 4.08%, respectively, compared with the baseline model. Using Tmax as the temperature extraction parameter, the maximum error (Max. Error) and mean error (MAE. Error) in the lower udder region are reduced by 33.3% and 25.7%, respectively, while in the around the anus region, the Max. Error and MAE. Error are reduced by 87.5% and 95.0%, respectively. These findings demonstrate that, under complex backgrounds and low-quality IRT imaging conditions, the proposed model achieves lightweight and high-performance detection for both lower udder (LU) and around the anus (AA) regions and provides a methodological reference and technical support for non-contact body temperature measurement of dairy cows in practical cowshed production environments. Full article
(This article belongs to the Section Farm Animal Production)
Show Figures

Figure 1

Back to TopTop