Sign in to use this feature.

Years

Between: -

Subjects

remove_circle_outline
remove_circle_outline
remove_circle_outline
remove_circle_outline
remove_circle_outline
remove_circle_outline
remove_circle_outline
remove_circle_outline
remove_circle_outline

Journals

Article Types

Countries / Regions

remove_circle_outline
remove_circle_outline
remove_circle_outline
remove_circle_outline
remove_circle_outline

Search Results (112)

Search Parameters:
Keywords = dynamic phasor

Order results
Result details
Results per page
Select all
Export citation of selected articles as:
26 pages, 2823 KB  
Article
A Unified Online Assessment Framework for Pre-Fault and Post-Fault Dynamic Security
by Xin Li, Rongkun Shang, Qiao Zhao, Yaowei Zhang, Jingru Liu, Changjie Wu and Panfeng Guo
Energies 2026, 19(3), 673; https://doi.org/10.3390/en19030673 - 27 Jan 2026
Viewed by 237
Abstract
With the expansion of interconnection in power systems and the extensive adoption of phasor measurement units (PMUs), the secure operation of power systems has been increasingly covered in research. In this article, a unified online framework for pre-fault and post-fault dynamic security assessment [...] Read more.
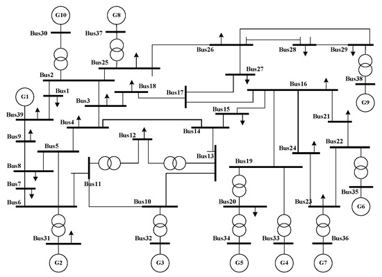
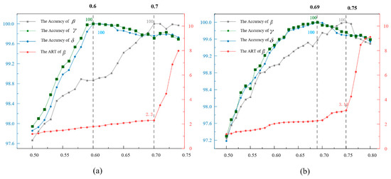
With the expansion of interconnection in power systems and the extensive adoption of phasor measurement units (PMUs), the secure operation of power systems has been increasingly covered in research. In this article, a unified online framework for pre-fault and post-fault dynamic security assessment (DSA) is proposed. First, maximum mutual information (MIC) and the random subspace method (RSM) are employed to select the key variables and enhance the diversity of input data, serving as feature engineering. Then, a deep forest (DF) regressor and classifier are utilized respectively to predict security margin (SM) and security state (SS) during online pre-fault and post-fault DSA based on the selected variables. In pre-fault DSA, scenarios with high SM are identified as stable, while those with low SM are forwarded to post-fault DSA. In addition, a time self-adaptive scheme is employed to balance low response time and high prediction accuracy. This approach prevents the misclassification of unstable scenarios as stable by either outputting high-credibility predictions of unstable SS or deferring decisions on SS until the end of the decision-making period. The unified framework, tested on an IEEE 39-bus system and a practical 1648-bus system provided by the PSS/E version 35 software, demonstrates significantly improved assessment accuracy and response times. Specifically, it achieves an average response time (ART) of 2.66 cycles for the IEEE 39-bus system and 3.13 cycles for the 1648-bus system while maintaining an accuracy exceeding 98%, surpassing the performance of currently widely used deep learning models. Full article
Show Figures

Figure 1

32 pages, 3300 KB  
Article
Detection, Discrimination, and Localization of Rotor Winding Faults in Doubly Fed Induction Generators Using a Three-Layer ZSC–CASI–CADI Framework
by Muhammad Shahzad Aziz, Jianzhong Zhang, Sarvarbek Ruzimov, Xu Huang and Anees Ahmad
Sensors 2026, 26(1), 273; https://doi.org/10.3390/s26010273 - 1 Jan 2026
Viewed by 475
Abstract
Reliable detection of the rotor winding faults in the doubly fed induction generator (DFIG) is crucial for the resilience of the variable speed energy systems. High-resistance connection (HRC) and inter-turn short circuit (ITSC) faults cause current distortions that are remarkably similar, and the [...] Read more.
Reliable detection of the rotor winding faults in the doubly fed induction generator (DFIG) is crucial for the resilience of the variable speed energy systems. High-resistance connection (HRC) and inter-turn short circuit (ITSC) faults cause current distortions that are remarkably similar, and the rapid rotor side dynamics and the DFIG multimode operation ability also make fault diagnosis more difficult. This paper proposes a three-layer diagnostic framework named ZSC-CASI-CADI which leverages three-phase rotor currents in conjunction with rotor zero-sequence current (ZSC) for comprehensive rotor winding fault diagnosis. Fault detection is realized through ZSC magnitude and the Cosine Angle Spread Indicator (CASI) enables the strong discrimination between HRC and ITSC faults using the dispersion of rotor current phasors from the ZSC reference. Fault localization is achieved using the Current Angle Difference Indicator (CADI), which determines the faulty rotor phase through the angular deviations in rotor currents from the ZSC. The methodology is verified with extensive simulation results to demonstrate the accurate, real-time fault detection, discrimination, and localization of DFIG rotor winding faults under different load and rotor speed conditions including sub-synchronous and super-synchronous modes. The results show that the proposed framework provides a light and effective solution for rotor winding fault monitoring of the DFIG systems. Full article
(This article belongs to the Special Issue Feature Papers in Fault Diagnosis & Sensors 2025)
Show Figures

Figure 1

19 pages, 518 KB  
Article
A Load Margin Calculation Method Using a Physics-Informed Neural Network
by Murilo Eduardo Casteroba Bento
Appl. Sci. 2025, 15(23), 12396; https://doi.org/10.3390/app152312396 - 21 Nov 2025
Viewed by 587
Abstract
The development of new tools to assist the system operator has been crucial in modern power systems due to the system complexity and operational challenges. Among these tools, the system’s load margin, which indicates the maximum load level allowed without instability occurring, stands [...] Read more.
The development of new tools to assist the system operator has been crucial in modern power systems due to the system complexity and operational challenges. Among these tools, the system’s load margin, which indicates the maximum load level allowed without instability occurring, stands out. The physical characteristics of the modern power system in the stability threshold condition and the abundant data from Phasor Measurement Units (PMUs) can be used by machine learning techniques to predict the load margins of power systems. This paper proposes a new Physics-Informed Neural Network for computing the precise value of the load margin of power systems equipped with PMUs adopting experimental and physical knowledge in the training process through three loss functions. A PMU allocation procedure is applied to reduce the number of PINN entries. Case studies applying the proposed PINN are performed on the IEEE 68-bus system, and comparative analyses are conducted with traditional Artificial Neural Networks (ANNs), Graph Neural Networks (GNNs) and Physics-Guided Neural Networks (PGNNs). Results show better Root Mean Square Error values for the proposed PINN compared to the ANN, GNN and PGNN for different numbers of PMUs allocated in the test system. Full article
Show Figures

Figure 1

15 pages, 1709 KB  
Article
Research on Flexible Mutual Aid Control Strategy of Interconnected Transformer Area Based on Distributed Power Flow Controller
by Lin Jiang, Bo Fu, Canbin Wang and Yanan Fei
Electronics 2025, 14(22), 4462; https://doi.org/10.3390/electronics14224462 - 16 Nov 2025
Viewed by 344
Abstract
To address the issues of uneven transformer loading and underutilized capacity in conventional distribution areas interconnected by bus-tie switches, this paper proposes a flexible mutual-aid control strategy based on the distributed power flow controller (DPFC). An equivalent model of the interconnected transformer area [...] Read more.
To address the issues of uneven transformer loading and underutilized capacity in conventional distribution areas interconnected by bus-tie switches, this paper proposes a flexible mutual-aid control strategy based on the distributed power flow controller (DPFC). An equivalent model of the interconnected transformer area system is established, and the phasor relationships between the DPFC’s injected voltage amplitude, phase angle and transmitted power are analytically derived. On this basis, a capacity-ratio-oriented mutual-aid control strategy is developed, enabling the DPFC to dynamically distribute active power according to the rated capacities of interconnected transformers. A simulation model is built in PSCAD/EMTDC to validate the proposed method. The results demonstrate that the strategy achieves full power mutual aid among transformer areas, reducing the heavy-load transformer utilization from 76.67% to 30.56%, thereby realizing rational capacity allocation and improving the operational reliability and efficiency of the distribution network. Full article
Show Figures

Figure 1

33 pages, 1373 KB  
Article
Multi-Objective Approach for Wide-Area Damping Control Design
by Murilo E. C. Bento
Symmetry 2025, 17(11), 1781; https://doi.org/10.3390/sym17111781 - 22 Oct 2025
Viewed by 493
Abstract
Poorly damped low-frequency oscillation modes can destabilize power systems in the event of contingencies. Advances in the widespread use of phasor measurement units (PMUs) in power systems have led to the development of wide-area damping controllers (WADCs) capable of ensuring good damping ratios [...] Read more.
Poorly damped low-frequency oscillation modes can destabilize power systems in the event of contingencies. Advances in the widespread use of phasor measurement units (PMUs) in power systems have led to the development of wide-area damping controllers (WADCs) capable of ensuring good damping ratios for these oscillation modes. However, cyberattacks or communication failures affect PMU data and can cause WADC malfunctions. Poor WADC operation can even destabilize the power system. Therefore, this paper proposes the design of a WADC robust to communication failures through a multi-objective optimization model requiring high damping ratios for the closed-loop system and the existence of a symmetric and positive defined matrix to guarantee the stability of the system. Bio-inspired algorithms can solve this proposed multi-objective optimization model, and the stellar oscillation optimizer proved to be a bio-inspired algorithm with an excellent ability to reach an optimal solution. Case studies show that defining the limiting values of the WADC time constants and the existence of this symmetric, positive-definite matrix are beneficial for good system dynamic performance. Full article
(This article belongs to the Special Issue Symmetry in Optimal Control and Applications)
Show Figures

Figure 1

20 pages, 2582 KB  
Article
Emulating Real-World EV Charging Profiles with a Real-Time Simulation Environment
by Shrey Verma, Ankush Sharma, Binh Tran and Damminda Alahakoon
Machines 2025, 13(9), 791; https://doi.org/10.3390/machines13090791 - 1 Sep 2025
Viewed by 1322
Abstract
Electric vehicle (EV) charging has become a key factor in grid integration, impact analysis, and the development of intelligent charging strategies. However, the rapid rise in EV adoption poses challenges for charging infrastructure and grid stability due to the inherently variable and uncertain [...] Read more.
Electric vehicle (EV) charging has become a key factor in grid integration, impact analysis, and the development of intelligent charging strategies. However, the rapid rise in EV adoption poses challenges for charging infrastructure and grid stability due to the inherently variable and uncertain charging behavior. Limited access to high-resolution, location-specific data further hinders accurate modeling, emphasizing the need for reliable, privacy-preserving tools to forecast EV-related grid impacts. This study introduces a comprehensive methodology to emulate real-world EV charging behavior using a real-time simulation environment. A physics-based EV charger model was developed on the Typhoon HIL platform, incorporating detailed electrical dynamics and control logic representative of commercial chargers. Simulation outputs, including active power consumption and state-of-charge evolution, were validated against field data captured via phasor measurement units, showing strong alignment across all charging phases, including SOC-dependent current transitions. Quantitative validation yielded an MAE of 0.14 and an RMSE of 0.36, confirming the model’s high accuracy. The study also reflects practical BMS strategies, such as early charging termination near 97% SOC to preserve battery health. Overall, the proposed real-time framework provides a high-fidelity platform for analyzing grid-integrated EV behavior, testing smart charging controls, and enabling digital twin development for next-generation electric mobility. Full article
Show Figures

Figure 1

20 pages, 1705 KB  
Article
A New Current Differential Protection Scheme for DC Multi-Infeed Systems
by Jianling Liao, Wei Yuan, Jia Zou, Feng Zhao, Xu Zhang and Yankui Zhang
Eng 2025, 6(8), 203; https://doi.org/10.3390/eng6080203 - 18 Aug 2025
Viewed by 867
Abstract
To meet the demands of deep grid integration of renewable energy and long-distance power transmission, this paper presents a hybrid multi-infeed DC system architecture that includes an AC power source (AC), a voltage source converter (VSC), and a modular multilevel converter (MMC). Addressing [...] Read more.
To meet the demands of deep grid integration of renewable energy and long-distance power transmission, this paper presents a hybrid multi-infeed DC system architecture that includes an AC power source (AC), a voltage source converter (VSC), and a modular multilevel converter (MMC). Addressing the limitations of traditional differential protection—such as insufficient sensitivity under high-resistance grounding and susceptibility to false operations under out-of-zone disturbances—this paper introduces an enhanced current differential criterion based on dynamic phasor analysis. By effectively decoupling DC bias and load current components and optimizing the calculation of action and braking quantities, the proposed method enables the rapid and accurate identification of typical faults, including high-resistance grounding, three-phase short circuits, and out-of-zone faults. A multi-scenario simulation platform is built using MATLAB to thoroughly validate the improved criterion. Simulation results demonstrate that the proposed method offers excellent sensitivity, selectivity, and resistance to false operations in multi-infeed complex systems. It achieves fast fault detection (~2.0 ms), strong sensitivity to high-resistance internal faults, and low false tripping under a variety of test scenarios, providing robust support for next-generation DC protection systems. Full article
(This article belongs to the Section Electrical and Electronic Engineering)
Show Figures

Figure 1

18 pages, 5325 KB  
Article
Design of High-Speed, High-Efficiency Electrically Excited Synchronous Motor
by Shumei Cui, Yuqi Zhang, Beibei Song, Shuo Zhang and Hongwen Zhu
Energies 2025, 18(14), 3673; https://doi.org/10.3390/en18143673 - 11 Jul 2025
Viewed by 1918
Abstract
In air-conditioning compressors operating under ultra-low temperature conditions, both the rotational speed and load torque are at high levels, demanding pump motors that offer high efficiency and high power at high speeds. Electrically excited synchronous motors (EESMs) satisfy these operational requirements by leveraging [...] Read more.
In air-conditioning compressors operating under ultra-low temperature conditions, both the rotational speed and load torque are at high levels, demanding pump motors that offer high efficiency and high power at high speeds. Electrically excited synchronous motors (EESMs) satisfy these operational requirements by leveraging their inherent wide-speed field-weakening capability and superior high-speed performance characteristics. Current research on EESM primarily targets electric vehicle applications, with a high-efficiency design focused on medium and low speeds. Excitation design under constant-power–speed extension remains insufficiently explored. To address it, this paper proposes an EESM design methodology optimized for high-speed efficiency and constant-power excitation control. Key EESM parameters are determined through a dynamic phasor diagram, and design methods for turn number, split ratio, and other parameters are proposed to extend the high-efficiency region into the high-speed range. Additionally, a power output modulation strategy in the field-weakening region is introduced, enabling dynamic high-power regulation at high speed through excitation adjustment. Compared to similarly sized PMSMs, the proposed EESM exhibits consistently superior efficiency beyond 10,000 rpm, delivering 19% and 49% higher power output at 12,000 rpm and 14,000 rpm, respectively, relative to conventional pump-drive PMSMs. Experimental validation via a prototype confirms excellent high-speed efficiency and sustained constant-power performance, in alignment with the design targets. Full article
(This article belongs to the Section F: Electrical Engineering)
Show Figures

Figure 1

26 pages, 4845 KB  
Article
Modeling and Testing of a Phasor Measurement Unit Under Normal and Abnormal Conditions Using Real-Time Simulator
by Obed Muhayimana, Petr Toman, Ali Aljazaeri, Jean Claude Uwamahoro, Abir Lahmer, Mohamed Laamim and Abdelilah Rochd
Energies 2025, 18(14), 3624; https://doi.org/10.3390/en18143624 - 9 Jul 2025
Viewed by 1359
Abstract
Abnormal operations, such as faults occurring in an electrical power system (EPS), disrupt its balanced operation, posing potential hazards to human lives and the system’s equipment. Effective monitoring, control, protection, and coordination are essential to mitigate these risks. The complexity of these processes [...] Read more.
Abnormal operations, such as faults occurring in an electrical power system (EPS), disrupt its balanced operation, posing potential hazards to human lives and the system’s equipment. Effective monitoring, control, protection, and coordination are essential to mitigate these risks. The complexity of these processes is further compounded by the presence of intermittent distributed energy resources (DERs) in active distribution networks (ADNs) with bidirectional power flow, which introduces a fast-changing dynamic aspect to the system. The deployment of phasor measurement units (PMUs) within the EPS as highly responsive equipment can play a pivotal role in addressing these challenges, enhancing the system’s resilience and reliability. However, synchrophasor measurement-based studies and analyses of power system phenomena may be hindered by the absence of PMU blocks in certain simulation tools, such as PSCAD, or by the existing PMU block in Matlab/Simulink R2021b, which exhibit technical limitations. These limitations include providing only the positive sequence component of the measurements and lacking information about individual phases, rendering them unsuitable for certain measurements, including unbalanced and non-symmetrical fault operations. This study proposes a new reliable PMU model in Matlab and tests it under normal and abnormal conditions, applying real-time simulation and controller-hardware-in-the-loop (CHIL) techniques. Full article
(This article belongs to the Section A1: Smart Grids and Microgrids)
Show Figures

Figure 1

17 pages, 1645 KB  
Article
Residual Inertia Estimation Method for KEPCO Power Systems Using PMU and EMS-Based Frequency Response Analysis
by Namki Choi and Suchul Nam
Processes 2025, 13(7), 2012; https://doi.org/10.3390/pr13072012 - 25 Jun 2025
Viewed by 1464
Abstract
An intuitive method for estimating the inertia contribution from residual sources, such as induction motors and inverter-based power electronic facilities, in the Korea Electric Power Corporation (KEPCO) system is proposed. First, the method utilizes synchronized Phasor Measurement Units (PMUs) to obtain the measured [...] Read more.
An intuitive method for estimating the inertia contribution from residual sources, such as induction motors and inverter-based power electronic facilities, in the Korea Electric Power Corporation (KEPCO) system is proposed. First, the method utilizes synchronized Phasor Measurement Units (PMUs) to obtain the measured system Rate of Change of Frequency (RoCoF) following an instantaneous power imbalance. Subsequently, the estimated system RoCoF for the same event is derived from simulations of the full dynamic model of the KEPCO system using Energy Management System (EMS) data. The estimated RoCoF accounts only for the inertia contribution from synchronous generators, as the dynamic model includes only these generators. The residual inertia of the entire power system is then estimated based on the ratio of the estimated RoCoF to the measured RoCoF, using the known inertia contribution from synchronous generators. The effectiveness of the proposed method is validated through dynamic simulations of the KEPCO system and demonstrated using real PMU and EMS data from actual disturbance events. The results illustrate that residual inertia was estimated at approximately 160 GW during daytime and around 67 GW during nighttime, indicating substantial variation in absolute terms. This finding highlights the importance of considering residual inertia contributions, particularly under varying load conditions. Full article
(This article belongs to the Special Issue Advances in Renewable Energy Systems (2nd Edition))
Show Figures

Figure 1

26 pages, 3839 KB  
Review
Smart Grid Fault Mitigation and Cybersecurity with Wide-Area Measurement Systems: A Review
by Chisom E. Ogbogu, Jesse Thornburg and Samuel O. Okozi
Energies 2025, 18(4), 994; https://doi.org/10.3390/en18040994 - 19 Feb 2025
Cited by 7 | Viewed by 3220
Abstract
Smart grid reliability and efficiency are critical for uninterrupted service, especially amidst growing demand and network complexity. Wide-Area Measurement Systems (WAMS) are valuable tools for mitigating faults and reducing fault-clearing time while simultaneously prioritizing cybersecurity. This review looks at smart grid WAMS implementation [...] Read more.
Smart grid reliability and efficiency are critical for uninterrupted service, especially amidst growing demand and network complexity. Wide-Area Measurement Systems (WAMS) are valuable tools for mitigating faults and reducing fault-clearing time while simultaneously prioritizing cybersecurity. This review looks at smart grid WAMS implementation and its potential for cyber-physical power system (CPPS) development and compares it to traditional Supervisory Control and Data Acquisition (SCADA) infrastructure. While traditionally used in smart grids, SCADA has become insufficient in handling modern grid dynamics. WAMS differ through utilizing phasor measurement units (PMUs) to provide real-time monitoring and enhance situational awareness. This review explores PMU deployment models and their integration into existing grid infrastructure for CPPS and smart grid development. The review discusses PMU configurations that enable precise measurements across the grid for quicker, more accurate decisions. This study highlights models of PMU and WAMS deployment for conventional grids to convert them into smart grids in terms of the Smart Grid Architecture Model (SGAM). Examples from developing nations illustrate cybersecurity benefits in cyber-physical frameworks and improvements in grid stability and efficiency. Further incorporating machine learning, multi-level optimization, and predictive analytics can enhance WAMS capabilities by enabling advanced fault prediction, automated response, and multilayer cybersecurity. Full article
Show Figures

Figure 1

17 pages, 635 KB  
Article
An Advanced Spatio-Temporal Graph Neural Network Framework for the Concurrent Prediction of Transient and Voltage Stability
by Chaoping Deng, Liyu Dai, Wujie Chao, Junwei Huang, Jinke Wang, Lanxin Lin, Wenyu Qin, Shengquan Lai and Xin Chen
Energies 2025, 18(3), 672; https://doi.org/10.3390/en18030672 - 31 Jan 2025
Cited by 4 | Viewed by 1833
Abstract
Power system stability prediction leveraging deep learning has gained significant attention due to the extensive deployment of phasor measurement units. However, most existing methods focus on predicting either transient or voltage stability independently. In real-world scenarios, these two types of instability often co-occur, [...] Read more.
Power system stability prediction leveraging deep learning has gained significant attention due to the extensive deployment of phasor measurement units. However, most existing methods focus on predicting either transient or voltage stability independently. In real-world scenarios, these two types of instability often co-occur, necessitating distinct and coordinated control strategies. This paper presents a novel concurrent prediction framework for transient and voltage stability using a spatio-temporal embedding graph neural network (STEGNN). The proposed framework utilizes a graph neural network to extract topological features of the power system from adjacency matrices and temporal data graphs. In contrast, a temporal convolutional network captures the system’s dynamic behavior over time. A weighted loss function is introduced during training to enhance the model’s ability to handle instability cases. Experimental validation on the IEEE 118-bus system demonstrates the superiority of the proposed method compared to single stability prediction approaches. The STEGNN model is further evaluated for its prediction efficiency and robustness to measurement noise. Moreover, results highlight the model’s strong transfer learning capability, successfully transferring knowledge from an N-1 contingency dataset to an N-2 contingency dataset. Full article
(This article belongs to the Section F: Electrical Engineering)
Show Figures

Figure 1

29 pages, 4380 KB  
Article
The Space Phasors Theory and the Conditions for the Correct Decoupling of Multiphase Machines
by Luis Serrano-Iribarnegaray and Jorge Bonet-Jara
Machines 2025, 13(2), 107; https://doi.org/10.3390/machines13020107 - 29 Jan 2025
Viewed by 1032
Abstract
This paper first analyzes the general statements accepted in the technical literature concerning the complete dynamic decoupling of constant air-gap multiphase machines with space harmonics (usually resorting to the instantaneous symmetrical components, ISCs) and shows that they are not correct, since they only [...] Read more.
This paper first analyzes the general statements accepted in the technical literature concerning the complete dynamic decoupling of constant air-gap multiphase machines with space harmonics (usually resorting to the instantaneous symmetrical components, ISCs) and shows that they are not correct, since they only hold (and only with good approximation) for the particular case of converter-controlled machines. It then deduces in a rigorous theoretical way the correct conditions in all cases for both a precise and an approximate decoupling of multiphase machines and thereupon verifies them through numerous simulations. To do that, the Space Phasors Theory (SPhTh) is applied, whose true core, often unknown or misunderstood, is clearly explained. Preceding this point, the concept of the dynamic phasor of g sequence, which is a fundamental tool in the SPhTh, is introduced, and a necessary historical and critical review of the ISCs is undertaken. Full article
(This article belongs to the Section Electrical Machines and Drives)
Show Figures

Figure 1

21 pages, 3508 KB  
Article
Neural Network Based Power Meter Wiring Fault Recognition of Smart Grids Under Abnormal Reactive Power Compensation Scenarios
by Huizhe Zheng, Zhongshuo Lin, Huan Lin, Chaokai Huang, Xiaoqi Huang, Suna Ji and Xiaoshun Zhang
Energies 2025, 18(3), 545; https://doi.org/10.3390/en18030545 - 24 Jan 2025
Viewed by 1161
Abstract
This paper explores the challenges of detecting wiring anomalies in three-phase, four-wire energy metering devices, especially when large amounts of reactive power compensation are involved. Traditional methods, such as the hexagon phasor diagram technique, perform well under standard loads, but struggle to adapt [...] Read more.
This paper explores the challenges of detecting wiring anomalies in three-phase, four-wire energy metering devices, especially when large amounts of reactive power compensation are involved. Traditional methods, such as the hexagon phasor diagram technique, perform well under standard loads, but struggle to adapt to new situations, such as over- or under-compensation. To overcome these limitations, this paper proposes a hybrid approach that combines mechanism-based knowledge with data-driven technologies, including backpropagation neural networks (BPNNs). This method improves the accuracy and efficiency of anomaly detection and can better adapt to a dynamic power environment. The result is improved universality of anomaly detection, which helps to achieve safer, more accurate, and more efficient smart grid operation in complex situations. Full article
Show Figures

Figure 1

15 pages, 1847 KB  
Article
Validation of Electromechanical Transient Model for Large-Scale Renewable Power Plants Based on a Fast-Responding Generator Method
by Dawei Zhao, Yujie Ning, Chuanzhi Zhang, Jin Ma, Minhui Qian and Yanzhang Liu
Energies 2024, 17(23), 5831; https://doi.org/10.3390/en17235831 - 21 Nov 2024
Viewed by 1080
Abstract
The requirements for accurate models of renewable energy power plants are urgent for power system operation analysis. Most existing model research in this area is for wind turbine and photovoltaic (PV) power generation units; a rare renewable power plant model validation mainly adopts [...] Read more.
The requirements for accurate models of renewable energy power plants are urgent for power system operation analysis. Most existing model research in this area is for wind turbine and photovoltaic (PV) power generation units; a rare renewable power plant model validation mainly adopts the single-machine infinite-bus system. The single equivalent machine method is always used, and the interactions between the power plant and the grid are ignored. The voltage at the interface bus is treated as constant, although this is not consistent with its actual characteristics. The phase shifter method of hybrid dynamic simulation has been applied in the model validation of wind farms. However, this method is heavily dependent on phasor measurement units (PMU) data, resulting in a limited application scope, and it is difficult to realize the model error location step by step. In this paper, the fast-responding generator method is used for renewable power plant model validation. The complete scheme comprising model validation, error localization, parameter sensitivity analysis, and parameter correction is proposed. Model validation is conducted based on measured records from a large-scale PV power plant in northwest China. The comparison of simulated and measured data verifies the feasibility and accuracy of the proposed scheme. Compared to the conventional model validation method, the maximum deviation of the active power simulation values obtained by the method proposed in this paper is only 38.8% of that of the conventional method, and the overall simulation curve fits the actual measured values significantly better. Full article
(This article belongs to the Topic Advances in Power Science and Technology, 2nd Edition)
Show Figures

Figure 1

Back to TopTop