Next Article in Journal
Deep-Fuzzy Logic Control for Optimal Energy Management: A Predictive and Adaptive Framework for Grid-Connected Microgrids
Next Article in Special Issue
Deep Reinforcement Learning-Based Distribution Network Planning Method Considering Renewable Energy
Previous Article in Journal
Transient Stability Analysis and Emergency Generator Tripping Control Based on Spatio-Temporal Graph Deep Learning
Previous Article in Special Issue
Accident Factors Importance Ranking for Intelligent Energy Systems Based on a Novel Data Mining Strategy
 
 
Font Type:
Arial Georgia Verdana
Font Size:
Aa Aa Aa
Line Spacing:
Column Width:
Background:
Review

Smart Grid Fault Mitigation and Cybersecurity with Wide-Area Measurement Systems: A Review

by
Chisom E. Ogbogu
1,
Jesse Thornburg
1,2,* and
Samuel O. Okozi
3
1
College of Engineering, Carnegie Mellon University Africa, Kigali BP 6150, Rwanda
2
Grid Fruit, LLC., Austin, TX 78758, USA
3
Department of Electrical Engineering, School of Electrical Systems and Engineering Technology, Federal University of Technology Owerri, Owerri PMB 1526, Nigeria
*
Author to whom correspondence should be addressed.
Energies 2025, 18(4), 994; https://doi.org/10.3390/en18040994
Submission received: 12 January 2025 / Revised: 1 February 2025 / Accepted: 7 February 2025 / Published: 19 February 2025

Abstract

Smart grid reliability and efficiency are critical for uninterrupted service, especially amidst growing demand and network complexity. Wide-Area Measurement Systems (WAMS) are valuable tools for mitigating faults and reducing fault-clearing time while simultaneously prioritizing cybersecurity. This review looks at smart grid WAMS implementation and its potential for cyber-physical power system (CPPS) development and compares it to traditional Supervisory Control and Data Acquisition (SCADA) infrastructure. While traditionally used in smart grids, SCADA has become insufficient in handling modern grid dynamics. WAMS differ through utilizing phasor measurement units (PMUs) to provide real-time monitoring and enhance situational awareness. This review explores PMU deployment models and their integration into existing grid infrastructure for CPPS and smart grid development. The review discusses PMU configurations that enable precise measurements across the grid for quicker, more accurate decisions. This study highlights models of PMU and WAMS deployment for conventional grids to convert them into smart grids in terms of the Smart Grid Architecture Model (SGAM). Examples from developing nations illustrate cybersecurity benefits in cyber-physical frameworks and improvements in grid stability and efficiency. Further incorporating machine learning, multi-level optimization, and predictive analytics can enhance WAMS capabilities by enabling advanced fault prediction, automated response, and multilayer cybersecurity.

1. Introduction

Developing a resilient, reliable, and secure power system is central to modern economic development. Increasingly, such a grid also serves sociocultural and security goals. Yet, maintaining such a power system has become more challenging in recent years due to rising energy demand, the densification of population centers, climate change effects, and aging power infrastructure [1]. Grid stability and reliability are also threatened by the introduction of renewable power generation, which is often intermittent, nonsynchronous, or volatile [2]. While costly maintenance and upgrades are common responses to these challenges, more affordable improvement measures are often out of reach, especially for developing countries [3]. Over the years, power system restructuring has been the primary way of expanding power system operations. Complex measurement systems are essential for controlling the network in day-to-day generation, transmission, and distribution of energy [3,4].
Consequently, the modern-day focus of power system development is optimizing the present architecture responsible for accurate and adequate energy delivery [4,5]. On the software side, demand-side management and load shifting are being employed to these ends [6,7]. On the hardware side are many approaches involving relays, which have many shortcomings, including an inability to simultaneously report multiple parameters in real time. These shortcomings, in turn, were initially addressed using a supervisory control and data acquisition (SCADA) platform. SCADA could report multiple energy parameters to control towers across the network in real time [5]. SCADA measurements are typically updated in a ten-second window for high-level operations, which is unfortunately not granular enough to prevent certain faults [8,9].
SCADA’s limitations have made us unable to reduce fault occurrence on power networks, and in most cases, SCADA increases the fault-clearing time [4]. Since neither relays nor generic SCADA address the rising issue of faults plaguing the power network, grid managers increasingly adopt synchrophasors. These increase the number of parameters like voltage, current, resistance, and impendence measured per unit time on the power system network [10]. The general introduction of synchrophasors, phasor measurement units (PMUs), and critical communication systems into the power system infrastructure results in it being termed a Wide-Area Measurement System (WAMS) [11,12].
WAMS infrastructure connected to the power system network relies on communication utilities to detect faults on the transmission lines using synchrophasors. WAMS then reports these data to the control centers for proper decisions to predict faults, correct faults, and improve consumer energy supply (as shown in Figure 1) [8,13,14]. This study reviews research on WAMS to apply them to developing countries’ power systems, specifically to reduce fault-clearing time, improve cybersecurity, and make conventional power systems smart in these regards. To this end, this review analyzes the individual components of WAMS communication architecture. It details their potential for reducing fault-clearing time to increase the efficiency of energy delivery, all while maintaining cybersecurity.
Modern power systems are characterized by their intricate architectures, comprising numerous components and complex interconnections to ensure stable and reliable operation. However, the occurrence of faults—whether due to equipment failure, environmental factors, or other disruptions—can severely compromise energy flow and supply across the network. Even microgrids, which represent a transformative approach to power system design through the integration of Distributed Energy Resources (DERs), are not exempt from these vulnerabilities [16]. As depicted in Figure 1, microgrids are increasingly susceptible to faults propagated by conventional power systems, underscoring a critical challenge in achieving seamless interoperability between these two frameworks [16,17]. This issue has impeded the advancement of more resilient power system architectures and off-grid solutions, as the integration of microgrids with traditional grid infrastructure continues to present significant technical and operational hurdles. Faults are at some level inevitable, since key components are exposed to environmental and manmade stresses that affect the daily operation of a power network. WAMS are systems that provide grid managers with operational awareness while conducting key power system functions [10,14]. WAMS are, therefore, becoming well known as tools for improving fault clearing, thus enhancing reliability in power system architecture. The reliability setup described by Aminifar et al. consists of monitoring and control components, and their study measured its efficiency to accomplish both responsibilities [11]. In a normal power protection system, units are designed to accomplish these tasks whether through SCADA or conventional relay units [18,19]. However, these approaches are prone to malfunctions when overwhelmed by the faults they are meant to detect. Thus, in cases of high complexity, they fail to provide an accurate real-time assessment of the power system network situation [3,20].

1.1. Search Strategies and Selection

In this review, papers were selected that focus on WAMS development and its potential application to power system networks. Keywords like “WAMS”, “Wide-Area Protection Systems”, “PMU deployment”, and “Systems for control of Wide-Area Power Systems” were used to search databases like ScienceDirect and Web of Science to select recent, well-cited research studies that cover the major variants of WAMS technologies and innovations. Papers with more focus on cybersecurity and power system optimization were prioritized.

1.2. Definitions of WAMs

Multiple definitions of WAMS have been published, and many studies have been conducted on their vast potential and practical results. In a SCADA system, monitoring and control responsibilities are not provided in a probabilistic power reliability assessment. In WAMS, by contrast, reliability assessments have shown that successful operation was more certain when WAMS elements were deployed and utilized optimally in a power system network [12]. Al-Odienat et al. deployed PMUs in the Jordanian National Grid and developed a WAMS architecture. They defined a WAMS as a network of PMUs and components that improves the situational awareness of a power system network for real-time monitoring and control [10]. PMUs, which make up the bulk of a WAMS, serve as connecting links when synchronized with a satellite-based Global Positioning System (GPS) [5]. Traditionally, WAMS that differ in certain components are deployed to increase the operational awareness of the system [21]. The integrity of the energy system is prioritized in these designs, and some research has even extended the WAMS infrastructure to under-frequency load-shedding schemes [22].
Researchers widely agree that any power system network, including those with WAMS technology, can be considered a smart grid even if they retain certain old, outdated components that are not hallmarks of modern smart grid networks [4,5]. WAMS was defined by Premkumar et al. as an enabling technology that includes PMUs as measuring devices coupled with supporting communication infrastructure like phasor data controllers (PDCs) [1]. However, their study posited this definition before going on to suggest that a combination of a PMU and enabling information infrastructure is termed Synchrophasor Measurement Technology (SMT) [1]. In contrast, some studies have found SMT a component of WAMS infrastructure instead. Numerous research studies on European energy systems have highlighted the integration of smart systems into aging infrastructure, including SCADA and energy management systems (EMS) alongside PMUs to form WAMS [3,4,5,6,8,14,21,23,24,25,26]. In their study, Alhelou et al. included PDCs, which are designed to transmit data collected from the PMUs on the lines and the different interconnected units in the energy infrastructure [22]. All of these become imperative to articulate components that properly define a WAMS infrastructure and assess the position of numerous researchers on the advantages of these technologies in the WAMS infrastructure [12,18,19,20,27].
SMT consists of several arrays of PMUs on the grid and the PDCs whose role is to aggregate the data collected by the PMUs interconnected across the energy infrastructure [3,10]. The similarity in the components led Aminifar et al. to conclude that SMT is synonymous with WAMS [11]. Others disagree, as SMT includes data collection PMUs like WAMS, but an absence of communication infrastructure makes SMT fundamentally different [18]. Therefore, the integration of SMTs, including PMUs and PDCs, and a proper communication infrastructure is regarded as a WAMS. The definition of WAMS becomes imperative for a proper analysis of the development of technology through the integration of multiple advances in the modern world of technology attempting to increase the volume of data collected, synchronized, and communicated to Energy Control Centers (ECCs) (as shown in Table 1) [3,4,5,6,14,21,24,25,28,29,30].
The main responsibility of WAMS infrastructure is to boost the real-time awareness of the power system network [18,24,25]. The observability and monitoring potential of WAMS cannot properly achieve the system’s overall goal when proper communication infrastructure is absent [25]. This review shows the progression from SCADA infrastructure to modern applications of WAMS in increasing the operability of the energy management system following the recent deployment of artificial intelligence (AI) in real-time awareness, control, and efficiency enhancement [34]. Most of the literature studies the role of PMUs and WAMS infrastructure as isolated technologies with limited objective goals, which are assessed to test the ability of the infrastructure to optimize the power system network [21,24,25,28].
While significant research has been conducted on WAMS technologies and smart grid innovations, limited studies have focused on the deployment of WAMS technologies in traditional power system networks, which remain predominant in developing economies and particularly in sub-Saharan Africa. This gap has resulted in a lack of comprehensive data necessary for conducting sensitivity analyses of wide-area power systems (WAPS). Such analyses are crucial for enabling sub-Saharan African countries to develop robust fault detection schemes and establish pathways for integrating renewable energy into conventional grids.
This review aims to highlight the progression of research in WAMS and identify key areas where these technologies could be effectively applied in traditional and aging power system networks within low- and middle-income economies. Additionally, it explores the potential role of AI in optimizing WAMS operations and examines the development of cyber-physical power system (CPPS) networks. According to the Smart Grid Architecture Model (SGAM), the CPPS represents a foundational framework for advancing smart grid development within conventional power grids, offering a structured approach to enhancing grid resilience, efficiency, and adaptability in emerging economies.
This review discusses WAMS operation and dynamic fault detection, benefits that AI can provide with WAMS, cyber-physical power systems (CPPS), and smart grid development, and concludes with recommendations for future research.

2. Background

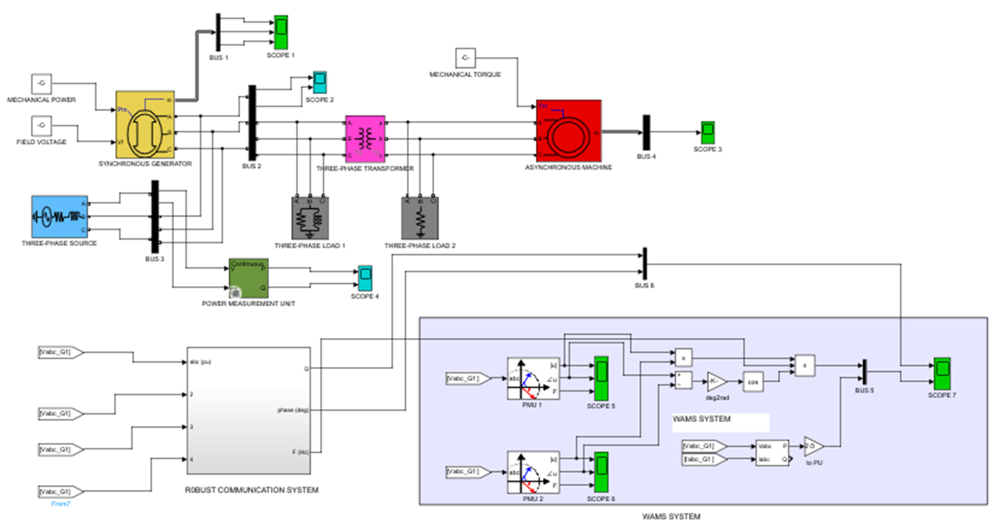
The modern power network consists of various complex machines designed to play significant roles in generating, transmitting, and distributing electricity to numerous households connected to the grid. Dynamic state estimation (DSE) assessments show the complex systems that need to be operational to guarantee the optimal conversion, transformation, and delivery of electrical energy [18,35,36]. Figure 2 presents an infinite-bus power grid model consisting of a synchronous generator powered by a mechanical source in a three-phase circuit arrangement. The transformers and power measurement units serve to deliver optimal power to the asynchronous machine and other loads. During the operation of the power system network, the static state estimation cannot appropriately capture the dynamics of the operational environment [35,36]. This presents a huge problem because the power system circuitry consistently fluctuates to adjust to the evolving realities of the energy systems. Despite this, SSE methods are still used to design an EMS, but the approach proves insufficient for solving evolving problems and providing sufficient information needed to monitor power system architecture [36,37]. In asynchronous generators and machines, for example, EMS systems with the SSE configuration have been difficult to monitor and control since observability is often lagging and unresponsive in situations of optimal operation [30,37,38]. Dynamic state estimation (DSE) is capable of accurately capturing and assessing the dynamic system states and plays a crucial role in further monitoring and controlling by providing the maximum observability of the power system network [8,26,37,39]. For protection to be appropriately achieved, the dynamic states must be accurately captured to provide a unique state of awareness of the power system network [39]. The SCADA system was adopted to fulfill this responsibility in the differing state of the power system network. SCADA systems can assess two independent data points from the power system network and report the data to the control infrastructure [8,40]. One problem with SCADA systems, as stated earlier, is their limited number of parameters that can be assessed and observed at a time together within a period of 8–10 s before another cycle of data can be collected [8,37,41]. In a complex modern power system network, these limitations could cause significant damage as individual components are consistently exposed to fault occurrences on the line and other complex energy components whose damage could result in a partial or total system collapse of the grid. Additionally, present research into the role of varying DSE parameters and how they could be implemented in an EMS has increased the demand for a more robust communication and monitoring infrastructure to be developed [38].

2.1. WAMS Components

For full observability and monitoring capabilities, the WAMS architecture typically consists of the following components [3,42]:
  • PMUs;
  • Phasor data collectors;
  • Synchronizers like remote terminal units (RTUs) for PMU-based applications;
  • Communication infrastructure.
This WAMS infrastructure was developed as an alternative to SCADA systems. In addition to the basic components of the WAMS infrastructure, more modern model variants like Wide-Area Monitoring and Control (WAMC) or Wide-Area Protection, Control, and Monitoring (WAPCAM) systems have incorporated several components that help enhance some of its operations [4]. The observability operation of the WAMS infrastructure provides sufficient data to control the EMS properly and, in some cases, conduct an under-frequency load shedding (UFLS) of the entire power network in addition to fault detection [22,39,43]. The PMUs collate the data from power system components, including being integrated with conventional energy infrastructures like current transformers and voltage transformers, to develop a more robust power system architecture [10,42,43]. This responsibility of the PMUs becomes necessary because most countries already have functional power systems in need of system maintenance and upgrade without a complete overhaul of the system for mostly national security reasons [10,26,44]. The US, where the technology was innovated and developed, has not fully replaced its conventional protection arsenals for WAMS due to cybersecurity concerns though modern cyber-physical systems are being integrated at a rapid pace [14]. In practice, however, the WAMS architecture is designed to integrate with existing infrastructures and make them as smart as possible in an age of increasing rhetoric of smart technology and green energy innovation [10,22,44]. If any of these modern innovation concepts are feasible, energy losses must be minimal for energy conservation to be properly executed efficiently. PMUs and PDCs work in synergy with nearby components to achieve this. In our opinion, the deployment of WAMS is entirely dependent on the quality of the delivery system as well as the communication infrastructure. Some researchers have synonymized PMUs for WAMS. Many researchers disagree with this assessment, but the distinction stems from the comparison of WAMS with conventional SCADA infrastructure [10,22,27,44]. However, PMUs alone are also unable to properly analyze these data and relay them to the ECC for efficient actions and decisions to be taken [21,28,43]. WAMS, on the other hand, could consist of other energy infrastructures beyond PMUs, PDCs, and RTUs to fit and meet specific needs in a power system network [37,43]. Going further, the main potential of WAMS is their application. A model cannot be accepted if its architecture is not fully analyzed. The delicate nature of WAMS means that there will be significant training on their handling and on the deployment of the technology [10].
Sub-Saharan African countries, where off-grid systems coupled with renewable energy sources are increasingly developed, require the synchronization of devices to ensure the optimized operation of the grid. The synchronization of the PMUs and other protection and control devices is achieved through the same-time sampling of voltage and current waveforms using timing signals from a GPS (as shown in Figure 3) [1,2]. Synchronized phasor measurement elevates the standards of power system monitoring, control, and protection to a new level [21,24,45]. PMUs are the backbone of WAMS-based systems and have been proven instrumental in developing-world microgrid systems, especially with the integration of renewable energy sources [5,13,21]. This means that real-time system monitoring may be required to help reduce the impact of intermittency from renewable generation. Several protocols that consider the necessity of real-time monitoring in smart grid development have been codified in the SGAM, which has served as a framework for assessing smart grid technology development across five interoperability layers, domains, and zones, as shown in Figure 4 (more details in Section 2.2).
In addition, another application is real-time system monitoring (RTSM) for stability assessment and state measurement. Phasor measurements at nodes help the system operators gain a dynamic view of the power system and initiate the necessary measures at the proper time [21]. This is performed following the latest IEEE standard (C37.118-2005), developed to standardize the data transmission format and sampling rates of PMUs [21,47,48]. The stability assessment algorithms, designed to take advantage of the phasor measurement information, can significantly support this [47]. In the past, post-event analysis was an application of synchrophasors (PMUs) without wide-area communication, where data were archived locally [21,24]. However, it was not a useful online (dynamic) control tool. Recently, the real-time control of WAMS has become a robust control and analysis tool that provides a new view of power systems [47,49]. This is achieved by improving the communication network capabilities while maintaining PMUs as central components [13,21,24,25,37,47]. Using PMUs for real-time control increases accuracy since the data are measured online [21,42]. Also, it will enhance the power system stability and delivery automation capabilities after the challenges of new data communication requirements across the system are resolved. The depth of observability is another advantage for PMUs. It means measuring the bus voltage phasor directly or calculating it using the nearest connected bus’s PMU voltage and line current [47,48]. This is the cost-effective path since it reduces the number of data acquisition instruments and tools needed across the network, as the measuring line currents can extend the voltage measurements to buses with no PMUs [18,37,38,41,43].

2.2. WAMS and Smart Grid Architecture Model

The SGAM provides a comprehensive framework for analyzing and designing smart grid systems by addressing technical, informational, and operational challenges across five interoperability layers: component, communication, information, function, and business [17]. WAMS offers a transformative capability for modern power systems, playing a critical role in enhancing fault detection, reducing fault-clearing times, and facilitating the integration of renewable energy and DERs [50,51]. By integrating a WAMS into the SGAM framework, grid operators can achieve improved system observability, faster response times, and greater adaptability to the challenges posed by renewable energy intermittency. Panda and Das (2021) [17] assessed the SGAM framework across different areas, including peer-to-peer trading, distributed control, laboratory infrastructure, and power quality. They identified these areas as fundamentals of futuristic energy technologies. Other studies, including those by Aminifar et al., Ashok et al., and Calderon et al., showed that while innovations are being carried out, like in the SGAM, smart grid systems are consistently being designed to expand the frontiers of current power systems and connect underserved communities in remote areas, especially in developing countries [11,31]. As result of this, according to Ashok et al. and Jamil et al., current problems could still handicap these new innovations and compromise national security and may even result in blackouts across high-voltage lines [16,31]. This concern stems from the increasing cybersecurity threats posed because of AI development and increasing geopolitical tensions. Ashok et al. and Panda and Das, while commending the progress of the SGAM, also suggested that WAMS or WAPCAM technologies will be required to combat the growing threat of interoperability that may be faced with the ever-increasing wide-area power systems (WAPS) [17,31]. This review assesses key areas where WAMS technology may contribute to the SGAM across its five domains and zones:
  • Component Layer: Enhanced Observability Through PMUs
    PMUs provide synchronized, high-resolution measurements of key grid parameters such as voltage, current, and frequency. These devices enable the real-time monitoring of grid conditions, including renewable energy sources like wind turbines and solar panels. With the deployment of PMUs at critical locations, such as substations, transmission lines, and renewable generation sites, WAMS ensures comprehensive observability [51]. This capability is essential for monitoring the dynamic behavior of DERs and identifying anomalies that could indicate potential faults.
  • Communication Layer: Enabling Real-Time Data Exchange
    The communication layer of the SGAM supports the transmission of the vast amounts of data generated by WAMS. To achieve low latency and high reliability, WAMS leverages advanced communication technologies such as optical fiber networks, 5G, or power line communication (PLC) [50]. These technologies enable real-time data exchange between PMUs and centralized or distributed control centers, ensuring the timely identification of faults and rapid coordination of corrective measures [17]. This layer also facilitates the communication of control signals to distributed resources, ensuring that renewable energy sources can dynamically adjust to changing grid conditions.
  • Information Layer: Transforming Data into Actionable Intelligence
    The integration of a WAMS into the SGAM information layer highlights its role in data processing, storage, and analysis. WAMS data are analyzed using advanced algorithms, including AI and machine learning, to detect early warning signs of system instability, optimize the performance of DERs, and predict faults before they escalate. This layer ensures that actionable intelligence is generated to enhance grid reliability, while also incorporating data encryption and secure storage protocols to address cybersecurity challenges. By transforming raw data into meaningful insights, WAMS empowers grid operators to make informed decisions in real time.
  • Functional Layer: Strengthening Grid Resilience
    WAMS aligns closely with the SGAM functional layer by supporting advanced grid control and operational strategies. Its functionalities include voltage regulation, frequency control, and islanding detection, all of which are critical for the integration of renewable energy. WAMS enables dynamic load shedding and fast fault-clearing mechanisms, minimizing system disruptions and reducing fault-clearing times. Furthermore, its real-time fault detection capabilities enhance the grid’s self-healing properties, ensuring that power systems remain operational even under adverse conditions. By supporting these functions, WAMS contributes to the development of a more resilient and adaptive grid.
  • Business Layer: Enabling Cost-Efficiency and Compliance
    At the business layer, WAMS provides significant economic and regulatory benefits. By enabling accurate and reliable grid operations, WAMS supports demand response strategies and enhances energy trading in markets that include renewable energy sources. It also ensures compliance with regulatory standards for grid reliability and renewable energy integration. These capabilities enable utilities to optimize their operations while achieving long-term sustainability goals. Moreover, WAMS facilitates the planning and operation of power systems in ways that align with market dynamics and future energy needs.
Figure 4. SGAM layers, zones, and domains [17].
Figure 4. SGAM layers, zones, and domains [17].
Energies 18 00994 g004
The integration of a WAMS into the SGAM framework represents a new frontier in modern power system operations. With its real-time monitoring and fault detection capabilities, WAMS addresses critical challenges in fault management, grid stability, and the integration of renewable energy sources. Through its alignment with the five SGAM layers, WAMS not only enhances grid reliability and resilience but also positions power systems for a sustainable and economically viable future. As the energy landscape continues to evolve, WAMS will remain a cornerstone technology in enabling the transition to smarter, more adaptive grids.

3. WAMS Operation and Dynamic Fault Detection

WAMS are integral to modern power system management, particularly in enhancing grid observability, supporting network expansion, and aligning with the SGAM [31]. The ability of WAMS to perform real-time dynamic fault detection sets it apart from conventional protection technologies, including SCADA-based state estimation. While traditional systems rely on periodic measurements and interpolation techniques to estimate system states, WAMS leverages phasor measurement units (PMUs) to provide high-resolution, time-synchronized data, enabling more precise and timely fault identification (Figure 5). This capability significantly enhances grid resilience by facilitating faster fault detection, reduced fault-clearing times, and improved system stability [1,3,7].
Extensive research has explored the integration of WAMS into advanced smart grid architectures, with a particular emphasis on enhancing the incorporation of renewable energy sources [52,53,54]. WAMS enhances the adaptability of power networks to accommodate DERs such as wind and solar power by providing real-time insights into voltage stability, frequency variations, and power flow dynamics [38,43]. This integration is particularly crucial for the development of renewable, smart microgrids, which utilize WAMS for intelligent energy management, adaptive load balancing, and improved operational resilience [54].
Despite significant advancements in smart grid research, limited attention has been paid to the deployment of WAMS in aging power system networks, which are prevalent in developing economies. The lack of comprehensive research on the type of data that traditional power grids can provide for informed expansion remains a critical gap in the literature, potentially hindering the progress of renewable energy development. One key challenge in these regions is the frequent collapse of grid infrastructure. This issue, particularly prevalent in Nigeria and South Africa, has led to recurrent power outages, negatively impacting economic growth and deterring private investment in both the energy and industrial sectors.
Ashok et al. conducted a comprehensive analysis of blackouts in developed economies, outlining the operational states of a wide-area power system network—Normal, Alert, Emergency, In-Extremis, and Restorative—to examine the mechanisms through which blackouts occur and propagate within WAMS-integrated grids. Their study identified the preconditions, initiating events, cascading failures, and restoration processes that characterize blackout events [31]. While these insights have primarily been applied to modern smart grids, they are equally relevant to traditional power networks. Understanding how WAMS can be leveraged to mitigate systemic vulnerabilities in aging power infrastructures presents a crucial research avenue that warrants further investigation.
The effects of weather conditions, along with the varying oscillations within power systems, can collectively be classified as dynamic faults that impact grid stability. Through WAMS, these faults can be accurately characterized, predicted, and mitigated, enabling more efficient fault detection and facilitating the restoration of wide-area power systems (WAPS) in the event of disruptions. WAMS can enhance grid observability and enable proactive fault management by leveraging high-resolution, time-synchronized data from the power system network.
Additionally, WAMS can collect and analyze critical data on the impact of lightning strikes, governor responses, frequency instability (e.g., rate of change in frequency), oscillation issues, and interoperability challenges. These insights are particularly valuable for increasing the observability and operational efficiency of traditional power system networks in developing countries, where aging infrastructure and inconsistent grid performance remain persistent challenges. Through the integration of WAMS into these networks, utilities can develop data-driven strategies to enhance system resilience, optimize grid operations, and facilitate a smoother transition toward modernized, renewable energy-integrated power grids.
As illustrated in earlier sections, the issue of communication is central to the operational effectiveness of WAMS. The SCADA network, which is the most popular system, utilizes LAN systems to provide situational awareness [8]. On the other hand, WAMS aims to circumvent the insufficiencies of SCADA systems and provide more achievable situational awareness that relates real-time information from the power system network to the control room and from the control room relay instructions to automated infrastructure like isolators, circuit breakers, and CTs to observe and control the entire power network [14,21]. The PMUs scattered and deployed across different locations on the power system network must be interconnected to fulfill their responsibilities [14]. WAMS communication infrastructure, therefore, plays a crucial role in transforming a conventional grid into a smart grid network. Gore and Valsan (2018) [45] analyzed the challenges and efficiencies in deploying wireless communication infrastructure in WAMS. Premkumar et al. analyzed a WAMS architecture communication system and found that the precision of the communication system was determined by the distance of the PMUs from areas and, over time, the quality of the PMU placement on these energy infrastructures [1]. Generally, for the purpose of communication, the telecommunication infrastructure has been designed to be wireless to truly achieve wide-area operation. GPS transmission is the most significant data transmission infrastructure. The C37.118 standard format is divided into four packets, which can a transmit data frame, configuration frame, and header frame [1]. The data frame consists of the PMU-measured real-time phasor data in binary. The configuration frame is the subset of the available data in the data frame, which indicates the real-time data in the PMU [1,42]. These data can be transmitted only on a communication jacket in a way that synchronizes the PMU data. The GPS provides the communication infrastructure that synchronized the phasor measurements using PMUs placed in buses to complete the observability and controllability of the grid. Hassak et al. designed a communication infrastructure that deploys several wireless technologies to test their efficiency in monitoring and controlling WAMS operations. These infrastructures include wireless LAN, Wi-Fi, Wi-Max, GPRS, and GSM infrastructure [55]. Different communication infrastructures are selected to address the specific requirements of a given energy grid.

3.1. Optimal PMU Placement and Fault Detection

WAMS generally uses PMUs that are synchronized using a GPS clock to provide time-synchronized voltage and current phasors, including frequency measurements with sub-microsecond precision [31,41]. Alhelou et al. performed further analysis on WAMS communication infrastructure in different routing protocols when background traffic and link failure are present [22]. Aminifar’s model design does not focus on the optimal communication infrastructure for PMU placement in a power grid. His team identified this limitation, where the optimal WAMS design was dependent on the optimal placement of the PMUs on the power grid [11]. The identified role played by the Wi-Fi and other wireless systems while guaranteeing the effective operation of the WAMS architecture was still necessitated to include the complexities of the IEEE 14 bus systems; however, the rapid transformation of conventional power system networks with such technologies raises concerns for the eventual cyber-physical power system (CPPS) to be developed. Ivanov and Dimova proposed an analysis of real-time data delivery in WAMS [53]. In their proposed model, the real-time potential of the PMUs in the WAMS architecture was analyzed, and they concluded that for the cost-effective deployment of PMUs to provide the maximum operation of the PMUs, the communication backbone network is required to determine the shortest path using a routing algorithm and channel information through an optical fiber in a ground wire without any delay analysis [53]. Premkumar et al. presented a model in which PMUs themselves may not effectively disperse the advantages of the WAMS architecture. In their argument, the placement of the PMUs and the communications infrastructure is required to ensure the optimal functioning of WAMS. This becomes necessary if the energy grid is designed to continually become flexible for integrating newer models of protection and communication infrastructure. The communication infrastructure in this context is synchronized with the placement of the PMUs for the optimal delivery of PMU data. These indications expose the study of the PMU placement problem [1]. The authors argued that PMUs are costly devices and, therefore, are to be deployed in a way that maximizes their benefit even with limited numbers. They proposed a deployment that would enable the further integration of technologies with no need for a radical alteration to the PMUs deployed or the energy grid itself. They relate the cost of PMU deployment to its effectiveness in the power grid with the following equation [1]:
m i n i = 1 n c i x i
s.t. f(X) ≥ bi
where
x i is a binary decision variable vector with entries defined as
x i =   1   i f   PMU   is   installed   at   bus   i 0   otherwise  
ci is the cost of the PMU installed at bus i;
b is the minimum observability matrix.
Fault detection is expressed as follows:
V f = V i Z i j d I i
where
V f = V o l t a g e   a t   t h e   f a u l t   p o i n t
V i = V o l t a g e   a t   b u s   i ,
Z i j d = I m p e d a n c e   o f   t h e   l i n e   s e g m e n t   u p   t o   t h e   f a u l t   p o i n t ,
I i = C u r r e n t   f l o w i n g   f r o m   b u s   i .
When a fault occurs across the power system, distance d is nominally calculated using the relationship
d = V i V j I i Z i j
where
Z i j = T o t a l   i m p e d a n c e   o f   t h e   l i n e   i j ,
V j = V o l t a g e   a t   b u s   j
Note that d is mostly calculated using impedance measurements across the line. The values of V j and V i are obtained from PMU data, leveraging their ability to provide time-synchronized phasor measurements with high precision. These data are critical for identifying and localizing faults in real time. However, when faults are dynamic and evolve rapidly, such as in the case of transient faults or evolving system instabilities, the sudden changes in V j and V i may not be efficiently captured and processed, particularly if the sampling rate or data synchronization is inadequate. This has been a limitation in traditional SCADA systems, which operate at much lower sampling rates (typically seconds) and lack real-time synchronization.
Optimal PMU placement is therefore not just about ensuring observability but also about capturing the dynamic changes in V j and V i with high fidelity. This involves strategically locating PMUs at critical nodes where voltage deviations due to faults are most significant or where fault propagation is likely to impact grid stability. It is in this design that metaheuristic-based optimization algorithms are often explored to achieve overall grid stability. Furthermore, the placement must account for areas of the network prone to high fault incidence or regions where transient behavior can significantly affect operational decisions.
To enhance the effectiveness of PMU placement, it is essential to consider the dynamic characteristics of the system. While PMUs provide near-instantaneous measurements, they assume a relatively stable frequency or phase angle value across the grid. During faults, the grid frequency and phase angles may deviate, but these deviations are generally slower compared to the rapid voltage changes. Thus, the PMU placement strategy should aim to maximize the ability to monitor V j and V i dynamics under these conditions [56].
Additionally, advanced data processing techniques, such as adaptive filtering and real-time dynamic state estimation, can complement optimal PMU placement. These methods help refine the measurement of V j and V i during fast-changing fault scenarios, ensuring that the system remains accurately observable even under extreme conditions. Therefore, the design of optimal PMU placement should not only focus on achieving full-network observability but also on capturing and processing the dynamic changes in voltage magnitudes at critical points in the grid. Doing so ensures that the system can efficiently respond to and mitigate the impact of rapidly evolving faults, maintaining stability and operational integrity.

3.2. Limitation of PMU Placement in Developing Countries

In recent studies on WAMS, the PMU and PDC roles have been explored extensively vis à vis the cost-effective means of their deployment [5,13,14,21,25,48]. The main reason WAMS has not been deployed in energy infrastructures in less developed countries is the initial cost [14]. In these economies, power systems are significantly plagued with issues captured in wide-area monitoring systems that SCADA systems cannot detect [26]. Undoubtedly, authors [14,24,25] that know about the infrastructure mechanisms in WAMS are beginning to identify cost-effective means by which the communication infrastructure can accommodate the deployment of PMUs and PDCs on the grid to maximize the potential of WAMS. Premkumar et al. provided one example that illustrates the tendency for PMUs to be deployed and produce lower efficiency compared to others with the same communication jacket (CJ). The node–node interconnection achieved with PMUs is unveiled as the characteristic vehicle for transmitting the data collected on the grid to the control centers [1,21,25]. Though wireless, the potency remains subject to the sophistication and technicality of the PMU deployment [1].
Mohammadi and Zamani et al. supported this position by analyzing different models for deploying PMUs on the grid using the same communication infrastructure [14,42]. In practice, Mohammadi’s team identified the N-1 contingency when a single-line or single-PMU outage occurs. They operated the WAMS architecture as one designed to maximize the communication infrastructure [42]. They showed that different algorithms are to be used to determine the efficiency of both PMU-PDC complexes in a WAMS [42]. During the WAMS application processes, Mohammadi’s team suggested and analyzed several algorithms to determine the node–node iteration and provide a viable N-1 contingency for the effective operation of WAMS. Regarding the non-dominated sorting genetic algorithm, binary particle swarm optimization, and binary imperialistic competition algorithm, they found these inefficient in determining the safest and most efficient single path for PMU placement [42]. After analyzing different studies and their various means of placing PMUs, Mohammadi et al. identified the need to consider the communication infrastructure required by those designs and make the entire WAMS design and deployment both efficient and cost-effective [42]. In accomplishing these tasks, Premkumar et al. used the Dijkstra single-source shortest-path algorithm to determine the effective method of PMU-PDC deployment at a considerable communication infrastructure cost for WAMS to be advantageous in practice [1].

4. WAMS and Artificial Intelligence

As discussed above, WAMS addresses the fundamental issue of lacking situational awareness in a conventional SCADA infrastructure. Especially in a widely independent–interdependent energy infrastructure, the WAMS architecture can make the grid situationally aware and the conventional grid smarter without the need to overhaul a significant part of the design. In terms of complexity, the PMU, PDC, synchrophasor, and communications infrastructure technologies have seen different obstacles being presented that mitigate the deployment of the WAMS architecture on a grid [24]. As pointed out during the analysis of different communication infrastructures, the various algorithms needed for their deployment are as complex as WAMS [1,42]. In every engineering endeavor, the global optimum operation of every design is paramount, especially in terms of efficiency and cost. In the case of WAMS, Dijkstra’s algorithm is used, and an N-1 contingency may arise from the binary imperialistic competition algorithm. This must be duly calculated and analyzed [1,42]. The research in [42] also showed that communication infrastructure design can conform to the efficient PMU design and thus become more cost-effective. In practice, these deployments have been known to change based on load differences and load potentials developing across the different load centers on the grid [8,24]. AI, therefore, becomes necessary to conduct these complex calculations and algorithms to ensure a proper and effective means of deploying WAMS along the grid with the least number of PMUs to achieve the maximum situational awareness of the grid. The Dijkstra algorithm could be modified at any time with an AI infrastructure by considering other factors like fault lines and vulnerable sections in optimizing PMU node placement [42]. With AI technology, the effective means of maximizing the communication infrastructure becomes feasible and cost-effective. Once this is considered, multiple studies have shown that WAMS adoption would increase drastically across economies that lack the financial incentives to deploy a smart grid [1,5,11,44]. In the race to deploy renewable energy systems in transitioning to a green economy, especially in largely sunny sub-Saharan Africa, the deployment of solar generation is paramount [57]. The intermittency of renewable energy sources remains a significant challenge that must be addressed to prevent major blackouts and ensure a reliable power supply. This can be achieved through strategies such as minimizing energy losses and improving consumption efficiency [52]. WAMS, when integrated with AI, offer a transformative solution by enabling the real-time determination of the safest and most efficient single-PMU paths for energy transmission across the grid [58,59]. This integration leverages AI’s advanced computational capabilities to enhance the speed, accuracy, and reliability of grid monitoring and fault management.
AI significantly enhances the functionality of WAMS by refining metaheuristic optimization algorithms, including immune genetic algorithms, search trees, and simulated annealing, while simultaneously ensuring the robustness and integrity of the WAMS architecture [60,61]. These optimization techniques are critical in addressing fault detection, stability assessment, and system reliability, particularly in complex and evolving power grids.
Alhamrouni et al. identified several metaheuristic-based algorithms that form the backbone of AI deployment in power system networks. Their evaluation of four primary categories of optimization techniques—artificial neural networks (ANNs), fuzzy logic, evolutionary methods, and expert systems—highlighted the unique advantages of evolutionary-based algorithms, particularly those leveraging swarm intelligence, for power system optimization and fault detection [62,63]. Evolutionary algorithms offer self-adaptive mechanisms, global search capabilities, and robust convergence properties, making them well suited for dynamic power system environments where real-time decision making is essential. Among these, particle swarm optimization (PSO) has been widely recognized for its effectiveness in optimizing grid stability, designing protection schemes, and diagnosing faults [46,62,64]. PSO operates by mimicking the social behavior of particles (or agents) in a multidimensional space, allowing for the efficient exploration of search spaces and the identification of optimal solutions in power system applications. This technique has been particularly effective in enhancing fault detection precision, reducing response times, and improving grid resiliency. Polster et al. further emphasized the application of AI-driven optimization in WAMS-based systems by exploring hybrid optimization methods for fault detection [65]. Their research introduced a hybrid approach combining PSO techniques with Newton’s method, comparing it against traditional linearization techniques that have historically dominated the field. By leveraging PSO’s global optimization capabilities alongside Newton’s rapid convergence properties, their approach significantly improved fault localization accuracy, reduced computational complexity, and enhanced the overall adaptability of WAMS in dynamic grid environments [65]. These findings illustrate the growing role of AI-driven optimization in modern power system monitoring, demonstrating AI’s potential to revolutionize fault management, stability enhancement, and operational efficiency in smart grid architectures.
Despite their consistent use, the PSO algorithm still suffers from several limitations. PSO has limitations in handling fast-changing voltage and current parameters, which are common in dynamic grid conditions. On the other hand, ant colony optimization (ACO) and Bee Colony Optimization (BCO) overcome these limitations by offering adaptive protection schemes capable of responding to real-time changes in the grid. This adaptability makes ACO particularly suitable for ensuring grid stability under rapidly fluctuating conditions [62].
These advanced optimization techniques also provide a foundation for training AI models to detect and classify new fault patterns. AI systems, equipped with these models, can rapidly deploy adaptive protection schemes and reconfigure the grid in response to evolving conditions, thereby ensuring overall grid stability. The continuous learning capability of AI allows it to evolve alongside the grid, improving resilience and performance over time.
Furthermore, the integration of AI into WAMS has broader implications for the future of power systems. AI can serve as the cornerstone for a flexible AC transmission system (FACTS), enabling precise control of power flows and improving grid flexibility. It is also central to smart grid development, facilitating efficient energy management, demand response, and the integration of distributed energy resources. In modern CPPS, AI’s ability to process vast amounts of data in real time ensures enhanced situational awareness, fault detection, and mitigation. AI’s role in WAMS technology extends beyond simple optimization. It provides a comprehensive framework for enhancing grid stability, reliability, and adaptability in the face of increasing complexity and variability in modern energy systems. This synergy between AI and WAMS paves the way for a more resilient, efficient, and sustainable power grid capable of meeting the demands of renewable energy integration and evolving load dynamics. Optimization problems in WAMS can be addressed for the simultaneous modification and application of WAMS in degenerate power system networks [61]. Advanced communication infrastructure using fiber optics technology can also be flexibly employed in the WAMS architecture to achieve more cyber protection nominally guaranteed with GPS [25]. In simple terms, due to the high costs of PMUs and PDCs, it is not financially imperative to deploy PMUs on all system buses. With AI, the best possible path could be determined [61,66].

5. Cyber-Physical Power Systems and Smart Grid Development

The potential of the WAMS network to transform conventional power system networks is well established, but it comes with risks and concerns that potentially compound issues that smart grids were designed to solve [67]. The rise of modern communications systems means that existing power networks will inevitably be integrated to develop a more coherent smart grid architecture responsive to dynamic changes in the grid (as shown in Figure 6a) [67,68]. Despite the inevitability of the design, conventional power systems (especially those of sub-Saharan Africa) are naturally prone to conventional faults on a scale that threatens power system stability and operation. With a poor cybersecurity platform, highly volatile communications systems may be exploited to cause more damage to these networks [67].
Xu et al. pointed out different forms of cybersecurity attacks on CPPS integrated with Industry 4.0 tools, industrial ethernet, internet of things (IoT), and TCP/IP with the potential of testing the resilience of the CPPS [69,70]. With an analysis of the impact of cyberattacks on the Ukrainian power systems and the impact of natural hazards on CPPS, Xu et al. concluded that cybersecurity attacks on CPPS are categorized based on intent, which will then determine the form of protection strategies to be deployed on the network [69]. A CPPS, which is based on an ICS with high security requirements, can still fall prey to cybersecurity threats targeting integrity, availability, and confidentiality [67,69,71]. This paper’s analysis of the future role of AI in WAMS and CPPS makes this threat more concerning. In mitigating these looming issues, advancements in WAMS design (and especially its communication infrastructure) should be built on cybersecurity models [67,71]. An absence of this may cause chaos, especially in cases where natural hazards like storms can derail most wireless communication systems at specific frequencies. Xu et al. emphasized the impact of natural hazards on physical systems while mostly focusing on wireless compromising power system networks. They encourage a holistic view of natural hazards, citing the impact of 2008’s storms in China’s southern province where 678 power lines (500 kV) and 1432 towers (220 kV) collapsed, compromising the existing CPPS and making it tenuous for integrating potential smart grid infrastructures [69]. Disruptions to the physical power system network often impact the cyber infrastructure, which is also complex to maintain and replace since WAPS are mostly integrated and coupled together (as shown in Figure 6b) [67,72]. Consequently, cyber threats arise for the PMUs and WAMS infrastructure, e.g., from hackers introducing malware into low-risk systems incorporated into the larger networks responsible for regulating voltage and current levels in the system. In this situation, a greater impact can mean that DERs, which are constantly being integrated into the conventional grid, can become a conduit for more comprehensive cyber-attacks in CPPS [72]. Ashok et al. also highlighted that when considering WAPS, attention must be paid to their framework [31]. Cybersecurity threats are not only in software areas [16]. Their study pointed out that physical damage to the power system could be the basis of further cyber threats that can evolve and compromise the entire system. A WAMS, as shown in Figure 6b, could help facilitate this transition from traditional power system networks to comprehensive CPPS in sub-Saharan Africa. With this understanding, cybersecurity measures should address both the software and hardware of a power system network.
Yohanandhan et al. assessed different models of visualizing CPPS interaction models. In each instance of the graphical, mechanical, probabilistic, and simulation models, they identify the Petri net model as the only one of the graphical models capable of visualizing sCPPS models to define both the interaction phenomena between the continuous nature of conventional power systems and emphasize the dynamic nature of cyber systems integrated with CPPS [71]. This emphasis is needed if accurate simulations provide the assessment of possible cyber threats to potential WAMS-based models. Similarly, research studies by Karamdel et al. followed a similar position, suggesting that potential CPPS may also include cloud-based energy management systems. They argue that financially motivated attacks will therefore seek to compromise the energy systems, since cloud-based systems have the potential to reduce financial losses in smart grid systems [67]. Aside from these attacks, coordinated cyber-physical attacks are potential ways that CPPS could be compromised and infiltrated [51,73]. If WAMS are to be deployed in conventional power system networks to transform them into credible CPPS, optimization models for deploying PMUs on the smart grid networks are to be prioritized since most dynamic load-altering attacks exploit PMU placement on WAMS [51,67,71]. Mitigation strategies can include several layers of optimization models, including multilayer models that ensure that the different categories of cyber-physical attacks on PMUs, RTUs, and SCADA systems can be identified and accurately addressed to ensure overall CPPS integrity [53,68,69]. State estimation models, the foundation of most energy management systems, can be compromised using frequency transmission techniques like false data injection attacks targeting simple RTU-PMU placement on the lines, which can ensure isolation at critical physical and cyber conditions that can mitigate the collapse of erstwhile conventional systems and current smart grid architecture [67,71]. The asynchronous, dynamic, and concurrent nature of CPPS in the operation means that PMU and WAWS operation will both be dynamic and designed to be responsive, especially in cloud-based systems; therefore, in such cases, state estimation may be performed spontaneously for other dynamic assessments to be conducted [67,68,71]. In this scenario, a multi-level optimization could make the system respond to dynamic changes in transient systems, which are mostly avenues for compromising smart grid systems. In simple terms, a multi-level CPPS attack will require a multi-level optimized mitigation technique to address potential damage to both system integrity and financial models of CPPS [67]. These complex optimization techniques can be operated well using AI systems integrated into CPPS and smart grid architecture. In such AI-integrated smart grid systems, machine learning (ML) models can be designed to test for the Karush–Kuhn–Tucker (KKT) conditions, which are essential in processing the nonlinear programming data reported from the dynamic system operations [67,68].

6. Conclusions

SCADA systems have become an integral part of conventional power systems. Emerging economies including Nigeria and other African countries have adopted SCADA systems to integrate their multiple protection components, including current transformers, power transformers, and relays [74]. The SCADA systems in these countries promise more sensitivity and awareness. Still, the incessant reports of faults on the grid have made them mostly incapable of participating in recent conversations around clean energy and renewable energy technologies. WAMS using PMUs, RTUs, and, in some cases, some SCADA infrastructures have been able to fill the gap of power system development and expansion comprehensively. The rise of AI has sparked expert conversations about the evolution of WAMS to accommodate cybersecurity challenges that may compromise clean energy development and renewable energy integration into the grid. With the increase in energy consumption due to population and the high impact of climate change (heat wave), power system expansion and potential CPPS are required to meet this demand [72]. This demand can greatly compromise existing energy infrastructure, especially conventional power system infrastructure in Nigeria and sub-Saharan African countries. Most of these energy grid systems are marred by inflexibility making them unresponsive to dynamic changes occurring in the grid. While smart grid systems have been installed in most of these cases to integrate DERs into the grid, CPPS designs remain the feasible solution for the overall grid [68]. Environmental factors compromise some aged systems, making them prone to faults and grid collapse during energy crises. Energy experts and researchers have identified WAMS as the significant way of making these conventional systems into smart grids and potentially transforming them into cyber-physical power system networks operating via optical-fiber-powered systems. This revolution in energy configuration will become the needed factor in placing these developing-world economies to contribute and participate in modern renewable energy conversations. However, WAMS are known to be expensive, and their flexibility depends on the design model applied in distributing the PMUs across the power system infrastructure. AI can play a significant role in ensuring that the WAM infrastructure is distributed along the line in a way that is both affordable and operationally effective. However, the CPPS and smart grid systems may also become prone to cyber-physical attacks, which could heavily compromise power system operation. Optimization techniques are the safest approach to deploy PMUs on the grid cost-effectively and to improve the integrity of the overall systems. These issues of optimization are quite concerning since the data collected are numerous and dynamic. The dynamic nature of the CPPS and smart grids will mean that highly accurate stochastic analysis will be required to identify cyber threats and still carry out control functions. AI could be efficient in such roles: rapidly retrieving and processing data, flagging cyber threats, and stacking up CPPS and smart grid behaviors simultaneously. AI is already informing power system expansion, the growth of the smart grid, and algorithms to maximize energy efficiency [34,42]. The observability and controllability of the power system network will also be greatly increased since AI models can improve the collection and analysis of the PMU data along the line and provide recommendations to control system operators for decisive steps to ensure power system integrity. AI could rapidly respond to security breaches and shut down sensitive infrastructure that may compromise long-term operations.
In conclusion, integrating AI with WAMS offers transformative improvement in fault mitigation. While traditional SCADA systems have long served as the backbone for monitoring and controlling electrical grids, their limitations in real-time data processing and prediction are increasingly evident. By contrast, AI-enhanced WAMS leverage sophisticated ML algorithms and analytics to offer unprecedented situational awareness and fault prediction. These systems can process vast amounts of data from PMUs at high speeds, providing operators with real-time insights and predictive analytics that enable proactive fault detection and swift corrective actions.
Moreover, the adaptability of AI ensures that these systems can continuously learn from historical data and improve their predictive models, making them highly effective in anticipating and mitigating potential faults before they escalate into significant issues. This continuous learning starkly contrasts with the static nature of SCADA systems, which rely heavily on predefined rules and manual interventions. AI-driven WAMS can identify patterns and anomalies that may not be immediately apparent to human operators, thus providing grid reliability and resilience.
Finally, integrating AI with WAMS facilitates advanced applications in CPPS, such as automated fault location, isolation, and system restoration, which are critical for minimizing downtime and maintaining smart grid stability. The ability to rapidly respond to and recover from disturbances reduces the economic impact of power outages and improves the power system’s overall efficiency. In essence, the synergy between AI and WAMS mitigates faults more effectively than SCADA systems can. The combination ushers in a new era of intelligent, self-responsive, CPPS that far surpass the capabilities of traditional SCADA systems and WAMS individually. The future of power system management lies in this integration, promising more resilient, reliable, and efficient energy infrastructure.

7. Recommendations

The increasing complexity of modern and wide-area power systems, particularly in developing economies, highlights the need for advanced monitoring and control mechanisms to ensure grid reliability and support renewable energy integration. WAMS and its extended frameworks, including Wide-Area Monitoring and Control (WAMC), Wide-Area Protection and Control (WAMPAC), and Wide-Area Power, Control, and Monitoring (WAPCAM) systems, have emerged as key enablers of this transition. However, despite significant advancements in smart grid technology, limited research has explored the deployment of WAMS and their variations in traditional power system networks, especially in sub-Saharan Africa, where aging infrastructure and unstable grids persist. To address this gap, a structured approach is necessary, integrating real-time monitoring, AI-driven optimization, cybersecurity frameworks, and scalable financial models. This multi-prong approach is necessary for a robust sensitivity analysis to engage with regional stakeholders on the importance of WAMS in sustainable energy development.
A critical recommendation is the development of comprehensive models for deploying WAMS and WAMC, WAMPAC, and WAPCAM systems in WAPS across developing countries such as Nigeria and South Africa. These models should aim to enhance grid observability, improve fault detection, and enable large-scale renewable energy integration. Given the increasing penetration of DERs, such as solar photovoltaics (PVs) and wind power, future grid systems must leverage real-time synchrophasor data analytics to mitigate power fluctuations and ensure system stability. The integration of hybrid WAMS-SCADA frameworks can facilitate the transition from traditional power networks to adaptive smart grids, mitigating challenges associated with renewable energy intermittency and voltage fluctuations.
Another crucial area of focus is cybersecurity in CPPS and WAMS deployment. As power grids become more digitalized, the increasing vulnerability of PMUs, communication networks, and control centers to false data injection (FDI), denial-of-service (DoS) attacks, and malware infiltration remains a significant challenge. To enhance the security of WAMS-based systems, future grid architectures should integrate blockchain-based security mechanisms, AI-driven anomaly detection, and self-healing network protocols to safeguard against cyber threats. Furthermore, the interdependence between physical infrastructure and cyber networks must be addressed, as disruptions in physical grid components can trigger cascading failures in digital control systems. Additionally, a more robust cybersecurity system should be developed to strengthen the communication infrastructure required for WAMS deployment. This includes the adoption of security network protocols such as Transport Layer Security (TLS) to ensure encrypted data transmission and mitigate unauthorized access risks. As phishing attacks become more prevalent in PMU-based systems, increased efforts should be made to develop resilient authentication and intrusion detection frameworks to further secure power grid networks.
Ensuring the cost-effectiveness of WAMS deployment in developing economies is another key recommendation of this review. Some research suggests that the cost of deploying a PMU is more expensive than the PMUs themselves. This area must be swiftly improved to ensure a broader adoption of the technology. While industrialized nations have successfully integrated WAMS into their national grids, many developing countries face financial and infrastructural constraints. Strategies involving the development of low-cost PMUs, scalable fiber optic and 5G-enabled communication networks, and innovative financing models should be explored. Additionally, public–private partnerships and government-backed incentives can play a pivotal role in ensuring sustainable investments in energy infrastructure.
AI will be essential for optimizing WAMS functionality, particularly in fault detection, predictive maintenance, and grid resilience. The application of deep learning, reinforcement learning, and quantum computing will enable more accurate fault localization, reduced system downtime, and improved operational efficiency. By leveraging AI-enhanced WAMS, developing economies can optimize power flow dynamics, reduce transmission losses, and enhance the overall adaptability of their power grids.
Finally, policy standardization and regulatory frameworks must be established to ensure the interoperability and long-term sustainability of WAMS deployment. The absence of global WAMS implementation standards has resulted in fragmented adoption and compatibility issues across different grid infrastructures. Future efforts should prioritize the development of interoperability guidelines, cybersecurity compliance frameworks, and international research collaborations to ensure harmonized WAMS deployment across power networks.

Future Work

Although significant research has explored WAMS applications in modernized power systems, several gaps remain regarding its adaptation for traditional power grids, particularly in developing economies. Future research should focus on refining WAMS models that can be tailored to aging power infrastructures, improving fault detection mechanisms, and developing data-driven methodologies for optimizing grid expansion planning. This is especially crucial in Nigeria and South Africa, where frequent grid collapses and unreliable energy supply have hindered economic growth and industrial development.
A key area for future research is the expansion of WAMS to support renewable energy microgrid development. Many developing economies rely on off-grid and microgrid solutions to address energy access challenges [75,76]. Future studies should investigate how WAMS-enabled microgrid expansion can improve electrification in remote areas, ensuring grid stability while supporting decentralized renewable energy systems. Additionally, the WAMS-based optimization of distributed energy storage could play a crucial role in mitigating power supply fluctuations and enhancing overall system reliability.
Another pressing research avenue is the integration of AI-driven cybersecurity frameworks into WAMS-based power networks. With increasing cyber threats targeting critical power infrastructures, future work should explore adaptive cyber-physical security models that leverage machine learning and multi-agent systems to detect, mitigate, and prevent attacks in real time. Additionally, the development of self-learning cybersecurity architectures that can dynamically adjust to evolving threats will be instrumental in ensuring grid security in CPPS environments. Furthermore, enhanced protections against phishing attacks in PMU-based systems should be explored, as these attacks continue to pose a growing risk to data integrity and network security.
SGAM will also play a key role in the future development of WAMS. Future studies should establish methodologies for integrating WAMS within the SGAM’s five-layer framework, enhancing grid interoperability, observability, and efficiency. Identifying scaling challenges and proposing solutions for implementing SGAM in traditional power grids, particularly in sub-Saharan Africa, will be crucial for modernizing outdated grid infrastructure.
Finally, economic and policy research should be expanded to support large-scale WAMS deployment. Future studies should analyze financing models for widespread WAMS adoption, including opportunities for international investments in smart grid infrastructure. Additionally, investigating the long-term economic benefits of WAMS deployment, particularly in relation to grid stability, renewable energy penetration, and industrial growth, will provide crucial insights for policymakers and energy stakeholders.

Author Contributions

Conceptualization, C.E.O. and S.O.O.; methodology, C.E.O.; software, C.E.O. and J.T.; validation, C.E.O., J.T. and S.O.O.; formal analysis, C.E.O. and S.O.O.; investigation, C.E.O. and J.T.; resources, C.E.O., J.T. and S.O.O.; data curation, C.E.O.; writing—original draft preparation, C.E.O.; writing—review and editing, C.E.O., J.T. and S.O.O.; visualization, C.E.O. and J.T.; supervision, J.T. and S.O.O.; project administration, J.T. and S.O.O.; funding acquisition, J.T. and C.E.O. All authors have read and agreed to the published version of the manuscript.

Funding

This research was funded by Carnegie Mellon University Africa and CMU Libraries.

Data Availability Statement

No new data were created or analyzed in this study. Data sharing is not applicable to this article.

Conflicts of Interest

Author Jesse Thornburg is an owner of Grid Fruit, LLC. The remaining authors declare that the research was conducted in the absence of any commercial or financial relationships that could be construed as a potential conflict of interest.

Abbreviations

The following abbreviations are used in this manuscript:
ACOAnt colony optimization;
AIArtificial intelligence;
ANNArtificial neural network;
CPPSCyber-physical power system;
DERDistributed energy resource;
EMSEnergy management system;
FACTSFlexible AC transmission system;
GPSGlobal Positioning System;
IoTInternet of things;
IPInternet protocol;
KKTKarush–Kuhn–Tucker;
NANNeighborhood area network;
PDCPhasor data controller;
PMUPhasor measurement unit;
PSOParticle swarm optimization;
RTURemote terminal unit;
SCADASupervisory control and data acquisition;
SGAMSmart Grid Architecture Model;
SMTSynchrophasor measurement technology;
WAMSWide-area measurement system;
WAMCWide-area monitoring and control;
WAMPACWide-area monitoring, protection, and control;
WANWide-Area network;
WAPCAMWide-area power control and monitoring;
WAPSWide-area power system.

References

  1. Premkumar, S.; Susithra, M.; Saminadan, V. Performance Analysis of Smart Grid Communication Network Architecture for WAMS. In Innovations in Electronics and Communication Engineering, Proceedings of the 6th ICIECE 2017, Hyderabad, India, 17–18 August 2018; Lecture Notes in Networks and Systems; Springer: Singapore, 2018; pp. 347–354. [Google Scholar]
  2. Wilson, V.; Li, F.; Thornburg, J.; Mohammadi, J.; Martinez, J. Energy Savings Through Refrigeration Load Control with Assessment of Commercial Potential: Lowering peak power and electricity bills through optimal demand scheduling. IEEE Electrif. Mag. 2024, 12, 66–76. [Google Scholar] [CrossRef]
  3. Siyoi, V.; Nthontho, M.; Chowdhury, S.; Chowdhury, S.P. Wide Area Monitoring for Power System Protection—A Review. In Proceedings of the IEEE International Conference on Power System Technology, Auckland, New Zealand, 30 October–2 November 2012. [Google Scholar]
  4. Dileep, G. A survey on smart grid technologies and applications. Renew. Energy 2020, 146, 2589–2625. [Google Scholar] [CrossRef]
  5. Hojabri, M.; Dersch, U.; Papaemmanouil, A.; Bosshart, P. A Comprehensive Survey on Phasor Measurement Unit Applications in Distribution Systems. Energies 2019, 12, 4552. [Google Scholar] [CrossRef]
  6. Goodman, C.; Thornburg, J.; Mohammadi, J. Optimization of Refrigeration Defrost Schedules for Demand Shifting in Commercial Buildings. In Proceedings of the 2021 IEEE Green Technologies Conference (GreenTech), Denver, CO, USA, 7–9 April 2021; pp. 201–208. [Google Scholar] [CrossRef]
  7. Goodman, C.; Thornburg, J.; Ramaswami, S.K.; Mohammadi, J. Load Forecasting of Food Retail Buildings with Deep Learning. In Proceedings of the 2021 IEEE PES Innovative Smart Grid Technologies Conference-Latin America (ISGT Latin America), Lima, Peru, 15–17 September 2021; pp. 1–5. [Google Scholar] [CrossRef]
  8. Castellani, F.; Astolfi, D.; Natili, F. SCADA data analysis methods for diagnosis of electrical faults to wind turbine generators. Appl. Sci. 2021, 11, 3307. [Google Scholar] [CrossRef]
  9. Peeters, C.; Verstraeten, T.; Nowé, A.; Helsen, J. Wind Turbine Planetary Gear Fault Identification Using Statistical Condition Indicators and Machine Learning. In Proceedings of the 2019 International Conference on Prognostics and System Health Management (PHM), Paris, France, 2–5 May 2019. [Google Scholar]
  10. Al-Odienat, A.; Alawasa, K.; Abu-Jaradeh, B.; Al-Walidi, K.; Dawood, M. Implementation of Wide-Area Monitoring System (WAMS) in Jordanian National Grid. In Proceedings of the 2021 IEEE Jordan International Joint Conference on Electrical Engineering and Information Technology (JEEIT), Amman, Jordan, 16–18 November 2021; IEEE: Piscataway, NJ, USA, 2021; pp. 108–113. [Google Scholar]
  11. Aminifar, F.; Fotuhi-Firuzabad, M.; Shahidehpour, M.; Safdarian, A. Impact of WAMS Malfunction on Power System Reliability Assessment. IEEE Trans. Smart Grid 2012, 3, 1302–1309. [Google Scholar] [CrossRef]
  12. Zhao, J.; Tan, J.; Wu, L.; Zhan, L.; Yao, W.; Liu, Y. Impact of the Measurement Errors on Synchrophasor-Based WAMS Applications. IEEE Access 2019, 7, 143960–143972. [Google Scholar] [CrossRef]
  13. Song, Z.; Hackl, C.M.; Anand, A.; Thommessen, A.; Petzschmann, J.; Kamel, O.; Braunbehrens, R.; Kaifel, A.; Roos, C.; Hauptmann, S. Digital Twins for the Future Power System: An Overview and a Future Perspective. Sustainability 2023, 15, 5259. [Google Scholar] [CrossRef]
  14. Zamani, R.; Panahi, H.; Abyaz, A.; Alhelou, H.H. Introduction to WAMS and Its Applications for Future Power System. In Power Systems; Springer: Berlin/Heidelberg, Germany, 2020; pp. 45–69. [Google Scholar]
  15. Sundararajan, A.; Khan, T.; Moghadasi, A.; Sarwat, A.I. Survey on synchrophasor data quality and cybersecurity challenges, and evaluation of their interdependencies. J. Mod. Power Syst. Clean Energy 2018, 7, 449–467. [Google Scholar] [CrossRef]
  16. Jamil, N.; Qassim, Q.S.; Bohani, F.A.; Mansor, M.; Ramachandaramurthy, V.K. Cybersecurity of Microgrid: State-of-the-Art review and possible directions of future research. Appl. Sci. 2021, 11, 9812. [Google Scholar] [CrossRef]
  17. Panda, D.K.; Das, S. Smart grid architecture model for control, optimization and data analytics of future power networks with more renewable energy. J. Clean. Prod. 2021, 301, 126877. [Google Scholar] [CrossRef]
  18. Manoj, K.S. Power System Automation; Notion Press: Chennai, India, 2021. [Google Scholar]
  19. Nuthalapati, S. Power System Grid Operation Using Synchrophasor Technology; Springer: Berlin/Heidelberg, Germany, 2018. [Google Scholar]
  20. Sayed, K.; Abo-Khalil, A.G.; Eltamaly, A.M. Wind Power Plants Control Systems Based on SCADA System. In Green Energy and Technology; Springer: Berlin/Heidelberg, Germany, 2021; pp. 109–151. [Google Scholar]
  21. Paramo, G.; Bretas, A.; Meyn, S. Research Trends and Applications of PMUs. Energies 2022, 15, 5329. [Google Scholar] [CrossRef]
  22. Alhelou, H.H.; Golshan, M.E.H.; Njenda, T.C.; Hatziargyriou, N.D. An Overview of UFLS in Conventional, Modern, and Future Smart Power Systems: Challenges and Opportunities. Electr. Power Syst. Res. 2020, 179, 106054. [Google Scholar] [CrossRef]
  23. Suhaimy, N.; Radzi, N.A.M.; Ahmad, W.S.H.M.W.; Azmi, K.H.M.; Hannan, M.A. Current and Future Communication Solutions for Smart Grids: A Review. IEEE Access 2022, 10, 43639–43668. [Google Scholar] [CrossRef]
  24. Appasani, B.; Mohanta, D.K. A review on synchrophasor communication system: Communication technologies, standards and applications. Prot. Control. Mod. Power Syst. 2018, 3, 37. [Google Scholar] [CrossRef]
  25. Alhelou, H.H.; Abdelaziz, A.Y.; Siano, P. Wide Area Power Systems Stability, Protection, and Security; Springer Nature: Berlin/Heidelberg, Germany, 2020. [Google Scholar]
  26. Sospiro, P.; Harper, J.; Easton, M. Smart Grid in China, EU, and the US: State of Implementation. Energies 2021, 14, 5637. [Google Scholar] [CrossRef]
  27. Leibovich, P.; Issouribehere, F.; Barbero, J. IoT Platforms for WAMS Systems: A complete Synchrophasor Measurement System in the Cloud. In Proceedings of the 2022 IEEE Power and Energy Society General Meeting (PESGM), Denver, CL, USA, 17–21 July 2022. [Google Scholar]
  28. Chintakindi, R.; Mitra, A. WAMS challenges and limitations in load modeling, voltage stability improvement, and controlled island protection-A review. Energy Rep. 2022, 8, 699–709. [Google Scholar] [CrossRef]
  29. Vahidi, S.; Ghasemi, H.; Shamsollahi, P.; Mazloom, A.; Amini, B. Security of Wide-Area Monitoring, Protection, and Control (WAMPAC) Systems of the Smart Grid: A Survey on Challenges and Opportunities. IEEE Commun. Surv. Tutor. 2023, 25, 1294–1335. [Google Scholar] [CrossRef]
  30. Khan, M.W.; Siddiqui, I.; Ahmad, Z. Optimal Control and Communication Strategies in Multi-Energy Generation Grid. IEEE Commun. Surv. Tutor. 2023, 25, 2599–2653. [Google Scholar] [CrossRef]
  31. Ashok, V.; Yadav, A.; Abdelaziz, A.Y. A Comprehensive Review on Wide-Area Protection, Control and Monitoring Systems. In Wide Area Power Systems Stability, Protection, and Security; Springer: Berlin/Heidelberg, Germany, 2020; pp. 1–43. [Google Scholar]
  32. Talpur, S.; Lie, T.T. PMU based WAMC application in multi-modular HVDC based large scale solar system. In Proceedings of the 2017 IEEE Innovative Smart Grid Technologies-Asia (ISGT-Asia), Auckland, New Zealand, 4–7 December 2017; pp. 1–3. [Google Scholar] [CrossRef]
  33. Rao, A.N.; Priya, P.V.; Kowsalya, M.; Gnanadass, R. Wide area monitoring for energy system: A review. Int. J. Ambient. Energy 2017, 40, 537–553. [Google Scholar] [CrossRef]
  34. Goodman, C.; Thornburg, J.; Ramaswami, S.K.; Mohammadi, J. Building power grid 2.0: Deep learning and federated computations for energy decarbonization and edge resilience. In Deep Learning Applications, Volume 3; Advances in Intelligent Systems and Computing; Wani, M.A., Raj, B., Luo, F., Dou, D., Eds.; Springer Nature: Berlin/Heidelberg, Germany, 2022; Volume 1395, pp. 215–230. [Google Scholar] [CrossRef]
  35. Zhou, Z.; Zhang, X.; Zhang, J.; Taylor, M. Comprehensive review on dynamic state estimation techniques with cybersecurity applications. IET Smart Grid 2024, 7, 370–385. [Google Scholar] [CrossRef]
  36. Nadeem, M.; Qureshi, S.; Taylor, P. Dynamic State Estimation of Nonlinear Differential Algebraic Equation Models of Power Networks. IEEE Trans. Power Syst. 2023, 38, 2539–2552. [Google Scholar] [CrossRef]
  37. Darmis, O.; Korres, G. A Survey on Hybrid SCADA/WAMS State Estimation Methodologies in Electric Power Transmission Systems. Energies 2023, 16, 618. [Google Scholar] [CrossRef]
  38. Saleem, M.U.; Ashraf, I.; Iqbal, S. Design, Deployment and Performance Evaluation of an IoT Based Smart Energy Management System for Demand Side Management in Smart Grid. IEEE Access 2022, 10, 15261–15278. [Google Scholar] [CrossRef]
  39. Jamal, S.; Hussain, A.; Rehman, Z. A Review of Energy Management and Power Management Systems for Microgrid and Nanogrid Applications. Sustainability 2021, 13, 10331. [Google Scholar] [CrossRef]
  40. Pandit, R.; Astolfi, D.; Hong, J.; Infield, D.; Santos, M. SCADA data for wind turbine data-driven condition/performance monitoring: A review on state-of-art, challenges and future trends. Wind Eng. 2022, 47, 422–441. [Google Scholar] [CrossRef]
  41. Heidemann, J.; Kumar, M.; Basu, S. Research Challenges and Applications for Underwater Sensor Networking. IEEE Wirel. Commun. Netw. Conf. (WCNC) 2006, 1, 228–235. [Google Scholar]
  42. Mohammadi, M.B.; Hooshmand, R.-A.; Fesharaki, F.H. A New Approach for Optimal Placement of PMUs and Their Required Communication Infrastructure in Order to Minimize the Cost of the WAMS. IEEE Trans. Smart Grid 2016, 7, 84–93. [Google Scholar] [CrossRef]
  43. Biswal, C.; Sharma, A.; Singh, N. Real-Time Grid Monitoring and Protection: A Comprehensive Survey on the Advantages of Phasor Measurement Units. Energies 2023, 16, 4054. [Google Scholar] [CrossRef]
  44. Vincent, E.N.; Yusuf, S.D. Integrating Renewable Energy and Smart Grid Technology into the Nigerian Electricity Grid System. Smart Grid Renew. Energy 2014, 5, 220–238. [Google Scholar] [CrossRef]
  45. Gore, R.N.; Valsan, S.P. Wireless communication technologies for smart grid (WAMS) deployment. In Proceedings of the 2022 IEEE International Conference on Industrial Technology (ICIT), Lyon, France, 20–22 February 2018; Volume ii, pp. 1326–1331. [Google Scholar] [CrossRef]
  46. Cruz, M.A.R.S.; Rocha, H.R.O.; Paiva, M.H.M.; Segatto, M.E.V.; Camby, E.; Caporossi, G. An algorithm for cost optimization of PMU and communication infrastructure in WAMS. Int. J. Electr. Power Energy Syst. 2018, 106, 96–104. [Google Scholar] [CrossRef]
  47. Saoud, A.; Recioui, A. PMU Reporting Rate Optimization for Data Transfer Enhancement in Wide Area Monitoring Systems. In Proceedings of the 2020 International Conference on Electrical Engineering (ICEE), Istanbul, Turkey, 5–27 September 2020. [Google Scholar]
  48. Goldstein, A.; Maragal, D. Synchrophasor Measurement System Industry Standards and Guidance: A Comprehensive Overview. IEEE Trans. Power Deliv. 2024, 39, 1687–1696. [Google Scholar] [CrossRef]
  49. Bhonsle, J.; Junghare, A. Optimal placing of PMUs in a constrained grid: An approach. Turk. J. Electr. Eng. Comput. Sci. Elektr. 2016, 24, 4508–4516. [Google Scholar] [CrossRef]
  50. Almalaq, A.; Albadran, S.; Mohamed, M. Deep Machine Learning Model-Based Cyber-Attacks detection in smart power systems. Mathematics 2022, 10, 2574. [Google Scholar] [CrossRef]
  51. Avatefipour, O.; Al-Sumaiti, A.S.; El-Sherbeeny, A.M.; Awwad, E.M.; Elmeligy, M.A.; Mohamed, M.A.; Malik, H. An intelligent secured framework for cyberattack detection in electric vehicles’ CAN bus using machine learning. IEEE Access 2019, 7, 127580–127592. [Google Scholar] [CrossRef]
  52. Morales, J.M.; Conejo, A.J.; Madsen, H.; Pinson, P.; Zugno, M. Integrating Renewables in Electricity Markets; Springer Science and Business Media: Berlin/Heidelberg, Germany, 2013. [Google Scholar]
  53. Ivanov, I.; Dimova, R. Testbed for One-Way IP Packet Delay Measurement in Smart Grid WAMS Applications Based on IEEE C37.118. Comput. Sci. Commun. 2014, 1, 78–85. [Google Scholar]
  54. Rouhani, S.H.; Su, C.-L.; Mobayen, S.; Razmjooy, N.; Elsisi, M. Cyber resilience in renewable Microgrids: A Review of Standards, Challenges, and Solutions. Energy 2024, 309, 133081. [Google Scholar] [CrossRef]
  55. Hassak, S.D.; Leger, A.S.; Oh, H.; Opila, D.F. Implementing a PMU Based Linear State Estimator on a Single Board Computer. In Proceedings of the 2022 North American Power Symposium (NAPS), Salt Lake City, UT, USA, 9–11 October 2022. [Google Scholar]
  56. Khalid, H.M.; Flitti, F.; Mahmoud, M.S.; Hamdan, M.M.; Muyeen, S.M.; Dong, Z.Y. Wide area monitoring system operations in modern power grids: A median regression function-based state estimation approach towards cyber attacks. Sustain. Energy Grids Netw. 2023, 34, 101009. [Google Scholar] [CrossRef]
  57. Santos, F.C.D.; Thornburg, J.; Ustun, T.S. Automated Planning of Rooftop PV Systems with Aerial Image Processing. In Proceedings of the 2018 IEEE PES Asia-Pacific Power and Energy Engineering Conference (APPEEC), Kota Kinabalu, Malaysia, 7–10 October 2018; IEEE: Piscataway, NJ, USA, 2018; pp. 736–740. [Google Scholar] [CrossRef]
  58. Zhao, S.; Blaabjerg, F.; Wang, H. An Overview of Artificial Intelligence Applications for Power Electronics. IEEE Trans. Power Electron. 2021, 36, 4633–4658. [Google Scholar] [CrossRef]
  59. Shi, Z.; Yao, W.; Li, Z.; Zeng, L.; Zhao, Y.; Zhang, R.; Tang, Y.; Wen, J. Artificial intelligence techniques for stability analysis and control in smart grids: Methodologies, applications, challenges and future directions. Appl. Energy 2020, 278, 115733. [Google Scholar] [CrossRef]
  60. Mabrouki, J.; Darghouth, R.; Hamdi, N. Advanced Technology for Smart Environment and Energy; Springer Nature: Berlin/Heidelberg, Germany, 2023. [Google Scholar]
  61. Abdelaziz, A.Y.; Aleem, S.H.E.A.; Yadav, A. Artificial Intelligence Applications in Electrical Transmission and Distribution Systems Protection; Springer Nature: Berlin/Heidelberg, Germany, 2021. [Google Scholar]
  62. Alhamrouni, I.; Kahar, N.H.A.; Salem, M.; Swadi, M.; Zahroui, Y.; Kadhim, D.J.; Mohamed, F.A.; Nazari, M.A. A Comprehensive review on the role of Artificial intelligence in power system stability, control, and Protection: Insights and future Directions. Appl. Sci. 2024, 14, 6214. [Google Scholar] [CrossRef]
  63. Almalaq, A.; Albadran, S.; Alghadhban, A.; Jin, T.; Mohamed, M.A. An Effective Hybrid-Energy Framework for Grid Vulnerability Alleviation under Cyber-Stealthy Intrusions. Mathematics 2022, 10, 2510. [Google Scholar] [CrossRef]
  64. Hadi Abdulwahid, A.; Wang, S. A Novel Method of Protection to Prevent Reverse Power Flow Based on Neuro-Fuzzy Networks for Smart Grid. Sustainability 2018, 10, 1059. [Google Scholar] [CrossRef]
  65. Polster, S.; Renner, H.; Schürhuber, R.; Friedl, K. On WAMS-based emergency outage detection using optimization. Int. J. Electr. Power Energy Syst. 2021, 131, 107006. [Google Scholar] [CrossRef]
  66. El-Ela, A.A.A.; Mouwafi, M.T.; Elbaset, A.A. Modern Optimization Techniques for Smart Grids; Springer Nature: Berlin/Heidelberg, Germany, 2022. [Google Scholar]
  67. Karamdel, S.; Liang, X.; Faried, S.O.; Mitolo, M. Optimization models in cyber-physical power systems: A review. IEEE Access 2022, 10, 130469–130486. [Google Scholar] [CrossRef]
  68. Kumar, S.; Soni, M.K.; Jain, D.K. Cyber security threats in synchrophasor system in WAMS. Int. J. Comput. Appl. 2015, 115, 17–22. [Google Scholar] [CrossRef]
  69. Xu, L.; Guo, Q.; Sheng, Y.; Muyeen, S.; Sun, H. On the resilience of modern power systems: A comprehensive review from the cyber-physical perspective. Renew. Sustain. Energy Rev. 2021, 152, 111642. [Google Scholar] [CrossRef]
  70. Chen, J.; Mohamed, M.A.; Dampage, U.; Rezaei, M.; Salmen, S.H.; Al Obaid, S.; Annuk, A. A Multi-Layer Security Scheme for Mitigating Smart Grid Vulnerability against Faults and Cyber-Attacks. Appl. Sci. 2021, 11, 9972. [Google Scholar] [CrossRef]
  71. Yohanandhan, R.V.; Elavarasan, R.M.; Manoharan, P.; Mihet-Popa, L. Cyber-Physical Power System (CPPS): A Review on Modeling, Simulation, and Analysis with Cyber Security Applications. IEEE Access 2020, 8, 151019–151064. [Google Scholar] [CrossRef]
  72. Paul, S.; Ding, F.; Utkarsh, K.; Liu, W.; O’Malley, M.J.; Barnett, J. On Vulnerability and Resilience of Cyber-Physical Power Systems: A Review. IEEE Syst. J. 2021, 16, 2367–2378. [Google Scholar] [CrossRef]
  73. Calderón, D.; Folgado, F.J.; González, I.; Calderón, A.J. Implementation and experimental application of industrial IoT architecture using automation and IoT Hardware/Software. Sensors 2024, 24, 8074. [Google Scholar] [CrossRef]
  74. Ahaotu, M.C.; Ogbogu, C.E.; Thornburg, J.; Akwukwaegbu, I.O. Simulation of PEM Electrolyzer Power Management with Renewable Generation in Owerri, Nigeria. Energies 2025, 18, 208. [Google Scholar] [CrossRef]
  75. Thornburg, J.; Krogh, B.H. A tool for assessing demand-side management and operating strategies for isolated microgrids. Energy Sustain. Dev. 2021, 64, 15–24. [Google Scholar] [CrossRef]
  76. Thornburg, J.; Ustun, T.S.; Krogh, B. Smart microgrid operation simulator for management and electrification planning. In Proceedings of the 2016 IEEE PES PowerAfrica, Livingstone, Zambia, 28 June–3 July 2016; pp. 1–5. [Google Scholar] [CrossRef]
Figure 1. Schematic of a typical WAMS implementation [15].
Figure 1. Schematic of a typical WAMS implementation [15].
Energies 18 00994 g001
Figure 2. A typical infinite-bus power grid model.
Figure 2. A typical infinite-bus power grid model.
Energies 18 00994 g002
Figure 3. Centralized wide-area measurement system (WAMS) architecture [46].
Figure 3. Centralized wide-area measurement system (WAMS) architecture [46].
Energies 18 00994 g003
Figure 5. Operationalization of PMU-based WAMS in infinite-bus grid model with communication system.
Figure 5. Operationalization of PMU-based WAMS in infinite-bus grid model with communication system.
Energies 18 00994 g005
Figure 6. (a) Block diagram of how WAMS integrates into physical power system through strategic PMU deployment to become CPPS. (b) Schematic of potential application in multi-energy system with wide-area network (WAN) and neighborhood-area network (NAN).
Figure 6. (a) Block diagram of how WAMS integrates into physical power system through strategic PMU deployment to become CPPS. (b) Schematic of potential application in multi-energy system with wide-area network (WAN) and neighborhood-area network (NAN).
Energies 18 00994 g006
Table 1. Table showing some areas of WAMS currently explored and the extensive academic interest in WAMS.
Table 1. Table showing some areas of WAMS currently explored and the extensive academic interest in WAMS.
S/NWAMS Technology ExploredAreas of Power SystemTechnology ConsideredReference
1.SMTMonitoringPMUs+SCADA[1,3,6]
2.Wireless Communication TechnologiesMonitoring, smart gridPMUs+SCADA[10]
3.Wide-Area Power Control and Monitoring
(WAPCAM)
Monitoring, fault detection, power quality, Smart Grid Architecture Model, and wide-area power system observabilitySMTs+SCADA+RTUs+PDCs+GPS[31]
4.Wide-Area Measurement and Control Systems (WAMCS)Data quality, fault location, and multi-energy complementary systemsPMUs+SCADA+PDCs+GPS[32,33]
5.Wide-Area Monitoring,
Protection, and Control (WAMPAC)
Monitoring, fault detection, and controlEMS+PMUs+SMTs[3,29]
Disclaimer/Publisher’s Note: The statements, opinions and data contained in all publications are solely those of the individual author(s) and contributor(s) and not of MDPI and/or the editor(s). MDPI and/or the editor(s) disclaim responsibility for any injury to people or property resulting from any ideas, methods, instructions or products referred to in the content.

Share and Cite

MDPI and ACS Style

Ogbogu, C.E.; Thornburg, J.; Okozi, S.O. Smart Grid Fault Mitigation and Cybersecurity with Wide-Area Measurement Systems: A Review. Energies 2025, 18, 994. https://doi.org/10.3390/en18040994

AMA Style

Ogbogu CE, Thornburg J, Okozi SO. Smart Grid Fault Mitigation and Cybersecurity with Wide-Area Measurement Systems: A Review. Energies. 2025; 18(4):994. https://doi.org/10.3390/en18040994

Chicago/Turabian Style

Ogbogu, Chisom E., Jesse Thornburg, and Samuel O. Okozi. 2025. "Smart Grid Fault Mitigation and Cybersecurity with Wide-Area Measurement Systems: A Review" Energies 18, no. 4: 994. https://doi.org/10.3390/en18040994

APA Style

Ogbogu, C. E., Thornburg, J., & Okozi, S. O. (2025). Smart Grid Fault Mitigation and Cybersecurity with Wide-Area Measurement Systems: A Review. Energies, 18(4), 994. https://doi.org/10.3390/en18040994

Note that from the first issue of 2016, this journal uses article numbers instead of page numbers. See further details here.

Article Metrics

Back to TopTop