Sign in to use this feature.

Years

Between: -

Subjects

remove_circle_outline
remove_circle_outline
remove_circle_outline
remove_circle_outline
remove_circle_outline
remove_circle_outline
remove_circle_outline
remove_circle_outline

Journals

Article Types

Countries / Regions

Search Results (138)

Search Parameters:
Keywords = dual motor drive system

Order results
Result details
Results per page
Select all
Export citation of selected articles as:
24 pages, 5531 KB  
Article
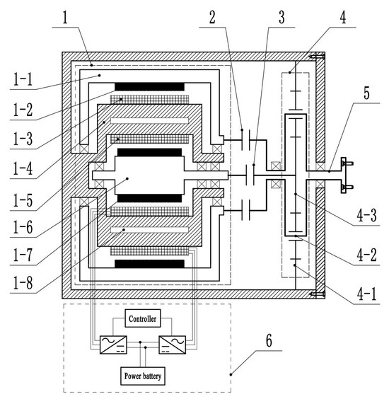
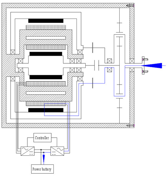
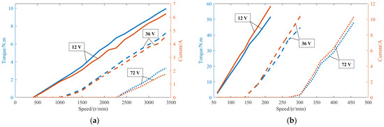
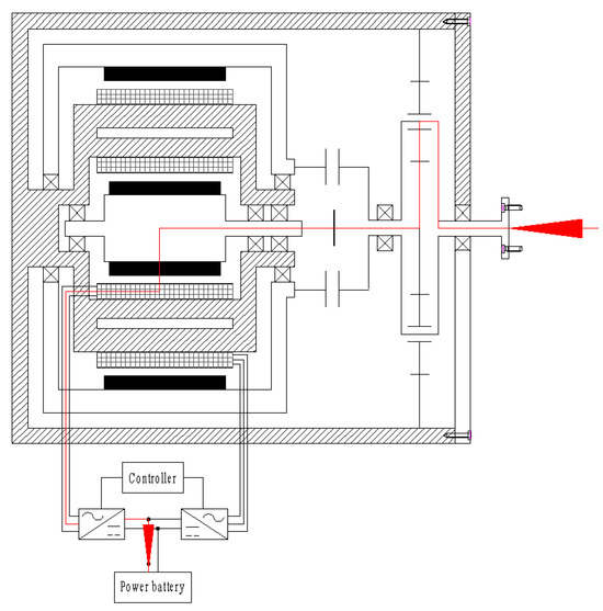
Regenerative Braking Torque Allocation Strategy for Dual-Rotor In-Wheel Motor Drive Electric Vehicle Based on the Maximum System Energy Recovery
by Junmin Li, Wenguang Guo, Zhihan Wang and Shuaiqi Zheng
World Electr. Veh. J. 2026, 17(1), 29; https://doi.org/10.3390/wevj17010029 - 6 Jan 2026
Viewed by 64
Abstract
The dual-rotor in-wheel motor (DRIWM) drive electric vehicle has multiple braking modes. Determining how to select the most suitable braking mode for the current driving conditions and dynamically allocate the regenerative braking torque of the inner and outer motors is the key to [...] Read more.
The dual-rotor in-wheel motor (DRIWM) drive electric vehicle has multiple braking modes. Determining how to select the most suitable braking mode for the current driving conditions and dynamically allocate the regenerative braking torque of the inner and outer motors is the key to achieving maximum energy recovery. On the basis of regenerative braking characteristic analyses of the DRIWM, the switching rules of the vehicle braking modes were designed based on the optimal system efficiency, and the specific working ranges of various braking modes were determined. According to the efficiency characteristics of the inner and outer motors, a regenerative braking torque allocation strategy based on the principle of maximizing the system energy recovery was proposed in the dual-motor coupled regenerative braking mode. The simulation results show that, during the entire CLTC-P cycle condition, the three regenerative braking modes of the DRIWM can effectively recover braking energy within their designed working ranges. Moreover, both the inner motor and outer motor can operate at the best efficiency when they undertake the optimal braking torque to achieve the maximum braking energy recovery. The experimental results show that a variable voltage charging scheme for the DRIWM is adopted, which can further ensure that both the inner and outer motors can simultaneously store energy with the maximum efficiency to the power battery pack. Full article
(This article belongs to the Section Vehicle and Transportation Systems)
Show Figures

Figure 1

16 pages, 10088 KB  
Article
A Reliable Control Strategy for Dual Induction Motor Drive System Consisting of Five-Leg Inverter
by EunWoo Lee, Juyeon Lee and June-Seok Lee
Appl. Sci. 2026, 16(1), 530; https://doi.org/10.3390/app16010530 - 5 Jan 2026
Viewed by 59
Abstract
This paper proposes a reliable control strategy for dual induction motor drives using a five-leg inverter (FLI). Since the FLI has the structural characteristic where both motors share a common leg, the current of the common leg can flow at twice the magnitude [...] Read more.
This paper proposes a reliable control strategy for dual induction motor drives using a five-leg inverter (FLI). Since the FLI has the structural characteristic where both motors share a common leg, the current of the common leg can flow at twice the magnitude of the other leg currents. To prevent this overcurrent, this paper proposes a reliable integrated control strategy for both normal and open-circuit fault conditions in the FLI. Under normal conditions, overcurrent can occur when the phase and frequency of the current for both motors are distinct; therefore, the angle controller and current limitation prevent overcurrent. In contrast, an open-circuit fault in the FLI can cause overcurrent due to altered current paths. To ensure a safe shutdown, identifying the specific location of the faulty switch is essential. Therefore, fault diagnosis is required using the stator currents. Once the fault is located, a fault-tolerant method is applied to safely stop the motors, considering both the fault location and the rated current of the common leg. Consequently, the proposed system enables reliable operation of dual induction motor drives under various conditions. The experimental results verify the effectiveness of the proposed system. Full article
Show Figures

Figure 1

25 pages, 8685 KB  
Article
Research on Maize Precision Seeding Control Based on RIME-BP-PID
by Yitian Sun, Haiyang Liu, Yongjia Sun, Xianying Feng and Peng Zhang
Machines 2026, 14(1), 47; https://doi.org/10.3390/machines14010047 - 29 Dec 2025
Viewed by 208
Abstract
This paper addresses the insufficient speed control accuracy observed in traditional seeding systems. This paper proposes an electric drive seeding control method that incorporates a composite control strategy combining the Rime optimization algorithm (RIME) with a backpropagation neural network (BPNN). Firstly, the architecture [...] Read more.
This paper addresses the insufficient speed control accuracy observed in traditional seeding systems. This paper proposes an electric drive seeding control method that incorporates a composite control strategy combining the Rime optimization algorithm (RIME) with a backpropagation neural network (BPNN). Firstly, the architecture including radar/proximity switch dual-mode speed measurement, STM32F103 main control, and asymmetric half-bridge drive was constructed. Based on the kinematic model, a motor speed-plant spacing mapping relationship was derived to complete the selection of a brushless DC motor. Secondly, this study addresses the issues of large overshoot in traditional PID control, response lag in fuzzy PID, and local optima in BP-PID. To overcome these challenges, the RIME algorithm is employed to optimize the weight-updating mechanism of the backpropagation neural network (BPNN). The soft RIME search facilitates multi-directional exploration, while the hard RIME puncture enhances global optimization capability, significantly improving the adaptive accuracy of the parameters. The simulation results showed that the adjustment time of the proposed RIME-BP-PID in the step response is 73.8% shorter than the BP-PID, and the overshoot is reduced to 0.23%. The square wave tracking error is 27.8% of the traditional PID. The bench test was carried out at 6–12 km/h speed and 200–300 mm. The results showed that, compared with BP-PID, the qualified index of RIME-BP-PID increased by 1.67–1.94 percentage points, the missed seeding index decreased by 1.25–1.80 percentage points, and the coefficient of variation decreased by 4.90–5.82 percentage points. The algorithm effectively solves the problem of the strong nonlinear time-varying control of a seeding system and provides theoretical support for the research and development of precision agricultural equipment. Full article
(This article belongs to the Section Automation and Control Systems)
Show Figures

Figure 1

25 pages, 6378 KB  
Article
Research on Efficiency Characteristics Modeling and Control Strategy of Dual Continuously Variable Transmission System with Series Combination of “Drive Motor-Hydrostatic Transmission Device-Wet Multi-Clutch Power Shift Transmission” for Agricultural Tractor
by Jiabo Wang, Zhun Cheng, Jiawei Lin, Maohua Xiao, Zhixiong Lu and Guangming Wang
Agriculture 2025, 15(24), 2583; https://doi.org/10.3390/agriculture15242583 - 14 Dec 2025
Viewed by 320
Abstract
The high-precision establishment of drive motor models and “pump-motor” system models is crucial for the development of the agricultural machinery powertrain. The research of this paper studied the series combination of electric drive continuously variable transmission devices, hydraulic continuously variable transmission devices, and [...] Read more.
The high-precision establishment of drive motor models and “pump-motor” system models is crucial for the development of the agricultural machinery powertrain. The research of this paper studied the series combination of electric drive continuously variable transmission devices, hydraulic continuously variable transmission devices, and power shift transmission devices to form a dual continuously variable transmission system. A drive motor efficiency characteristics modeling method combining the improved sine cosine optimization algorithm and BP neural network (ISCA-BPNN) and a hydrostatic transmission device efficiency characteristics modeling method combining the partial least squares method and the idea of sampling without replacement (PLS-SWOR) were proposed. Various binary control strategies for agricultural tractors were designed and compared. The results show that the two proposed modeling methods can effectively establish the efficiency characteristics models of the motor and hydrostatic transmission device. For agricultural machinery equipped with a dual continuously variable transmission system, it is advisable to apply the comprehensive binary control strategy under medium and high loads, and the pure economic binary control strategy under medium and low loads. This study is expected to provide support for the high-level design and intelligent strategy development of continuously variable transmission agricultural machinery in the future. Full article
Show Figures

Figure 1

24 pages, 7839 KB  
Article
Electric Vehicle-Oriented Predictive Control for SRMs 8/6 with Optimized Dual-Phase Excitation Vectors
by Franklin Sánchez, María Isabel Milanés-Montero, Enrique Romero-Cadaval, Jaqueline Llanos and Gabriel Moreano
Energies 2025, 18(23), 6246; https://doi.org/10.3390/en18236246 - 28 Nov 2025
Viewed by 284
Abstract
The Switched Reluctance Motor (SRM) is a strong candidate for high-performance industrial drives and electric vehicle (EV) propulsion due to its robust, magnet-free construction and high fault tolerance. However, its main drawback lies in its nonlinear behavior, which produces significant torque ripple and [...] Read more.
The Switched Reluctance Motor (SRM) is a strong candidate for high-performance industrial drives and electric vehicle (EV) propulsion due to its robust, magnet-free construction and high fault tolerance. However, its main drawback lies in its nonlinear behavior, which produces significant torque ripple and acoustic noise, thereby hindering its widespread adoption. In recent years, Finite Control Set Model Predictive Control (FCS-MPC) has emerged as a promising alternative to mitigate these issues. Nevertheless, existing implementations typically rely on an eight-vector set comprising both single-phase and dual-phase excitations with unequal magnitudes, resulting in a nonuniform distribution in the αβ-plane. Unlike the conventional square-shaped distribution of vectors where excitation alternates between one and two phases, this study proposes a novel vector set that consistently energizes two phases in each selection. This approach achieves a uniform circular distribution in the αβ-plane, enabling the voltage magnitude to remain constant. The proposed eight-vector set leads to smoother current transitions, reduced torque ripple, and improved dynamic behavior. The strategy is validated on the MATLAB/Simulink platform, with detailed comparative results presented against the conventional method. The findings demonstrate a torque ripple reduction of up to 58% and an acceleration time improvement of up to 64%. These results highlight the strong potential of the proposed method for scalable SRM performance enhancement in demanding applications such as EV propulsion systems. Full article
(This article belongs to the Special Issue Designs and Control of Electrical Machines and Drives)
Show Figures

Figure 1

26 pages, 4645 KB  
Article
Control of Drum Shear Electric Drive Using Self-Learning Artificial Neural Networks
by Alibek Batyrbek, Valeriy Kuznetsov, Vitalii Kuznetsov, Artur Rojek, Viktor Kovalenko, Oleksandr Tkalenko, Valerii Tytiuk and Pavlo Krasovskyi
Energies 2025, 18(21), 5763; https://doi.org/10.3390/en18215763 - 31 Oct 2025
Cited by 1 | Viewed by 461
Abstract
The objective of this work was to study the possibility of upgrading the control system of the drum shear mechanism by using neural network PI controllers to improve the efficiency of the sheet-metal cutting process. The developed detailed model of the mechanism, including [...] Read more.
The objective of this work was to study the possibility of upgrading the control system of the drum shear mechanism by using neural network PI controllers to improve the efficiency of the sheet-metal cutting process. The developed detailed model of the mechanism, including a dual DC electric drive with three subordinate control loops for the voltage of the thyristor converter, current and speed of the motors, a 6-mass kinematic system with viscoelastic connections as well as a model of the metal cutting process, made it possible to uncover that the interaction of electric drives with the mechanical part leads to significant speed fluctuations during the cutting process, which worsens the quality of the sheet-metal edge. A modified system of current and speed controllers with built-in three-layer fitting neural networks as nonlinear components of proportional-integral channels is proposed. An algorithm for the fast learning of neural controllers using the gradient descent method in each cycle of calculating the controller signal is also proposed. The developed neuro-regulators make it possible to reduce the amplitude of speed fluctuations during the cutting process by four times, ensuring the effective damping of oscillations and reducing the duration of transient processes to 0.1 s. Full article
(This article belongs to the Section F5: Artificial Intelligence and Smart Energy)
Show Figures

Figure 1

27 pages, 3199 KB  
Article
Heat Loss Calculation of the Electric Drives
by Tamás Sándor, István Bendiák, Döníz Borsos and Róbert Szabolcsi
Machines 2025, 13(11), 988; https://doi.org/10.3390/machines13110988 - 28 Oct 2025
Viewed by 548
Abstract
In the realm of sustainable public transportation, the integration of intelligent electric bus propulsion systems represents a novel and promising approach to reducing environmental impact—particularly through the mitigation of NOx emissions and overall exhaust pollutants. This emerging technology underscores the growing need for [...] Read more.
In the realm of sustainable public transportation, the integration of intelligent electric bus propulsion systems represents a novel and promising approach to reducing environmental impact—particularly through the mitigation of NOx emissions and overall exhaust pollutants. This emerging technology underscores the growing need for advanced drive control architectures that ensure not only operational safety and reliability but also compliance with increasingly stringent emissions standards. The present article introduces an innovative analysis of energy-optimized dual-drive electric propulsion systems, with a specific focus on their potential for real-world application in emission-conscious urban mobility. A detailed dynamic model of a dual-drive electric bus was developed in MATLAB Simulink, incorporating a Fuzzy Logic-based decision-making algorithm embedded within the Transmission Control Unit (TCU). The proposed control architecture includes a torque-limiting safety strategy designed to prevent motor overspeed conditions, thereby enhancing both efficiency and mechanical integrity. Furthermore, the system architecture enables supervisory override of the Fuzzy Inference System (FIS) during critical scenarios, such as gear-shifting transitions, allowing adaptive control refinement. The study addresses the unique control and coordination challenges inherent in dual-drive systems, particularly in relation to optimizing gear selection for reduced energy consumption and emissions. Key areas of investigation include maximizing efficiency along the motor torque–speed characteristic, maintaining vehicular dynamic stability, and minimizing thermally induced performance degradation. The thermal modeling approach is grounded in integral formulations capturing major loss contributors including copper, iron, and mechanical losses while also evaluating convective heat transfer mechanisms to improve cooling effectiveness. These insights confirm that advanced thermal management is not only vital for performance optimization but also plays a central role in supporting long-term strategies for emission reduction and clean, efficient public transportation. Full article
(This article belongs to the Section Electrical Machines and Drives)
Show Figures

Figure 1

19 pages, 6007 KB  
Article
The EIF2α-PERK Signaling Pathway Mediates Manganese Exposure-Induced A1-Type Astrocytes Activation via Endoplasmic Reticulum Stress
by Jing Wang, Tingting Guo, Yang Hu, Congcong Zhuang, Peng Su and Xinqin Liu
Toxics 2025, 13(11), 910; https://doi.org/10.3390/toxics13110910 - 23 Oct 2025
Viewed by 2763
Abstract
Elevated exposure to manganese (Mn) has been linked to a broad spectrum of neurological disorders, including motor dysfunction. Neuroinflammation with excessively activated astrocytes plays a critical role in the pathogenesis and progression of neurodegenerative diseases. Astrocyte-mediated neuroinflammation plays a dual role due to [...] Read more.
Elevated exposure to manganese (Mn) has been linked to a broad spectrum of neurological disorders, including motor dysfunction. Neuroinflammation with excessively activated astrocytes plays a critical role in the pathogenesis and progression of neurodegenerative diseases. Astrocyte-mediated neuroinflammation plays a dual role due to distinct astrocyte phenotypes, including deleterious A1 and neuroprotective A2. Our previous studies have confirmed that Mn induces activation of astrocytes in the central nervous system, and endoplasmic reticulum (ER) stress has been verified to regulate A1 activation; however, the molecular mechanisms underlying Mn-induced neurotoxicity remain incompletely understood. We establish in vivo and in vitro Mn exposure models and observed that Mn induced A1 activation of astrocytes in both models, with upregulation of A1-specific markers. Sub-cellular morphological analysis showed Mn-induced ER stress in A1-type astrocytes. We found that EIF2α-PERK signaling pathways are activated in astrocytes and drive ER stress and mitochondrial impairment. Suppression of astrocytic PERK, using either ISRIB or GSK2606414, alleviates Mn-induced ER stress and A1 activation, which in turn mitigates the motor deficits induced by Mn exposure. These findings reveal that inhibition of PERK can ameliorate Mn-induced neurotoxicity by suppressing astrocyte activation and preserving organelle homeostasis, offering a potential therapeutic strategy to mitigate the harmful effects of Mn toxicity. Full article
(This article belongs to the Section Neurotoxicity)
Show Figures

Figure 1

24 pages, 1878 KB  
Article
Advancements in Sustainable Mobility: Fractional-Order FOC of IM in an Electric Vehicle Powered by an Autonomous PV Battery System
by Fatma Ben Salem, Jaouhar Mouine and Nabil Derbel
Fractal Fract. 2025, 9(10), 661; https://doi.org/10.3390/fractalfract9100661 - 14 Oct 2025
Viewed by 603
Abstract
This paper presents a novel fractional-order field-oriented control (FO-FOC) strategy for induction motor drives in electric vehicles (EVs) powered by an autonomous photovoltaic (PV) battery energy system. The proposed control approach integrates a fractional-order sliding mode controller (FO-SMC) into the conventional FOC framework [...] Read more.
This paper presents a novel fractional-order field-oriented control (FO-FOC) strategy for induction motor drives in electric vehicles (EVs) powered by an autonomous photovoltaic (PV) battery energy system. The proposed control approach integrates a fractional-order sliding mode controller (FO-SMC) into the conventional FOC framework to enhance dynamic performance, improve robustness, and reduce sensitivity to parameter variations. The originality of this work lies in the combined use of fractional-order control and real-time adaptive parameter updating, applied within a PV battery-powered EV platform. This dual-layer control structure allows the system to effectively reject disturbances, maintain torque and flux tracking, and mitigate the effects of component aging or thermal drift. Furthermore, to address the chattering phenomenon typically associated with sliding mode control, a continuous saturation function was employed, resulting in smoother voltage and current responses more suitable for real-time implementation. Extensive simulation studies were conducted under ideal conditions, with parameter mismatch, and with the proposed adaptive update laws. Results confirmed the superiority of the FO-based approach over classical integer-order designs in terms of speed tracking, flux regulation, torque ripple reduction, and system robustness. The proposed methodology offers a promising solution for next-generation sustainable mobility systems requiring high-performance, energy-efficient, and fault-tolerant electric drives. Full article
(This article belongs to the Special Issue Advances in Dynamics and Control of Fractional-Order Systems)
Show Figures

Figure 1

22 pages, 6708 KB  
Article
Enhanced Model Predictive Speed Control of PMSMs Based on Duty Ratio Optimization with Integrated Load Torque Disturbance Compensation
by Tarek Yahia, Abdelsalam A. Ahmed, M. M. Ahmed, Amr El Zawawi, Z. M. S. Elbarbary, M. S. Arafath and Mosaad M. Ali
Machines 2025, 13(10), 891; https://doi.org/10.3390/machines13100891 - 30 Sep 2025
Viewed by 1058
Abstract
This paper proposes an enhanced Model Predictive Direct Speed Control (MPDSC) framework for Permanent Magnet Synchronous Motor (PMSM) drives, integrating duty ratio optimization and load torque disturbance compensation to significantly improve both transient and steady-state performance. Traditional finite-control-set MPC strategies, which apply a [...] Read more.
This paper proposes an enhanced Model Predictive Direct Speed Control (MPDSC) framework for Permanent Magnet Synchronous Motor (PMSM) drives, integrating duty ratio optimization and load torque disturbance compensation to significantly improve both transient and steady-state performance. Traditional finite-control-set MPC strategies, which apply a single voltage vector per sampling interval, often suffer from steady-state ripples, elevated total harmonic distortion (THD), and high computational complexity due to exhaustive switching evaluations. The proposed approach addresses these limitations through a novel dual-stage cost function structure: the first cost function optimizes dynamic response via predictive control of speed error, while the second adaptively minimizes torque ripple and harmonic distortion by adjusting the active–zero voltage vector duty ratio without the need for manual weight tuning. Robustness against time-varying disturbances is further enhanced by integrating a real-time load torque observer into the control loop. The scheme is validated through both MATLAB/Simulink R2020a simulations and real-time experimental testing on a dSPACE 1202 rapid control prototyping platform across small- and large-scale PMSM configurations. Experimental results confirm that the proposed controller achieves a transient speed deviation of just 0.004%, a steady-state ripple of 0.01 rpm, and torque ripple as low as 0.0124 Nm, with THD reduced to approximately 5.5%. The duty ratio-based predictive modulation ensures faster settling time, improved current quality, and greater immunity to load torque disturbances compared to recent duty-ratio MPC implementations. These findings highlight the proposed DR-MPDSC as a computationally efficient and experimentally validated solution for next-generation PMSM drive systems in automotive and industrial domains. Full article
(This article belongs to the Section Electrical Machines and Drives)
Show Figures

Figure 1

18 pages, 2784 KB  
Article
Research on Control Strategy of Pure Electric Bulldozers Based on Vehicle Speed
by Guangxiao Shen, Quancheng Dong, Congfeng Tian, Wenbo Chen, Xiangjie Huang and Jinwei Wang
Energies 2025, 18(19), 5136; https://doi.org/10.3390/en18195136 - 26 Sep 2025
Viewed by 458
Abstract
This study proposes a hierarchical drive control system to ensure speed stability in dual-motor tracked vehicles operating under complex terrain and heavy-load conditions. The system adopts a two-layer structure. At the upper level, the sliding mode controller is designed for both longitudinal speed [...] Read more.
This study proposes a hierarchical drive control system to ensure speed stability in dual-motor tracked vehicles operating under complex terrain and heavy-load conditions. The system adopts a two-layer structure. At the upper level, the sliding mode controller is designed for both longitudinal speed regulation and yaw rate control, thereby stabilizing straight line motion and the steering maneuvers. At the lower level, a synchronization mechanism aligns the velocities of the two motors, enhancing the vehicle’s robustness against speed fluctuations. Simulation results demonstrate that, across both heavy load and light load bulldozing scenarios, the deviation between the controller output and the reference command remains within 5%. These findings confirm the accuracy of the control implementation and validate the effectiveness of the proposed framework. Full article
(This article belongs to the Section E: Electric Vehicles)
Show Figures

Figure 1

22 pages, 3275 KB  
Review
Permanent Magnet Synchronous Motor Drive System for Agricultural Equipment: A Review
by Chao Zhang, Xiongwei Xia, Hong Zheng and Hongping Jia
Agriculture 2025, 15(19), 2007; https://doi.org/10.3390/agriculture15192007 - 25 Sep 2025
Cited by 1 | Viewed by 859
Abstract
The electrification of agricultural equipment is a critical pathway to address the dual challenges of increasing global food production and ensuring sustainable agricultural development. As the core power unit, the permanent magnet synchronous motor (PMSM) drive system faces severe challenges in achieving high [...] Read more.
The electrification of agricultural equipment is a critical pathway to address the dual challenges of increasing global food production and ensuring sustainable agricultural development. As the core power unit, the permanent magnet synchronous motor (PMSM) drive system faces severe challenges in achieving high performance, robustness, and reliable control in complex farmland environments characterized by sudden load changes, extreme operating conditions, and strong interference. This paper provides a comprehensive review of key technological advancements in PMSM drive systems for agricultural electrification. First, it analyzes solutions to enhance the reliability of power converters, including high-frequency silicon carbide (SiC)/gallium nitride (GaN) power device packaging, thermal management, and electromagnetic compatibility (EMC) design. Second, it systematically elaborates on high-performance motor control algorithms such as Direct Torque Control (DTC) and Model Predictive Control (MPC) for improving dynamic response; robust control strategies like Sliding Mode Control (SMC) and Active Disturbance Rejection Control (ADRC) for enhancing resilience; and the latest progress in fault-tolerant control architectures incorporating sensorless technology. Furthermore, the paper identifies core challenges in large-scale applications, including environmental adaptability, real-time multi-machine coordination, and high reliability requirements. Innovatively, this review proposes a closed-loop intelligent control paradigm encompassing environmental disturbance prediction, control parameter self-tuning, and actuator dynamic response. This paradigm provides theoretical support for enhancing the autonomous adaptability and operational quality of agricultural machinery in unstructured environments. Finally, future trends involving deep AI integration, collaborative hardware innovation, and agricultural ecosystem construction are outlined. Full article
(This article belongs to the Section Agricultural Technology)
Show Figures

Figure 1

26 pages, 4192 KB  
Article
Improving Energy Efficiency and Traction Stability in Distributed Electric Wheel Loaders with Preferred-Motor and Load-Ratio Strategies
by Wenlong Shen, Shenrui Han, Xiaotao Fei, Yuan Gao and Changying Ji
Energies 2025, 18(18), 4969; https://doi.org/10.3390/en18184969 - 18 Sep 2025
Cited by 1 | Viewed by 687
Abstract
In the V-cycle of distributed electric wheel loaders (DEWLs), transport accounts for about 70% of the cycle, making energy saving urgent, while shovel-stage slip limits traction stability. This paper proposes a two-module control framework: (i) a preferred-motor transport strategy that reduces parasitic losses [...] Read more.
In the V-cycle of distributed electric wheel loaders (DEWLs), transport accounts for about 70% of the cycle, making energy saving urgent, while shovel-stage slip limits traction stability. This paper proposes a two-module control framework: (i) a preferred-motor transport strategy that reduces parasitic losses and concentrates operation in high-efficiency regions; and (ii) a load-ratio-based front–rear torque distribution for shoveling that allocates tractive effort according to instantaneous axle vertical loads so that each axle’s torque respects its available adhesion. For observability, we deploy a pre-calibrated lookup-table (LUT) mapping from bucket cylinder pressure to the front-axle load ratio, derived offline from a back-propagation neural network (BP-NN) fit. Tests on a newly developed DEWL show that, compared with dual-motor fixed-ratio control, transport-stage mechanical and electrical power drop by 18–37%, and drive-system efficiency rises by 6–13%. During shoveling, the strategy reduces the peak inter-axle slip from 22–35% to 13–15% and lowers the mean slip to 2.6–5.9%, suppressing sawtooth-like wheel-speed oscillations without sacrificing peak capacity. The method reduces parasitic energy flow, improves traction utilization, and is readily deployable. Full article
Show Figures

Figure 1

24 pages, 1075 KB  
Article
Research on Dual-Loop ADRC for PMSM Based on Opposition-Based Learning Hybrid Optimization Algorithm
by Longda Wang, Zhang Wu, Yang Liu and Yan Chen
Algorithms 2025, 18(9), 559; https://doi.org/10.3390/a18090559 - 4 Sep 2025
Viewed by 746
Abstract
To enhance the speed regulation accuracy and robustness of permanent magnet synchronous motor (PMSM) drives under complex operating conditions, this paper proposes a dual-loop active disturbance rejection control strategy optimized by an opposition-based learning hybrid optimization algorithm (DLADRC-OBLHOA). First, the vector control system [...] Read more.
To enhance the speed regulation accuracy and robustness of permanent magnet synchronous motor (PMSM) drives under complex operating conditions, this paper proposes a dual-loop active disturbance rejection control strategy optimized by an opposition-based learning hybrid optimization algorithm (DLADRC-OBLHOA). First, the vector control system and ADRC model of the PMSM are established. Then, a nonlinear function, ifal, is introduced to improve the performance of the speed-loop ADRC. Meanwhile, an active disturbance rejection controller is also introduced into the current loop to suppress current disturbances. To address the challenge of tuning multiple ADRC parameters, an opposition-based learning hybrid optimization algorithm (OBLHOA) is developed. This algorithm integrates chaotic mapping for population initialization and employs opposition-based learning to enhance global search capability. The proposed OBLHOA is utilized to optimize the speed-loop ADRC parameters, thereby achieving high-precision speed control of the PMSM system. Its optimization performance is validated on 12 benchmark functions from the IEEE CEC2022 test suite, demonstrating superior convergence speed and solution accuracy compared to conventional heuristic algorithms. The proposed strategy achieves superior speed regulation accuracy and reliability under complex operating conditions when deployed on high-performance processors, but its effectiveness may diminish on resource-limited hardware. Moreover, simulation results show that the DLADRC-OBLHOA control strategy outperforms PI control, traditional ADRC, and ADRC-ifal in terms of tracking accuracy and disturbance rejection capability. Full article
Show Figures

Figure 1

23 pages, 4196 KB  
Article
Load Analysis and Test Bench Load Spectrum Generation for Electric Drive Systems Based on Virtual Proving Ground Technology
by Xiangyu Wei, Xiaojie Sun, Chao Fang, Huiming Wang and Ze He
World Electr. Veh. J. 2025, 16(9), 481; https://doi.org/10.3390/wevj16090481 - 23 Aug 2025
Viewed by 809
Abstract
The reliability of the EDS (Electric Drive System) in electric vehicles is crucial to overall vehicle performance. This study addresses the challenge of acquiring high-fidelity internal load data in the early development phase due to the absence of prototypes, overcoming the limitations of [...] Read more.
The reliability of the EDS (Electric Drive System) in electric vehicles is crucial to overall vehicle performance. This study addresses the challenge of acquiring high-fidelity internal load data in the early development phase due to the absence of prototypes, overcoming the limitations of traditional road tests, which are costly, time-consuming, and unable to measure gear meshing forces. A method based on a VPG (Virtual Proving Ground) is proposed to acquire internal loads of a dual-motor EDS, analyze the impact of typical virtual fatigue durability road conditions on critical components, and generate load spectra for test bench experiments. Through point cloud data-based road modeling and rigid-flexible coupled simulation, dynamic loads are accurately extracted, with pseudo-damage contributions from eight intensified road conditions quantified using pseudo-damage calculations, and equivalent sinusoidal load spectra generated using the rainflow counting method and linear cumulative damage theory. Compared to the limitations of existing VPG methods that rely on simplified models, this study enhances the accuracy of internal load extraction, providing technical support for EDS durability testing. Building on existing research, it focuses on high-fidelity acquisition of EDS loads and load spectrum generation, improving applicability and addressing deficiencies in simulation accuracy. This study represents a novel application of VPG technology in electric drive system development, resolving the issue of insufficient early-stage load spectra. It provides data support for durability optimization and bench testing, with future validation planned using real vehicle data. Full article
(This article belongs to the Special Issue Electrical Motor Drives for Electric Vehicle)
Show Figures

Figure 1

Back to TopTop