Sign in to use this feature.

Years

Between: -

Subjects

remove_circle_outline
remove_circle_outline
remove_circle_outline
remove_circle_outline
remove_circle_outline
remove_circle_outline
remove_circle_outline
remove_circle_outline
remove_circle_outline

Journals

Article Types

Countries / Regions

Search Results (78)

Search Parameters:
Keywords = calorimetric experiment

Order results
Result details
Results per page
Select all
Export citation of selected articles as:
13 pages, 3976 KB  
Article
Streamlining First-Order Reversal Curves Analysis of Molecular Magnetism Bistability Using a Calorimetric Approach
by Diana Plesca, Cristian Enachescu, Radu Tanasa, Alexandru Stancu, Denis Morineau and Marie-Laure Boillot
Materials 2025, 18(14), 3413; https://doi.org/10.3390/ma18143413 - 21 Jul 2025
Viewed by 365
Abstract
We present an alternative to the classical SQUID magnetometric measurements for the First-Order Reversal Curve (FORC) diagram approach by employing differential scanning calorimetry (DSC) experiments. After discussing the main results, the advantages and limitations of the magnetometric FORCs, we introduce the calorimetric method. [...] Read more.
We present an alternative to the classical SQUID magnetometric measurements for the First-Order Reversal Curve (FORC) diagram approach by employing differential scanning calorimetry (DSC) experiments. After discussing the main results, the advantages and limitations of the magnetometric FORCs, we introduce the calorimetric method. We argue that, while the results are comparable to those obtained via magnetometry, the calorimetric method not only significantly simplifies the required mathematical computations but also detects subtle or overlapping phase transitions that might be hard to distinguish magnetically. The methodology is illustrated through both experimental data and mean-field simulations. Full article
Show Figures

Figure 1

17 pages, 13434 KB  
Article
Utilization of Calorimetric Analysis and Fire Dynamics Simulator (FDS) to Determine the Cause of Plant Fire in Taiwan: Thermogravimetric Analyzer (TGA), Differential Scanning Calorimetry (DSC), and FDS Reconstruction
by Yi-Hao Huang, Jen-Hao Chi and Chi-Min Shu
Processes 2025, 13(5), 1450; https://doi.org/10.3390/pr13051450 - 9 May 2025
Viewed by 802
Abstract
This study investigated a factory fire that resulted in an unusual situation that caused the deaths of two firefighters. The official fire investigation report was analyzed, records were obtained, and on-site investigations and interviews were conducted. Using these additional data and a calorimetric [...] Read more.
This study investigated a factory fire that resulted in an unusual situation that caused the deaths of two firefighters. The official fire investigation report was analyzed, records were obtained, and on-site investigations and interviews were conducted. Using these additional data and a calorimetric analysis to determine the combustibility of goods stored in the building at the time, a functional 3D model was produced, and a fire dynamics simulator (FDS) was run. The model was augmented using the results of calorimetric experiments for three types of primary goods being stored in the warehouse area: paper lunch boxes, tissue paper, and corrugated boxes. The reaction heat data obtained for each of the three sample types was 848.24, 468.29, and 301.21 J g−1, respectively. The maximum mass loss data were 98.522, 84.439, and 90.811 mass% for each of the three types, respectively. A full-scale fire scene reconstruction confirmed the fire propagation routes and changes in fire hazard factors, such as indoor temperature, visibility, and carbon monoxide concentration. The FDS results were compared to the NIST recommended values for firefighter heat exposure time. The cause of death for both firefighters was also investigated in terms of the heat resistance of the facepiece lenses of their self-contained breathing apparatus. Based on the findings of this study, recommendations can be made to forestall the recurrence of similar events. Full article
Show Figures

Figure 1

37 pages, 2139 KB  
Article
A Review of the Multiple-Readout Concept and Its Application in an Integrally Active Calorimeter
by Corrado Gatto, Vito Di Benedetto and Anna Mazzacane
Instruments 2024, 8(4), 49; https://doi.org/10.3390/instruments8040049 - 14 Nov 2024
Viewed by 2387
Abstract
A comprehensive multi-jet physics program is anticipated for experiments at future colliders. Key physics processes necessitate detectors that can distinguish signals from W and Z bosons and the Higgs boson. Typical examples include channels with W+W or  [...] Read more.
A comprehensive multi-jet physics program is anticipated for experiments at future colliders. Key physics processes necessitate detectors that can distinguish signals from W and Z bosons and the Higgs boson. Typical examples include channels with W+W or ZoZo pairs and processes involving new physics in those cases where neutral particles must be disentangled from charged ones due to the presence of W or Z bosons in their final states. Such a physics program demands calorimetric energy resolution at or beyond the limits of traditional calorimetric techniques. Multiple-readout calorimetry, which aims to reduce fluctuations in energy measurements of hadronic showers, is a promising approach. The first part of this article reviews dual- and triple-readout calorimetry within a mathematical framework describing the underlying compensating mechanism. The second part proposes a potential implementation using an integrally active and total absorption detector. This model serves as the basis for several Monte Carlo studies, illustrating how the response of a multiple-readout calorimeter depends on construction parameters. Among the layouts considered, one configuration operating in triple-readout mode shows the potential to achieve an energy resolution approaching 20%/E. Full article
Show Figures

Figure 1

13 pages, 896 KB  
Article
Thermodynamic Study of 1,4-Bis(3-methylimidazolium-1-yl)butane Bis(trifluoromethylsulfonyl)imide ([C4(MIm)2][NTf2]2) from 6 to 350 K
by Alexey V. Markin, Andrea Ciccioli, Andrea Lapi, Semen S. Sologubov, Natalia N. Smirnova and Stefano Vecchio Ciprioti
Molecules 2024, 29(17), 4180; https://doi.org/10.3390/molecules29174180 - 3 Sep 2024
Viewed by 1173
Abstract
The molar heat capacity of 1,4-bis(3-methylimidazolium-1-yl)butane bis(trifluoromethylsulfonyl)imide dicationic ionic compound ([C4(MIm)2][NTf2]2) has been studied over the temperature range from 6 to 350 K by adiabatic calorimetry. In the above temperature interval, this compound has been [...] Read more.
The molar heat capacity of 1,4-bis(3-methylimidazolium-1-yl)butane bis(trifluoromethylsulfonyl)imide dicationic ionic compound ([C4(MIm)2][NTf2]2) has been studied over the temperature range from 6 to 350 K by adiabatic calorimetry. In the above temperature interval, this compound has been found to form crystal, liquid, and supercooled liquid. For [C4(MIm)2][NTf2]2, the temperature of fusion T°fus = (337.88 ± 0.01) K has been determined by the fractional melting experiments, the enthalpy of fusion ΔfusH° = (52.79 ± 0.28) kJ mol−1 has been measured using the calorimetric method of continuous energy input, and the entropy of fusion ΔfusS° = (156.2 ± 1.7) J K−1 mol−1 has also been evaluated. The standard thermodynamic functions of the studied dicationic ionic compound, namely, the heat capacity Cp°(T), the enthalpy [H°(T) − H°(0)], the entropy S°(T) and the Gibbs free energy [G°(T) − H°(0)] have been calculated on the basis of the experimental data for the temperature range up to 350 K. The results have been discussed and compared with those available in the literature and in the NIST Ionic Liquids Database (ILThermo) for monocationic ionic compounds. Full article
(This article belongs to the Special Issue Thermodynamics of Organic Materials)
Show Figures

Graphical abstract

13 pages, 1325 KB  
Article
Physico-Chemical Aspects of Metal–Fulvic Complexation
by Martina Klučáková, Jitka Krouská and Michal Kalina
Processes 2024, 12(5), 989; https://doi.org/10.3390/pr12050989 - 13 May 2024
Cited by 4 | Viewed by 1806
Abstract
The interactions of metal ions with fulvic acids were investigated from the point of view of the thermodynamic aspects of complexation as well as the size and charge of the formed complexes. Thermodynamic aspects were studied by means of isothermal titration calorimetry. Particle [...] Read more.
The interactions of metal ions with fulvic acids were investigated from the point of view of the thermodynamic aspects of complexation as well as the size and charge of the formed complexes. Thermodynamic aspects were studied by means of isothermal titration calorimetry. Particle size distribution was determined by the method of dynamic light scattering and charge by the measurement of zeta potential. Complexation resulted in changes in particle size and charge. The particle size distribution was trimodal for fulvic acids and bimodal for fulvic complexes with calcium and magnesium, while copper–fulvic complexes had only one size fraction. The compensation of the negative charge of carboxylic and phenolic functional groups by positively charged metal ions resulted in an increase in zeta potential which became closer to zero in the case of copper–fulvic complexes. However, all metal–humic complexes behaved as colloidally unstable, which resulted in visually observable sedimentation. Calorimetric measurements provided positive values for changes in enthalpy, which indicated endothermic processes. In contrast, quantum chemical calculations as well as experiments with model compounds provided negative values indicating exothermic processes. Changes in Gibbs energy were determined as negative and changes in entropy as positive. Full article
(This article belongs to the Section Particle Processes)
Show Figures

Figure 1

15 pages, 3868 KB  
Article
Calorimetric Studies and Thermodynamic Modeling of Ag–Mg–Ti Liquid Alloys
by Weronika Gozdur, Władysław Gąsior, Maciej Zrobek, Andrzej Budziak, Roman Dębski, Wojciech Gierlotka, Magda Pęska, Marek Polański and Adam Dębski
Materials 2024, 17(8), 1786; https://doi.org/10.3390/ma17081786 - 12 Apr 2024
Viewed by 1349
Abstract
Due to the absence of thermodynamic data concerning the Ag–Mg–Ti system in the existing literature, this study aims to fill this gap by offering the outcomes of calorimetric investigations conducted on ternary liquid solutions of these alloys. The measurements were performed using the [...] Read more.
Due to the absence of thermodynamic data concerning the Ag–Mg–Ti system in the existing literature, this study aims to fill this gap by offering the outcomes of calorimetric investigations conducted on ternary liquid solutions of these alloys. The measurements were performed using the drop calorimetry method at temperatures of 1294 K and 1297 K for the liquid solutions with the following constant mole fraction ratio: xAg/xMg = 9/1, 7/3, 1/1, 3/7 [(Ag0.9Mg0.1)1−xTix, (Ag0.7Mg0.3)1−xTix, (Ag0.5Mg0.5)1−xTix, (Ag0.3Mg0.7)1−xTix)], and xAg/xTi = 19/1 [(Ag0.95Ti0.05)1−xMgx]. The results show that the mixing enthalpy change is characterized by negative deviations from the ideal solutions and the observed minimal value equals −13.444 kJ/mol for the Ag0.95Ti0.05 alloy and xMg = 0.4182. Next, based on the thermodynamic properties of binary systems described by the Redlich–Kister model and the determined experimental data from the calorimetric measurements, the ternary optimized parameters for the Ag–Mg–Ti liquid phase were calculated by the Muggianu model. Homemade software (TerGexHm 1.0) was used to optimize the calorimetric data using the least squares method. Next, the partial and molar thermodynamic functions were calculated and are presented in the tables and figures. Moreover, this work presents, for comparative purposes, the values of the enthalpy of mixing of liquid Ag–Mg–Ti alloys, which were calculated using Toop’s model. It was found that the best agreement between the modeled and experimental data was observed for the cross-sections xAg/xTi = 19/1 [(Ag0.95Ti0.05)1−xMgx] and xAg/xMg = 9/1 [(Ag0.9Mg0.1)1−xTix]. The results of the experiments presented in this paper are the first step in the investigation and future evaluation of the thermodynamics of phases and the calculation of the phase diagram of the silver–magnesium–titanium system. Full article
(This article belongs to the Special Issue Advanced Metallurgy Technologies: Physical and Numerical Modelling)
Show Figures

Figure 1

10 pages, 4361 KB  
Article
Hadronic Energy Scale Calibration of Calorimeters in Space Using the Moon’s Shadow
by Alberto Oliva
Instruments 2024, 8(1), 7; https://doi.org/10.3390/instruments8010007 - 27 Jan 2024
Viewed by 1858
Abstract
Calorimetric experiments in space of the current and of the next generation measure cosmic rays directly above TeV on satellites in low Earth orbit. A common issue of these detectors is the determination of the absolute energy scale for hadronic showers above TeV. [...] Read more.
Calorimetric experiments in space of the current and of the next generation measure cosmic rays directly above TeV on satellites in low Earth orbit. A common issue of these detectors is the determination of the absolute energy scale for hadronic showers above TeV. In this work, we propose the use of the Moon–Earth spectrometer technique for the calibration of calorimeters in space. In brief, the presence of the Moon creates a detectable lack of particles in the detected cosmic ray arrival directions. The position of this depletion has an offset with respect to the Moon center due to the deflection effect of the geomagnetic field on the cosmic rays that depends on the energy and the charge of the particle. The developed simulation will explore if, with enough statistics, angular, and energy resolutions, this effect can be exploited for the energy scale calibration of calorimeters on satellites in orbit in Earth’s proximity. Full article
Show Figures

Figure 1

11 pages, 2110 KB  
Article
The Degree of Metallic Alloys Crystallinity Formed under Various Supercooling Conditions
by Maxim V. Dudorov, Alexander D. Drozin, Roman S. Morozov, Vasiliy E. Roshchin and Dmitry A. Zherebtsov
Crystals 2024, 14(1), 48; https://doi.org/10.3390/cryst14010048 - 29 Dec 2023
Cited by 1 | Viewed by 1499
Abstract
Amorphous metal alloys play an important role in the electrical industry. Studies show the presence of an insignificant proportion of crystals in alloys that are amorphous from the point of view of X-ray diffraction analysis. The crystals significantly affect the mechanical and magnetic [...] Read more.
Amorphous metal alloys play an important role in the electrical industry. Studies show the presence of an insignificant proportion of crystals in alloys that are amorphous from the point of view of X-ray diffraction analysis. The crystals significantly affect the mechanical and magnetic properties of amorphous alloys. Therefore, within this work, a comprehensive approach has been developed to determine the degree of crystallinity of amorphous alloys based on theoretical and experimental methods. The study is based on the mathematical model of supercooled melt crystallization previously developed by the authors, which takes into account the patterns of crystal formation and their diffusion and diffusionless growth, taking into account the mutual influence of growing crystals on each other. The mathematical model also takes into account the melt cooling mode when producing amorphous ribbons by cooling the melt on a rotating copper drum. The calculation results have been verified by experiments based on the new technique developed by the authors for calorimetric studies of amorphous ribbons. The developed methodology allows us to determine not only the average fraction of the crystals in a ribbon, but also the patterns of crystal distribution along its thickness as well as the patterns of changes in the proportion of the crystals in ribbons depending on the melt cooling mode. Full article
(This article belongs to the Special Issue Phase Transition in External Fields (2nd Edition))
Show Figures

Figure 1

16 pages, 1076 KB  
Article
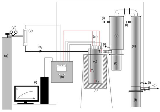
Pyrolysis of Tyre Waste in a Fixed-Bed Reactor
by Saša Papuga, Milica Djurdjevic, Goran Tomović and Stefano Vecchio Ciprioti
Symmetry 2023, 15(12), 2146; https://doi.org/10.3390/sym15122146 - 3 Dec 2023
Cited by 13 | Viewed by 5402
Abstract
This paper presents the results of investigations on the pyrolysis of tyre waste in a laboratory fixed-bed batch reactor. The results regarding the influence of either the reaction temperature (425, 450, 475, and 500 °C) and the flow of the inert gas (0, [...] Read more.
This paper presents the results of investigations on the pyrolysis of tyre waste in a laboratory fixed-bed batch reactor. The results regarding the influence of either the reaction temperature (425, 450, 475, and 500 °C) and the flow of the inert gas (0, 100, 300, and 500 mL/min) on product yield (referred to as pyrolysis of waste tyres) are also considered and discussed. On the basis of the abovementioned findings, the most appropriate experimental conditions were selected to contribute to a higher yield of pyrolysis oil. The sample of pyrolysis oil obtained from the experiments carried out in the selected optimal conditions (reaction time 120 min, temperature 450 °C and the inert gas flow of 100 mL/min) was subjected to calorimetric and infrared spectroscopy analysis. Full article
Show Figures

Figure 1

15 pages, 4495 KB  
Article
The Mechanical Properties and Degradation Behavior of 3D-Printed Cellulose Nanofiber/Polylactic Acid Composites
by Zhongsen Zhang, Bingyan Cao and Ning Jiang
Materials 2023, 16(18), 6197; https://doi.org/10.3390/ma16186197 - 13 Sep 2023
Cited by 19 | Viewed by 3026
Abstract
Polylactic acid (PLA) has been widely used in many fields because of its good biodegradability, biocompatibility, and renewability. This work studied the degradation behavior and mechanical properties of cellulose nanofiber (CNF)/PLA composites. In vitro degradation experiments of 3D-printed samples were conducted at elevated [...] Read more.
Polylactic acid (PLA) has been widely used in many fields because of its good biodegradability, biocompatibility, and renewability. This work studied the degradation behavior and mechanical properties of cellulose nanofiber (CNF)/PLA composites. In vitro degradation experiments of 3D-printed samples were conducted at elevated temperatures, and the degradation characteristics were evaluated by mechanical tests, gel permeation chromatography (GPC), differential scanning calorimetric (DSC), and scanning electron microscope (SEM). The results indicated that the addition of CNF (0.5 wt%) accelerated the degradation rate of PLA. The decreases in number average molecular weight (Mn) and weight average molecular weight (Mw) of composites were 7.96% and 4.91% higher than that of neat PLA, respectively. Furthermore, the tensile modulus of composites was 18.4% higher than that of neat PLA, while the strength was 7.4% lower due to poor interfacial bonding between CNF and PLA. A mapping relationship between accelerated and normal degradation showed that the degradation experienced during 60 days at 37 °C was equivalent to that undergone during 14 days at 50 °C; this was achieved by examining the alteration in Mn. Moreover, the degradation process caused a notable deformation in the samples due to residual stress generated during the 3D printing process. This study provided valuable insights for investigating the in vitro degradation behavior of 3D-printed products. Full article
Show Figures

Graphical abstract

54 pages, 10229 KB  
Review
pH Effects on the Conformations of Galacturonan in Solution: Conformational Transition and Loosening, Extension and Stiffness
by Sergio Paoletti and Ivan Donati
Polysaccharides 2023, 4(3), 271-324; https://doi.org/10.3390/polysaccharides4030018 - 8 Sep 2023
Cited by 4 | Viewed by 2159
Abstract
Calorimetric (from both isothermal micro-calorimetry and DSC), chiro-optical, viscometric and rheological data on aqueous solutions of pectic acid and low-methoxyl pectin (LMP), published over decades from different laboratories, have been comparatively revisited. The aim was to arrive at a consistent and detailed description [...] Read more.
Calorimetric (from both isothermal micro-calorimetry and DSC), chiro-optical, viscometric and rheological data on aqueous solutions of pectic acid and low-methoxyl pectin (LMP), published over decades from different laboratories, have been comparatively revisited. The aim was to arrive at a consistent and detailed description of the behavior of galacturonan as a function of pH, i.e., of the degree of charging (as degree of dissociation, α) of the polyanion. The previously hypothesized pH-induced transition from a 31 to a 21 helix was definitely confirmed, but it has been shown, for the first time, that the transition is always coupled with loosening/tightening effects brought about by an increase in charge. The latter property has a twofold effect: the former effect is a purely physical one (polyelectrolytic), which is always a loosening one. However, in the very low range of pH and before the beginning of the transition, an increase in charge tightens the 31 helix by strengthening an intramolecular—but inter-residue—hydrogen bond. The value of the enthalpy change of 31 → 21 transition—+0.59 kcal·mol−1—is bracketed by those provided by theoretical modeling, namely +0.3 and +0.8 kcal·mol−1; the corresponding entropy value is also positive: +1.84 cal·mole r.u.−1·K−1. The enthalpic and the entropic changes in chain loosening amount only to about 23% of the corresponding 31 → 21 changes, respectively. Much like poly(galacturonic acid), the 31 conformation of LMP also stiffens on passing from pH = 2.5 to 3.0, to then start loosening and transforming into the 21 one on passing to pH = 4.0. Lowering the pH of a salt-free aqueous solution of LMP down to 1.6 brings about a substantial chain–chain association, which is at the root of the interchain junctions stabilizing the acid pH gels, in full agreement with the rheological results. A comparison of the enthalpic data reveals that, at 85 °C, LMP in acidic pH conditions has lost its initial order by about 2.3 times more than pectic acid brought from low charging to full neutralization (at α = 1.0) at 25 °C. A proper combination of experiments (enthalpic measurements) and theory (counterion condensation polyelectrolyte theory) succeeded in demonstrating, for the first time ever, a lyotropic/Hofmeister effect of the anion perchlorate in stabilizing the more disordered form of the 21 helix of galacturonan. The viscometric results in water showed that the 31 helix is capable of forming longer rheologically cooperative units compared with the 21 helix. Extrapolation to infinite ionic strength confirmed that, once all electrostatic interactions are cancelled, the elongation of the two helical forms is practically the same. At the same time, however, they indicated that the flexibility of the two-fold helix is more than fifteen times larger than that of the three-fold one. The result is nicely corroborated by a critical revisiting of 23Na relaxation experiments. Full article
Show Figures

Graphical abstract

17 pages, 2749 KB  
Article
The Use of a Barley-Based Well to Define Cationic Betaglucan to Study Mammalian Cell Toxicity Associated with Interactions with Biological Structures
by Malgorzata Tymecka, Katarzyna Hac-Wydro, Magdalena Obloza, Piotr Bonarek and Kamil Kaminski
Pharmaceutics 2023, 15(7), 2009; https://doi.org/10.3390/pharmaceutics15072009 - 23 Jul 2023
Cited by 3 | Viewed by 1872
Abstract
Among potential macromolecule-based pharmaceuticals, polycations seem particularly interesting due to their proven antimicrobial properties and use as vectors in gene therapy. This makes an understanding of the mechanisms of these molecules’ interaction with living structures important, so the goal of this paper was [...] Read more.
Among potential macromolecule-based pharmaceuticals, polycations seem particularly interesting due to their proven antimicrobial properties and use as vectors in gene therapy. This makes an understanding of the mechanisms of these molecules’ interaction with living structures important, so the goal of this paper was to propose and carry out experiments that will allow us to characterize these phenomena. Of particular importance is the question of toxicity of such structures to mammalian cells and, in the work presented here, two lines, normal fibroblasts 3T3-L1 and A549 lung cancer, were used to determine this. In this work, three well-defined cationic derivatives of barley-derived betaglucans obtained in a reaction with glycidyltrimethylammonium chloride (BBGGTMAC) with different degrees of cationization (50, 70, and 100% per one glucose unit) and electrostatic charge were studied. The studies address interactions of these polymers with proteins (bovine serum proteins and BSA), nucleic acids (DNA), glycosaminoglycans (heparin), and biological membranes. The results described in this study make it possible to indicate that toxicity is most strongly influenced by interactions with biological membranes and is closely related to the electrostatic charge of the macromolecule. The presentation of this observation was the goal of this publication. This paper also shows, using fluorescently labeled variants of polymers, the penetration and impact on cell structure (only for the polymer with the highest substitution binding to cell membranes is observed) by using confocal and SEM (for the polymer with the highest degree of substitution, and the appearance of additional structures on the surface of the cell membrane is observed). The labeled polymers are also tools used together with dynamic light scattering and calorimetric titration to study their interaction with other biopolymers. As for the interactions with biological membranes, lipid Langmuir monolayers as model membrane systems were used. Full article
Show Figures

Figure 1

16 pages, 2421 KB  
Article
pH-Responsive Cobalt(II)-Coordinated Assembly Containing Quercetin for Antimicrobial Applications
by Giuseppina D. G. Santonoceta and Carmelo Sgarlata
Molecules 2023, 28(14), 5581; https://doi.org/10.3390/molecules28145581 - 22 Jul 2023
Cited by 4 | Viewed by 2058
Abstract
The development of novel drug delivery systems (DDSs) with promising antibacterial properties is essential for facing the emergency of increasing resistance to antimicrobial agents. The antibacterial features of quercetin and its metal complexes have been broadly investigated. However, several drawbacks affect their activity [...] Read more.
The development of novel drug delivery systems (DDSs) with promising antibacterial properties is essential for facing the emergency of increasing resistance to antimicrobial agents. The antibacterial features of quercetin and its metal complexes have been broadly investigated. However, several drawbacks affect their activity and effectiveness. In this work, we propose a DDS based on a pH-responsive cobalt(II)-coordinated assembly containing quercetin and polyacrylic acid. This system is suggested to trigger the release of the model drug in a pH-dependent mode by exploiting the localized acidic environment at the bacterial infection sites under anaerobic conditions. The delivery system has been designed by accurately examining the species and the multiple equilibria occurring in solution among the assembly components. The formation of cobalt(II) complexes with quercetin in the absence or presence of the pH-responsive polyacrylic acid was investigated in buffered aqueous solution at pH 7.4 using spectrophotometric (UV-Vis) and calorimetric (ITC) techniques. The determined binding affinities and thermodynamic parameters that resulted are essential for the development of a DDS with improved binding and release capabilities. Furthermore, the affinity of the polymer–cobalt(II) complex toward the model antimicrobial flavonoid was explored at the solid–liquid interface by quartz crystal microbalance (QCM-D) experiments, which provided marked evidence for drug loading and release under pH control. Full article
Show Figures

Graphical abstract

6 pages, 402 KB  
Proceeding Paper
Calibrating for Precision Calorimetry in LArTPCs at ICARUS and SBN
by Gray Putnam
Phys. Sci. Forum 2023, 8(1), 15; https://doi.org/10.3390/psf2023008015 - 20 Jul 2023
Viewed by 1093
Abstract
The Short-Baseline Neutrino (SBN) Program at Fermilab consists of multiple Liquid Argon Time Projection Chamber (LArTPC) detectors in a single neutrino beam. SBN will have a broad physics program that includes GeV-scale neutrino cross section measurements and physics searches beyond the Standard Model [...] Read more.
The Short-Baseline Neutrino (SBN) Program at Fermilab consists of multiple Liquid Argon Time Projection Chamber (LArTPC) detectors in a single neutrino beam. SBN will have a broad physics program that includes GeV-scale neutrino cross section measurements and physics searches beyond the Standard Model including a search for short-baseline neutrino oscillations. Especially for the oscillation program at SBN (and, looking ahead, at DUNE) it is imperative to have accurate and precise energy measurements that can be related to the true neutrino energy. At ICARUS, we have developed a precise energy scale calibration procedure to match the needs of these physics goals. Two innovations are important here. First, diffusion plays a role in determining the energy scale in LArTPC calibration in a manner unappreciated by previous experiments. Second, incorporating systematic uncertainties into the energy scale calibration fit allows for a precise determination of the uncertainty of calorimetric measurements in a way that could be propogated to higher-level analyses. The result from the calibration procedure outlined herein is now being applied to neutrino beam data at ICARUS. Full article
(This article belongs to the Proceedings of The 23rd International Workshop on Neutrinos from Accelerators)
Show Figures

Figure 1

5 pages, 834 KB  
Proceeding Paper
Energy Reconstruction and Calibration of the MicroBooNE LArTPC
by Wanwei Wu
Phys. Sci. Forum 2023, 8(1), 11; https://doi.org/10.3390/psf2023008011 - 14 Jul 2023
Viewed by 1038
Abstract
The Liquid Argon Time Projection Chamber (LArTPC) is increasingly becoming the chosen technology for current and future precision neutrino oscillation experiments due to its superior capability in particle tracking and energy calorimetry. In LArTPCs, calorimetric information is critical for particle identification, which is [...] Read more.
The Liquid Argon Time Projection Chamber (LArTPC) is increasingly becoming the chosen technology for current and future precision neutrino oscillation experiments due to its superior capability in particle tracking and energy calorimetry. In LArTPCs, calorimetric information is critical for particle identification, which is the foundation for neutrino cross-sections and oscillation measurements, as well as searches for beyond-standard-model physics. One of the primary challenges in employing LArTPC technology is characterizing its performance and quantifying the associated systematic uncertainties. MicroBooNE, the longest-operating LArTPC to date, has performed numerous such measurements, including studies of detector physics and electromagnetic shower reconstruction. Here, we present results on the operation and performance of the detector during its data taking, highlighting accomplishments toward calorimetric reconstruction, calibration, and detector physics. Full article
(This article belongs to the Proceedings of The 23rd International Workshop on Neutrinos from Accelerators)
Show Figures

Figure 1

Back to TopTop