Sign in to use this feature.

Years

Between: -

Subjects

remove_circle_outline
remove_circle_outline
remove_circle_outline
remove_circle_outline
remove_circle_outline
remove_circle_outline

Journals

Article Types

Countries / Regions

Search Results (37)

Search Parameters:
Keywords = back EMF observer

Order results
Result details
Results per page
Select all
Export citation of selected articles as:
18 pages, 3617 KB  
Article
Sliding Mode Observer-Based Sensorless Control Strategy for PMSM Drives in Air Compressor Applications
by Rana Md Sohel, Wenhao Wu, Renzi Ji, Zihao Fang and Kai Liu
Appl. Sci. 2025, 15(20), 11206; https://doi.org/10.3390/app152011206 - 19 Oct 2025
Viewed by 288
Abstract
This paper presents a sensorless control strategy for permanent magnet synchronous motor (PMSM) drives in industrial and automotive air compressor applications. The strategy utilizes an adaptive-gain sliding mode observer integrated with a refined back-EMF model to suppress chattering and improve convergence. The proposed [...] Read more.
This paper presents a sensorless control strategy for permanent magnet synchronous motor (PMSM) drives in industrial and automotive air compressor applications. The strategy utilizes an adaptive-gain sliding mode observer integrated with a refined back-EMF model to suppress chattering and improve convergence. The proposed approach achieves precise rotor position and speed estimation across a wide operational range without mechanical sensors. It directly addresses the critical needs of reliability, compactness, and resilience in automotive environments. Unlike conventional observers, its originality lies in the enhanced gain structure, enabling accurate and robust sensorless control validated through both simulation and hardware tests. Comprehensive simulation results demonstrate effective performance from 2000 to 8500 rpm, with steady-state speed tracking errors maintained below 0.4% at 2000 rpm and 0.035% at 8500 rpm under rated load. The control methodology exhibits excellent disturbance rejection capabilities, maintaining speed regulation within ±5 rpm under an 80% load disturbance at 8500 rpm while limiting q-axis current ripple to 2.5% of rated values. Experimental validation on a 2.2 kW PMSM-driven compressor test platform confirms stable operation at 4000 rpm with speed fluctuations constrained to 20 rpm (0.5% error) and precise current regulation, maintaining the d-axis current within ±0.07 A. The system demonstrates rapid dynamic response, achieving acceleration from 1320 rpm to 2365 rpm within one second during testing. The results confirm the method’s practical viability for enhancing reliability and reducing maintenance in industrial and automotive compressors systems. Full article
Show Figures

Figure 1

19 pages, 3698 KB  
Article
Multi-Plane Virtual Vector-Based Anti-Disturbance Model Predictive Fault-Tolerant Control for Electric Agricultural Equipment Applications
by Hengrui Cao, Konghao Xu, Li Zhang, Zhongqiu Liu, Ziyang Wang and Haijun Fu
Energies 2025, 18(14), 3857; https://doi.org/10.3390/en18143857 - 20 Jul 2025
Viewed by 410
Abstract
This paper proposes an anti-disturbance model predictive fault-tolerance control strategy for open-circuit faults of five-phase flux intensifying fault-tolerant interior permanent magnet (FIFT-IPM) motors. This strategy is applicable to electric agricultural equipment that has an open winding failure. Due to the rich third-harmonic back [...] Read more.
This paper proposes an anti-disturbance model predictive fault-tolerance control strategy for open-circuit faults of five-phase flux intensifying fault-tolerant interior permanent magnet (FIFT-IPM) motors. This strategy is applicable to electric agricultural equipment that has an open winding failure. Due to the rich third-harmonic back electromotive force (EMF) content of five-phase FIFT-IPM motors, the existing model predictive current fault-tolerant control algorithms fail to effectively track fundamental and third-harmonic currents. This results in high harmonic distortion in the phase current. Hence, this paper innovatively proposes a multi-plane virtual vector model predictive fault-tolerant control strategy that can achieve rapid and effective control of both the fundamental and harmonic planes while ensuring good dynamic stability performance. Additionally, considering that electric agricultural equipment is usually in a multi-disturbance working environment, this paper introduces an adaptive gain sliding-mode disturbance observer. This observer estimates complex disturbances and feeds them back into the control system, which possesses good resistance to complex disturbances. Finally, the feasibility and effectiveness of the proposed control strategy are verified by experimental results. Full article
Show Figures

Figure 1

17 pages, 2332 KB  
Article
Low Carrier–Frequency Ratio Luenberger Observer Based on Discrete Mathematical Model for SPMSMs
by Shuhan Guo, Yawen Jin and Wenguang Yang
Electronics 2025, 14(13), 2516; https://doi.org/10.3390/electronics14132516 - 20 Jun 2025
Viewed by 557
Abstract
To address the issue of reduced observer accuracy under low carrier–frequency ratio (CFR) conditions in the sensorless control of high-speed motors, which limits system performance, this paper proposes a discrete mathematical modeling method for surface-mounted permanent magnet synchronous motors (SPMSMs). Based on this [...] Read more.
To address the issue of reduced observer accuracy under low carrier–frequency ratio (CFR) conditions in the sensorless control of high-speed motors, which limits system performance, this paper proposes a discrete mathematical modeling method for surface-mounted permanent magnet synchronous motors (SPMSMs). Based on this established accurate discrete motor model, the influence of low CFR on the phase estimation error of back electromotive force (EMF) is analyzed. Building on this foundation, an accurate discrete Luenberger observer (ALO) is designed, and a corresponding phase compensation control method is proposed. A motor drive control system comprising hardware, software, and experimental test setups is constructed. The experimental results demonstrate that, compared to the Euler model, the discrete mathematical model established by this method significantly improves position observation accuracy under low CFR conditions. Furthermore, compared to the traditional Luenberger observer (TLO), the estimation error of the proposed observer under a low CFR is reduced by approximately 85%. This approach exhibits high application value in the sensorless control of high-speed and high-frequency motors. Full article
(This article belongs to the Section Systems & Control Engineering)
Show Figures

Graphical abstract

19 pages, 3949 KB  
Article
Mathematical Modelling and Performance Assessment of Neural Network-Based Adaptive Law of Model Reference Adaptive System Estimator at Zero and Very Low Speeds in the Regenerating Mode
by Mohamed S. Zaky, Kotb B. Tawfiq and Mohamed K. Metwaly
Mathematics 2025, 13(11), 1715; https://doi.org/10.3390/math13111715 - 23 May 2025
Viewed by 371
Abstract
Precise speed estimation of sensorless induction motor (SIM) drives remains a significant challenge, particularly at zero and very low speeds. This paper proposes a mathematically modeled and enhanced stator current-based Model Reference Adaptive System (MRAS) estimator integrated with correction terms using rotor flux [...] Read more.
Precise speed estimation of sensorless induction motor (SIM) drives remains a significant challenge, particularly at zero and very low speeds. This paper proposes a mathematically modeled and enhanced stator current-based Model Reference Adaptive System (MRAS) estimator integrated with correction terms using rotor flux dynamics to continually update the value of the estimated speed to the correct value. The MRAS observer uses the stator current in the adjustable IM model instead of the rotor flux or the back emf to eliminate the effect of pure integration of the rotor flux, the parameters’ deviation, and measurement errors of stator voltages and currents on speed observation. It depends on the observed stator current, the current estimate error, and rotor flux estimation correction terms. A neural network (NN) for the adaptive law of the MRAS observer is proposed to enhance the accuracy of the suggested approach. Simulation results examine the developed method. A laboratory prototype based on DSP-DS1103 was also built, and the experimental results are presented. The SIM drive is examined at zero and very low speeds in motoring and regenerating modes. It exhibits good dynamic performance and low-speed estimation error compared to the conventional MRAS. Full article
(This article belongs to the Special Issue Artificial Neural Networks and Dynamic Control Systems)
Show Figures

Figure 1

18 pages, 1584 KB  
Article
Robust Sensorless PMSM Control with Improved Back-EMF Observer and Adaptive Parameter Estimation
by Ayyoub Zeghlache, Ali Djerioui, Hemza Mekki, Samir Zeghlache and Mohamed Fouad Benkhoris
Electronics 2025, 14(7), 1238; https://doi.org/10.3390/electronics14071238 - 21 Mar 2025
Cited by 1 | Viewed by 2623
Abstract
This paper presents an enhanced sensorless control strategy for permanent magnet synchronous motors (PMSMs) by improving back-electromotive force (back-EMF) estimation and control robustness. An improved back-EMF extended state observer (ESO) is proposed, incorporating back-EMF differentiation to compensate for DC position error without requiring [...] Read more.
This paper presents an enhanced sensorless control strategy for permanent magnet synchronous motors (PMSMs) by improving back-electromotive force (back-EMF) estimation and control robustness. An improved back-EMF extended state observer (ESO) is proposed, incorporating back-EMF differentiation to compensate for DC position error without requiring an increased observer bandwidth. Furthermore, an ESO-based quadrature phase-locked loop (QPLL) is developed to improve position tracking accuracy and enhance the robustness of the speed loop sliding mode controller (SMC) against unknown disturbances. To address parameter uncertainties in the back-EMF observer and current controller, a recursive least squares (RLSs) algorithm with an adaptive forgetting factor is introduced, providing a balance between adaptation speed and noise suppression. Simulation results validate the proposed approach, demonstrating improved estimation accuracy, disturbance rejection, and overall robustness in sensorless PMSM control. Full article
(This article belongs to the Special Issue Power Electronics in Renewable Systems)
Show Figures

Figure 1

15 pages, 6812 KB  
Article
Rotor Position Estimation Algorithm for Surface-Mounted Permanent Magnet Synchronous Motor Based on Improved Super-Twisting Sliding Mode Observer
by Zhuoming Liang, Lanxian Cheng, Li Cheng and Canqing Li
Electronics 2025, 14(3), 436; https://doi.org/10.3390/electronics14030436 - 22 Jan 2025
Cited by 1 | Viewed by 1195
Abstract
In response to the chattering issue inherent in sliding mode observers during rotor position estimation and to enhance the stability and robustness of sensorless control systems for surface-mounted permanent magnet synchronous motors (SPMSM), this study proposes a rotor position estimation algorithm for SPMSM [...] Read more.
In response to the chattering issue inherent in sliding mode observers during rotor position estimation and to enhance the stability and robustness of sensorless control systems for surface-mounted permanent magnet synchronous motors (SPMSM), this study proposes a rotor position estimation algorithm for SPMSM based on an improved super-twisting sliding mode observer (ISTSMO) and a second-order generalized integrator (SOGI) structure. Firstly, the super-twisting algorithm is introduced to design the observer, which effectively attenuates the sliding mode chattering by using continuous control signals. Secondly, SOGI is introduced in the filtering stage, which not only effectively addresses the time delay issues caused by traditional low-pass filters but also enables the observer to extract rotor position information by monitoring only the back electromotive force (back-EMF) signal of the α-phase, thereby simplifying the observer structure. Finally, the proposed scheme is experimentally compared with the traditional sliding mode observer on the YXMBD-TE1000 platform. The experimental results showed that during motor acceleration and deceleration tests, the average speed estimation error was reduced from 141 r/min to 40 r/min, and the maximum position estimation error was reduced from 0.74 rad to 0.29 rad. In load disturbance experiments, the speed variation decreased from 781 r/min to 451 r/min, and the steady-state speed fluctuation was significantly reduced. These results confirm that the proposed observer exhibits superior stability and robustness. Full article
(This article belongs to the Section Power Electronics)
Show Figures

Figure 1

16 pages, 8559 KB  
Article
Transmission Line Modeling-Based Position Sensorless Control for Permanent Magnet Synchronous Machines
by Dianxun Xiao, Kun Hu and Chengrui Li
Electronics 2025, 14(2), 271; https://doi.org/10.3390/electronics14020271 - 10 Jan 2025
Cited by 1 | Viewed by 965
Abstract
Position sensorless control has been widely used in permanent magnet synchronous motor (PMSM) drives in low-cost applications or in the fault-tolerance control of position sensors. Conventional sensorless control methods often adopt a back electromagnetic force (EMF)-based position observer, which results in bandwidth reduction [...] Read more.
Position sensorless control has been widely used in permanent magnet synchronous motor (PMSM) drives in low-cost applications or in the fault-tolerance control of position sensors. Conventional sensorless control methods often adopt a back electromagnetic force (EMF)-based position observer, which results in bandwidth reduction in signal processing and lower estimation accuracy. This paper introduces a numerical solution based on transmission line modeling (TLM) to obtain the back EMF. The TLM method is used for the numerical calculation of electromagnetics due to the clear algorithm structure, robust convergence and stability, and easy implementation in dynamic circuit analyses. This paper first analyzes the 2D TLM method techniques. Then, a new application of TLM theory in position sensorless control of PMSMs is put forward. The proposed TLM-based sensorless control scheme can estimate the back EMF without decreasing the bandwidth, thereby enhancing the dynamic performance of the sensorless control. All numerical results are implemented using the proposed approach, which validates the effectiveness of the proposed method. Full article
(This article belongs to the Special Issue Power Electronics Controllers for Power System)
Show Figures

Figure 1

25 pages, 11967 KB  
Article
Quadrature-Phase-Locked-Loop-Based Back-Electromotive Force Observer for Sensorless Brushless DC Motor Drive Control in Solar-Powered Electric Vehicles
by Biswajit Saha, Aryadip Sen, Bhim Singh, Kumar Mahtani and José A. Sánchez-Fernández
Appl. Sci. 2025, 15(2), 574; https://doi.org/10.3390/app15020574 - 9 Jan 2025
Cited by 1 | Viewed by 2026
Abstract
This work presents a sensorless brushless DC motor (BLDCM) drive control, optimized for solar photovoltaic (PV)- and battery-fed light electric vehicles (LEVs). A back-electromotive force (EMF) observer integrated with an enhanced quadrature-phase-locked-loop (QPLL) structure is proposed for accurate rotor position estimation, addressing limitations [...] Read more.
This work presents a sensorless brushless DC motor (BLDCM) drive control, optimized for solar photovoltaic (PV)- and battery-fed light electric vehicles (LEVs). A back-electromotive force (EMF) observer integrated with an enhanced quadrature-phase-locked-loop (QPLL) structure is proposed for accurate rotor position estimation, addressing limitations of existing control methods at low speeds and under dynamic conditions. The study replaces the conventional arc-tangent technique with a QPLL-based approach, eliminating low-pass filters to enhance system adaptability and reduce delays. The experimental results demonstrate a significant reduction in commutation error, with a nearly flat value at 0 degrees during steady-state and less than 8 degrees under dynamic conditions. Furthermore, the performance of a modified single-ended primary-inductor converter (SEPIC) for maximum power point tracking (MPPT) in solar-powered LEVs is verified, minimizing current ripple and ensuring smooth motor operation. The system also incorporates a regenerative braking mechanism, extending the vehicle’s range by efficiently recovering kinetic energy through the battery with 30.60% efficiency. The improved performance of the proposed method and system over conventional approaches contributes to the advancement of efficient and sustainable solar-powered BLDC motor-based EV technologies. Full article
(This article belongs to the Special Issue Design and Synthesis of Electric Energy Conversion Systems)
Show Figures

Figure 1

22 pages, 26442 KB  
Article
I-f Control Method for SynRMs Uses Simple Inductance Identification and Voltage Injection for Current and Angle Control
by Yibo Guo, Lingyun Pan, Yang Yang, Yimin Gong and Xiaolei Che
Sensors 2024, 24(24), 7970; https://doi.org/10.3390/s24247970 - 13 Dec 2024
Cited by 1 | Viewed by 954
Abstract
The sensorless vector control method of synchronous reluctance motors (SynRMs), based on extended back electromotive force (EMF) or flux observation, has been widely applied in the medium- or high-speed range. However, in the low-speed and low-current range, the extended back-EMF and flux are [...] Read more.
The sensorless vector control method of synchronous reluctance motors (SynRMs), based on extended back electromotive force (EMF) or flux observation, has been widely applied in the medium- or high-speed range. However, in the low-speed and low-current range, the extended back-EMF and flux are nearly zero. The use of the current frequency (I-f) control method can enable the motor to pass through the low-speed region, thereby ensuring that the back-EMF and flux reach a large value. I-f control methods that are widely used in permanent magnet synchronous motors (PMSMs) may encounter many problems when applied to SynRMs. The most serious issue is the inability to adjust the current amplitude to control the rotor angle and achieve a smooth transition to sensorless control. Based on various issues, this article proposes an I-f control method with four stages that can be used in SynRMs. This method uses a simple inductance identification method to solve the flux saturation phenomenon of SynRMs and then uses high-frequency voltage injection to continuously adjust the current amplitude and rotor angle position in conjunction with this inductance identification method. The effectiveness of this method is experimentally demonstrated on a 5.5 kW SynRM. Full article
(This article belongs to the Special Issue Advanced Sensing and Control Technologies in Power Electronics)
Show Figures

Figure 1

19 pages, 5958 KB  
Article
An Improved Adaptive Finite-Time Super-Twisting Sliding Mode Observer for the Sensorless Control of Permanent Magnet Synchronous Motors
by Mingchen Luan, Jiuhong Ruan, Yun Zhang, Haitao Yan and Long Wang
Actuators 2024, 13(10), 395; https://doi.org/10.3390/act13100395 - 3 Oct 2024
Cited by 6 | Viewed by 1723
Abstract
In order to improve the observation accuracy of rotor positions in the sensorless control of permanent magnet synchronous motors and to simplify the parameter adjustment process, this paper proposes an improved finite-time adaptive super-twisting sliding mode observer. First, a linear gain term is [...] Read more.
In order to improve the observation accuracy of rotor positions in the sensorless control of permanent magnet synchronous motors and to simplify the parameter adjustment process, this paper proposes an improved finite-time adaptive super-twisting sliding mode observer. First, a linear gain term is introduced into the conventional super-twisting sliding mode observer model as a way of improving the identification accuracy of the observer. Then, for the multi-parameter variable problem in the traditional observer model, a rotational speed variable function design is presented, which simplifies the multi-variables into a single adaptive variable. This reduces the complexity of the observer model while further improving the observation accuracy and stability of the improved observer algorithm (which is verified using Lyapunov’s stability theory). A new back EMF filter and an adaptive phase-locked loop are then used to improve the model’s speed tracking capability. Finally, through simulation and experimental tests, the improved algorithm’s ability to quickly observe changes in rotor position and speed, as well as its fast convergence, small jitter and high accuracy characteristics, are verified. Full article
(This article belongs to the Special Issue Power Electronics and Actuators)
Show Figures

Figure 1

15 pages, 3109 KB  
Article
Sensorless Control for a Permanent Magnet Synchronous Motor Based on a Sliding Mode Observer
by Jinfa Liang, Jun Wu, Yong Wang, Zhihong Zhong and Xinxin Bai
Eng 2024, 5(3), 1737-1751; https://doi.org/10.3390/eng5030091 - 2 Aug 2024
Cited by 5 | Viewed by 3083
Abstract
This paper proposes a sensorless control strategy for permanent magnet synchronous motors (PMSMs) based on a sliding mode observer (SMO), and high-speed PMSM sensorless velocity control is realized. To solve the serious chattering and phase lag problems of conventional SMOs, the continuous function [...] Read more.
This paper proposes a sensorless control strategy for permanent magnet synchronous motors (PMSMs) based on a sliding mode observer (SMO), and high-speed PMSM sensorless velocity control is realized. To solve the serious chattering and phase lag problems of conventional SMOs, the continuous function is used as the control function, and the low-pass filter is improved into a back electromotive force (EMF) observer with an adaptive structure. In addition, the phase-locked loop is combined to perform the SMO-based sensorless control. The simulations and experiments prove the effectiveness of the proposed strategy. Full article
(This article belongs to the Section Electrical and Electronic Engineering)
Show Figures

Figure 1

15 pages, 3142 KB  
Article
Sensorless Control of Surface-Mount Permanent-Magnet Synchronous Motors Based on an Adaptive Super-Twisting Sliding Mode Observer
by Hengqiang Wang, Guangming Zhang and Xiaojun Liu
Mathematics 2024, 12(13), 2029; https://doi.org/10.3390/math12132029 - 29 Jun 2024
Cited by 7 | Viewed by 2042
Abstract
The Sliding Mode Observer (SMO) is widely used for the sensorless control of Permanent-Magnet Synchronous Motors (PMSMs) due to its simple structure and strong parameter robustness. However, traditional SMOs have a limited speed range and suffer from chattering issues, which affect the accuracy [...] Read more.
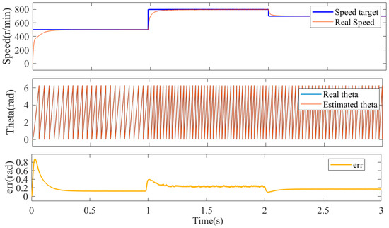
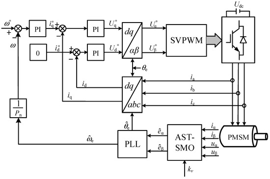
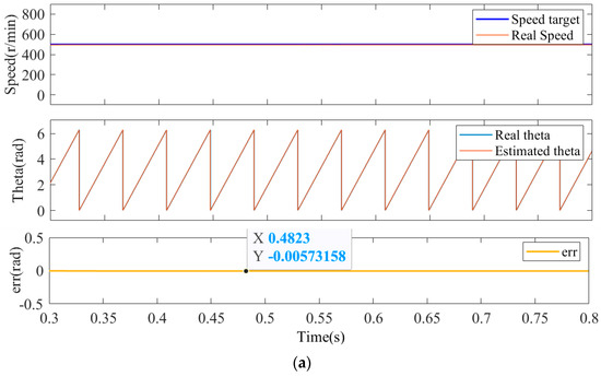
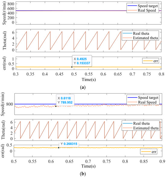
The Sliding Mode Observer (SMO) is widely used for the sensorless control of Permanent-Magnet Synchronous Motors (PMSMs) due to its simple structure and strong parameter robustness. However, traditional SMOs have a limited speed range and suffer from chattering issues, which affect the accuracy of rotor position estimation. To address these problems, this paper proposes an Adaptive Super-Twisting SMO (AST-SMO) method. First, a fast super-twisting function is designed to resolve the step problem that occurs at the zero-crossing of the traditional sign function. Next, an adaptive-tracking high-order Sliding Mode Observer is constructed to extend the speed range of the SMO. The stability of the system is proven using the Lyapunov theorem. Finally, a sensorless control system for PMSMs is implemented and validated in MATLAB/SIMULINK. The results indicate that, compared to the traditional SMO, the AST-SMO reduces the back EMF THD from 20.03% to 14.2%. Additionally, the rotor estimation error across all speed ranges is less than 0.01. Therefore, AST-SMO offers a higher tracking accuracy, a wider speed range, and effectively suppresses sliding mode chattering and harmonic interference. Full article
(This article belongs to the Section C2: Dynamical Systems)
Show Figures

Figure 1

19 pages, 6672 KB  
Article
Neural Network-Driven Sensorless Speed Control of EV Drive Using PMSM
by Harshit Mohan, Gopal Agrawal, Vibhu Jately, Abhishek Sharma and Brian Azzopardi
Mathematics 2023, 11(19), 4029; https://doi.org/10.3390/math11194029 - 22 Sep 2023
Cited by 12 | Viewed by 2582
Abstract
To reduce pollution and energy consumption, particularly in the automotive industry, energy saving is the main concern, and hence, Electric vehicles (EVs) are getting significantly more attention than vehicles with internal combustion engines (IC engines). Electric motors used in Electric Vehicles (EVs) must [...] Read more.
To reduce pollution and energy consumption, particularly in the automotive industry, energy saving is the main concern, and hence, Electric vehicles (EVs) are getting significantly more attention than vehicles with internal combustion engines (IC engines). Electric motors used in Electric Vehicles (EVs) must have high efficiency for maximum utilization of the energy from the batteries or fuel cells. Also, these motors must be compact, lightweight, less expensive and very easily recycled. Further, to obtain better dynamic performance, various motor control strategies are used to control the speed of the motor. And to have increased reliability, sensorless speed control techniques that offer sufficiently high performance are used. The sensorless speed control techniques are largely divided into three groups: state observer methods, indirect measurement methods and saliency-based methods. Generally, the state observer uses back emf or flux linkage to estimate the speed of the motor. Since the back emf is directly proportional to the rotor speed, at low-speed back emf based method will give poor performance. The current-based Model Reference Adaptive System (MRAS) model is also popular for estimating low speed; however, assessments deteriorate during high performance applications such as EV. This paper presents an artificial neural network (ANN)-deployed sensorless speed control of permanent magnet synchronous motor (PMSM) drive used in EVs. In this paper, the estimation of speed using the current-based MRAS model is discussed and compared with the proposed ANN-based controller, which shows significant improvement in the performance of EV motor drives. The MATLAB simulation and experimental results are presented to validate the proposed algorithm. Full article
(This article belongs to the Special Issue Control, Modeling and Optimization for Multiphase Machines and Drives)
Show Figures

Figure 1

19 pages, 4325 KB  
Article
Study on a Second-Order Adaptive Sliding-Mode Observer Control Algorithm for the Sensorless Permanent Magnet Synchronous Motor
by Guozhong Yao, Yuanpeng Cheng, Zhengjiang Wang and Yuhan Xiao
Processes 2023, 11(6), 1636; https://doi.org/10.3390/pr11061636 - 26 May 2023
Cited by 9 | Viewed by 2222
Abstract
The control of a permanent magnet synchronous motor (PMSM) without a position sensor based on a sliding-mode observer (SMO) algorithm has a serious jitter problem in the process of motor phase tracking. A second-order adaptive sliding-mode observer algorithm was proposed, and the ideas [...] Read more.
The control of a permanent magnet synchronous motor (PMSM) without a position sensor based on a sliding-mode observer (SMO) algorithm has a serious jitter problem in the process of motor phase tracking. A second-order adaptive sliding-mode observer algorithm was proposed, and the ideas and principles of the second-order sliding-mode observer algorithm based on the super-twisting algorithm were elaborated. In particular, adaptive estimation with the introduction of back-electromotive force (EMF) was investigated, and the Lyapunov stability criterion was used to determine the convergence properties of the algorithm. The results showed that the second-order adaptive sliding-mode observer algorithm had better jitter suppression and a better phase tracking performance than the traditional sliding-mode observer algorithm. The experimental results showed that when the motor velocity was 800 r/min, the velocity error of the second-order adaptive sliding-mode observer algorithm was 0.57 r/min and the position error was 0.018 rad, with accuracy improvements of 93.63% and 58.34%, respectively. When the motor velocity was 1000 r/min, the velocity error of the second-order adaptive sliding-mode observer algorithm was 0.94 r/min and the position error was 0.022 rad, with accuracy improvements of 90.55% and 55.10%, respectively. The jitter of the system was suppressed well, the curve of back-EMF was smoother, and the robustness of the system was high. Therefore, the second-order adaptive sliding-mode observer algorithm is more suitable for the position-sensorless control of a PMSM. Full article
(This article belongs to the Special Issue Advances in Nonlinear and Stochastic System Control)
Show Figures

Figure 1

33 pages, 10009 KB  
Article
Rotor Speed and Position Estimation Analysis of Interior PMSM Machines in Low and Medium-High Speed Regions Adopting an Improved Flux Observer for Electric Vehicle Applications
by Sadiq Ur Rahman and Chaoying Xia
Machines 2023, 11(5), 574; https://doi.org/10.3390/machines11050574 - 22 May 2023
Cited by 8 | Viewed by 3617
Abstract
This paper proposes a nonlinear flux linkage observer for the PMSM speed controls without motion sensors, introducing the deviation among the real stator flux linkage and an estimated stator flux linkage to suppress feedback and integral flux drift. In the position detection of [...] Read more.
This paper proposes a nonlinear flux linkage observer for the PMSM speed controls without motion sensors, introducing the deviation among the real stator flux linkage and an estimated stator flux linkage to suppress feedback and integral flux drift. In the position detection of an interior PMSM without a speed sensor, the traditional back EMF integration method uses a pure integrator, or LPF, to estimate the stator flux. Its inherent defects inevitably lead to inaccurate flux estimation, which directly affects the estimation of the motor mover position, resulting in the decline in motor control operation and the distortion of phase current. This paper uses an improved integrator with adaptive compensation. The projected value of the stator flux linkage has been derived from the estimated value of the rotor permanent magnetic flux linkage position angle and the algebraic model (m-model) of the stator flux linkage, along with a synchronous coordinate system. The IPMSM stator coil flux linkage obtained from the stator coil current and integral voltage models in the static coordinate system is compared to form a feedback closed-loop to suppress the integral drift, and using the cross-product approach of the actual and estimated flux linkage yields the projected value of the IPMSM rotor speed and position through a PLL. Compared with the existing motion-sensorless observers, the methodology proposed in this article is simple and exhibits better dynamic and static estimation performance. Extensive and comprehensive MATLAB computer simulation and experimental findings validate the proposed motion-sensorless control mechanism. Full article
(This article belongs to the Section Electrical Machines and Drives)
Show Figures

Figure 1

Back to TopTop