Sign in to use this feature.

Years

Between: -

Subjects

remove_circle_outline
remove_circle_outline
remove_circle_outline
remove_circle_outline
remove_circle_outline
remove_circle_outline
remove_circle_outline
remove_circle_outline
remove_circle_outline

Journals

Article Types

Countries / Regions

Search Results (18)

Search Parameters:
Keywords = DIDO3

Order results
Result details
Results per page
Select all
Export citation of selected articles as:
12 pages, 953 KB  
Article
Real-World Analysis of Stroke Care: Thrombolysis and Thrombectomy in a Regional Stroke Unit in Germany
by Christian Claudi, André Worm, Norma J. Diel, Martin Juenemann, Donata Schmohl, Hendrik Lösche, Hagen B. Huttner and Patrick Schramm
Emerg. Care Med. 2025, 2(2), 21; https://doi.org/10.3390/ecm2020021 - 29 Apr 2025
Viewed by 2447
Abstract
Objectives: Stroke is a leading cause of disability worldwide, requiring timely intervention with intravenous thrombolysis (IVT) or endovascular thrombectomy (EVT). This study evaluates real-world stroke management in a regional stroke unit, focusing on IVT administration and EVT transfer logistics. Design: A sub-analysis was [...] Read more.
Objectives: Stroke is a leading cause of disability worldwide, requiring timely intervention with intravenous thrombolysis (IVT) or endovascular thrombectomy (EVT). This study evaluates real-world stroke management in a regional stroke unit, focusing on IVT administration and EVT transfer logistics. Design: A sub-analysis was performed using prospectively collected data from an observational study. Setting: This study took place at a regional, non-university stroke unit in Germany, serving approximately 253,000 inhabitants. Participants: A total of 2436 patients were admitted for suspected stroke between May 2019 and June 2021. Outcome Measures: Outcome measures included IVT administration rates, reasons for IVT non-administration, and EVT transfer logistics for acute ischemic stroke (AIS) patients. Results: Of 952 stroke cases, 14.8% received IVT, with a mean door-to-needle time (DNT) of 41 ± 36 min. The most common reasons for IVT non-administration were unclear or elapsed symptom onset (51.8%), anticoagulation (7.9%), resolving symptoms (18.4%), and intracranial hemorrhage (7.1%). EVT transfers occurred in 6.7% of AIS patients, with a mean door-in-door-out (DIDO) time of 81 ± 36 min. Conclusions: This study highlights the low IVT rate, primarily due to delayed hospital presentation, and the limited number of EVT transfers. The prolonged DIDO times emphasize the urgent need for streamlined transfer protocols to optimize stroke care delivery. Full article
Show Figures

Figure 1

15 pages, 669 KB  
Article
Psychosocial Hazards in the Northern Territory Building and Construction Industry: A Profile of Job Demands and Job Resources in a Jurisdiction and Industry with High Rates of Suicide
by Nicholas Thompson, Adam Robertson, Rebecca Loudoun, Amanda Biggs and Keith Townsend
Int. J. Environ. Res. Public Health 2024, 21(3), 334; https://doi.org/10.3390/ijerph21030334 - 12 Mar 2024
Cited by 3 | Viewed by 3878
Abstract
The work environment for building workers in Australia’s Northern Territory (NT) is characterised by concerningly high rates of distress and suicide at both a jurisdictional and an industry level. Work-related psychosocial hazards are known antecedents of work-related distress and suicide, and more research [...] Read more.
The work environment for building workers in Australia’s Northern Territory (NT) is characterised by concerningly high rates of distress and suicide at both a jurisdictional and an industry level. Work-related psychosocial hazards are known antecedents of work-related distress and suicide, and more research is required to understand how these hazards impact workers in this unique building context. This paper examines the unique work environment in the NT building industry by comparing psychosocial hazards in the NT with those in the broader Australian building and construction industry. When comparing 330 NT self-report survey responses about psychosocial hazards in the workplace to 773 broader Australian building industry responses, supervisor task conflict for NT workers was more concerning, at 10.9% higher than the broader Australian cohort. Within the NT sample, comparisons between fly-in and fly-out/drive-in and drive-out (FIFO/DIDO) workers and non-FIFO/DIDO workers were also performed to determine specific local psychosocial hazards. When comparing FIFO/DIDO workers’ responses to their NT peers, role overload and supervisor task conflict were significantly higher, and co-worker and supervisor support were lower. In FIFO/DIDO environments, praise and recognition, procedural justice, and change consultation were at concerningly lower averages than the broader NT building and construction industry. These results suggest that the NT building and construction industry, and particularly FIFO/DIDO operations, require greater resourcing, investment, and focus on workplace mental health initiatives to improve the work environment and wellbeing of this workforce and mitigate hazards that can lead to distress and the high rates of occupational suicide found in this jurisdiction and industry. Full article
Show Figures

Figure 1

14 pages, 10289 KB  
Communication
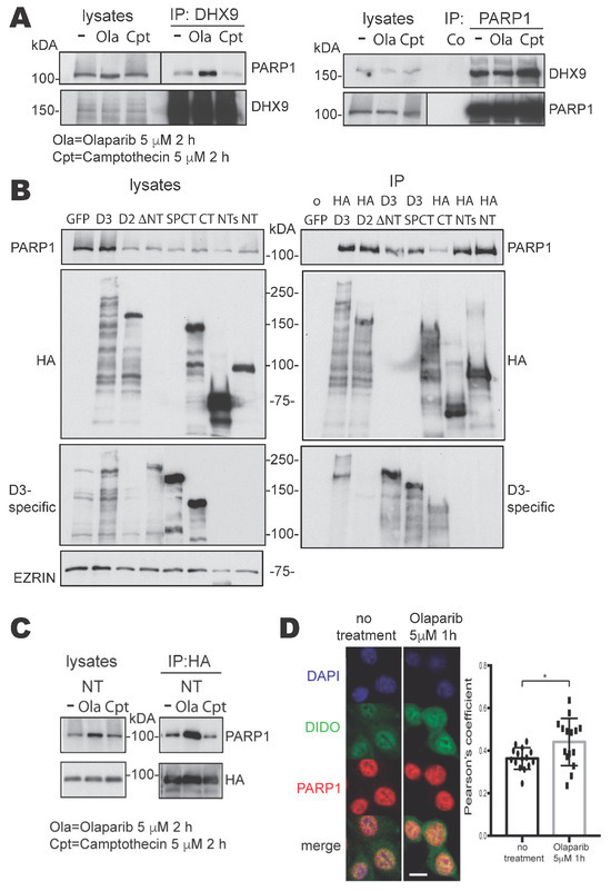
PARP1, DIDO3, and DHX9 Proteins Mutually Interact in Mouse Fibroblasts, with Effects on DNA Replication Dynamics, Senescence, and Oncogenic Transformation
by Agnes Fütterer, Sara Rodriguez-Acebes, Juan Méndez, Julio Gutiérrez and Carlos Martínez-A
Cells 2024, 13(2), 159; https://doi.org/10.3390/cells13020159 - 15 Jan 2024
Cited by 3 | Viewed by 3116
Abstract
The regulated formation and resolution of R-loops is a natural process in physiological gene expression. Defects in R-loop metabolism can lead to DNA replication stress, which is associated with a variety of diseases and, ultimately, with cancer. The proteins PARP1, DIDO3, and DHX9 [...] Read more.
The regulated formation and resolution of R-loops is a natural process in physiological gene expression. Defects in R-loop metabolism can lead to DNA replication stress, which is associated with a variety of diseases and, ultimately, with cancer. The proteins PARP1, DIDO3, and DHX9 are important players in R-loop regulation. We previously described the interaction between DIDO3 and DHX9. Here, we show that, in mouse embryonic fibroblasts, the three proteins are physically linked and dependent on PARP1 activity. The C-terminal truncation of DIDO3 leads to the impairment of this interaction; concomitantly, the cells show increased replication stress and senescence. DIDO3 truncation also renders the cells partially resistant to in vitro oncogenic transformation, an effect that can be reversed by immortalization. We propose that PARP1, DIDO3, and DHX9 proteins form a ternary complex that regulates R-loop metabolism, preventing DNA replication stress and subsequent senescence. Full article
(This article belongs to the Section Stem Cells)
Show Figures

Figure 1

13 pages, 2585 KB  
Article
Highly Efficient All-Solution-Processed Quantum Dot Light-Emitting Diodes Using MoOx Nanoparticle Hole Injection Layer
by Ji-Hun Yang, Gyeong-Pil Jang, Su-Young Kim, Young-Bin Chae, Kyoung-Ho Lee, Dae-Gyu Moon and Chang-Kyo Kim
Nanomaterials 2023, 13(16), 2324; https://doi.org/10.3390/nano13162324 - 12 Aug 2023
Cited by 11 | Viewed by 3254
Abstract
This paper presents a study that aims to enhance the performance of quantum dot light-emitting didoes (QLEDs) by employing a solution-processed molybdenum oxide (MoOx) nanoparticle (NP) as a hole injection layer (HIL). The study investigates the impact of varying the concentrations [...] Read more.
This paper presents a study that aims to enhance the performance of quantum dot light-emitting didoes (QLEDs) by employing a solution-processed molybdenum oxide (MoOx) nanoparticle (NP) as a hole injection layer (HIL). The study investigates the impact of varying the concentrations of the MoOx NP layer on device characteristics and delves into the underlying mechanisms that contribute to the observed enhancements. Experimental techniques such as an X-ray diffraction and field-emission transmission electron microscopy were employed to confirm the formation of MoOx NPs during the synthesis process. Ultraviolet photoelectron spectroscopy was employed to analyze the electron structure of the QLEDs. Remarkable enhancements in device performance were achieved for the QLED by employing an 8 mg/mL concentration of MoOx nanoparticles. This configuration attains a maximum luminance of 69,240.7 cd/cm2, a maximum current efficiency of 56.0 cd/A, and a maximum external quantum efficiency (EQE) of 13.2%. The obtained results signify notable progress in comparison to those for QLED without HIL, and studies that utilize the widely used poly(3,4-ethylenedioxythiophene):poly(styrene sulfonate) (PEDOT:PSS) HIL. They exhibit a remarkable enhancements of 59.5% and 26.4% in maximum current efficiency, respectively, as well as significant improvements of 42.7% and 20.0% in maximum EQE, respectively. This study opens up new possibilities for the selection of HIL and the fabrication of solution-processed QLEDs, contributing to the potential commercialization of these devices in the future. Full article
(This article belongs to the Special Issue Applications of Advanced Nanomaterials in Display)
Show Figures

Figure 1

15 pages, 5209 KB  
Article
A Theory about a Hidden Evander-Size Impact and the Renewal of the Intermediate Cratered Terrain on Dione
by Balázs Bradák, Mayuko Nishikawa and Christopher Gomez
Universe 2023, 9(6), 247; https://doi.org/10.3390/universe9060247 - 24 May 2023
Cited by 2 | Viewed by 1620
Abstract
The study introduces a theory about an Evander-size impact on the surface of Dione. Our study suspects a relatively low-velocity (≤5 km/s) collision between a ca. 50–80 km diameter object and Dione, which might have resulted in the resurfacing of one of the [...] Read more.
The study introduces a theory about an Evander-size impact on the surface of Dione. Our study suspects a relatively low-velocity (≤5 km/s) collision between a ca. 50–80 km diameter object and Dione, which might have resulted in the resurfacing of one of the satellite’s intermediate cratered terrains in various ways, such as surface planing by “plowing” by ricocheting ejectiles, ejecta blanket covering, partial melting, and impact-triggered diapir formation associated with cryotectonism and effusive cryo-slurry outflows. Modeling the parameters of an impact of such a size and mapping the potential secondary crater distribution in the target location may function as the first test of plausibility to reveal the location of such a collision, which may be hidden by younger impact marks formed during, e.g., the Antenor, Dido, Romulus, and Remus collision events. The source of the impactor might have been Saturn-specific planetocentric debris, a unique impactor population suspected in the Saturnian system. Other possible candidates are asteroid(s) appearing during the outer Solar System’s heavy bombardment period, or a collision, which might have happened during the “giant impact phase” in the early Saturnian system. Full article
Show Figures

Figure 1

18 pages, 9079 KB  
Article
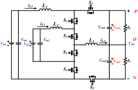
A Bi-Directional Dual-Input Dual-Output Converter for Voltage Balancer in Bipolar DC Microgrid
by Sung-Hun Kim, Hyung-Jun Byun, Junsin Yi and Chung-Yuen Won
Energies 2022, 15(14), 5043; https://doi.org/10.3390/en15145043 - 11 Jul 2022
Cited by 10 | Viewed by 2562
Abstract
Bipolar DC microgrids (BDCMGs) have several issues related to the voltage and require numerous converters to supply power to both poles. To solve these issues, a bidirectional dual-input dual-output (DIDO) converter is proposed for the voltage balancer in BDCMG. The DIDO converter has [...] Read more.
Bipolar DC microgrids (BDCMGs) have several issues related to the voltage and require numerous converters to supply power to both poles. To solve these issues, a bidirectional dual-input dual-output (DIDO) converter is proposed for the voltage balancer in BDCMG. The DIDO converter has dual-input sources and a dual-output port connected to the grid. Additionally, the DIDO converter simultaneously performs independent bidirectional power control and voltage balancing control. Based on the input voltages, this paper proposes modulation methods for three cases. The modulation method of the second case has a wide operating range and low balancing current ripple without increasing the switching frequency. Moreover, only voltage balancer mode without active input sources is proposed, considering the intermittent source. Therefore, it can operate as a voltage balancer under all conditions. The voltage balancing performance of the three cases was analyzed. Finally, the proposed modulation and control method of the DIDO converter were verified through experimental results. Full article
(This article belongs to the Section F: Electrical Engineering)
Show Figures

Figure 1

32 pages, 6819 KB  
Article
Rereading The Wife’s Lament with Dido of Carthage: The Husband and the Herheard
by Marijane Osborn
Humanities 2022, 11(3), 69; https://doi.org/10.3390/h11030069 - 30 May 2022
Cited by 1 | Viewed by 6202
Abstract
The Old English poem in The Exeter Book titled The Wife’s Lament is about longing and loneliness; the woman speaking in the poem longs for her absent husband who has sent her to live in a “cave under an oak tree”. The husband’s [...] Read more.
The Old English poem in The Exeter Book titled The Wife’s Lament is about longing and loneliness; the woman speaking in the poem longs for her absent husband who has sent her to live in a “cave under an oak tree”. The husband’s attitude toward his wife is a major point of controversy among commentators on the poem: has he sent her there as a punishment or for her protection? This essay argues that he loves her and seeks to protect her in his absence. The argument supporting this view addresses the following three topics: the reason he must leave and his brooding silence preceding that departure, the culture of warrior oaths, and the nature of the “cave” where the speaker is located. The first two discussions assess and reframe previous scholarship, while the discussion of the speaker’s location introduces a new area of research, the archaeology of early medieval rock-cut buildings. Finding that the poet might imagine the Wife inhabiting such a constructed building invites us to think about her, her husband, the poem, and even the Exeter Book itself within a new and interesting real-world context. Full article
(This article belongs to the Special Issue Old English Poetry and Its Legacy)
Show Figures

Figure 1

15 pages, 5601 KB  
Article
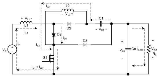
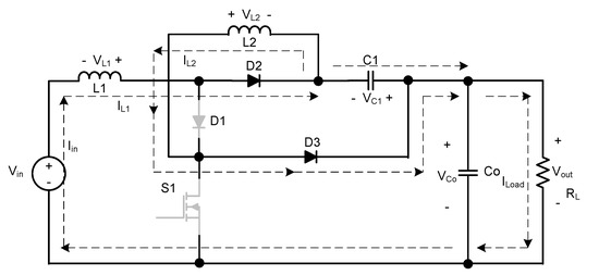
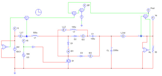
Design and Analysis of a Novel High-Gain DC-DC Boost Converter with Low Component Count
by Usman Rafiq, Ali Faisal Murtaza, Hadeed A. Sher and Dario Gandini
Electronics 2021, 10(15), 1761; https://doi.org/10.3390/electronics10151761 - 23 Jul 2021
Cited by 31 | Viewed by 6909
Abstract
In this paper, a novel high-gain DC-DC boost converter with reduced component count is proposed. The converter that is proposed in this paper provides high DC voltage gain, while keeping the overall component count significantly lower in comparison to some similar high voltage [...] Read more.
In this paper, a novel high-gain DC-DC boost converter with reduced component count is proposed. The converter that is proposed in this paper provides high DC voltage gain, while keeping the overall component count significantly lower in comparison to some similar high voltage gain DC-DC converters presented recently. The proposed converter uses only one power switch, two inductors, two capacitors, and three didoes to achieve high-voltage gain, without a significant compromise on the efficiency. In addition, the proposed design uses small passive component sizes compared to other similar designs of the same power rating. Due to the reduced component count, and hence the small physical size, the proposed converter will find applications in several practical domains, ranging from industrial control embedded systems to the DC transmission bus bars in fully electrical vehicles and renewable energy distribution grids. A 250 Watts prototype of this newly proposed DC-DC boost converter was implemented and simulated using the PSIM simulation tool. The promising simulation results proved the reliable performance of the proposed DC-DC boost converter design. Full article
(This article belongs to the Section Power Electronics)
Show Figures

Figure 1

16 pages, 22214 KB  
Article
Phosphorylation of H3-Thr3 by Haspin Is Required for Primary Cilia Regulation
by Roberto Quadri, Sarah Sertic, Anna Ghilardi, Diego Rondelli, Guido Roberto Gallo, Luca Del Giacco and Marco Muzi-Falconi
Int. J. Mol. Sci. 2021, 22(14), 7753; https://doi.org/10.3390/ijms22147753 - 20 Jul 2021
Cited by 11 | Viewed by 3920
Abstract
Primary cilia are commonly found on most quiescent, terminally differentiated cells and play a major role in the regulation of the cell cycle, cell motility, sensing, and cell–cell communication. Alterations in ciliogenesis and cilia maintenance are causative of several human diseases, collectively known [...] Read more.
Primary cilia are commonly found on most quiescent, terminally differentiated cells and play a major role in the regulation of the cell cycle, cell motility, sensing, and cell–cell communication. Alterations in ciliogenesis and cilia maintenance are causative of several human diseases, collectively known as ciliopathies. A key determinant of primary cilia is the histone deacetylase HDAC6, which regulates their length and resorption and whose distribution is regulated by the death inducer-obliterator 3 (Dido3). Here, we report that the atypical protein kinase Haspin is a key regulator of cilia dynamics. Cells defective in Haspin activity exhibit longer primary cilia and a strong delay in cilia resorption upon cell cycle reentry. We show that Haspin is active in quiescent cells, where it phosphorylates threonine 3 of histone H3, a known mitotic Haspin substrate. Forcing Dido3 detachment from the chromatin prevents Haspin inhibition from impacting cilia dynamics, suggesting that Haspin activity is required for the relocalization of Dido3–HDAC6 to the basal body. Exploiting the zebrafish model, we confirmed the physiological relevance of this mechanism. Our observations shed light on a novel player, Haspin, in the mechanisms that govern the determination of cilia length and the homeostasis of mature cilia. Full article
(This article belongs to the Section Molecular Biology)
Show Figures

Figure 1

22 pages, 5573 KB  
Article
Quantifying Fenestration Effect on Thermal Comfort in Naturally Ventilated Classrooms
by Ibrahim Reda, Raouf N. AbdelMessih, Mohamed Steit and Ehab M. Mina
Sustainability 2021, 13(13), 7385; https://doi.org/10.3390/su13137385 - 1 Jul 2021
Cited by 10 | Viewed by 3885
Abstract
This study seeks to evaluate thermal comfort in naturally ventilated classrooms to draw sustainable solutions that reduce the dramatic energy consumed in mechanically ventilated spaces. Passive ventilation scenarios are generated using alternations of openings on the windward and leeward sides to evaluate their [...] Read more.
This study seeks to evaluate thermal comfort in naturally ventilated classrooms to draw sustainable solutions that reduce the dramatic energy consumed in mechanically ventilated spaces. Passive ventilation scenarios are generated using alternations of openings on the windward and leeward sides to evaluate their effects on thermal comfort. Twenty-eight experiments were carried in Bahrain during winter inside an exposed classroom, the experiments were grouped into five scenarios namely: “single-inlet single-outlet” SISO, “single-inlet double-outlet” SIDO, “double-inlet single-outlet” DISO, “double-inlet double-outlet” DIDO and “single-side ventilation” SSV. The findings indicate that single-side ventilation did not offer comfort except at high airspeed, while comfort is attained by using cross-ventilation at ambient temperature between 21.8–26.8 °C. The temperature difference between monitored locations and the inlet is inversely proportional to the number of air changes per hour. The DISO scenario accomplishes the lowest temperature difference. Using cross-ventilation instead of single-side ventilation reduces the temperature differences between 0.5–2.5 °C and increases airspeed up to three folds. According to the measured findings, the DISO cross-ventilation scenario is a valid sustainable solution adaptable to climatic variation locally and beyond with zero-energy consumption and zero emissions. Full article
(This article belongs to the Collection Sustainability and Engineering Design)
Show Figures

Figure 1

29 pages, 7824 KB  
Article
Minimization of Cross-Regulation in PV and Battery Connected Multi-Input Multi-Output DC to DC Converter
by Vibha Kamaraj, N. Chellammal, Bharatiraja Chokkalingam and Josiah Lange Munda
Energies 2020, 13(24), 6534; https://doi.org/10.3390/en13246534 - 10 Dec 2020
Cited by 9 | Viewed by 3045
Abstract
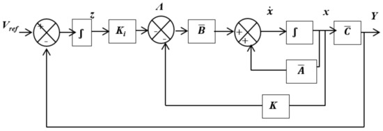
This paper proposes a digital model predictive controller (DMPC) for a multi-input multi-output (MIMO) DC-DC converter interfaced with renewable energy resources in a hybrid system. Such MIMO systems generally suffer from cross-regulation, which seriously impacts the stability and speed of response of the [...] Read more.
This paper proposes a digital model predictive controller (DMPC) for a multi-input multi-output (MIMO) DC-DC converter interfaced with renewable energy resources in a hybrid system. Such MIMO systems generally suffer from cross-regulation, which seriously impacts the stability and speed of response of the system. To solve the contemporary issues in a MIMO system, a controller is required to attenuate the cross-regulation. Therefore, this paper proposes a controller, which increases speed of response and maintains stable output by regulating the load voltage independently. The inductor current and the capacitor voltage of the proposed converter are considered as the controlling parameters. With the aid of Forward Euler’s procedure, the future values are computed for the instantaneous values of controlling parameters. Cost function defines the control action by the predicted values that describe the system performance and establish optimal condition at which the output of the system is required. This allows proper switching of the system, thereby helping to regulate the output voltages. Thus, for any variation in load, the DMPC ensures steady switching operation and minimization of cross-regulation. To prove the efficacy of proposed DMPC controller, simulations followed by the experimental results are executed on a hybrid system consisting of dual-input dual-output (DIDO) positive Super-Lift Luo converter (PSLLC) interfaced with photovoltaic renewable energy resource. The results thus obtained are compared with the conventional PID (proportional integrative derivative) controller for validation and prove that the DMPC controller is able to control the cross-regulation effectively. Full article
Show Figures

Figure 1

20 pages, 2740 KB  
Article
Nonlinear Active Disturbance Rejection Control of VGT-EGR System in Diesel Engines
by Pingyue Zhang, Jingyu Zhang, Yingshun Li and Yuhu Wu
Energies 2020, 13(20), 5331; https://doi.org/10.3390/en13205331 - 13 Oct 2020
Cited by 10 | Viewed by 2906
Abstract
In this paper, a nonlinear active disturbance rejection control (NLADRC) strategy based on nonlinear extended state observer (NLESO) is proposed to solve the unmodeled dynamics, coupling and disturbance due to change of working point in the variable geometry turbine (VGT) and exhaust gas [...] Read more.
In this paper, a nonlinear active disturbance rejection control (NLADRC) strategy based on nonlinear extended state observer (NLESO) is proposed to solve the unmodeled dynamics, coupling and disturbance due to change of working point in the variable geometry turbine (VGT) and exhaust gas recirculation (EGR) system, so as to achieve accurate control of intake manifold pressure and mass air flow in a diesel engine. To achieve decoupling, the double-input double-output (DIDO) VGT-EGR system is decomposed into two single-input single-output (SISO) subsystems, and each subsystem has a separate nonlinear active disturbance rejection controller. At the same time, the convergence proof of the designed NLESO is also given theoretically. Finally, the NLADRC controller is compared with linear active disturbance rejection controller and proportional–integral–derivative (PID) controller. Through simulation, it is indicated that the proposed NLADRC controller has better transient response performance, resistance to external disturbance and robustness to the change of engine operating point. Full article
(This article belongs to the Special Issue Internal Combustion Engine Performance)
Show Figures

Figure 1

13 pages, 277 KB  
Article
Comparing the Effects of FIFO/DIDO Workers Being Home versus Away on Sleep and Loneliness for Partners of Australian Mining Workers
by Kerrie-ann I. Wilson, Sally A. Ferguson, Amanda Rebar, Kristie-Lee Alfrey and Grace E. Vincent
Clocks & Sleep 2020, 2(1), 86-98; https://doi.org/10.3390/clockssleep2010009 - 6 Mar 2020
Cited by 10 | Viewed by 5896
Abstract
Fly in Fly out/Drive in Drive out (FIFO/DIDO) is a prevalent work arrangement in the Australian mining industry and has been associated with adverse outcomes such as psychological stress, sleep disturbances, fatigue, and work/life interference. FIFO/DIDO work arrangements have the potential to not [...] Read more.
Fly in Fly out/Drive in Drive out (FIFO/DIDO) is a prevalent work arrangement in the Australian mining industry and has been associated with adverse outcomes such as psychological stress, sleep disturbances, fatigue, and work/life interference. FIFO/DIDO work arrangements have the potential to not only impact the FIFO/DIDO worker, but also the partner of the FIFO/DIDO worker. However, there is sparse empirical evidence on the impact of FIFO/DIDO work arrangements on partners’ sleep and subsequent performance. Therefore, the primary aim of this study was to describe and compare partners’ sleep quality, sleep duration, sleepiness, and loneliness when the FIFO/DIDO workers were at home (off-shift) and away (on-shift). A secondary aim of this study was to examine whether differences in partners’ sleep quality and sleep duration as a result of FIFO/DIDO worker’s absence could be partially explained through the presence of dependents in the home, relationship duration, chronotype, duration in a FIFO/DIDO role, and loneliness. Self-reported questionnaires were completed by 195 female and 4 male participants, mostly aged between 18 and 44 years and who had been in a relationship with a FIFO/DIDO mining worker for more than five years. Of note, most participants subjectively reported poor sleep quality, insufficient sleep duration, excessive sleepiness, and moderate to extreme loneliness compared to the general population regardless of whether the FIFO/DIDO workers were at home or away. Compared to when the FIFO/DIDO workers were at home, partners experienced reduced sleep quality and increased loneliness when the FIFO/DIDO workers were away. Secondary analyses revealed that loneliness may partially underpin the negative effect that FIFO/DIDO workers’ absence has on sleep quality. Further research is needed to understand the factors that contribute to poor sleep quality, insufficient sleep duration, excessive sleepiness, and loneliness of FIFO/DIDO partners to inform appropriate strategies to support FIFO/DIDO partners’ health and wellbeing not only in the mining population, but other industries that incorporate similar FIFO/DIDO work arrangements (e.g., emergency services, offshore drilling, and transport). Full article
(This article belongs to the Collection Featured Papers from Australasian Chronobiology Society)
8 pages, 3118 KB  
Article
Mass Transfer of Microscale Light-Emitting Diodes to Unusual Substrates by Spontaneously Formed Vertical Tethers During Chemical Lift-Off
by Ja-Yeon Kim, Yoo-Hyun Cho, Hyun-Sun Park, Jae-Hyun Ryou and Min-Ki Kwon
Appl. Sci. 2019, 9(20), 4243; https://doi.org/10.3390/app9204243 - 11 Oct 2019
Cited by 10 | Viewed by 4627
Abstract
A much simplified method for transferring Gallium nitride (GaN) light emitting didoes (LEDs) to an unusual substrate, such as glass, Si, polyethylene terephthalate, or polyurethane, was demonstrated with spontaneously formed vertical tethers during chemical lift-off (CLO), without requiring a sacrificial layer or extra [...] Read more.
A much simplified method for transferring Gallium nitride (GaN) light emitting didoes (LEDs) to an unusual substrate, such as glass, Si, polyethylene terephthalate, or polyurethane, was demonstrated with spontaneously formed vertical tethers during chemical lift-off (CLO), without requiring a sacrificial layer or extra process steps. The LED arrays resided on a stamp that was coated with an adhesive layer. After the layer with the LEDs was transferred to the new substrates, the stamp was removed by acetone to complete the preparation. Over 3 × 3 cm2 LED arrays transferred to various substrates without any damage and misorientation. We also found that the optical and electrical characteristics improved after transfer due to decease in built-in stress. This simple and practical method is expected to greatly facilitate the development of transferrable full color GaN microLEDs on various substrates with either greatly reduced or no damage. Full article
(This article belongs to the Special Issue GaN-Based Light-Emitting Diodes)
Show Figures

Graphical abstract

26 pages, 7895 KB  
Article
Cross Regulation Reduced Optimal Multivariable Controller Design for Single Inductor DC-DC Converters
by S. Augusti Lindiya, N. Subashini and K. Vijayarekha
Energies 2019, 12(3), 477; https://doi.org/10.3390/en12030477 - 1 Feb 2019
Cited by 7 | Viewed by 5095
Abstract
Single Inductor (SI) converters with the advantage of using one inductor for any number of inputs/outputs find wide applications in portable electronic gadgets and electrical vehicles. SI converters can be used in Single Input Multiple Output (SIMO) and Multiple Input Multiple Output (MIMO) [...] Read more.
Single Inductor (SI) converters with the advantage of using one inductor for any number of inputs/outputs find wide applications in portable electronic gadgets and electrical vehicles. SI converters can be used in Single Input Multiple Output (SIMO) and Multiple Input Multiple Output (MIMO) configurations but they need controllers to achieve good transient and steady state responses, to improve the stability against load and line disturbances and to reduce cross regulation. Cross regulation is the change in an output voltage due to change in the load current at another output and it is an added constraint in SI converters. In this paper, Single Input Dual Output (SIDO) and Dual Input Dual Output (DIDO) converters with applications capable of handling high load current working in Continuous Conduction Mode (CCM) of operation are taken under study. Conventional multivariable PID and optimal Linear Quadratic Regulator (LQR) controllers are developed and their performances are compared for the above configurations to meet the desired objectives. Generalized mathematical models for SIMO and MIMO are developed and a Genetic Algorithm (GA) is used to find the parameters of a multivariable PID controller and the weighting matrices of optimal LQR where the objective function includes cross regulation as a constraint. The simulated responses reveal that LQR controller performs well for both the systems over multivariable PID controller and they are validated by hardware prototype model with the help of DT9834® Data Acquisition Module (DAQ). The methodologies used here generate a fresh dimension for the case of such converters in practical applications. Full article
(This article belongs to the Section F: Electrical Engineering)
Show Figures

Figure 1

Back to TopTop