Blockchain IoT for Smart Electric Vehicles Battery Management
Abstract
1. Introduction
2. Background
2.1. Blockchain and Distributed Ledgers
2.2. Ethereum and Smart Contracts
- The transaction is executed successfully. In this case the amount of gas that was required by the processing of data is subtracted from the sender’s account and transferred to the mining nodes (which verify and process the transaction). If the sender allocated more gas than was actually required, the difference is returned to the sender’s account.
- The transaction exceeded the gas limit set by the sender (the number of computational steps or the amount of data were too high for the fees which the sender was willing to spend). In this case all changes to the contract are reverted. However, the gas is still subtracted from the sender, since the other nodes have executed the code up to a certain point.
2.3. IOTA Tangle
3. Electric Vehicles Batteries and SOC Estimation
3.1. Ampere-Hour Counting SOC Estimation
3.2. Open Circuit Voltage SOC Estimation
4. Proposed Application for EV Battery Charging and Swapping
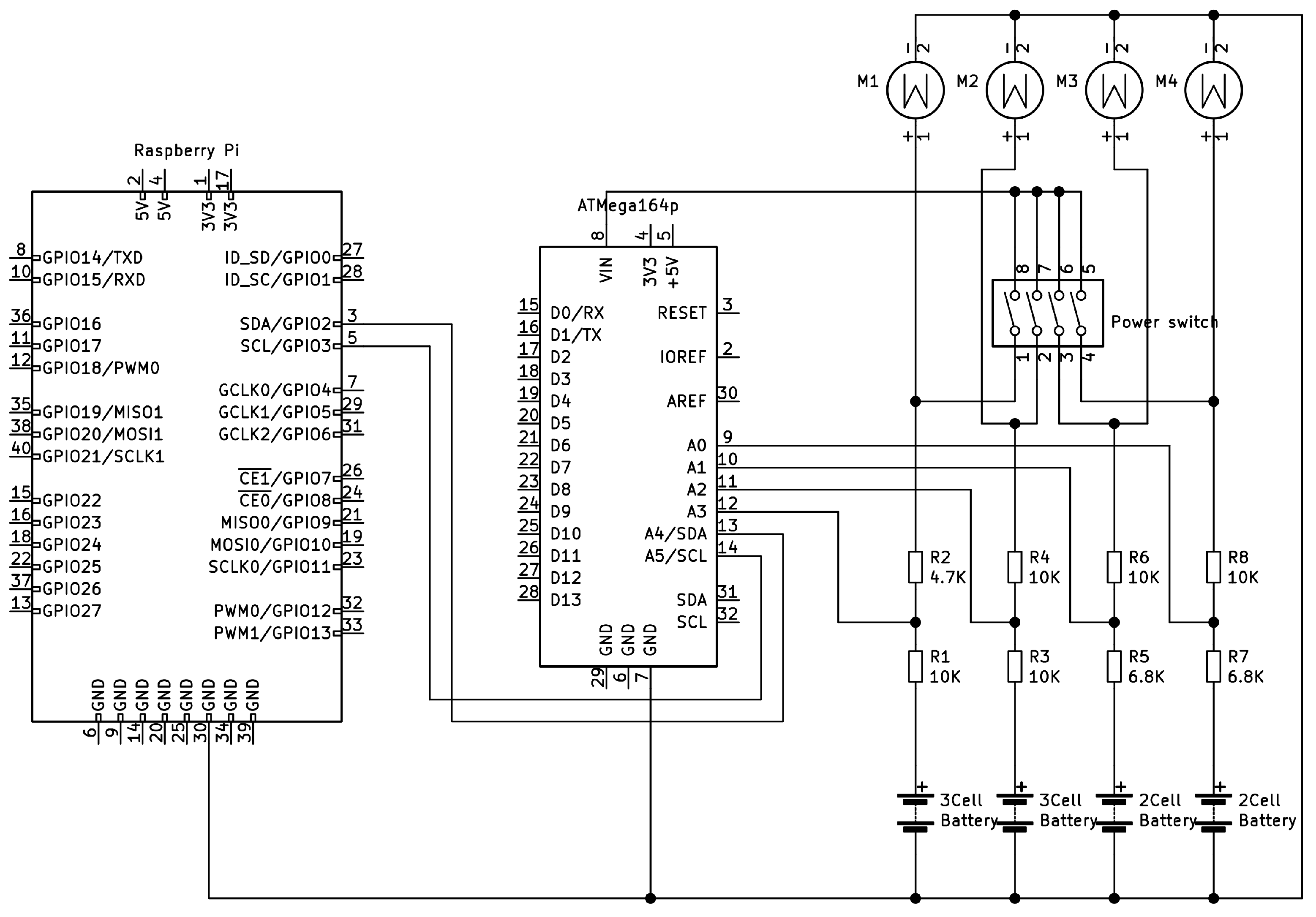
4.1. System Diagram
4.2. Battery Level and SOC Monitoring
- Two 2-cell, 800 mAh, 7.4 V, 30 C discharge rate;
- Two 3-cell, 1000 mAh, 11.1 V, 30 C discharge rate.
4.3. Battery Monitoring System
4.4. Ethereum Blockchain
- struct User {
- uint id;
- uint balance; // user balance
- uint8 userType; // user or station
- bool set; // differentiate between unset and zero struct values
- }
- mapping (address = > User) public users;
- function newUser (address _address, uint8 _type) public
- struct Battery {
- uint id;
- bytes32 manufacturer; // eg. Yuki
- bytes32 model; // eg. Radium
- bytes32 batteryType; // eg. LiPo
- uint32 capacity; // eg. 800 (mAh)
- uint8 cells; // eg. 2
- uint manufactureDate; // Unix timestamp
- uint32 maxChargeCount; // eg. 200
- bool set; // differentiate between unset and zero struct values
- }
- function newBattery (address _address, bytes32 _manufacturer, bytes32 _model,
- bytes32 _batteryType, uint32 _capacity, uint8 _cells,
- uint256 _manufactureDate, uint32 _maxChargeCount) public
- function newRequest (address _address, uint _batteryId, uint8 _requestType,
- uint _timestamp) public
- function acceptRequest (address _address, uint _userIndex, address _station,
- uint _stationIndex, uint _approved) public
- struct BatteryData {
- uint id;
- uint8 SOC; // percentage
- uint32 voltage; // mV
- uint32 chargeCount; // eg. 7
- uint timestamp; // eg. 1562662637000
- bool set;
- }
- function newData (address _address, uint _id, uint _index, uint8 _soc,
- uint32 _voltage, uint32 _chargeCount, uint _timestamp) public
4.5. IOTA Tangle
- tx = ProposedTransaction (
- address = Address (IOTAAddress),
- value = 0,
- tag=Tag (b’IOTABMSDATA’),
- message = TryteString.from_string (IOTAJSONData)
- )
- IOTAApi.send_transfer(
- depth = 3,
- transfers = [tx],
- min_weight_magnitude = 14,
- inputs = BatteryAddress
- )
5. Results
6. Discussion
7. Conclusions
Author Contributions
Funding
Conflicts of Interest
Abbreviations
| 4PL | 4-Parameter Logistics |
| 5PL | 5-Parameter Logistics |
| Ah | Ampere-Hour |
| BEV | Battery Electric Vehicle |
| BMS | Battery Management System |
| DAG | Directed Acyclic Graph |
| DLT | Distributed Ledger Technology |
| ECM | Electrical Circuit Model |
| ESC | Electronic Speed Control |
| EV | Electric Vehicle |
| FCEV | Fuel-Cell Electric Vehicle |
| I2C | Inter-Integrated Circuit |
| IoT | Internet of Things |
| HEV | Hybrid Electric Vehicle |
| KF | Kalman Filter |
| LiPo | Lithium-Polymer |
| M2M | Machine to Machine |
| MAM | Masked Authenticated Messages |
| OCV | Open Circuit Voltage |
| P2P | Peer to Peer |
| PHEV | Plug-in Hybrid Electric Vehicle |
| POA | Proof of Authority |
| POW | Proof of Work |
| SOC | State of Charge |
| UAC | User Access Control |
Appendix A. Ethereum Transactions
| Transaction hash | 0xe3bdb085f2dc0c7423bc7a8a50c3c75f431faccf7fe9ced9c8889e755845455d |
| From | 0x468fa9e5c2e87816688bcc96176bbe3e711ea4be |
| To | BatteryContract.newBattery(address,bytes32,bytes32,bytes32,uint32,uint8,uint256,uint32) 0x6b2010a939adce6728d0e61d68c14d19c797a380 |
| Gas | 213278 |
| Input | 0x2b069245 …000000c8 |
| Decoded input | { "address _address": "0x62650b2f80d471d29372a4be9acf28365cd419c1", "bytes32 _manufacturer": "0x59756b69", "bytes32 _model": "0x4b727970746f6e69756d0000", "bytes32 _batteryType": "0x4c69506f", "uint32 _capacity": 1000, "uint8 _cells": 3, "uint256 _manufactureDate": "1526989237000", "uint32 _maxChargeCount": 200 } |
| Logs | [ { "from": "0x6b2010a939adce6728d0e61d68c14d19c797a380", "topic": "0xf01d0b1897e49a087d6d16276d60ab14a343d4e4b451af73bfc055cab1888c7c", "event": "newBatteryEvent", "args": { …} } ] |
| Transaction hash | 0xdb90386e3ab9877e7da06699cb975fcf97020211f3c351755302961146d1d5b5 |
| From | 0x468fa9e5c2e87816688bcc96176bbe3e711ea4be |
| To | BatteryContract.newRequest(address,uint256,uint8,uint256) 0x6b2010a939adce6728d0e61d68c14d19c797a380 |
| Gas | 141145 |
| Input | 0xc286525a …e5153348 |
| Decoded input | { "address _address": "0x62650B2f80D471d29372a4Be9aCf28365cd419c1", "uint256 _batteryId": "0", "uint8 _requestType": 0, "uint256 _timestamp": "1558621533000" } |
| Logs | [ { "from": "0x6b2010a939adce6728d0e61d68c14d19c797a380", "topic": "0x28d61e4489683b71fb18e12434540b0f2e409d794b88c706069480866c22f893", "event": "newRequestEvent", "args": { …} } ] |
| Transaction hash | 0x3a78d06023f5d493cb1a55f21c0bbf0f803d98a6373dba5bd0c92e87401bf26b |
| From | 0x468fa9e5c2e87816688bcc96176bbe3e711ea4be |
| To | BatteryContract.acceptRequest(address,uint256,address,uint256,uint256) 0x6b2010a939adce6728d0e61d68c14d19c797a380 |
| Gas | 469526 |
| Input | 0xeca01e5a00000000000000000000000062650b2f80d471d29372a4be9acf28365cd419c10000 000000000000000000000000000000000000000000000000000000000000000000000000000000 0000001365af95d86cf447dbe6b991be87d5c4a59a3e3800000000000000000000000000000000 000000000000000000000000000000000000000000000000000000000000000000000000000000 000000016ae5153348 |
| Decoded input | { "address _address": "0x62650B2f80D471d29372a4Be9aCf28365cd419c1", "uint256 _userIndex": "0", "address _station": "0x1365af95D86cF447dbe6B991bE87d5c4A59A3E38", "uint256 _stationIndex": "0", "uint256 _approved": "1558621533000" } |
| Logs | [ { "from": "0x6b2010a939adce6728d0e61d68c14d19c797a380", "topic": "0xf1e21ec30699d34039ffbb472baadcc06326aa1a6fc32b220f936f2a58a8a495", "event": "acceptedRequestEvent", "args": { …} } ] |
| Transaction hash | call 0x468fa9e5c2e87816688bcc96176bbe3e711ea4be 0x6b2010a939adce6728d0e61d68c14d19c797a380 0x9ecebe2a00000000000000000000000062650b2f80d471d29372a4be9acf28365cd419c10000 000000000000000000000000000000000000000000000000000000000000 |
| From | 0x468fa9e5c2e87816688bcc96176bbe3e711ea4be |
| To | BatteryContract.requests(address, uint256) 0x6b2010a939adce6728d0e61d68c14d19c797a380 |
| Input | 0x9ecebe2a00000000000000000000000062650b2f80d471d29372a4be9acf28365cd419c10000 000000000000000000000000000000000000000000000000000000000000 |
| Decoded input | { "address": "0x62650B2f80D471d29372a4Be9aCf28365cd419c1" "uint256": "0" } |
| Decoded output | { "0": "uint256: id 0", "1": "uint256: batteryId 0", "2": "uint8: requestType 0", "3": "uint256: timestamp 1558621533000", "4": "address: station 0x1365af95D86cF447dbe6B991bE87d5c4A59A3E38" "5": "uint256: approved 1558621533000" "6": "bool: set true" } |
References
- Yong, J.Y.; Ramachandaramurthy, V.K.; Tan, K.M.; Mithulananthan, N. A review on the state-of-the-art technologies of electric vehicle, its impacts and prospects. Renew. Sustain. Energy Rev. 2015, 49, 365–385. [Google Scholar] [CrossRef]
- Eberle, U.; von Helmolt, R. Sustainable transportation based on electric vehicle concepts: A brief overview. Energy Environ. Sci. 2010, 3, 689–699. [Google Scholar] [CrossRef]
- Dharmakeerthi, C.H.; Mithulananthan, N.; Saha, T.K. Modeling and planning of EV fast charging station in power grid. In Proceedings of the 2012 IEEE Power and Energy Society General Meeting, San Diego, CA, USA, 22–26 July 2012; pp. 1–8. [Google Scholar]
- Hannan, M.A.; Hoque, M.M.; Hussain, A.; Yusof, Y.; Ker, P.J. State-of-the-Art and Energy Management System of Lithium-Ion Batteries in Electric Vehicle Applications: Issues and Recommendations. IEEE Access 2018, 6, 19362–19378. [Google Scholar] [CrossRef]
- del Valle, J.A.; Anseán, D.; Carlos Viera, J.; Antuña, J.L.; González, M.; García, V. Analysis of Advanced Lithium-Ion Batteries for Battery Energy Storage Systems. In Proceedings of the 2018 IEEE International Conference on Environment and Electrical Engineering and 2018 IEEE Industrial and Commercial Power Systems Europe (EEEIC/I CPS Europe), Palermo, Italy, 12–15 June 2018; pp. 1–6. [Google Scholar]
- Liu, C.; Liu, L. Optimizing Battery Design for Fast Charge through a Genetic Algorithm Based Multi-Objective Optimization Framework. ECS Trans. 2017, 77, 257–271. [Google Scholar] [CrossRef]
- O’Malley, R.; Liu, L.; Depcik, C. Comparative study of various cathodes for lithium ion batteries using an enhanced Peukert capacity model. J. Power Sources 2018, 396, 621–631. [Google Scholar] [CrossRef]
- Helber, S.; Broihan, J.; Jang, Y.J.; Hecker, P.; Feuerle, T. Location Planning for Dynamic Wireless Charging Systems for Electric Airport Passenger Buses. Energies 2018, 11, 258. [Google Scholar] [CrossRef]
- Liu, H.; Tan, L.; Huang, X.; Zhang, M.; Zhang, Z.; Li, J. Power Stabilization based on Switching Control of Segmented Transmitting Coils for Multi Loads in Static-Dynamic Hybrid Wireless Charging System at Traffic Lights. Energies 2019, 12, 607. [Google Scholar] [CrossRef]
- Nakamoto, S. Bitcoin: A Peer-to-Peer Electronic Cash System. 2008. Available online: https://bitcoin.org/bitcoin.pdf (accessed on 3 March 2020).
- Florea, B.C. Blockchain and Internet of Things data provider for smart applications. In Proceedings of the 2018 7th Mediterranean Conference on Embedded Computing (MECO), Budva, Montenegro, 10–14 June 2018. [Google Scholar]
- Wang, J.; Wang, Q.; Zhou, N.; Chi, Y. A Novel Electricity Transaction Mode of Microgrids Based on Blockchain and Continuous Double Auction. Energies 2017, 10, 1971. [Google Scholar] [CrossRef]
- Khan, S.; Khan, R. Multiple Authorities Attribute-Based Verification Mechanism for Blockchain Mircogrid Transactions. Energies 2018, 11, 1154. [Google Scholar] [CrossRef]
- Wu, J.; Tran, N.K. Application of Blockchain Technology in Sustainable Energy Systems: An Overview. Sustainability 2018, 10, 3067. [Google Scholar] [CrossRef]
- Miller, D. Blockchain and the Internet of Things in the Industrial Sector. IT Prof. 2018, 20, 15–18. [Google Scholar] [CrossRef]
- Son, B.; Lee, J.; Jang, H. A Scalable IoT Protocol via an Efficient DAG-Based Distributed Ledger Consensus. Sustainability 2020, 12, 1529. [Google Scholar] [CrossRef]
- Odysseas, L.; Gialelis, J. An IOTA Based Distributed Sensor Node System. In Proceedings of the 2018 IEEE Globecom Workshops (GC Wkshps), Abu Dhabi, UAE, 9–13 December 2018; pp. 1–6. [Google Scholar]
- Bartolomeu, P.C.; Vieira, E.; Ferreira, J. IOTA Feasibility and Perspectives for Enabling Vehicular Applications. In Proceedings of the 2018 IEEE Globecom Workshops (GC Wkshps), Abu Dhabi, UAE, 9–13 December 2018; pp. 1–7. [Google Scholar]
- Ibáñez, L.; Simperl, E.; Gandon, F.; Story, H. Redecentralizing the Web with Distributed Ledgers. IEEE Intell. Syst. 2017, 32, 92–95. [Google Scholar] [CrossRef]
- Merkle, R.C. A Digital Signature Based on a Conventional Encryption Function. In Advances in Cryptology (CRYPTO ’87); Pomerance, C., Ed.; Springer: Berlin/Heidelberg, Germany, 1988; pp. 369–378. [Google Scholar]
- Buterin, V. A Next Generation Smart Contract and Decentralized Application Platform. 2014. Available online: https://github.com/ethereum/wiki/wiki/White-Paper (accessed on 3 March 2020).
- Szabo, N. Smart Contracts: Building Blocks for Digital Markets. 1996. Available online: http://www.fon.hum.uva.nl/rob/Courses/InformationInSpeech/CDROM/Literature/LOTwinterschool2006/szabo.best.vwh.net/smart_contracts_2.html (accessed on 3 March 2020).
- Wang, S.; Ouyang, L.; Yuan, Y.; Ni, X.; Han, X.; Wang, F.Y. Blockchain-Enabled Smart Contracts: Architecture, Applications, and Future Trends. IEEE Trans. Syste. Man Cybern. Syst. 2019, 49, 2266–2277. [Google Scholar] [CrossRef]
- O’Dwyer, K.J.; Malone, D. Bitcoin mining and its energy footprint. In Proceedings of the 25th IET Irish Signals Systems Conference 2014 and 2014 China-Ireland International Conference on Information and Communications Technologies (ISSC 2014/CIICT 2014), Limerick, Ireland, 26–27 June 2014; pp. 280–285. [Google Scholar]
- Wang, W.; Hoang, D.T.; Hu, P.; Xiong, Z.; Niyato, D.; Wang, P.; Wen, Y.; Kim, D.I. A Survey on Consensus Mechanisms and Mining Strategy Management in Blockchain Networks. IEEE Access 2019, 7, 22328–22370. [Google Scholar] [CrossRef]
- Popov, S. The Tangle. 2018. Available online: https://assets.ctfassets.net/r1dr6vzfxhev/2t4uxvsIqk0EUau6g2sw0g/45eae33637ca92f85dd9f4a3a218e1ec/iota1_4_3.pdf (accessed on 3 March 2020).
- Miao, Y.; Hynan, P.; von Jouanne, A.; Yokochi, A. Current Li-Ion Battery Technologies in Electric Vehicles and Opportunities for Advancements. Energies 2019, 12, 1074. [Google Scholar] [CrossRef]
- Iclodean, C.; Varga, B.; Burnete, N.; Cimerdean, D.; Jurchiş, B. Comparison of Different Battery Types for Electric Vehicles. IOP Conf. Ser. Mater. Sci. Eng. 2017, 252, 012058. [Google Scholar] [CrossRef]
- Piller, S.; Perrin, M.; Jossen, A. Methods for state-of-charge determination and their applications. J. Power Sources 2001, 96, 113–120. [Google Scholar] [CrossRef]
- Rivera-Barrera, J.P.; Muñoz-Galeano, N.; Sarmiento-Maldonado, H.O. SoC Estimation for Lithium-ion Batteries: Review and Future Challenges. Electronics 2017, 6, 102. [Google Scholar] [CrossRef]
- Zhang, R.; Xia, B.; Li, B.; Cao, L.; Lai, Y.; Zheng, W.; Wang, H.; Wang, W. State of the Art of Lithium-Ion Battery SOC Estimation for Electrical Vehicles. Energies 2018, 11, 1820. [Google Scholar] [CrossRef]
- Prochazka, P.; Cervinka, D.; Martis, J.; Cipin, R.; Vorel, P. Li-Ion Battery Deep Discharge Degradation. ECS Trans. 2016, 74, 31–36. [Google Scholar] [CrossRef]
- Weng, C.; Sun, J.; Peng, H. A unified open-circuit-voltage model of lithium-ion batteries for state-of-charge estimation and state-of-health monitoring. J. Power Sources 2014, 258, 228–237. [Google Scholar] [CrossRef]
- Gottschalk, P.G.; Dunn, J.R. The five-parameter logistic: A characterization and comparison with the four-parameter logistic. Anal. Biochem. 2005, 343, 54–65. [Google Scholar] [CrossRef] [PubMed]
- Brogan, J.; Baskaran, I.; Ramachandran, N. Authenticating Health Activity Data Using Distributed Ledger Technologies. Comput. Struct. Biotechnol. J. 2018, 16, 257–266. [Google Scholar] [CrossRef]
- Feng, Q.; He, D.; Zeadally, S.; Khan, M.K.; Kumar, N. A survey on privacy protection in blockchain system. J. Netw. Comput. Appl. 2019, 126, 45–58. [Google Scholar] [CrossRef]
- Jia, B.; Zhou, T.; Li, W.; Liu, Z.; Zhang, J. A Blockchain-Based Location Privacy Protection Incentive Mechanism in Crowd Sensing Networks. Sensors 2018, 18, 3894. [Google Scholar] [CrossRef]










| SOC | Cell Voltage (V) | 2 Cells Voltage (V) | 3 Cells Voltage (V) |
|---|---|---|---|
| 100% | 4.20 | 8.40 | 12.60 |
| 95% | 4.15 | 8.30 | 12.45 |
| 90% | 4.11 | 8.22 | 12.33 |
| 85% | 4.08 | 8.16 | 12.25 |
| 80% | 4.02 | 8.05 | 12.07 |
| 75% | 3.98 | 7.97 | 11.95 |
| 70% | 3.95 | 7.91 | 11.86 |
| 65% | 3.91 | 7.83 | 11.74 |
| 60% | 3.87 | 7.75 | 11.62 |
| 55% | 3.85 | 7.71 | 11.56 |
| 50% | 3.84 | 7.67 | 11.51 |
| 45% | 3.82 | 7.63 | 11.45 |
| 40% | 3.80 | 7.59 | 11.39 |
| 35% | 3.79 | 7.57 | 11.36 |
| 30% | 3.77 | 7.53 | 11.30 |
| 25% | 3.75 | 7.49 | 11.24 |
| 20% | 3.73 | 7.45 | 11.18 |
| 15% | 3.71 | 7.41 | 11.12 |
| 10% | 3.69 | 7.37 | 11.06 |
| 5% | 3.61 | 7.22 | 10.83 |
| 0% | 3.27 | 6.55 | 9.82 |
| Transaction hash | 0x6cf7bdea3c4c8be4c023558e9a7089d840bb18115da1b11aa3ba55f77dd42b2c |
| From | 0x468fa9e5c2e87816688bcc96176bbe3e711ea4be |
| To | BatteryContract.newUser(address, uint8) 0x6b2010a939adce6728d0e61d68c14d19c797a380 |
| Gas | 117179 |
| Input | 0x7636a94c00000000000000000000000062650b2f80d471d29372a4be9acf28365cd419c 10000000000000000000000000000000000000000000000000000000000000000 |
| Decoded input | { "address _address": "0x62650b2f80d471d29372a4be9acf28365cd419c1", "uint8 _type": 0 } |
| Logs | [ { "from": "0x6b2010a939adce6728d0e61d68c14d19c797a380", "topic": "0x05cdcffc20f5068d145a89a6ba9848186e191098da4d73e256368398e0a76ff7", "event": "newUserEvent", "args": { "_address": "0x62650b2f80d471d29372a4be9acf28365cd419c1", "_id": "0", "length": 2 } } ] |
| Value | 0 wei |
| Transaction hash | call 0x468fa9e5c2e87816688bcc96176bbe3e711ea4be 0x6b2010a939adce6728d0e61d68c14d19c797a380 0xa87430ba00000000000000000000000062650b2f80d471d29372a4be9acf28365cd419c1 |
| From | 0x468fa9e5c2e87816688bcc96176bbe3e711ea4be |
| To | BatteryContract.users(address) 0x6b2010a939adce6728d0e61d68c14d19c797a380 |
| Input | 0xa87430ba00000000000000000000000062650b2f80d471d29372a4be9acf28365cd419c1 |
| Decoded input | { "address": "0x62650B2f80D471d29372a4Be9aCf28365cd419c1" } |
| Decoded output | { "0": "uint256: id 0", "1": "uint256: balance 50", "2": "uint8: userType 0", "3": "bool: set true" } |
| Field | Description | Length (trytes) |
|---|---|---|
| address | Sender’s or recipient’s address, depending if the transaction withdraws or receives tokens | 81 |
| signatureMessageFragment | A signature if the transaction withdraws tokens or a tryte-encoded message otherwise. This can be split across multiple transactions | 2187 |
| value | The amount of tokens transferred | 27 |
| tag | User-defined tag | 27 |
| timestamp | Unix timestamp (seconds since Jan. 01 1970) of when the transaction was issued. In IOTA, the timestamp is not currently enforced and can be arbitrary | 9 |
| bundle | The hash of the bundle of the transaction | 81 |
| currentIndex | Index of the current transaction in the bundle | 9 |
| lastIndex | Index of the last transaction in the bundle | 9 |
| trunkTransaction | Hash of a parent transaction | 81 |
| branchTransaction | Hash of a parent transaction | 81 |
| attachmentTimestamp | Unix timestamp of when the POW was completed | 9 |
| nonce | The POW field of the transaction | 27 |
| Transaction hash | AMCSQBBEUNDBITQMW9ZYDXA9H9YBMO9QQZMAQARQGFFWUZX9HOUYHFI ENRBAUTQ9IZZ9ZSWBMULFZ9999 |
| From | UHLEMW9QSZBRM9QVQGICTIMKWQNWDPQLYPHCMMHR9JDDYJXHGAOVLJR LEWACCLJTXFOJLJAAJLXVRUDIW |
| To | SMVIZBPLNBFOALXONUIREQZZWN9HTLVJQVEDUDVNGMLYP9SQDOLMMWC 9WXRKXFJZMLQZU9TMRSWJCDZKD |
| Bundle | STODQIOYCBKLUQWWHARYLQUEKLFDZNNSVASDQSHCHEXWZEG9ZKCH9LJ KV9YTHJZDTUJDGSESUHUQYYDA9 |
| Index in bundle | 0/0 |
| Trunk transaction | Y9YHCOTRWEMFREDJ9HWRWSKONSUGADUCSXZDDMJLVD9IJYDWSNCG9PN PWTCEWWTOXHKKBWYVDUIOXM999 |
| Branch transaction | Y9YHCOTRWEMFREDJ9HWRWSKONSUGADUCSXZDDMJLVD9IJYDWSNCG9PN PWTCEWWTOXHKKBWYVDUIOXM999 |
| Tag | IOTABMSNEWUSER9999999999999 |
| Message | ODGAPCSCSCFDTCGDGDGADBGABCWBECSBICLBZBVBXBLBPBYBKBVBGCY BXBDCSBACOB9CICICFCXBCBRBCCVBECTB9CECOBNBDCNBECXBQBWBVBH CZBCBBC9CNBYBVBWBWBFCMBCBFCGCACUBGCPBTBICWBVB9CICDCCBCC WBACBCFCTBMBNBICUBNBGAQAGAHDMDDDTCGADBGAUAGAQAGAQCP C9DPCBDRCTCGADBZAUAQAGAHDXCADTCGDHDPCADDDGADBGAVAZAZ ABBYAYAWAXAWACBVAYAWAGAQD |
| Decoded message | { "address": "SMVIZBPLNB…MRSWJCDZKD", "type": "0", "balance": 50, "timestamp": "1558442329142" } |
© 2020 by the authors. Licensee MDPI, Basel, Switzerland. This article is an open access article distributed under the terms and conditions of the Creative Commons Attribution (CC BY) license (http://creativecommons.org/licenses/by/4.0/).
Share and Cite
Florea, B.C.; Taralunga, D.D. Blockchain IoT for Smart Electric Vehicles Battery Management. Sustainability 2020, 12, 3984. https://doi.org/10.3390/su12103984
Florea BC, Taralunga DD. Blockchain IoT for Smart Electric Vehicles Battery Management. Sustainability. 2020; 12(10):3984. https://doi.org/10.3390/su12103984
Chicago/Turabian StyleFlorea, Bogdan Cristian, and Dragos Daniel Taralunga. 2020. "Blockchain IoT for Smart Electric Vehicles Battery Management" Sustainability 12, no. 10: 3984. https://doi.org/10.3390/su12103984
APA StyleFlorea, B. C., & Taralunga, D. D. (2020). Blockchain IoT for Smart Electric Vehicles Battery Management. Sustainability, 12(10), 3984. https://doi.org/10.3390/su12103984

