Abstract
A coal-based coproduction process of liquefied natural gas (LNG) and methanol (CTLNG-M) is developed and key units are simulated in this paper. The goal is to find improvements of the low-earning coal to synthesis natural gas (CTSNG) process using the same raw material but producing a low-margin, single synthesis natural gas (SNG) product. In the CTLNG-M process, there are two innovative aspects. Firstly, the process can co-generate high value-added products of LNG and methanol, in which CH4 is separated from the syngas to obtain liquefied natural gas (LNG) through a cryogenic separation unit, while the remaining lean-methane syngas is then used for methanol synthesis. Secondly, CO2 separated from the acid gas removal unit is partially reused for methanol synthesis reaction, which consequently increases the carbon element utilization efficiency and reduces the CO2 emission. In this paper, the process is designed with the output products of 642,000 tons/a LNG and 1,367,800 tons/a methanol. The simulation results show that the CTLNG-M process can obtain a carbon utilization efficiency of 39.6%, bringing about a reduction of CO2 emission by 130,000 tons/a compared to the CTSNG process. However, the energy consumption of the new process is increased by 9.3% after detailed analysis of energy consumption. The results indicate that although electricity consumption is higher than that of the conventional CTSNG process, the new CTLNG-M process is still economically feasible. In terms of the economic benefits, the investment is remarkably decreased by 17.8% and an increase in internal rate of return (IRR) by 6% is also achieved, contrasting to the standalone CTSNG process. It is; therefore, considered as a feasible scheme for the efficient utilization of coal by Lurgi gasification technology and production planning for existing CTSNG plants.
1. Introduction
China is the main source of global energy growth as well as the largest energy consumer in the past 20 years [1]. In 2016, China’s natural gas production was 148.7 billion Nm3, with a yearly rate increase of 8.5%. Meanwhile, the total imports are 92 billion m3, with an annual growth rate of 27.6%. However, the total yearly gas consumption is 237.3 billion m3, which is 15.3% higher than that of 2015 [2]. If keeping with the same growth rates, the natural gas will be in insufficient supply in the near future. To alleviate such an energy shortage, the Chinese government encourages the build and operate (B&O) development of coal to conduct synthetic natural gas (CTSNG) projects. Therefore, many CTSNG projects have been launched recently and are being run successfully all over the country, as shown in Table 1.
Table 1.
B&O CTSNG projects in China (2018).
However, CTSNG projects face some challenges. Firstly, the market price of synthetic natural gas (SNG) products is not based on its cost structure, nor according to the guidance from a market mechanism. Departments of China offer a rather lower price to the public, and priority is given to civil use, transportation field, etc. Thus, lower economic returns are common to all CTSNG projects. The price of natural gas has fallen sharply since November 2015 in the country after the National Development and Reform Commission issued a report about price adjustment [2]. In Figure 1, it shows that, during 2015 to 2018, the price of SNG is reduced from 2.75 to 1.82 CNY/Nm3. After 2018, the price further decreased to 1.78 CNY/Nm3. In such case, the market price of SNG is 0.97 CNY/ Nm3 lower than that of 2015. Taking Keqi Coal-Based Gas Project Phase I for an example, in 2017, it produced 1.03 billion Nm3 SNG products, yet with a big deficit of 650 million CNY. It can be seen that if natural gas price keeps fluctuating at a low-price level, these CTSNG projects are likely to face severe losses.
Figure 1.
China’s synthesis natural gas (SNG) market price recording (2014–2018).
Secondly, the SNG product is mainly supplied for civil use like urban heating in the winter. Thus, there is a peak–valley difference of natural gas demand between winter and summer. In most of the northern cities of China, the top demand of natural gas in the heating period is from November to March of the following year. In contrast, the demand in the non-heating period remains at a lower level from April to October. According to statistics from Ji [3], the consumption in the heating period is up to 10 times of that in the non-heating period. Taking the winter of 2018 as an example, the gap between supply and demand of natural gas is about 24 billion m3. Since natural gas cannot be stored for a long time, coal-based gas projects are facing production cuts during the non-heating period, which brings huge economic losses.
Further, in many CTSNG projects, a Lurgi gasification technology has been employed to produce qualitative coal-based syngas for synthesis reaction. Major units in the process can be seen in Figure 2, including coal gasification, water–gas shift, acid gas removal, and methanation synthesis units [4,5].
Figure 2.
Flowchart of the CTSNG process.
However, the hydrogen:carbon ratio of crude syngas from Lurgi gasifier is about 2.7 [6]. According to the requirement of synthesis gas reaction, it is necessary to use water–gas shift technology to increase that ratio to 3.1 for methanation. However, as the Equation (1) of water–gas shift reaction shows, CO2 emission is inevitably increased in that process [7,8].
The coproduction process alternative is a practical way to address this challenge. As known, traditional CTSNG processes have a single gaseous coal-based natural gas product. However, it is possible that the same raw materials can be converted to various designed products under the coproduction process structure. Till now, there are different studies devoted to comprehensive processing of coal syngas. These studies prove that coproduction systems can improve the resource utilization and energy efficiencies. Some works are also being proven by demonstration projects.
Yi et al. (2017) studied the modelling and optimization theories of coproduction systems. In their studies, the coproduction process can be very flexible for its integration of technologies and raw material distribution. Besides, it is pointed out that systematic design can improve the process performance like better carbon conversion ratio and improved energy saving size [9,10,11].
Hao et al. (2015) proposed a coproduction process of methanol and electricity with coal and coke oven gas as raw materials. The new system is compared with the process based on CH4/CO2 dry reforming technology, in terms of exergy efficiency, exergy cost, and CO2 emissions. Through the new system, the exergy efficiency can be increased by 7.8%. Besides, the exergy cost can be reduced by 0.88 USD/GJ and the CO2 emission can be reduced by 0.023 kg/MJ [12,13,14]. Han et al. (2010) introduced a methanol production and integrated gasification combined cycle power generation system using coal and natural gas as fuel. The syngas derived from natural gas and coal is firstly used for methanol synthesis. The unreacted syngas is used in the power plant as fuel. Comparing with the single production system, the coproduction system can save about 10% of fossil fuels [15]. Tu et al. (2015) found that a methanol and electricity coproduction system can obtain the best benefit when the recycle ratio of unreacted gas is assigned with the value between 2.17 and 4.44, with relative energy saving rate and unit energy production approaching an optimum [16]. Huang et al. (2018) introduced a low-energy CO2 capture process after the water–gas shift unit in a poly-generation process. A part of the unreacted syngas is used to generate power. Energy consumption for CO2 capture is 0.7 GJ/t-CO2, bringing a 40.6% reduction compared to that of the coal-to-methanol process [17].
In addition, Bai et al. (2015) studied a poly-generation system of generating methanol and power with the solar thermal gasification of the biomass. The syngas from the biomass gasification is used to produce the methanol via a synthesis reactor. The un-reacted gas is used for the power generation via a combined cycle power unit. The thermodynamic and economic performances of the system are investigated. A portion of the concentrated solar thermal energy can be chemically stored into the syngas. The highest energy efficiency of the poly-generation system is approximately 56.09%, which can achieve the stable utilization of the solar energy and the mitigation of CO2 emission [18].
Many researchers from outside China are also interested in this field. You et al. (2011) studied the optimal distribution of raw materials in different production routes to maximize the benefit of the coproduction process. A superstructure optimization model is formulated as a mixed-integer nonlinear program to determine the optimal process design, and the proposed framework is applied to a comprehensive superstructure of an integrated shale gas for chemical processing, which involves steam cracking of ethane, propane, n-butane, and i-butane [19,20].
The above studies are mainly based on thermodynamics to reach a higher energy utilization, achieve a reduction on energy consumption, and realize the optimization of reaction conditions, like gas recycle ratio, operating temperature and pressure, etc. However, studies are less focused on matching products proposal and syngas component ratio, like (H2 − CO2)/(CO + CO2) ratio, which is specified for chemical synthesis.
Considering all difficulties that existing B&O CTSNG projects are facing, this paper studies a coproduction process with LNG and methanol (CTLNG-M). The CTLNG-M process is developed based on a rational distribution study on hydrogen and carbon elements in the processing, which reduce CO2 emission by converting more carbon to chemicals and increase unit product income for a high valued liquefied natural gas (LNG) product. Section 2 gives the description of the new process on what measures have been taken. Section 3 gives the detailed modeling and simulation with respect to key parameters of added units in the CTLNG-M process. In Section 4, a discussion about the carbon utilization efficiency, energy efficiency, energy consumption, and economic performance of the CTLNG-M process is given.
2. LNG and Methanol Coproduction Process
The syngas from a Lurgi gasifier contains 12% to 18% methane [21]. Because of this high composition of methane, Lurgi gasification technology is usually used in CTSNG projects [22,23]. However, from another point of view, LNG products can also be obtained by separating methane from the syngas through an added cryogenic separation technology. LNG is a relatively high value-added product form of coal-based natural gas, whose price can reflect the supply and demand mechanism. In Figure 3, it can be seen that LNG prices have shown an upward trend from 3206 CNY/tons to 5373 CNY/tons in heating period time (January in each year) since 2017, with an average price of 3122 CNY/tons and a highest price up to 5613 CNY/tons. In addition, LNG can be transported and stored in a more flexible way [24].
Figure 3.
China’s liquefied natural gas (LNG) market price recording (January 2017–January 2019).
Thus, use of a separation unit to remove methane from syngas out of the Lurgi gasifier is taken into consideration, as the remaining syngas can be used for methanol synthesis. In this paper, two units are added, the cryogenic separation unit is placed before a methanol synthesis unit. Thereby, the content of effective gas in methanol synthesis reaction is increased, and the production efficiency also improved.
This paper proposes a coproduction process for matching the product distribution of Lurgi gasification technology. The CTLNG-M process is highlighted through a schematic diagram as shown in Figure 4. In this process, the syngas from the Lurgi gasifier is separated to get LNG product by cryogenic separation unit. The remaining syngas has the H:C ratio close to 2.4. An additional carbon source is needed to decrease that ratio near to 2.1 before methanol synthesis. In that case, the additional carbon resource can be provided by CO2 extracted from the acid gas removal unit. Thereby, the carbon emission of the system is also reduced.
Figure 4.
Flowchart of coal to liquefied natural gas (LNG) and methanol (CTLNG-M) coproduction process.
There are different gases that are present as impurities in crude syngas. Amongst them, sulfides can cause deactivation of methanol synthesis catalysts, while carbon dioxide can reduce the conversion of methanol synthesis. These impurities, as well as tar, phenol, and ammonia, can be removed by acid gas removal unit [10]. After that and heat recovery, the molecular sieve process is used to further reduce the content of carbon dioxide and methanol to less than 1 ppm and then meet feed requirements of the cryogenic separation [25].
The new process employs nitrogen cycle refrigeration technology to separate the methane [26]. Nitrogen provides most of the cooling capacity through the adiabatic expansion cycle in the turbine expander. A double column cryogenic distillation process is used for separation of syngas and LNG [27], as shown in Figure 5. In the double column process, the washing column and the CH4-CO distillation column are packed columns. The top outlet of the washing tower is syngas with methane content less than 1%. The cold energy is recovered through a heat exchanging system before sending to methanol synthesis and be used for exchange heat from input gas.
Figure 5.
Process flow diagram of CTLNG-M.
The stream extracted from the bottom of the washing tower mainly consists of methane and carbon monoxide. It is sent to the CH4-CO distillation column for methane separation.
In the CH4-CO distillation column, the condensed liquid stream at the top of the column is partially used as the reflux, and the other part enters the washing column as recycling stream at the top of the column. The main component of the non-condensable gas at the top of this column is CO with the concentration of 70%. In the bottom of tower, a part of LNG returns to the circulation inside the tower for improving product quality with higher CH4 content. The other part is cooled to −163 °C through the heat exchanger.
The syngas from the Lurgi gasifier reaches the standard for methanol synthesis through the use of Rectisol and the cryogenic separation unit. After compression, components in syngas react to the product methanol with copper-based catalyst. The main equations are shown as below.
3. Modeling and Simulation
As has been mentioned above, there are four main units involved in the CTLNG-M process. Namely coal gasification, acid gas removal, cryogenic separation, and methanol synthesis unit. The detailed simulation of coal gasification and the acid gas removal unit can be found in our group’s previous work [28,29,30]. Consequently, this paper gives modelling and simulation results for two added units, as the cryogenic separation and methanol synthesis unit.
The coal quality parameters are shown in Table 2.
Table 2.
Proximate and ultimate analyses of Shenmu coal. HHV: high heating value.
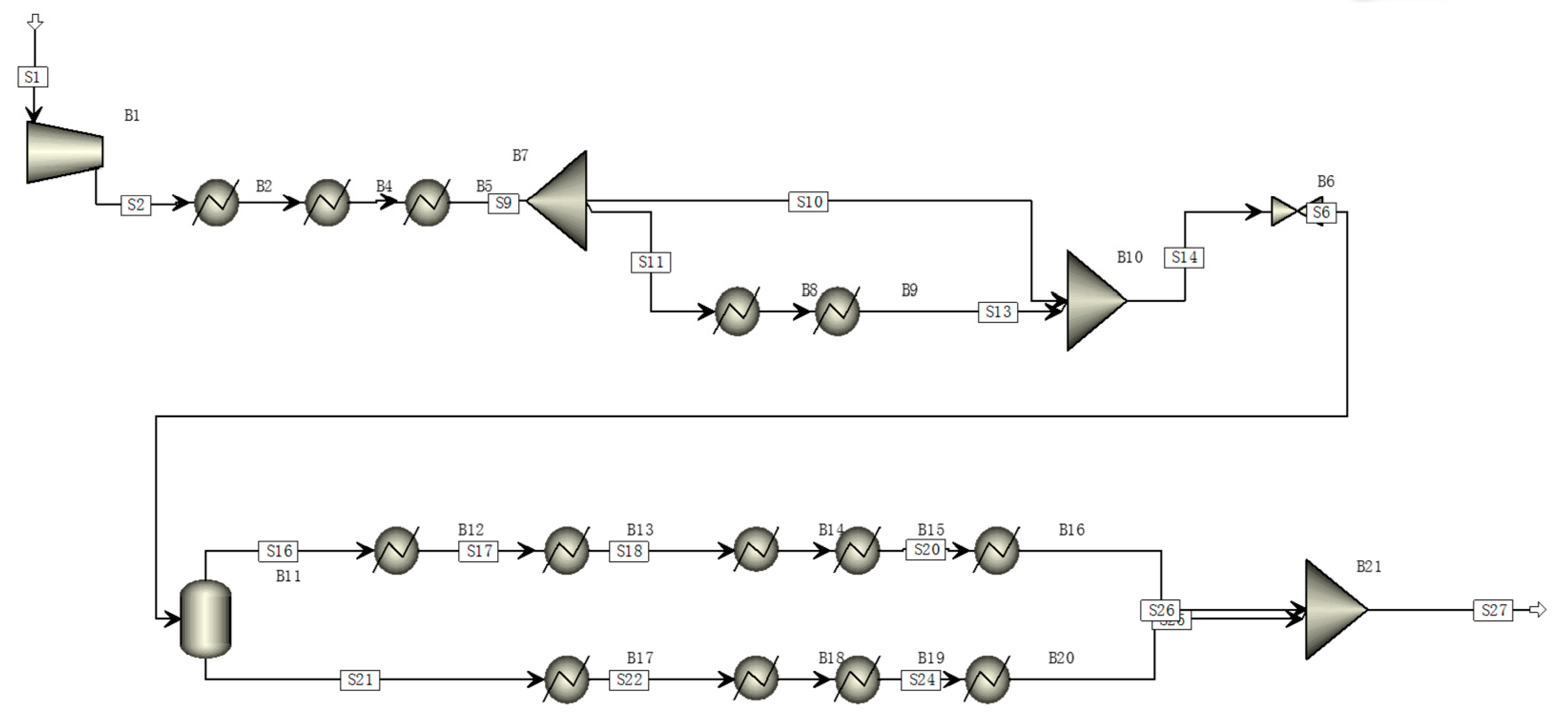
3.1. Cryogenic Separation Unit
The role of the cryogenic separation unit used in the new process is to obtain purified LNG products [31]. As illustrated in Figure 6, the clean syngas is firstly introduced to an absorption tower for H2O and methane removal. After that, the resulted syngas (S1) is cooled into liquid phase. Most of the remaining carbon monoxide component in S2 is sent to the methanol synthesis unit. Stream S4 from the bottom of T2-W mainly consists of CO and CH4, which needs further distillation in T3-D [32]. Stream S5 is then separated in to two parts, one is recycled to the top of T2-W, and another for methanol synthesis. Stream S8 obtained from the bottom of the T3-D is the LNG product.
Figure 6.
Flow diagram of the cryogenic separation process.
In this paper, the SRK method is used to predict the physical properties of streams. T1-A is modeled by the SEP module, T2-W and T3-F by the RadFrac module and T4-F by the Flash module. The pressure of the top of T2-W is 36 bar, and the theoretical number of tower plates is set to 30, which is twice the minimum theoretical number calculated by Aspen’s succinct calculation. The feeding position is stage 14. In the T3-D, its pressure is 34 bar, and drop pressure is 7 bar. In order to maintain the quality of the LNG product, the CH4/(CH4 + C2) ratio of steam gas in the bottom is less than 97.5% (GB/T 19204-2003), which is controlled by adjusting the reflux ratio.
After compression, the nitrogen is liquefied. Through the throttle valve, the high-pressure liquid nitrogen is expanded to a low-pressure state. In this process, the gas absorbs heat from the environment. Therefore, this expansion process provides cooling capacity for the T2-W and the T3-D. The cryogenic system uses two-stage nitrogen circulation expansion refrigeration, which is shown in Figure 7 [33].
Figure 7.
Flow diagram of the nitrogen circulation refrigeration process.
Simulation results are given in Table 3. Steam S4 consists of 38.8% CH4 and 55.1% CO. Stream S4 is liquefied as the LNG product and outputted from the bottom of T3-D. In the LNG product, the purity of CH4 can approach up to 97.6%, with the impurity content of CO and C2 less than 1%. The separation is modeled and simulated compared with the data in the reference [34], with the error less than 5%.
Table 3.
Simulation results of the cryogenic separation unit.
3.2. Methanol Synthesis Unit
The flow chart of the methanol synthesis is shown in Figure 8. Methanol synthesis gas is, at first, mixed with the stream of CO2 from the acid gas removal unit to adjust the H:C ratio. This is because the syngas is rich in hydrogen and additional carbon source for methanol synthesis is needed until that H:C ratio decreased to around 2.1 [35,36].
Figure 8.
Flow diagram of the methanol synthesis unit.
According to the practical process in Datang Keqi project, the Lurgi low-pressure methanol synthesis method is employed. The methanol syngas enters the reactor with the recycling gas. After heat recovery of the outlet stream, the gas–liquid steam is separated by a separator to recycle the unreacted syngas. The liquid part is the input stream of the methanol rectification unit. A small part of unreacted gas is discharged as purge gas.
In this unit, the PR property method was selected in Aspen for modelling the methanol synthesis unit. The purified syngas is pressurized to 8.2 MPa by the compressor modeled by the COMP module [37]. The synthesis reactor was modeled by a plug flow model of RPlug. Table 4 shows the simulation result of the process.
Table 4.
Simulation results of the methanol synthesis unit.
The methanol synthesis gas with a H:C ratio of 2.1 is compressed to 82 bar and sent to the reactor [28]. In this syngas, the CO2 volume fraction is less than 3%, which is in line with industrial practice. During the process, 86% unreacted gas is recycled back to the reactor to improve the overall conversion. As a result, the CTLNG-M process produces a total of 6573 kmol/h methanol product.
The key parameters in the CTLNG-M process are listed in Table 5. The carbon element conversion ratio in the coal gasification unit is 99.9%. In the acid gas removal unit, the H2S removal ratio is 99.5%, and the pressure is under 50 bar. In the cryogenic separation unit, the CH4 mole fraction is 97.5%, the recycle ratio and purge ratio in the methanol synthesis unit are set as 0.86 and 0.05 separately.
Table 5.
Main design parameters in the CTLNG-M simulation.
3.3. Parameters Analysis
There are two important operation parameters in the new process. One is the temperature and pressure at the bottom of the gas–liquid separation tower in the cryogenic separation unit, and another one is the unreacted gas recycle ratio in the methanol synthesis unit. These two parameters are highly corelated with the composition of syngas and methanol production. These two parameters have significant impact on the composition of syngas and methanol production, which are analyzed in detail as follows.
Figure 9a,b shows the effect of operating temperature and pressure of T4-S on the composition of syngas out from the cryogenic separation unit. For analysis, we fix the recycling ratio to 0.86.
Figure 9.
(a,b) Effect of temperature and pressure on the H:C ratio and inert gas concentration.
It can be seen from Figure 9a that when the operating pressure of the tower is 31.1 bar, the H:C ratio of syngas decreases from 2.25 to 2.1, and the content of inert gas increases from 0.68% to 0.88% as the temperature rises from −175 to −155 °C. When the tower operating pressure is 21.1 bar, as shown in Figure 9b, the H:C ratio is from 2.25 to 1.95, and the content of inert gas increased from 0.68% to 0.95%. The trend of syngas composition changing is similar under different operating pressures.
However, the H:C ratio of syngas for methanol synthesis should not exceed 2.1 [38]. When the H:C ratio decreases to 2.1 and the pressure is 31.1 bar, the increase of inert gas content is less than that at 21.1 bar. Considering that accumulation of inert gas in syngas will reduce methanol production [17], in this paper the operating pressure is set to 31.1 bar, and the operating temperature is set to −158 °C.
We then study the effect of the unreacted gas recycling ratio to the conversion (a) and the compression duty for gas recycling (b), as shown in Figure 10a,b.
Figure 10.
(a,b) Effect of recycling ratio on methanol productivity and compressor duty.
The productivity of methanol shows an upward tendency with the recycling ratio increasing, which indicates that a higher carbon utilization efficiency can be achieved by adjusting that ratio. The results confirm a good match with the previous study of Man et al. (2016) [39]. However, with more gas recycled, the units will consume more compression duty, as shown in Figure 10b.
Figure 10a shows that, when the recycle ratio increases from 0.50 to 0.86, the methanol production increases slowly, and when the cycle ratio is more than 0.86, the methanol production increases rapidly and the energy consumption increases rapidly. In order to balance the capacity and energy consumption of the system, in this paper, 0.86 is chosen as the recycle ratio of unreacted methanol gas in this unit.
All results at key points of the CTLNG-M process are shown in Table 6. After dehydration and cooling, the crude syngas of 42,338 kmol/h is sent to the acid gas removal unit. In this unit, the CO2 is removed and the content of CO2 is reduced to 20 ppm and that of the H2S less than 1 ppm. The clean syngas flow (SNYGAS-C) is 28,310 kmol/h with the H:C ratio of 2.47. This stream enters the cryogenic separation unit and is cooled to −168 °C. CH4 is separated out of this unit as the LNG product of 4790 kmol/h, denoted by stream S8 in this figure. The yearly output of LNG is 642,000 tons. After separation, CH4 content in the syngas is reduced to 0.6% before entering the methanol reactor. This input stream is mixed in this new process with the CO2 stream from the acid gas removal unit. Finally, the syngas has its H:C ratio at 2.1 and the total yearly methanol output of 1.368 million tons.
Table 6.
Simulation results at key points of CTLNG-M process.
4. Discussion
The CTLNG-M process input consists of 4.656 million tons/a raw coal, which remains the same amount as a benchmark CTSNG process, meanwhile, the outputs consist of 1,367,800 tons/a of methanol and 642,000 tons/a of LNG. The benchmark has the same input amount of coal and outputs consisting of 2 billion Nm3 nature gas only. Based on the simulations, we compare these two processes with respect to energy efficiency, carbon element utilization rate, energy consumption, and economic benefit, as given in Table 7. In the following section, we explain the definition of the indexes and analyze the performances of these two processes.
Table 7.
System performances parameters of CTLNG-M and CTSNG.
4.1. Energy Efficiency
According to the first law of thermodynamics, energy efficiency is defined as the ratio of the energy of effective products (E0) to the energy of input raw materials (Ei), as given by Equation (4). [40].
where E0 is the product energy (MW) of chemical process and Ei is the raw material energy (MW) of chemical process. In this paper, the energy of raw materials and products is calculated by the high heating value (HHV). In the CTLNG-M process, the source of input energy includes raw coal, electricity, and steam. Thereby, the outputs of energy are LNG and methanol. Methanol is a widely-used platform chemical product with a high calorific value of 22.7 GJ/ton. LNG is an energy product and mainly used for urban gas or power generation. It has a high calorific value of 54.6 GJ/ton. Methane is also used as fuel, and the high heating value of the gas conforms to the natural gas GB17820-2012 standard which is 31.4 MJ/m3.
According to Equations (3) and (4), the product energy of the CTLNG-M process is 9158 GJ/h, and the energy efficiency is 53.1%. The product energy of the CTSNG process is 7850 GJ/h, and its energy efficiency is 50.4%. It shows that the new CTLNG-M process has a higher efficiency of 3% than that of the conventional CTSNG process.
4.2. Element Utilization Ratio
In a coal-based chemical process, the C element in coal is transformed into a chemical product. Thus, it is important to analyze the C resource utilization efficiency to represent the resource utilization. The element C converted into methanol in coal is defined as the effective C, and the element C discharged in the form of CO2 or waste residue is defined as the ineffective C. The ratio of the carbon mole flow in the product to the mole flow in the raw material is defined as carbon efficiency λ, which can be represented by Equation (5) [41].
where F0 is the mole flow of carbon in methanol and LNG products and Fi is the mole flow of carbon in coal.
Figure 11 shows the carbon elemental balance in the new process. It shows that the input molar flow in raw material coal of CTLNG-M system is 27,416 kmol/h. The molar flow of carbon in the crude syngas is 27,141 kmol/h after gasification, and gets 11,749 kmol/h carbon elements when washed with methanol at a low temperature. In the cryogenic separation unit, the molar flow of carbon in the LNG product is 4284 kmol/h. Remaining clean syngas is mixed with the pure CO2 from the acid gas removal unit and the molar flow of carbon in the methanol syngas is 6967 kmol/h. In this case, CO2 through the acid gas removal process, is separated into two parts. Partial CO2 is then removed from gas emission, and recycled in the synthesis process to convert the final methanol product. The methanol syngas re-enters the methanol synthesis unit which contains 6573 kmol/h carbon in the methanol products.
Figure 11.
Carbon element flow in the process of GTLNG-M.
According to Equation (5), the carbon element efficiency of the new process is 39.6%. This ratio is 5.2% higher than that of the CTSNG process. This is mainly because CO2 emission has been partially converted into product. In the conventional process, all syngas has to be converted to only synthesized natural gas (SNG), which requires the H:C ratio of 3.1 using the element balance equation. This is higher than the ratio in the syngas output from the Lurgi gasification as 2.7. It is necessary for the CTSNG process to use the water–gas shift unit to increase the ratio to 3.1 for methanation reaction. In this course, CO2 emission is increased. However, in the new coproduction process, methanol is present as a suitable product from chemical synthesis through which product methane is separated and cryogenically cooled to directly produce the LNG product. The remaining syngas is only used for methanol synthesis, which requires a lower H:C ratio of 2.1. In this case, the syngas has excessive hydrogen. We then introduce CO2 into the syngas to adjust the ratio. In this study, 209 kmol/h CO2 is converted to methanol.
4.3. Energy Consumption Analysis
As has been stated in the above discussion, the CTLNG-M process has a higher energy and carbon utilization ratio than CTSNG process. Moreover, considering the new process is under a coproduction design with an added cryogenic separation unit, which is specially needed at low temperature environment and; therefore, consumes more electricity, quantitative analysis for energy use is a necessity.
The energy consumption is defined as utilities consisting of steam cost and electricity cost. According to our calculation, the steam cost in CTLNG-M is 1.34 million tons/a, and the electricity consumption is 110 MW, while the same in the CTSNG process are, respectively, 1.86 million tons/a and 77 MW. For a more convenient comparison, both steam cost and electricity consumption are converted to the same units as MJ/a, as shown in Figure 12.
Figure 12.
Energy consumption of the CTLNG-M and CTSNG processes.
In Figure 12, the CTLNG-M process consumes 4.3 × 109 MJ of steam and 9.5 × 109 MJ of electricity for a year, and the CTSNG process consumes 5.9 × 109 MJ of steam and 6.7 × 109 MJ of electricity. It shows that the coproduction system has a lower steam cost of about 1.6 × 109 MJ for per year, which is mainly because of a flexible way to integrate heat exchange when there is not only one route for product processing [42]. However, more electricity is consumed in the new process. It is because the nitrogen circulation refrigeration process needs more power assistance, as modelling data indicates. Since there is no power that can be generated within the system, it takes more capital investment, which needs to be further analyzed.
To summarize, the total energy consumption in general increased by 8.7%. The coproduction process has an advantage on utility usage due to integration of a heat exchanger and flexible distribution flow between different product processing. However, in the specific case of CTLNG-M, a higher electricity consumption is due to compression work in the added cryogenic separation unit. In total, the increased electricity consumption cannot be outweighed by the decrease in the steam cost, and the energy demand gap is 1.2 × 109 MJ/a, which indicates more investment on various costs in the new coproduction process and a further economic analysis is needed for profitability measurement.
4.4. Economic Analysis
4.4.1. Total Capital Investment
The total capital investment (TCI) for a given construction project mainly includes fixed capital investment and variable cost. The investment for manufacturing and plant facilities are defined as the fixed capital investment, while those for the plant operation are the working capital [43]. The equipment investment of the system can be calculated by Equations (6) and (7) based on the benchmark investment of the major equipment listed. The total investment can then be derived from the scale factor ((See Table A1 and Table A2 in Appendix.).
where EI is the equipment investment (CNY), θ is the localization factor, is the benchmark equipment investment of the j unit, is the scale of the j unit, is the base scale of the j unit, TCI is the total investment, and is the proportionality factor of the investment composition i.
As shown in Figure 13, based on the same input of raw coal, the total investment of the CTSNG project is 16.62 billion CNY, and the CTLNG-M project is 13.66 billion CNY, which is 17.8% lower than CTSNG. This is because the new process eliminates the water–gas shift unit compared to the single-production coal gasification process, so that the carbon emission is less and the amount of gas processed by the acid gas removal unit is decreasing compared to the original CTSNG process. The corresponding investment is also reduced. At the same time, the CTLNG-M process uses a nitrogen expansion refrigeration process, with mature technology and low investment. Therefore, the cryogenic unit equipment and related investment are relatively low, and the total amount of process investment is correspondingly reduced, which is more suitable for CTSNG projects and has economic advantages.
Figure 13.
Capital investment of CTLNG-M and CTSNG.
4.4.2. Internal Rate of Return
Internal rate of return (IRR) is another important index for evaluation of economic performance, which takes into account the net present value and the service life of processing route into account [44]. A dynamic evaluation method is taken in this paper, the calculation is as follows.
where CI is the net cash inflow in the t year, CO is the net cash outflow; m is the project’s life time; i is the benchmark rate of return. NPV stands for net present value (NPV), which refers to the net cash flow generated annually by a technical solution throughout its life cycle. The net cash flow generated each year is converted to the present value at the base time by a specified base discount rate i0.
Inner rate of return (IRR) can usually be calculated by interpolation method. It represents the discount rate when the cumulative present value of the net cash flow of the project is equal to zero in the whole calculation period. IRR is a dynamic index to evaluate the economic feasibility of new projects. It is usually compared with the base rate of return to determine whether the new chemical process is feasible. In this paper, i is set to 12% [45]. If the IRR is larger than the base rate of return i, the process is economically feasible and achieves the lowest level of return on investment. In addition, with the increase of internal rate of return, the obtained benefit of the process will also increase.
The IRRs of the CTLNG-M and CTSNG processes are compared in Figure 14, which are higher than the industrial criterion of 12%. Specifically, the IRR of the CTSNG process is 13%, which is slightly higher than 12%, and accords with the current status of the CTSNG project. However, the IRR of the CTLNG-M process is 19%, which increased by 6%, so this process has higher profit.
Figure 14.
Inner rate of return (IRR) of the CTLNG-M and CTSNG processes.
5. Conclusions
This paper proposes a system of coproduction for LNG and methanol. The aim was to find improvements to the low-earning CTSNG process using the same raw material but producing a low-margin, single SNG product. In the new coproduction process, there are two innovative aspects. On the one hand, the syngas is firstly separated to the LNG product and the lean-methane syngas is then used for methanol synthesis. To realize this improvement, a cryogenic separation unit is added. Besides, the syngas with little CH4 has a higher hydrogen component than that for methanol synthesis. Thereby, CO2 is used to supply an additional carbon element to the methanol synthesis. On the other hand, the methanation unit is removed, while the process still outputs a product of the high-valued form of methane as the LNG. In the case study, we modeled and simulated the key units of the CTLNG-M process with 642,000 tons/a LNG and 1.368 million tons/a methanol product, compared to the CTSNG process with the same coal processing coal capacity and 2 billion NM3/a SNG. In element efficiency analysis, the carbon efficiency of the new process increases from 34.7% to 39.6%, with corresponding decrease of carbon emission by 130,000 tons per year. Because of the additional energy consumption for gas compression, the energy efficiency of the new process is at the same level with the CTSNG process.
In economic analysis, the IRR of the CTSNG process is 13% while the IRR of the CTLNG-M process is 19%. The new process brings much higher economic benefits. This is because the new process produces a higher valued product and saves the carbon resource during methanol synthesis. Moreover, the new process has 17.8% reduction of investment compared to the CTSNG process. Thus, this is a promising solution for coal chemical processes based on Lugri gasification technology, with more economic benefit and less investment.
Author Contributions
J.G. and S.Y. contributed to the conception of the study. J.G. and S.Y. contributed significantly to analysis and manuscript preparation; J.G. performed the data analyses and wrote the manuscript; A.K. helped perform the analysis with constructive discussions.
Funding
We would like to express our appreciation to the National Natural Science Foundation of China (funder ID: http://dx.doi.org/10.13039/501100001809, Grant No. 21736004).
Conflicts of Interest
The authors declare no conflicts of interest.
Appendix A
Table A1.
Summary of investment data for main equipment components.
Table A1.
Summary of investment data for main equipment components.
| Unit | Scaling Parameter | θ | ||||
|---|---|---|---|---|---|---|
| Gasification | Coal Input | 4.84 | 39.2 | 0.8 | 161.7 | 161.7 |
| Acid Gas Removal | CO2 Absorption | 2.03 | 2064.4 | 0.65 | 1201.1 | 1174.5 |
| Cryogenic Separation | Output Flow Rate | 3.23 | 21.3 | 0.5 | 21.79 | 0 |
| Methanol Synthesis | Syngas Flow Rate | 1.26 | 10,810 | 0.65 | 6628.6 | 0 |
| Water–Gas Shift | MAF Coal Input (LHV) | 3.18 | 1377 | 0.67 | 0 | 4322.2 |
| Methanation | Syngas Flow Rate | 1.26 | 10,810 | 0.65 | 0 | 8011 |
Table A2.
Ratio factors for capital investment.
Table A2.
Ratio factors for capital investment.
| Component | Ratio Range (%) | Factor (%) |
|---|---|---|
| 1. Direct Investment | ||
| Equipment | 15~40 | 21 |
| Installation | 6~14 | 10 |
| Instruments and Controls | 2~8 | 5 |
| Piping | 2~20 | 12 |
| Electrical | 2~10 | 6 |
| Building (including Service) | 3~18 | 15 |
| Land | 1~2 | 1 |
| 2. Indirect Investment | ||
| (2.1) Engineering and Supervision | 4~21 | 10 |
| (2.2) Construction Expenses | 3~16 | 9 |
| (2.3) Contractor’s Fee | 2~6 | 4 |
| (2.4) Contingency | 5~15 | 7 |
| 3. Fixed Capital Investment | Direct + Indirect | 100 |
| 4. Working Capital | 10~20 | 17 |
| 5. Total Capital Investment | Fixed + Flow | 117 |
References
- BP. BP Statistical Review of World Energy (2017 Full Report). Available online: https://www.bp.com/zh_cn/china/reports-and-publications/_bp_2017-_.html (accessed on 5 July 2017).
- National Development and Reform Commission. 13th Five-Year Plan for Demonstration of Coal Deep Processing Industry. Available online: http://www.ndrc.gov.cn/fzgggz/fzgh/ghwb/gjjgh/201708/W020170809596996271593.pdf (accessed on 3 March 2017).
- Ji, H. Study on Peak-Valley Difference of Natural Gas Demand in North China and Its Countermeasures. Master’s Thesis, China University of Petroleum, Qingdao, China, 2016. [Google Scholar]
- Liu, X.; Kang, S. Discussion on the source of feed gas to synthetic natural gas (SNG). Coal Chem. Ind. 2017, 45, 58–62. [Google Scholar]
- Li, G.; Liu, Z.Y.; Liu, T.; Shan, J.; Fang, Y.T.; Wang, Z.Q. Techno-economic analysis of a coal to hydrogen process based on ash agglomerating fluidized bed gasification. Energy Convers. Manag. 2018, 164, 552–559. [Google Scholar] [CrossRef]
- Guo, Z.; Wang, Q.; Fang, M.; Luo, Z.; Cen, K. Thermodynamic and economic analysis of polygeneration system integrating atmospheric pressure coal pyrolysis technology with circulating fluidized bed power plant. Appl. Energy 2014, 113, 1301–1314. [Google Scholar] [CrossRef]
- Liu, Y.; Qian, Y.; Xiao, H.; Yang, S.Y. Techno-economic and environmental analysis of coal-based synthetic natural gas process in China. J. Clean. Prod. 2017, 166, 417–424. [Google Scholar] [CrossRef]
- Xiao, H.; Liu, Y.; Huang, H.; Yang, S. Modeling and heat integration for water gas shift unit of coal to SNG process. CIEP J. 2018, 37, 554–560. [Google Scholar]
- Li, S.; Jin, H.; Gao, L.; Zhang, X. Exergy analysis and the energy saving mechanism for coal to synthetic/substitute natural gas and power cogeneration system without and with CO2 capture. Appl. Energy 2014, 130, 552–561. [Google Scholar] [CrossRef]
- Li, S.; Jin, H.; Gao, L. Cogeneration of substitute natural gas and power from coal by moderate recycle of the chemical unconverted gas. Energy 2013, 55, 658–667. [Google Scholar] [CrossRef]
- Yi, Q.; Hao, Y.; Zhang, J. Energy polygeneration systems and CO2 recycle. In Advances in Energy System Engineering; Springer: Cham, Switzerland, 2017; pp. 319–428. [Google Scholar]
- Lin, H.; Jin, H.; Gao, L.; Han, W. Techno-economic evaluation of coal-based polygeneration systems of synthetic fuel and power with CO2 recovery. Energy Convers. Manag. 2011, 52, 274–283. [Google Scholar] [CrossRef]
- Lin, R.; Jin, H.; Gao, L. Review on the evaluation criteria of polygeneration system for power and chemical production. Gas Turbine Tech. 2012, 25, 1–14. [Google Scholar]
- Hao, Y.; Huang, Y.; Gong, M.; Li, W.; Feng, J.; Yi, Q. A polygeneration from a dual-gas partial catalytic oxidation coupling with an oxygen-permeable membrane reactor. Energy Convers. Manag. 2015, 106, 466–478. [Google Scholar] [CrossRef]
- Han, W.; Jin, H.; Lin, R.; Wang, Y. A new methanol-power polygeneration system based on moderate conversion of coal and natural gas. J. Eng. 2010, 31, 1981–1984. [Google Scholar]
- Tu, C.; Li, S.; Gao, L.; Jin, H. Association studies of coal-based methanol/power poly-generation system. J. Eng. Thermophys. 2015, 36, 32–35. [Google Scholar]
- Huang, H.; Yang, S.; Cui, P. Design concept for coal-based polygeneration processes of chemicals and power with the lowest energy consumption for CO2 capture. Energy Convers. Manag. 2018, 157, 186–194. [Google Scholar] [CrossRef]
- Bai, Z.; Liu, Q.B.; Lei, J.; Li, H.; Jin, H. A polygeneration system for the methanol production and the power generation with the solar–biomass thermal gasification. Energy Convers. Manag. 2015, 102, 190–201. [Google Scholar] [CrossRef]
- Gong, J.; You, F. A new superstructure optimization paradigm for process synthesis with product distribution optimization: Application to an integrated shale gas processing and chemical manufacturing process. AICHE J. 2017, 64, 123–143. [Google Scholar] [CrossRef]
- You, F.; Grossmann, I.E.; Wassick, J.M. Multisite capacity, production, and distribution planning with reactor modifications: MILP model, bilevel decomposition algorithm versus lagrangean decomposition scheme. Ind. Eng. Chem. Res. 2011, 50, 4831–4849. [Google Scholar] [CrossRef]
- He, C.; Feng, X.; Chu, K.H. Process modeling and thermodynamic analysis of Lurgi fixed-bed coal gasifier in a SNG plant. Appl. Energy 2013, 111, 742–757. [Google Scholar] [CrossRef]
- Wu, Z.Q.; Wang, S.Z.; Zhao, J.; Lin, C.; Meng, H. Product distribution during co-pyrolysis of bituminous coal and lignocellulosic biomass major components in a drop-tube furnace. Energy Fuels 2015, 29, 4168–4180. [Google Scholar] [CrossRef]
- An, W.; Tian, P.; Qi, K. Current situation and opportunities & challenges of coal to SNG industry in China. Coal Chem. Ind. 2018, 44, 7–11. [Google Scholar]
- Ma, L. Analysis of the correlation between China’s LNG imported price and oil price. China Petrochem. J. 2017, 1, 138–139. [Google Scholar]
- Zhou, Y.; Li, Y. Features of Xianfeng Chemical methane cryogenic separation unit and summaries of its commissioning. Cryog. Technol. 2016, 2, 15–20. [Google Scholar]
- Ghorbani, B.; Shirmohammadi, R.; Mehrpooya, M. A novel energy efficient LNG/NGL recovery process using absorption and mixed refrigerant refrigeration cycles, economic and exergy analyses. Appl. Therm. Eng. 2018, 132, 283–295. [Google Scholar] [CrossRef]
- Zhang, Q.; Li, Z.; Wang, G.; Li, H. Study on the impacts of natural gas supply cost on gas flow and infrastructure deployment in China. Appl. Energy 2015, 162, 1385–1398. [Google Scholar] [CrossRef]
- Man, Y.; Yang, S.; Xiao, H.; Qian, Y. Modeling, simulation and analysis for coal and coke-oven gas to synthetic natural gas. CIESC J. 2015, 66, 4941–4947. [Google Scholar]
- Yang, S.; Qian, Y.; Liu, Y.; Wang, Y.; Yang, S. Modeling, simulation, and techno-economic analysis of Lurgi gasification and BGL gasification for coal-to-SNG. Chem. Eng. Res. Des. 2017, 111, 355–368. [Google Scholar] [CrossRef]
- Yang, S.; Qian, Y.; Ma, D.H.; Wang, Y.F.; Yang, S.Y. BGL gasifier for coal-to-SNG: A comparative techno-economic analysis. Energy 2017, 133, 158–170. [Google Scholar] [CrossRef]
- Yoon, S.; Binns, M.; Park, S.; Kim, J. Development of energy-efficient processes for natural gas liquids recovery. Energy 2017, 128, 768–775. [Google Scholar] [CrossRef]
- Zhao, W.; Zhou, Y. Development of the technology to recover LNG from coal-made synthetic methanol gas. Cryog. Technol. 2014, 7, 52–55. [Google Scholar]
- Liu, J.; Zhang, C.; Cao, L. LNG recovery from fixed bed pressurized syngas. Mod. Chem. Ind. 2014, 34, 154–156. [Google Scholar]
- Lai, X.; Zhang, S.; Hu, M. Development of the process for LNG production from syngas cryogenic separation in coal-to-methanol process. Cryog. Technol. 2015, 2, 34–38. [Google Scholar]
- Xiang, D.; Yang, S.; Mai, Z.; Qian, Y. Comparative study of coal, natural gas, and coke-even gas based methanol to olefins processes in China. Comput. Chem. Eng. 2015, 83, 176–185. [Google Scholar] [CrossRef]
- Xiang, D.; Yang, S.; Liu, X.; Mai, Z.; Qian, Y. Techno-economic performance of the coal-to-olefins process with CCS. Chem. Eng. J. 2014, 240, 45–54. [Google Scholar] [CrossRef]
- Wang, J.; Mao, T.; Sui, J.; Jin, H. Modeling and performance analysis of CCHP (combined cooling, heating and power) system based on co-firing of natural gas and biomass gasification gas. Energy 2015, 93, 801–815. [Google Scholar] [CrossRef]
- Liu, Y.; Qian, Y.; Zhou, H.; Xiao, H. Conceptual design of coal to synthetic natural gas (SNG) process based on BGL gasifier: Modeling and techno-economic analysis. Energy Fuels 2017, 31, 1023–1034. [Google Scholar] [CrossRef]
- Man, Y.; Yang, S.; Qian, Y. Integrated process for synthetic natural gas production from coal and coke-oven gas with high energy efficiency and low emission. Energy Convers. Manag. 2016, 117, 162–170. [Google Scholar] [CrossRef]
- Zhang, M.; Li, G.; Mu, H.; Ning, Y. Energy and exergy efficiencies in the Chinese transportation sector, 1980–2009. Energy 2011, 36, 770–776. [Google Scholar] [CrossRef]
- Ruizmercado, G.J.; Smith, R.L.; Gonzalez, M.A. Sustainability indicators for chemical processes: II. data needs. Ind. Eng. Chem. Res. 2012, 51, 2329–2353. [Google Scholar] [CrossRef]
- Gatti, M.; Martelli, E.; Marechal, F.; Consonni, S. Review, modeling, heat integration, and improved schemes of Rectisol-based processes for CO2 capture. Appl. Therm. Eng. 2014, 70, 1123–1140. [Google Scholar] [CrossRef]
- Salkuyeh, Y.K.; Elkamel, A.; Thé, J.; Fowler, M. Development and techno-economic analysis of an integrated petroleum coke, biomass, and natural gas polygeneration process. Energy 2016, 113, 861–874. [Google Scholar] [CrossRef]
- Krawczyk, P.; Howaniec, N.; Smoliński, A. Economic efficiency analysis of substitute natural gas (SNG) production in steam gasification of coal with the utilization of HTR excess heat. Energy 2016, 114, 1207–1213. [Google Scholar] [CrossRef]
- NBS (National Bureau of Statistics). China Energy Statistics Yearbook; China Statistics Press: Beijing, China, 2013; pp. 22–25. (In Chinese)
© 2019 by the authors. Licensee MDPI, Basel, Switzerland. This article is an open access article distributed under the terms and conditions of the Creative Commons Attribution (CC BY) license (http://creativecommons.org/licenses/by/4.0/).













