Abstract
Unmanned aerial vehicles (UAVs) are a new, adaptable technology that has found its way into both military and civilian applications. Preserving the integrity of the UAV and its security during flight and, in particular, during the landing stage is essential for the performance of the assigned mission of the aircraft. This research examines a developed aircraft scheme. It was tested for static and dynamic stability in an XFLR5 virtual aerodynamic environment. The obtained results were transferred to MATLAB-Simulink, where the flight control algorithm was synthesized, the landing mode was set using an engineering flight plan, and an autonomous landing was simulated in the presence of wind disturbances with turbulence and noisy operation of the information measurement complex of the UAV. The algorithm for controlling the landing during the execution of the set flight trajectory, which contains a Kalman estimator and an optimal LQR controller combined in a general LQG control algorithm, is studied.
1. Introduction
UAVs are used for a variety of purposes. Most often, the tasks of UAVs are related to surveillance. One such important task is drone surveillance in modern agriculture [1]. Today’s UAVs are based on the mechatronic approach to mission design and planning. Their work is based on previously developed and trialed mathematical models [2]. Then the control is synthesized, the program code is compiled and the mechatronic system is released to perform the specific functions for which it was created [3]. At the same time, the mechatronic approach requires the control algorithms and the platform to be created at the same time. To obtain a completed mechatronic product, 3D printing is quite often used [4], and for UAVs there is a special requirement for specific filaments. Different optimal design methods and different schemes are used in the development of the platform [5].
With remote-controlled UAVs, quite often there are not enough commands on the control panel to complete the UAV mission in full. Therefore, a solution to this problem is proposed in [6]. Before the widespread adoption of powerful single-chip computers, most UAV missions were remotely piloted [7] with some kind of communication. This remotely provided communication requires specificity in modeling and simulating the risk to the communication and insurance systems [8]. For this type of communication, the services of telecommunication operators are used even now. This requires quality management of radio calls in universal mobile cellular systems, which was a key factor in the genesis of mobile cellular systems [9].
Many UAV missions involve delivering certain equipment, food, medicine or some other type of payload to a certain point. A mathematical model for the operation of aviation systems for the delivery of special means to air and ground objects is discussed in [10]. The modern application of UAVs for military purposes has led to the use of the UAVs as ammunition delivery. A comparative analysis of bomb release accuracy and probabilistic bombardment error characteristics of different methods for solving the aiming problem is performed in [11], hence the need to stabilize the payload during multidirectional UAV movement [12].
Controlling the trajectory of UAVs nowadays is possible not only with standard methods but also with intelligent sensors [13]. The introduction of artificial intelligence in wireless communications [14] leads to an increase in the degree of autonomy of UAVs. Very often, UAVs are disposable. However, where hidden operation of the system and the preservation of its integrity with subsequent saving of the collected information and re-operation is necessary, measures must be taken to preserve the integrity of the UAV.
The landing stage of the UAV is important from the point of view of preserving the safety of the flight and the integrity of the aircraft’s structure. At this stage, the UAV is most vulnerable from the point of view of wind disturbances, as well as from the correct operation of the sensors. Atmospheric disturbances and turbulence together with the noisy operation of the information-measuring subsystem of the UAV are evaluated using algorithms for optimal linear filtration, and the control is based on an optimal linear-quadratic algorithm. To model the flight of the UAV, data taken from the virtual wind tunnel XFLR5 are used. The control algorithm is based on the integral-action optimal LQG. The flight environment disturbances are modeled by a simplified Dryden wind gust model, which for this case, is considered only in the longitudinal direction of the flight (in the vertical plane).
The data measurement sensor noise levels are based on experiments conducted with the GY-91 10DOF on its MEMS sensors. The behavior of the information-measuring complex of the UAV was modeled and the standard deviation values of the errors of the individual sensors were taken. The landing stage was modeled on an aeronautical map, and an engineering flight plan for the landing itself was developed. The control algorithm was verified on the developed engineering flight plan by operating the UAV in a calm atmosphere and in a turbulent and noisy environment.
2. Materials and Methods
For the development of the UAV and the algorithms for its control, it is necessary that the software providing such a virtual environment is able to perform stability calculations, in the case of longitudinal movement, to determine the pitch stability, and thus help to establish the position of the center of gravity (CG). This study mainly examined the free products. AVL, XFLR5 [15] and VSPAERO use fundamentally similar techniques, but with certain differences. DATCOM uses component-wise accumulation and other table references from classical calculations (some may be VLM-like) and empirical matches (from test data) to calculate the stability derivatives.
XFLR5 and AVL have very similar model building approaches. XFLR5 is essentially AVL with an added boundary layer model (like XFoil). VSPAERO has the option to include a drive disk or a rotating propeller model. VSPAERO also has a linearized supersonic mode and some other extras. While DATCOM has results for transonic, supersonic and hypersonic flows, it also includes viscous effects. It is a very different world because if the classic DATCOM hard copy is used, obtaining a full set of results is a laborious process.
The most important difference between the tools is how easy it is to build the input model and extract the state and control matrices. This also depends on the skills of the designer. XFLR5 is not recommended when used for high subsonic conditions and is valid only for incompressible flow. Because it is conventional for the aircraft layout and is used at low Reynolds numbers, the XFLR5 study is suitable for finding the derivatives of the state and the control system in the longitudinal and lateral motion of the UAV. The scheme of the study with the developed UAV is shown in Figure 1.
Figure 1.
Schematic of the developed UAV survey in the XFLR5 virtual tunnel environment.
In Figure 2 are shown the aerodynamic coefficients of the forces and moments (taken from XFLR5) in the longitudinal movement of the UAV as a function of the angle of attack (α) and a constant cruise speed V. This is performed in the vertical plane of the flight, where the landing also takes place. In addition, this figure shows the 3D relationship of the determined coefficients.
Figure 2.
The aerodynamic coefficients of the forces and moments in the UAV’s longitudinal direction: (a) CD—drag coefficient; (b) CL—lift coefficient; (c) Cm—pitch moment coefficient; and (d) 3D coefficients.
From Figure 2 it can be seen that in the selected rate of change of the angle α, the coefficients of the lift force and the lateral pitch moment are linear, while the drag curve is non-linear. Thus, the UAV could be controlled easy according to the necessary power consumption. In Figure 3 are shown plots of some of these coefficients together with plots of polar and wing quality taken in the XFLR5 environment. Figure 3 shows the dependences of the polar of the wing, the coefficients of the lifting force and the transverse moment on pitch, as well as the dependence of the quality of the wing on the angle of attack. From these dependencies, aerodynamicists determine the largest and smallest value of the coefficients of aerodynamic forces and moments. From the polar curve, the most favorable angle of attack and critical angle of attack are determined, and where it is best is determined from the quality graph of the UAV wing.
Figure 3.
Graphs of wing polar, lift coefficient, lateral pitch moment and UAV wing quality in the XFLR5 environment.
The pitch moment graph Cm = f(α) is important for the balancing of the aircraft and its static stability. In this case, from Figure 3 it can be seen that the designed aircraft is balanced in the longitudinal plane and is statically stable—Cm decreases with the increase in α, changing its sign. It follows that no additional balancing is needed, which can be accomplished by moving the individual weights in the aircraft, creating a V-shape on the wing, or deflecting the control surfaces to the appropriate position.
Through the polar curve of the UAV wing, it is possible to determine the ability of the UAV to gain vertical speed at negative or more positive angles of attack. At a large CL/CD ratio, the curve indicates the ability of the UAV to climb vertically at low horizontal speeds. The smooth or sharp transition refers to the stall speed when the flow is interrupted. With the XFLR5 environment, it is possible to establish the dependences between the horizontal and vertical speed of the UAV on the angle of attack, or to establish the trends in the UAV. It can be determined whether, when the angle α changes, the UAV tends to increase or decrease its vertical speed, and this shows the tendency of the UAV to change its vertical speed as the horizontal speed changes at a fixed angle of attack. Additionally, by looking at the asymmetry and behavior of the polar in the half-plane of the negative force coefficients, it can be established whether the UAV is able to perform inverted flights. This also provides information on the difference in the performance of figures in normal and inverted flight, which are limited by the angle of attack. On the polar, aerodynamicists look for three characteristic points:
- The critical angle of attack (αcrit.): At this angle, the aircraft stays in the air with the minimum possible speed that is useful for landing;
- An economical angle of attack (the most advantageous) (αecon.) where the drag coefficient is minimal but different from zero. At this angle of attack, the inductive resistance is half of the resistance of the aircraft, and the UAV can fly with maximum speed, so the diagram of the aerodynamic quality of the UAV is used;
- The most favorable α. At this angle, the quality of the UAV is at a maximum, and then only at this angle of attack for a certain height can it fly the farthest (no wind) because the lifting force is K times greater than the drag, and for 1 m height the plane will fly K [m] (if the air is still).
The polar of the wing with its derivative, the aerodynamic quality, show practically all the main planning characteristics of the developed UAV. For this to happen, the wind speed needs to be 0.00 [m/s] (calm atmosphere), the aircraft is not changing its planned speed and its engine is off. This feature of the UAV is useful when the engine shuts down in the air or when the battery capacity is exhausted. In addition to the fact that the polar (Figure 3) shows the planning properties of the UAV, it also defines the planning angle, which is also the angle of inclination of the trajectory. From Formula (1), it can be seen that the planning angle depends only on the aerodynamic properties of the UAV.
where is the angle of inclination of the trajectory, and Kmax is the aerodynamic quality of the wing.
From Formula (1), it is clear that the minimum planning angle is reached at the most favorable angle of attack, when the aerodynamic quality of the UAV is the best. Every other planning angle is achieved by either a low angle of attack and high speed, or high angle and low speed, or these are the first and second planning modes. The polar of the velocities Vz = f(Vx) is also an indicator of the glide path. It determines the angle of inclination of the trajectory, the glide speed and the vertical descent in sustained straight flight. It is especially useful when the engine goes out in flight. This graph also determines the most economical and most favorable speed. In the presence of wind, the planning distance changes due to the change in the flight speed and the angle of the wind direction. If the plot of the relationship Vz = f(Vx) is shifted with the wind indicators, the characteristics of the current flight conditions for the UAV are obtained. Only the maximum, minimum, economy and best airspeeds do not change.
Unlike the minimum flight speed, the maximum speed is limited by the thrust of the propeller system. To determine the maximum and minimum flight speeds, it is assumed that the UAV model is absolutely smooth and that the thrust does not depend on the flight speed, which is practically the case for propellers with an electric motor drive. The thrust of the UAV is determined experimentally and processed with mathematical smoothing methods. The static thrust of the motor–propeller system is assumed at zero air flow velocities. The thrust is selected so that the system is secured, which is also the basis of Zhukovsky’s curves. Thus, it is possible to determine the horizontal speed at which the created model will fly. For more accurate calculations of the motor–propeller system, it is necessary to make simulations in specialized software products such as Qblade 2.0 (Latest version), MotoCalc 8.09 (Latest version) or others.
Here, the cruising speed of the flight, at which the UAV travels one kilometer with minimal energy consumption, is also determined. This speed allows a maximum range with fixed energy, where the ratio between required thrust and flight speed is at a minimum. At this speed, the UAV usually flies to the point of primary mission execution during reconnaissance missions, etc. From the graph in Figure 3 it can be seen that the specific UAV is statically stable and balances. Further research needs to be performed on the dynamic stability of UAVs. From the XFLR5 environment, after conducting an analysis and study of the dynamic stability of the UAV, the following derivative values for the state and control were obtained:
where is the state space vector in the longitudinal motion of UAVs; and is the control vector of the system defined by the Jacobians:
The longitudinal movement of the UAV is characterized by two separate modes: symmetric phugoid and symmetric short period modes [16] in the vertical plane. Generally, in a short periodic movement of the UAV, it is stable with the complex conjugate roots to the left of the imaginary axis. However, the movement remains oscillating. In Figure 4 are shown the state vectors of the UAV in the long periodic motion with symmetric phugoid modes. The response of the system when given an input signal [15, 0, 0, 0] is determined in the MATLAB programming environment.
Figure 4.
State vectors of the UAV in the long periodic motion response of the open loop system to a set input in the MATLAB environment.
A long periodic motion fluctuates greatly and converges slowly because the roots of the characteristic equation for this motion are very close to the imaginary axis. The eigennumbers of UAVs, as poles of the open system, have the following numerical expressions (from the XFLR5 environment):
The numbers in expression (4) confirm the conclusions drawn above. The eigenvectors of the system have the expression shown in Table 1.
Table 1.
Eigennumbers and eigenvectors of the open system taken from XFLR5.
For Phugoid, the eigenvalue is λ = 0.00328 + 0.47900i, and the frequency and damping are ω = 0.076 [Hz] and ζ = −0.007.
Using the equation of state (1) and supplementing with the observation equation:
where are the matrices related to the measurement and direct control of the output from the input.
The system thus modeled in MATLAB is checked for its controllability: rank(ctrb(A,B)) = 4. This means it is a fully controllable system.
3. Synthesizing an LQR Regulator with Integral Action
Stabilization of the system and control along a set trajectory is possible thanks to the synthesis of feedback with a gain factor K [17]. The state space equation takes the form:
To find the optimal coefficient K, it is necessary to minimize the quadratic loss function [18]:
The minimization of the function from expression (7) is performed based on the selection and finding of the weight matrices R and Q, which set the weight of the input effects and the output states. There is no universal solution for determining the weight matrices for the general case. There are various methods that are used for this purpose. Some of these methods are as follows:
- Bryson’s Rule: The square of the maximum acceptable error is taken into account. The method is suitable as a starting point for tuning LQR, and it is possible to carry out an iterative process to fine-tune Q and R;
- Genetic Algorithm (GA): Used for optimal setting of Linear Quadratic Regulator (LQR) parameters through the principles of genetics and natural selection;
- Particle Swarm Optimization (PSO): Finds an optimal value of the parameters that satisfy the system while minimizing the loss function.
For the purposes of this study, the method described in [19] is used. The results obtained by this method for the weight matrices are as follows:
After solving the Riccati equation, the following is obtained:
For the feedback, gain K is obtained:
To calculate the amplification factor of the feedforward, coefficient is used:
The closed loop system is simulated in the MATLAB environment with initial state vector x0 = [15; 0; 0; 0.4]. It works with four states and two controls. For the poles of the closed loop system in the longitudinal channel of the UAV, the following data are obtained:
The simulation results for set input impacts are shown in Figure 5: pitch θ = 0.4 [rad], and speed u = 15 [m/s]. It can be seen that the LQR algorithm performance is good.
Figure 5.
Modeling the closed loop system in the MATLAB-Simulink environment: model simulation results.
4. Setting the Disturbance and Noise Effects on the System
UAVs are affected by disturbances of a different nature. Most often, these are atmospheric fluctuations and turbulence, as well as the sensor noise of the information and measurement complex of the UAV. In order to disturb the closed loop system in the vertical plane during the longitudinal movement of the UAV by atmospheric fluctuations, it is necessary to model and define the wind. For the purposes of this study, a simplified Dryden wind gust model was used, which is described by the following equations [20]:
Measurement noise is a faithful companion of any technical system. For its modeling, the experimentally recorded characteristics of the GY91 board are used. After that, the information from sensors of the measurement complex of the UAV are modeled and, through calibration formulas, the readings for the individual flight parameters in the longitudinal direction were taken. The modeling results in the longitudinal motion, along with the UAV control algorithm and all the system channel disturbances, are shown in Figure 6.
Figure 6.
System modeling with measurement sensor noise and wind disturbances: operation of the control algorithm under complex disturbance action.
From Figure 6 it can be seen that the LQR algorithm, even with integral action, is not robust in terms of atmospheric disturbances and sensor noise effects. For this reason, a state estimator is synthesized to assist the LQR with the control of the UAV in the longitudinal channel.
5. Synthesizing a State Estimator in the Longitudinal Channel of the UAV
The Kalman filter is an efficient recursive filter estimating the state vector of a dynamical system using a number of incomplete and noisy measurements.
It is used to optimally estimate unknown processes by considering both input and output data. In this specific case, the Kalman filtering algorithm is used as an estimator of the state of the UAV in the longitudinal movement. The covariance matrices of wind noise, atmospheric turbulence Q and measurement noise R, have the following values:
After the prediction, the correction stage for the filter gain KL and the system covariance error P yields the values shown:
The performance of LQG in estimating the UAV system state vector with all disturbance is shown in Figure 7, and this is used in the other UAV subsystems.
Figure 7.
System model with LQG control algorithm: estimation of the state vector for given input effects.
6. Flight Planning on Landing
To fulfill its mission, the UAV needs to return without damaging its structure, losing information or losing the entire aircraft. It is necessary to develop an engineering flight plan for each stage of the flight. The same applies to performing the landing stage.
Table 2 shows a developed engineering flight plan including the set altitude “H (m)”, the length of the road between the individual stages of landing “S (m)”, the speed along the glide path “u (m/s)” and the geographical coordinates of the individual stages of the landing, “B (deg)” and “L (deg)”.
Table 2.
Engineering navigation flight plan of the landing stage.
The construction of the engineering flight plan in the landing stage according to Table 2 is shown in Figure 8.
Figure 8.
Construction of the engineering flight plan in the landing stage of the UAV: (a) flight profile, (b) track and glide path, and (c) 3D space trajectory of the UAV in the landing stage.
After construction of the engineering flight navigation plan, the created glideslope and track line is played on the operational quadrant of a digital aeronautical map, as shown in Figure 9a. The entire landing plan is visualized in Figure 9b.
Figure 9.
Playback of the engineering navigation plan on a digital aeronautical map (a); visualization of the landing plan (b).
7. Simulation of the Developed Algorithms in the Landing Stage
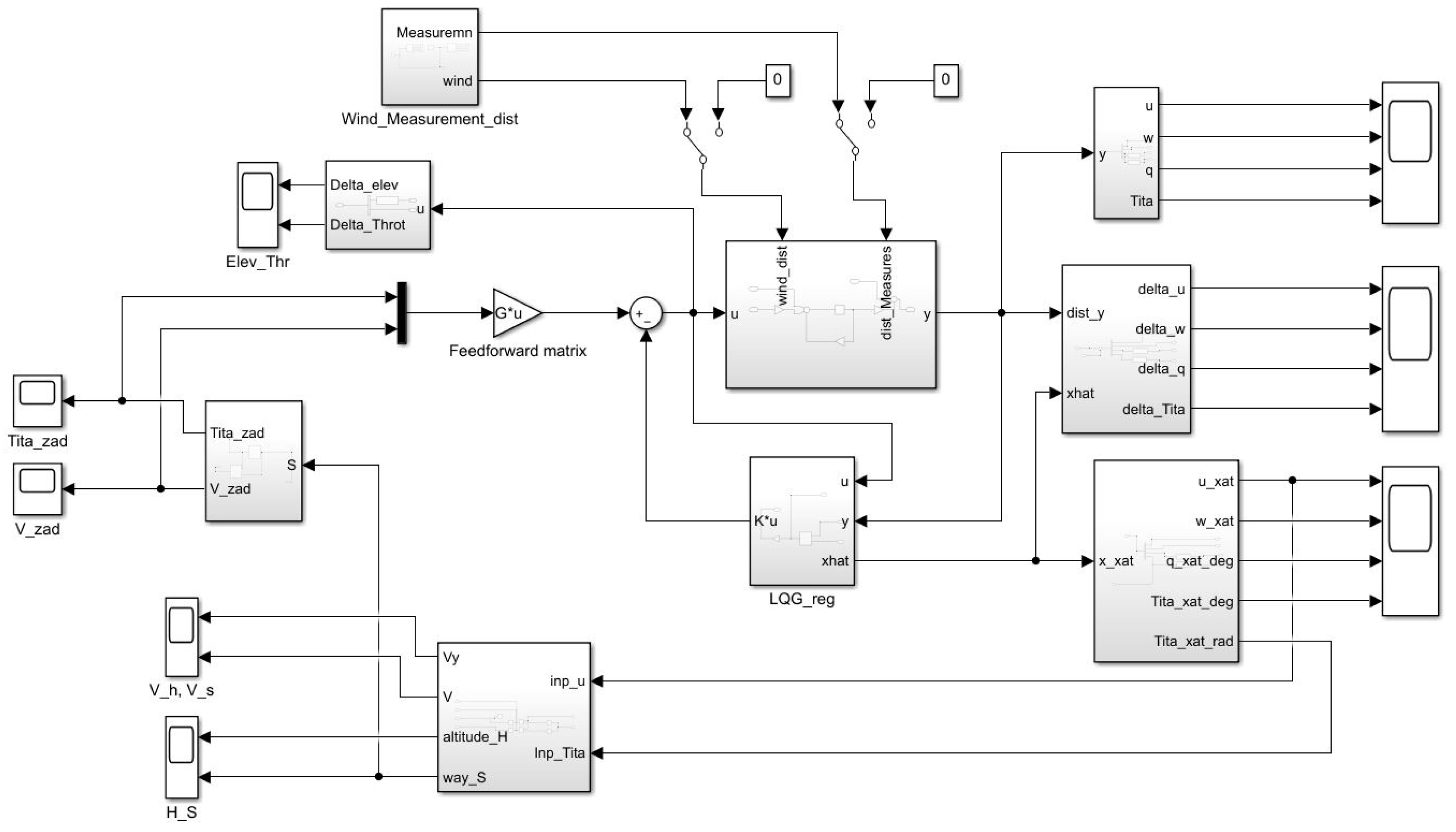
The complete system model, along with the noise, the state observer and the control algorithm implemented in MATLAB-Simulink, in operation under the noise effects is shown in Figure 10. The difference between the measured state vector and its estimate is modeled and shown in Figure 11. It can be seen that the differences come mostly from the noise effects. Figure 11 shows the estimated state vector of the system. It can be seen that the estimation algorithm and the control algorithm are able to filter the noise and lead the UAV to a successful autonomous landing.
Figure 10.
Complete system model performance under noise impacts.
Figure 11.
Difference between measured and estimated state vectors.
To ensure the landing stage, an algorithm was developed that takes into account the flight speed and the distance traveled. This algorithm is based on the engineering flight navigation plan shown in Table 2. Through it, the control effects in terms of speed and pitch angle are provided so that it is possible for the UAV to follow a precisely set glide path during the landing trajectory. The graphs of the control signals for the pitch angle and the linear speed, respectively, are shown in Figure 12.
Figure 12.
Set input impact by pitch angle θ and linear velocity.
The rudder release signal is set according to the values of the control effects, which are determined within certain safe limits and norms for the indicated rudder operation signals for pitch and engine thrust. The vertical operating speed of the flight and the horizontal speed on the path to the bearing point in the strip are shown in Figure 13. From Figure 14 for the UAV state vector, it can be seen that even with strong atmospheric fluctuations or measurement noise, the LQG algorithm performs well.
Figure 13.
Flight speeds relative to the Earth’s surface: vertical speed and linear airspeed.
Figure 14.
Estimation of the UAV state vectors in the landing stage according to the disturbance environment and measurement noise.
The landing of the UAV in a windy turbulent atmosphere with sensor noise is shown in Figure 15. This figure shows the change in flight altitude when traveling the required distance to the landing strip, when the UAV touches down at the point on the ground surface and then when it goes to the set point.
Figure 15.
Flight height and distance traveled by the UAV.
8. Conclusions
A UAV was developed in the XFLR5 virtual environment. The UAV’s static and dynamic stability and controllability were investigated. With the obtained data, an LQG-based integral action UAV autonomous landing algorithm was developed in the MATLAB-Simulink environment.
An engineering flight plan was developed for the landing stage.
Wind disturbances and turbulence in the atmosphere and noise from UAV sensor measurements are developed and modeled. The behavior of the UAV autonomous landing algorithm was investigated. The synthesized algorithm fulfills its purpose.
Author Contributions
Conceptualization, S.B. and K.K.; software, S.B. and R.C.; validation, G.G., R.C., K.K. and S.B.; investigation, R.C. and K.K.; resources, K.K.; data curation, G.G.; writing—original draft preparation, S.B.; writing—review and editing, S.B. and R.C.; visualization, K.K. and G.G.; supervision, S.B.; project administration, S.B.; funding acquisition, S.B. and R.C. All authors have read and agreed to the published version of the manuscript.
Funding
This research was funded by the National Scientific Program “Security and Defense”, adopted by RMS No. 731 of 21 October 2021, and according to Agreement No. D01-74/19.05.2022.
Institutional Review Board Statement
Not applicable.
Informed Consent Statement
Not applicable.
Data Availability Statement
The data presented in this research are available on request from the corresponding author.
Acknowledgments
The research in this article is carried out in fulfillment of Task 1.2.3. “Research on robotic and machine learning-based systems for environmental analysis and decision-making, and prototype development” by the National Scientific Program “Security and Defense”, adopted by RMS No. 731 of 21 October 2021. and according to Agreement No. D01-74/19.05.2022.
Conflicts of Interest
The authors declare no conflicts of interest.
References
- Bikov, T.; Mihaylov, G.; Iliev, T.; Stoyanov, I. Drone Surveillance in the Modern Agriculture. In Proceedings of the 8th International Conference on Energy Efficiency and Agricultural Engineering (EE&AE), Ruse, Bulgaria, 30 June–2 July 2022. [Google Scholar] [CrossRef]
- Kambushev, M.; Chivarov, N.; Marinov, A.; Dimitrova, R. Approbation of a Mathematical Model of a Specialized Mechatronic System. In Proceedings of the XI National Conference with International Participation, Electronica, Sofia, Bulgaria, 23–24 July 2020. [Google Scholar] [CrossRef]
- Dimitrova, R.; Dimitrov, S.; Totev, D.; Bahchevanov, B. Electrical Control, Program Code and Experimental Studies of the Gauss Curve in a Specialized Automated Mechatronic System. In Proceedings of the 4th International Conference on Communications, Information, Electronic and Energy Systems (CIEES), Plovdiv, Bulgaria, 23–25 November 2023; pp. 1–7. [Google Scholar] [CrossRef]
- Nikolov, S.; Dimitrova, R.; Dimitrov, S. Using of 3D Printing Technologies in the Manufacture of Mechatronic Products. In Proceedings of the 13th National Conference with International Participation ELECTRONICA 2022, Sofia, Bulgaria, 19–20 May 2022. [Google Scholar] [CrossRef]
- Kanchev, N. Numerical method for optimal design of the skin stiffeners configuration in a fixed wing structural layout, Aeronautical Research and Development. “Georgi Benkovski” Bulg. Air Force Acad. 2023, 2, 5–13. [Google Scholar]
- Sawma, J.; Ajami, A.; El Maalouf, J. Dynamic Stability for UAV Path Planning. In Proceedings of the 2022 International Conference on Communications, Information, Electronic and Energy Systems (CIEES), Veliko Tarnovo, Bulgaria, 24–26 November 2022; pp. 1–6. [Google Scholar] [CrossRef]
- Dimitrov, D.; Penev, P. Aerial Surveillance System Using Remotely Piloted Aircraft. In Proceedings of the Scientific Conference “100 Years of Aviation Education in Bulgaria”, Dolna Mitropolia, Bulgaria, 9–10 October. (In Bulgarian).
- Pasarelski, R.; Kadrev, V. Specifics of Modeling and Simulation of the Risk on the Communication and Ensure Systems. Yearb. Telecommun. 2021, 7, 17–28. [Google Scholar] [CrossRef]
- Pasarelska, T.; Pasarelski, R. The key moment in the genesis of mobile cellular systems. Control of radio links in universal mobile cellular systems. Yearb. Telecommun. 2022, 9, 69–77. [Google Scholar] [CrossRef]
- Atanasov, M. Mathematical model for operation of aviation systems for delivery of special means to air and Earth objects. Aerosp. Res. Bulg. 2022, 34, 138–148. [Google Scholar] [CrossRef]
- Stoikov, S. Comparative analysis of the accuracy of bomb release and the probability characteristics of the error of bombing of different methods solving the problem of aiming, Bulgarian Academy of Sciences. Space Research and Technology Institute. Aerosp. Res. Bulg. 2022, 34, 149–156. [Google Scholar] [CrossRef]
- Georgieva, T.; Ivanov, A.; Anchev, A. Payload Stabilization in Multidirectional Robot Motion by Applying Trajectory Analysis Algorithm and Feedback Encoders. In Proceedings of the International Conference Automatics and Informatics (ICAI), Varna, Bulgaria, 5–7 October 2023. [Google Scholar] [CrossRef]
- Anchev, A.; Georgieva, T.; Ivanov, A. Experimental Comparison of Standard and Trajectories Movement Algorithm using Intelligent Camera. In Proceedings of the 2023 4th International Conference on Communications, Information, Electronic and Energy Systems (CIEES), Plovdiv, Bulgaria, 23–25 November 2023; pp. 1–6. [Google Scholar] [CrossRef]
- Demir, K.; Tumen, V.; Kosunalp, S.; Iliev, T. A Deep Reinforcement Learning Algorithm for Trajectory Planning of Swarm UAV Fulfilling Wildfire Reconnaissance. Electronics 2024, 13, 2568. [Google Scholar] [CrossRef]
- Guidelines for XFLR5. Available online: https://sourceforge.net/projects/xflr5/files (accessed on 1 May 2024).
- A Deperrois: About Performance and Stability Analysis Using XFLR5 (November 2010). Available online: https://www.scribd.com/doc/101229735/XFLR5-and-Stability-Analysis (accessed on 1 May 2024).
- Aircraft Pitch: State-Space Methods for Controller Design. Available online: https://ctms.engin.umich.edu/CTMS/index.php?example=AircraftPitch§ion=ControlStateSpace (accessed on 1 May 2024).
- Stevens, B.L.; Lewis, F.L. Aircraft Control and Simulation; John Wiley & Sons: Hoboken, NJ, USA, 2003. [Google Scholar]
- Salawudeen, A.; Jahn, I.; Monti, A. Achieving Robust Frequency Control in Microgrids through Automated LQR Control. In Proceeding of the 2023 8th IEEE Workshop on the Electronic Grid (eGRID), Karlsruhe, Germany, 16–18 October 2023; pp. 1–6. [Google Scholar] [CrossRef]
- Madden, M. Verifying Implementation of the Dryden Turbulence Model and MIL-F-8785 Gust Gradient. In Proceedings of the 2018 Modeling and Simulation Technologies Conference, Atlanta, Georgia, 25–29 June 2018. [Google Scholar] [CrossRef]
Disclaimer/Publisher’s Note: The statements, opinions and data contained in all publications are solely those of the individual author(s) and contributor(s) and not of MDPI and/or the editor(s). MDPI and/or the editor(s) disclaim responsibility for any injury to people or property resulting from any ideas, methods, instructions or products referred to in the content. |
© 2024 by the authors. Licensee MDPI, Basel, Switzerland. This article is an open access article distributed under the terms and conditions of the Creative Commons Attribution (CC BY) license (https://creativecommons.org/licenses/by/4.0/).














