A Comparison Study of Time-Domain Computation Methods for Piecewise Smooth Fractional-Order Circuit Systems
Abstract
:1. Introduction
2. Test Bench Settings and Mathematical Model
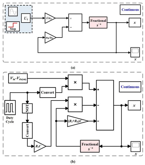
2.1. Test Bench Settings
2.2. Mathematical Model
- The state of the sinusoidal mode can be governed bywhere is a sinusoidal function. K is the predetermined magnitude of the signal, is the angular frequency, and is the frequency of the sinusoidal function.
- The state of the step mode can be governed byin which is a predetermined constant value.
- Charge performance in iswhere k is the k-th switching cycle, is the switching period, and
- Discharge performance in isand
3. Computation Approaches
3.1. Preliminaries: Principles of Some Related Techniques
3.1.1. Stroboscopic Map Technique
3.1.2. State-Space Averaging (SSA) Technique
3.2. Solutions of the Test Bench
3.2.1. Solutions Obtained by G-L Definition
3.2.2. Solutions Obtained by F-ABM Method
3.2.3. Solutions Obtained by Oustaloup’s Rational Approximation Method
4. Results Comparison and Evaluation
4.1. Results of Calculation and Simulation
4.2. Evaluation and Discussion
5. Conclusions
Author Contributions
Funding
Data Availability Statement
Conflicts of Interest
References
- Elwakil, A. Fractional-Order Circuits and Systems: An Emerging Interdisciplinary Research Area. IEEE Circuits Syst. Mag. 2010, 10, 40–50. [Google Scholar] [CrossRef]
- Zhang, B.; Shu, X. Fractional-Order Electrical Circuit Theory (CPSS Power Electronics Series), 1st ed.; Springer: Singapore, 2022; pp. 39–54. [Google Scholar]
- Petráš, I. Fractional-Order Nonlinear Systems; Springer: Berlin/Heidelberg, Germany, 2011; pp. 43–54. [Google Scholar]
- Zou, C.; Zhang, L.; Hu, X.; Wang, Z.; Wik, T.; Pecht, M. A review of fractional-order techniques applied to lithium-ion batteries, lead-acid batteries, and supercapacitors. J. Power Sources 2018, 390, 286–296. [Google Scholar] [CrossRef] [Green Version]
- Zhang, L.; Kartci, A.; Elwakil, A.; Bagci, H.; Salama, K.N. Fractional-Order Inductor: Design, Simulation, and Implementation. IEEE Access 2021, 9, 73695–73702. [Google Scholar] [CrossRef]
- Allagui, A.; Elwakil, A.S.; Fouda, M.E. Revisiting the Time-Domain and Frequency-Domain Definitions of Capacitance. IEEE Trans. Electron Devices 2021, 68, 2912–2916. [Google Scholar] [CrossRef]
- Huang, Y.; Chen, X. A fractional-order equivalent model for characterizing the interelectrode capacitance of MOSFETs. IEEE COMPEL—Int. J. Comput. Math. Electr. Electron. Eng. 2022, 41, 1660–1676. [Google Scholar] [CrossRef]
- Chen, X.; Pei, M. Enhancing parameter identification of electrochemical double layer capacitors by fractional-order equivalent impedance models and Levy flight strategy. Int. J. Circuit Theory Appl. 2022. [Google Scholar] [CrossRef]
- Mondal, D.; Biswas, K. Packaging of Single-Component Fractional Order Element. IEEE Trans. Device Mater. Reliab. 2013, 13, 73–80. [Google Scholar] [CrossRef]
- Allagui, A.; Freeborn, T.J.; Elwakil, A.S.; Elwakil, A.S.; Fouda, M.E.; Maundy, B.J.; Radwan, A.G.; Said, Z.; Abdelkareem, M.A. Review of fractional-order electrical characterization of supercapacitors. J. Power Sources 2018, 400, 457–467. [Google Scholar] [CrossRef]
- Chen, X.; Xi, L.; Zhang, Y.; Ma, H.; Huang, Y.; Chen, Y. Fractional techniques to characterize non-solid aluminum electrolytic capacitors for power electronic applications. Nonlinear Dyn. 2019, 98, 3125–3141. [Google Scholar] [CrossRef]
- Freeborn, T.J. A Survey of Fractional-Order Circuit Models for Biology and Biomedicine. IEEE J. Emerg. Sel. Top. Circuits Syst. 2013, 3, 416–424. [Google Scholar] [CrossRef]
- Tripathy, M.C.; Mondal, D.; Biswas, K.; Sen, S. Experimental studies on realization of fractional inductors and fractional-order bandpass filters. Int. J. Circuit Theory Appl. 2015, 43, 1183–1196. [Google Scholar] [CrossRef]
- Jiang, Y.; Zhang, B.; Shu, X.; Wei, Z. Fractional-order autonomous circuits with order larger than one. J. Adv. Res. 2020, 25, 217–225. [Google Scholar] [CrossRef]
- Scherer, R.; Kalla, S.L.; Tang, Y.; Huang, J. The Grünwald–Letnikov method for fractional differential equations. Comput. Math. Appl. 2011, 62, 902–917. [Google Scholar] [CrossRef] [Green Version]
- Oustaloup, A.; Levron, F.; Mathieu, B.; Nanot, F.M. Frequency-band complex noninteger differentiator: Characterization and synthesis. IEEE Trans. Circuits Syst. I-Fundam. Theory Appl. 2000, 47, 25–39. [Google Scholar] [CrossRef]
- Malti, R.; Victor, S. CRONE Toolbox for system identification using fractional differentiation models. IFAC-Pap. OnLine 2015, 48, 769–774. [Google Scholar] [CrossRef]
- Xue, D.; Chen, Y. System Simulation Techniques with MATLAB® and Simulink®, 1st ed.; John Wiley & Sons: West Sussex, UK, 2013; pp. 85–90. [Google Scholar]
- Diethelm, K. The Analysis of Fractional Differential Equations: An Application-Oriented Exposition Using Differential Operators of Caputo Type; Springer: Berlin/Heidelberg, Germany, 2010; pp. 195–225. [Google Scholar]
- Momani, S.; Odibat, Z. Numerical approach to differential equations of fractional order. J. Comput. Appl. Math. 2007, 1, 96–110. [Google Scholar] [CrossRef] [Green Version]
- Owolabi, K.M.; Atangana, A. Numerical Methods for Fractional Differentiation; Springer Nature: Singapore, 2019; pp. 203–208. [Google Scholar]
- Chen, X.; Chen, Y. A Modeling and Analysis Method for Fractional-order DC-DC Converters. IEEE Trans. Power Electron. 2017, 32, 7034–7044. [Google Scholar] [CrossRef]
- Wei, Z.; Zhang, B.; Jiang, Y. Analysis and Modeling of Fractional-Order Buck Converter Based on Riemann-Liouville Derivative. IEEE Access 2019, 7, 162768–162777. [Google Scholar] [CrossRef]
- Li, G.; Lehman, B. Averaging Theory for Fractional Differential Equations. Fract. Calc. Appl. Anal. 2021, 24, 621–640. [Google Scholar] [CrossRef]
- Nagy, A.M.; Assidi, S.; Makhlouf, A.B. Convergence of solutions for perturbed and unperturbed cobweb models with generalized Caputo derivative. Bound. Value Probl. 2022, 89, 1–13. [Google Scholar] [CrossRef]
- Kahouli, O.; Makhlouf, A.B.; Mchiri, L.; Mchiri, L.; Rguigui, H. Hyers—Ulam stability for a class of Hadamard fractional Itô—Doob stochastic integral equations. Chaos. Soliton. Fract. 2021, 103, 2855–2866. [Google Scholar] [CrossRef]
- Danca, M.F. Synchronization of piecewise continuous systems of fractional order. Nonlinear Dyn. 2014, 78, 2065–2084. [Google Scholar] [CrossRef] [Green Version]
- Liu, X.; Hong, L.; Tang, D.; Yang, L. Crises in a fractional-order piecewise system. Nonlinear Dyn. 2021, 103, 2855–2866. [Google Scholar] [CrossRef]
- Alazman, I.; Alkahtani, B.S.T. Investigation of Novel Piecewise Fractional Mathematical Model for COVID-19. Fractal Fract. 2022, 6, 661. [Google Scholar] [CrossRef]
- Yang, Z.; Xi, L.; Zhang, Y.; Chen, X. An Online Parameter Identification Method for Non-solid Aluminum Electrolytic Capacitors. IEEE Trans. Circuits Syst. II Express Briefs 2022, 69, 3475–3479. [Google Scholar] [CrossRef]
- Podlubny, I. Fractional Differential Equations: An Introduction to Fractional Derivatives, Fractional Differential Equations, to Methods of Their Solution and Some of Their Applications; Academic Press: London, UK, 1998; pp. 124–125. [Google Scholar]
- Tse, C.K.; Xi, L.; Bernardo, M.D. Complex Behavior in Switching Power Converters. Proc. IEEE 2002, 90, 768–781. [Google Scholar] [CrossRef] [Green Version]
- Erickson, R.W.; Maksimovic, D. Fundamentals of Power Electronics, 2nd ed.; Kluwer Academic Publishers: Norwell, MA, USA, 2001; pp. 213–246. [Google Scholar]










| G-L definition | 11.2894 V | ≈1.29 mA | 1.0012 A |
| F-ABM | 11.3025 V | ≈−0.2 mA | 1.0308 A |
| Oustaloup’s | 11.2816 V | 0.0110 A | 1.0379 A |
| Experiments | 11.5570 V | ≈1 mA | 0.9869 A |
| In Sinusoidal Case | In Advanced Scenario with Hz | In Advanced Scenario with Hz | |
|---|---|---|---|
| G-L definition | (0.5851 A, 21.9082 V) | (1.6848 A, 11.0712 V) | (1.6656 A, 10.6078 V) |
| F-ABM | (0.5908 A, 21.9414 V) | (1.6853 A, 10.7952 V) | (1.6686 A, 10.0280 V) |
| Oustaloup’s | (0.5514 A, 22.3235 V) | (1.9266 A, 11.6760 V) | (1.9088 A, 12.2848 V) |
| Experiments | (0.6211 A, 21.1210 V) | (1.6991 A, 11.6547 V) | (1.6624 A, 11.3748 V) |
Disclaimer/Publisher’s Note: The statements, opinions and data contained in all publications are solely those of the individual author(s) and contributor(s) and not of MDPI and/or the editor(s). MDPI and/or the editor(s) disclaim responsibility for any injury to people or property resulting from any ideas, methods, instructions or products referred to in the content. |
© 2023 by the authors. Licensee MDPI, Basel, Switzerland. This article is an open access article distributed under the terms and conditions of the Creative Commons Attribution (CC BY) license (https://creativecommons.org/licenses/by/4.0/).
Share and Cite
Chen, X.; Zheng, F.; Wei, Y. A Comparison Study of Time-Domain Computation Methods for Piecewise Smooth Fractional-Order Circuit Systems. Fractal Fract. 2023, 7, 230. https://doi.org/10.3390/fractalfract7030230
Chen X, Zheng F, Wei Y. A Comparison Study of Time-Domain Computation Methods for Piecewise Smooth Fractional-Order Circuit Systems. Fractal and Fractional. 2023; 7(3):230. https://doi.org/10.3390/fractalfract7030230
Chicago/Turabian StyleChen, Xi, Feng Zheng, and Yewen Wei. 2023. "A Comparison Study of Time-Domain Computation Methods for Piecewise Smooth Fractional-Order Circuit Systems" Fractal and Fractional 7, no. 3: 230. https://doi.org/10.3390/fractalfract7030230
APA StyleChen, X., Zheng, F., & Wei, Y. (2023). A Comparison Study of Time-Domain Computation Methods for Piecewise Smooth Fractional-Order Circuit Systems. Fractal and Fractional, 7(3), 230. https://doi.org/10.3390/fractalfract7030230

