Next Article in Journal
Energy and Quality Assessment in the Cooling of Crushed Bombino Nero Grapes with Indirect Heat Exchange System and Direct Heat Exchange System with CO2
Previous Article in Journal
High-Performance Anion Exchange Chromatography Electrochemical Determination of Uric Acid as a Contamination Marker
 
 
Font Type:
Arial Georgia Verdana
Font Size:
Aa Aa Aa
Line Spacing:
Column Width:
Background:
Article

Energy Integration and WEP Technical Evaluation of a Large-Scale PVC Production Process

by
Antonio Mendivil-Arrieta
1,
Eduardo Andres Aguilar-Vasquez
1,
Juan Manuel Diaz-Perez
1,
Miguel Ramos-Olmos
1,2 and
Ángel Darío Gonzaléz-Delgado
1,*
1
Chemical Engineering Department, Nanomaterials and Computer Aided Process Engineering Research Group (NIPAC), Universidad de Cartagena, Cartagena 130015, Bolivar, Colombia
2
Business Administration Department, Grupo de Investigación en Ciencias Administrativas y Seguridad y Salud en el Trabajo (CIASST), Universidad Minuto de Dios-UniMinuto, Cartagena 130001, Bolivar, Colombia
*
Author to whom correspondence should be addressed.
Submission received: 2 December 2024 / Revised: 20 February 2025 / Accepted: 25 March 2025 / Published: 2 April 2025

Abstract

PVC has become an indispensable material worldwide. However, its production method (suspension) presents significant sustainability challenges, such as negative environmental impacts and high operational costs due to energy consumption. For this reason, a combined analysis was conducted involving energy integration using Aspen Energy Analyzer™ V14 software and a technical process analysis. This methodology aims to reduce industrial utility consumption and assess the sustainability performance of this alternative. The integration through pinch analysis revealed that it is possible to reduce the energy consumption of the process by 29% in heating utilities and 6% in cooling utilities. The minimum utility requirements were 21 GJ/h for heating (down from 29 GJ/h) and 131 GJ/h for cooling (down from 139 GJ/h). This reduction resulted in approximately a 41% decrease in utility costs. Additionally, the reduction in burner energy consumption led to lower greenhouse gas emissions, with a decreased natural gas consumption of approximately 279 m3. However, only two streams could be integrated due to technical process limitations; therefore, it is recommended to explore integrations with complex operations such as reactors and phase-change processes. In addition to this, the WEP technical evaluation yielded promising results showing a decrease in the specific energy intensity by 3219.506 MJ/t (being 4681.8 MJ/t), which represents an economic saving in industrial services (energy purposes) of approximately USD 886.000 per year, satisfying the optimization of the process despite the limitations when integrating it energetically. Finally, a more in-depth analysis should be conducted to further integrate other streams of the process to reduce utilities consumption.

1. Introduction

The operation of the process requires resources such as energy and water, which have direct or indirect impacts on society and the environment, including global warming potential and ecosystem pollution [1]. There is increasing awareness among consumers, policymakers, and companies about the substantial environmental impacts of the manufacturing industry [2]. To preserve the essential needs of future generations, it is crucial to adopt approaches and rethink development models in a more sustainable manner [3]. Since the adoption of the Sustainable Development Goals (SDGs) in 2015, the design of sustainable energy systems has become critical for economic processes. This entails energy systems that are cost-effective, reliable, environmentally friendly, and capable of efficiently utilizing local resources and networks [4]. The industrial manufacturing sector is a key industry as it is one of the largest energy consumers, accounting for 37% of the total energy produced worldwide [5]. Additionally, it is responsible for 7% of global greenhouse gas emissions [6].
On a global scale, polyvinyl chloride, also known as PVC, is known to be the polymer with the third-highest industrial production globally [7], attributed to its low production costs and diverse applications [8], in industries such as construction, food, medicine, and consumer goods [9]. Approximately 80% of the world’s PVC production is based on the suspension polymerization method [10], which is distinguished by its high productivity, adaptability in polymer composition, and superior controllability [11].
However, this production method faces significant sustainability challenges throughout its life cycle from raw material production (chlorine and ethylene) to its end-of-life [12,13]. To produce the PVC resin, some issues revolve around the intensive use of natural resources for mass and energy purposes [14]. Resources like water- and fossil-based substances used as feedstock and energy are intensively used during the process [15]. For instance, stages like the polymerization reaction and VCM removal and recovery are critical, as the preparation of the suspension, the use of vapor to remove unreacted VCM, and the cooling of hot streams to recuperate that same VCM involve high volumes of water. The poor efficiency of the management of these resources provokes the depletion of important natural resources needed for biological reasons (ecosystems and population) as multiple plants have existed for more than a decade [16]. On the other hand, intensive energy inputs are required for heating around 60 MJ per kg of s-PVC [17,18], with 93.8% of non-renewable sources like natural gas and oil with energy as the main sources of power. This intensive use of resources triggers significant environmental impacts from waste (organic and plastic), the emission of greenhouse gasses (GHGs), and wastewater from the process itself and the systems supporting it with utilities (cooling, heating, and electricity). Previous research highlights that energy-related impacts are the main environmental issue in the process [19]. Furthermore, the existence of important sources of inherent risks beginning with a significant volume of VCM (recognized as a toxic and explosive substance) and unsafe operating conditions such as elevated temperature and pressure especially heaters and boilers [20].
As all of these challenges exist, the worldwide PVC demand is reaching approximately 40 million tons, and it is projected to grow annually by 2.3% throughout 2024 [16]. This projection forecasts energy consumption and atmospheric pollution to increase if not properly addressed [21]. Considering commitments and new trends from consumers, it is imperative to employ sustainability strategies to maintain competitiveness. In the case of the chemical industry, the need to implement improvement strategies for chemical processes at all stages of development (from design to operation) has been recognized [22]. This includes the use of metrics and indicators to evaluate process performance, allowing for the comparison of alternatives [23]. These strategies aim to reduce resource consumption, decrease waste, lower costs, and increase productivity and safety, while improving profits, competitiveness, and contributing positively to society (communities, consumers, etc.).
Process integration encompasses a holistic approach that enables the planning, upgrading, and operation of efficient and sustainable processes by examining the system as a unified whole. It views chemical processes as a cohesive network of interconnected operations, resources, and flows [24]. The idea of integrating materials, energy, and systems is broadly recognized as crucial for advancing sustainability and fostering the circular economy [25]. Within this framework, thermal integration emerges as an extremely effective strategy to enhance the energy performance of chemical processes [26], offering a critical understanding of the thermal interactions between processes and the utility systems surrounding them [27]. Utilizing pinch analysis unlocks the potential for energy reduction in processes and facilitates thermal integration through heat exchanger networks (HENs) and system modernization (retrofitting) [28]. The growing importance of process engineering systems has led to the development of software tools that extend the application of this method to diverse systems with varying levels of complexity [29].
Some studies have reported the implementation of this improvement technique in various chemical processes, from emerging technologies such as bioprocesses, including bioethanol [30,31] and biofuels [32], to mature technologies [33]; for example, refineries [34] or their units, like crude distillation units [35], among others. These studies include the use of software to incorporate economic and environmental criteria [36]. Additionally, combinations of these techniques with analyses such as exergy are presented as a complement for an in-depth study of energy use and degradation [24,37]. Additionally, research is presented in which entire industrial areas are energetically integrated, that is, integrations between different chemical plants.
In the case of studies focused on the PVC production process, Table 1 shows that there are precedents such as Linqvist’s work, which includes the production of chlorine and VCM in the energy integration of a PVC plant. The minimum temperature difference was 10 °C. A detailed retrofit included the localization of streams inside the plant layout [38]. Additionally, there are studies like that of Karasek et al., where energy integration is applied to the VCM production process [39]. Samphawamontri et al. studied the energy integration of the high-density polyethylene production process, proposing five potential heat exchanger network designs using the Aspen Energy Analyzer™ [40]. Likewise, Bubin et al. studied the production of low-intensity polyethylene using the Aspen Energy Analyzer™. This study included an analysis of the process’s steam production system using a cogeneration system that utilized condensates and combustion gasses. This system achieved a 16% reduction in fuel consumption [41].
These studies show promising results in reducing utilities (energy consumption) and improving economic performance (operative costs reduction); however, there are not many previous studies where energy (heat) integration is applied or evaluated in plants that only produce polymer resin. At the same time, a lack of assessment of the technical performance through indicators or parameters based on sustainability dimensions (environmental) other than economic dimensions persists. For this reason, this work is innovative and relevant. In this research, a suspension PVC production process was integrated energetically by Aspen Energy Analyzer™ software. This software works jointly with AspenPlus, easing the optimization of chemical processes by the automatization of procedures, such as extracting and identifying streams with potential. Furthermore, the generation of possible schemes to reduce the consumption of industrial utilities by matching streams and designing heat exchangers. Additionally, the economics of the generated heat exchanger network are analyzed, considering the economic parameters. Furthermore, a diagnosis using the WEP method to assess the process’s technical performance in the sustainable management of resources (water, energy, and raw materials) is obtained. The use of multidimensional indicators allows us to determine the deficient performance of the process and pinpoint potential improvements or further analysis. This methodology is proposed to offer insights into the sustainable operation of chemical processes such as PVC production.

2. Materials and Methods

Figure 1 shows the methodology used to simulate and analyze an energy-integrated diagram of the suspension PVC process at an industrial scale. Previous studies by the authors were used as the basis for this methodology [42]. The energy integration of the process was carried out using the pinch analysis method through the Aspen Energy Analyzer™ tool in the V14 suit of AspenOne, aiming to achieve savings in industrial heating and cooling utilities. From the flow diagrams, the process streams and units that require heating and/or cooling services are identified. These streams are then analyzed to establish preliminary targets and to screen out irrelevant streams or equipment. Subsequently, data on the potential streams, such as temperature, flow, and thermal properties, are collected. These data are entered into the software, along with technical considerations like temperature changes, heat capacities, and economic parameters. With these data, the software calculates the minimum heating and cooling requirements, the composite curves (hot and cold), and the grand composite curve (GCC). Additionally, the heat exchanger network is built, following the principle of minimum energy resource consumption. This heat exchanger network is then simulated in the Aspen Plus™ software V14. Immediately after, the technical diagnostic methodology based on water–energy–product (WEP) parameters is applied to evaluate the process’s performance. The results help identify key parameters such as product flows, waste, and energy consumption. Subsequently, technical efficiency (performance) and sustainability indicators are calculated.

2.1. PVC Production Process by Suspension

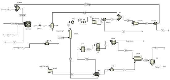
Figure 2 shows the industrial-scale suspension PVC production process constructed in a previous work by the authors based on the literature and plant data [42]. A stream of fresh and recovered VCM enters the polymerization reactor, where it is dispersed in a suspension of water with a stabilizing agent (polyvinyl alcohol) and a polymerization initiator (peroxide). The reaction is carried out at 70 °C and 10 kg-f/cm2. The polymer is produced within the monomer droplets through the degradation of the catalyst. This reaction is exothermic, and the conversion rate is typically around 85%. Once the reaction has ended, the suspended polymer, unreacted monomer, water, initiator, and stabilizer form a heterogenous mixture (slurry). The slurry has a pressure of 3.5 kg-f/cm2 and maintains a reaction temperature of 70 °C.
The amount of unreacted VCM in the slurry must be lowered due to its toxicity. The content in the polymer must not exceed 1 ppm, as per international regulations. To purge the unreacted VCM, gasification and stripping stages are utilized. In the first stage, the gas is purged by lowering the pressure to 1.8 kg-f/cm2. The pressure change separates 95% of the VCM from the suspension. The remaining 5% of the monomer is removed from the slurry inside the stripping column. This column consists of a tray tower, where a high-pressure steam stream (14 kg-f/cm2) at a high temperature (225 °C) enters from the bottom and strips the monomer from the mixture. Consequently, an upper stream concentrated in VCM and a lower stream virtually free of it, containing less than 1 ppm of the monomer, are produced.
The top stream of the stripping tower enters the recovery system; here, the unreacted VCM is extracted from other streams (e.g., water) and conditioned to be reused (condensation of the gas). This operation involves a series of compressors and heat exchangers. Initially, the stream from the tower is cooled to 50 °C, and then it is compressed in a vacuum pump (compressor), below the saturation point of the water. Then, the water is condensed and separated from the VCM. Afterward, the gaseous streams are purified, and the streams purged from the gasification are compressed to 3.5 kg-f/cm2 in a regular compressor, conditioned near the monomer’s saturation pressure, and easily condensed through a heat exchanger for recirculation back into the process.
The VCM-free slurry from the stripping column, containing the PVC, is dewatered (containing 70% water) in a centrifuge spinning at 1800× g rpm. Around 75% of the water is removed from the slurry. The ejected residual water carries PVC fractions, PVA, and the initiator. The wet paste produced needs to be further dried. A rotary dryer is used, and a hot air stream is used (250 °C) to remove the remaining moisture from the polymer. After mixing the streams, a 70 °C operating temperature is reached. The dried PVC moisture falls below 0.01% by weight, as needed for quality reasons.
The dryer output stream consists of a gas mixture of air and vapor with carried polymer grains. The polymer is collected by a cyclone from the residual gas mixture at a regular pressure. The stream of air and water vapor, along with polymer fractions (0.2% of the total produced), exits at the top of the cyclone. While the polymer that is solid goes out at the bottom with a moisture of 0.01%.

2.2. Heat Integration Using Aspen Energy AnalyzerTM

Energy integration serves as a tool that offers a comprehensive understanding of energy consumption within a system by determining energy objectives and enhancing heat recovery. This approach necessitates the collection of data such as the inlet and outlet temperatures, heat capacities, and thermal loads of the process streams and utilities required for energy transfer [43]. The process data parameters for pinch analysis are obtained from the steady-state simulation of the PVC process in Aspen Plus™ software, which was previously conducted by the authors [42], and are then used as input for Aspen Energy Analyzer™ software. This tool was developed by AspenTech to optimize energy use and improve energy efficiency in industrial processes. It is widely used in industries such as oil and gas, chemicals, refining, and petrochemicals, where energy consumption plays a critical role in operational costs and environmental impacts, working as an energy management tool within the Aspen Plus suite of simulation tools for optimizing chemical processes. It employs a systematic method to generate near-optimal solutions for heat exchanger network (HEN) problems by extracting data from simulations and using them to create graphical network representations aimed at minimizing process energy consumption. Additionally, it automates the targeting and screening of various network configurations, considering economic factors such as the energy costs and capital costs of the HEN. Furthermore, this tool is highly flexible, allowing users to specify multiple parameters and conditions, including multiple steam levels, stream split constraints, and forbidden matches, among others. The analysis and target definition were carried out with a minimum temperature difference (DTmin) of 10 °C, as the recommended range by the selected literature for petrochemical processes is between 10 and 20 [44], and for mixtures or fluids that do not provoke fouling or similar issues with the exchanger, a 10-degree difference is more suitable. To generate the heat exchanger network, economic factors such as energy costs, capital investment, and others were taken into account. Annual cost reductions for the projects were estimated using marginal energy values. The network was automatically constructed using composite curves. With the data provided, the software was configured to produce 10 designs. If multiple designs were found, the best design was selected for the set conditions. Additionally, parameters were specified to quantify the investment required for the heat system exchangers, considering the type of substance used as the thermal agent and its operating conditions. Table 2 shows the selected equipment and its respective economic parameters. Two types of equipment were defined for use in the process’s heat exchange system: standard exchangers and burners. The parameters were found in the manuals of the software employed.

2.3. Technical Evaluation Using Water–Energy–Product (WEP) Indicators

Technical evaluation is a methodology proposed by the authors [42] that allows the quantification of the performance of an industrial chemical process by comparing the necessary consumption of industrial utilities (water and energy) to produce a desired product. This is carried out using eleven (11) indicators that focus specifically on factors like raw material usage, energy consumption, and the total water–energy cost of the process, derived from the energy-integrated simulation performed by the authors. Each indicator provides a comprehensive evaluation of the process, serving as a starting point to propose detailed studies of the issues affecting the process’s performance. Table 3 shows the eleven indicators and their respective descriptions. The indicators are quantified by data extracted from the simulation, particularly the mass and energy flow of streams and equipment models. The cost of energy and water consumption is calculated by taking the data of the cost of a unit of water in the demineralized and fresh forms (in cubic meters). The energy cost requires identifying the gas and electricity consumption alongside the cooling water used for the utilities and the unit cost of every source used.
From the calculations in the table above, it is necessary to know how well the industrial process performs, and for this purpose, the 11 indicators of the methodology are compared with very specific cases (best and worst cases) that allow the standardization of the indicators (WEP method). These can be taken from bibliographic sources where the topics related to the parameters, in Table 4 are addressed for the production of polyvinyl chloride (PVC) by suspension.

3. Results and Discussion

Table 5 contains information on the data collected from the streams, based on the mass and energy balances of all the main processing units. It details the flow characteristics, including the mass flow rate, inlet and outlet temperatures, and heat capacity. Most of these streams consist of water, with minimal amounts of other substances, except for the bottom stream from the removal (stripping) tower. Additionally, many of these streams undergo phase changes, such as evaporation or condensation, as this happens with the stream entering the boiler and the streams entering the condensers. Furthermore, there are streams from equipment containing significant energy resources not included in the table, such as the streams from the reaction zone, which are highly relevant to the polymer’s quality.
Considering the characteristics of the process streams and the equipment studied, not all heating or cooling streams were considered for integration. As the utility and process streams flow through units (e.g., reactors, boilers, and condensers, among others), they experience pressure changes. The pressure affects the properties (heat capacity), influencing the integration method’s definition [45]. Additionally, sensible units like the reactor are discarded from the network for safety and control issues, as the minimization of the reaction scheme is a priority for PVC plants as the exothermic nature of the polymeric reaction is significant [20]. Furthermore, several other constraints exist to integrate the process such as distance, containment, process structure, and heat load, among others. For example, the distance between units may pose a challenge for linking streams as additional piping is needed (incurring a higher economic investment) and potential leakage can occur. These challenges require a more detailed design that includes layout and piping to properly assess the complete integration of the process [46]. This is an important limitation of this work as the methodology is proposed for conceptual to basic design stages (using a big-picture approach). All these considerations hinder the overall actual savings that the process can achieve; however, overcoming these constraints opens up the possibility for more advanced studies [35]. These considerations leave two streams that can be properly integrated: the bottom stream from the VCM removal tower and the air stream for drying.
Table 6 shows the preliminary information obtained from the systems through the variation in the minimum difference according to the literature. It is shown that with a minimum temperature difference of 10, the highest potential savings are achieved. The potential savings decrease when the DTmin increases. The inverse correlation is expected, as with a low DTmin, fewer utilities are required, but the area of exchange increases exponentially. On the other hand, only one feasible HEN is generated for the system with the constraints stated, and it is obtained when the DTmin is 10 °C. The other temperatures generate HENs, but they present infeasibilities in the form of cross temperatures between the utilities selected and the streams.
Using energy data from all the streams in the process, as shown in Table 2, the actual application of pinch analysis was performed. Figure 3 illustrates the composite curve diagram for the provided data (the enthalpy in the figure is on a flow basis). The upper curve represents the composite curve for the hot streams (red), while the lower curve represents the composite curve for the cold streams (blue). The pinch point is where the two curves converge, and the corresponding temperature is the pinch temperature. By utilizing the composite curves, we determined the minimum heat and cooling loads for the entire process by calculating the difference at the endpoints of the hot and cold composite curves. With a minimum temperature difference of 10 °C, the pinch point temperatures were found to be approximately 97 °C and 107 °C, for the cold and hot curves, respectively. Also, the hot curve is significantly bigger than the cold curve, as only two streams needed to be heated (the water for the boiler and the air for the heater) compared to the six that needed cooling.
In Figure 4, the grand composite curve (GCC) shows that the accessible heat across various temperature ranges, as well as the net heat flow of the process (which is zero at the pinch point). From this graph, the minimum process requirements are determined by the distance between the curve’s endpoints. The process’s minimum utility needs for heating and cooling are 20 and 131.8 GJ/h, respectively. The lowest observable temperature is 8 °C, corresponding to the recovered monomer’s temperature, and the highest is 180 °C, corresponding to the hot air in the resin drying area. Only a small pocket was found in the curve as seen in the black circle that is located below the pinch, this pocket show the small savings where the process doesn’t require additional utilities. Additionally, there is still excess heat in the streams below the pinch point, and exporting this heat could be beneficial to improving energy management [47]. The cooling streams from the VCM recovery system should be utilized as they experience an important temperature reduction.
In Figure 5, the optimal network generated for the PVC suspension production process is shown. It illustrates how the integration of the bottom stream, which contains water and PVC at high temperatures, is combined with the air stream close to an ambient temperature that is directed to the burner. This integration occurs through a single heat exchanger that exchanges 11.7 GJ/h, equivalent to 10.4 MMBTU/h, which corresponds to 278.72 m3 of natural gas. Additionally, the final temperature of the integrated air is 180 °C, which is below the minimum required temperature of 250 °C; it enters the burner later to be heated to the operational temperature. The other streams meet their requirements through conventional industrial services, such as cooling water, refrigeration, and high- and low-pressure steam. The cooling water stream is the primary service for cooling, except for the VCM condensation unit, which uses a refrigerant. For the cooling services, high-pressure steam is used in smaller proportions for the dryer and gasifier streams. The latter could be an additional target if there are no safety issues related to the equipment.
In Figure 6, a simulation of the energetically integrated process is shown, constructed from the integration data. The simulation inputs the streams VCM-CHG, WATER, SUSP-AG, and INIT into the reactor (REACTOR), corresponding to the monomer, demineralized water, polyvinyl alcohol, and the initiator, respectively. Stream 2 enters at a temperature of 85 °C and a pressure of 4.5 kg-f × cm−2; this set temperature allows the suspension to be preheated before the reaction starts. Streams 3 and 4 are aqueous solutions at 20%, both entering the reactor at 32 °C and a pressure of 10.2 kg-f × cm−2. Stream 5 is a mixture of VCM-F, representing fresh VCM, and VCM-R, which is recirculated VCM from the residual recovery section. This blend consists of approximately 80% fresh and 20% recirculated VCM, with conditions of 32 °C and a pressure of about 5 kg-f × cm−2. The valve (EXP-VAL) controls the reactor effluent pressure, maintaining it at 3.5 kg-f × cm−2. During gasification (GASIF), the pressure further drops to 1.8 kg-f × cm−2, facilitating the removal of 95% of the unreacted VCM. The purged gas in stream 8 mainly consists of the monomer but also contains water (18 t/day) and small amounts of initiator and PVA, each less than 1% in concentration. The liquid-phase purged stream (SLURRY-2) holds around 600 ppm of monomer, which needs to be reduced to below 1 ppm.
The SLURRY-2 stream is sent to the stripper to remove 99% of the residual VCM from the suspension using high-pressure steam at 225 °C, introduced at the base of the column. This steam is generated from raw water in a boiler (BOILER) with a capacity of 20 tons of steam per hour, operating at 225 °C and a pressure of 14 kg-f × cm−2. The steam flows countercurrent to the suspension stream, which enters from the top. The column operates at a pressure of 1.02 kg-f × cm−2. Stream 10, leaving from the top of the stripper, moves to the conditioning zone of the residual VCM stream, where it first passes through a cooler (COOL) to reduce the temperature to 50 °C, ensuring the gas quality before entering the compression system. Afterward, stream 11 goes through a vacuum pump (VACUUM), which extracts gasses from containers (gasification tank) and discharges them at a pressure of 2.5 kg-f × cm−2 to stabilize pressure fluctuations in other equipment. The compression increases the temperature of the gasses, so stream 13 is directed to a condenser (COND-1) to maintain a temperature of 50 °C, separating water fractions from the gas before mixing with stream 8 from the gasification stage. The water-free streams (15 and 8) are then compressed into a compressor (COMPR), raising the monomer pressure to near its saturation level. The gasses are then cooled in a heat exchanger (COND-2) to condense at 8 °C. Any remaining water in the residual VCM stream is purged (stream 18) due to its insolubility in the monomer, and the purified stream is recirculated to the beginning of the process at 3.5 kg-f × cm−2 and 8 °C.
Stream 22 exiting the bottom of the stripper must reduce its temperature to 75 °C to protect the polymer from thermal degradation. Energy integration allows the energy of this stream to be used to heat another stream; in this case, the air stream used to remove water in the dryer. Through a shell-and-tube dryer, the air stream (AIR) enters at 32 °C and reaches a temperature of 91 °C. The heterogeneous mixture reduces its temperature to 74 °C. This heating not only reduces the consumption of natural gas used in the furnace but also maintains the temperature of the wet PVC below a level that decreases the degradation and loss of quality in the process. Additionally, the reduction in energy expenditure from the furnace, one of the most energy-intensive pieces of equipment, should result in reduced emissions of the substances from the burning of fossil fuels (in this case, natural gas). For this unit, a HEATX model from the software is used, where the information obtained from the integration (exchanged energy and minimum temperature) is entered; this system is specified for the counterflow exchanger, and the hot fluid is placed inside the shell (slurry).
The slurry moves to the drying stage, where initially, a centrifuge (CENTR) removes 75% of the water from stream 25. This unit produces the highest volume of wastewater (WATER-R) in the system, containing considerable amounts of PVC, PVA, and initiator. Stream 26, with a 25% moisture content, enters the dryer (DRYER), where the remaining moisture is removed using an integrated air stream heated to 250 °C. This air stream is supplied by a heater (BURNER) with a capacity of 6360 tons/day. After drying, the polymer retains a final moisture content of 0.01% by weight. Stream 27 exits the dryer as a mixture of hot gasses and dry polymer, which is then sent to a cyclone for separation. The cyclone separates the gaseous phase from the dry polymer particles. Stream 25 from this unit consists of air, steam, and small amounts of polymer traces, while the resulting dry granular polymer (S-PVC) contains residual monomer and water, which are necessary to maintain the product’s structure.
Table 7 contains the simulation diagram of the energetically integrated process for PVC suspension production. It shows that the minimum number of units is 11 pieces of equipment, including burners, with 15 shells. The minimum heating services are 20.6 GJ/h and the cooling services are 131.1 GJ/h. Additionally, the area of the shell-and-tube and counterflow heat exchangers is between 5 × 104 and 5.1 × 104 m2.
Table 8 shows the savings in the consumption of industrial services for the PVC suspension production process. A total savings of 9.8% in services is obtained, with the most significant savings in heating services, which saw a reduction of approximately 28%. In contrast, cooling services did not experience the same level of savings, amounting to only about 6%. The difference between the amounts for the services is quite significant, with cooling being six times greater. These savings reflect a 42% reduction in heating costs, decreasing from 1.7 MMUSD/year to 1.05 MMUSD/year, which is quite significant. The same is not true for cooling; as its cost is lower, a 26% reduction is achieved, resulting in a final cost of 6.1 × 103 (compared to an initial cost of 8.3 × 103 without integration).

WEP Technical Analysis for the Energy-Integrated PVC Production Process

Table 9 presents different process streams with variables such as the temperature, pressure, mass flow, and mass fraction composition of various components. The temperatures range from 8 °C in stream 18 to 225 °C in the VAPOR stream, indicating stages of transportation, cooling, or heating. Most pressures are low, except in the VAPOR stream. The highest flow rates correspond to stream 23 and the WATER-R and S-PVC streams. Regarding composition, PVC is the main component in the S-PVC stream (99%), indicating the high-quality production of this polymer. The VCM is predominantly found in stream 1 and the VCM-R stream, indicating the feed and recirculation of the raw material, respectively. Water is present in several streams, especially in WATER-R and stream 23. Components such as the initiator, nitrogen, and oxygen appear in small amounts.
Table 10 shows certain criteria or parameters that are essential when carrying out the technical analysis. To implement this methodology, it is necessary to take into account some important currents such as the input of raw materials, including vinyl monochloride or other substances such as water vapor or cooling water, since they are of vital use when making the suspension inside the reactor or when they are used in the separation stages. Therefore, these currents affect the management of the basic resources of the process.
In the PVC production process, VCM (vinyl chloride monomer) is the only raw material that undergoes significant chemical transformation. During polymerization, VCM is converted into the PVC polymer through a series of chemical reactions that involve breaking bonds and forming new chains. On the other hand, although water is present in large quantities in the process, its role is different. Water acts as a thermal and mass transport medium. That is, it facilitates temperature control (due to its high heat capacity) and allows for the safe handling of the reaction by dissipating the generated heat. However, unlike VCM, water does not participate directly in chemical reactions and is not chemically transformed. In summary, water is an essential carrier in the process, but it does not contribute to the chemical production of PVC as VCM does [48].
The analysis in Table 11, based on the indicators of the PVC production process by suspension, shows an expected yield in terms of production of 99.9%. Furthermore, the reuse of unreacted VCM is at 100%, reflecting minimal losses in the process, indicating that theoretically, 100% of the inputs are converted into the final product, minimizing losses and ensuring high efficiency. Regarding water consumption, the fractional index of 1.7 m3 per ton of PVC is low compared to other studies, which report consumptions of between 3 and 4 m3 per ton [49]. However, this low value only considers the demineralized water used, whereas including raw water would increase the index to 2.80 m3 per ton, closer to the values in the literature [50]. The residual water indicator, at 20%, shows that demineralized water is converted into wastewater, reflecting an opportunity for improvement in water management.
The specific energy intensity index (ESI) is 3.21 GJ per ton of PVC, indicating a low energy consumption per ton. This can be verified from the article by Wang et al., which studies in detail a chlor-alkali and PVC plant and obtains an SEI of 5.8 GJ per ton of polymer, knowing that this study was carried out for a production of 300,000 tons of polymer per year [51].
The indicators that establish the total energy consumption of the process focus mainly on the energy derived from the burning of natural gas (NGGI) and that from the electric energy (EECI) per ton of PVC to be obtained, thus allowing the determination of the energy quantity required by the process after energy integration. This process requires the use of 52.5 m3 of natural gas for each ton of product obtained, in addition to 1.6 kWh of electrical energy per ton of product (PVC), which means that the energy-integrated suspension PVC production process consumes smaller amounts of electrical energy, mainly for equipment such as dryers, compressors, air blowers, pumps, and other equipment responsible for the flow or circulation of raw materials and products throughout the process. It should be noted that the indicator related to natural gas consumption is much higher than that of electrical energy, due to the needs of some heating equipment such as burners, boilers, and heat exchangers. The energy cost of the integrated process is USD 12,666,645 per year, and this value is obtained by relating the consumptions presented in Table 9 with the specific costs of the services, since it considers both electrical energy and the energy obtained from the combustion of natural gas, which is responsible for supplying certain stages of the process. However, for this study, unlike the base case, the electrical part of the reactor was included, specifically the agitation system (which provides kinetic energy through the mixture). The cost of water consumption was USD 696,275 per year, based on the use of demineralized water entering certain stages of the process.
In the baseline scenario, the NER was 0.7, and compared to the energy-integrated scenario, an increase of 0.2 was observed. That is, it presented a value of 0.9, and this improvement represents a significant boost in the energy efficiency of the process, indicating that less energy from the combustion of electricity and natural gas is now required to meet the operational demands of the plant. The NER indicator is commonly used to assess the energy efficiency of processes related to the production of biofuels, biomass, and hydrogen. But this analysis is extended to assess energy use, and thanks to the mathematical form being a ratio between the inputs and outputs of energy (including mass and energy flows), a diagnosis of proper energy use can be extracted. A low NER is associated with poor energy management, implying that the impacts associated with energy consumption are mostly related to lost energy rather than the production of products. On the contrary, a high NER shows that the process has a good handling of the energy consumed, tying potential environmental impacts to the energy required to produce the resin or a specific product. For chemical processes that do not produce fuels, an NER of 1 is a target to achieved; meanwhile, an NER of 0.5 or below is undesired as representative poor energy handling. For example, in the processes studied by Oluwayinka et al., an NER of 5 was achieved for biomass treated by hydrothermal liquefaction–anaerobic digestion (HTL-AD) to produce biocrude and biomethane. For the first biomass, an NER of 2.07 was obtained, while the second reached 1.76. The third and fourth biomasses demonstrated higher efficiency with values of 3.18 and 3.20, respectively. Meanwhile, the latter biomass recorded a value of 2.85 [52]. In contrast, another study reported an NER of 1.16 for a hydrogen and biodiesel production process in a biorefinery using Jatropha Curcas and African palm [53]. Although the energy content of both the monomer and the polymer is relatively high, the NER is in fact small compared to the substances intended for biofuels, as shown in the study by Oluwayinka et al. [52].
Additionally, the EUI is extended from the NER as a ratio between the energy used to produce the main product of the process, highlighting the potential for valorization and the recycling of waste products from energy and operational perspectives. This process yielded a value of 5.6, indicating that the product, namely PVC, can be utilized as an energy source due to its high energy content; but preferably, the waste streams containing polymer content will be used. The circular economy is a trend in the plastic industry, and the complex composition of materials is the main bottleneck for closing the value chain of the industry. The index proposed pinpoints the fractions that need to be reprocessed to maximize the resources used in manufacturing. The use of pretreatment is needed before the combustion of these streams to avoid carcinogenic (dioxins and furans), corrosive, or potentially explosive gasses, as these substances limit the use of residual PVC as fuel. A study on the release of pollutants from the burning of polyvinyl chloride polymer pipes identified a significant number (between 40 and 60) of potentially hazardous substances, including methyl methacrylate, carbon monoxide, formaldehyde, diethyl phthalate, acrolein, hydrogen chloride, 1,3-butadiene, benzene, 1-chlorobutane, and others [54].
Figure 7 presents the performances of the nine indicators evaluated using the WEP technical analysis methodology for the large-scale PVC production process by suspension, integrated energetically, in terms of comparisons between worst-case and best-case scenarios. Both the NER and the EUI cannot be normalized through scenarios due to their nature related to energy efficiency and energy production from biofuels, such as the NER. The graph diagnoses the multidimensional performance in the sustainability of water–energy–product management. Initially, it is noted that the performance of the indicators related to raw materials, such as production yield and unrecovered recycled material (unreacted VCM), shows yields above 99%, indicating the effective management of raw materials and no need for improvements.
Table 10 presents the performance of various indicators, highlighting the WPR, which shows a result of 20%. This value reflects the proportion of wastewater production concerning demineralized water. To improve these results, we propose the implementation of the mass integration of processes, which would optimize wastewater management and reduce its production. Additionally, mass integration would contribute to a reduction in TCF, translating into lower costs associated with the consumption of potable water. The recycling of wastewater from the centrifuge (main wastewater source) and the streams coming out of the VCM recovery stage showcase important potential reductions in the water consumption of the process. The composition of these streams needed to be analyzed due to the technical constraints of some water fed to sinks such as the reactor and boiler, among others. For example, the reaction water has high quality requirements (low on suspended solids, conductivity, and organic matter) due to its capacity to affect the work of the suspension agent, impacting resin quality. Contrary to this, boilers and other sinks require less stringent water quality, since these streams are mainly used as mass and energy transfer agents. This condition offers multiple strategies such as the direct recycling of the fraction of the overall waste stream with a minimum cost or the use of regenerating systems that allows a higher reuse of water but requires significant economic investment (the acquisition of new units to treat water). Nonetheless, the minimization of wastewater mitigates the emissions of polluting sources to the environment and improves economic performance; however, analyses need to be carried out to balance tradeoffs.
Regarding the ESI, a significant improvement was observed compared to the base case, with a reduction in the energy consumption of 0.592 GJ/t achieved. This progress is directly related to the energy integration of the processes carried out in this study. The effect of the minimization of utilities mainly improves the indicators related to thermal energy such as natural gas, but not to electric energy consumption, since they show that the amount of energy in the production plant comes primarily from the use of natural gas. This represents an economic benefit for the process, lowering the economic cost associated with the energy of the process. In contrast, these savings represent a significant improvement compared to a scenario where most of the energy consumption would come from the electric service network. In addition, there may be energy losses that are not being accounted for; therefore, it is proposed to carry out an exergy analysis together with a respective exergy resilience assessment to quantify the best possible case to take advantage of the maximum amount of useful work that can be generated from these potentially overlooked energy losses, thus increasing the performance of the energy indicators.

4. Conclusions

The PVC production process by suspension has a significant consumption of industrial services, especially energy. A combined energy integration and technical analysis was carried out to optimize and diagnose the process performance in the management of resources (water–energy–product). The Aspen Energy Analyzer™ software was employed to generate an HEN to reduce utilities. A reduction of 28.54% in heating service consumption and 5.91% in cooling services was achieved (with a decrease of 11.7 GJ/h), and the HEN reduced the heating required for air in the drying section. Important bottlenecks were identified, and there is a need for further analysis to increase the integration which could generate higher reductions. The technical analysis revealed that the process had a significant improvement in energy efficiency, with an ESI value of 3219.50 MJ/t, reducing the total energy consumed from 4386.748 GJ/day to 3703.33 GJ/day. These savings imply better economic and environmental performance, as operation costs are reduced and potential environmental impacts like greenhouse gas emissions are minimized by reducing the amount of fuel burned (approximately 278 m3 of natural gas). The daily energy cost was USD 42,222.15, which translated into approximately USD 12,666,645.87 annually. The NGCI showed favorable performance due to the reduction in the needed natural gas. On the contrary, the EECI was affected negatively by increasing its value in relation to the overall energy required. On the other hand, the water-related indicators still showed low performance, with performances of 34.2% and 20% for the FWC and WPR indicators, respectively. These values showed the need for mass integration strategies such as direct recycling or through the regeneration of effluents. The best-performing indicators were still those related to raw material management, with a production yield of 99.9% and an IRUM of 100%. Moreover, to further analyze and enhance the overall performance of the PVC production process by suspension, more in-depth assessments are required on individual sustainability dimensions, such as process safety, environmental impacts, economic resilience, and exergetic resilience in a life-cycle approach. Finally, it is required to expand the simulation to include equipment to strengthen the energy integration.

Author Contributions

Conceptualization, Á.D.G.-D. and M.R.-O.; methodology, Á.D.G.-D.; software, E.A.A.-V., J.M.D.-P. and A.M.-A.; validation, Á.D.G.-D. and M.R.-O.; formal analysis, E.A.A.-V., J.M.D.-P. and A.M.-A.; investigation, E.A.A.-V., Á.D.G.-D., M.R.-O., J.M.D.-P. and A.M.-A.; resources, Á.D.G.-D. and M.R.-O.; data curation, E.A.A.-V., J.M.D.-P. and A.M.-A.; writing—original draft preparation, E.A.A.-V., J.M.D.-P. and A.M.-A.; writing—review and editing, Á.D.G.-D.; visualization, E.A.A.-V.; supervision, Á.D.G.-D. and M.R.-O.; project administration, Á.D.G.-D.; funding acquisition, Á.D.G.-D. All authors have read and agreed to the published version of the manuscript.

Funding

This research was funded by the Universidad de Cartagena through the projects “Optimization of the PVC production process on an industrial scale combining sustainability analysis and computer-assisted mass integration of processes”, and “Optimization of the Industrial-Scale PVC Production Process by Combining Sustainability Analysis and Computer-Aided Process Energy Integration” approved by Resolution 01385 of 2021 and commitment acts No. 106 of 2021 and No. 049 of 2024.

Data Availability Statement

The data that support the findings of this study are available from the corresponding author, Á.D.G.-D., upon reasonable request.

Acknowledgments

The authors thank the University of Cartagena for funding this research by Resolution No. 00417 of 29 March 2021, approved by Resolution 01385 of 2021 and commitment act No. 106 of 2021.

Conflicts of Interest

The authors declare no conflicts of interest.

Abbreviations

HENsHeat exchange Networks
VCMMonomer Vinyl Chloride
PVAPoly-Vinyl Acetate
PVCPoly-Vinyl Chloride
SDDsSustainable Development Goals
WEPWater-Energy-Product
FWCFractional Water consumption, m3/t
TCFTotal Cost of Fresh Water, $/day
WPRWastewater Production Ratio, %
IRUMIndex of Reused Unconverted Material, %
TCETotal Cost of Energy, $/day
ESIEnergy Specific Energy, MJ/t
NERNet Energy Ratio
EUIEnergy Usability Index
NGCINatural Gas Consumption Index, m3/t
EECIElectric Energy Consumption Index, kWh/t
HHVHigher Heating Value, MJ/kg

References

  1. Martin, M.; Gani, R.; Mujtaba, I.M. Sustainable process synthesis, design, and analysis: Challenges and opportunities. Sustain. Prod. Consum. 2022, 30, 686–705. [Google Scholar] [CrossRef]
  2. Carvalho, A.; Mimoso, A.F.; Mendes, A.N.; Matos, H.A. From a literature review to a framework for environmental process impact assessment index. J. Clean. Prod. 2014, 64, 36–62. [Google Scholar] [CrossRef]
  3. Beghetto, V.; Gatto, V.; Samiolo, R.; Scolaro, C.; Brahimi, S.; Facchin, M.; Visco, A. Plastics today: Key challenges and EU strategies towards carbon neutrality: A review. Environ. Pollut. 2023, 334, 122102. [Google Scholar] [CrossRef]
  4. Hepbasli, A. A key review on exergetic analysis and assessment of renewable energy resources for a sustainable future. Renew. Sustain. Energy Rev. 2008, 12, 593–661. [Google Scholar] [CrossRef]
  5. Boroumandjazi, G.; Rismanchi, B.; Saidur, R. A review on exergy analysis of industrial sector. Renew. Sustain. Energy Rev. 2013, 27, 198–203. [Google Scholar] [CrossRef]
  6. de Faria, D.R.G.; de Medeiros, J.L.; Araújo, O.Q.F. Sustainability assessment for the chemical industry: Onwards to integrated system analysis. J. Clean. Prod. 2021, 278, 123966. [Google Scholar] [CrossRef]
  7. Čolnik, M.; Kotnik, P.; Knez, Ž.; Škerget, M. Degradation of Polyvinyl Chloride (PVC) Waste with Supercritical Water. Processes 2022, 10, 1940. [Google Scholar] [CrossRef]
  8. Carroll, W.F.; Johnson, R.W.; Moore, S.S.; Paradis, R.A. Poly(Vinyl Chloride). In Applied Plastics Engineering Handbook: Processing, Materials, and Applications, 2nd ed.; William Andrew: Norwich, NY, USA, 2017; pp. 73–89. [Google Scholar] [CrossRef]
  9. Mijangos, C.; Calafel, I.; Santamaría, A. Poly(vinyl chloride), a historical polymer still evolving. Polymer 2023, 266, 125610. [Google Scholar] [CrossRef]
  10. Brooks, B. Suspension polymerization processes. Chem. Eng. Technol. 2010, 33, 1737–1744. [Google Scholar] [CrossRef]
  11. Saeki, Y.; Emura, T. Technical progresses for PVC production. Prog. Polym. Sci. 2002, 27, 2055–2131. [Google Scholar] [CrossRef]
  12. Leadbitter, J. PVC and sustainability. Prog. Polym. Sci. 2002, 27, 2197–2226. [Google Scholar] [CrossRef]
  13. Everard, M. Twenty Years of the Polyvinyl Chloride Sustainability Challenges. J. Vinyl Addit. Technol. 2020, 26, 390–402. [Google Scholar] [CrossRef]
  14. Comanita, E.D.; Ghinea, C.; Roşca, M.; Simion, I.M.; Petraru, M.; Gavrilescu, M. Environmental impacts of polyvinyl chloride (PVC) production process. In Proceedings of the 2015 E-Health and Bioengineering Conference, Iasi, Romania, 19–21 November 2015. [Google Scholar] [CrossRef]
  15. Bottausci, S.; Ungureanu-Comanita, E.D.; Gavrilescu, M.; Bonoli, A. Environmental impacts quantification of PVC production. Environ. Eng. Manag. J. 2021, 20, 1693–1702. [Google Scholar] [CrossRef]
  16. Whitfield, R.; Brown, F.; Hart, D.M. Pathways to Decarbonize the PVC Value Chain in 2050. 2022. Available online: https://cesp.gmu.edu/pvc/ (accessed on 2 October 2024).
  17. Ludmann, S.; Fröhlich, T.; Liebich, A. Eco-Profiles and Environmental Product Declarations of the European Plastics Manufacturers-Vinyl Chloride (VCM) and Polynivyl Chloride (PVC). 2015. Available online: http://www.pvc.org/upload/documents/PlasticsEurope_Eco-profile_VCM_PVC_2015-05.pdf (accessed on 15 October 2024).
  18. Petrović, E.K.; Hamer, L.K. Improving the healthiness of sustainable construction: Example of polyvinyl chloride (PVC). Buildings 2018, 8, 28. [Google Scholar] [CrossRef]
  19. González-Delgado, Á.D.; Aguilar-Vásquez, E.; Ramos-Olmos, M. Chemical and Process Inherent Safety Analysis of Large-Scale Suspension Poly(Vinyl Chloride) Production. ChemEngineering 2023, 7, 76. [Google Scholar] [CrossRef]
  20. González-Delgado, Á.D.; Ramos-Olmos, M.; Aguilar-Vásquez, E. Environmental Impacts Assessment in Suspension PVC Production Process Using Computer-Aided Process Engineering. Polymers 2023, 15, 2902. [Google Scholar] [CrossRef]
  21. Moreira, A.C.; Ribau, C.P.; Rodrigues, C.d.S.F. Green supply chain practices in the plastics industry in Portugal. The moderating effects of traceability, ecocentricity, environmental culture, environmental uncertainty, competitive pressure, and social responsibility. Clean. Logist. Supply Chain 2022, 5, 100088. [Google Scholar] [CrossRef]
  22. Argoti, A.; Orjuela, A.; Narváez, P.C. Challenges and opportunities in assessing sustainability during chemical process design. Curr. Opin. Chem. Eng. 2019, 26, 96–103. [Google Scholar] [CrossRef]
  23. Huffman, M.; Wang, Q.; Khan, F. Analysis of sustainability metrics from a process design and operation perspective. Process Saf. Environ. Prot. 2023, 177, 1351–1365. [Google Scholar] [CrossRef]
  24. El-Halwagi, M.M. Sustainable Design Through Process Integration, 1st ed.; Elsevier: Amsterdam, The Netherlands, 2012. [Google Scholar] [CrossRef]
  25. Walmsley, T.G.; Varbanov, P.S.; Aviso, K.; You, F. Energy integration and optimisation for sustainable total site, process and equipment design. Energy 2019, 186, 115896. [Google Scholar] [CrossRef]
  26. Ghannadzadeh, A.; Sadeqzadeh, M. Exergy aided pinch analysis to enhance energy integration towards environmental sustainability in a chlorine-caustic soda production process. Appl. Therm. Eng. 2017, 125, 1518–1529. [Google Scholar] [CrossRef]
  27. Goodarzvand-Chegini, F.; GhasemiKafrudi, E. Application of exergy analysis to improve the heat integration efficiency in a hydrocracking process. Energy Environ. 2017, 28, 564–579. [Google Scholar] [CrossRef]
  28. Bandyopadhyay, R.; Alkilde, O.F.; Upadhyayula, S. Applying pinch and exergy analysis for energy efficient design of diesel hydrotreating unit. J. Clean. Prod. 2019, 232, 337–349. [Google Scholar] [CrossRef]
  29. Ponce-Ortega, J.M.; Jiménez-Gutiérrez, A.; Grossmann, I.E. Simultaneous retrofit and heat integration of chemical processes. Ind. Eng. Chem. Res. 2008, 47, 5512–5528. [Google Scholar] [CrossRef]
  30. Gonzalez-Contreras, M.; Lugo-Mendez, H.; Sales-Cruz, M.; Lopez-Arenas, T. Synthesis, design and evaluation of intensified lignocellulosic biorefineries—Case study: Ethanol production. Chem. Eng. Process. Process Intensif. 2021, 159, 108220. [Google Scholar] [CrossRef]
  31. Valderrama, C.; Quintero, V.; Kafarov, V. Energy and water optimization of an integrated bioethanol production process from molasses and sugarcane bagasse: A Colombian case. Fuel 2020, 260, 116314. [Google Scholar] [CrossRef]
  32. Andersson, V.; Heyne, S.; Harvey, S.; Berntsson, T. Integration of algae-based biofuel production with an oil refinery: Energy and carbon footprint assessment. Int. J. Energy Res. 2020, 44, 10860–10877. [Google Scholar] [CrossRef]
  33. Mrayed, S.; Bin Shams, M.; Al-Khayyat, M.; Alnoaimi, N. Application of pinch analysis to improve the heat integration efficiency in a crude distillation unit. Clean. Eng. Technol. 2021, 4, 100168. [Google Scholar] [CrossRef]
  34. Ketabchi, E.; Mechleri, E.; Arellano-Garcia, H. Increasing operational efficiency through the integration of an oil refinery and an ethylene production plant. Chem. Eng. Res. Des. 2019, 152, 85–94. [Google Scholar] [CrossRef]
  35. Bugosen, S.; Mantilla, I.D.; Tarazona-Vasquez, F. Techno-economic analysis of aniline production via amination of phenol. Heliyon 2020, 6, 12. [Google Scholar] [CrossRef]
  36. Goodarzvand-Chegini, F.; Gougol, M.; Masoume, F. Application of heat integration in hydrocracking process. Technology 2010, 8, 886–8895. [Google Scholar] [CrossRef]
  37. Ali, E.; Hadj-Kali, M. Energy efficiency analysis of styrene production by adiabatic ethylbenzene dehydrogenation using exergy analysis and heat integration. Polish J. Chem. Technol. 2018, 20, 35–46. [Google Scholar] [CrossRef]
  38. Lindqvist, Å. Process Integration Study for Increased Energy Efficiency of a PVC Plant. 2011. Available online: http://publications.lib.chalmers.se/records/fulltext/143109.pdf (accessed on 24 March 2025).
  39. Karasek, L.; Kirkpatrick, B.E.; Lipsey, A.; Siahpush, K. Vinyl Chloride Production. 2016. Available online: https://www.researchgate.net/publication/326007176_Vinyl_Chloride_Production (accessed on 24 March 2025).
  40. Samphawamontri, Y.; Srinophakun, T.R.; Dittanet, P.; Charoencham, K. Heat Integrated Process Design, Simulation and Control of Polymerization and Drying Sections for HDPE Production. Appl. Sci. Eng. Prog. 2016, 9, 121–136. Available online: https://ph02.tci-thaijo.org/index.php/ijast/article/view/67529 (accessed on 24 March 2025).
  41. Budin, R.; Mihelić-Bogdanić, A.; Sutlović, I.; Filipan, V. Advanced polymerization process with cogeneration and heat recovery. Appl. Therm. Eng. 2006, 26, 1998–2004. [Google Scholar]
  42. Aguilar-Vásquez, E.; Ramos-Olmos, M.; González-Delgado, Á.D. A Joint Computer-Aided Simulation and Water-Energy-Product (WEP) Approach for Technical Evaluation of PVC Production. Sustainability 2023, 15, 8096. [Google Scholar] [CrossRef]
  43. El-Halwagi, M.M. Introduction to process integration. In Process Systems Engineering; Elsevier: Amsterdam, The Netherlands, 2006; pp. 1–20. [Google Scholar] [CrossRef]
  44. Mondal, S.K.; Uddin, M.R.; Paul, P.; Deb, A.; Azad, A.K. Minimization of the process loss in condensate fractionation plant. Procedia Eng. 2014, 90, 524–529. [Google Scholar] [CrossRef]
  45. Fu, C.; Vikse, M.; Gundersen, T. Challenges in work and heat integration. Chem. Eng. Trans. 2017, 61, 601–606. [Google Scholar] [CrossRef]
  46. Wang, B.; Klemeš, J.J.; Varbanov, P.S.; Zeng, M.; Liang, Y. Heat Exchanger Network synthesis considering prohibited and restricted matches. Energy 2021, 225, 120214. [Google Scholar] [CrossRef]
  47. Sharew, S.S.; Di Pretoro, A.; Yimam, A.; Negny, S.; Montastruc, L. Combining Exergy and Pinch Analysis for the Operating Mode Optimization of a Steam Turbine Cogeneration Plant in Wonji-Shoa, Ethiopia. Entropy 2024, 26, 453. [Google Scholar] [CrossRef]
  48. Perry, R.H.; Green, D.W.; Maloney, J.O. (Eds.) Podmanualdelingenieroquimico 4, V.O.L.; McGraw-Hill Interamericana de España S.L.: Madrid, Spain, 2001. [Google Scholar]
  49. González, F.A.; Díaz, M.S.; Bandoni, J.A. Análisis de Ciclo de Vida Para la Minimización de Impactos Ambientales de un Complejo Petroquímico. Available online: https://www.aaiq.org.ar/SCongresos/docs/04_025/papers/07c/07c_1407_674.pdf (accessed on 20 September 2024).
  50. Díaz, M.S.; Bandoni, J.A. Análisis de Ciclo de Vida y Optimización Matemática Como Herramientas Para la Producción Sustentable de Energía y de Productos Químicos. 2019. Available online: http://repositoriodigital.uns.edu.ar/handle/123456789/4546 (accessed on 24 March 2025).
  51. Wang, F.; Wang, S.; Li, Z.; You, H.; Aviso, K.B.; Tan, R.R.; Jia, X. Water footprint sustainability assessment for the chemical sector at the regional level. Resour. Conserv. Recycl. 2019, 142, 69–77. [Google Scholar] [CrossRef]
  52. Adedeji, O.M.; Aboagye, E.A.; Oladoye, P.O.; Bauer, S.K.; Jahan, K. Life Cycle Assessment and Net Energy Analysis of an Integrated Hydrothermal Liquefaction-Anaerobic Digestion of Single and Mixed Beverage Waste and Sewage Sludge. Chemosphere 2024, 363, 142991. [Google Scholar] [CrossRef] [PubMed]
  53. Niño-Villalobos, A.; Puello-Yarce, J.; González-Delgado, Á.D.; Ojeda, K.A.; Sánchez-Tuirán, E. Biodiesel and Hydrogen Production in a Combined Palm and Jatropha Biomass Biorefinery: Simulation, Techno-Economic, and Environmental Evaluation. ACS Omega 2020, 5, 7074–7084. [Google Scholar] [CrossRef] [PubMed]
  54. Chong, N.S.; Abdulramoni, S.; Patterson, D.; Brown, H. Releases of Fire-Derived Contaminants from Polymer Pipes Made of Polyvinyl Chloride. Toxics 2019, 7, 57. [Google Scholar] [CrossRef] [PubMed]
Figure 1. Methodology used for the technical evaluation of a heat-integrated process.
Figure 1. Methodology used for the technical evaluation of a heat-integrated process.
Sci 07 00041 g001
Figure 2. Flow diagram of the poly (vinyl chloride) production process by suspension.
Figure 2. Flow diagram of the poly (vinyl chloride) production process by suspension.
Sci 07 00041 g002
Figure 3. Composite curves and minimum temperature approach for the PVC production process by suspension.
Figure 3. Composite curves and minimum temperature approach for the PVC production process by suspension.
Sci 07 00041 g003
Figure 4. Composite curve of the PVC production process by suspension.
Figure 4. Composite curve of the PVC production process by suspension.
Sci 07 00041 g004
Figure 5. HEN diagram of the integrated PVC production process by suspension.
Figure 5. HEN diagram of the integrated PVC production process by suspension.
Sci 07 00041 g005
Figure 6. Simulation of the integrated PVC production process by suspension.
Figure 6. Simulation of the integrated PVC production process by suspension.
Sci 07 00041 g006
Figure 7. Performance of the technical indicators for the energy-integrated PVC production process by suspension.
Figure 7. Performance of the technical indicators for the energy-integrated PVC production process by suspension.
Sci 07 00041 g007
Table 1. Comparison of the literature regarding heat integration of plastic production processes.
Table 1. Comparison of the literature regarding heat integration of plastic production processes.
Studied ProcessHeat IntegrationWEP Technical AnalysisReference
Chlor-alkali plant *x [38]
VCM productionx [39]
Hydrocrackingx [34]
High-density polyethylene productionx [40]
Low-density polyethylene productionx [41]
PVC suspension processxxThis work
* includes PVC and VCM production.
Table 2. Parameters used to estimate capital cost of the network.
Table 2. Parameters used to estimate capital cost of the network.
EquipmentParameters
TypeABc
Heat exchanger *1 × 1048000.8
Heater #1 × 1059.02 × 1030.8
* Capital cost index = A ∗ (Minimum energy requirement) + B ∗ ( A r e a s h e l l s ) c s h e l l s . # Capital cost index = A + B ∗ (Duty) c.
Table 3. WEP indicators for technical evaluation of chemical processes.
Table 3. WEP indicators for technical evaluation of chemical processes.
VariableUnitsEquation
Production Yield% γ i = m a s s   f l o w   o f   p r o d u c t m a s s   f l o w   o f   m a i n   f e e d s t o c k 100 %
Fractional Water Consumption (FWC)m3/t F W C = v o l u m e   f l o w   o f   f r e s h w a t e r m a s s   f l o w   o f   p r o d u c t
Total Cost of Freshwater (TCF)$/day T C F = f l o w r a t e   o f   f r e s h w a t e r   c o n s u m e d c o s t   o f   f r e s h w a t e r
Wastewater Production Ratio (WPR)% W P R = w a s t e w a t e r   v o l u m e t r i c   f l o w   f r e s h w a t e r   v o l u m e t r i c   f l o w   ∗ 100%
Index of Reused Unconverted Material (IRUM)% I R U M = r e u s e d   m a t e r i a l   i   m a s s   f l o w u n c o n v e r t e d   m a t e r i a l   i   m a s s   f l o w 100 %
Total Cost of Energy (TCE)$/day T C E = t o t a l   e n e r g y   c o n s u m e d c o s t   o f   e n e r g y
Energy Specific Intensity (ESI)MJ/t R E S I = t o t a l   e n e r g y   c o n s u m e d   p r o d u c t   m a s s   f l o w
Net Energy Ratio (NER)Dimensionless N E R =   p r o d u c t   c a l o r i f i c   p o w e r p r o d u c t   m a s s   f l o w t o t a l   c o n s u m e d   e n e r g y + ( f e e d s t o c k   c a l o r i f i c   p o w e r f e e d s t o c k   m a s s   f l o w )
Energy Usability Index (EUI)Dimensionless E U I = p r o d u c t   c a l o r i f i c   p o w e r p r o d u c t   m a s s   f l o w t o t a l   c o n s u m e d   e n e r g y
Natural Gas Consumption Index (NGCI)m3/t N G C I = t o t a l   n a t u r a l   g a s   c o n s u m e d p r o d u c t   m a s s   f l o w
Electric Energy Consumption Index (EECI)kWh/t E E C I = t o t a l   e l e c t r i c i t y   c o n s u m e d p r o d u c t   m a s s   f l o w
Table 4. Description of technical indicators and their reference values.
Table 4. Description of technical indicators and their reference values.
VariableWorst CaseBest Case
Production Yield0%100%
Fractional Water Consumption (FWC)4 m3/t0.5 m3/t
Total Cost of Freshwater (TCF)1.3 USD/m30.1 USD/m3
Wastewater Production Ratio (WPR)100% of water utility0% of water utility
Index of Reused Unconverted Material (IRUM)0% of unconverted material100% of unconverted material
Total Cost of Energy (TCE)100% of the energy consumed comes to electric energy (cost of electricity is 0.41 USD/kWh)100% of the energy consumed comes from natural gas (cost of a natural gas 10 USD/MMBTU)
Energy Specific Intensity (ESI)5000 MJ/t3500 MJ/t
Net Energy Ratio (NER)0%100% of the energy entering the process
Energy Usability Index (EUI)100%0% of the energy required
Table 5. Stream data extracted from the process.
Table 5. Stream data extracted from the process.
Stream Temperature [°C] c p [kJ/kg ∗ k]
FromToMass Flow [t/day]Inlet Outlet
-Boiler480322254135
BlowerHeater6367462501001
Stripping bottomCentrifuge2622100651654
Stripping topCooling444.1110504135
Reactor heat----82,094.218
Gasifier heat----427.970
Compressor 1Condenser 1444.1119504135
Compressor 2Condenser 23065080.858
Table 6. Preliminary testing for HEN generation for the studied process.
Table 6. Preliminary testing for HEN generation for the studied process.
T [°C]Potential Savings [GJ/h]HEN Generated
1016.40One feasible
1215.41Multiple infeasible
1414.36Multiple infeasible
1513.83Multiple infeasible
1712.78Multiple infeasible
1911.74Multiple infeasible
2011.20Multiple infeasible
Table 7. Technical–economic parameters of the energy-integrated system.
Table 7. Technical–economic parameters of the energy-integrated system.
Utilities Consumption
Heating [GJ/h]20.64
Cooling [GJ/h]131.1
Exchanger area
Shell and tube [m2]5 × 104
Counter current [m2]5.1 × 104
Number of units
Total minimum11
Minimum for MER13
Shell15
Table 8. Maximum savings of the integrated network under the studied considerations.
Table 8. Maximum savings of the integrated network under the studied considerations.
UtilitiesActualFinal% Savings
Heating utilities [GJ/h]292128.54
Cooling utilities [GJ/h]1391315.91
Total utilities [GJ/h]1671519.8
Table 9. Operating conditions of the main streams in the process.
Table 9. Operating conditions of the main streams in the process.
Stream1234101318VCM-RVAPOR23WATER-RS-PVC
T °C32853232116.345088.00225706570
P kg-f4.53.510.210.21.82.54.54.32513.4550.990.991.03
Flow rate115214408.641.73389.23389.23417.88288.114806627.541145.931150.28
Compositions in mass fractions
VCM10000.0040000000
PVC PVA
Water
0
0
0
0
0
1
0
0.2
0.8
0
0
0.8
0
0
0.996
0
0
1
0
0
1
0
0
1
0
0
1
0.002
0

0.002
0.011
0.998
0.989
0
0.010
Initiator
Nitrogen
0
0
0
0
0
0
0.2
0
0
0
0
0
0
0
0
0
0
0
0
0.71
0
0.0002
0
0
Oxygen0000000000.2900
Table 10. Process variables related to resource use in the energy-integrated PVC suspension production process.
Table 10. Process variables related to resource use in the energy-integrated PVC suspension production process.
ParameterUnitDescriptionValue
Mass flow of raw material (VCM)t/dayTotal flow of VCM entering the process1152
Mass flow of productt/dayTotal flow of PVC leaving the process288
Mass flow of recycled raw materialt/dayTotal flow of VCM being recycled in the process288
Total volumetric flow of waterm3/dayVolume of fresh water used in the process1150
Total volumetric flow of wastewaterm3/dayVolume of fresh water used in the process3223
Total mass feed flowt/dayTotal flow of substances entering the process including water, reactants, etc.1554
Total energy consumedGJ/dayTotal energy used during the process (including cooling and heating)4703.83
Table 11. Data on the performance of indicators from the WEP methodology.
Table 11. Data on the performance of indicators from the WEP methodology.
IndicatorUnitValue
Production Yield%99.85
Wastewater Production Ratio (WPR)%80
Fractional Water Consumption (FWC)m3/t2.8
Total Cost of Freshwater (TCF)USD/day2321
Index of Reused Unconverted Material (IRUM)%100
Natural Gas Consumption Index (NGCI)%94
Electric Energy Consumption Index (EECI)%6
Energy Specific Intensity (ESI)MJ/t3219.5
Total Cost of Energy (TCE)USD/day42,222.15
Net Energy Ratio (NER)-0.9
Disclaimer/Publisher’s Note: The statements, opinions and data contained in all publications are solely those of the individual author(s) and contributor(s) and not of MDPI and/or the editor(s). MDPI and/or the editor(s) disclaim responsibility for any injury to people or property resulting from any ideas, methods, instructions or products referred to in the content.

Share and Cite

MDPI and ACS Style

Mendivil-Arrieta, A.; Aguilar-Vasquez, E.A.; Diaz-Perez, J.M.; Ramos-Olmos, M.; Gonzaléz-Delgado, Á.D. Energy Integration and WEP Technical Evaluation of a Large-Scale PVC Production Process. Sci 2025, 7, 41. https://doi.org/10.3390/sci7020041

AMA Style

Mendivil-Arrieta A, Aguilar-Vasquez EA, Diaz-Perez JM, Ramos-Olmos M, Gonzaléz-Delgado ÁD. Energy Integration and WEP Technical Evaluation of a Large-Scale PVC Production Process. Sci. 2025; 7(2):41. https://doi.org/10.3390/sci7020041

Chicago/Turabian Style

Mendivil-Arrieta, Antonio, Eduardo Andres Aguilar-Vasquez, Juan Manuel Diaz-Perez, Miguel Ramos-Olmos, and Ángel Darío Gonzaléz-Delgado. 2025. "Energy Integration and WEP Technical Evaluation of a Large-Scale PVC Production Process" Sci 7, no. 2: 41. https://doi.org/10.3390/sci7020041

APA Style

Mendivil-Arrieta, A., Aguilar-Vasquez, E. A., Diaz-Perez, J. M., Ramos-Olmos, M., & Gonzaléz-Delgado, Á. D. (2025). Energy Integration and WEP Technical Evaluation of a Large-Scale PVC Production Process. Sci, 7(2), 41. https://doi.org/10.3390/sci7020041

Article Metrics

Back to TopTop