Application of CO2-Laser Micro-Perforation Technology to Freeze-Drying Whole Strawberry (Fragaria ananassa Duch.): Effect on Primary Drying Time and Fruit Quality
Abstract
1. Introduction
2. Materials and Methods
2.1. Selection and Preparation of Strawberry Fruits
2.2. CO2 Laser Micro-Perforations and Laser System Settings
2.3. Determination of Primary Drying Time
2.4. Determination of Quality
2.4.1. Moisture Content
2.4.2. Rehydration
2.4.3. Color
2.4.4. Mechanical Test
2.5. Statistical Analysis
3. Results and Discussion
3.1. Strawberry Characteristics
3.2. CO2 Laser Micro-Perforation
3.3. Freeze-Drying Processing
3.4. Primary Drying Time Assessment
3.5. Quality Analysis
3.5.1. Rehydration
3.5.2. Color
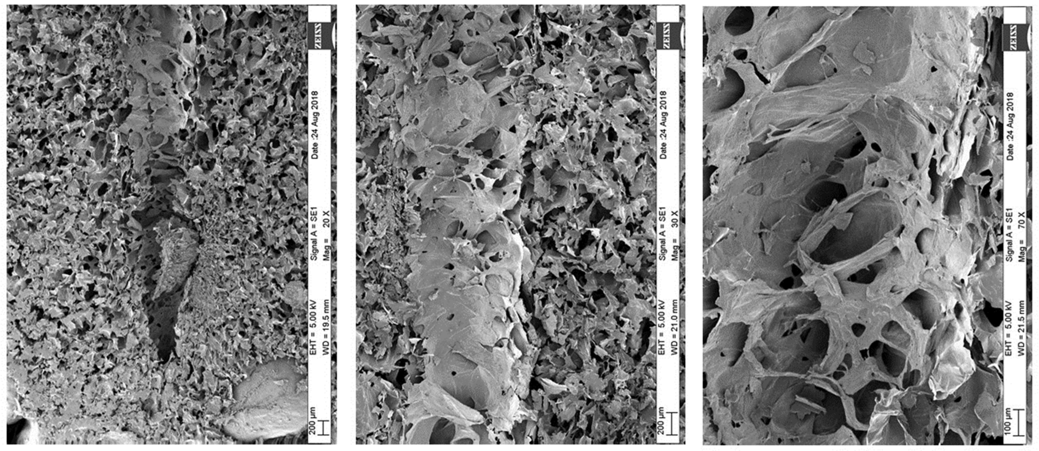
3.5.3. Texture
4. Conclusions
Author Contributions
Funding
Institutional Review Board Statement
Informed Consent Statement
Data Availability Statement
Conflicts of Interest
References
- Chokri, H.; Frédéric, R. Determination of Freeze-drying Process Variables for Strawberries. J. Food Eng. 1997, 32, 133–154. [Google Scholar]
- Marques, L.G.; Prado, M.M.; Freire, J.T. Rehydration characteristics of freeze-dried tropical fruits. LWT-Food Sci. Technol. 2009, 42, 1232–1237. [Google Scholar] [CrossRef]
- Nowak, D.; Jakubczyk, E. The Freeze-Drying of Foods—The Characteristic of the Process Course and the Effect of Its Parameters on. Foods 2020, 9, 1488. [Google Scholar] [CrossRef]
- Babic, J.; Cantalejo, M.J.; Arroqui, C. The effects of freeze-drying process parameters on Broiler chicken breast meat. LWT-Food Sci. Technol. 2009, 42, 1325–1334. [Google Scholar] [CrossRef]
- Flink, J.M. Energy analysis in dehydration processes. Food Technol. 1977, 31, 77–84. [Google Scholar]
- Liu, Y.; Zhao, Y.; Feng, X. Exergy analysis for freeze-drying process. Appl. Therm. Eng. 2008, 28, 675–690. [Google Scholar] [CrossRef]
- Ratti, C. Hot air and freeze-drying of high-value foods: A review. J. Food Eng. 2001, 49, 311–319. [Google Scholar] [CrossRef]
- Duan, X.; Zhang, M.; Mujumdar, A.S.; Wang, S. Microwave freeze drying of sea cucumber (Stichopus japonicas). J. Food Eng. 2010, 96, 491–497. [Google Scholar] [CrossRef]
- Keselj, K.; Pavkov, I.; Radojcin, M.; Stamenkovic, Z. Comparison of Energy consumption in the convective and freeze drying of rasberries. J. Process. Energy Agric. 2017, 21, 192–196. [Google Scholar] [CrossRef]
- Masanet, E.; Worrell, E.; Graus, W.; Galitsky, C. Energy Efficiency Improvement and Cost Saving Opportunities for the Fruit and Vegetable Processing Industry. 2008 An ENERGY STAR Guide for Energy and Plant Managers. Lawrence Berkeley National Laboratory. Available online: https://escholarship.org/uc/item/8h25n5pr#page-3 (accessed on 5 April 2024).
- Slavin, J.L.; Lloyd, B. Health benefits of fruits and vegetables. Adv. Nutr. 2012, 3, 506–516. [Google Scholar] [CrossRef]
- Fan, K.; Zhang, M.; Mujumdar, S.A. Recent developments in high efficient freeze drying of fruits and vegetables assisted by microwave: A review. Crit. Rev. Food Sci. Nut 2019, 59, 1357–1366. [Google Scholar] [CrossRef]
- Hottot, A.; Vessot, S.; Andrieu, J. A direct characterization method of the ice morphology. Relationship between mean crystals size and primary drying times of freeze-drying processes. Dry. Technol. 2004, 22, 2009–2021. [Google Scholar] [CrossRef]
- Ceballos, A.; Giraldo, G.; Orrego, E. Effect of freezing rate on quality parameters of freeze dried soursop fruit pulp. J. Food Eng. 2012, 111, 360–365. [Google Scholar] [CrossRef]
- McHunh, T. Freeze-Drying Fundamentals. Food Technol. 2018, 2, 72–74. [Google Scholar]
- Khairnar, S.; Kini, R.; Harwalkar, M.; Salunkhe, K.; Chaudha, S.R. A Review on Freeze Drying Process of Pharmaceuticals. Int. J. Pharm. Sci. Res. 2013, 4, 76–94. [Google Scholar]
- Yelden, E.F.; Clarke, D. Food Processing Using Laser Radiation. U.S. Patent 2008/0124433 A1, 29 May 2008. [Google Scholar]
- Hou, G.; Ling, Q.; Zou, Y.; Lee, B. Innovating a laser wheat-perforating technology to reduce kernel hardness for milling. In Proceedings of the AACC International Annual Meeting, Baltimore, Maine, 13–16 September 2009. [Google Scholar]
- Fujimaru, T.; Ling, Q.; Morrissey, M.T. Effects of Carbon Dioxide (CO2) Laser Perforation as Skin Pretreatment to Improve Sugar Infusion Process of Frozen Blueberries. J. Food Sci. 2012, 77, 45–51. [Google Scholar] [CrossRef]
- Silva-Vera, W.; Avendaño-Muñoz, N.; Nuñez, H.; Ramírez, C.; Almonacid, S.; Simpson, R. CO2 laser drilling coupled with moderate electric fields for enhancement of the mass transfer phenomenon in a tomato (Lycopersicon esculentum) peeling process. J. Food Eng. 2020, 276, 109870. [Google Scholar] [CrossRef]
- Munzenmayer, P.; Ulloa, J.; Pinto, M.; Ramirez, C.; Valencia, P.; Simpson, R.; Almonacid, S. Freeze-Drying of Blueberries: Effects of Carbon Dioxide (CO2) Laser Perforation as Skin Pretreatment to Improve Mass Transfer, Primary Drying Time, and Quality. Foods 2020, 9, 211. [Google Scholar] [CrossRef]
- Moreno, J.; Simpson, R.; Pizarro, N.; Parada, K.; Pinilla, N.; Reye, J.E.; Almonacid, S. Effect of ohmic heating and vacuum impregnation on the quality and microbial stability of osmotically dehydrated strawberries (cv. Camarosa). J. Food Eng. 2012, 110, 310–316. [Google Scholar] [CrossRef]
- Langrish, T.A.G.; Fletcher, D.F. Spray drying of food ingredients and applications of CFD in spray drying. Chem. Eng. Process. Process Intensif. 2001, 40, 345–354. [Google Scholar] [CrossRef]
- Basak, J.K.; Madhavi, B.G.K.; Paudel, B.; Kim, N.E.; Kim, H.T. Prediction of Total Soluble Solids and pH of Strawberry Fruits Using RGB, HSV and HSL Colour Spaces and Machine Learning Models. Foods 2002, 11, 2086. [Google Scholar] [CrossRef]
- Figueroa, C.; Ramírez, C.; Núñez, H.; Jaques, A.; Simpson, R. Application of vacuum impregnation and CO2-laser microperforations in the potential acceleration of the pork marinating process. Innov. Food Sci. Emerg. Technol. 2020, 66, 102500. [Google Scholar] [CrossRef]
- Ansar, N.; Azis, A.D. New frozen product development from strawberries (Fragaria ananassa Duch.). Heliyon 2020, 6, e05118. [Google Scholar] [CrossRef]
- Shishehgarha, F.; Makhlouf, J.; Ratti, C. Freeze-Drying Characteristics of Strawberry. Dry. Technol. 2002, 20, 131–145. [Google Scholar] [CrossRef]
- Núñez, H.; Jaques, A.; Belmonte, K.; Córdova, A.; Lafuente, G.; Ramírez, C. Effect of CO2 laser microperforation pretreatment on the dehydration of apple slices during refractive window drying. Foods 2023, 12, 2187. [Google Scholar] [CrossRef]
- Meda, L.; Ratti, C. Rehidration of freeze-dried strawberries at varying temperatures. J. Process. Eng. 2005, 28, 233–246. [Google Scholar]
- Dermesonlouoglou, E.K.; Giannakourou, M.; Taoukis, P.S. Kinetic study of the effect of the osmotic dehydration pre-treatment with alternative osmotic solutes to the shelf life of frozen strawberry. Food Bioprod. Process. 2016, 99, 212–221. [Google Scholar] [CrossRef]
- Hernández, Y.; Ramírez, C.; Moreno, J.; Núñez, H.; Vega, O.; Almonacid, S.; Pinto, M.; Fuentes, L.; Simpson, R. Effect of Refractance Window on dehydration of osmotically pretreated apple slices: Color and texture evaluation. J. Food Process Eng. 2020, 43, e13304. [Google Scholar] [CrossRef]
- UCDavis. Postharvest Research and ExtensionCenter, Recommendation for Mantaining Postharvest Quality. Available online: https://postharvest.ucdavis.edu/produce-fa (accessed on 9 January 2023).











| Parameter | Value |
|---|---|
| Speed | 100 [cm/seg] |
| Power | 50% of 100 [W] |
| Pulses | 600 pulses of 1 [ms] |
| Frequency | 50 KHz |
| Pattern for 5 perforations | |
![]() | ![]() |
| Treatment | Lower Limit | Mean | Upper Limit |
|---|---|---|---|
| Without micro-perforations | 25.3 | 26.7 a | 27.1 |
| With 5 micro-perforations | 21.4 | 22.3 b | 24.1 |
| With 8 micro-perforations | 20.5 | 21.3 b | 23.6 |
| Group | Temperature °C | Weight: Fresh Fruits (g) | Weight: Freeze Dried Fruits (g) | Weight: Rehydrated Fruits (g) | Average Rehydration (%) |
|---|---|---|---|---|---|
| 5 Micro-perforations | 20 | 33.89 ± 3.1 a | 3.65 ± 0.51 a | 9.49 ± 1.9 a | 28% ± 8% a |
| 2 | 32.97 ± 3.1 a | 3.72 ± 0.77 a | 10.78 ± 0.92 a | 33% ± 6% a | |
| Without micro-perforations | 20 | 28.43 ± 2.3 b | 2.74 ± 0.46 a | 6.03 ± 0.44 b | 21% ± 2% b |
| 2 | 33.83 ± 2.8 a | 3.47 ± 0.62 a | 7.48 ± 1.51 b | 22% ± 3% b |
| Strawberry Type | Lightness (L*) | Redness (a*) | Yellowness (b*) | Hue [°] | Chroma |
|---|---|---|---|---|---|
| Fresh | 34.26 ± 0.61 a | 32.97 ± 0.93 a | 18.73 ± 1.04 a | 29.60 | 37.92 |
| Thawed | 34.41 ± 1.16 b | 29.42 ± 0.78 b | 20.77 ± 1.07 b | 35.22 | 36.01 |
| Rehydrated at 20 [°C] with 5 micro-perf. | 34.59 ± 2.17 a,b | 28.85 ± 1.79 b | 22.71 ± 2.02 b | 38.21 | 36.71 |
| Rehydred at 2 [°C] with 5 micro-perf. | 38.43 ± 3.30 a,b | 32.17 ± 2.39 a,b | 25.02 ± 2.34 a,b | 37.87 | 40.76 |
| Rehydrated at 20 [°C] without micro-perf. | 35.51 ± 2.47 a,b | 25.87 ± 2.59 b | 24.26 ± 2.89 b | 43.16 | 35.46 |
| Rehydrated at 2 [°C] without micro-perf. | 33.42 ± 1.37 a,b | 27.64 ± 2.35 b | 20.17 ± 2.10 a,b | 36.87 | 34.22 |
| Maximum Load Intervals [g] | |||
|---|---|---|---|
| Strawberry Type | Min. Value | Medium Value | Max. Value |
| Fresh | 817.56 | 1062.62 | 1307.68 |
| Thawed | 108.32 | 172.27 | 236.21 |
| Rehydrated at 2 °C without micro-perf. | 89.95 | 112.45 | 134.95 |
| Rehydrated at 20 °C without micro-perf. | 76.63 | 99.12 | 121.62 |
| Rehydrated at 2 °C with 5 micro-perf. | 81.43 | 115.15 | 148.87 |
| Rehydrated at 20 °C with 5 micro-perf. | 88.73 | 119.49 | 150.25 |
Disclaimer/Publisher’s Note: The statements, opinions and data contained in all publications are solely those of the individual author(s) and contributor(s) and not of MDPI and/or the editor(s). MDPI and/or the editor(s) disclaim responsibility for any injury to people or property resulting from any ideas, methods, instructions or products referred to in the content. |
© 2024 by the authors. Licensee MDPI, Basel, Switzerland. This article is an open access article distributed under the terms and conditions of the Creative Commons Attribution (CC BY) license (https://creativecommons.org/licenses/by/4.0/).
Share and Cite
Pinto, M.; Kusch, C.; Belmonte, K.; Valdivia, S.; Valencia, P.; Ramírez, C.; Almonacid, S. Application of CO2-Laser Micro-Perforation Technology to Freeze-Drying Whole Strawberry (Fragaria ananassa Duch.): Effect on Primary Drying Time and Fruit Quality. Foods 2024, 13, 1465. https://doi.org/10.3390/foods13101465
Pinto M, Kusch C, Belmonte K, Valdivia S, Valencia P, Ramírez C, Almonacid S. Application of CO2-Laser Micro-Perforation Technology to Freeze-Drying Whole Strawberry (Fragaria ananassa Duch.): Effect on Primary Drying Time and Fruit Quality. Foods. 2024; 13(10):1465. https://doi.org/10.3390/foods13101465
Chicago/Turabian StylePinto, Marlene, Cynthia Kusch, Karyn Belmonte, Silvana Valdivia, Pedro Valencia, Cristian Ramírez, and Sergio Almonacid. 2024. "Application of CO2-Laser Micro-Perforation Technology to Freeze-Drying Whole Strawberry (Fragaria ananassa Duch.): Effect on Primary Drying Time and Fruit Quality" Foods 13, no. 10: 1465. https://doi.org/10.3390/foods13101465
APA StylePinto, M., Kusch, C., Belmonte, K., Valdivia, S., Valencia, P., Ramírez, C., & Almonacid, S. (2024). Application of CO2-Laser Micro-Perforation Technology to Freeze-Drying Whole Strawberry (Fragaria ananassa Duch.): Effect on Primary Drying Time and Fruit Quality. Foods, 13(10), 1465. https://doi.org/10.3390/foods13101465



