Next Article in Journal
Mixed-Valence Pentadecavanadate with Ca2+-ATPase Inhibition Potential and Anti-Breast Cancer Activity
Previous Article in Journal
Lanthanide Tris-Acetylacetonate Complexes for Luminescent Thermometry: From Isolated Compounds to Hybrid Prussian Blue Core–Silica Shell Nanoparticles
 
 
Font Type:
Arial Georgia Verdana
Font Size:
Aa Aa Aa
Line Spacing:
Column Width:
Background:
Review

Advances in the Mechanism and Application of Nanoparticles in Concrete Property Modification

1
College of Architectural Engineering, Jiamusi University, Jiamusi 154007, China
2
College of Art, Wuyi University, Wuyishan 354300, China
3
Department of Civil Engineering and Architecture, Wuyi University, Wuyishan 354300, China
4
College of Materials Science and Engineering, Jiamusi University, Jiamusi 154007, China
5
School of Information Science and Technology, Beijing University of Chemical Technology, Beijing 100029, China
*
Authors to whom correspondence should be addressed.
These authors contributed equally to this work.
Inorganics 2025, 13(9), 305; https://doi.org/10.3390/inorganics13090305
Submission received: 6 August 2025 / Revised: 3 September 2025 / Accepted: 9 September 2025 / Published: 12 September 2025

Abstract

Nanoparticles leverage their unique nanoscale effects to optimize concrete performance through synergistic multi-mechanism interactions. Core mechanisms include micro-filling effects (graded pore filling, optimized pore structure), nucleation (promoting crystallization of hydration products, refining microstructure), chemical reactivity (e.g., pozzolanic reaction of nano-SiO2, enhancing interfacial transition zones), and interfacial strengthening (improving ITZ structure and stress transfer). Common nanomaterials (e.g., nano-SiO2, Al2O3, carbon nanotubes) significantly enhance concrete’s mechanical properties, durability, and functionalities (e.g., self-sensing, electromagnetic shielding). However, nano-modified concrete still faces challenges such as poor dispersion, high cost, and environmental/health risks. Future efforts should focus on multi-scale mechanism research, green low-cost synthesis processes, and intelligent composite systems development to advance the engineering applications pf nano-modified concrete.

Graphical Abstract

1. Introduction

As one of the most widely used building materials in the world, concrete is widely used for its balanced properties. Yet its low strength, poor crack resistance, and limited durability hinder high-performance demands [1,2,3,4,5]. In addition, the high CO2 emissions from cement production raise concerns about environmental sustainability [6].
With the development of materials science, nanotechnology has received widespread attention for its unique advantages in improving material properties [7]. Nanotechnology, in essence, is the in-depth study and precise manipulation of the unique physical and chemical properties of matter in the nanoscale range [8], thus achieving significant optimization and new endowment of material properties. Nanoparticles are 1–100 nm in size. They show unique properties compared with conventional particles [9,10]. Nanoparticles possess a huge specific surface area. More surface atoms mean more active sites for cement reactions, and this greatly promotes the processes of physical adsorption and chemical reaction between the two [11]. Nanoparticles also display quantum and surface effects. These give them unique optical, electrical, magnetic, and mechanical traits, providing a brand new way of thinking and new methods for the multidimensional modification of concrete properties [12]. Furthermore, the shape and size of nanoparticles can be highly controlled by advanced preparation processes, which provides a solid technical guarantee for the tailoring of nano-modified materials with specific functional properties according to the specific needs of concrete engineering [13].
Nanoparticles refine pores and the interfacial zone. Concrete becomes denser and gains higher compressive, flexural, and tensile strengths [14,15]. They also impart self-sensing, self-repair, shielding, and insulation functions that traditional concrete lacks [16]. Therefore, in-depth and systematic study of the role of nanoparticles in concrete performance modification mechanism, including a comprehensive summary of application progress and practical experience in promoting the transformation and upgrading of concrete materials from traditional to modern, from ordinary to high-performance, and from a single function to multi-functional, is of great and far-reaching practical significance and theoretical value.
While several existing reviews have documented the mechanical and durability improvements of nano-modified concrete, this work distinguishes itself through a unique thematic focus on bridging the gap between microscopic mechanisms and macroscopic engineering applications, with a dedicated analysis of environmental and economic challenges. Unlike previous publications that often concentrate on a single type of nanoparticle or a specific property, this review provides a comprehensive and systematic comparison of the mechanisms (micro-filling nucleation, chemical, and interfacial enhancement) across the most prevalent nanomaterials (nano-SiO2, nano-Al2O3, CNTs, nano-clay, etc.). Furthermore, it critically synthesizes the current status of applications not only in conventional construction but also in specialized fields such as marine engineering and intelligent infrastructure, areas rapidly evolving yet underexplored in earlier reviews. Most importantly, this article dedicates significant attention to the practical hurdles of dispersion, cost, and environmental health risks, offering a forward-looking perspective on research directions aimed at overcoming these barriers for large-scale implementation. This holistic approach connecting fundamental theory, diverse applications, and sustainability challenges provides a more integrated and critical framework for researchers and engineers, setting this review apart from the existing literature.

2. Types and Properties of Nanoparticles

Nanoparticles show significant advantages in concrete modification due to their unique size and surface effects. Different kinds of nanoparticles optimize the microstructure and macroscopic properties of cementitious materials through physical filling, chemical activity, and nucleation effect. In this section, the composition and properties of major nanoparticles are systematically described.

2.1. Silicon Dioxide Nanoparticles

Nano-silica (NS) is one of the most extensively studied and maturely applied nano-modifiers for concrete [17]. Primarily composed of amorphous silica (SiO2), its surface is rich in silanol groups (Si-OH), endowing it with an extremely high specific surface area (typically 50–600 m2/g) and high reactivity. These properties enable it to function not only as an ultrafine filler but also as an efficient pozzolanic material and nucleating agent. It profoundly influences and regulates the cement hydration process at both physical and chemical levels, thereby significantly enhancing the microstructure and macroscopic properties of concrete.
The incorporation of NS significantly alters the kinetics and process of cement hydration. During the early hydration stage (ranging from minutes to 24 h), NS particles provide abundant heterogeneous nucleation sites for tens of thousands of hydration products. This nucleation effect substantially reduces the nucleation barrier required for C-S-H gel formation following the dissolution of primary clinker phases such as C3S and C2S, thereby significantly accelerating early-stage hydration reactions. Research indicates that this leads to an earlier onset of the primary hydration heat peak, with initial and final setting times shortened by 20–40%. During the mid-hydration stage (1 to 7 days), the pozzolanic reaction of NS cement begins to dominate. The active silica (SiO2) on its surface undergoes secondary hydration reactions with calcium hydroxide (Ca (OH)2) released in large quantities from cement hydration. This reaction not only consumes CH crystals, which contribute little to strength and have a loose morphology, but it also generates additional high-strength C-S-H gel with a low calcium-to-silica ratio (C/S). This process continuously optimizes the composition and structure of hydration products. During the later hydration stages (28 days and beyond), the pozzolanic reaction persists, further filling capillary pores and continuously densifying the microstructure. Compared to pure cement systems, the characteristic diffraction peaks of CH crystals in NS-blended mortars show significantly reduced intensity, while the formation of C-S-H gel is markedly increased.
Regarding enhancement of mechanical strength and microstructure, through the synergistic effects of the aforementioned “nucleation effect” and “pozzolanic effect,” NS fundamentally optimizes the microstructure of concrete. Its effects are primarily manifested in the following aspects. Regarding pore refinement, as an ultrafine particle, NS effectively fills the voids between cement particles and transforms harmful capillaries larger than 50 nm into finer, harmless pores [18,19]. For strengthening within the interface transition zone (ITZ), the incorporation of NS reduces the directional enrichment of CH crystals, promoting the formation of a denser C-S-H gel. This results in decreased porosity and reduced thickness of the ITZ, transforming it from a weak point into a strengthening zone within the system [20]. Regarding hydration product optimization, the generated secondary C-S-H gel exhibits a lower C/S ratio and higher polymerization degree, demonstrating superior strength and stability compared to conventional C-S-H. These microstructural improvements directly translate into significant enhancements in macroscopic mechanical properties. As reported by Ahmed et al. [21], a 3% NS admixture content increased the 28-day compressive strength and splitting tensile strength of geopolymer concrete by 21% and 23.3%, respectively. This study provides a theoretical basis for developing green high-performance concrete, particularly suitable for harsh environments such as high temperatures and high corrosion. Swathi et al. [18] noted that a 1% NS content can significantly enhance the mechanical properties of geopolymer concrete. The Figure 1 shows the porosity and water absorption values of the concrete. The mechanism of action encompasses nano-filling, pozzolanic reaction, and interfacial strengthening, making it suitable for high-performance green building materials. It offers significant advantages, particularly in low-carbon, rapid construction, and harsh environmental engineering projects. Majeed et al. [19] also demonstrated that a 1.5% NS admixture content optimized the mechanical and durability properties of ultra-lightweight foam concrete (ULFC). The Figure 1 illustrates the effect of SDN at different ratios on the inherent permeability of ultra-lightweight foam concrete (ULFC). ULFC incorporating SDN exhibited superior properties, achieving significant enhancements in mechanical performance (compressive/tensile strength) and durability (impermeability/corrosion resistance) while avoiding lumping defects.
The densification of microstructure directly endows concrete with exceptional durability. The reduction in interconnected voids significantly impedes the migration of water and corrosive ions (such as Cl and SO42−), thereby conferring superior impermeability, chloride ion resistance, and sulfate erosion resistance. Furthermore, the freeze–thaw cycle resistance of NS-modified concrete is enhanced through optimized pore structure.
Nano-SiO2 significantly affects the rheological properties of freshly mixed concrete. Experiments by Rawat et al. [22] demonstrated that at a dosage of 1 wt%, slump decreased from the baseline 210 mm to 185 mm (−12%); when dosage increased to 3 wt%, slump further decreased to 145 mm (−31%). Concurrently, plastic viscosity (η) increased from 2.1 Pa·s to 3.8 Pa·s (+81%), requiring an additional 0.15% high-efficiency water-reducing agent (polycarboxylate-based) to restore flowability. Air-entrained concrete tests (air content 5.5%) showed that NS’s nucleation effect reduced the average bubble diameter from 190 µm to 125 µm, but the air content decreased by 0.7%. To maintain freeze resistance requirements, the air-entraining agent dosage needed to be increased by 10%. Regarding setting times, at a 1% NS mass fraction, initial and final setting times shortened by 15 min and 20 min, respectively; at 3%, they shortened by 35 min and 45 min. These changes could be adjusted to baseline levels by adding 0.05% citric acid retarder. Nano-SiO2 strongly adsorbs free water and superplasticizer molecules due to its high specific surface area, leading to reduced flowability. Studies indicate that for every 1% increase in dosage, an additional 0.05–0.15% of polycarboxylate superplasticizer is typically required to maintain workability. Additionally, NS particles can serve as nucleation sites for air bubbles, refining bubble size but potentially reducing air content. This necessitates a corresponding increase in air-entraining agent dosage of approximately 10%.
To sum up, nano-silica refines microstructure via nano-filling, pozzolanic reaction, and interfacial strengthening by virtue of its unique nanoscale particle size, high specific surface area, and surface activity. These materials show significant advantages in low-carbon buildings, rapid construction, harsh environmental engineering (e.g., high temperature, high corrosion scenarios), and lightweight thermal insulation structures, providing a green and efficient solution to solve the problems of high carbon emission and insufficient durability of traditional concrete, which is one of the core technological directions to promote the sustainable advancement of high-performance concrete materials toward low carbon emission and improved durability. However, the application of nano-SiO2 presents significant side effects and technical limitations that cannot be overlooked. While its exceptionally high reactivity accelerates hydration, it also markedly exacerbates the concrete’s autogenous shrinkage and drying shrinkage. Literature reports indicate that its chemical shrinkage can increase by up to 93.7% within 3 days [23], substantially raising the risk of early cracking and limiting its direct application in low-water–binder-ratio or lightweight concrete. Secondly, its strong tendency toward aggregation results in a narrow optimal alloying window. Beyond this range, performance gains become negligible or may even deteriorate due to the formation of defects. More importantly, the vast majority of studies focus on short-term performance under standard curing conditions, with a lack of systematic understanding regarding the long-term performance evolution under the coupled effects of multiple factors such as wet–dry cycling, carbonation, and chloride erosion. This uncertainty poses challenges for predicting the long-term service performance of these materials. Future research can further explore the synergistic effect of nano-silica and other nano-materials, optimize the dispersion process to reduce costs, and expand its potential application in more complex engineering scenarios.

2.2. Aluminum Oxide Nanoparticles

Nano-alumina is highly active and incorporates several strengthening mechanisms (e.g., nanoscale particle size, high specific surface area, and abundant surface functional groups). Xiong et al. [24] created ultra-stable foam by treating blowing agents with SOCl2 and nano-alumina. The study showed that NA-modified blowing agent provided an effective way to enhance the performance of foam concrete by optimizing the foam stability and concrete microstructure (as shown in Figure 2 below). Jia et al. [25] improved waste–clay–brick aggregate using a nano-alumina volcanic ash coating. One percent nano-alumina cut the crushing index by 19%. Water absorption fell 34% and strength rose 37%. Particles became rounder, and its filler, nucleation, and volcanic ash effects significantly optimized the performance of RBA, which is expected to enhance the performance of recycled concrete. Jaishankar et al. [26] systematically tested the effects of NA on freshly mixed concrete properties: at a 0.5 wt% dosage, slump remained at 200 mm (reference 205 mm) with no significant change in plastic viscosity; at 1 wt%, slump decreased to 175 mm, requiring supplementation with 0.10% superplasticizer. Setting times exhibited linear acceleration with increasing dosage; at 1 wt%, initial and final setting times shortened by 10 min and 7 min, respectively. Air content tests indicated limited impact of NA on air-entraining agent efficacy, with air content fluctuations <0.3%. However, the bubble spacing coefficient decreased by 12%, enhancing freeze resistance. Nahla et al. [27] and other studies focused on the effect of nano-Al2O3 on the wear durability of concrete pavements, 0.5% to 2% (of cement weight) of nano-Al2O3 was incorporated into the concrete, and it was found that the 28-day compressive strength was increased by 36% at 1% admixture with optimal wear durability to meet the strength and workability of highway pavements, as revealed by the compressive strength test and the wear device and SEM/EDS analyses. This demonstrates the potential application of nanomaterials in the sustainable enhancement of concrete performance. Nano-alumina (Nano-Al2O3), with its nanoscale particle size, high specific surface area, and other characteristics, has significant potential for application in concrete performance enhancement. However, research and application of nano-Al2O3 remain in the developmental stages, with its limitations requiring further investigation. Compared to nano-SiO2, it exhibits lower pozzolanic activity, relying more on physical filling and nucleation for strength enhancement, and its modification efficiency remains controversial. Existing studies have paid insufficient attention to its long-term durability (e.g., resistance to sulfate erosion and alkali–aggregate reaction), and its chemical stability under complex environmental conditions still requires verification. Furthermore, nano- Al2O3 exhibits extremely high hardness. Whether its incorporation negatively impacts concrete toughness and impact resistance remains inconclusive in current research, potentially posing a critical consideration for applications like high-performance pavements. Different studies have shown that by optimizing the microstructure and playing the filling/nucleation/volcanic ash effect, it can enhance the stability of foam concrete and improve the strength, durability, and abrasion resistance of recycled aggregates and concrete, and the comprehensive effect is better at 1% dosage.

2.3. Carbon Nanotubes

As a typical one-dimensional nanomaterial, the reinforcement mechanism of carbon nanotube material was first explored in depth by Konsta-Gdoutos et al. [28]. Due to its unique tubular structure and outstanding properties, it demonstrates significant application potential in the concrete field. Its one-dimensional structure can form a three-dimensional network dispersion system, enhancing concrete’s mechanical properties through microcrack suppression and efficient interfacial stress transfer. Furthermore, its conductive properties can be leveraged to develop intelligent monitoring functions. Sadeghi et al. [29] studies hybrid fiber concrete containing different admixtures of steel fibers, nano-silica, and multiwall carbon nanotubes. The cracking at the crack extension stage was suppressed by different scale fiber combinations, and the strength of the interfacial transition zone was enhanced by the volcanic ash effect of nano-silica. After optimizing the mix ratio and testing the strength, energy absorption capacity, and impact properties of different elastomers, it was found that the combination of nanoparticles and fibers significantly enhanced the toughness and impact strength of concrete. Fu et al. [30] determined via rheometer measurements that 0.05 wt% CNTs increased the slurry yield stress by 18% and plastic viscosity by 25%. Following ultrasonic dispersion combined with 0.02% polyvinylpyrrolidone (PVP), these increases decreased to 5% and 8%, respectively, while slump recovered to 195 mm (reference 200 mm). Due to the hydrophobic surface of the CNTs, air-entraining agent adsorption decreased, reducing air content from 5.2% to 4.5%. An additional 15% air-entraining agent was required to meet freeze–thaw design requirements. Regarding setting times, CNTs slightly accelerated early hydration: at 0.05 wt%, initial setting was shortened by 8 min and final setting by 5 min, as shown in the Figure 3. Taha et al. [31] assessed 0.2% MWCNT effects on FRP bond and concrete strength. Through testing 30 pullout specimens and calibrating the CMR and BPE analytical models, it was found that MWCNTs caused a slight decrease in bond strength but a small increase in normalized bond strength, as well as an increase in the required anchorage length of FRP bars and a decrease in slip. The above studies indicate that carbon nanotubes (CNTs) enhance the dynamic mechanical properties of concrete through the cross-scale fiber mixing effect, and their modulation of the bonding behavior at the FRP reinforcement–concrete interface provides support for the design of composite structures.
However, the current research still faces three challenges: insufficient quantitative characterization of the enhancement mechanism, lack of long-term performance data in complex environments, and technical bottlenecks in the integration of intelligent monitoring functions. Furthermore, long-term tracking data on the stability of CNTs in strongly alkaline cement pore fluids and their time-dependent effects on macroscopic properties remain scarce. Their potential environmental and health risks have also raised widespread concerns. In the future, we can focus on the construction of multi-scale theoretical models, multi-field coupled durability tests, and functional body co-design to promote the engineering application of CNTs-based intelligent concrete.

2.4. Nanoclay

Nano-clays (such as montmorillonite) are layered silicate nanoparticles whose structural units consist of a “sandwich”-like layered sheet formed by an alumino-oxygen octahedron sandwiched between two silico-oxygen tetrahedra. These sheets stack layer upon layer, with channels between layers that accommodate exchangeable cations (such as Na+, Ca2+) and water molecules. It is precisely this unique structure that endows the modified concrete with its multiscale mechanism of physical filling and pore refinement. Its nanoscale lamellar structure effectively fills micropores within the cement paste, refines the pore size distribution, reduces the total porosity, and thereby enhances density [32]. Providing interlayer barriers and enhanced durability, dispersed nano-clay sheets form a “maze effect” within the cement matrix. The migration pathways of corrosive media (such as chloride ions and water molecules) within concrete are extended and obstructed by these impermeable nano-sheets, significantly improving the concrete’s permeability resistance and corrosion resistance [33,34]. Heterogeneous nucleation and interface strengthening are enhanced by the enormous specific surface area and abundant surface functional groups that provide numerous nucleation sites for cement hydration products, promoting the formation of denser calcium silicate hydrate (C-S-H) gel and optimizing the microstructure of the interfacial transition zone (ITZ). A “house-of-cards effect”—referring to the three-dimensional network formed by dispersed nanosheets—and mechanical enhancement (notably in toughness) are exhibited; dispersed nanosheets form a three-dimensional, house-of-cards-like network within the matrix through surface force interactions. This network effectively bridges microcracks, inhibiting their initiation and propagation, thereby transferring and dissipating stress. This significantly enhances concrete’s toughness and mechanical properties [29,33].
The current research challenges focus on the stability of organic modification, lamellar dispersion regulation, and quantification of multi-component synergistic effects. In the future, addressing these research challenges will need to be combined with microscopic characterization and simulation to develop multifunctional composite modification technology. Mirgozar et al. [33] tested NC-SCC under standard freeze–thaw cycles to test several properties. The following Figure 4 shows micrographs of NC powder, and the results showed that 3% NC significantly improved the freeze–thaw resistance, and the freezing resistance of mineral-added concrete with 3% NC also improved. Nanomaterials can improve the properties of concrete due to small particle size and large specific surface area. Abuzeid et al. [34] evaluated composite coatings consisting of ethyl silicate and high-molecular-weight methyl methacrylate, incorporating 2.5% and 5% elmenite/montmorillonite nano-clay, on three types of susceptible concrete. Their results demonstrated that the addition of nan-oclay improved the protective performance of the coatings. Among them, the ethyl silicate-based nanocomposites exhibited the best protective effect. In contrast, the high-molecular-weight methyl methacrylate-based coatings showed inadequate durability under salt and freeze-thaw conditions. Noori et al. [35] investigated the effect of NC on the enhancement of mechanical properties of self-compacting concrete (SCC) in direct addition and ultrasonic treatment modes. The percentage of NC substituted for ordinary silicate cement (OPC) in the experiments ranged from 1% to 10%. The results showed that 5% ultrasonication NC substitution resulted in the highest compressive and flexural strengths of SCC, and 7.5% ultrasonication NC substitution resulted in the highest tensile strength. The effects of ultrasonic treatment on the dispersion of high percentage (e.g., 10%) of NC and the enhancement of SCC mechanical properties were not significant. Overall, the mechanical properties of ultrasonically treated NC samples were superior to those of directly added NC samples. As a multifunctional nanomaterial to enhance the performance of concrete, the significant effects of nano-clay on freeze–thaw resistance, protective properties, and mechanical property enhancement have been verified through multiple performance tests
The application of nano-clay presents both advantages and challenges. Its primary application hurdle lies in significantly increasing concrete viscosity and reducing workability, posing challenges for construction processes requiring high-flowability pumped or self-compacting concrete. This typically necessitates additional dosing of high-efficiency water-reducing agents. Secondly, the long-term stability of modifiers in organically modified nano-clay under alkaline conditions remains questionable, potentially posing risks of leaching or degradation that could compromise their sustained performance. Furthermore, most existing research has focused on montmorillonite, with limited systematic comparative studies on the modification mechanisms and effects for other nano-clay types such as sepiolite and kaolinite nanotubes. This lack of comparative data hinders informed material selection. Future research needs to integrate microscopic characterization techniques (e.g., HRSEM, XRD), molecular dynamics simulation and experimental design optimization to develop composite modification systems with mechanical enhancement, durability enhancement, and multifunctional integration, and to promote the large-scale application of nano-clay in green high-performance concrete.

2.5. Other Nanoparticles

Other nanoparticles, such as titanium dioxide, boron nitride, and others show unique advantages and broad prospects for the modification of concrete properties. Nano-titanium dioxide has antibacterial self-cleaning, UV protection, photocatalytic properties, etc. It can be used to prepare self-cleaning, antibacterial, and antifouling coatings and light-aging-resistant materials to enhance the durability and self-maintenance of concrete, and can also be used to enhance synergistic effects with concrete through silica encapsulation, etc., to improve mechanical strength and durability. The photocatalytic activity of nano-TiO2 stems from its semiconductor properties [36]. Through elemental doping (e.g., N, C, or metals), the band structure can be effectively tuned. Band narrowing introduces new energy levels at the valence band edge, enabling visible light to excite electron-hole pairs, and suppression of charge recombination occurs as the dopant acts as an electron capture trap, prolonging carrier lifetime and thereby enhancing quantum efficiency and pollutant degradation capacity under ultraviolet and visible light [22,37]. Rawat et al. [22] reported that at an NT dosage of 1 wt%, slump decreased from 220 mm to 180 mm; at 3 wt%, it dropped to 55 mm (−74%), requiring an additional 0.25% high-efficiency water-reducing agent to restore flowability. As shown in the figure below. NT’s high specific surface area (>200 m2/g) caused rapid adsorption of free water, increasing yield stress by 60%. Air content remained largely unaffected by NT, but average bubble diameter decreased from 200 µm to 140 µm. Initial/final setting times were shortened by 10 min and 15 min, respectively, due to photocatalytic surface activity. Nano-boron nitride with its high thermal conductivity, low dielectric constant, and excellent chemical stability can significantly improve the thermal conductivity and dimensional stability of concrete. With good insulation properties, it can be used in electronic equipment foundation components and other special scenarios. At the same time its lubrication can improve the workability of the concrete, reducing the friction and energy consumption in the construction process. Zhang et al. [38] investigated the effects of particle size, admixture, and curing method of boron nitride nanoparticles (nano-BN) on the strength and durability of reactive powder concrete (RPC). As shown in the Figure 5, the flexural strength of RPC incorporating 120 nm nano-BN at various filler contents was investigated. The study demonstrated that the addition of 0.5 wt% 120 nm nano-BN significantly enhanced the performance of RPC. After 28 days of standard curing, the flexural and compressive strengths increased by 15.7% and 12.96%, respectively. This improvement is attributed to multiple mechanisms facilitated by the nano-BN. Nanoparticles such as titanium dioxide and boron nitride nanoparticles show significant advantages in concrete performance modification. Nano-titanium dioxide with antibacterial self-cleaning, photocatalytic properties, can enhance the durability of concrete and self-maintenance capabilities; nano-boron nitride relies on high thermal conductivity and low dielectric constant and other characteristics, enhance the thermal conductivity and dimensional stability of concrete. As shown in Table 1 below, the primary functions of various nanoparticles are outlined, along with their typical doping levels and key references. However, these nanoparticles are still facing challenges such as dispersion, cost and long-term stability in practical applications. In the future, it will be necessary to explore the interaction mechanism with the cement matrix by means of surface modification, composite technology, and optimization of dosage to give full play to its characteristics, to further expand the scope of its application in concrete.

2.6. Cross-Material Comparison of Modification Efficacy for Mainstream Nanoparticles and Selection Recommendations

To clarify the application boundaries and efficacy priorities of different nanoparticles, a cross-material comparative analysis was conducted based on the the data presented in this article data across four dimensions: mechanical reinforcement efficiency, functional characteristics, economic viability, and engineering adaptability. First, regarding mechanical strength enhancement, both nano-silica (NS) and nano-alumina (NA) can improve concrete compressive strength, but their optimal dosage and efficiency differ. Swathi et al. [18] demonstrated that NS at a 1% dosage (by mass of cementitious materials) enhanced the mechanical properties of geopolymer concrete. Meanwhile, Ahmed et al. [21] found that a 3% NS dosage maximized concrete’s compressive strength (+21%) and durability (resistivity +36.4%) without causing agglomeration issues. In contrast, Jaishankar et al. [26] reported that a 1% dosage of NA increased concrete’s compressive strength by 33.14%, outperforming NS at the same dosage; however, NA was less effective than NS in reducing concrete’s porosity. Regarding functional property trade-offs, carbon nanotubes (CNTs) demonstrated superior performance in enhancing concrete’s dynamic mechanical properties and self-sensing capabilities. Fu et al. [30] demonstrated that co-dosing CNTs with carbon fibers enhances concrete’s dynamic compressive strength more effectively than CNTs alone. However, their high cost and poor dispersibility hinder large-scale application. In contrast, nano-clays offer lower costs and significantly improve concrete’s freeze–thaw resistance. Mirgozar et al. [33] found that nano-clay at a 3% dosage could double the number of freeze–thaw cycles concrete could withstand. However, its enhancement of concrete compressive strength (maximum increase of 15% at a 5% dosage under ultrasonic treatment [30]) was significantly lower than that of CNTs. Finally, in terms of cost-effectiveness balance, nano-titanium dioxide (NT) imparts self-cleaning and antibacterial properties to concrete (Rawat et al. [22]), but its optimal dosage range for peak strength (1.5%) is narrower than that of nano-boron nitride (nano-BN, which increased flexural strength by 15.7% at a dosage of 0.5% [38]). Moreover, NT dosages exceeding 3% caused a 74% reduction in concrete slump, leading to workability issues, whereas nano-BN did not exhibit this problem.

3. Mechanism of Nanoparticles in Concrete

3.1. Microfilling Effects

The microfilling effect of nanoparticles is fundamentally governed by the principles of optimized particle packing. According to the Andreasen and Andersen model, a continuous particle size distribution leads to a more compact packing structure. Nanoparticles (typically 1–100 nm) act as ultrafine fillers, filling the voids between cement particles (micrometer scale) and finer supplementary cementitious materials. This graded filling significantly reduces the total porosity and compacts the pore network, particularly decreasing the volume of capillaries (50–10,000 nm), which is detrimental to impermeability and strength [52]. Additionally, the reduction in void space limits the content of free water, which alters the local water–cement ratio and affects the kinetics of cement hydration, thereby forming a finer microstructure [52]. Yuan et al. [53] investigated the synergistic mechanism between red mud (RM) and coal gangue (CG) in concrete, with a particular focus on their microfilling effect. While the individual use of either RM or CG reduces concrete strength and workability, their combined application significantly improves porosity and strength. As shown in the following Figure 6, this enhancement is reflected in the reduced water absorption and porosity of the concrete. The strong alkalinity of RM promotes the hydration reaction of CG, leading to the formation of C-S-H gel, which fills pores and contributes to a denser microstructure. The experiments showed that the porosity and water absorption of concrete were significantly reduced at 15% dosage of both RM and CG, and the strength was close to that of the benchmark concrete, showing good potential for application. Bai et al. [54] investigated the influence of graphene oxide grafted carbon fibers (CF-GO) on the mechanical properties and strain rate effect of concrete under dynamic impact loading. The experimental results showed that CF-GO could effectively improve the pore structure of concrete from capillary pores (100–1000 nm) to transition pores (10–100 nm) and reduce the total porosity, average pore size, and mesopore pore size. The optimal dosage of CF-GO was 0.3%, at which the dynamic properties and strain rate sensitivity of concrete were optimal. The microfilling of CF-GO and the promotion of the crystallization of cement hydration products optimized the pore structure of concrete and improved its mechanical properties. Nanoparticles, red mud, gangue, graphene oxide-grafted carbon fibers, and similar materials enhance the pore structure of cement paste and improve the compactness and mechanical properties of concrete. These improvements are achieved through mechanisms such as physical filling, promotion of hydration reactions that generate pore-filling gels, and overall refinement of the pore structure. The microfilling effect provided by these materials offers a significant pathway for optimizing concrete performance.

3.2. Nucleation

Cement hydration is a process where insoluble hydrates crystallize from supersaturated solutions. The energy barrier for heterogeneous nucleation forming critical nuclei on existing surfaces is lower than that for homogeneous nucleation. Nanoparticles possess enormous specific surface areas, providing abundant active sites for such heterogeneous nucleation. This effectively reduces the activation energy for hydrate formation and accelerates early hydration kinetics. Furthermore, the surface chemistry and crystal structure of nanoparticles can epitaxially guide the orientation and morphology of hydrates. For instance, silica-rich surfaces on nano-SiO2 can promote the formation of denser, more highly polymerized C-S-H gels, thereby refining the microstructure and enhancing mechanical properties from the onset of hydration.
Nano-TiO2 contributes to the refinement of acicular AFt crystals and optimization of pore distribution by altering the nucleation density of hydration products. This nucleation regulation not only shortens the initial setting time of cement, but also improves the mechanical properties and durability of concrete by refining the crystal size and improving the structure of interfacial transition zone. Studies have shown that 0.5%~2% nanoparticles can increase the hydration reaction rate by 10%~20%, and the crystallinity and homogeneity of hydration products can be improved significantly. Sypek et al. [55] investigated the influence of surfactant type and calcium sulfate variety on the air-entraining effect in concrete. Their study revealed that different nucleating agents exert distinct impacts on the pore structure of concrete. Among these, anionic surfactants were found to provide the most effective air entrainment. The nucleation mechanism primarily involves a reduction in surface tension and adsorption onto the surfaces of cement particles. These findings help to optimize the air-entraining effect of concrete and improve its durability and performance, as shown below for the effect of cement and admixture type on the TOC and surface tension of the pore solution. Belayachi et al. [56] investigated the effect of thermally induced cracking on building materials with a focus on nucleation. The study involved three materials: siliceous concrete, calcareous concrete, and limestone cracks nucleated around and within the particles in siliceous concrete, while in calcareous concrete, cracks formed mainly in the matrix and around the particles. Limestone did not show significant damage in the initial stage of thermal shock due to its high porosity and calcite matrix. The study points out that nucleation is influenced by the microstructure of the material and emphasizes the importance of choosing an appropriate test protocol. Wu et al. [57] found that nanoparticles play a nucleating role in concrete, providing formation sites for hydration products. This mechanism of action resulted in the refinement of the internal pores of the concrete and the reduction of porosity by about 25–35%, which led to the improvement of strength. By filling the pores, nanoparticles enhance the densification of concrete, which in turn improves its macroscopic properties, as shown in the following Figure 7 for the microscopic particle morphology. Although the “nucleation effect” is widely invoked to explain accelerated hydration, direct evidence for its microscopic processes remains relatively scarce, and its quantitative contribution remains controversial. A core scientific question is: How can we distinguish true heterogeneous nucleation from the direct catalytic effect of the enormous surface area provided by nanoparticles on the hydration reaction? Currently, most conclusions rely on indirect inferences from macroscopic performance testing. Furthermore, nanoparticles with different crystal structures and surface chemistries (e.g., amorphous SiO2 versus crystalline TiO2) may exhibit significant variations in nucleation efficiency and their ability to guide the orientation of hydration products. However, no universal “structure–nucleation efficiency” relationship model has been established, limiting the rational design of nanomaterials. In summary, nanoparticles significantly affect the process of cement hydration reaction and product structure to improve the properties of concrete through their efficient nucleation. Meanwhile, surfactants and calcium sulfate types also have important effects on the air-entraining effect of concrete and the formation of heat-induced cracks. These studies provide new ideas and methods to optimize the durability and performance of concrete.

3.3. Chemical Effects

Beyond physical effects, the surface chemistry of nanoparticles plays a crucial role through pozzolanic reactivity and chemical bonding. Highly reactive nanoparticles, such as nano-SiO2 and nano-Al2O3, consume calcium hydroxide produced during cement hydration in secondary pozzolanic reactions [58]. This reaction not only generates additional strength-enhancing C-S-H gel but also reduces the content and size of fragile crystalline calcium hydroxide phases, particularly in the critical interface transition zone (ITZ), thereby forming a more uniform and denser matrix. Furthermore, nanoparticles with specific surface functional groups can chelate calcium ions and form strong covalent bonds with cement hydration products. This nanoscale chemical integration bridges the interface between nanoparticles and the cement matrix, significantly enhancing interfacial bond strength and facilitating stress transfer, which is critical for improving tensile and flexural properties.
Nano-silica exerts multiscale regulation on cement hydration and interfacial structure through its chemically active mechanism. The silanol groups (Si-OH) on its surface perform multiple functions, including nucleation catalysis, which lowers the nucleation barrier of C-S-H gel, inducing its massive deposition during early hydration. Studies indicate that NS addition reduces CH crystal diffraction peak intensity by over 40% [23], demonstrating its significant influence on the composition of hydration products. Volcanic ash reaction between active SiO2 and CH converts it into high-strength C-S-H gel. This reaction is particularly effective in the interfacial transition zone (ITZ), reducing the Ca(OH)2 orientation index by approximately 30% [20]. It transforms the ITZ microstructure from a porous, CH-rich weak zone into a dense, C-S-H-dominated reinforced zone. Chemical bonding of Si-OH groups on the NS surface forms strong covalent bonds such as Ca-O-Si with calcium ions from cement hydration products. This bridges nanoparticles to the cement matrix, significantly enhancing interfacial bonding strength and facilitating stress transfer. However, while NS accelerates hydration and generates more C-S-H gel, it also intensifies the chemical shrinkage of the paste and the autogenous and drying shrinkage of concrete [23]. As shown in Figure 8a, with increasing NS dosage, the chemical shrinkage of the cement paste significantly increased by 93.7% and 57.5% at 3 days and 28 days, respectively. This intensified shrinkage is primarily attributed to the combined effects of NS’s pozzolanic action, nucleation effect, and accelerated hydration, which collectively enhance the hydration rate and extent. This must be considered when using high NS dosages, typically necessitating the concurrent use of shrinkage reducers or shrinkage-compensating materials. Wang et al. [23] demonstrated that the incorporation of nano-silica exacerbates both the chemical shrinkage of cement paste and the volumetric shrinkage of concrete, particularly during early stages. As the dosage of nano-silica increased, the chemical shrinkage of cement rose by 93.7% at 3 days and 57.5% at 28 days. Meanwhile, the volumetric shrinkage of concrete increased by 82.1%, 66.7%, and 16.7% at 1, 7, and 60 days, respectively (see Figure 8a). This enhanced shrinkage was primarily attributed to the pozzolanic effect, nucleation effect, and hydration-accelerating capacity of nano-silica, which collectively promoted the cement hydration process. Li et al. [48] studied the preparation of functionalized nanoparticles by growing silica (SiO2) on the surface of carbon nanotubes (CNTs) and hydrophobically modifying them, and doping them into epoxy resin to prepare a superhydrophobic photo-thermal coating. The CNTs/SiO2 nanoparticles were hydrolyzed by TEOS to grow a SiO2 shell layer, which was then hydrophobically modified with PDTS, and then composited with the epoxy resin on the concrete surface to forming micro-nanostructures. Such functionalized nanoparticles not only enhanced the superhydrophobicity and photothermal conversion ability of the coating, but also significantly prolonged the ice formation time, which enhanced the stability and durability of concrete under extreme conditions (e.g., Figure 8b). In summary, chemical action has an important influence in the property modulation of cementitious materials. Nanoparticles optimize the interfacial structure and enhance strength and durability through chemically active mechanisms, such as nucleation catalysis, volcanic ash reactions and chemical bonding. However, chemical action may also bring negative effects such as exacerbation of slurry chemical shrinkage and concrete volume shrinkage. This increased shrinkage is mainly related to the volcanic ash effect, nucleation effect and hydration-promoting effect of nanosilica. In particular, the pozzolanic reaction serves as the core mechanism for nano-SiO2 and Al2O3 modification, yet its reaction kinetics and product microstructure require further investigation. The point of contention lies in whether the chemical composition (C/S ratio), degree of polymerization, and interfacial bonding with the original C-S-H gel of the secondary C-S-H gel are entirely consistent with those obtained through traditional pozzolanic materials. How do these microscopic differences ultimately influence macroscopic mechanical and durability properties? Furthermore, while chemical bonding interactions between nanoparticle surface functional groups and cement ions have been proposed, the specific bond types, bond strengths, and their actual contribution to interfacial mechanical properties require quantitative characterization using advanced techniques such as nanoindentation and molecular simulations. In addition, the coupling effect of chemical action and freeze–thaw cycles may lead to more serious concrete damage, but these adverse effects can be effectively mitigated by rational design and use of high-performance materials. These research results provide new perspectives for the development of high-performance concrete and promote the development of building materials science.

3.4. Interface Transition Zone Improvement

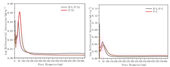
The interface transition zone (ITZ) is a critical region in concrete, typically extending 20–50 μm outward from the aggregate surface. Due to the “wall effect,” it has long been regarded as the weakest link in the microstructure. This effect causes a locally elevated water–cement ratio near the rigid aggregate surface and a gradient variation in the packing density of cement particles. Consequently, compared to the matrix paste, the ITZ exhibits higher porosity, abundant preferentially oriented large crystalline CH phases, and reduced content of dense C-S-H gel. This multiphase, porous microstructure serves as the primary pathway for corrosive media intrusion and as a stress concentration zone, ultimately determining the concrete’s overall mechanical strength and durability [41]. Zhou et al. [59] showed that the fine-fiber-like AFt formed by G-CSA cement at the ITZ not only reduced the ITZ thickness by 35% and porosity by 20.7%, but also increased the interfacial bond strength by 25%, resulting in a significant increase in the overall strength of the concrete. This interfacial optimization mechanism provides an important microstructural basis for the application of G-CSA cement concrete in the field of low-carbon high-performance building materials. Qidong et al. [41] reported that the addition of graphene oxide (GO) to recycled aggregate concrete (RAC) improved its interfacial transition zone. The addition of GO reduced the total porosity and the number of deleterious pores in the RAC samples by 8.1–35.7% and 3–39.1%, respectively. Meanwhile, the addition of GO significantly reduced the pore phase and unhydrated phase content in the matrix and increased the volume fraction of C-S-H phase, especially the high-density C-S-H phase. The enhancement of the strength of RAC by GO was attributed to its nucleation and microaggregate-filling effects, which improved the pore structure and interfacial transition zone of RAC. Su et al. [60] significantly improved the microstructure of the interfacial transition zone (ITZ) by replacing part of ordinary Portland cement with red mud (RM) and yellow phosphorus slag (YPS) in concrete. The Figure 9 illustrates the pore size distribution within the interfacial transition zone (ITZ) of the concrete. Experimental results indicated that replacing 10% of cement with red mud (RM) and 18% with yellow phosphorus slag (YPS) significantly enhanced the compressive strength of the concrete. This improvement was accompanied by a reduction in the average pore size and crystal size within the ITZ, resulting in a tighter interlocking between the aggregate and the cement matrix. This was due to the reaction of the highly reactive silica in YPS with Ca (OH)2 generated by cement hydration to form a CSH gel, which enhanced the properties of the interfacial transition zone. In summary, the incorporation of various materials, such as nanoparticles, G-CSA cement, graphene oxide (GO), and industrial waste residue, can all enhance the interfacial bond strength and improve the overall strength and durability of concrete by improving the pore structure and hydration products in the interfacial transition zone of concrete. These studies offer a vital microstructure optimization strategy for developing high-performance, low-carbon, and environmentally friendly building materials. This approach not only fosters innovation and advancement in green building materials but also holds significant implications for promoting sustainable development within the construction industry and supporting the goal of carbon neutrality.

3.5. Synergistic Tradeoff Relationships Among Mechanisms and Engineering Application Constraints

Single-mechanism analysis has clarified the modification pathways of nanoparticles. However, in actual concrete systems, these mechanisms often exhibit synergistic or competitive relationships, directly affecting the stability of modification effects. Specific analysis is described in the following.
Regarding synergistic effects, the micro-filling effect of NS (reducing pores larger than 50 nm) synergizes with its pozzolanic reaction (consuming Ca (OH)2 to form dense calcium silicate hydrate (C-S-H) gel). Together, these processes reduce the porosity of the concrete interface transition zone (ITZ) by 20.7% (Zhou et al. [59]). This also explains why NS outperforms inert nanomaterials such as nano-calcium carbonate in enhancing durability. Regarding trade-offs, while NS accelerates cement hydration through nucleation, Wang et al. [23] demonstrated that at 3 days, NS increases chemical shrinkage of cement paste by 93.7%, and at 1 day, it elevates concrete volume shrinkage by 82.1%. This trade-off between strength enhancement and shrinkage risk provides critical guidance for practical applications (e.g., high-NS-content concrete requires admixture with shrinkage reducers). In terms of mechanism specificity, CNTs primarily enhance concrete’s mechanical properties through fiber bridging (inhibiting crack propagation [30]), while nano-clays exert their effects via the layered “bridge-locking” effect and heterogeneous nucleation. This difference in mechanisms determines that CNTs are more suitable for scenarios subjected to dynamic loads (such as bridge engineering), whereas nano-clays are better suited for static, erosion-prone environments.

3.6. Mechanism of Interaction with Chemical Admixtures

The interaction between nanoparticles and chemical admixtures in concrete—particularly, high-efficiency water-reducing agents and air-entraining agents—is a key factor influencing their engineering applicability. This interaction manifests primarily in three aspects: physical adsorption, chemical compatibility, and nucleation effects.
Regarding interaction with high-performance water-reducing agents, nanoparticles possess extremely high specific surface areas, competitively adsorbing molecules of high-performance water-reducing agents such as polycarboxylate ethers (PCE). This reduces their effective adsorption on cement particle surfaces, leading to diminished dispersion effects and increased slurry viscosity. To maintain target workability, it is often necessary to increase the admixture dosage (typically by an additional 0.1–0.3%) or employ pre-dispersed nanoparticle slurries to mitigate adsorption effects [61]. With regard to their interaction with air-entraining agents, nanoparticles can serve as nucleation templates in the gas phase, promoting the formation of microbubbles (<200 µm) and optimizing the bubble spacing coefficient, which enhances freeze resistance. However, they may also partially adsorb air-entraining agent molecules, potentially reducing the air content in the system. Therefore, in practical applications, the dosage of air-entraining agents should be appropriately increased (approximately 5–15%), and the optimal ratio should be determined through testing [62]. In terms of their effects on setting behavior, nanoparticles with high pozzolanic or photocatalytic activity (e.g., NS, NT) accelerate early hydration, resulting in shorter setting times. This can be regulated by blending with retarders (e.g., citrates, gluconates) to ensure sufficient working time [63]. Therefore, when applying nano-modified concrete in practice, the admixture system must be systematically re-optimized through testing to achieve a balance between workability, air content, setting time, and mechanical properties.

4. Modification Effect of Nanoparticles on Concrete Properties

With the rapid development of nanotechnology, the application of nanoparticles in the field of concrete modification has received widespread attention. Nanoparticles can significantly affect the structure and properties of concrete at the microscopic scale due to their unique physical and chemical properties, such as high specific surface area and high reactivity. In recent years, many studies have shown that nanoparticles can effectively enhance the mechanical properties, durability, and workability of concrete, as well as optimize the microstructure of the interfacial transition zone, thus significantly improving the overall performance of concrete.

4.1. Mechanical Properties

Nanoparticles significantly enhance the mechanical properties of concrete through two primary mechanisms. First, nanoparticles such as nano-SiO2 and nano-CaCO3 act as nucleation sites that promote cement hydration. This process increases the formation of C-S-H gel, which fills pore space and densifies the matrix, thereby improving compressive strength. Second, nanoparticles contribute to a more uniform distribution of internal stress within the concrete. On the other hand, nanoparticles improve the internal stress distribution of concrete and participate in the chemical reaction to generate high-strength substances, thus increasing the flexural strength and modulus of elasticity. For example, carbon nanotubes and carbon fiber nanofillers make concrete compressive and flexural strengths and modulus of elasticity increase respectively. Yuan et al. [42] found that the compressive strength of concrete with graphene oxide (GO) was better than that of ordinary concrete, steel-fiber-only concrete, and mixed concrete, and reached the maximum value when the content of GO was 0.03%. The nucleation effect of GO enhances the degree of cement hydration, which in turn improves the strength of concrete. At the same time, GO can also improve the internal stress distribution of concrete, reduce crack generation and extension, and chemical reaction with cement hydration products to generate high-strength substances, thus improving the flexural strength and modulus of elasticity. Lei et al. [64] investigated the influence of temperature on the mechanical properties of modified polyurethane concrete. They found that as temperature increased, the modulus of elasticity, cubic compressive strength, split tensile strength, and axial compressive strength all decreased. In contrast, both the peak strain and ultimate strain increased significantly. In particular, the mechanical properties of nano-concrete are significantly affected by temperature, with high temperatures weakening its strength and stiffness while enhancing its deformation capacity. This conclusion provides important guidance for the application and design of nano-concrete in practical engineering. Gao et al. [65] explored the effect of nanoparticles on the mechanical properties of recycled aggregate concrete (RAC), focusing on the application of nano-silica (NS), nano-calcium carbonate (NC), and multi-walled carbon nanotubes (MWCNTs). It was found that nanoparticles significantly enhance the compressive and splitting tensile strength of RAC, with MWCNTs exhibiting the greatest strength enhancement effect at the lowest mixing level. It was also shown that the use of two-stage mixing method (TSMA) and ultrasonic treatment could effectively enhance the dispersion of nanoparticles in concrete, which in turn improved the mechanical properties of RAC. These results provide an important basis for the application of nano-modified RAC in structural engineering. In summary, nanoparticles significantly enhance the mechanical properties of concrete through a variety of mechanisms, including the enhancement of compressive strength, the improvement of stress distribution, and the increase of flexural strength and modulus of elasticity. These research results provide an important theoretical basis and technical support for the application and design of nano-concrete in actual projects, promoting its wide application in the construction industry.

4.2. Durability

Nanoparticles significantly enhance the durability of concrete through multiple mechanisms. They fill capillary pores and refine the pore structure, leading to the formation of a dense C-S-H gel network and reducing porosity in the interfacial transition zone. The resulting decrease in interconnected pores improves impermeability. Furthermore, the reduction in porosity limits water absorption and decreases freezing expansion stress, thereby enhancing frost resistance [66]. Additionally, nanoparticles react with cement hydration products to form chemically stable compounds, which strengthens the concrete’s resistance to chemical attack.
Yang et al. [39] investigated in depth the effect of nano-CaCO3 on the durability of concrete in saline soil environment by simulating the sulfate erosion of half-buried concrete structures, and found that the durability of concrete was optimal at 1% nano-CaCO3 admixture. Nano-CaCO3 enhanced the resistance of concrete to sulfate erosion by reducing porosity, optimizing pore size distribution and participating in chemical reactions to generate strength substances. The study also established a bivariate Wiener process model to effectively describe the performance degradation process of nano-CaCO3-modified concrete and performed reliability analysis, which provides theoretical support for practical engineering applications. Chen et al. [67] investigated the enhancement of the durability of all-bamboo aggregate concrete (BAC) by an ACQ-polyacrylate (AP) modification method, which significantly reduced the water absorption and dry shrinkage of BAC, and enhanced its resistance to sulfate attack. It was found that the AP-modified BAC maintained 92.7% of its strength after 3925 days under natural conditions, showing good long-term stability. AP modification effectively solved the durability problem of bamboo aggregate concrete by forming a hydrophobic esterification layer, closing the micropores of bamboo aggregate and enhancing the interfacial bond with cement. In Figure 10a, below, the change of compressive strength of bamboo aggregate cylinder after alkali immersion is shown. Wang et al. [68] investigated the influence of carbon nanofiber (CNF) content on the durability of concrete through a series of tests, including shrinkage, freeze-thaw cycling, penetration, and carbonation. They complemented these experiments with SEM and MIP analyses to elucidate the microstructural modification mechanisms. The effect of CNF content on concrete shrinkage is illustrated in Figure 10b. When the volume fraction of CNF was 0.3%, the concrete showed the minimum shrinkage, mass loss, compressive strength loss, penetration height, relative permeability coefficient and carbonation depth, demonstrating the best durability. At this time, CNF significantly improved the microstructure of concrete through fiber bridging and pore filling effects, enhancing its compactness and integrity, thus effectively enhancing the shrinkage, frost, permeability and carbonation resistance of concrete. This study provides an important basis for optimizing the CNF admixture to enhance the durability of concrete. Nanoparticles significantly improve the durability of concrete through several mechanisms. They can fill the capillary pores, refine the pore structure, generate a dense C-S-H network, reduce the porosity in the interfacial transition zone, and reduce the connected pores, thus enhancing the permeability of concrete. Meanwhile, nanoparticles enhance the freeze–thaw resistance of concrete by reducing porosity and decreasing water adsorption and freezing expansion stress. In addition, they react with cement hydration products to generate highly chemically stable substances, enhancing the chemical erosion resistance of concrete.

4.3. Functional Characteristics

Nanoparticles bring special properties such as self-perception, electromagnetic shielding and fire protection to concrete, greatly expanding its application potential. In terms of self-sensing capabilities, nanomaterials such as carbon nanotubes (CNTs) and graphene oxide (GO) enable structural health monitoring due to their ability to exhibit resistance changes in response to micro-damage within concrete. Graphene oxide (GO), with its two-dimensional layered structure and abundant oxygen-containing functional groups, can form an efficient conductive network within the cement matrix. Research indicates that the GO dosage exerts a decisive influence on the conductivity and self-sensing sensitivity of concrete. Typically, GO can significantly reduce concrete resistivity (by 60–80%) and achieve remarkable strain sensing capability (strain sensitivity coefficient reaching 50–100) within a dosage range of 0.02–0.1 wt% (by mass of cementitious materials) [69,70]. However, its conductive performance is easily affected by water-cement ratio, curing conditions, and dispersion uniformity. A high water–cement ratio increases porosity, hindering the formation of conductive pathways; uneven dispersion leads to GO agglomeration, introducing insulating points instead. Therefore, in practical applications, optimizing dispersion processes (such as ultrasonic treatment and using high-efficiency water-reducing agents) and controlling the water–cement ratio (recommended ≤0.4) are necessary to ensure the integrity of the GO conductive network [71]. Furthermore, higher GO content does not necessarily yield better results. When exceeding 0.1 wt%, increased agglomeration may lead to diminished electrical conductivity and compromised mechanical properties [72]. The enhancement in electromagnetic shielding performance is primarily attributed to the high electrical conductivity of nanoparticles and their ability to absorb and reflect electromagnetic waves. For instance, when carbon-based nanomaterials are dispersed within the concrete matrix, they form a continuous conductive network. This structure significantly improves the electromagnetic shielding properties of the material. Nanoparticles enhance the fire resistance of concrete through two main mechanisms. First, they reduce the thermal conductivity of the material, thereby slowing heat transfer. Second, at elevated temperatures, nanoparticles promote the formation of a surface char layer that acts as an insulating barrier. These combined effects significantly improve the fire performance of concrete. Regarding hydrophobicity, SFE is generally adopted as the core evaluation parameter. For functionalized surfaces such as superhydrophobic coatings, performance assessment should include not only static water contact angle measurements but also quantitative analysis of surface free energy (SFE). Lower SFE values typically indicate a more inert and hydrophobic surface. By measuring the contact angles of the coating with various liquids of different polarities and employing methods such as Owens–Wendt and van Oss for calculation, the polar and dispersive components of SFE can be precisely determined. This enables a deeper thermodynamic understanding and targeted design of surface hydrophobic properties [48]. These characteristics not only significantly improve the comprehensive performance of concrete but also support its broad application prospects in the fields of intelligent buildings, electromagnetic protection, and fire safety. Qiu et al. [73] examined the effects of stainless steel fibers (SFs) and copper-coated steel fibers (CCSFs) on the mechanical properties and self-perception of ultra-high performance concrete (UHPC), as shown in Figure 11. The results showed that the addition of 1.2% volume ratio of CCSFs enhanced the peak strain of UHPC by 33.7%, and the strain sensitivity of the two fiber-reinforced UHPC in the elastic range met the requirements for structural health monitoring, up to 28.2 Their study also revealed the synchronous response characteristics of resistivity change and stress-strain in UHPC, providing theoretical support for the application of UHPC in structural health monitoring. Cho et al. [74] investigated the electromagnetic shielding properties of environmentally friendly foam concrete, which was manufactured by adding industrial by-products such as slag and gypsum with lightweight, heat-insulating, and sound-insulating properties. It was found that foam concrete with low foam content and high slag content had a better shielding effect on electromagnetic signals in the frequency band of 1–8 GHz and could block about 90% of electromagnetic signals above 4 GHz. The effects of foam content and slag content on the electromagnetic shielding performance were analyzed through simulation and actual measurements, which provided data support for the analysis of indoor spatial communication performance and the study of electromagnetic wave effects. Li et al. [75] investigated the fire resistance of concrete-encased steel (CES) composite columns made of high-strength concrete (C120) and high-strength steel (S500/S690). The fire resistance time, axial displacement–time curve, etc. were analyzed by the concentrated loading of eight foot-size CES columns and ISO 834 fire heating until destruction tests. The results show that the addition of polypropylene fibers can effectively reduce the explosive concrete spalling of high-strength CES columns and make their fire resistance time comparable to that of normal-strength CES columns. Table 2 presents a comparative analysis of the effects, mechanisms, and challenges associated with different nanoparticles in concrete modification. It can be seen that the incorporation of nanoparticles imparts concrete with enhanced functionalities, including self-sensing capability, electromagnetic shielding, and improved fire resistance. These advancements significantly broaden the range of concrete applications. The present study offers both a theoretical foundation and technical support for the use of concrete in intelligent structures, electromagnetic protection, and fire safety engineering.

5. Current Status of Nanoparticles in Concrete Applications

5.1. Construction Engineering

The application of nanoparticles in the field of construction engineering is becoming more and more widespread, providing strong support for improving the quality of construction engineering, extending the service life of buildings and realizing the special functions of buildings. The incorporation of nanoparticles, such as nano-silica and nano-calcium carbonate, enhances key properties of concrete including compressive strength, flexural strength, and durability. These improvements contribute significantly to the safety and stability of building structures. In addition, nanomaterials can be used to prepare high-performance architectural coatings that are self-cleaning, waterproof, anti-bacterial, heat-insulating, etc. These coatings can significantly reduce the maintenance costs of buildings while enhancing the aesthetics and comfort of buildings. Li et al. [76] experimentally explored the synergistic effect of nanoparticles and air-entraining agents in concrete, and found that nano-silica and nano-alumina significantly enhanced the freeze-thaw resistance of concrete, allowing the samples to withstand more than 300 freeze–thaw cycles with low loss of mass and strength. The addition of nanoparticles enhances the mechanical properties of concrete, including its compressive and flexural strength. This improvement offers an innovative and sustainable material option for construction projects in cold regions, thereby contributing to the broader application and development of concrete in construction engineering. Alharthai [43] et al. investigated the application of nano zinc oxide (N-ZnO) in lightweight foam concrete (LWFC). Experimentally, it was found that addition of N-ZnO increased the strength and improved the durability and pore structure of LWFC. The moderate addition of N-ZnO (0.6%) can significantly increase the compressive strength, flexural strength, and splitting tensile strength of LWFC, reduce drying shrinkage, optimize the pore distribution, and improve the microstructure. The splitting tensile strength, compressive strength, and flexural strength of the mixture are shown in the Figure 12. Overall, N-ZnO is a promising modifier for LWFC, which can enhance its engineering performance and is suitable for a variety of construction projects. Kotop et al. [51] investigated the effect of nano-clay and carbon nanotubes on the properties of geopolymer concrete. Incorporation of 2.5% nano-clay and 0.01% carbon nanotubes resulted in the highest compressive strength of concrete. The reinforcing effect of the nanomaterials significantly improved the mechanical properties and durability of the concrete, including compressive strength, flexural strength, chloride ion penetration resistance, and water infiltration resistance. It was also shown that the high volcanic ash effect of nano-clay and the bridging effect of carbon nanotubes together improved the performance of geopolymer concrete. In summary, the application of nanoparticles in the field of construction engineering is promising, which not only significantly improves the performance of building materials such as concrete and lightweight foam concrete, but also brings innovative solutions to the construction industry. By enhancing the mechanical properties, durability, and functionality of construction materials, nanoparticles contribute to reduced maintenance costs and improved structural safety and stability. This expansion in material performance also broadens the application scope of concrete in cold and other challenging environments, thereby promoting progress and development in construction technology.
Li et al. [76] confirmed that the combined use of NS and air-entraining agents enhances concrete’s freeze–thaw resistance (capable of withstanding ≥ 300 freeze-thaw cycles), making it suitable for cold regions. However, most studies (e.g., [18,21]) have focused solely on performance under standard curing conditions. Long-term performance data for concrete in the coupled environment of freeze–thaw cycles and chloride salt erosion, such as is common in cold coastal areas, remains relatively scarce. However, it is worth noting that a significant gap remains in bridging the transition of nano-concrete from laboratory research to mainstream construction practice. The primary obstacle is the ambiguity surrounding cost-effectiveness; there is currently a lack of compelling economic analysis demonstrating whether the lifecycle benefits (such as reduced maintenance and extended service life) resulting from performance enhancements enabled by nanomaterials sufficiently offset their high initial material and process costs. Second, on-site quality control presents significant challenges. Precisely controlled dispersion processes, dosage ratios, and mixing protocols achieved in laboratories are difficult to replicate under the variable conditions and rudimentary management practices common at construction sites, leading to substantial performance variability. There is also an extreme shortage of long-term performance databases based on actual engineering projects to support reliable design specifications.

5.2. Infrastructure

Nanoparticles bring significant performance enhancements and innovative solutions to modern infrastructure construction. In road construction, nano-modified asphalt concrete has been widely applied in key scenarios such as high-grade highway pavements and bridge decks. By adding nanoparticles such as nano-clay and nano-silica to asphalt, the high-temperature stability, low-temperature crack resistance, and water stability of asphalt concrete can be effectively improved, thus extending the service life of the road and reducing the number and cost of repairs. In bridge engineering, the addition of nanoparticles can enhance the strength and crack resistance of concrete, improve the bearing capacity and durability of the bridge structure, and ensure the safety and reliability of the bridge in the long-term use process. For the construction of dams in water conservancy projects, nano waterproof concrete can provide excellent waterproof performance, effectively preventing water infiltration and ensuring the structural stability and safety of dams. In addition, the development and application of nano-sensor concrete provides the possibility of intelligent monitoring of infrastructure. The incorporation of sensing-functional nanomaterials into concrete enables real-time monitoring of structural health conditions, including parameters such as stress, strain, temperature, and humidity. This capability allows for the timely detection of potential safety hazards and provides a scientific basis for infrastructure maintenance and management. Consequently, it enhances the overall performance and operational efficiency of infrastructure systems, meeting modern societal demands for high performance, longevity, and intelligent infrastructure. Pramanik et al. [46] reported that MIL-101(Cr) nanoparticles in concrete infrastructure show great potential to prevent microbial-induced corrosion (MIC) by compounding with epoxy resin. Experimental results indicated that a 1% dosage of MIL-101(Cr) nanoparticles optimized the coating performance. During 65-day sulfuric acid erosion tests, this formulation reduced weight loss to 5.2%, significantly enhancing the durability of the concrete. Additionally, it improved coating adhesion by 48.5%, demonstrating exceptional corrosion resistance. DFT theoretical calculations further validated the outstanding corrosion protection performance, revealing that the electronic properties of MIL-101(Cr) nanoparticles enhance the coating’s resistance to corrosion. These findings indicate that MIL-101(Cr) nanoparticles offer a sustainable solution for extending the service life of concrete wastewater systems. Mendoza et al. [37] found that TiO2 and WO3/TiO2 nanoparticles coated on natural zeolite and permeable concrete blocks could efficiently remove nitrogen oxides (NOx) from air through photocatalysis. Among them, the TiO2-based materials exhibited about 60% NOx removal efficiency under UV irradiation, while the WO3/TiO2 composites were more efficient under UV–visible light conditions. Despite the reduced activity of the permeable concrete blocks under visible light, their environmental adaptability and long-term stability can still be significantly enhanced by optimizing the coating process and photocatalyst loading. The application of such photocatalytic nanoparticles provides new ideas for the sustainable development of urban infrastructure.
Mendoza et al. [37] demonstrated that titanium dioxide (TiO2)-coated permeable concrete achieved a 60% removal rate of nitrogen oxides (NOx) under ultraviolet light, but efficiency decreased by 30% under visible light, limiting its application in high-latitude regions with low UV exposure and highlighting the need to develop visible-light-responsive photocatalysts (such as WO3/TiO2 composites). In the infrastructure sector, the large-scale application of nanomodified concrete remains exceptionally rare. Beyond cost considerations, the absence of technical standards presents the primary bottleneck. Existing concrete material and structural design codes do not address nanomaterials, leaving designers and contractors without guidelines and hesitant to experiment. Research on the long-term performance evolution of nanomodified concrete under dynamic and fatigue loading remains virtually nonexistent—yet this data is critical for designing infrastructure like bridges and roads. Furthermore, large-scale projects demand exceptional stability in material supply and batch consistency, requirements the current nanomaterial industry struggles to meet.

5.3. Special Engineering

In some special engineering fields, the application of nanoparticles shows unique advantages and great potential. For example, in military engineering, nano stealth composite cement utilizes materials such as nano-metal powder with the function of absorbing electromagnetic waves, so that military buildings can effectively avoid detection by radar, infrared light, etc., enhancing the concealment and safety of military facilities. In marine engineering, due to the complexity and harshness of the marine environment, corrosion resistance and anti-biofouling performance of engineering materials are highly required. Nanoparticle-modified concrete and coating materials exhibit significantly enhanced durability and antifouling performance in marine environments. For instance, the photocatalytic effect of nano-titanium dioxide inhibits the attachment of marine organisms on structural surfaces. This reduction in biofouling mitigates its adverse effects on engineering facilities, thereby supporting the long-term stability and operational reliability of marine structures. In aerospace engineering, the performance requirements of materials are extremely demanding, and the application of nanoparticles helps to create lighter, high-strength, highly heat-resistant, and highly fatigue-resistant composite materials to meet the needs of aerospace components in terms of weight reduction, improved performance, and reliability, and to promote the development of aerospace engineering. These application cases in the field of special engineering fully demonstrate the important value of nanoparticles in dealing with extreme environments and special requirements, and with the continuous progress of nanotechnology, its application in special engineering will continue to expand and deepen. Hossain et al. [77] significantly improved the durability and bursting resistance of concrete roadway surfaces in aeronautical engineering by adding hybrid fibers formed of polyvinyl alcohol fibers (PFs) and steel fibers (SFs) to concrete, as shown in Figure 13b. Those experiments showed that the loss of compressive strength of the hybrid fiber concrete was reduced under repeated high temperatures and aerospace oil erosion, with the highest compressive strength retention of the 0.7% hybrid fiber concrete. Meanwhile, its flexural tensile strength and thermal conductivity were enhanced by 47% and 22%, respectively, which effectively suppressed bursting. This hybrid fiber concrete provides excellent resistance to high temperatures and chemical attack for airway surfaces, significantly reducing maintenance costs. Yu et al. [78] confirmed that nanocomposite concrete (CN) can reduce the chloride ion diffusion coefficient of marine engineering concrete by 17.6%, as shown in Figure 13a. However, no studies have yet evaluated CN’s performance under the coupled environment of “chloride ion corrosion–biofouling,” which is critical for the long-term durability of marine structures and represents a significant gap in the current research. In extreme environments such as marine and military engineering, the application of nanomodified concrete faces a core bottleneck in transitioning from laboratory to practical implementation: a severe lack of long-term performance data under extreme multi-factor coupled environments. Recent research has been predominantly focused on single-factor analysis, lacking systematic understanding of the long-term impact patterns of multi-factor dynamic coupling effects such as “chloride corrosion-wet/dry cycling–stress–biofouling” in marine environments. The functional durability of nanomaterials, such as their photocatalytic activity and self-sensing stability, along with the absolute reliability and batch consistency demanded by high-standard engineering applications, remain critical challenges that current technologies struggle to guarantee. Addressing the challenge of predicting and validating performance transitions from “ideal environments” to “harsh realities” is a prerequisite for realizing their specialized engineering applications [79]. These application cases in special engineering fields fully demonstrate the important value of nanoparticles in dealing with extreme environments and special requirements. With the continuous progress of nanotechnology, its application in special engineering will continue to expand and deepen, promoting related engineering fields to realize the development goals of higher performance, longer life, and more reliable safety.

6. Challenges Faced and Research Prospects

6.1. Technical Challenges

Nanoparticles such as titanium dioxide nanoparticles and silicon dioxide nanoparticles can significantly improve the strength, durability, and resistance of concrete due to their unique physical and chemical properties. However, the application of nanoparticles in concrete is not without challenges. The issue of dispersion of nanoparticles is a key factor, and poor dispersion may lead to the formation of particle aggregates, which can reduce the workability and strength of concrete. In addition, the compatibility of nanoparticles with other components of concrete and their long-term stability are also important factors affecting their effectiveness in practical applications. These issues may trigger negative effects and weaken the expected performance enhancement of concrete. Therefore, an in-depth understanding of the dispersion mechanism of nanoparticles in concrete and their interactions with other components is essential for optimizing concrete properties. Qian et al. [80] found that the natural compound tannic acid (TA) can be used as a cleaning and dispersing agent for nanoparticles to form a stable coating by interacting with the surface of nanoparticles, which effectively prevents agglomeration, improves dispersion, and enhances concrete performance. However, the amount of TA needs to be optimized, as too much may lead to a reduction in early strength, and its dispersing effect needs to be balanced with cost. In addition, although nanoparticles can significantly enhance the durability of construction materials, they still face many challenges in practical applications. On the one hand, it is difficult to control the dispersion uniformity of nanoparticles in the matrix, and agglomeration occurs from time to time, which reduces the enhancement effect of nanoparticles on the material properties. On the other hand, the complex interfacial interactions between nanoparticles and matrix materials may lead to interfacial defects, which in turn weaken the durability of the materials. In addition, the long-term stability of nanoparticles is also problematic, and their properties may gradually deteriorate in complex service environments, affecting the service life of the materials [81]. Secondly, the compatibility of nanoparticles in remediation applications involves some critical issues. First, the material’s own properties such as particle size distribution, surface activity, and dispersibility may affect its compatibility with other materials, leading to agglomeration phenomena and interfacial defects. Secondly, there may be deficiencies in the interfacial bond strength between nanoparticles and the concrete substrate, which can reduce the bond between the repair layer and the original concrete, especially on wet or rough substrates. The incorporation of nanoparticles may alter the shrinkage and expansion characteristics of the repair material, which increases the risk of volume change mismatch with the original concrete, which in turn affects the structural integrity and durability [44]. The application of nano-TiO2 faces multiple challenges: dispersion and agglomeration (high specific surface area readily leads to agglomeration, affecting performance); cost and production (high-purity nanomaterials are costly to synthesize); health and safety (nanopowder dust poses inhalation exposure risks, requiring strict protective measures) [45,82]; and long-term durability (photocatalytic activity may decline over time).
In summary, nanoparticles show great potential for application in concrete, but the challenges of their dispersion, compatibility, and long-term stability should not be ignored. In-depth study of their dispersion mechanism and interaction with other components to optimize the application effect is the key to the current research. Meanwhile, in repair applications, attention needs to be paid to the matching of interfacial bond strength and volume change with the base material to ensure the integrity and durability of the structure. In the future, through the continuous progress of materials science and engineering, it is expected that these difficulties can be overcome, so that nanoparticles’ effectiveness can be given full play in the field of concrete.

6.2. Economic Costs

Nanoparticles have demonstrated significant advantages in concrete performance modification; however, their high cost has been a key constraint for large-scale applications. Currently, nanoparticles are expensive to produce, which directly contributes to the rising cost of concrete products, thus limiting their wide application in large infrastructure projects and large-scale construction. From a cost-effectiveness perspective, although nanoparticles can improve the properties of concrete such as strength, durability, and impermeability, further economic analysis and technical evaluation are needed to determine whether these performance enhancements can fully offset their high costs [83]. In addition, the long-term benefits and maintenance costs of nanoparticles in practical applications also need to be taken into account.
In order to reduce the production cost of nanoparticles, several avenues are worth exploring. First, the development of more efficient production processes and technological innovations can reduce energy consumption and raw material wastage, thereby lowering production costs [84]. Second, expanding the scale of production to achieve economies of scale can also help to spread the fixed costs and reduce the unit price [50]. In addition, developing new low-cost nanomaterials or finding more economical sources of raw materials are also potential solutions. For example, utilizing industrial by-products or renewable resources to prepare nanoparticles may effectively reduce their production costs. Meanwhile, supportive policies from the government and industrial organizations, such as R&D funding and tax incentives, can also alleviate the cost pressure to a certain extent and promote the application of nanoparticles in concrete.
In summary, the application of nanoparticles in concrete has broad prospects, but to realize its large-scale commercial application, it is necessary to make a breakthrough in cost reduction. Through continuous technological innovation, policy support, and the optimization and integration of the industrial chain, it is expected that the cost problem can gradually be solved, so that nanoparticles and their performance advantages can be given full play in the concrete industry.

6.3. Environmental and Health Risks

Nanomaterials have demonstrated significant advantages in improving the early strength, densification, corrosion resistance, and self-healing ability of concrete, and their potential environmental and health risks throughout their lifecycle have gradually attracted the attention of researchers [85]. Nanoparticles, due to their extremely small size, high activity, and easy migration, may pose a potential threat to the environment and human health during production, transportation, construction, use, and disposal [86]. The preparation process of commonly used nanomaterials such as nanosilica, nanotitanium dioxide, carbon nanotubes, and nano-alumina is often accompanied by high energy consumption, high emissions, and potentially toxic by-products during production [45]. During the preparation process, certain nanoparticles may be released and enter the natural environment via air or water pathways. These particles can accumulate in surrounding ecosystems, particularly under high-exposure conditions. Such accumulation has the potential to disrupt metabolic processes in aquatic organisms or induce toxic responses in plant root systems. In addition, the very small particle size of nanoparticles allows them to penetrate general industrial dust removal systems and enter the atmosphere causing fine particle pollution (PM 2.5) [87], which in turn adversely affects regional ambient air quality.
During the preparation and construction stages of concrete, nanoparticles are usually added to cementitious materials in the form of dry powder or slurry, which are prone to form nanodust suspended in the air during mixing, pumping, vibration, and surface treatment, increasing the risk of respiratory exposure for construction workers [82]. Studies have shown that certain nanomaterials possess strong cell-penetrating abilities. These materials can induce oxidative stress, cause DNA damage, and trigger inflammatory responses in the human body. Long-term inhalation of such nanoparticles may lead to chronic impairment of the lungs, liver, and nervous system [88]. Especially, one-dimensional structural materials such as carbon nanotubes, which are morphologically similar to asbestos fibers, need to be paid more attention to their potential carcinogenic risk.
To address the aforementioned issues, it is essential to establish an environmental risk assessment and monitoring system that encompasses the entire lifecycle of nanomaterials—from production to disposal. The long-term impacts of these materials should be systematically evaluated through approaches such as material toxicology, ecological modeling, and lifecycle assessment (LCA). At the same time, occupational protection management for construction workers should be strengthened, such as equipping construction sites with high-efficiency filtration and ventilation equipment, establishing strict dust control specifications, using masks (e.g., N95 or above) with nanoscale filtration capability and protective clothing, and conducting regular occupational health checks. Although direct exposure to nanoparticles is unlikely for concrete users and occupants, the release behavior of these particles during the long-term service of the material requires careful monitoring. Particular attention should be given to their stability and mobility under extreme conditions such as high temperature, acid rain, or mechanical abrasion to ensure the sustainability and safety of construction applications.
Therefore, the widespread application of nanoparticles in concrete should advance in parallel with scientific understanding of their environmental and health impacts. This requires promoting green synthesis technologies, developing low-toxicity alternatives, and enhancing regulatory guidance and public awareness. Such integrated efforts are essential to achieve the safe and sustainable development of nanotechnology in the construction materials sector.

6.4. Directions for Future Research

The introduction of nanotechnology not only brings new means of microstructure optimization for traditional cement-based materials but also promotes deep cooperation among multiple disciplines such as materials science, structural mechanics, physical chemistry, environmental engineering and even artificial intelligence. Through a multi-scale and multi-dimensional research approach, researchers are able to systematically analyze the mechanism of nanoparticles in cement hydration, pore structure regulation, crack inhibition and interfacial enhancement from the atomic, molecular to the overall structure of the material at the hierarchical level [89]. For example, interdisciplinary studies between mechanics and materials science have shown that nanoparticles significantly enhance the overall strength and deformation properties of concrete by densifying the interfacial transition zone (ITZ). Meanwhile, research integrating chemistry and nanotechnology has elucidated the role of nanoparticles in controlling the kinetics of pozzolanic reactions and crystal growth [49]. These research results not only deepen the understanding of the nature of the evolution process of concrete properties but also provide a theoretical basis for material design.
On this basis, the development of new nanocomposites has become an important direction for the development of functionalization and high performance of concrete. In recent years, researchers have achieved synergistic improvements in the strength, toughness, and electrical conductivity of concrete through the design of multifunctional nanocomposite systems. For example, the combined use of nano-silica and carbon nanotubes has been shown to enhance performance synergistically [40]. Similarly, the integration of nano-Fe3O4 and photocatalytic nano-TiO2 has led to the development of “multifunctional” green concrete with self-cleaning, antifouling, and antimicrobial properties. Furthermore, advanced techniques such as surface modification, hierarchical structure control, and self-assembly are employed to enhance the dispersibility, interfacial activity, and environmental responsiveness of nanoparticles. These improvements enable more precise regulation of hydration behavior and mechanical transfer pathways within the concrete system [90].
At the same time, research on concrete performance modification based on the concept of intelligent bionics is also leading the evolution of nanoconcrete from “passive enhancement” to “active response”. Inspired by the synergistic mechanisms of multiscale hierarchical structures such as those found in shells, bones, and plant stems and leaves, researchers have sought to incorporate structurally programmable or self-adaptive nanoparticles into concrete. This approach aims to achieve self-sensing, self-healing, and self-regulating functionalities within the material [47]. For instance, the incorporation of nanocapsules or hollow nanotubes enables the release of repair agents upon crack formation, thereby achieving a “self-healing” capability in the material. Similarly, the addition of piezoelectric nanomaterials or conductive fillers can endow concrete with the ability to sense strain and changes in electrical resistivity, facilitating structural health monitoring.
In summary, the modification of concrete using nanoparticles represents a systematic engineering endeavor that integrates multidisciplinary theories and engineering practices. To address current challenges and advance its transition from laboratory to large-scale application, future research should focus on the following actionable solutions: (1) Quantify nano-interface interaction mechanisms. Develop research approaches integrating molecular dynamics (MD) simulations with advanced characterization techniques (e.g., nanoindentation, AFM-IR) to quantitatively analyze bonding strength and energy between nanomaterials (e.g., CNTs) and cement hydration products (e.g., C-S-H gel). This will provide precise theoretical foundations and design guidelines for developing high-performance nanocomposites [91]. (2) Establish a standardized lifecycle assessment (LCA) framework. Immediately initiate cradle-to-grave LCA studies for mainstream nanomaterials (e.g., nano-SiO2, CNTs). The framework must uniformly incorporate core metrics including energy consumption during production, carbon emissions, workplace exposure risks, long-term leaching toxicity, and environmental benefits from enhanced durability. This will enable accurate quantification of net environmental benefits and provide database support for green nanomaterial selection. (3) Develop low-cost, low-environmental-impact nanomaterial synthesis processes. Establish specific research objectives to explore green synthesis pathways utilizing industrial byproducts or solid waste (e.g., extracting nano-SiO2 from rice husk ash), and optimize large-scale production processes. Aim to reduce costs for key nanomaterials by 30–50% within five years, overcoming economic barriers [19]. (4) Promote standardization and integration of smart nanocomposite systems: For self-sensing and self-healing systems, future efforts should move beyond proof-of-concept studies and focus on establishing standardized protocols for material properties, encapsulation techniques, triggering mechanisms, and performance validation methods. Key research should address integrating multiple functional nanomaterials (e.g., sensing, repair, catalytic) into a single system while resolving compatibility and long-term stability issues, thereby laying the foundation for engineering applications [47].
Through specific, in-depth research in the aforementioned four key areas, it is anticipated that the scientific and technological bottlenecks confronting nanotechnology applications in concrete can be systematically addressed, ultimately advancing the large-scale engineering application of high-performance, multifunctional, and sustainable nanoconcrete.

7. Conclusions

Nanoparticles, leveraging their unique nanoscale effects, effectively address the inherent performance limitations of traditional cementitious materials, such as insufficient strength, poor durability, and limited functionality, and they have emerged as key carrier materials for enhancing concrete performance. This review systematically examines the mechanisms of action, current applications, and existing challenges in nanoparticle-modified concrete, culminating in integrated core conclusions.
The modification process fundamentally involves the synergistic interaction of multiple mechanisms, with their respective contributions forming a “material–mechanism-property” relationship based on material type. Nano-silica (NS) and nano-alumina (NA) primarily function through “micro-filling + pozzolanic reaction,” enhancing density and compressive strength. Carbon nanotubes (CNTs) rely on “interface bridging + conductive networks,” suitable for self-sensing applications. Nano-clays and nano-hydroxyapatite provide “interlayer barrier + functional impartation,” enhancing durability and environmental remediation, providing a basis for engineering selection.
Nanoscale modified concrete has been applied across construction, infrastructure, and specialized engineering projects. However, its large-scale adoption faces constraints from three interrelated challenges—technical, economic, and environmental—with clear priorities. First are technical issues (e.g., CNT agglomeration causing strength fluctuations of ±15%), requiring ultrasonication with bio-based dispersants to reduce agglomeration below 5%. Second are economic costs (commercial CNTs cost eight times more than industrial byproduct NS). Potential environmental risks (e.g., TiO2 nanoparticle production consumes 20% more energy) necessitate lifecycle assessment (LCA) balance. Furthermore, complex interactions between nanoparticles and admixtures (e.g., water-reducing agents, air-entraining agents) often cause workability degradation and air content fluctuations. These issues require resolution through blending techniques and admixture dosage adjustments, thereby increasing the complexity of mix design and on-site quality control.
Future development should be driven by multidisciplinary integration (materials, mechanics, environment, biomimicry) and advanced in three phases, as follows: Short term (1–3 years): Overcome economic barriers by producing nanoparticles from industrial byproducts and scaling up dispersion equipment; Mid-term (3–5 years): Develop multifunctional composite systems; Long term (5–10 years): Achieve biomimetic self-responsive concrete. While significant progress has been made in this research field, several fundamental gaps remain, including the following: (1) Quantitative bottlenecks in mechanism studies: current understanding of synergistic interactions among multiple mechanisms is largely qualitative. There is an urgent need to develop in-situ characterization and multiscale simulation techniques to quantify the contributions of each mechanism at different stages; (2) Lack of long-term performance and failure data: long-term durability data under real-world multi-field coupling (mechanical–chemical–thermal) conditions are particularly scarce, which in turn constitutes great uncertainty in safety design; (3) Absence of environmental sustainability assessment: research on the cradle-to-grave lifecycle environmental impact (LCA) of nanomodified concrete remains severely inadequate. The leaching behavior of nanoparticles, their recyclability, and ecological impacts are the ultimate criteria determining their sustainability. In summary, nanoparticle modification represents a systematic advancement in concrete technology. As fundamental theories deepen and engineering practices accumulate, the performance enhancement of nanoparticles in concrete will evolve from strengthening functionality toward an integrated approach encompassing structure, intelligence, and ecology. This progression will provide robust support for the green, high-performance, and intelligent development of building materials.

Author Contributions

H.L.: eriting—review and editing, eriting—original draft, validation, software, methodology, investigation, data curation, conceptualization. Y.Z. (Yuhan Zhao): writing—review and editing, writing—original draft, Visualization, methodology, Formal analysis, data curation. Y.Z. (Yan Zhao): writing—review and editing, writing—original draft, validation, Supervision, Resources, investigation, Funding acquisition. M.Z.: writing—review and editing, Formal analysis, conceptualization. investigation, data curation. Y.N.: writing—review and editing, Visualization, validation, Supervision, software, Resources. X.C.: validation, software, methodology, conceptualization, Visualization. All authors have read and agreed to the published version of the manuscript.

Funding

This work was financially supported by Jiamusi University Youth Innovation Talent Cultivation Support Program Project (No. JMSUQP2022007). Nanping City’s Jointly Funded Project for Technological Innovation in the Resources and Chemical Industry (No. N2021Z003). Fujian Province Transport Technology Project (No. LS202304/YB202410). Wuyi University Talent Introduction Research Start-up Fund Project (No. YJ202309). Fujian Province First-class Undergraduate Program Construction (No. SJZY2020004).

Data Availability Statement

No new data were created or analyzed in this study. Data sharing is not applicable to this article.

Conflicts of Interest

The authors declare no conflicts of interest.

References

  1. Bekturganova, N.Y.; Kolesnikova, I.V. Effect of Polymer Additives on Improvement of Concrete Properties. Adv. Polym. Technol. 2025, 2025, 6235216. [Google Scholar] [CrossRef]
  2. Dai, Z.; Guo, H.; Wang, Y.; Wang, M.; Zhang, Y.; Qian, K. Mechanically Strength with Water Repellency: Recently Advances in Superhydrophobic Concrete. J. Clean. Prod. 2025, 491, 144839. [Google Scholar] [CrossRef]
  3. Mohaisen, K.O.; Zahir, M.H.; Al-Dulaijan, S.U.; Ahmad, S.; Al-Zahrani, M.M.; Maslehuddin, M. An innovative lightweight aggregate composite phase change material for thermal energy storage enhancement of concrete under hot weather conditions. J. Build. Eng. 2025, 99, 111575. [Google Scholar] [CrossRef]
  4. Huang, D.; Wang, X.; Li, X.; Su, L.; Tian, J. Advanced nuclear magnetic resonance technology analysis of hybrid fiber reinforced concrete for optimized pore structure and strength. Constr. Build. Mater. 2025, 467, 140383. [Google Scholar] [CrossRef]
  5. Wang, C.; Yuan, J.; Lu, B.; Zhang, Y.; Ma, Z. Mesoscopic 3D simulation and in-situ 4D CT investigation on the mechanical behaviors of high-toughness recycled aggregate concrete. Constr. Build. Mater. 2024, 442, 137560. [Google Scholar] [CrossRef]
  6. Huang, C.; Yu, H.-Y.; Chen, G.; Liao, Y. “Reinforced concrete” design of robust mineralized cellulose composite with multilayered structure for efficient CO2 capture and passive radiative cooling ability. Compos. Sci. Technol. 2024, 258, 110886. [Google Scholar] [CrossRef]
  7. Saleem, H.; Zaidi, S.J.; Alnuaimi, N.A. Recent advancements in the nanomaterial application in concrete and its ecological impact. Materials 2021, 14, 6387. [Google Scholar] [CrossRef]
  8. Kishore, K.; Pandey, A.; Wagri, N.K.; Saxena, A.; Patel, J.; Al-Fakih, A. Technological challenges in nanoparticle-modified geopolymer concrete: A comprehensive review on nanomaterial dispersion, characterization techniques and its mechanical properties. Case Stud. Constr. Mater. 2023, 19, e02265. [Google Scholar] [CrossRef]
  9. Abdalla, J.A.; Thomas, B.S.; Hawileh, R.A.; Kabeer, K.S.A. Influence of nanomaterials on the water absorption and chloride penetration of cement-based concrete. Mater. Today Proc. 2022, 65, 2066–2069. [Google Scholar] [CrossRef]
  10. Zhang, J.; Shen, C.; Diao, G. Application and microstructure properties of nanomaterials in new concrete materials. J. Nanomater. 2022, 2022, 7396295. [Google Scholar] [CrossRef]
  11. Wang, X.; Ding, S.; Qiu, L.; Ashour, A.; Wang, Y.; Han, B.; Ou, J. Improving bond of fiber-reinforced polymer bars with concrete through incorporating nanomaterials. Compos. Part B Eng. 2022, 239, 109960. [Google Scholar] [CrossRef]
  12. Xu, Z.; Huang, Z.; Liu, C.; Deng, H.; Deng, X.; Hui, D.; Zhang, X.; Bai, Z. Research progress on key problems of nanomaterials-modified geopolymer concrete. Nanotechnol. Rev. 2021, 10, 779–792. [Google Scholar] [CrossRef]
  13. Abdalla, J.A.; Thomas, B.S.; Hawileh, R.A.; Kabeer, K.S.A. Influence of nanomaterials on the workability and compressive strength of cement-based concrete. Mater. Today Proc. 2022, 65, 2073–2076. [Google Scholar] [CrossRef]
  14. Mohtasham Moein, M.; Rahmati, K.; Saradar, A.; Moon, J.; Karakouzian, M. A critical review examining the characteristics of modified concretes with different nanomaterials. Materials 2024, 17, 409. [Google Scholar] [CrossRef]
  15. Jayasooriya, D.; Rajeev, P.; Sanjayan, J. Application of graphene-based nanomaterials as a reinforcement to concrete pavements. Sustainability 2022, 14, 11282. [Google Scholar] [CrossRef]
  16. Ting, W.; Qingshan, W.; Shenao, C.; Haihe, Y.; Tian, S.; Zhenyu, T. Effects of nanomaterials reinforced aggregate on mechanical properties and microstructure of recycled brick aggregate concrete. Mater. Sci. 2023, 29, 347–355. [Google Scholar] [CrossRef]
  17. Singh, L.; Karade, S.; Bhattacharyya, S.; Yousuf, M.M.; Ahalawat, S. Beneficial role of nanosilica in cement based materials—A review. Constr. Build. Mater. 2013, 47, 1069–1077. [Google Scholar] [CrossRef]
  18. Swathi, B.; Vidjeapriya, R. Synergistic use of nano-silica to enhance the characterization of ambient-cured geopolymer concrete. Arch. Civ. Mech. Eng. 2023, 24, 4. [Google Scholar] [CrossRef]
  19. Majeed, S.S.; Mydin, M.A.O.; Bahrami, A.; Dulaimi, A.; Özkılıç, Y.O.; Omar, R.; Jagadesh, P. Development of ultra-lightweight foamed concrete modified with silicon dioxide (SiO2) nanoparticles: Appraisal of transport, mechanical, thermal, and microstructural properties. J. Mater. Res. Technol. 2024, 30, 3308–3327. [Google Scholar] [CrossRef]
  20. Said, A.M.; Zeidan, M.S.; Bassuoni, M.; Tian, Y. Properties of concrete incorporating nano-silica. Constr. Build. Mater. 2012, 36, 838–844. [Google Scholar] [CrossRef]
  21. Ahmed, H.U.; Mohammed, A.A.; Mohammed, A.S. Effectiveness of silicon dioxide nanoparticles (Nano SiO2) on the internal structures, electrical conductivity, and elevated temperature behaviors of geopolymer concrete composites. J. Inorg. Organomet. Polym. Mater. 2023, 33, 3894–3914. [Google Scholar] [CrossRef]
  22. Rawat, G.; Gandhi, S.; Murthy, Y.I. Strength and rheological aspects of concrete containing nano-titanium dioxide. Asian J. Civ. Eng. 2022, 23, 1197–1208. [Google Scholar] [CrossRef]
  23. Wang, J.; Cheng, Y.; Yuan, L.; Xu, D.; Du, P.; Hou, P.; Zhou, Z.; Cheng, X.; Liu, S.; Wang, Y. Effect of nano-silica on chemical and volume shrinkage of cement-based composites. Constr. Build. Mater. 2020, 247, 118529. [Google Scholar] [CrossRef]
  24. Xiong, Y.; Zhu, Y.; Chen, C.; Zhang, Y. Effect of nano-alumina modified foaming agents on properties of foamed concrete. Constr. Build. Mater. 2021, 267, 121045. [Google Scholar] [CrossRef]
  25. Jia, Y.; Ding, M.; Lin, Y.; Wang, L.; Wei, Y.; Han, S. Effect of pozzolanic slurry coating containing nano-alumina on macro-micro properties of recycled brick aggregate. Constr. Build. Mater. 2025, 459, 139752. [Google Scholar] [CrossRef]
  26. Jaishankar, P.; Karthikeyan, C. In Characteristics of cement concrete with nano alumina particles. IOP Conf. Ser. Earth Environ. Sci. 2017, 80, 012005. [Google Scholar] [CrossRef]
  27. Ahmed, N.Y.; Alkhafaji, F.F. In Enhancements and mechanisms of nano alumina (Al2O3) on wear resistance and microstructure characteristics of concrete pavement. IOP Conf. Ser. Mater. Sci. Eng. 2020, 871, 012001. [Google Scholar] [CrossRef]
  28. Konsta-Gdoutos, M.S.; Metaxa, Z.S.; Shah, S.P. Highly dispersed carbon nanotube reinforced cement based materials. Cem. Concr. Res. 2010, 40, 1052–1059. [Google Scholar] [CrossRef]
  29. Sadeghi, A.M.; Esmaeili, J. Hybrid-fibre-reinforced concrete containing multi-wall carbon nanotubes. Proc. Inst. Civ. Eng.-Struct. Build. 2020, 173, 646–654. [Google Scholar] [CrossRef]
  30. Fu, Q.; Zhou, Z.; Wang, Z.; Huang, J.; Niu, D. Insight into dynamic compressive response of carbon nanotube/carbon fiber-reinforced concrete. Cem. Concr. Compos. 2022, 129, 104471. [Google Scholar] [CrossRef]
  31. Taha, A.; Alnahhal, W.; Irshidat, M. Effect of carbon nanotubes on the bonding mechanism of non-corrosive reinforcements to concrete. Structures 2024, 60, 105952. [Google Scholar] [CrossRef]
  32. Chang, T.-P.; Shih, J.-Y.; Yang, K.-M.; Hsiao, T.-C. Material properties of Portland cement paste with nano-montmorillonite. J. Mater. Sci. 2007, 42, 7478–7487. [Google Scholar] [CrossRef]
  33. Mirgozar Langaroudi, M.A.; Mohammadi, Y. Effect of nano-clay on the freeze–thaw resistance of self-compacting concrete containing mineral admixtures. Eur. J. Environ. Civ. Eng. 2022, 26, 481–500. [Google Scholar] [CrossRef]
  34. Abuzeid, M.; Bassuoni, M.; Sakr, M. Effect of Polymer/Nano-Clay Coatings on the Performance of Concrete with High-Content Supplementary Cementitious Materials under Harsh Exposures. Materials 2024, 17, 1030. [Google Scholar] [CrossRef] [PubMed]
  35. Noori, A.; Yubin, L.; Saffari, P.; Zhang, Y.; Wang, M. The optimum percentage of nano clay (NC) in both direct-additive and sonicated modes to improve the mechanical properties of self-compacting concrete (SCC). Case Stud. Constr. Mater. 2022, 17, e01493. [Google Scholar] [CrossRef]
  36. Nazari, A.; Riahi, S. The effects of TiO2 nanoparticles on physical, thermal and mechanical properties of concrete using ground granulated blast furnace slag as binder. Mater. Sci. Eng. A 2011, 528, 2085–2092. [Google Scholar] [CrossRef]
  37. Mendoza, J.; Lee, D.; Kim, L.-H.; Kim, I.; Kang, J.-H. Photocatalytic performance of TiO2 and WO3/TiO2 nanoparticles coated on urban green infrastructure materials in removing nitrogen oxide. Int. J. Environ. Sci. Technol. 2018, 15, 581–592. [Google Scholar] [CrossRef]
  38. Zhang, W.; Han, B.; Yu, X.; Ruan, Y.; Ou, J. Nano boron nitride modified reactive powder concrete. Constr. Build. Mater. 2018, 179, 186–197. [Google Scholar] [CrossRef]
  39. Yang, B.; Hu, X.; Qiao, H. Enhancing durability of concrete in saline soil with nano-CaCO3 modification: Investigation and reliability analysis. KSCE J. Civ. Eng. 2024, 28, 3791–3804. [Google Scholar] [CrossRef]
  40. Noh, H.W.; Kim, D.J. Effects of combined nanoparticles on dynamic strength of ultra-high-performance fiber-reinforced concrete. J. Build. Eng. 2024, 96, 110508. [Google Scholar]
  41. Wang, Q.; Zhou, C.; Wang, X.; An, Z.; Luo, Y. Effect of graphene oxide on strength and interfacial transition zone of recycled aggregate concrete. Mater. Res. Express 2022, 9, 075008. [Google Scholar] [CrossRef]
  42. Yuan, X.; Zhang, L.; Chen, X.; Liu, F. Study on the mechanical properties and frost resistance of multiple modified concrete. Mater. Res. Express 2022, 9, 045013. [Google Scholar] [CrossRef]
  43. Alharthai, M.; Mydin, M.A.O.; Majeed, S.S.; Tayeh, B.A.; Tobbala, D.E. Synthesis and characterisation of ZnO nanoparticles and its influence on the engineering properties of lightweight foamed concrete. Arch. Civ. Mech. Eng. 2025, 25, 79. [Google Scholar] [CrossRef]
  44. Abiz, M.R.N.; Esfahani, M.R.; Tanhadoust, A.; Nehdi, M.L.; Banijamali, S.M. Magnesium nanoparticle modified cement-based composites: Performance and compatibility in repair applications. Constr. Build. Mater. 2023, 400, 132781. [Google Scholar] [CrossRef]
  45. Facin, F.; Staub de Melo, J.V.; Costa Puerari, R.; Matias, W.G. Toxicological Effects of Leachates Extracted from Photocatalytic Concrete Blocks with Nano-TiO2 on Daphnia magna. Nanomaterials 2024, 14, 1447. [Google Scholar] [CrossRef] [PubMed]
  46. Pramanik, S.K.; Bhuiyan, M.; Robert, D.; Roychand, R.; Gao, L.; Pramanik, B.K. MIL-101 (Cr)/epoxy composite coating for enhanced corrosion resistance in concrete sewer infrastructure. Process Saf. Environ. Prot. 2025, 199, 107360. [Google Scholar] [CrossRef]
  47. Xiao, X.; Unluer, C.; Chu, S.; Yang, E.-H. Single bacteria spore encapsulation through layer-by-layer self-assembly of poly (dimethyldiallyl ammonium chloride) and silica nanoparticles for self-healing concrete. Cem. Concr. Compos. 2023, 140, 105105. [Google Scholar] [CrossRef]
  48. Li, S.; Li, Y.; Tan, Y.; Li, J.; Wang, D.; Yuan, D.; Zhang, J. A sustainable superhydrophobic and photothermal coatings for anti-icing application on concrete with a simple method for CNTs/SiO2 modification. Sustainability 2023, 15, 15865. [Google Scholar] [CrossRef]
  49. Siddique, S.N. A review on mobility of engineered carbon-based nanoparticles in porous media. Environ. Geotech. 2020, 7, 382–392. [Google Scholar] [CrossRef]
  50. Huseien, G.F. A review on concrete composites modified with nanoparticles. J. Compos. Sci. 2023, 7, 67. [Google Scholar] [CrossRef]
  51. Kotop, M.A.; El-Feky, M.; Alharbi, Y.R.; Abadel, A.A.; Binyahya, A.S. Engineering properties of geopolymer concrete incorporating hybrid nano-materials. Ain Shams Eng. J. 2021, 12, 3641–3647. [Google Scholar] [CrossRef]
  52. Shah, S.P.; Hou, P.; Cheng, X. Durability of cement-based materials and nano-particles: A review. In Nanotechnology in Construction; Springer: Cham, Switzerland, 2015; pp. 15–24. [Google Scholar]
  53. Yuan, Q.; Wang, L.; Kong, D.; Han, Y.; Ren, C.; Tian, Y.; Zhu, G. Synergistic action and effect mechanism of coal gangue powder and red mud on the properties of concretes. J. Build. Eng. 2024, 98, 110999. [Google Scholar] [CrossRef]
  54. Bai, E.; Wang, Z.; Du, Y.; Ren, B.; Liu, C. Mechanical properties and strain rate effect of graphene oxide grafted carbon fiber modified concrete under dynamic impact load. Constr. Build. Mater. 2024, 445, 137978. [Google Scholar] [CrossRef]
  55. Sypek, M.; Latawiec, R.; Łaźniewska-Piekarczyk, B.; Pichór, W. Impact of surfactant and calcium sulfate type on air-entraining effectiveness in concrete. Materials 2022, 15, 985. [Google Scholar] [CrossRef] [PubMed]
  56. Belayachi, N.; Mallet, C.; El Marzak, M. Thermally-induced cracks and their effects on natural and industrial geomaterials. J. Build. Eng. 2019, 25, 100806. [Google Scholar] [CrossRef]
  57. Wu, Y.; Lu, J.; Nie, Y.; He, W. Effect of seashell powder as binder material on the performance and microstructure of low-carbon sustainable alkali-activated concrete. J. Build. Eng. 2024, 90, 109442. [Google Scholar] [CrossRef]
  58. Lin, D.; Lin, K.; Chang, W.; Luo, H.; Cai, M. Improvements of nano-SiO2 on sludge/fly ash mortar. Waste Manag. 2008, 28, 1081–1087. [Google Scholar] [CrossRef]
  59. Zhou, J.; Liu, Z.; Zhang, J.; Li, H.; Xu, M.; Pi, Z.; Wu, K.; Ma, G. Characterization of the interface transition zone in granulated blast furnace slag-calcium sulphoaluminate cement concrete. Constr. Build. Mater. 2025, 476, 141224. [Google Scholar] [CrossRef]
  60. Su, Z.; Li, X. Study on preparation and interfacial transition zone microstructure of red mud-yellow phosphorus slag-cement concrete. Materials 2021, 14, 2768. [Google Scholar] [CrossRef]
  61. Karakuzu, K.; Kobya, V.; Mardani, A.; Felekoğlu, B.; Ramyar, K. Effect of PCE anionic charge density on fly ash cementitious system-PCE compatibility. J. Adhes. Sci. Technol. 2025, 39, 209–225. [Google Scholar] [CrossRef]
  62. Xiang, S.; Tan, Y.; Gao, Y.; Jiang, Z.; Liu, B.; Zeng, W. Bubble evolution under the action of polycarboxylate and air-entraining agent and its effects on concrete properties—A review. Materials 2022, 15, 7053. [Google Scholar] [CrossRef]
  63. Saladi, N.; Montanari, L.; Mohebbi, A.; Cooper, M.A.; Graybeal, B. Assessing the setting behavior of ultra-high performance concrete. Mater. Struct. 2024, 57, 143. [Google Scholar] [CrossRef]
  64. Lei, J.; Feng, F.; Xu, S.; Wen, W.; He, X. Study on mechanical properties of modified polyurethane concrete at different temperatures. Appl. Sci. 2022, 12, 3184. [Google Scholar] [CrossRef]
  65. Gao, C.; Huang, L.; Yan, L.; Jin, R.; Chen, H. Mechanical properties of recycled aggregate concrete modified by nano-particles. Constr. Build. Mater. 2020, 241, 118030. [Google Scholar] [CrossRef]
  66. Hou, P.; Kawashima, S.; Kong, D.; Corr, D.J.; Qian, J.; Shah, S.P. Modification effects of colloidal nanoSiO2 on cement hydration and its gel property. Compos. Part B Eng. 2013, 45, 440–448. [Google Scholar] [CrossRef]
  67. Chen, X.; Zhu, H.; Wang, Z. Mechanical property enhancement, durability improvement and micro mechanism of all-bamboo aggregate concrete by ACQ-polyacrylate modification. Ind. Crops Prod. 2025, 228, 120947. [Google Scholar] [CrossRef]
  68. Wang, T.; Xu, J.; Meng, B.; Peng, G. Experimental study on the effect of carbon nanofiber content on the durability of concrete. Constr. Build. Mater. 2020, 250, 118891. [Google Scholar] [CrossRef]
  69. Lv, S.; Liu, J.; Sun, T.; Ma, Y.; Zhou, Q. Effect of GO nanosheets on shapes of cement hydration crystals and their formation process. Constr. Build. Mater. 2014, 64, 231–239. [Google Scholar] [CrossRef]
  70. Krystek, M.; Pakulski, D.; Patroniak, V.; Górski, M.; Szojda, L.; Ciesielski, A.; Samorì, P. High-performance graphene-based cementitious composites. Adv. Sci. 2019, 6, 1801195. [Google Scholar] [CrossRef]
  71. Huang, C.-Y.; Lin, Y.-C.; Chung, J.H.; Chiu, H.-Y.; Yeh, N.-L.; Chang, S.-J.; Chan, C.-H.; Shih, C.-C.; Chen, G.-Y. Enhancing cementitious composites with functionalized graphene oxide-based materials: Surface chemistry and mechanisms. Int. J. Mol. Sci. 2023, 24, 10461. [Google Scholar] [CrossRef]
  72. Qiao, W.; Shi, M.; Ban, T.; Hou, B.; Zhang, W.; Kong, X. Using graphene oxide to enhance the bonding properties between carbon fibers and cement matrix to improve the mechanical properties of cement-based composites. Constr. Build. Mater. 2024, 453, 138992. [Google Scholar] [CrossRef]
  73. Qiu, L.; Dong, S.; Yu, X.; Han, B. Self-sensing ultra-high performance concrete for in-situ monitoring. Sens. Actuators A Phys. 2021, 331, 113049. [Google Scholar] [CrossRef]
  74. Cho, S.-S.; Kim, J.-M.; Hong, I.-P. Electromagnetic Shielding Characteristics of Eco-Friendly Foamed Concrete Wall. Int. J. Antennas Propag. 2017, 2017, 9794053. [Google Scholar] [CrossRef]
  75. Li, S.; Liew, J.R.; Xiong, M.-X.; Lai, B.-L. Experimental investigation on fire resistance of high-strength concrete encased steel composite columns. Fire Saf. J. 2021, 121, 103273. [Google Scholar] [CrossRef]
  76. Li, X.; Sun, G. Optimal freeze-thaw resistance air-entrained concrete with designed nanoparticle stabilised bubble system. Constr. Build. Mater. 2024, 435, 136769. [Google Scholar] [CrossRef]
  77. Hossain, M.M.; Al-Deen, S.; Hassan, M.K.; Shill, S.K.; Kader, M.A.; Hutchison, W. Mechanical and thermal properties of hybrid fibre-reinforced concrete exposed to recurrent high temperature and aviation oil. Materials 2021, 14, 2725. [Google Scholar] [CrossRef]
  78. Yu, L.; Xu, F. Bilateral chloride diffusion model of nanocomposite concrete in marine engineering. Constr. Build. Mater. 2020, 263, 120634. [Google Scholar] [CrossRef]
  79. Li, W.; Huang, Z.; Cao, F.; Sun, Z.; Shah, S.P. Effects of nano-silica and nano-limestone on flowability and mechanical properties of ultra-high-performance concrete matrix. Constr. Build. Mater. 2015, 95, 366–374. [Google Scholar] [CrossRef]
  80. Qian, X.; Wang, J.; Wang, L.; Fang, Y.; Chen, P.; Li, M. A clean dispersant for nano-silica to enhance the performance of cement mortars. J. Clean. Prod. 2022, 371, 133647. [Google Scholar] [CrossRef]
  81. Wu, G.; Li, T.; Zhang, M.; Cui, J.; Li, J. Durability and thermal insulation properties of glazed hollow bead concrete with nanoparticles in marine atmospheric environment. J. Build. Eng. 2024, 94, 110071. [Google Scholar] [CrossRef]
  82. Khadanga, V.; Mishra, P.C. A review on toxicity mechanism and risk factors of nanoparticles in respiratory tract. Toxicology 2024, 504, 153781. [Google Scholar] [CrossRef] [PubMed]
  83. Nguyen, T.T.; Thai, H.T.; Ngo, T. Effect of steel fibers on the performance of an economical ultra-high strength concrete. Struct. Concr. 2023, 24, 2327–2341. [Google Scholar] [CrossRef]
  84. Zhu, H.-L.; Cheng, Q.-Y.; Liao, M.-Y.; Zhang, Z.-L.; Cai, W.-G.; Ma, J.-J.; Sun, M.-Y.; Yu, M.-X.; Tian, Z.-Q.; Pang, D.-W. Economical synthesis of ultra-small Bi2S3 nanoparticles for high-sensitive CT imaging. Mater. Res. Express 2019, 6, 095005. [Google Scholar] [CrossRef]
  85. Vance, M.E.; Kuiken, T.; Vejerano, E.P.; McGinnis, S.P.; Hochella, M.F., Jr.; Rejeski, D.; Hull, M.S. Nanotechnology in the real world: Redeveloping the nanomaterial consumer products inventory. Beilstein J. Nanotechnol. 2015, 6, 1769–1780. [Google Scholar] [CrossRef]
  86. Saliani, M.; Honarbakhsh, A.; Zhiani, R.; Movahedifar, S.M.; Motavalizadehkakhky, A. Effects of GO/Al2O3 and Al2O3 nanoparticles on concrete durability against high temperature, freeze-thaw cycles, and acidic environments. Adv. Civ. Eng. 2021, 2021, 4555802. [Google Scholar] [CrossRef]
  87. Sutto, T.E. Magnetite fine particle and nanoparticle environmental contamination from industrial uses of coal. Environ. Pollut. 2018, 243, 528–533. [Google Scholar] [CrossRef]
  88. Gaharwar, U.S.; Meena, R.; Rajamani, P. Iron oxide nanoparticles induced cytotoxicity, oxidative stress and DNA damage in lymphocytes. J. Appl. Toxicol. 2017, 37, 1232–1244. [Google Scholar] [CrossRef]
  89. Park, Y.-W. Machine Learning-Based Prediction of Characteristics of Construction Materials. Master’s Thesis, Seoul National University, Seoul, Republic of Korea, 2023. [Google Scholar]
  90. Wang, X.; Zheng, Q.; Dong, S.; Ashour, A.; Han, B. Interfacial characteristics of nano-engineered concrete composites. Constr. Build. Mater. 2020, 259, 119803. [Google Scholar] [CrossRef]
  91. Sheikhnejad, O.; Nakamoto, T.; Kalteis, A.; Rajabtabar, A.; Major, Z. Molecular dynamic simulation of carbon nanotube reinforced nanocomposites: The effect of interface interaction on mechanical properties. MOJ Polym. Sci. 2018, 2, 6–10. [Google Scholar] [CrossRef]
Figure 1. (a) Sorptivity and porosity values of the concrete samples [18]; (b) Intrinsic air permeability of ULFC containing different percentages of SDNs [19].
Figure 1. (a) Sorptivity and porosity values of the concrete samples [18]; (b) Intrinsic air permeability of ULFC containing different percentages of SDNs [19].
Inorganics 13 00305 g001
Figure 2. Pore wall of the FC-SS. (a) SEM, (b) EDS spectrum [24].
Figure 2. Pore wall of the FC-SS. (a) SEM, (b) EDS spectrum [24].
Inorganics 13 00305 g002
Figure 3. Micro-morphologies of (a) CNTs and (b) CFs [30].
Figure 3. Micro-morphologies of (a) CNTs and (b) CFs [30].
Inorganics 13 00305 g003
Figure 4. SEM images for surfaces of unexposed GU specimens coated with (a) ES and (b) HM [34].
Figure 4. SEM images for surfaces of unexposed GU specimens coated with (a) ES and (b) HM [34].
Inorganics 13 00305 g004
Figure 5. (a) Slump values of concrete with varying NT percentage [22]; (b) Flexural strength of RPC containing 120 nm nano-BN with different filler contents [38].
Figure 5. (a) Slump values of concrete with varying NT percentage [22]; (b) Flexural strength of RPC containing 120 nm nano-BN with different filler contents [38].
Inorganics 13 00305 g005
Figure 6. Water absorption and porosity of concrete [53].
Figure 6. Water absorption and porosity of concrete [53].
Inorganics 13 00305 g006
Figure 7. (a) TOC and surface tension of pore solution depending on cement and admixture type [55]; (b) Particle morphology. Reproduced from Ref [57] with permission from Elsevier, copyright 2025.
Figure 7. (a) TOC and surface tension of pore solution depending on cement and admixture type [55]; (b) Particle morphology. Reproduced from Ref [57] with permission from Elsevier, copyright 2025.
Inorganics 13 00305 g007
Figure 8. (a) Chemical shrinkage of cement pastes with different nano-silica (NS) content at different ages. Reproduced from [23] with permission from Elsevier, copyright 2025; (b) TGA curves of CNTs, functionalized nanoparticles [48].
Figure 8. (a) Chemical shrinkage of cement pastes with different nano-silica (NS) content at different ages. Reproduced from [23] with permission from Elsevier, copyright 2025; (b) TGA curves of CNTs, functionalized nanoparticles [48].
Inorganics 13 00305 g008
Figure 9. Pore size distribution of ITZ in concrete prepared with RM–YPS–cemen [60].
Figure 9. Pore size distribution of ITZ in concrete prepared with RM–YPS–cemen [60].
Inorganics 13 00305 g009
Figure 10. (a) Changes in the barrel compressive strength of bamboo aggregates soaked in alkali solution [67]; (b) Effect of CNF volume fraction on the shrinkage rate of concrete. Reproduced from Ref. [68] with permission from Elsevier, copyright 2025.
Figure 10. (a) Changes in the barrel compressive strength of bamboo aggregates soaked in alkali solution [67]; (b) Effect of CNF volume fraction on the shrinkage rate of concrete. Reproduced from Ref. [68] with permission from Elsevier, copyright 2025.
Inorganics 13 00305 g010
Figure 11. Sensing mechanisms of UHPC with stainless SFs and CCSFs under monotonic compressive loading. Reproduced from Ref. [73] with permission from Elsevier, copyright 2025.
Figure 11. Sensing mechanisms of UHPC with stainless SFs and CCSFs under monotonic compressive loading. Reproduced from Ref. [73] with permission from Elsevier, copyright 2025.
Inorganics 13 00305 g011
Figure 12. (a) Split tensile strength of N-ZnO–LWFC mixtures; (b) Compressive strength of N-ZnO–LWFC mixtures; (c) Flexural strength of N-ZnO–LWFC mixtures. Reproduced from Ref. [43] with permission from Springer nature, copyright 2025.
Figure 12. (a) Split tensile strength of N-ZnO–LWFC mixtures; (b) Compressive strength of N-ZnO–LWFC mixtures; (c) Flexural strength of N-ZnO–LWFC mixtures. Reproduced from Ref. [43] with permission from Springer nature, copyright 2025.
Inorganics 13 00305 g012
Figure 13. (a) The variation curve of chloride diffusion coefficient (D) over time of CP and CN obtained by unilateral diffusion tests. Reproduced from Ref. [78] with permission from Elsevier, copyright 2025; (b) Initial compressive strength of fibre-reinforced concrete [77].
Figure 13. (a) The variation curve of chloride diffusion coefficient (D) over time of CP and CN obtained by unilateral diffusion tests. Reproduced from Ref. [78] with permission from Elsevier, copyright 2025; (b) Initial compressive strength of fibre-reinforced concrete [77].
Inorganics 13 00305 g013
Table 1. Other nanoparticles for cement-based materials and their typical applications.
Table 1. Other nanoparticles for cement-based materials and their typical applications.
NanoparticlesMain FunctionCommon DosageRef.
Nano-CaCO3Accelerate hydration, refine pore size, enhance early strength and resistance to sulfate erosion1–2 wt% [39]
Nano-Fe3O4Magneto-thermal conversion, self-induction, electromagnetic shielding0.5–1.5 wt% [40]
Graphene OxideStrengthen the interface transition zone and enhance mechanical and electrical conductivity properties0.02–0.1 wt% [41]
Reduced Graphene OxideEnhance resilience and endow with self-perception capabilities0.03–0.1 wt% [42]
Nano-ZnOAntibacterial, UV shielding, and enhanced strength0.5–1.0 wt% [43]
Nano-CuOSterilization, promoting hydration, and enhancing durability0.5–1.0 wt% [9]
Nano-MgOCompensate for shrinkage, inhibit cracking and improve fire resistance1.0–2.0 wt% [44]
Nano-TiO2Self-cleaning, photocatalysis, antibacterial1.0–2.0 wt% [22]
Nano-BNHigh thermal conductivity, insulation, and reduced dry shrinkage0.3–0.5 wt% [38]
Nano-ZrO2Toughening, enhancing wear resistance and impermeability1.0–1.5 wt% [14]
Nano-CeO2Anti-oxidation, improving fire resistance and corrosion resistance0.5–1.0 wt% [7]
Nano-AgBroad-spectrum antibacterial, and anti-biological contamination0.01–0.05 wt% [45]
Nano-CuConductive, antimicrobial, and corrosion-resistant0.1–0.5 wt% [46]
Nano-SiCHigh hardness, wear resistance, and heat conductivity0.5–1.0 wt% [5]
Nano-Ca (OH)2Repair agent, carbonization inhibitor, self-healing1.0–2.0 wt% [47]
Layered Double Hydroxides (LDHs)Ion exchange, chloride ion curing, rust inhibition1.0–3.0 wt% [48]
Halloysite Nanotubes (HNTs)Rust inhibitor, toughening1.0–2.0 wt% [49]
Nano-MetakaolinVolcanic ash reaction, filling, and enhanced durability5–10 wt% [50]
Nano-AttapulgiteThickening, water retention, and enhanced interfacial adhesion0.5–1.0 wt% [51]
Table 2. Comparative analysis of the effects, mechanisms, and challenges of typical nanoparticles used in concrete modification.
Table 2. Comparative analysis of the effects, mechanisms, and challenges of typical nanoparticles used in concrete modification.
NanomaterialTypical Dosage (wt.% of Cement)Primary Mechanism(s)Key Performance EnhancementMajor Challenge(s)
Nano-SiO21.0–3.0Pozzolanic reaction; Nano-filling; NucleationStrength: +++
Durability (chloride/sulfate): +++
ITZ density: +++
High shrinkage; Rapid setting; Dispersion
Nano-TiO21.0–5.0Photocatalysis; Nano-fillingSelf-cleaning: +++
Air purification: +++
Antibacterial: +++
High cost; Dispersion; UV dependency; Long-term activity
Carbon Nanotubes0.01–0.1Fiber bridging; Electrical conductivity; NucleationTensile/Flexural strength: ++
Toughness: +++
Self-sensing: +++
Severe agglomeration; Very high cost; Workability reduction
Nano-Clay1.0–5.0Barrier effect; Pore refinement; Nano-fillingImpermeability: +++
Fire resistance: ++
Freeze-thaw resistance: ++
High water demand; Workability reduction; Dispersion
Nano-Al2O30.5–2.0Nano-filling; Nucleation; Hard phaseAbrasion resistance: +++
Early strength: ++
Moderate cost; Potential agglomeration; Limited durability data
(+++: Significant enhancement; ++: Moderate enhancement: Slight enhancement).
Disclaimer/Publisher’s Note: The statements, opinions and data contained in all publications are solely those of the individual author(s) and contributor(s) and not of MDPI and/or the editor(s). MDPI and/or the editor(s) disclaim responsibility for any injury to people or property resulting from any ideas, methods, instructions or products referred to in the content.

Share and Cite

MDPI and ACS Style

Li, H.; Zhao, Y.; Zhao, Y.; Zhang, M.; Niu, Y.; Cao, X. Advances in the Mechanism and Application of Nanoparticles in Concrete Property Modification. Inorganics 2025, 13, 305. https://doi.org/10.3390/inorganics13090305

AMA Style

Li H, Zhao Y, Zhao Y, Zhang M, Niu Y, Cao X. Advances in the Mechanism and Application of Nanoparticles in Concrete Property Modification. Inorganics. 2025; 13(9):305. https://doi.org/10.3390/inorganics13090305

Chicago/Turabian Style

Li, Huaming, Yuhan Zhao, Yan Zhao, Min Zhang, Yanan Niu, and Xi Cao. 2025. "Advances in the Mechanism and Application of Nanoparticles in Concrete Property Modification" Inorganics 13, no. 9: 305. https://doi.org/10.3390/inorganics13090305

APA Style

Li, H., Zhao, Y., Zhao, Y., Zhang, M., Niu, Y., & Cao, X. (2025). Advances in the Mechanism and Application of Nanoparticles in Concrete Property Modification. Inorganics, 13(9), 305. https://doi.org/10.3390/inorganics13090305

Note that from the first issue of 2016, this journal uses article numbers instead of page numbers. See further details here.

Article Metrics

Back to TopTop