A New Fault Classification Approach Based on Decision Tree Induced by Genetic Programming
Abstract
1. Introduction
2. Fuzzy/Bayesian Approach Used on Fault Detection
| Algorithm 1 Change point detection algorithm |
![]() |
- Initialize ;
- Repeat the following steps:
- generate a candidate value ;
- generate , where is a continuous uniform distribution;
- compute the new state as ;
- Continue until R simulations is reached.
3. New Approach Based on Decision Tree Induced by Genetic Programming for Fault Classification
| Algorithm 2 Developed Algorithm |
![]() |
3.1. Algorithm Parameters
- The number of populations () determines the number of populations to be utilized in the algorithm.
- Population size () determines the quantity of individuals in each population. In the case of multiple populations during the execution of the algorithm, all populations maintain an identical number of individuals.
- Maximum depth () specifies the maximum size that decision trees can attain during their creation.
- The number of generations () indicates the count of generations or iterations to be executed by the algorithm.
- Crossover rate () represents the probability of two individuals undergoing crossover.
- Mutation rate () expresses the probability of an individual undergoing mutation during the evolution process.
- Exchange rate () determines the probability of individuals exchanging between two or more populations at the conclusion of a generation.
- Elitism () indicates whether elitism will be applied during the evolution process of populations.
3.2. Initial Population
3.3. Fitness Function
3.4. Selection and Crossover
3.5. Mutation
3.6. Elitism
3.7. Exchange
3.8. Fault Detection and Isolation
| Algorithm 3 FDI Algorithm |
![]() |
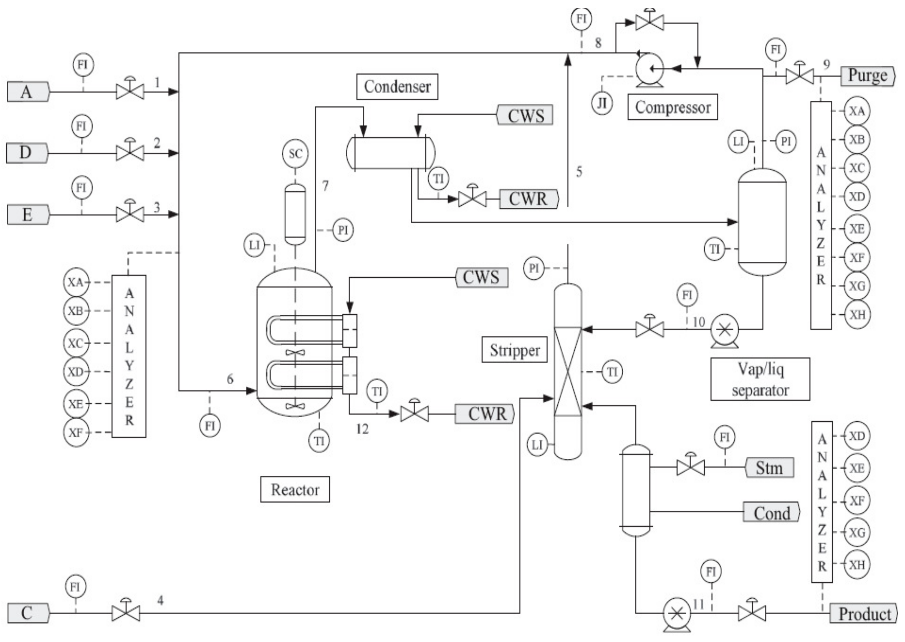
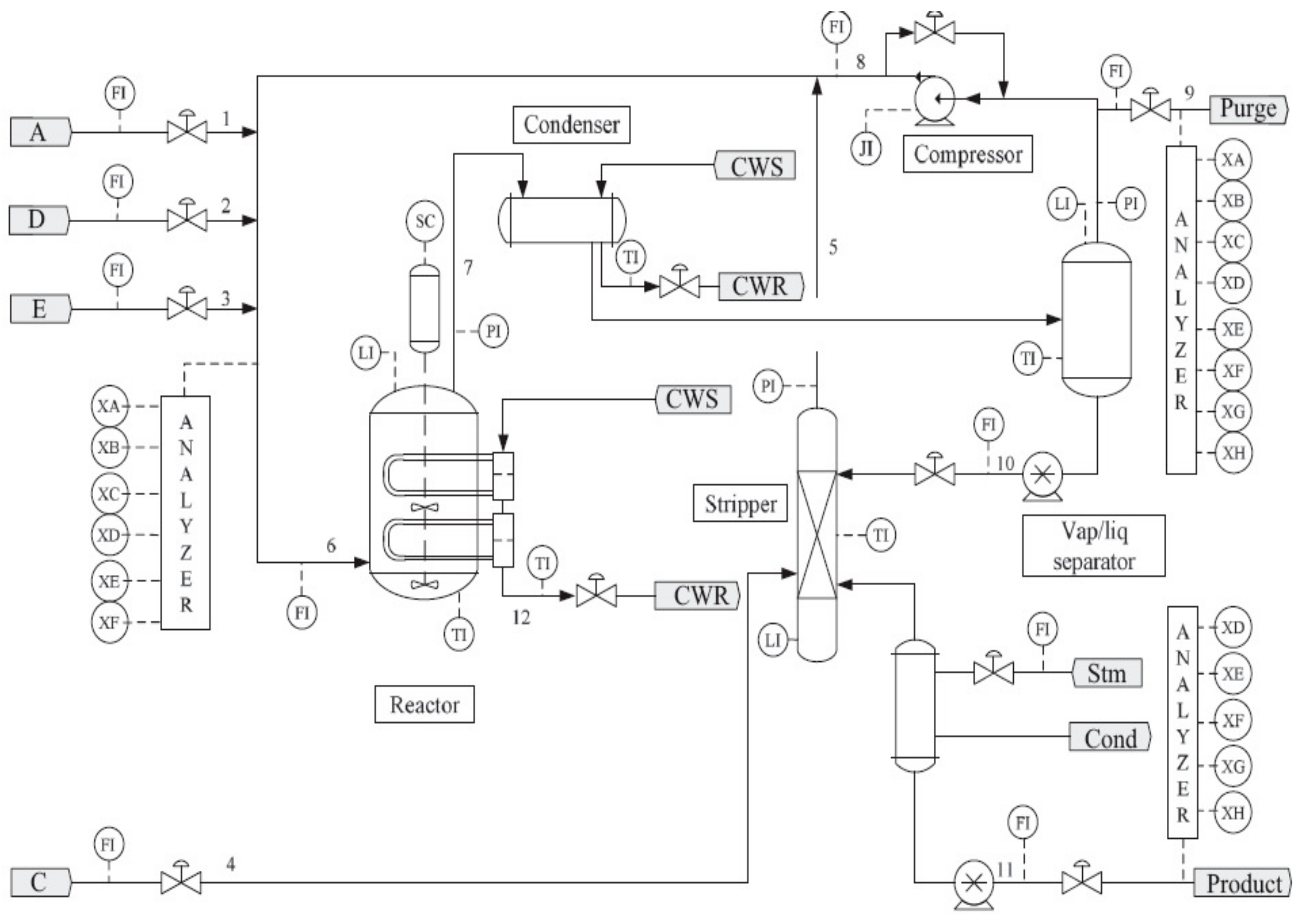
4. Case Study: FDI in the Tennessee Eastman Process
- Highly correlated: XMEAS(13), XMEAS(16), XMEAS(19-22), XMEAS(33), XMV(3), and XMV(5-11)
- Static: XMEAS(5-6), XMEAS(12), XMEAS(14-15), XMEAS(17), and XMV(4)
| Process Faults | Output Variables | ||
|---|---|---|---|
| Name | Description | Name | Description |
| IDV (1) | A/C feed ratio, B composition constant (s4) | XMEAS (1) | A feed (s1) |
| IDV (2) | B composition, A/C ratio constant (s4) | XMEAS (2) | D feed (s2) |
| IDV (3) | D feed temperature (s2) | XMEAS (3) | E feed (s3) |
| IDV (4) | Reactor cooling water inlet temperature | XMEAS (4) | A and C feed (s4) |
| IDV (5) | Condenser cooling water inlet temperature | XMEAS (5) | Recycle flow (s8) |
| IDV (6) | A feed loss (s1) | XMEAS (6) | Reactor feed rate (s6) |
| IDV (7) | C header pressure loss (s4) | XMEAS (7) | Reactor pressure |
| IDV (8) | A, B, C feed composition (s4) | XMEAS (8) | Reactor level |
| IDV (9) | D feed temperature (s2) | XMEAS (9) | Reactor temperature |
| IDV (10) | C feed temperature (s4) | XMEAS (10) | Purge rate (s9) |
| IDV (11) | Reactor cooling water inlet temperature | XMEAS (11) | Product separator temperature |
| IDV (12) | Condenser cooling water inlet temperature | XMEAS (12) | Product separator level |
| IDV (13) | Reaction kinetics | XMEAS (13) | Product separator pressure |
| IDV (14) | Reactor cooling water valve | XMEAS (14) | Product separator underflow (s10) |
| IDV (15) | Condenser cooling water valve | XMEAS (15) | Stripper level |
| IDV (16) | Unknown | XMEAS (16) | Stripper pressure |
| IDV (17) | Unknown | XMEAS (17) | Stripper underflow (s11) |
| IDV (18) | Unknown | XMEAS (18) | Stripper temperature |
| IDV (19) | Unknown | XMEAS (19) | Stripper steam flow |
| IDV (20) | Unknown | XMEAS (20) | Compressor work |
| IDV (21) | The valve for s4 was fixed at steady state | XMEAS (21) | Reactor cooling water outlet temperature |
| XMEAS (22) | Separator cooling water outlet temperature | ||
| Input Variables | XMEAS (23) | Reactor feed analysis (s6) Comp. A | |
| Name | Description | XMEAS (24) | Reactor feed analysis (s6) Comp. B |
| XMV (1) | D feed flow (s2) | XMEAS (25) | Reactor feed analysis (s6) Comp. C |
| XMV (2) | E feed flow (s3) | XMEAS (26) | Reactor feed analysis (s6) Comp. D |
| XMV (3) | A feed flow (s1) | XMEAS (27) | Reactor feed analysis (s6) Comp. E |
| XMV (4) | A and C feed flow (s4) | XMEAS (28) | Reactor feed analysis (s6) Comp. F |
| XMV (5) | Compressor recycle valve | XMEAS (29) | Purge gas analysis (s9) Comp. A |
| XMV (6) | Purge valve (s9) | XMEAS (30) | Purge gas analysis (s9) Comp. B |
| XMV (7) | Separator pot liquid flow (s10) | XMEAS (31) | Purge gas analysis (s9) Comp. C |
| XMV (8) | Stripper liquid product flow (s11) | XMEAS (32) | Purge gas analysis (s9) Comp. D |
| XMV (9) | Stripper steam valve | XMEAS (33) | Purge gas analysis (s9) Comp. E |
| XMV (10) | Reactor cooling water flow | XMEAS (34) | Purge gas analysis (s9) Comp. F |
| XMV (11) | Condenser cooling water flow | XMEAS (35) | Purge gas analysis (s9) Comp. G |
| XMV (12) | Agitator speed | XMEAS (36) | Purge gas analysis (s9) Comp. H |
| XMEAS (37) | Product analysis (s11) Comp. D | ||
| XMEAS (38) | Product analysis (s11) Comp. E | ||
| XMEAS (39) | Product analysis (s11) Comp. F | ||
| XMEAS (40) | Product analysis (s11) Comp. G | ||
| XMEAS (41) | Product analysis (s11) Comp. H | ||
4.1. Results
- Maximum tree depth: 100;
- Number of generations: 1000;
- Population size: 100 individuals;
- Crossover rate: 0.9;
- Mutation rate: 0.4;
- Elitism enabled;
- Tournament selection with two competing individuals;
- Multi-point crossover;
- Population amount: 2.
- Average runtime: 02:19:14;
- Average number of features used: 29.65;
- Median tree depth: 37.68;
- Average number of nodes: 150.32;
- Average training accuracy: 0.8148;
- Average test accuracy: 0.8043;
- Average training standard deviation: 0.0311;
- Average testing standard deviation: 0.0365.
4.2. Result Comparison
5. Conclusions
Author Contributions
Funding
Data Availability Statement
Conflicts of Interest
References
- Isermann, R.; Balle, P. Trends in the application of model-based fault detection and diagnosis of technical processes. Control. Eng. Pract. 1997, 5, 707–719. [Google Scholar] [CrossRef]
- Venkatasubramanian, V.; Rengaswamy, R.; Yin, K.; Kavuri, S.N. A review of process fault detection and diagnosis—Part I: Quantitative model-based methods. Comput. Chem. Eng. 2003, 27, 293–311. [Google Scholar] [CrossRef]
- Venkatasubramanian, V.; Rengaswamy, R.; Kavuri, S.N. A review of process fault detection and diagnosis—Part II: Qualitative models and search strategies. Comput. Chem. Eng. 2003, 27, 313–326. [Google Scholar] [CrossRef]
- Venkatasubramanian, V.; Rengaswamy, R.; Kavuri, S.N.; Yin, K. A review of process fault detection and diagnosis—Part III: Process history based methods. Comput. Chem. Eng. 2003, 27, 327–346. [Google Scholar] [CrossRef]
- Nalina, B.S.; Kamaraj, V.; Babu, M.R. Fault Detection and Identification Strategy Based on Luenberger Observer for Bidirectional Interleaved Switched—Capacitor DC–DC Converter Interfaced Microgrids. J. Electr. Eng. Technol. 2022, 17, 2329–2338. [Google Scholar] [CrossRef]
- Jiang, Y.; Yin, S.; Kaynak, O. Optimized Design of Parity Relation-Based Residual Generator for Fault Detection: Data-Driven Approaches. IEEE Trans. Ind. Inform. 2021, 17, 1449–1458. [Google Scholar] [CrossRef]
- Chen, J.; Patton, R.J. Robust Model-Based Fault Diagnosis for Dynamic Systems; Springer: New York, NY, USA, 1999. [Google Scholar]
- Han, J.; Yu, S.; Han, J. Fault Detection and Isolation for a Cooling System of Fuel Cell via Model-based Analysis. Processes 2020, 8, 1115. [Google Scholar] [CrossRef]
- Cosme, L.B.; D’Angelo, M.F.S.V.; Caminhas, W.M.; Camargos, M.O.; Palhares, R.M. An adaptive approach for estimation of transition probability matrix in the interacting multiple model filter. J. Intell. Fuzzy Syst. 2021, 41, 155–166. [Google Scholar] [CrossRef]
- Cosme, L.B.; D’Angelo, M.F.S.V.; Caminhas, W.M.; Yin, S.; Palhares, R.M. A novel fault prognostic approach based on particle filters and differential evolution. Appl. Intell. 2018, 48, 834–853. [Google Scholar] [CrossRef]
- Calado, J.M.F.; Korbicz, J.; Patan, K.; Patton, R.J.; da Costa, J.M.G.S. Soft computing approaches to fault diagnosis for dynamic systems. Eur. J. Control. 2001, 7, 248–286. [Google Scholar] [CrossRef]
- El-Shal, S.M.; Morris, A.S. A fuzzy expert system for fault detection in statistical process control of industrial processes. IEEE Trans. Syst. Man Cybern. Part C 2000, 30, 281–289. [Google Scholar] [CrossRef]
- Asad, M.U.; Farooq, U.; Gu, J.; Amin, J.; Sadaqat, A.; El-Hawary, M.E.; Luo, J. Neo-fuzzy supported brain emotional learning based pattern recognizer for classification problems. IEEE Access 2017, 5, 6951–6968. [Google Scholar] [CrossRef]
- Li, S.; Jin, N.; Dogani, A.; Yang, Y.; Zhang, M. Enhancing LightGBM for Industrial Fault Warning: An Innovative Hybrid Algorithm. Processes 2024, 12, 221. [Google Scholar] [CrossRef]
- Xiao, C.; Liu, Z.; Zhang, T.; Zhang, X. Deep Learning Method for Fault Detection of Wind Turbine Converter. Appl. Sci. 2021, 11, 1280. [Google Scholar] [CrossRef]
- Zhang, K.; Wang, S.; Wang, S.; Xu, Q. Anomaly Detection of Control Moment Gyroscope Based on Working Condition Classification and Transfer Learning. Appl. Sci. 2023, 13, 4259. [Google Scholar] [CrossRef]
- Yang, F.; Shah, S.L.; Xiao, D. SDG (Signed Directed Graph) Based Process Description and Fault Propagation Analysis for a Tailings Pumping Process. IFAC Proc. Vol. 2010, 43, 50–55. [Google Scholar] [CrossRef]
- Kabir, S. An overview of fault tree analysis and its application in model based dependability analysis. Expert Syst. Appl. 2017, 77, 114–135. [Google Scholar] [CrossRef]
- Pandey, A.K.; Kishor, N.; Mohanty, S.R.; Samuel, P. Intelligent fault detection and classification for an unbalanced network with inverter-based dg units. IEEE Trans. Ind. Inform. 2024, 1–10. [Google Scholar] [CrossRef]
- Maurya, M.R.; Rengaswamy, R.; Venkatasubramanian, V. Fault diagnosis using dynamic trend analysis: A review and recent developments. Eng. Appl. Artif. Intell. 2007, 20, 133–146. [Google Scholar] [CrossRef]
- D’Angelo, M.F.S.V.; Palhares, R.M.; Takahashi, R.H.C.; Loschi, R.H. Fuzzy/Bayesian change point detection approach to incipient fault detection. IET Control. Theory Appl. 2011, 5, 539–551. [Google Scholar] [CrossRef]
- Bayar, N.; Darmoul, S.; Hajri-Gabouj, S.; Pierreval, H. Fault detection, diagnosis and recovery using Artificial Immune Systems: A review. Eng. Appl. Artif. Intell. 2015, 46, 43–57. [Google Scholar] [CrossRef]
- Wang, Q.L.C.; Wang, Q. Bayesian Uncertainty Inferencing for Fault Diagnosis of Intelligent Instruments in IoT Systems. Appl. Sci. 2023, 13, 5380. [Google Scholar] [CrossRef]
- D’Angelo, M.F.S.V.; Palhares, R.M.; Cosme, L.B.; Aguiar, L.A.; Fonseca, F.S.; Caminhas, W.M. Fault detection in dynamic systems by a fuzzy/bayesian network formulation. Appl. Soft Comput. 2014, 21, 647–653. [Google Scholar] [CrossRef]
- De Bessa, I.V.; Palhares, R.M.; D’Angelo, M.F.S.V.; Filho, J.E.C. Data-driven fault detection and isolation scheme for a wind turbine benchmark. Renew. Energy 2016, 87 Pt 1, 634–645. [Google Scholar] [CrossRef]
- Rato, T.J.; Reis, M.S. Fault detection in the tennessee eastman benchmark process using dynamic principal components analysis based on decorrelated residuals (DPCA-DR). Chemom. Intell. Lab. Syst. 2013, 125, 101–108. [Google Scholar] [CrossRef]
- Jing, C.; Hou, J. SVM and PCA based fault classification approaches for complicated industrial process. Neurocomputing 2015, 167, 636–642. [Google Scholar] [CrossRef]
- Wilson, D.; Irwin, G. PLS modelling and fault detection on the tennessee eastman benchmark. In Proceedings of the 1999 American Control Conference, San Diego, CA, USA, 2–4 June 1999; pp. 3975–3979. [Google Scholar]
- Jones, A.B.; Smith, C.D. Decision trees for fault classification in industrial systems. J. Ind. Eng. Res. 2019, 24, 201–215. [Google Scholar]
- Xue, J.; Wu, C.; Chen, Z.; Van Gelder, P.; Yan, X. Modeling human-like decision-making for inbound smart ships based on fuzzy decision trees. Expert Syst. Appl. 2019, 115, 172–188. [Google Scholar] [CrossRef]
- Barros, R.C.; Basgalupp, M.P.; F, A.C.P.L.; de Carvalho, A.A. Freitas, A survey of evolutionary algorithms for decision-tree induction. IEEE Trans. Syst. Man, Cybern. Part C Appl. Rev. 2012, 42, 291–312. [Google Scholar] [CrossRef]
- Koza, J.R. Genetic Programming: On the Programming of Computers by Means of Natural Selection; MIT Press: Cambridge, MA, USA, 1992. [Google Scholar]
- De Lisle, R.K.; Dixon, S.L. Induction of decision trees via evolutionary programming. J. Chem. Inf. Comput. Sci. 2004, 44, 862–870. [Google Scholar] [CrossRef]
- Santos, L.I.; Camargos, M.O.; D’Angelo, M.F.S.V.; Mendes, J.B.; de Medeiros, E.E.C.; Guimarães, A.L.S.; Palhares, R.M. Decision tree and artificial immune systems for stroke prediction in imbalanced data. Expert Syst. Appl. 2022, 191, 116221. [Google Scholar] [CrossRef]
- Downs, J.; Vogel, E. A plant-wide industrial process control problem. Comput. Chem. Eng. 1993, 17, 245–255. [Google Scholar] [CrossRef]
- Banzhaf, W.; Nordin, P.; Keller, R.; Francone, F.D. Genetic Programming: An introduction: On the Automatic Evolution of Computer Programs and Its Applications; Morgan Kaufmann Publishers Inc.: Burlington, MA, USA, 1998. [Google Scholar]
- Zhao, H. A multi-objective genetic programming approach to developing Pareto optimal decision trees. Decis. Support Syst. 2007, 43, 809–826. [Google Scholar] [CrossRef]
- Saremi, M.; Yaghmaee, F. Evolutionary decision tree induction with multi-interval discretization. In Proceedings of the 2014 Iranian Conference on Intelligent Systems (ICIS), Bam, Iran, 4–6 February 2014; pp. 1–6. [Google Scholar]
- Ahn, C.W.; Ramakrishna, R.S. Elitism-based compact genetic algorithms. IEEE Trans. Evol. Comput. 2003, 7, 367–385. [Google Scholar]
- D’Angelo, M.F.; Palhares, R.M.; Filho, M.C.C.; Maia, R.D.; Mendes, J.B.; Ekel, P.Y. A new fault classification approach applied to tennessee eastman benchmark process. Appl. Soft Comput. 2016, 49, 676–686. [Google Scholar] [CrossRef]
- Russell, E.L.; Chiang, L.H.; Braatz, R.D. Fault detection in industrial processes using canonical variate analysis and dynamic principal component analysis. Chemom. Intell. Lab. Syst. 2000, 51, 81–93. [Google Scholar] [CrossRef]






| Description | Proposed Methodology | PCA | SVM |
|---|---|---|---|
| Fault 1 | 99.27% | 87.19% | 87.19% |
| Fault 2 | 96.43% | 87.50% | 85.83% |
| Fault 3 | 50.67% | 18.33% | 15.21% |
| Fault 4 | 67.16% | 72.71% | 49.48% |
| Fault 5 | 97.45% | 4.06% | 50.60% |
| Fault 6 | 94.33% | 90.21% | 78.85% |
| Fault 7 | 93.17% | 89.69% | 88.85% |
| Fault 8 | 98.66% | 85.00% | 32.19% |
| Fault 9 | 9.84% | 20.00% | 12.00% |
| Fault 10 | 94.95% | 76.15% | 22.60% |
| Fault 11 | 74.37% | 65.42% | 11.88% |
| Fault 12 | 98.73% | 85.83% | 50.21% |
| Fault 13 | 91.78% | 69.06% | 21.46% |
| Fault 14 | 86.80% | 86.56% | 54.90% |
| Fault 15 | 88.94% | 23.02% | 18.85% |
| Fault 16 | 75.81% | 69.48% | 12.81% |
| Fault 17 | 90.06% | 74.48% | 48.02% |
| Fault 18 | 62.58% | 59.90% | 32.19% |
| Fault 19 | 89.15% | 84.06% | 46.25% |
| Fault 20 | 80.84% | 77.50% | 38.96% |
| Fault 21 | 45.78% | 85.00% | 8.23% |
| Mean | 80.32% | 67.20% | 41.26% |
Disclaimer/Publisher’s Note: The statements, opinions and data contained in all publications are solely those of the individual author(s) and contributor(s) and not of MDPI and/or the editor(s). MDPI and/or the editor(s) disclaim responsibility for any injury to people or property resulting from any ideas, methods, instructions or products referred to in the content. |
© 2024 by the authors. Licensee MDPI, Basel, Switzerland. This article is an open access article distributed under the terms and conditions of the Creative Commons Attribution (CC BY) license (https://creativecommons.org/licenses/by/4.0/).
Share and Cite
Rocha, R.C.N.; Soares, R.A.; Santos, L.I.; Camargos, M.O.; Ekel, P.Y.; Libório, M.P.; dos Santos, A.C.G.; Vidoli, F.; D’Angelo, M.F.S.V. A New Fault Classification Approach Based on Decision Tree Induced by Genetic Programming. Processes 2024, 12, 818. https://doi.org/10.3390/pr12040818
Rocha RCN, Soares RA, Santos LI, Camargos MO, Ekel PY, Libório MP, dos Santos ACG, Vidoli F, D’Angelo MFSV. A New Fault Classification Approach Based on Decision Tree Induced by Genetic Programming. Processes. 2024; 12(4):818. https://doi.org/10.3390/pr12040818
Chicago/Turabian StyleRocha, Rogério C. N., Rafael A. Soares, Laércio I. Santos, Murilo O. Camargos, Petr Ya. Ekel, Matheus P. Libório, Angélica C. G. dos Santos, Francesco Vidoli, and Marcos F. S. V. D’Angelo. 2024. "A New Fault Classification Approach Based on Decision Tree Induced by Genetic Programming" Processes 12, no. 4: 818. https://doi.org/10.3390/pr12040818
APA StyleRocha, R. C. N., Soares, R. A., Santos, L. I., Camargos, M. O., Ekel, P. Y., Libório, M. P., dos Santos, A. C. G., Vidoli, F., & D’Angelo, M. F. S. V. (2024). A New Fault Classification Approach Based on Decision Tree Induced by Genetic Programming. Processes, 12(4), 818. https://doi.org/10.3390/pr12040818




