A Real-Time Harmonic Extraction Approach for Distorted Grid
Abstract
:1. Introduction
2. Methodology
2.1. Robust Frequency Extraction
2.2. Zero-Crossing Detection
- At step 1, the reference for the determination is defined, where is equal to 0. Furthermore, the auxiliary variable C is defined and its initial value is set to 0. In addition, the signal needs to be sampled and preprocessed.
- At step 2, the phase angle is calculated by . After is calculated for the current sampling period, go to step 3 to prepare the phase angle calculation for the next sampling moment.
- At step 3, execute and determine whether at the last sampling moment is greater than . If is not greater than , the algorithm continues back to step 2. If the value of is higher than the reference value , then continue to step 4.
- At step 4, execute and determine whether at the current sampling moment is greater than . If is greater than the reference , the algorithm continues back to step 2. If signal is lower than the reference value , then continue to step 5.
- At step 5, after the determination conditions of both step 3 and step 4 are satisfied, step 5 sets the phase angle to 0 to satisfy the consistency with the phase of the detected signal. Prior to this, the auxiliary variable is updated.
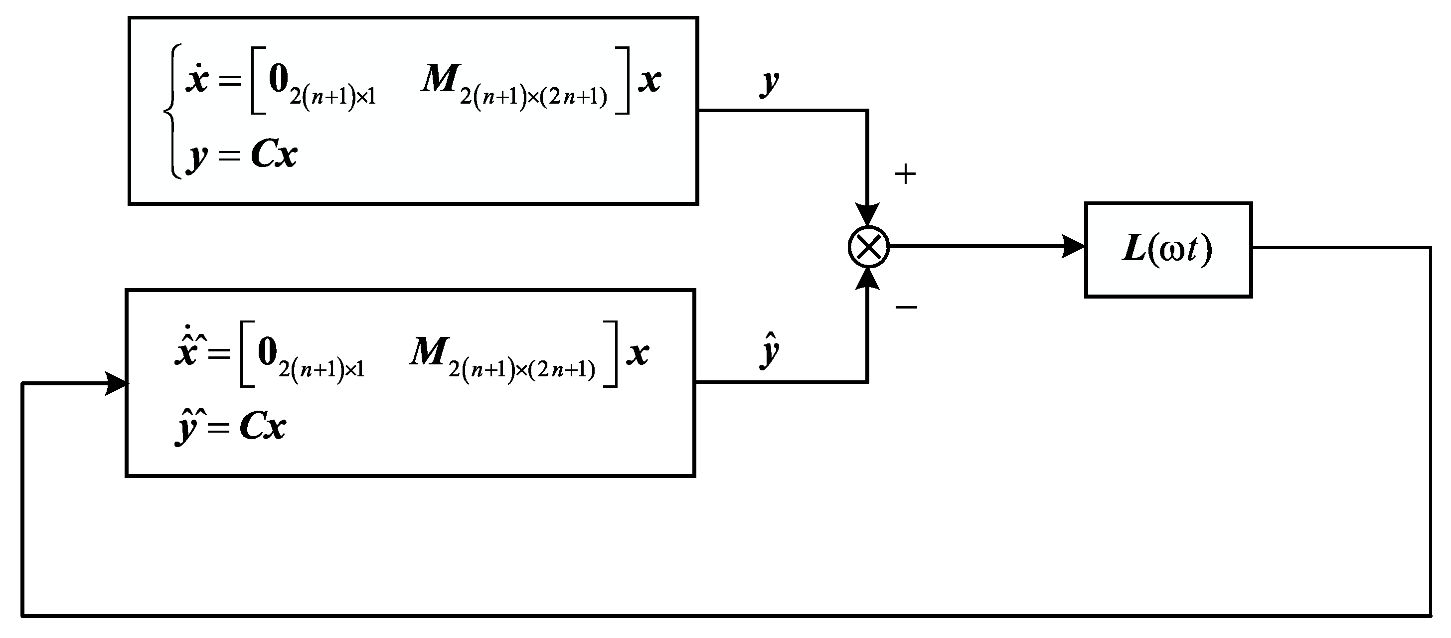
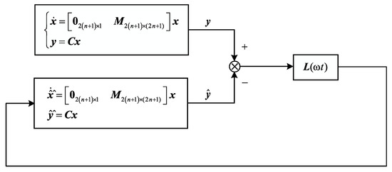
2.3. Harmonics Extraction Method
2.3.1. Harmonics Observer Design
2.3.2. Effectiveness Proof of Observer
3. Simulation
- Case 1: Harmonic extraction of a distorted power grid without any current parameter jump. In this scenario, the feasibility of three parts of harmonic detection can be analyzed and derived, namely frequency estimation, phase angle calculation and harmonic component extraction, respectively.
- Case 2: The fundamental frequency and amplitude of the current signal are distorted again. In this scenario, the frequency and the amplitude of the signal jumps at a certain moment, which is a test for the dynamic performance of the proposed method. The specific jump range is given in the following simulation.
- Case 3: The phase angle of the current signal changes abruptly. In this scenario, unlike in the previous case, only the initial phase angle is changed, which leads to deviations from the true value of the phase derived in the zero-crossing detection. In order to provide a more visible picture of the impact of the sudden phase angle change, the phase shift is set to .
3.1. Verification: Case 1
3.2. Verification: Case 2
3.3. Verification: Case 3
| 1/1000 | 1/1000 | 1800 | 1,000,000 | 1,000,000 | 40 kHz | 40 kHz |
4. Experimental Evaluation
5. Discussion
6. Conclusions
Author Contributions
Funding
Institutional Review Board Statement
Informed Consent Statement
Data Availability Statement
Conflicts of Interest
Abbreviations
| PQ | power quality |
| APF | active power filter |
| DC | direct current |
| FFT | fast fourier transform |
| IRPT | instantaneous reactive power theory |
| SRF | synchronous reference frame |
| SOGI | second-order generalized integral |
| MSRF | multiple synchronous reference frame |
| ANN | artificial neural network |
References
- Cortajarena, J.A.; Barambones, O.; Alkorta, P.; Cortajarena, J. Grid Frequency and Amplitude Control Using DFIG Wind Turbines in a Smart Grid. Mathematics 2021, 9, 143. [Google Scholar] [CrossRef]
- Shademan, M.; Jalilian, A.; Savaghebi, M. Improved Control Method for Voltage Regulation and Harmonic Mitigation Using Electric Spring. Sustainability 2021, 13, 4523. [Google Scholar] [CrossRef]
- Zhang, X.; Wang, R.; Bao, J. A Novel Distributed Economic Model Predictive Control Approach for Building Air-Conditioning Systems in Microgrids. Mathematics 2018, 6, 60. [Google Scholar] [CrossRef] [Green Version]
- Hashempour, M.M.; Savaghebi, M.; Vasquez, J.C.; Guerrero, J.M. A Control Architecture to Coordinate Distributed Generators and Active Power Filters Coexisting in a Microgrid. IEEE Trans. Smart Grid 2016, 7, 2325–2336. [Google Scholar] [CrossRef] [Green Version]
- Munir, H.M.; Zou, J.; Xie, C.; Guerrero, J.M. Cooperation of Voltage Controlled Active Power Filter with Grid-Connected DGs in Microgrid. Sustainability 2019, 11, 154. [Google Scholar] [CrossRef] [Green Version]
- Sharma, A.; Rajpurohit, B.S.; Singh, S.N. A review on economics of power quality: Impact, assessment and mitigation. Renew. Sustain. Energy Rev. 2018, 88, 363–372. [Google Scholar] [CrossRef]
- Selvajyothi, K.; Janakiraman, P.A. Extraction of Harmonics Using Composite Observers. IEEE Trans. Power Deliv. 2008, 23, 31–40. [Google Scholar] [CrossRef]
- Terriche, Y.; Golestan, S.; Guerrero, J.M.; Kerdoune, D.; Vasquez, J.C. Matrix pencil method based reference current generation for shuntactive power filters. IET Power Electron. 2018, 11, 772–780. [Google Scholar] [CrossRef] [Green Version]
- Sinvula, R.; Abo-Al-Ez, K.M.; Kahn, M.T. Harmonic Source Detection Methods: A Systematic Literature Review. IEEE Access 2019, 7, 74283–74299. [Google Scholar] [CrossRef]
- Masoum, A.S.; Hashemnia, N.; Abu-Siada, A.; Masoum, M.A.S.; Islam, S.M. Online Transformer Internal Fault Detection Based on Instantaneous Voltage and Current Measurements Considering Impact of Harmonics. IEEE Trans. Power Deliv. 2017, 32, 587–598. [Google Scholar] [CrossRef]
- Sapena-Baño, A.; Pineda-Sanchez, M.; Puche-Panadero, R.; Perez-Cruz, J.; Roger-Folch, J.; Riera-Guasp, M.; Martinez-Roman, J. Harmonic Order Tracking Analysis: A Novel Method for Fault Diagnosis in Induction Machines. IEEE Trans. Energy Convers. 2015, 30, 833–841. [Google Scholar] [CrossRef] [Green Version]
- Ahmad, M.W.; Gorla, N.B.Y.; Malik, H.; Panda, S.K. A Fault Diagnosis and Postfault Reconfiguration Scheme for Interleaved Boost Converter in PV-Based System. IEEE Trans. Power Electron. 2021, 36, 3769–3780. [Google Scholar] [CrossRef]
- Vardar, K.; Akpınar, E.; Sürgevil, T. Evaluation of reference current extraction methods for DSP implementation in active power filters. Electr. Power Syst. Res. 2009, 79, 1342–1352. [Google Scholar] [CrossRef]
- Rechka, S.; Ngandui, E.; Xu, J.; Sicard, P. A comparative study of harmonic detection algorithms for active filters and hybrid active filters. In Proceedings of the IEEE 33rd Annual IEEE Power Electronics Specialists Conference, Cairns, QLD, Australia, 23–27 June 2002; pp. 357–363. [Google Scholar]
- Liu, H.; Hu, H.; Chen, H.; Zhang, L.; Xing, Y. Fast and Flexible Selective Harmonic Extraction Methods Based on the Generalized Discrete Fourier Transform. IEEE Trans. Power Electron. 2018, 33, 3484–3496. [Google Scholar] [CrossRef]
- Barros, J.; Diego, R.I. Analysis of Harmonics in Power Systems Using the Wavelet Packet Transform. In Proceedings of the IEEE Instrumentationand Measurement Technology Conference, Ottawa, ON, Canada, 16–19 May 2005; pp. 1484–1488. [Google Scholar]
- Wang, G.; Wang, X.; Zhao, C. An Iterative Hybrid Harmonics Detection Method Based on Discrete Wavelet Transform and Bartlett–Hann Window. Appl. Sci. 2020, 10, 3922. [Google Scholar] [CrossRef]
- Harirchi, F.; Simões, M.G. Enhanced Instantaneous Power Theory Decomposition for Power Quality Smart Converter Applications. IEEE Trans. Power Electron. 2018, 33, 9344–9359. [Google Scholar] [CrossRef]
- Bagheri, A.; Mardaneh, M.; Rajaei, A.; Rahideh, A. Detection of Grid Voltage Fundamental and Harmonic Components Using Kalman Filter and Generalized Averaging Method. IEEE Trans. Power Electron. 2016, 31, 1064–1073. [Google Scholar] [CrossRef]
- Uz-Logoglu, E.; Salor, O.; Ermis, M. Online Characterization of Interharmonics and Harmonics of AC Electric Arc Furnaces by Multiple Synchronous Reference Frame Analysis. IEEE Trans. Ind. Appl. 2016, 52, 2673–2683. [Google Scholar] [CrossRef]
- Xie, C.; Li, K.; Zou, J.; Zhou, K.; Guerrero, J.M. Multiple Second-Order Generalized Integrators Based Comb Filter for Fast Selective Harmonic Extraction. In Proceedings of the 2019 IEEE Applied Power Electronics Conference and Exposition (APEC), Anaheim, CA, USA, 17–21 March 2019; pp. 2427–2432. [Google Scholar] [CrossRef] [Green Version]
- Li, P.; Jin, W.; Li, R.; Guan, M. Harmonics detection via input observer with grid frequency fluctuation. Int. J. Electr. Power Energy Syst. 2020, 115, 105461. [Google Scholar] [CrossRef]
- Xiao, P.; Corzine, K.A.; Venayagamoorthy, G.K. Multiple Reference Frame-Based Control of Three-Phase PWM Boost Rectifiers under Unbalanced and Distorted Input Conditions. IEEE Trans. Power Electron. 2008, 23, 2006–2017. [Google Scholar] [CrossRef]
- Lai, L.L.; Chan, W.L.; Tse, C.T.; So, A.T.P. Real-time frequency and harmonic evaluation using artificial neural networks. IEEE Trans. Power Deliv. 1999, 14, 52–59. [Google Scholar] [CrossRef]
- Chang, G.W.; Chen, C.; Teng, Y. Radial-Basis-Function-Based Neural Network for Harmonic Detection. IEEE Trans. Ind. Electron. 2010, 57, 2171–2179. [Google Scholar] [CrossRef]
- Ujile, A.; Ding, Z. A dynamic approach to identification of multiple harmonic sources in power distribution systems. Int. J. Electr. Power Energy Syst. 2016, 81, 175–183. [Google Scholar] [CrossRef]
- Ujile, A.; Ding, Z.; Li, H. An iterative observer approach to harmonic estimation for multiple measurements in power distribution systems. Trans. Inst. Meas. Control 2017, 39, 599–610. [Google Scholar] [CrossRef]
- Samadaei, E.; Iranian, M.; Rezanejad, M.; Godina, R.; Pouresmaeil, E. Single-Phase Active Power Harmonics Filter by Op-Amp Circuits and Power Electronics Devices. Sustainability 2018, 10, 4406. [Google Scholar] [CrossRef] [Green Version]
- Dai, Z.; Fan, M.; Nie, H.; Zhang, J.; Li, J. A Robust Frequency Estimation Method for Aircraft Grids Under Distorted Conditions. IEEE Trans. Ind. Electron. 2020, 67, 4254–4258. [Google Scholar] [CrossRef]
- Jiang, Z.P.; Wang, Y. Input-to-state stability for discrete-time nonlinear systems. Automatica 2001, 37, 857–869. [Google Scholar] [CrossRef]
- Wang, Y.F.; Li, Y.W. A Grid Fundamental and Harmonic Component Detection Method for Single-Phase Systems. IEEE Trans. Power Electron. 2013, 28, 2204–2213. [Google Scholar] [CrossRef]
- Zhuo, S.; Xu, L.; Gaillard, A.; Huangfu, Y.; Gao, F. Robust Open-Circuit Fault Diagnosis of Multi-Phase Floating Interleaved DC–DC Boost Converter Based on Sliding Mode Observer. IEEE Trans. Transp. Electrif. 2019, 5, 638–649. [Google Scholar] [CrossRef]
- Xiong, L.; Liu, X.; Liu, L.; Liu, Y. Amplitude-Phase Detection for Power Converters Tied to Unbalanced Grids with Large X/R Ratios. IEEE Trans. Power Electron. 2021. [Google Scholar] [CrossRef]
- Cacciola, M.; Pellicanò, D.; Megali, G.; Lay-Ekuakille, A.; Versaci, M.; Morabito, F.C. Aspects about air pollution prediction on urban environment. In Proceedings of the 4th IMEKO TC19 Symposium on Environmental Instrumentation and Measurements 2013: Protection Environment, Climate Changes and Pollution Control, Lecce, Italy, 3–4 June 2013. [Google Scholar]
- Qu, Y.; Tan, W.; Dong, Y.; Yang, Y. Harmonic detection using fuzzy LMS algorithm for active power filter. In Proceedings of the 2007 International Power Engineering Conference (IPEC 2007), Singapore, 3–6 December 2007; pp. 1065–1069. [Google Scholar]
- Xie, Q.; Ni, J.; Su, Z. A prediction model of ammonia emission from a fattening pig room based on the indoor concentration using adaptive neuro fuzzy inference system. J. Hazard. Mater. 2017, 325, 301–309. [Google Scholar] [CrossRef] [PubMed]



















| n | 1 | 5 | 7 | 11 |
|---|---|---|---|---|
| f/Hz | 50 | 250 | 350 | 550 |
| 0 | 0 | 0 | 0 | |
| 6.0 | 1.5 | 0.7 | 0.1 | |
| 0.07711 | 0.05889 | 0.06289 | 0.01409 | |
| 5.99980 | 1.49880 | 0.69894 | 0.09963 | |
| 6.0 | 1.5 | 0.7 | 0.1 | |
| 6.00029 | 1.49996 | 0.70176 | 0.10062 | |
| – | – | – | – | |
| −0.003% | −0.080% | −0.151% | −0.370% | |
| 0.005% | −0.003% | 0.251% | 0.620% |
| n | f/Hz | FFT | Proposed Method | True Value | ||
|---|---|---|---|---|---|---|
| Mag (A) | Mag (A) | |||||
| 1 | 48 | 5.999 | 0.0872 | 6.0011 | 6.0017 | 6.0 |
| 5 | 240 | 1.501 | 0.1100 | 1.4973 | 1.5013 | 1.5 |
| 7 | 336 | 0.6984 | 0.0727 | 0.7018 | 0.7055 | 0.7 |
| 11 | 528 | 0.1003 | 0.0151 | 0.1012 | 0.1023 | 0.1 |
Publisher’s Note: MDPI stays neutral with regard to jurisdictional claims in published maps and institutional affiliations. |
© 2021 by the authors. Licensee MDPI, Basel, Switzerland. This article is an open access article distributed under the terms and conditions of the Creative Commons Attribution (CC BY) license (https://creativecommons.org/licenses/by/4.0/).
Share and Cite
Li, P.; Li, X.; Li, J.; You, Y.; Sang, Z. A Real-Time Harmonic Extraction Approach for Distorted Grid. Mathematics 2021, 9, 2245. https://doi.org/10.3390/math9182245
Li P, Li X, Li J, You Y, Sang Z. A Real-Time Harmonic Extraction Approach for Distorted Grid. Mathematics. 2021; 9(18):2245. https://doi.org/10.3390/math9182245
Chicago/Turabian StyleLi, Po, Xiang Li, Jinghui Li, Yimin You, and Zhongqing Sang. 2021. "A Real-Time Harmonic Extraction Approach for Distorted Grid" Mathematics 9, no. 18: 2245. https://doi.org/10.3390/math9182245
APA StyleLi, P., Li, X., Li, J., You, Y., & Sang, Z. (2021). A Real-Time Harmonic Extraction Approach for Distorted Grid. Mathematics, 9(18), 2245. https://doi.org/10.3390/math9182245

