Innovative AVR-LFC Design for a Multi-Area Power System Using Hybrid Fractional-Order PI and PIDD2 Controllers Based on Dandelion Optimizer
Abstract
1. Introduction
1.1. Background and Motivation
1.2. Literature Review
1.3. Contributions
- The DO uses a different natural backdrop than other metaheuristic optimization algorithms that are already in use.
- The DO optimizer employs several tactics for the stages of exploration and exploitation. The exploration stage in the search space is guaranteed by the rising and descending stages of the DO algorithm. In contrast, the landing stage serves to promote the exploitation stage.
- In reference [36], to confirm the restricted programmability performance, DO was applied to four issues and contrasted with other techniques.
- Simultaneous combination of LFC and AVR control systems improves voltage and frequency fluctuations in hybrid multi-area power systems.
- The proposal of a novel combination based on combining the benefits of fractional order controllers with those of classical PID controllers whose performance is enhanced by the addition of double-derivative action, namely fractional order proportional-integral and proportional-integral-derivative plus double derivative (FOPI–PIDD2) controller. The combination of the previously mentioned efficient regulators boosts the effectiveness of stability, rapid transients, and containment of existing RES and load variations.
- Based on the recently reported nature-inspired optimization technique, the dandelion optimizer (DO), the suggested FOPI–PIDD2 controller parameters are being optimized. In addition to its remarkable iterative optimization and great resilience, the suggested DO-based optimization technique can reduce the huge training data and/or expensive mathematical computations necessary in existing methods.
- Improving the dynamic performance of the combined LFC–AVR system integrated with electric vehicles.
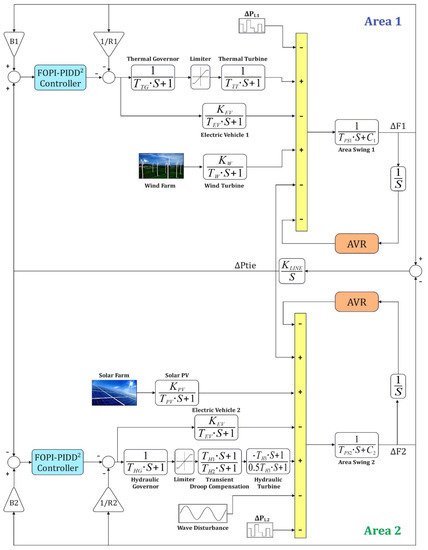
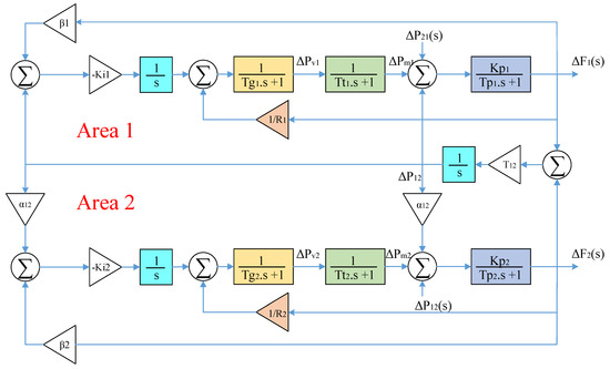
2. Voltage and Frequency Control Infrastructure
2.1. Modeling of LFC and AVR Control System
3. Design of the Integrated LFC–AVR Based on the FOPI–PIDD2 Controller
3.1. Design of the Proposed FOPI–PIDD2 Controller
3.2. Improved DO Algorithm for Optimization of the Proposed Controller
3.3. Configuration of the Studied Hybrid Two-Area System
4. Simulation Results and Discussion
- Scenario 1: Step load variation (SLV) impact.
- Scenario 2: Random load variation (RLV) and time-varying desired voltage (TVDV) impact.
- Scenario 3: Solar irradiance variation impact.
- Scenario 4: Wind speed variation impact.
- Scenario 5: Wave variation impact.
- Scenario 6: Consideration of all RESs as well as TVDV.
- Scenario 7: Communication time delay (CTD) impact.
- Scenario 8: Disconnection of electric vehicles (EVs) impact.
- Scenario 9: System parameter variation impact.
4.1. Scenario 1: Step Load Variation (SLV) Impact
4.2. Scenario 2: Random Load Variation (RLV) and Time-Varying Desired Voltage (TVDV) Impact
4.3. Scenario 3: Solar Irradiance Variation Impact
4.4. Scenario 4: Wind Speed Variation Impact
4.5. Scenario 5: Wave Variation Impact
4.6. Scenario 6: Consideration of all RESs as Well as TVDV
4.7. Scenario 7: Communication Time Delay (CTD) Impact
4.8. Scenario 8: Integration of Electric Vehicles (EVs) Impact
4.9. Scenario 9: System Parameter Variation Impact
5. Conclusions
Author Contributions
Funding
Institutional Review Board Statement
Informed Consent Statement
Data Availability Statement
Acknowledgments
Conflicts of Interest
References
- Kundur, P.S.; Om, P.M. Power System Stability and Control; McGraw-Hill Education: New York, NY, USA, 2022. [Google Scholar]
- Shouran, M.; Anayi, F.; Packianather, M.; Habil, M. Load Frequency Control Based on the Bees Algorithm for the Great Britain Power System. Designs 2021, 5, 50. [Google Scholar] [CrossRef]
- Kalyan, C.N.S.; Rao, G.S. Frequency and voltage stabilisation in combined load frequency control and automatic voltage regulation of multiarea system with hybrid generation utilities by AC/DC links. Int. J. Sustain. Energy 2020, 39, 1009–1029. [Google Scholar] [CrossRef]
- Grover, H.; Verma, A.; Bhatti, T. Load frequency control & automatic voltage regulation for a single area power system. In Proceedings of the 2020 IEEE 9th Power India International Conference (PIICON), Sonepat, India, 28 February–1 March 2020; pp. 1–5. [Google Scholar]
- Dashtdar, M.; Flah, A.; El-Bayeh, C.Z.; Tostado-Véliz, M.; Al Durra, A.; Aleem, S.H.A.; Ali, Z.M. Frequency control of the islanded microgrid based on optimised model predictive control by PSO. IET Renew. Power Gener. 2022, 16, 2088–2100. [Google Scholar] [CrossRef]
- Abuagreb, M.; Ajao, B.; Herbert, H.; Johnson, B.K. Evaluation of virtual synchronous generator compared to synchronous generator. In Proceedings of the 2020 IEEE Power & Energy Society Innovative Smart Grid Technologies Conference (ISGT), Washington, DC, USA, 17 –20 February 2020; pp. 1–5. [Google Scholar]
- Abuagreb, M.; Allehyani, M.F.; Johnson, B.K. Overview of Virtual Synchronous Generators: Existing Projects, Challenges, and Future Trends. Electronics 2022, 11, 2843. [Google Scholar] [CrossRef]
- Shouran, M.; Anayi, F.; Packianather, M. The Bees Algorithm Tuned Sliding Mode Control for Load Frequency Control in Two-Area Power System. Energies 2021, 14, 5701. [Google Scholar] [CrossRef]
- Ismail, M.M.; Bendary, A.F. Load Frequency Control for Multi Area Smart Grid based on Advanced Control Techniques. Alex. Eng. J. 2018, 57, 4021–4032. [Google Scholar] [CrossRef]
- Dashtdar, M.; Flah, A.; Hosseinimoghadam, S.M.S.; Reddy, C.R.; Kotb, H.; AboRas, K.M.; Bortoni, E.C. Improving the Power Quality of Island Microgrid with Voltage and Frequency Control Based on a Hybrid Genetic Algorithm and PSO. IEEE Access 2022, 10, 105352–105365. [Google Scholar] [CrossRef]
- Abubakr, H.; Vasquez, J.C.; Mohamed, T.H.; Guerrero, J.M. The concept of direct adaptive control for improving voltage and frequency regulation loops in several power system applications. Int. J. Electr. Power Energy Syst. 2022, 140, 108068. [Google Scholar] [CrossRef]
- Mojumder, H.M.R.; Roy, N.K. PID, LQR, and LQG Controllers to Maintain the Stability of an AVR System at Varied Model Parameters. In Proceedings of the 2021 5th International Conference on Electrical Engineering and Information & Communication Technology (ICEEICT), Dhaka, Bangladesh, 18–20 November 2021; pp. 1–6. [Google Scholar]
- Lai, H.B.; Tran, A.T.; Huynh, V.; Amaefule, E.N.; Tran, P.T.; Phan, V.D. Optimal linear quadratic Gaussian control based frequency regulation with communication delays in power system. Int. J. Electr. Comput. Eng. 2022, 12, 157–165. [Google Scholar] [CrossRef]
- Bhutto, D.K.; Ansari, J.; Zameer, H. Implementation of AI Based Power Stabilizer Using Fuzzy and Multilayer Perceptron In MatLab. In Proceedings of the 2020 3rd International Conference on Computing, Mathematics and Engineering Technologies (iCoMET), Sukkur, Pakistan, 29–30 January 2020; pp. 1–8. [Google Scholar]
- Hosseinimoghadam, S.M.S.; Dashtdar, M.; Dashtdar, M.; Roghanian, H. Security control of islanded micro-grid based on adaptive neuro-fuzzy inference system. Sci. Bull. Ser. C Electr. Eng. Comput. Sci. 2020, 1, 189–204. [Google Scholar]
- Modabbernia, M.; Alizadeh, B.; Sahab, A.; Moghaddam, M.M. Designing the Robust Fuzzy PI and Fuzzy Type-2 PI Controllers by Metaheuristic Optimizing Algorithms for AVR System. IETE J. Res. 2020, 68, 3540–3554. [Google Scholar] [CrossRef]
- Bhutto, A.A.; Chachar, F.A.; Hussain, M.; Bhutto, D.K.; Bakhsh, S.E. Implementation of probabilistic neural network (PNN) based automatic voltage regulator (AVR) for excitation control system in Matlab. In Proceedings of the 2019 2nd International Conference on Computing, Mathematics and Engineering Technologies (iCoMET), Sukkur, Pakistan, 30–31 January 2019; pp. 1–5. [Google Scholar]
- Nahas, N.; Abouheaf, M.; Darghouth, M.N.; Sharaf, A. A multi-objective AVR-LFC optimization scheme for multi-area power systems. Electr. Power Syst. Res. 2021, 200, 107467. [Google Scholar] [CrossRef]
- Kalyan, C.N.S.; Goud, B.S.; Reddy, C.R.; Bajaj, M.; Sharma, N.K.; Alhelou, H.H.; Siano, P.; Kamel, S. Comparative Performance Assessment of Different Energy Storage Devices in Combined LFC and AVR Analysis of Multi-Area Power System. Energies 2022, 15, 629. [Google Scholar] [CrossRef]
- Aguila-Camacho; Norelys; García-Bustos, J.E.; Castillo-López, E.I. Switched Fractional Order Model Reference Adaptive Control for an Automatic Voltage Regulator. In International Design Engineering Technical Conferences and Computers and Information in Engineering Conference; American Society of Mechanical Engineers: New York City, NY, USA, 2021; Volume 85437, p. V007T07A017. [Google Scholar]
- Safiullah, S.; Rahman, A.; Ahmad Lone, S. Optimal control of electrical vehicle incorporated hybrid power system with second order fractional-active disturbance rejection controller. Optim. Control. Appl. Methods 2021. [Google Scholar] [CrossRef]
- Aljaifi, T.; Bawazir, A.; Abdellatif, A.; Pauline, O.; Yee, L.C.; Abdullah, H. Applying genetic algorithm to optimize the PID controller parameters for an effective automatic voltage regulator. Commun. Comput. Appl. Math. 2019, 1, 10–15. [Google Scholar]
- Yegireddy, N.K.; Panda, S.; Papinaidu, T.; Yadav, K.P.K. Multi-objective non dominated sorting genetic algorithm-II optimized PID controller for automatic voltage regulator systems. J. Intell. Fuzzy Syst. 2018, 35, 4971–4975. [Google Scholar] [CrossRef]
- Guha, D.; Roy, P.K.; Banerjee, S.; Padmanaban, S.; Blaabjerg, F.; Chittathuru, D. Small-Signal Stability Analysis of Hybrid Power System with Quasi-Oppositional Sine Cosine Algorithm Optimized Fractional Order PID Controller. IEEE Access 2020, 8, 155971–155986. [Google Scholar] [CrossRef]
- Kamel, S.; Elkasem, A.H.A.; Korashy, A.; Ahmed, M.H. Sine Cosine Algorithm for Load Frequency Control Design of Two Area Interconnected Power System with DFIG Based Wind Turbine. In Proceedings of the 2019 International Conference on Computer, Control, Electrical, and Electronics Engineering (ICCCEEE), Khartoum, Sudan, 21–23 September 2019. [Google Scholar]
- Ghosh, A.; Ray, A.K.; Nurujjaman; Jamshidi, M. Voltage and frequency control in conventional and PV integrated power systems by a particle swarm optimized Ziegler–Nichols based PID controller. SN Appl. Sci. 2021, 3, 314. [Google Scholar] [CrossRef]
- Ebrahim, M.A.; Ali, A.M.; Hassan, M.M. Frequency and voltage control of multi area power system via novel particle swarm optimization techniques. Int. J. Comput. Res. 2017, 24, 427–474. [Google Scholar]
- Mokeddem, D.; Mirjalili, S. Improved Whale Optimization Algorithm applied to design PID plus second-order derivative controller for automatic voltage regulator system. J. Chin. Inst. Eng. 2020, 43, 541–552. [Google Scholar] [CrossRef]
- Taher, S.A.; Fini, M.H.; Aliabadi, S.F. Fractional order PID controller design for LFC in electric power systems using imperialist competitive algorithm. Ain Shams Eng. J. 2014, 5, 121–135. [Google Scholar] [CrossRef]
- Mahmoud, E. Design of neural network predictive controller based on imperialist competitive algorithm for automatic voltage regulator. Neural Comput. Appl. 2019, 31, 5017–5027. [Google Scholar]
- Chatterjee, S.; Mukherjee, V. PID controller for automatic voltage regulator using teaching–learning based optimization technique. Int. J. Electr. Power Energy Syst. 2016, 77, 418–429. [Google Scholar] [CrossRef]
- Yeboah, S.J. Gravitational Search Algorithm Based Automatic Load Frequency Control for Multi-Area Interconnected Power System. Turk. J. Comput. Math. Educ. (TURCOMAT) 2021, 12, 4548–4568. [Google Scholar]
- Alhelou, H.H.; Hamedani-Golshan, M.E.; Zamani, R.; Heydarian-Forushani, E.; Siano, P. Challenges and opportunities of load frequency control in conventional, modern and future smart power systems: A comprehensive review. Energies 2018, 11, 2497. [Google Scholar] [CrossRef]
- Ali, T.; Malik, S.A.; Daraz, A.; Aslam, S.; Alkhalifah, T. Dandelion Optimizer-Based Combined Automatic Voltage Regulation and Load Frequency Control in a Multi-Area, Multi-Source Interconnected Power System with Nonlinearities. Energies 2022, 15, 8499. [Google Scholar] [CrossRef]
- Ali, M.H.; Soliman, A.M.A.; Ahmed, M.F.; Adel, A.H. Optimization of Reactive Power Dispatch Considering DG Units Uncertainty By Dandelion Optimizer Algorithm. Int. J. Renew. Energy Res. (IJRER) 2022, 12, 1805–1818. [Google Scholar] [CrossRef]
- Zhao, S.; Zhang, T.; Ma, S.; Chen, M. Dandelion Optimizer: A nature-inspired metaheuristic algorithm for engineering applications. Eng. Appl. Artif. Intell. 2022, 114, 105075. [Google Scholar] [CrossRef]
- Padiachy, V.; Mehta, U.; Azid, S.; Prasad, S.; Kumar, R. Two degree of freedom fractional PI scheme for automatic voltage regulation. Eng. Sci. Technol. Int. J. 2021, 30, 101046. [Google Scholar] [CrossRef]
- Pathak, P.K.; Yadav, A.K.; Padmanaban, S.; Kamwa, I. Fractional Cascade LFC for Distributed Energy Sources via Advanced Optimization Technique Under High Renewable Shares. IEEE Access 2022, 10, 92828–92842. [Google Scholar] [CrossRef]
- Ali, M.; Kotb, H.; AboRas, M.K.; Abbasy, H.N. Frequency regulation of hybrid multi-area power system using wild horse optimizer based new combined Fuzzy Fractional-Order PI and TID controllers. Alex. Eng. J. 2022, 61, 12187–12210. [Google Scholar] [CrossRef]
- Hossam-Eldin, A.A.; Negm, E.; Ragab, M.; AboRas, K.M. A maiden robust FPIDD2 regulator for frequency-voltage enhancement in a hybrid interconnected power system using Gradient-Based Optimizer. Alex. Eng. J. 2022, 65, 103–118. [Google Scholar] [CrossRef]
- Ćalasan, M.; Micev, M.; Djurovic, Ž.; Mageed, H.M.A. Artificial ecosystem-based optimization for optimal tuning of robust PID controllers in AVR systems with limited value of excitation voltage. Int. J. Electr. Eng. Educ. 2020, 0020720920940605. [Google Scholar] [CrossRef]
- Khudhair, M.; Ragab, M.; AboRas, K.M.; Abbasy, N.H. Robust Control of Frequency Variations for a Multi-Area Power System in Smart Grid Using a Newly Wild Horse Optimized Combination of PIDD2 and PD Controllers. Sustainability 2022, 14, 8223. [Google Scholar] [CrossRef]
- Elkasem, A.H.A.; Khamies, M.; Hassan, M.H.; Agwa, A.M.; Kamel, S. Optimal Design of TD-TI Controller for LFC Considering Renewables Penetration by an Improved Chaos Game Optimizer. Fractal Fract. 2022, 6, 220. [Google Scholar] [CrossRef]







































| Power Plant | Model | Transfer Function | Parameter Value |
|---|---|---|---|
| Non-reheat Thermal | Governor | ||
| Limiter | ______ | ||
| Turbine | |||
| Hydraulic | Governor | ||
| Limiter | ______ | ||
| Transient droop compensation | |||
| Turbine | |||
| AVR | Amplifier | ||
| Exciter | |||
| Generator | |||
| Sensor | |||
| AVR coupling coefficients | |||
| Other models | Solar PV | ||
| Wind turbine | |||
| EV | |||
| Area swing 1 | |||
| Area swing 2 | |||
| T-line | |||
| Frequency bias coefficients | |||
| Speed droops |
| Area. 1 | ||||||||||||||||||
|---|---|---|---|---|---|---|---|---|---|---|---|---|---|---|---|---|---|---|
| AVR | LFC | |||||||||||||||||
| Controller | KP | KI/KD | λ/ND | kp/KT1 | ki/KD1 | kd1/ΚT2 | kd2/KI2 | N1/nt1 | N2/nt2 | KP | KI/KD | λ/ND | kp/KT1 | ki/KD1 | kd1/ΚT2 | kd2/KI2 | N1/nt1 | N2/nt2 |
| TD–TI optimized by DO | _____ | _____ | _____ | 10 | 4.9516 | −0.832 | 0.2036 | 9.988 | 2.654 | _____ | _____ | _____ | 6.7264 | 0.6799 | −4.432 | 0.4037 | 1.2364 | 1.194 |
| PD–PIDD2 optimized by DO | −0.105 | −2.241 | 300 | −1.192 | −2.817 | 0 | −0.011 | 403 | 431 | 0.226 | 0.2884 | 305 | 1.737 | 0.9218 | −0.018 | 0.299 | 389 | 432 |
| FOPI–PIDD2 optimized by DO (proposed) | 4.9646 | 1.8782 | 0.1 | 4.2481 | 0.1146 | 0.5628 | 0.0248 | 400 | 499 | −4.821 | −2.981 | 0.129 | 4.9799 | 2.9553 | 1.9971 | 0.0214 | 499 | 458 |
| Area. 2 | ||||||||||||||||||
| AVR | LFC | |||||||||||||||||
| Controller | KP | KI/KD | λ/ND | kp/KT1 | ki/KD1 | kd1/ΚT2 | kd2/KI2 | N1/nt1 | N2/nt2 | KP | KI/KD | λ/ND | kp/KT1 | ki/KD1 | kd1/ΚT2 | kd2/KI2 | N1/nt1 | N2/nt2 |
| TD–TI optimized by DO | _____ | _____ | _____ | 0.3061 | 1.6737 | 10 | 0.3264 | 1 | 10 | _____ | _____ | _____ | −0.313 | −9.976 | −10 | −3.284 | 9.5124 | 5.5424 |
| PD–PIDD2 optimized by DO | −2.957 | −0.544 | 413 | −3.669 | −0.237 | 0 | 0.148 | 315 | 394 | 1.7582 | 3.9104 | 499 | −1.088 | −3.935 | −0.028 | −0.025 | 479 | 308 |
| FOPI–PIDD2 optimized by DO (proposed) | −0.813 | −1.576 | 0.113 | −4.084 | −0.259 | −0.994 | 0.0013 | 495 | 400 | −4.987 | −2.973 | 0.521 | 5 | 1.7759 | 1.9933 | −0.012 | 500 | 441 |
| Controller | ΔF1 (Hz) | ΔF2 (Hz) | ΔPtie (Mw.pu) | V1 (pu) | V2 (pu) | ITSE | ||||||||||
|---|---|---|---|---|---|---|---|---|---|---|---|---|---|---|---|---|
| MOS | MUS | ST | MOS | MUS | ST | MOS | MUS | ST | MP | RT | ST | MP | RT | ST | ||
| TD–TI optimized by DO | 0.02 | −0.42 | 10 | 0 | −0.24 | 11 | 0.011 | −0.051 | 13 | 1.014 | 1.02 | 1.6 | 1.059 | 0.19 | 1.38 | 0.2357 |
| PD–PIDD2 optimized by DO | 0.004 | −0.513 | 6 | 0 | −0.31 | 8.5 | 0.002 | −0.081 | 10 | 1 | 0.84 | 1.7 | 1.049 | 0.17 | 1.16 | 0.2136 |
| FOPI–PIDD2 optimized by DO (proposed) | 0.00001 | −0.133 | 2.1 | 0 | −0.147 | 3.2 | 0.006 | −0.006 | 2.8 | 1.059 | 0.14 | 0.67 | 1.052 | 0.172 | 1.22 | 0.0342 |
| Controller | ITSE | The Total ITSE | ||||
|---|---|---|---|---|---|---|
| ΔF1 | ΔF2 | ΔPtie | V1 | V2 | ||
| TD–TI optimized by DO | 0.1196 | 0.08388 | 0.01742 | 0.2773 | 0.08347 | 0.5818 |
| PD–PIDD2 optimized by DO | 0.1652 | 0.1182 | 0.02328 | 0.1238 | 0.05643 | 0.487 |
| FOPI–PIDD2 optimized by DO (proposed) | 0.004 | 0.0082 | 0.00036 | 0.1258 | 0.0583 | 0.1968 |
| Controller | ITSE | The Total ITSE | ||||
|---|---|---|---|---|---|---|
| ΔF1 | ΔF2 | ΔPtie | V1 | V2 | ||
| TD–TI optimized by DO | 0.2095 | 0.4514 | 0.03479 | 0.1662 | 0.1753 | 1.037 |
| PD–PIDD2 optimized by DO | 0.09275 | 0.05363 | 0.01396 | 0.04547 | 0.01305 | 0.2189 |
| FOPI–PIDD2 optimized by DO (proposed) | 0.0039 | 0.00312 | 0.0002 | 0.01497 | 0.01366 | 0.03588 |
| Controller | ITSE | The Total ITSE | ||||
|---|---|---|---|---|---|---|
| ΔF1 | ΔF2 | ΔPtie | V1 | V2 | ||
| TD–TI optimized by DO | 0.09172 | 0.05066 | 0.00445 | 0.07837 | 0.01525 | 0.2405 |
| PD–PIDD2 optimized by DO | 0.1071 | 0.04782 | 0.00832 | 0.04596 | 0.013 | 0.2222 |
| FOPI–PIDD2 optimized by DO (proposed) | 0.0033 | 0.00235 | 0.00004 | 0.01504 | 0.01366 | 0.03441 |
| Controller | ITSE | The Total ITSE | ||||
|---|---|---|---|---|---|---|
| ΔF1 | ΔF2 | ΔPtie | V1 | V2 | ||
| TD–TI optimized by DO | 0.08339 | 0.06655 | 0.01087 | 0.07788 | 0.01517 | 0.2539 |
| PD–PIDD2 optimized by DO | 0.09399 | 0.05725 | 0.0116 | 0.04547 | 0.01305 | 0.2214 |
| FOPI–PIDD2 optimized by DO (proposed) | 0.00416 | 0.003675 | 0.000194 | 0.01498 | 0.01366 | 0.03667 |
| Controller | ITSE | The Total ITSE | ||||
|---|---|---|---|---|---|---|
| ΔF1 | ΔF2 | ΔPtie | V1 | V2 | ||
| TD–TI optimized by DO | 0.1345 | 0.07219 | 0.0172 | 0.2777 | 0.08364 | 0.5853 |
| PD–PIDD2 optimized by DO | 0.1664 | 0.08191 | 0.01746 | 0.1244 | 0.0563 | 0.4465 |
| FOPI–PIDD2 optimized by DO (proposed) | 0.004957 | 0.005757 | 0.000322 | 0.1263 | 0.05835 | 0.1957 |
| Area. 1 | ||||||||||||||||||
|---|---|---|---|---|---|---|---|---|---|---|---|---|---|---|---|---|---|---|
| AVR | LFC | |||||||||||||||||
| Controller | KP | KI/ KD | λ/ ND | kp/ KT1 | ki/ KD1 | kd1/ ΚT2 | kd2/ KI2 | N1/nt1 | N2/nt2 | KP | KI/ KD | λ/ ND | kp/ KT1 | ki/ KD1 | kd1/ΚT2 | kd2/KI2 | N1/nt1 | N2/nt2 |
| TD–TI optimized by DO | _____ | _____ | _____ | 2.846 | 1.55 | −1.023 | 1.2 | 10 | 1.04 | _____ | _____ | _____ | −0.392 | 0.521 | 1.115 | 1.722 | 1.1 | 2.48 |
| PD–PIDD2 optimized by DO | −0.468 | −3.695 | 347 | −2.168 | −2.614 | −0.206 | 0.0474 | 403 | 477 | −0.361 | −0.975 | 486 | −0.169 | 3.965 | −0.789 | 0.8116 | 362 | 434 |
| FOPI–PIDD2 optimized by DO (proposed) | −4.068 | −0.494 | 0.542 | −2.766 | −0.067 | −0.518 | 0.059 | 494 | 453 | 4.524 | 2.936 | 0.215 | −4.255 | −2.75 | −1.534 | −0.003 | 412 | 490 |
| Area. 2 | ||||||||||||||||||
| AVR | LFC | |||||||||||||||||
| Controller | KP | KI/ KD | λ/ ND | kp/ KT1 | ki/ KD1 | kd1/ΚT2 | kd2/ KI2 | N1/nt1 | N2/nt2 | KP | KI/ KD | λ/ ND | kp/ KT1 | ki/ KD1 | kd1/ΚT2 | kd2/KI2 | N1/nt1 | N2/nt2 |
| TD–TI optimized by DO | _____ | _____ | _____ | −0.693 | 0.953 | 4.23 | 0.596 | 1.487 | 8.275 | _____ | _____ | _____ | 1.221 | −8.73 | −10 | −6.051 | 1 | 6.3 |
| PD–PIDD2 optimized by DO | 0.541 | 3.188 | 337 | 2.457 | 3.467 | 0.294 | 0.0473 | 306 | 303 | 2.3218 | 0.212 | 407 | −3.888 | −0.563 | −1.418 | 0.022 | 393 | 334 |
| FOPI–PIDD2 optimized by DO (proposed) | 4.87 | 0.0153 | 0.196 | 2.555 | 0.141 | 0.456 | 0.07 | 500 | 499 | 4.495 | 3 | 0.185 | −4.405 | −0.79 | −1.526 | 0.048 | 449 | 401 |
| Controller | ΔF1 (Hz) | ΔF2 (Hz) | ΔPtie (Mw.pu) | V1 (pu) | V2 (pu) | ITSE | ||||||||||
|---|---|---|---|---|---|---|---|---|---|---|---|---|---|---|---|---|
| MOS | MUS | ST | MOS | MUS | ST | MOS | MUS | ST | MP | RT | ST | MP | RT | ST | ||
| TD–TI optimized by DO | 0.004 | −0.473 | 7 | 0 | −0.283 | 9 | 0 | −0.061 | 19 | 1.033 | 1.09 | 3.47 | 1.08 | 0.25 | 1.96 | 0.3138 |
| PD–PIDD2 optimized by DO | 0.09 | −0.462 | 13 | 0.065 | −0.436 | 12 | 0.0071 | −0.028 | 18 | 1.003 | 1.55 | 2.97 | 1.005 | 1.25 | 2.39 | 0.8013 |
| FOPI–PIDD2 optimized by DO (proposed) | 0.002 | −0.215 | 3 | 0.002 | −0.196 | 3 | 0.0038 | −0.005 | 20 | 1.093 | 0.14 | 1.1 | 1.07 | 0.15 | 0.72 | 0.0635 |
| FOPI–PIDD2 Optimized by DO (Proposed) | ITSE | The Total ITSE | ||||
|---|---|---|---|---|---|---|
| ΔF1 | ΔF2 | ΔPtie | V1 | V2 | ||
| Without Evs | 0.3685 | 1.069 | 0.5776 | 0.9575 | 0.2211 | 3.194 |
| With Evs | 0.00345 | 0.002457 | 0.000039 | 0.01496 | 0.01365 | 0.03456 |
| Controller | Parameter Variation | ΔF1 (Hz) | ΔF2 (Hz) | ΔPtie (Mw.pu) | V1 (pu) | V2 (pu) | ITSE | ||||||||||
|---|---|---|---|---|---|---|---|---|---|---|---|---|---|---|---|---|---|
| MOS | MUS | ST | MOS | MUS | ST | MOS | MUS | ST | MP | RT | ST | MP | RT | ST | |||
| FOPI–PIDD2 optimized by DO (proposed) | Nominal | 0.00001 | −0.133 | 2.1 | 0 | −0.147 | 3.2 | 0.006 | −0.006 | 2.8 | 1.059 | 0.14 | 0.67 | 1.052 | 0.172 | 1.22 | 0.0342 |
| 0 | −0.105 | 2.03 | 0 | −0.114 | 3.1 | 0.0058 | −0.0059 | 2.78 | 1.055 | 0.14 | 0.66 | 1.05 | 0.17 | 1.21 | 0.03182 | ||
| 0.00002 | −0.18 | 2.23 | 0 | −0.202 | 3.4 | 0.006 | −0.0054 | 2.83 | 1.055 | 0.14 | 0.68 | 1.052 | 0.171 | 1.21 | 0.04446 | ||
Disclaimer/Publisher’s Note: The statements, opinions and data contained in all publications are solely those of the individual author(s) and contributor(s) and not of MDPI and/or the editor(s). MDPI and/or the editor(s) disclaim responsibility for any injury to people or property resulting from any ideas, methods, instructions or products referred to in the content. |
© 2023 by the authors. Licensee MDPI, Basel, Switzerland. This article is an open access article distributed under the terms and conditions of the Creative Commons Attribution (CC BY) license (https://creativecommons.org/licenses/by/4.0/).
Share and Cite
Alharbi, M.; Ragab, M.; AboRas, K.M.; Kotb, H.; Dashtdar, M.; Shouran, M.; Elgamli, E. Innovative AVR-LFC Design for a Multi-Area Power System Using Hybrid Fractional-Order PI and PIDD2 Controllers Based on Dandelion Optimizer. Mathematics 2023, 11, 1387. https://doi.org/10.3390/math11061387
Alharbi M, Ragab M, AboRas KM, Kotb H, Dashtdar M, Shouran M, Elgamli E. Innovative AVR-LFC Design for a Multi-Area Power System Using Hybrid Fractional-Order PI and PIDD2 Controllers Based on Dandelion Optimizer. Mathematics. 2023; 11(6):1387. https://doi.org/10.3390/math11061387
Chicago/Turabian StyleAlharbi, Mohammed, Muhammad Ragab, Kareem M. AboRas, Hossam Kotb, Masoud Dashtdar, Mokhtar Shouran, and Elmazeg Elgamli. 2023. "Innovative AVR-LFC Design for a Multi-Area Power System Using Hybrid Fractional-Order PI and PIDD2 Controllers Based on Dandelion Optimizer" Mathematics 11, no. 6: 1387. https://doi.org/10.3390/math11061387
APA StyleAlharbi, M., Ragab, M., AboRas, K. M., Kotb, H., Dashtdar, M., Shouran, M., & Elgamli, E. (2023). Innovative AVR-LFC Design for a Multi-Area Power System Using Hybrid Fractional-Order PI and PIDD2 Controllers Based on Dandelion Optimizer. Mathematics, 11(6), 1387. https://doi.org/10.3390/math11061387

