Enhanced Teaching Learning-Based Algorithm for Fuel Costs and Losses Minimization in AC-DC Systems
Abstract
:1. Introduction
- ▪
- Various objective targets for optimized energy management in AC-DC transmission systems are handled, by achieving technical and economic benefits.
- ▪
- TLBA is developed with the capability to handle the operational optimization OPF problem by reducing the power losses and the total power generation costs in AC-DC transmission networks with successful application on two IEEE systems comprising 30 and 57 buses
- ▪
- For IEEE 30 and 57 bus systems, very high success rates are demonstrated accompanying to the proposed TLBA
- ▪
- Moreover, when compared to other reported techniques in the literature, TLBA possesses higher convergence rate, greater quality for the ultimate best solution, and more strength for attempting to escape from convergence to optimum.
2. Problem Formulation
2.1. Problem Objectives
2.2. Control and Dependent Variables in AC-DC Network
- (a)
- (Vg1: VgNg) Voltages at generators
- (b)
- (Pg1: PgNg) Real output power of each generator
- (c)
- (Tap1: TapNt) tap setting of transformers
- (d)
- (Qc1: QcNq) Reactive output power of VAr devices
- (a)
- (Vdc-Qc) Constant voltage and reactive power, respectively, at DC and AC buses.
- (b)
- (Vdc-Vc) Constant voltages at DC and AC buses.
- (c)
- (Pdc-Qc) Constant real power and constant reactive power, respectively, trough the DC line and at AC bus
- (d)
- (Pdc-Vc) Constant active power and voltage, respectively, trough the DC line and at the AC bus
- (a)
- (SF1: SFNf) Apparent flow over AC branches
- (b)
- (VL1: VLNPQ) Voltages at load buses
- (c)
- (Qg1: QgNg) Reactive powers of each generator
- (a)
- Real Power flow over DC links.
- (b)
- Voltages at DC buses
2.3. Equality Constraints
2.4. Inequality Constraints
3. Proposed TLBA for OPF Problem in AC-DC Grids
3.1. TLBA Concept
| Algorithm 1. A pseudocode of the TLBA. |
| Input: Number of students (Ns), lower limits (Ymin) and upper limits (Ymax), Maximum number of iterations |
| Output: Minimum fitness solution |
| 1: procedure TLBA |
| 2: Set It = 1 |
| 3: Initialize the population of students (Yj), Yj = Ymin + rand*( Ymax − Ymin) |
| 4: Evaluate the fitness functions of each student j as (F(Yj)) |
| 5: while (It < Maximum number of iterations) do |
| 6: Evaluate the learning changing factor (FT), FT=round[1+rand(0,1)] |
| 7: Select the instructor with the best solution obtained in all population (Yt) |
| 8: Extract the classroom mean (Ym) |
| 9: Apply the teaching phase to update the position of the member (Ynew) based on Eq. (23) |
| 10: Evaluate the fitness functions as (F(Ynew)) |
| 11: Compare the new and current members and accept the one with better fitness value. |
| 12: Randomly select a member (Yk) |
| 13: Apply the learning phase to update the position of the member (Ynew) based on Eq. (25) |
| 14: Evaluate the fitness functions as (F(Ynew)) |
| 15: Compare the new and current members and accept the one with better fitness value. |
| 16: End while |
| 17: Find the best solution with the minimum fitness |
| 18: End procedure |
3.2. Proposed TLBA for OPF Problem in AC-DC Grids
4. Simulation Results
4.1. Results of the IEEE 30-Bus Network
4.1.1. Minimization of the TFCs of the IEEE 30-Bus Network
4.1.2. Minimization of the ETLs of the IEEE 30-Bus Network
- Decreasing the tolerance rates leads to decrease the success rates
- An increased success rate is achieved for increasing the iteration number
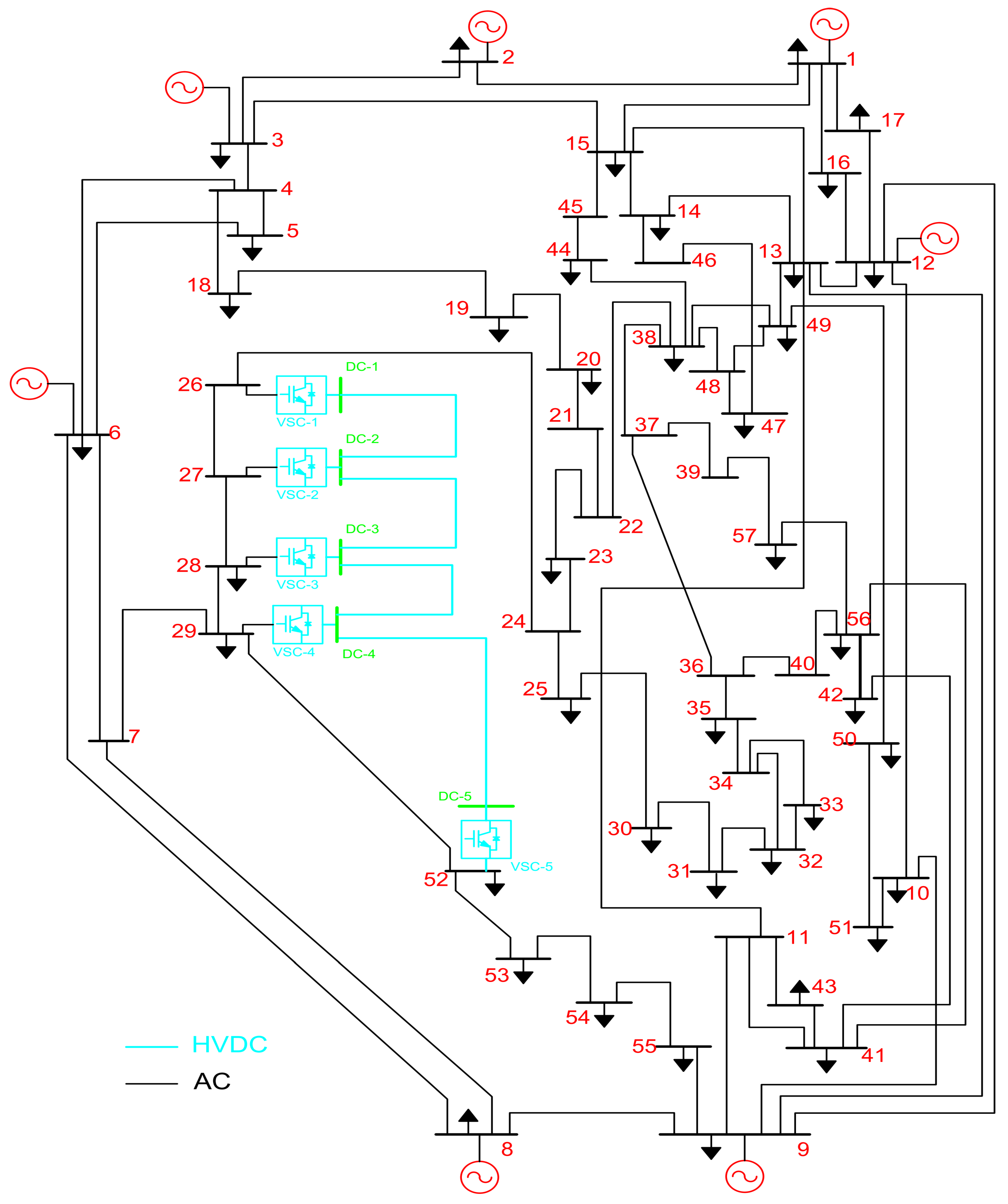
4.2. Results of the IEEE 57-Bus Network
4.2.1. Minimization of the TFCs of the IEEE 57-Bus Network
4.2.2. Minimization of the ETLs of the IEEE 57-Bus Network
4.3. Statistical Analysis of the Proposed TLBA in Solving the OPF Problem
5. Conclusions and Discussion
Author Contributions
Funding
Institutional Review Board Statement
Informed Consent Statement
Data Availability Statement
Conflicts of Interest
Abbreviations
| AC | Alternating Current |
| CSA | Crow Search Algorithm |
| DC | Direct Current |
| ELD | Economic Load Dispatch |
| ETL | Entire Transmission Loss |
| GA | Genetic Approach |
| GWO | Grey Wolf Optimizer |
| HVAC | High Voltage Alternating Current |
| HVDC | High Voltage Direct Current |
| ICSA | Improved Crow Search Algorithm |
| IMPO | Improved Marine Predators Algorithm |
| MPO | Marine Predators Algorithm |
| MRFO | Manta Ray Foraging Optimizer |
| MVO | Multi-Verse Optimizer |
| NSMRFO | Non-Dominated Sorting Manta Ray Foraging Optimization |
| OPF | Optimal Power Flow |
| PSO | Particle Swarm Optimizer |
| PV | Photovoltaic |
| TFC | Total Fuel Cost |
| TLBA | Teaching Learning-Based Algorithm |
| VSC | Voltage Source Converter |
Appendix A
| Algorithm | Settings of the Control Parameters |
|---|---|
| TLBA | Number of students is 50 and 100 for IEEE 30 and 57 bus systems Maximum number of iterations is 300. Learning changing factor (FT) = randi([1 2]) |
| ICSA | Number of crows is 50 and 100 for IEEE 30 and 57 bus systems Maximum number of iterations is 300. Awareness probability = 0.3 Flight length = 2 |
| PSO | Number of particles is 50 and 100 for IEEE 30 and 57 bus systems Maximum number of iterations is 300. cognitive coefficient (c1) = 2; social coefficient (c2) = 2 Constriction coefficient (chi) = 1 |
| CSA | Number of crows is 50 and 100 for IEEE 30 and 57 bus systems Maximum number of iterations is 300. Awareness probability = 0.3 Flight length = 2 |
| GWO | Number of grey wolves is 50 and 100 for IEEE 30 and 57 bus systems Maximum number of iterations is 300. An adaptive parameter (a) which is decreased linearly from 2 to 0 as follows: a = 2-iter × ((2)/MaxIt) |
References
- Ali, M.H.; Kamel, S.; Hassan, M.H.; Tostado-Véliz, M.; Zawbaa, H.M. An improved wild horse optimization algorithm for reliability based optimal DG planning of radial distribution networks. Energy Rep. 2022, 8, 582–604. [Google Scholar] [CrossRef]
- Khoa, T.H.; Vasant, P.M.; Singh, M.S.B.; Dieu, V.N. Swarm based mean-variance mapping optimization for convex and non-convex economic dispatch problems. Memetic Comput. 2017, 9, 91–108. [Google Scholar] [CrossRef]
- Kamboj, V.K.; Kumari, C.L.; Bath, S.K.; Prashar, D.; Rashid, M.; Alshamrani, S.S.; AlGhamdi, A.S. A Cost-Effective Solution for Non-Convex Economic Load Dispatch Problems in Power Systems Using Slime Mould Algorithm. Sustainability 2022, 14, 2586. [Google Scholar] [CrossRef]
- Wu, L.; Liu, Z.; Wei, H.L.; Wang, R. An efficient bilevel differential evolution algorithm with adaptation of lower level population size and search radius. Memetic Comput. 2021, 13, 227–247. [Google Scholar] [CrossRef]
- Daqaq, F.; Kamel, S.; Ouassaid, M.; Ellaia, R.; Agwa, A.M.; Sa, A.M.A. Non-Dominated Sorting Manta Ray Foraging Optimization for Multi-Objective Optimal Power Flow with Wind/Solar/Small-Hydro Energy Sources. Fractal Fract. 2022, 6, 194. [Google Scholar] [CrossRef]
- El-Sehiemy, R.; Elsayed, A.; Shaheen, A.; Elattar, E.; Ginidi, A. Scheduling of Generation Stations, OLTC Substation Transformers and VAR Sources for Sustainable Power System Operation Using SNS Optimizer. Sustainability 2021, 13, 11947. [Google Scholar] [CrossRef]
- Acharya, S.; Ganesan, S.; Kumar, D.V.; Subramanian, S. A multi-objective multi-verse optimization algorithm for dynamic load dispatch problems. Knowl. Based Syst. 2021, 231, 107411. [Google Scholar] [CrossRef]
- Korompili, A.; Wu, Q.; Zhao, H. Review of VSC HVDC connection for offshore wind power integration. Renew. Sustain. Energy Rev. 2016, 59, 1405–1414. [Google Scholar] [CrossRef] [Green Version]
- Renedo, J.; Ibrahim, A.A.; Kazemtabrizi, B.; Garcia-Cerrada, A.; Rouco, L.; Zhao, Q.; Garcia-Gonzalez, J. A simplified algorithm to solve optimal power flows in hybrid VSC-based AC/DC systems. Int. J. Electr. Power Energy Syst. 2019, 110, 781–794. [Google Scholar] [CrossRef] [Green Version]
- Sau-Bassols, J.; Zhao, Q.; García-González, J.; Prieto-Araujo, E.; Gomis-Bellmunt, O. Optimal power flow operation of an interline current flow controller in an hybrid AC/DC meshed grid. Electr. Power Syst. Res. 2019, 177, 105935. [Google Scholar] [CrossRef]
- Ma, Q.; Wei, W.; Chai, W.; Mei, S. Solvability region of AC–DC power systems with volatile renewable energy sources. Energy Rep. 2022, 8, 1463–1472. [Google Scholar] [CrossRef]
- El-Hawary, M.E.; Ibrahim, S.T. A new approach to AC-DC load flow analysis. Electr. Power Syst. Res. 1995, 33, 193–200. [Google Scholar] [CrossRef]
- Beerten, J.; Belmans, R. Development of an open source power flow software for high voltage direct current grids and hybrid AC/DC systems: MATACDC. IET Gener. Transm. Distrib. 2015, 9, 966–974. [Google Scholar] [CrossRef]
- Messalti, S.; Belkhiat, S.; Saadate, S.; Flieller, D. A new approach for load flow analysis of integrated AC-DC power systems using sequential modified Gauss-Seidel methods. Eur. Trans. Electr. Power 2012, 22, 421–432. [Google Scholar] [CrossRef]
- Shi, C.; Tang, A.; Yang, H.; Yan, H.; Lu, Z. Quasi-AC Optimal Power Flow for VSC-MTDC Systems. In Proceedings of the 2020 IEEE 4th Information Technology, Networking, Electronic and Automation Control Conference, ITNEC 2020, Chongqing, China, 12–14 June 2020. [Google Scholar] [CrossRef]
- Zhao, Y.; Liu, Y. A practical AC-DC load flow program based on sequential solution method. In Proceedings of the Proceedings. International Conference on Power System Technology, Kunming, China, 13–17 October 2002; Volume 2. [Google Scholar] [CrossRef]
- al Harthi, M.; Ghoneim, S.; Elsayed, A.; El-Sehiemy, R.; Shaheen, A.; Ginidi, A. A Multi-Objective Marine Predator Optimizer for Optimal Techno-Economic Operation of AC/DC Grids. Stud. Inf. Control 2021, 30, 89–99. [Google Scholar] [CrossRef]
- Zhao, Q.; García-González, J.; Gomis-Bellmunt, O.; Prieto-Araujo, E.; Echavarren, F.M. Impact of converter losses on the optimal power flow solution of hybrid networks based on VSC-MTDC. Electr. Power Syst. Res. 2017, 151, 395–403. [Google Scholar] [CrossRef] [Green Version]
- Beerten, J.; Cole, S.; Belmans, R. Modeling of multi-terminal vsc hvdc systems with distributed dc voltage control. IEEE Trans. Power Syst. 2014, 29, 34–42. [Google Scholar] [CrossRef] [Green Version]
- Baradar, M.; Ghandhari, M. A multi-option unified power flow approach for hybrid AC/DC grids incorporating multi-terminal VSC-HVDC. IEEE Trans. Power Syst. 2013, 28, 2376–2383. [Google Scholar] [CrossRef]
- Khan, M.O.; Wadood, A.; Abid, M.I.; Khurshaid, T.; Rhee, S.B. Minimization of network power losses in the ac-dc hybrid distribution network through network reconfiguration using soft open point. Electronics 2021, 10, 326. [Google Scholar] [CrossRef]
- Wang, S.; Zhu, J.; Trinh, L.; Pan, J. Economic assessment of HVDC project in deregulated energy markets. In Proceedings of the 3rd International Conference on Deregulation and Restructuring and Power Technologies, DRPT 2008, Nanjing, China, 6–9 April 2008. [Google Scholar] [CrossRef]
- Feng, W.; Tjernberg, L.B.; Mannikoff, A.; Bergman, A. A new approach for benefit evaluation of multiterminal VSC-HVDC using a proposed mixed AC/DC optimal power flow. IEEE Trans. Power Deliv. 2014, 29, 432–443. [Google Scholar] [CrossRef]
- Lotfjou, A.; Fu, Y.; Shahidehpour, M. Hybrid AC/DC transmission expansion planning. IEEE Trans. Power Deliv. 2012, 27, 579–591. [Google Scholar] [CrossRef]
- Hotz, M.; Member, S.; Utschick, W.; Member, S. hynet: An Optimal Power Flow Framework for Hybrid AC/DC Power Systems. IEEE Trans. Power Syst. 2020, 35, 1036–1047. [Google Scholar] [CrossRef] [Green Version]
- Maulik, A.; Das, D. Optimal power dispatch considering load and renewable generation uncertainties in an AC–DC hybrid microgrid. IET Gener. Transm. Distrib. 2019, 13, 1164–1176. [Google Scholar] [CrossRef]
- Baradar, M.; Hesamzadeh, M.R.; Ghandhari, M. Second-order cone programming for optimal power flow in VSC-type AC-DC grids. IEEE Trans. Power Syst. 2013, 28, 4282–4291. [Google Scholar] [CrossRef]
- Cao, J.; Du, W.; Wang, H.F.; Bu, S.Q. Minimization of transmission loss in meshed AC/DC grids with VSC-MTDC networks. IEEE Trans. Power Syst. 2013, 28, 3047–3055. [Google Scholar] [CrossRef]
- Shaheen, A.M.; Elsayed, A.M.; El-Sehiemy, R.A. Optimal Economic–Environmental Operation for AC-MTDC Grids by Improved Crow Search Algorithm. IEEE Syst. J. 2022, 16, 1270–1277. [Google Scholar] [CrossRef]
- Elattar, E.E.; Shaheen, A.M.; Elsayed, A.M.; El-Sehiemy, R.A. Optimal power flow with emerged technologies of voltage source converter stations in meshed power systems. IEEE Access 2020, 8, 166963–166979. [Google Scholar] [CrossRef]
- Pinto, R.T.; Rodrigues, S.F.; Wiggelinkhuizen, E.; Scherrer, R.; Bauer, P.; Pierik, J. Operation and power flow control of multi-terminal DC networks for grid integration of offshore wind farms using genetic algorithms. Energies 2013, 6, 1. [Google Scholar] [CrossRef] [Green Version]
- Sayah, S. Modified differential evolution approach for practical optimal reactive power dispatch of hybrid AC–DC power systems. Appl. Soft Comput. J. 2018, 73, 591–606. [Google Scholar] [CrossRef]
- Abdul-hamied, D.T.; Shaheen, A.M.; Salem, W.A.; Gabr, W.I.; El-sehiemy, R.A. Equilibrium optimizer based multi dimensions operation of hybrid AC/DC grids. Alexandria Eng. J. 2020, 59, 4787–4803. [Google Scholar] [CrossRef]
- Elsayed, A.M.; Shaheen, A.M.; Alharthi, M.M.; Ghoneim, S.S.M.; El-Sehiemy, R.A. Adequate operation of hybrid AC/MT-HVDC power systems using an improved multi- objective marine predators optimizer. IEEE Access 2021, 9, 51065–51087. [Google Scholar] [CrossRef]
- Rao, R.; Savsani, V.; Vakharia, D. Teaching–Learning-Based Optimization: An optimization method for continuous non-linear large scale problems. Inf. Sci. 2012, 183, 1–15. [Google Scholar] [CrossRef]
- Zou, F.; Chen, D.; Xu, Q. A survey of teaching–learning-based optimization. Neurocomputing 2018, 335, 366–383. [Google Scholar] [CrossRef]
- Xue, R.; Wu, Z. A Survey of Application and Classification on Teaching-Learning-Based Optimization Algorithm. IEEE Access 2019, 8, 1062–1079. [Google Scholar] [CrossRef]
- Mi, X.; Liao, Z.; Li, S.; Gu, Q. Adaptive teaching–learning-based optimization with experience learning to identify photovoltaic cell parameters. Energy Rep. 2021, 7, 4114–4125. [Google Scholar] [CrossRef]
- Li, L.; Xiong, G.; Yuan, X.; Zhang, J.; Chen, J. Parameter Extraction of Photovoltaic Models Using a Dynamic Self-Adaptive and Mutual- Comparison Teaching-Learning-Based Optimization. IEEE Access 2021, 9, 52425–52441. [Google Scholar] [CrossRef]
- Ashtiani, M.N.; Toopshekan, A.; Astaraei, F.R.; Yousefi, H.; Maleki, A. Techno-economic analysis of a grid-connected PV/battery system using the teaching-learning-based optimization algorithm. Sol. Energy 2020, 203, 69–82. [Google Scholar] [CrossRef]
- Yaqoob, M.T.; Rahmat, M.K.; Maharum, S.M.M. Modified teaching learning based optimization for selective harmonic elimination in multilevel inverters. Ain Shams Eng. J. 2022, 13, 101714. [Google Scholar] [CrossRef]
- Le, P.-N.; Kang, H.-J. Robot Manipulator Calibration Using a Model Based Identification Technique and a Neural Network With the Teaching Learning-Based Optimization. IEEE Access 2020, 8, 105447–105454. [Google Scholar] [CrossRef]
- Elshaboury, N.; Abdelkader, E.M.; Al-Sakkaf, A.; Alfalah, G. Teaching-Learning-Based Optimization of Neural Networks for Water Supply Pipe Condition Prediction. Water 2021, 13, 3546. [Google Scholar] [CrossRef]
- Safari, M.; de Sousa, R.J.A.; Rabiee, A.H.; Tahmasbi, V. Investigation of Dissimilar Resistance Spot Welding Process of AISI 304 and AISI 1060 Steels with TLBO-ANFIS and Sensitivity Analysis. Metals 2021, 11, 1324. [Google Scholar] [CrossRef]
- Yang, N.-C.; Liu, S.-W. Multi-Objective Teaching–Learning-Based Optimization with Pareto Front for Optimal Design of Passive Power Filters. Energies 2021, 14, 6408. [Google Scholar] [CrossRef]
- Jalalzad, S.H.; Yektamoghadam, H.; Haghighi, R.; Dehghani, M.; Nikoofard, A.; Khosravy, M.; Senjyu, T. A Game Theory Approach Using the TLBO Algorithm for Generation Expansion Planning by Applying Carbon Curtailment Policy. Energies 2022, 15, 1172. [Google Scholar] [CrossRef]
- Wu, D.; Jia, H.; Abualigah, L.; Xing, Z.; Zheng, R.; Wang, H.; Altalhi, M. Enhance Teaching-Learning-Based Optimization for Tsallis-Entropy-Based Feature Selection Classification Approach. Processes 2022, 10, 360. [Google Scholar] [CrossRef]
- Ayalew, M.; Khan, B.; Alaas, Z.M. Optimal Service Restoration Scheme for Radial Distribution Network Using Teaching Learning Based Optimization. Energies 2022, 15, 2505. [Google Scholar] [CrossRef]
- Alghamdi, A.S. A New Self-Adaptive Teaching–Learning-Based Optimization with Different Distributions for Optimal Reactive Power Control in Power Networks. Energies 2022, 15, 2759. [Google Scholar] [CrossRef]
- Bouchekara, H.; Chaib, A.; Abido, M.; El-Sehiemy, R. Optimal power flow using an Improved Colliding Bodies Optimization algorithm. Appl. Soft Comput. 2016, 42, 119–131. [Google Scholar] [CrossRef]
- Gupta, S.; Kumar, N.; Srivastava, L. Bat Search Algorithm for Solving Multi-objective Optimal Power Flow Problem. Autom. Wirel. Syst. Electr. Eng. 2019, 553, 347–362. [Google Scholar] [CrossRef]
- Shaheen, A.M.; Ginidi, A.R.; El-Sehiemy, R.A.; Elattar, E.E. Optimal economic power and heat dispatch in Cogeneration Systems including wind power. Energy 2021, 225, 120263. [Google Scholar] [CrossRef]
- Bentouati, B.; Khelifi, A.; Shaheen, A.M.; El-Sehiemy, R.A. An enhanced moth-swarm algorithm for efficient energy management based multi dimensions OPF problem. J. Ambient Intell. Humaniz. Comput. 2020, 12, 9499–9519. [Google Scholar] [CrossRef]
- El Sehiemy, R.A.; El Ela, A.A.A.; Shaheen, A. A Multi-Objective Fuzzy-Based Procedure for Reactive Power-Based Preventive Emergency Strategy. Int. J. Eng. Res. Afr. 2014, 13, 91–102. [Google Scholar] [CrossRef]
- Shaheen, A.M.; El-Sehiemy, R.A.; Alharthi, M.M.; Ghoneim, S.S.; Ginidi, A.R. Multi-objective jellyfish search optimizer for efficient power system operation based on multi-dimensional OPF framework. Energy 2021, 237, 121478. [Google Scholar] [CrossRef]
- Shaheen, A.M.; El-Sehiemy, R.A.; Elsayed, A.M.; Elattar, E.E. Multi-objective manta ray foraging algorithm for efficient operation of hybrid AC/DC power grids with emission minimisation. IET Gener. Transm. Distrib. 2020, 15, 1314–1336. [Google Scholar] [CrossRef]
- Beerten, J.; Cole, S.; Belmans, R. A sequential AC/DC power flow algorithm for networks containing multi-terminal VSC HVDC systems. In Proceedings of the IEEE PES General Meeting, PES 2010, Minneapolis, MN, USA, 25–29 July 2010. [Google Scholar] [CrossRef] [Green Version]
- Shaheen, A.M.; El-Sehiemy, R.A. Application of multi-verse optimizer for transmission network expansion planning in power systems. In Proceedings of the International Conference on Innovative Trends in Computer Engineering ITCE 2019, Aswan, Egypt, 2–4 February 2019; pp. 371–376. [Google Scholar] [CrossRef]
- Shaheen, A.M.; El-Sehiemy, R.A.; Elattar, E.E.; Abd-Elrazek, A.S. A Modified Crow Search Optimizer for Solving Non-Linear OPF Problem With Emissions. IEEE Access 2021, 9, 43107–43120. [Google Scholar] [CrossRef]
- Zimmerman, M.-S.C.R.D. Matpower [Software]. Available online: https://matpower.org (accessed on 1 August 2021).
- Sarhan, S.; Shaheen, A.M.; El-Sehiemy, R.A.; Gafar, M. An Enhanced Slime Mould Optimizer That Uses Chaotic Behavior and an Elitist Group for Solving Engineering Problems. Mathematics 2022, 10, 1991. [Google Scholar] [CrossRef]
- Kaur, S.; Awasthi, L.K.; Sangal, A.; Dhiman, G. Tunicate Swarm Algorithm: A new bio-inspired based metaheuristic paradigm for global optimization. Eng. Appl. Artif. Intell. 2020, 90, 103541. [Google Scholar] [CrossRef]








| Variables | Initial | TLBA | Variables | Initial | TLBA |
|---|---|---|---|---|---|
| Vg1 | 1.05 | 1.057230475 | Pg2 | 80 | 44.23301348 |
| Vg2 | 1.04 | 1.038516219 | Pg5 | 50 | 20.24856 |
| Vg5 | 1.01 | 1.015932627 | Pg8 | 20 | 10.00046 |
| Vg8 | 1.01 | 1.023835298 | Pg11 | 20 | 10 |
| Vg11 | 1.05 | 1.046280787 | Pg13 | 20 | 12.00001 |
| Vg13 | 1.05 | 1.036847246 | Qs1 | 17.31 | 3.538584 |
| T6–9 | 1.078 | 0.900472851 | Qs4 | −17.45 | 0.391427 |
| T6–10 | 1.069 | 1.083855873 | Vc2 | 1 | 1.024533 |
| T4–12 | 1.032 | 1.009042356 | Vc3 | 1 | 0.97523 |
| T28–27 | 1.068 | 0.986765581 | Vc5 | 1 | 1.053674 |
| Qc10 | 19 | 0.176292937 | Vc6 | 1 | 1.051539 |
| Qc12 | 0 | 29.16232583 | Ps2 | 25.74 | 14.35307 |
| Qc15 | 0 | 0.308572782 | Ps3 | 52.53 | 33.43576 |
| Qc17 | 0 | 2.737558014 | Ps5 | 40.44 | 41.01778 |
| Qc20 | 0 | 4.153172252 | Ps6 | 18.45 | 17.98847 |
| Qc21 | 0 | 9.478169587 | Vdc,1 | 1.06 | 1.099989 |
| Qc23 | 0 | 0.825606456 | Vdc,4 | 1.06 | 1.09993 |
| Qc24 | 4.3 | 9.310278385 | ECFs ($/h) | 975.64 | 840.6166 |
| Qc29 | 0 | 0.002124205 | ETLs (MW) | 11.9236 | 13.32178 |
| Pg1 | 105.32 | 199.935112 |
| Method | ECFs ($/h) |
|---|---|
| Proposed TLBA | 840.6166 |
| ICSA [29] | 842.34 |
| PSO [29] | 846.25 |
| CSA [29] | 848.93 |
| GWO [29] | 854.43 |
| At 50% Convergence Iterations = 150 | At 66.67% Convergence Iterations = 200 | At 83.33% Convergence Iterations = 250 | At 100% Convergence Iterations = 300 | ||
|---|---|---|---|---|---|
| |Best-worst| ($/h) | 2.4629 | 2.5588 | 3.0342 | 3.9384 | |
| |Best-worst| (%) | 0.2927 | 0.3042 | 0.3610 | 0.4691 | |
| Success rate | Tolerance of 0.5% | 100% | 100% | 100% | 100% |
| Tolerance of 0.25% | 93.33% | 93.33% | 93.33% | 100% | |
| Tolerance of 0.1% | 26.67% | 46.67% | 86.67% | 100% | |
| Tolerance of 0.05% | 6.67% | 26.67% | 46.67% | 100% | |
| Variables | Initial | TLBA | Variables | Initial | TLBA |
|---|---|---|---|---|---|
| Vg1 | 1.05 | 0.988792 | Pg2 | 80 | 80 |
| Vg2 | 1.04 | 0.986402 | Pg5 | 50 | 49.99999 |
| Vg5 | 1.01 | 0.975554 | Pg8 | 20 | 34.98962 |
| Vg8 | 1.01 | 0.981124 | Pg11 | 20 | 29.99579 |
| Vg11 | 1.05 | 1.043618 | Pg13 | 20 | 39.99997 |
| Vg13 | 1.05 | 1.099908 | Qs1 | 17.31 | 6.661652 |
| T6–9 | 1.078 | 0.930013 | Qs4 | −17.45 | 5.704899 |
| T6–10 | 1.069 | 0.900445 | Vc2 | 1 | 0.981841 |
| T4–12 | 1.032 | 0.900137 | Vc3 | 1 | 0.90435 |
| T28–27 | 1.068 | 0.900415 | Vc5 | 1 | 1.087169 |
| Qc10 | 19 | 16.29461 | Vc6 | 1 | 1.08373 |
| Qc12 | 0 | 0.287574 | Ps2 | 25.74 | 6.568036 |
| Qc15 | 0 | 0.13763 | Ps3 | 52.53 | 20.83097 |
| Qc17 | 0 | 7.530908 | Ps5 | 40.44 | 15.98558 |
| Qc20 | 0 | 3.03858 | Ps6 | 18.45 | 12.34799 |
| Qc21 | 0 | 9.415924 | Vdc,1 | 1.06 | 1.099742 |
| Qc23 | 0 | 1.233828 | Vdc,4 | 1.06 | 1.099997 |
| Qc24 | 4.3 | 7.06592 | ECFs ($/h) | 975.64 | 1044.197 |
| Qc29 | 0 | 0.160811 | ETLs (MW) | 11.9236 | 8.582753 |
| Pg1 | 105.32 | 56.99738243 |
| Method | ETLs (MW) |
|---|---|
| Proposed TLBA | 8.5827 |
| MRFO [30] | 8.5704 |
| IMPO [34] | 8.66 |
| MPO [56] | 8.75 |
| MVO [34] | 9.005 |
| PSO [56] | 9.078 |
| CSA [30] | 9.57 |
| At 50% Convergence Iterations = 150 | At 66.67% Convergence Iterations = 200 | At 83.33% Convergence Iterations = 250 | At 100% Convergence Iterations = 300 | ||
|---|---|---|---|---|---|
| |Best-worst| (MW) | 0.2274 | 0.1865 | 0.1967 | 0.1880 | |
| |Best-worst| (%) | 2.6357 | 2.1670 | 2.2892 | 2.1910 | |
| Success rate | Tolerance of 1% | 53.33% | 100% | 100% | 100% |
| Tolerance of 0.75% | 33.33% | 86.67% | 100% | 100% | |
| Tolerance of 0.5% | 6.67% | 53.33% | 100% | 100% | |
| Tolerance of 0.25% | 0% | 6.67% | 60% | 100% | |
| Variables | Initial | TLBA | Variables | Initial | TLBA |
|---|---|---|---|---|---|
| Vg1 | 1.01 | 0.987674 | Tap 9–55 | 0.94 | 1.01373 |
| Vg2 | 1.01 | 0.986699 | Qc18 | 10 | 12.9268 |
| Vg3 | 1.01 | 0.988601 | Qc25 | 5.9 | 7.510958 |
| Vg6 | 1.01 | 1.006765 | Qc53 | 6.3 | 12.06029 |
| Vg8 | 1.01 | 1.027091 | Pg1 | 502.84 | 141.9835 |
| Vg9 | 1.01 | 0.992088 | Pg2 | 0 | 85.46196 |
| Vg12 | 1.01 | 0.982979 | Pg3 | 40 | 45.14887 |
| Tap 4–18 | 0.97 | 0.90711 | Pg6 | 0 | 80.09542 |
| Tap 4–18 | 0.978 | 0.915543 | Pg8 | 450 | 455.9096 |
| Tap 21–20 | 1.043 | 0.968473 | Pg9 | 0 | 99.83689 |
| Tap 24–25 | 1 | 0.950536 | Pg12 | 310 | 363.1258 |
| Tap 24–25 | 1 | 0.947538 | Qs1 | 17.31 | 5.636424 |
| Tap 24–26 | 1.043 | 1.1 | Vc2 | 1 | 0.96259 |
| Tap 7–29 | 0.967 | 1.040925 | Vc3 | 1 | 0.967439 |
| Tap 34–32 | 0.975 | 0.943351 | Vc4 | 1 | 0.975098 |
| Tap 11–41 | 0.955 | 0.90019 | Vc5 | 1 | 0.964904 |
| Tap 15–45 | 0.955 | 0.91526 | Ps2 | 25.47 | 4.062106 |
| Tap 14–46 | 0.9 | 0.912562 | Ps3 | 52.53 | −5.37369 |
| Tap 10–51 | 0.93 | 0.92415 | Ps4 | −59.91 | −43.1476 |
| Tap 13–49 | 0.895 | 0.900441 | Ps5 | −59.91 | 16.62977 |
| Tap 11–43 | 0.958 | 0.900242 | Vdc,1 | 1 | 1.081541 |
| Tap 40–56 | 0.958 | 0.973081 | ECFs ($/h) | 53673.1 | 41894.89 |
| Tap 39–57 | 0.98 | 0.952192 | ETLs (MW) | 52.04 | 20.00579 |
| Method | ECFs ($/h) |
|---|---|
| Proposed TLBA | 41,894.89 |
| IMPO [17] | 41,920.67 |
| MRFO [30] | 41,923.6 |
| MPO [17] | 41,987.91 |
| PSO [30] | 41,932.8 |
| MVO [17] | 43,628.05 |
| CSA [30] | 42,050.2 |
| Variables | Initial | TLBA | Variables | Initial | TLBA |
|---|---|---|---|---|---|
| Vg1 | 1.01 | 0.977438 | Tap 9–55 | 0.94 | 0.994384 |
| Vg2 | 1.01 | 0.971793 | Qc18 | 10 | 11.94515 |
| Vg3 | 1.01 | 0.979725 | Qc25 | 5.9 | 15.53356 |
| Vg6 | 1.01 | 0.978621 | Qc53 | 6.3 | 13.19981 |
| Vg8 | 1.01 | 0.988716 | Pg1 | 502.84 | 185.6365 |
| Vg9 | 1.01 | 0.966121 | Pg2 | 0 | 0.829644 |
| Vg12 | 1.01 | 0.971125 | Pg3 | 40 | 139.896 |
| Tap 4–18 | 0.97 | 0.904931 | Pg6 | 0 | 99.99999 |
| Tap 4–18 | 0.978 | 0.910205 | Pg8 | 450 | 322.511 |
| Tap 21–20 | 1.043 | 0.983688 | Pg9 | 0 | 99.99899 |
| Tap 24–25 | 1 | 1.037482 | Pg12 | 310 | 409.9903 |
| Tap 24–25 | 1 | 0.936694 | Qs1 | 17.31 | −2.29511 |
| Tap 24–26 | 1.043 | 1.090701 | Vc2 | 1 | 0.955538 |
| Tap 7–29 | 0.967 | 1.002518 | Vc3 | 1 | 0.962063 |
| Tap 34–32 | 0.975 | 0.926401 | Vc4 | 1 | 0.969298 |
| Tap 11–41 | 0.955 | 0.900318 | Vc5 | 1 | 0.964268 |
| Tap 15–45 | 0.955 | 0.905755 | Ps2 | 25.47 | 4.210106 |
| Tap 14–46 | 0.9 | 0.905533 | Ps3 | 52.53 | −3.32897 |
| Tap 10–51 | 0.93 | 0.912182 | Ps4 | −59.91 | −41.8902 |
| Tap 13–49 | 0.895 | 0.900007 | Ps5 | −59.91 | 17.64526 |
| Tap 11–43 | 0.958 | 0.900157 | Vdc,1 | 1 | 1.084429 |
| Tap 40–56 | 0.958 | 0.998685 | ECFs ($/h) | 53673.1 | 44894.97 |
| Tap 39–57 | 0.98 | 0.977515 | ETLs (MW) | 52.04 | 15.6711 |
Publisher’s Note: MDPI stays neutral with regard to jurisdictional claims in published maps and institutional affiliations. |
© 2022 by the authors. Licensee MDPI, Basel, Switzerland. This article is an open access article distributed under the terms and conditions of the Creative Commons Attribution (CC BY) license (https://creativecommons.org/licenses/by/4.0/).
Share and Cite
Sarhan, S.; Shaheen, A.M.; El-Sehiemy, R.A.; Gafar, M. Enhanced Teaching Learning-Based Algorithm for Fuel Costs and Losses Minimization in AC-DC Systems. Mathematics 2022, 10, 2337. https://doi.org/10.3390/math10132337
Sarhan S, Shaheen AM, El-Sehiemy RA, Gafar M. Enhanced Teaching Learning-Based Algorithm for Fuel Costs and Losses Minimization in AC-DC Systems. Mathematics. 2022; 10(13):2337. https://doi.org/10.3390/math10132337
Chicago/Turabian StyleSarhan, Shahenda, Abdullah M. Shaheen, Ragab A. El-Sehiemy, and Mona Gafar. 2022. "Enhanced Teaching Learning-Based Algorithm for Fuel Costs and Losses Minimization in AC-DC Systems" Mathematics 10, no. 13: 2337. https://doi.org/10.3390/math10132337
APA StyleSarhan, S., Shaheen, A. M., El-Sehiemy, R. A., & Gafar, M. (2022). Enhanced Teaching Learning-Based Algorithm for Fuel Costs and Losses Minimization in AC-DC Systems. Mathematics, 10(13), 2337. https://doi.org/10.3390/math10132337

