Abstract
This paper presents the design of a new lightweight, full-size bipedal robot developed in the Humanoid Robotics Laboratory at Nazarbayev University. The robot, equipped with 12 degrees of freedom (DOFs), stands at 1.1 m tall and weighs only 15 kg (excluding the battery). Through the implementation of a simple mechanical design and the utilization of off-the-shelf components, the overall prototype cost remained under USD 5000. The incorporation of high-performance in-house-developed servomotors enables the robot’s actuation system to generate up to 2400 W of mechanical power, resulting in a power-to-weight ratio of 160 W/kg. The details of the mechanical and electrical design are presented alongside the formalization of the forward kinematic model using the successive screw displacement method and the solution of the inverse kinematics. Tests conducted in both a simulation environment and on the real prototype demonstrate that the robot is capable of accurately following the reference joint trajectories to execute a quasi-static gait, achieving an average power consumption of 496 W.
1. Introduction
Humanoid robotics, as a branch of biorobotics, aims to replicate the behavior, physical structure, and manipulation and locomotion abilities of human beings. While its origins can be traced back to the 1970s with the pioneering contributions of Professor Ichiro Kato and his colleagues at Waseda University in Japan, who developed various prototypes of humanoid robots over a span of 50 years (e.g., WABIAN-2 [1] (Figure 1A), HRP-4 [2] (Figure 1G), and HRP-5P [3]), the field of humanoid robotics has only recently gained increasing relevance. This growth is driven by advancements in actuation and sensory systems technology [4], artificial general intelligence (AGI) [5], and adaptive control systems [6]. As a result, this typology of robots has emerged as an ideal platform to embed AGI systems in the physical world. It is therefore evident that the availability of a functional humanoid robot will unlock a multitude of tasks and applications that can be accomplished automatically.
Humanoid robotics is a significant area of research and a crucial technological sector in our contemporary society. Scientific and technological advancements in the field of humanoid robotics, as well as service robotics, are anticipated to greatly improve quality of life throughout the 21st century [7]. These breakthroughs are poised to address the challenges posed by an aging population, enabling individuals to receive the necessary support while maintaining their autonomy and enhancing their overall well-being. In response to this need, many developed and developing countries are currently providing funding for research projects that focus on realizing and studying robotics systems designed to assist and support various human activities.
Figure 1 presents a selection of state-of-the-art humanoid and bipedal robots developed by different academic institutions and companies worldwide; for a complete survey, please refer to [8]. What characterizes and differentiates these complex robotic systems is a high number of DOFs—usually in a range between 12 to 114; the actuation system technology, which, in most of the systems, is electric or hydraulic; and the amount of power available that defines their capability to perform dynamic motions. As an example of a very agile humanoid robot, Atlas (Figure 1L), from Boston Dynamics [9,10], weighs 89 kg, is 1.5 m tall, and is equipped with 28-DOF hydraulically actuated joints. The robot, powered by a three-phase onboard electric hydraulic pump, is capable of running at a speed of 2.5 m/s and performing highly dynamic motions on a wide variety of terrains and under various conditions. The reference joint position and velocity, along with the torque measurements (obtained through hydraulic pressure sensors), are generated and acquired at a frequency of 1 KHz.
Figure 1.
Samples of state-of-the-art humanoid robots compared in terms of dimensions, DOFs, weight, actuator technology, nominal power, and power-to-weight ratio: (A) WABIAN-2 developed at Waseda University in Japan. (B) ASIMO from Honda Company. (C) BHR-5 from Beijing Institute of Technology. (D) LOLA developed by TU München [11]. (E) TORO from the German Aerospace Center. (F) iCub, a child humanoid robot developed by the Italian Institute of Technology. (G) HRP-4 from the National Institute of Advanced Industrial Science and Technology. (H) ARMAR-4 developed by the Karlsruhe Institute of Technology, Germany. (I) WALK-MAN developed by a European consortium. (J) M2, Leg Lab of MIT, USA [12]. (K) DRC-HUBO+ developed by the Korea Advanced Institute of Science and Technology. (L) ATLAS humanoid from Boston Dynamics company. (M) KENGORO from the University of Tokyo. [13] (N) TaeMU from Ritsumeikan University. (O) Tesla Bot from Tesla company, USA. (P) RH5 developed by the Robotics Innovation Center, Germany [14]. (Q) Cassie from Oregon State University. (R) DB, SARCOS Company, USA. (S) NU-Biped-V3 developed in the Humanoid Robotics Laboratory at Nazarbayev University [15]. (T) NU-Biped-V4.5 developed in the Humanoid Robotics Laboratory at Nazarbayev University [16], Kazakhstan.
Figure 1.
Samples of state-of-the-art humanoid robots compared in terms of dimensions, DOFs, weight, actuator technology, nominal power, and power-to-weight ratio: (A) WABIAN-2 developed at Waseda University in Japan. (B) ASIMO from Honda Company. (C) BHR-5 from Beijing Institute of Technology. (D) LOLA developed by TU München [11]. (E) TORO from the German Aerospace Center. (F) iCub, a child humanoid robot developed by the Italian Institute of Technology. (G) HRP-4 from the National Institute of Advanced Industrial Science and Technology. (H) ARMAR-4 developed by the Karlsruhe Institute of Technology, Germany. (I) WALK-MAN developed by a European consortium. (J) M2, Leg Lab of MIT, USA [12]. (K) DRC-HUBO+ developed by the Korea Advanced Institute of Science and Technology. (L) ATLAS humanoid from Boston Dynamics company. (M) KENGORO from the University of Tokyo. [13] (N) TaeMU from Ritsumeikan University. (O) Tesla Bot from Tesla company, USA. (P) RH5 developed by the Robotics Innovation Center, Germany [14]. (Q) Cassie from Oregon State University. (R) DB, SARCOS Company, USA. (S) NU-Biped-V3 developed in the Humanoid Robotics Laboratory at Nazarbayev University [15]. (T) NU-Biped-V4.5 developed in the Humanoid Robotics Laboratory at Nazarbayev University [16], Kazakhstan.

In general, a hydraulic actuator can generate higher mechanical power than an electrical motor of the same volume. However, hydraulic systems also require additional components, like pumps and miniaturized high-pressure valves, which are usually expensive parts. In the literature, there are only a few other examples of hydraulically actuated robots, such as TaeMU (Figure 1N), a 15-DOF bipedal robot developed at Ritsumeikan University [17] and DB from SARCOS company [18]. All the other humanoid robots reported in Figure 1 are electrically actuated by DC brushed or brushless (BLDC) motors.
An example of a full-size electrically actuated humanoid robot explicitly designed for heavy-duty applications is WALK-MAN [19,20] (Figure 1I). It was developed through a collaboration of different European research institutes, universities, and companies. The robot stands at 1.85 m in height, weighs 132 kg, and can support vertical loads of up to 160 N. TORO [21,22] (see Figure 1E), which evolved from the DLR biped developed by the German Aerospace Center in 2010, weighs almost half of WALK-MAN’s weight (i.e., 76.4 kg), but is also capable of generating much less mechanical power. Its lower-body kinematics incorporates six DOFs in each leg, and an additional DOF is present where the lower limb is attached to the upper body. Notably, the robot employs custom actuators known as lightweight robot (LWR) drive units, similar to those that equip the commercial KUKA-LWR manipulator.
In the year 2000, the Beijing Institute of Technology initiated the development of the BHR humanoid robot series (referred to as BIT humanoid robots). The most recent iteration of this robot family, BHR-6 (shown in Figure 1C), was introduced in 2017, as documented in [23,24,25]. This robot is equipped with a total of 23 DOFs, with 6 DOFs dedicated to each leg. BHR-6 stands at a height of 1.65 m and has a weight of 55 kg. It can achieve a walking speed of 2.0 km per hour and possesses the ability to manipulate objects and engage in ping-pong games. The robot’s mechanical framework primarily employs aluminum, while its covers are made from plastic. BHR-6’s actuation system utilizes a Parker K-series frameless motor with harmonic drive gears.
At the Karlsruhe Institute of Technology, the team of Prof. Asfour developed ARMAR-4 [26], (see Figure 1H). The robot stands at a height of 1.7 m, has a weight of 70 kg, and boasts an array of 214 sensors. This humanoid is self-sufficient in terms of computational power, featuring 76 microcontrollers and 3 PCs for autonomous operation.
An instance of a recently developed bipedal robot also employing electric actuators is Cassie from Oregon State University [27]. This robot weights only 31 kg, thanks to the usage of lightweight materials such as aluminum, carbon fiber, and polycarbonate. By using parallel linkage transmissions to move the knee and ankle joints, the inertial forces are strongly reduced; thus, the robot consumes only 300 W while walking at a maximum speed of 1.1 m/s.
While numerous bipedal and humanoid robots have been developed, leading to remarkable scientific and technical advancements, there is still room for improvement in terms of enhancing safety, reducing power consumption, and minimizing prototyping costs. A lightweight humanoid robot equipped with powerful actuators and an adaptive control system holds the key to unlocking new opportunities for human–machine interaction. The ability to execute dynamic movements and tasks, coupled with a high level of accuracy and safety during interactions with humans, will have a profound impact on various industries and society. As the hardware and software of robots progress towards higher levels of autonomy, a myriad of applications will become feasible. These encompass collaborative manipulation tasks alongside humans, assistance to disabled or elderly individuals [28], surveillance in public and household environments, entertainment and educational interactions for children [29], cleaning tasks [30], and intervention in emergency situations [31].
In guiding the design of a bipedal robot, in this work, we considered five primary performance criteria: robust and straightforward mechanical architecture, cost-effective prototyping, inherent safety, a high power-to-weight ratio, and a favorable weight-to-height ratio.
State-of-the-art humanoid robots, when compared with industrial manipulators that are meant to operate in a highly structured environment, face significant limitations in terms of safety and energy consumption. Safety is crucial in humanoid robotics, as these robots are designed to closely interact and collaborate with humans across a diverse range of tasks. In the case of a bipedal robot, whose primary objectives include locomotion and payload transportation (for example, carrying an upper body equipped with manipulation and perception systems), it is important to limit the impact forces in the event of a collision with the environment or a human [32,33]. Determining reasonable levels of impact forces, however, depends on the context and on the specific object or part of the human body involved in the collision. In industrial settings, safety standards are stringently established to mitigate risks associated with robot operation. For example, ISO-10218 [34] provides various guidelines on robot design, installation, and operation.
Although standards and guidelines for humanoid robotics are not yet as comprehensive as those for industrial manipulators, the principles of industrial robot safety are still applicable. In [35], it is noted that ensuring safety in humanoid robots involves accurately managing the torque at their joints. This method is effective at low speeds. However, when the speed increases, the large masses and inertia of the robot’s links lead to substantial kinetic and potential energy [36]. As an example, an industrial manipulator moving at a speed of 6 m/s can pose a fatal threat to humans.
To achieve inherent safety as outlined in [35], in this work, we primarily adhere to the guideline of employing a weight distribution for the robot’s legs similar to that of a human being [37,38]. This objective can be attained by using lightweight materials and components in the construction of the robot [2,11,39], all the while preserving proportions resembling those of human legs. This strategy is crucial to achieve a kinetic and potential energy profile in the robot’s leg movements that is similar to that of a human.
In a humanoid robot, the nominal power-to-weight ratio is indicative of both the performance of the actuation system [40] and the quality of the mechanical design. Having an high nominal power-to-weight ratio allows the bipedal robot to perform agile and precise movements with less energy consumption. This is especially important for tasks that require repetitive motions or extended operation periods, such as walking, running, or climbing. As a reference, a 70 kg human being expends approximately 70 W of mechanical power to walk at a speed of 1 m/s [41]. Overall, an higher power-to-weight ratio ensures that the bipedal robot can perform a wider variety of tasks without being penalized by excessive weight.
Given that most of the robots considered in this study are full-scale, with a height comparable to that of an adult human, a weight-to-height ratio [42,43] can be introduced to demonstrate how efficient the design is in terms of reachable workspace. Longer links with low mass enable the robot to reach farther and perform tasks in diverse environments while maintaining stability and reducing the risk of toppling over. Therefore, the lower this ratio, the fewer potentially dangerous moving masses are near humans.
Developing a full-scale humanoid robot demands substantial human and financial resources, making this field challenging to access for many research teams worldwide. Consequently, these teams often choose to conduct scientific research with smaller humanoid robots, such as the commercially available 58 cm tall NAO robot (whose V6 versions currently has a price tag of USD 12,990) [44], or with robots developed in house using small servomotors [45]. However, a scaled-down robot exhibits dynamic properties and movement capabilities that differ significantly from those of a full-sized, human-scale robot. If we look at the different prototypes developed so far, very few of them comply with this requirement. A counterexample is Poppy [46], a completely 3D-printed robot whose material and component costs total about USD 8000. However, the robot integrates Dynamixel servomotors, the largest of which (the MX-106R) has a maximum stall torque of 8 Nm. This makes the robot unsuitable for performing real-life tasks.
One of the guidelines in this work for designing a low-cost bipedal robot involves leveraging a simple and modular mechanical structure, which requires fewer components. Additionally, developing a powerful servomotor in house was prioritized, as it typically represents the most expensive part of the robot. In terms of cost-effectiveness, the goal was to achieve a cost for consumables and components required to build the robot that is comparable to the cost of small humanoid robots like NAO or Poppy.
By following the aforementioned design criteria, this work yields a newly developed bipedal robot that incorporates the following main features:
- Lightweight design: The robot, which is 1.1 m tall and equipped with 12 DOFs, falls into the category of full-size bipedal humanoid robots, yet weighs only 15 kg (without considering the battery). This was possible by using lightweight materials and customized, in-house-developed, high-power-to-weight-ratio servomotors.
- Low-cost prototyping: The total cost for materials, actuators, sensors, and the computational board is under USD 5000.
- Optimized ankle design: The robot’s feet feature a central elastic element designed to dampen impact forces and store and release potential energy throughout the gait.
- Low Energy consumption and safe operation are achieved due to the lightweight and low inertial properties of the robot’s links.
The rest of this paper is structured as follows. Section 2 introduces the robot’s kinematic architecture; presents the solution of the inverse kinematics (detailed in Appendix A); and describes the mechanical and electrical design, including details about the actuation system, as well as the optimization and validation of the foot design. Section 3 presents the simulation environment used to optimize and test a quasi-static gait, then continues reporting the results of the experiments conducted on the real robot. Section 4 discusses the primary outcomes attained in this study, with a specific focus on comparison of the developed robot with other state-of-the-art systems. Finally, in Section 5, conclusions are drawn and possible future research directions are pointed out.
2. Robot Architecture and Design
NU-Biped-4.5 is a bipedal robot developed at Nazarbayev University’s Humanoid Robotics Laboratory. It represents the evolution of previously designed bipedal robots, specifically NU-Biped-3 [43] (see Figure 1S) and LARP [47] (developed at Politecnico di Milano), which also featured a lightweight structure and comparable dimensions. For the new robot, improved link rigidity, slimmer form factor, a high power-to-weight ratio, low energy consumption, and low prototyping costs were considered as main design objectives. To achieve these objectives, lightweight materials were employed, such as polylactide (PLA), thermoplastic polyurethane (TPU), and aluminum. A compact and simple mechanical architecture was opted for, combined with a customized high-power-to-weight-ratio actuation system. Like most of the humanoid robots developed so far [8], NU-Biped-4.5 features 12 revolute joints, with 6 in each leg. This configuration represents the minimum number of DOFs necessary to enable a three-dimensional gait in a humanoid robot. To position and orient a body in three-dimensional space (such as the foot of a bipedal robot), at least six DOFs are required [48]. This allows for movement along and rotation around the three spatial axes, which is essential for achieving complex, human-like motion and allowing the robot to balance. The robot additionally includes four force sensors beneath each foot and precise 14-bit magnetic encoders in each joint.
The robot prototype (see Figure 2) was built from aluminum 20 × 20 mm extrusions and custom-built computer numerical control (CNC)-machined link interfaces integrated with the actuation system.
Figure 2.
(a) NU-Biped-4.5 prototype [16] with 12 DOFs, 1.1 m height, and a weight of 15 kg. (b) Kinematic model of the bipedal robot including the link dimensions, reference frames, and screw axes. (c) Screw table and kinematic parameters.
Overall, the final prototype, with a maximum mechanical power of 2400 W, is 1.1 m tall, weighs 15 kg, and presents a power-to-weight ratio (without considering the battery) of 160 W/kg, which is relevant compared with other state-of-the-art robots (see the table in Figure 2).
Table 1 presents the main characteristics of the joints in each leg, including the range of angular position, maximum speed, and torque. We note that certain joint ranges were limited by mechanical constraints, while others were restricted by software to prevent excessive static torque and unwanted postures.
Table 1.
The joints present in each leg have different ranges, maximum speeds, and torques.
2.1. Kinematic Model
The kinematic architecture of each leg consists of a sequence of 6 revolute joints. Starting from the upper side of the leg( see Figure 2), the hip’s yaw, pitch, and roll joints are encountered. In the middle of the leg, the knee’s pitch joint is displaced, and finally, the ankle’s pitch and roll joints are situated at the bottom of the leg. To simplify the solution of the inverse kinematics (IK), the axes of the hip joints were designed to intersect at a single point. However, to simplify the mechanical design and avoid the use of transmission systems (as in the previous prototype [43]), the axes of the ankle joints were intentionally designed not to intersect. This choice has the implication that the IK yields only 4 solutions rather than the 8 canonical solutions typically associated with 6-DOF classical manipulator kinematics. The Forward kinematic (FK) model was formalized using the successive screw displacement method [49]. A screw () was displaced on each joint’s axis according to Figure 2b, and the associated homogeneous transform matrix was obtained as in Equation (1).
where
In order to fulfill the condition that the last three joints of the open kinematic chain cross at a single point and to simplify the solution of the IK, it is assumed that frame 1 moves with respect to frame uvw and not vice-versa. Therefore, it is assumed that the FK is expressed by the homogeneous transform that represents the position and orientation of frame 1 with respect to frame uvw as a function of the joint positions ( to ). Following this convention and using the successive screw displacement method, applying the 6 screws in order from to , it is possible to obtain the compound screw (), the associated homogeneous transform of which is obtained as Equation (3).
Matrix represents a roto-translation operator. Thus, from the initial pose of frame 1 with respect to frame uvw, the final screw displacement, i.e., the FK of the leg, can be obtained as in Equation (4), where represents a 3 × 3 identity matrix.
Given a target pose () for the foot with respect to the robot’s main central frame (frame 0) and the homogeneous transformation that represents frame 1 with respect to frame 0 (), the target pose is calculated as in Equation (5).
where
Since the kinematic chain is inverted, assuming that the foot is fixed and the hip is moving, the target pose of the foot with respect frame i () must be swoop before solving for the IK; thus, with respect to frame uvw, the target pose () is expressed as Equation (7).
Finally, the solution of the IK can be obtained by considering the 12 scalar equations defined by Equation (8).
Appendix A reports the detailed solution for the IK of one leg. As previously stated, due to the fact that the ankle joints do not intersect, there are only 4 solutions for the IK.
2.2. Mechanical and Electrical Design
This section is dedicated to describing the mechanical structure, sensory and actuation systems, and electronics of the bipedal robot.
2.2.1. Mechanical Design
To limit the prototype’s cost and reduce its complexity, 20 × 20 aluminum extrusions were used as links connected by joints equipped with in-house-developed servomotors. Depending on the joint’s location within the robot’s kinematic architecture, custom link interfaces were crafted using CNC machining and 3D metal printing.
Starting from the upper section of the leg, as depicted in Figure 3, the first three servomotors responsible for enabling hip mobility are encountered. The first joint allows for the rotation of the upper leg about the yaw axis, followed by a second one that rotates about the pitch axis and a last one that rotates about the roll axis. The three hip joint axes intersect at a single point, effectively implementing an orientation mechanism. Each servomotor includes an input and output interface that allows for connection with the links via four lateral bolts. The distal part of the interfaces are u-shaped in order to withstand high interaction forces and allow for small adjustments, i.e. translations, to fine tune the effective length of the links.
Figure 3.
Mechanical design of the hip joints. The three joint axes intersect at a single point to simplify the solution of the IK. Each servomotor features two link interfaces: the first one connects the gearbox’s body to the input link, and the second one connects the servomotor shaft to the output link.
Moving toward the lower section of the leg, as shown in Figure 4, the knee joint is encountered, providing one DOF about the pitch axis. The special design of the output link interface allows for alignment of the upper and lower leg links, ensuring that the servomotor body is centered to enhance weight distribution.
Figure 4.
Mechanical design of the knee and ankle joints.
The same link interface is used for the first ankle joint, which allows for rotations about the pitch axis. Finally, the last DOF of the leg is represented by the ankle’s roll-axis joint, which is orthogonal to the ankle’s pitch axis and offset with respect to it. Thus, the last two joint axes do not intersect. The main reason for this configuration is to simplify the mechanical design and reduce the joints’ backlash. In a previously developed prototype, a synchronous belt transmission was utilized to displace the ankle pitch’s servomotor into a proximal position, enabling the last two joint axes to intersect at a single point. However, this came with the disadvantage of a more complex mechanical structure and increased backlash of the ankle’s pitch joint.
The foot design consists of two rigid segments made of PLA and connected by an elastic element made of TPU material (see Figure 5a). This allows the foot to dampen the impact force during the last part of the stance phase, as well as to store and release potential energy thanks to the elastic element. Four load cells are installed under each foot (see Figure 5b) that can measure the contact forces between the foot’s sole an the floor. Two are mounted under the frontal rigid segment, and two are mounted under the rear rigid segment of the foot. These sensors allow for the detection of contact forces when the foot leaves and impacts the floor during the execution of the gait. Additionally, they can be used to estimate the instantaneous position of the center of pressure (COP).
Figure 5.
Foot design: (a) two rigid segments made of PLA material are connected to an elastic central segment made of TPU material; (b) two force sensors, along with the necessary electronics, are integrated under each rigid segment.
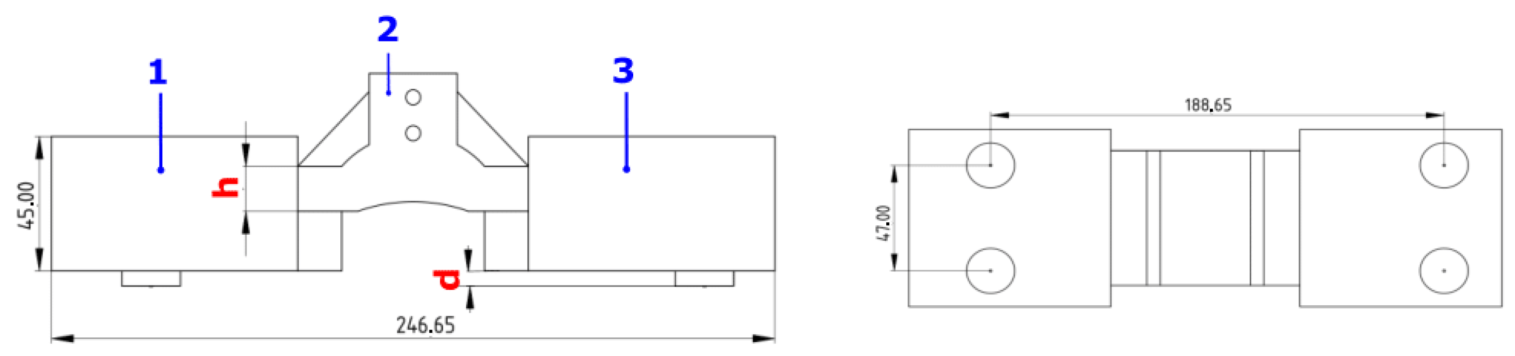
Particular attention was dedicated to designing and dimensioning the central elastic element of the foot by making use of finite element analysis (FEA) and real prototype testing. By considering the thickness (h) as a parameter to optimize and the height of the sensor support (d = 5 mm) as the limit for foot deflection (see Figure 6), various simulations were conducted, the results of which are presented in Table 2. As evident from the table, assuming a load of 140 N, a thickness of h = 4.9 mm falls within the specified requirements.
Figure 6.
Views of the foot design from the front and bottom with embedded force sensors in the pads (measures are in mm): 1—frontal section; 2—central section (ankle); 3—rear section. “h” represents the adjustable thickness of the ankle, while “d” represents the maximum permissible displacement (d = 5 mm) of the ankle to allow the force sensors to correctly measure the center of pressure.
Table 2.
Determining the displacement value (d) for a TPU ankle structure with an elasticity of 120 MPa, considering various thicknesses and applied forces through FEM simulations.
The simulation results are also confirmed by the measurement of deflection on the real prototype. Figure 7 shows a comparison between three different designs of the foot.
Figure 7.
Comparison of three different designs for the central segment of the foot by means of FEM (first row) and and physical tests (second row). (a) TPU prototype with a thickness of h = 8.2 mm. (b) PLA prototype with a thickness of h = 15 mm. (c) TPU prototype with a thickness of h = 15 mm. For more details about the foot design, please refer to [50].
A test was performed on each design, where a 50 N force was applied at the center of the ankle and its deflection was measured by means of both FEM analysis and real prototype testing. The prototype made completely of PLA material (Figure 7b) presented no significant deflection. On the other hand, the prototypes with a central segment made of TPU material showed measurable deflection under the applied load. Due to its reduced thickness, the prototype shown in Figure 7a exhibited excessive bending that made it unsuitable for a stable robot gait. On the other hand, the model shown in Figure 7c showed the best performance and was therefore used as a reference for the final design of the foot, the dimensions of which are reported in Figure 6.
To prove that the ankle can store and release energy when the foot hits and leaves the floor, an experiment was performed in which the foot was suspended on two horizontal bars (see Figure 8a). To cause the deflection of the ankle, a force of up to 200 N was applied with a tendon. To measure ankle bending, an inertial measurement unit (IMU) was installed inside the rear segment of the foot, while the force was measured with a load cell attached in series with the tendon.
Figure 8.
Testing the elastic ankle’s bending behavior: (a) experimental setup; (b) applied force vs. bending angle; (c) torsional stiffness during the bending phase; (d) energy stored and released.
The graph presented in Figure 8b demonstrates the relationship between the applied force and the measured ankle bending angle. It is possible to observe that as the force increases and decreases, a hysteresis loop is formed, which is characteristic of elastic materials. For each sample (i) of measured force and bending angle (), the torque () was computed using Equation (9), where ‘d’ represents the distance between the foot’s center and one of the contact points of the sole with the horizontal bar when no deflection is applied, and N is the number of acquired samples.
In addition, the torsional stiffness () and the cumulative stored energy () were calculated according to Equation (10).
2.2.2. Electrical Design
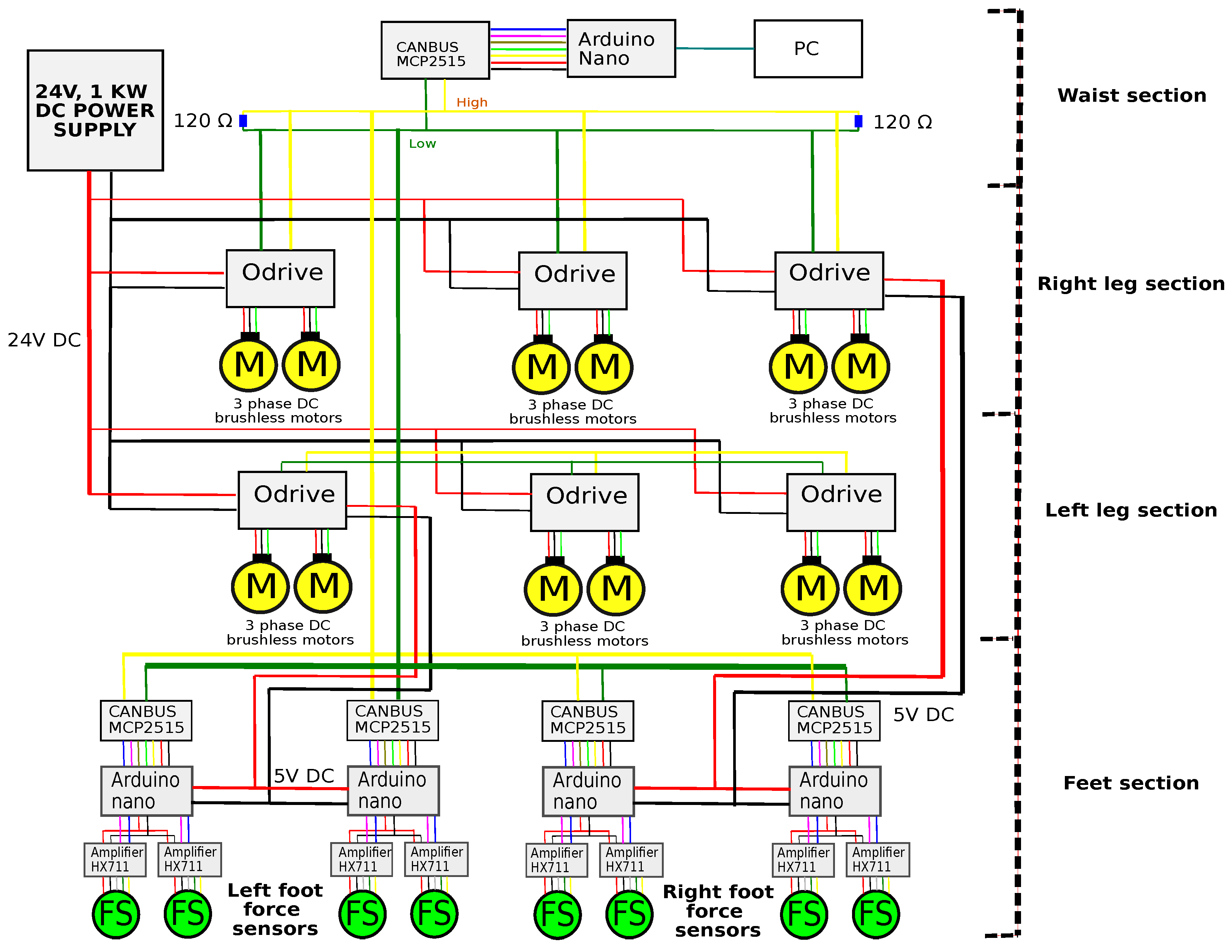
As for the mechanical architecture of the robot, we also opted for a simple design for its electrical components with the aim of minimizing the quantity of connections and cables, making assembly and maintenance more accessible. Figure 9 depicts the main electrical circuit, which comprises 6 motor boards (model: Odrive 3.5 [51]); 12 servomotors, 8 force sensors, 5 microcontroller boards, and 5 printed circuit boards (PCBs). A 24 V, 1 KW power supply unit delivers electrical energy to each ODrive board, which, in turn, provide a 5 V power supply to the microcontroller units.
Figure 9.
Overall electrical circuit of the NU-Biped-4.5 bipedal robot.
All the computational, sensorial, and actuation components of the robot are interconnected via a CAN bus protocol, with the master controller being an MCP2515 board integrated with a Linux-based PC through a microcontroller board. Additionally, each foot is equipped with two customized PCB mother boards, each housing an Arduino Nano (8-bit, ATmega-328), a CAN bus board (MCP2515), and two instrumentation amplifiers (HX711) connected to their respective force sensors.
The decision to use a CAN bus-based communication architecture was primarily driven by the need to minimize the quantity and length of wires within the bipedal robot’s structure. This architecture also enables a modular design and development, where the addition of a new joint or sensor requires only a few wires to be connected to the nearest element that has access to the CAN bus and power supply.
2.2.3. Actuation System Design
The central component of the bipedal robot is represented by the servomotor. In order to achieve high performance in terms of nominal torque, velocity, and power-to-weight ratio while simultaneously limiting the prototype costs, the choice was made for a tailored, in-house-developed actuator. The main components of the servomotor include a powerful brushless direct-current (BLDC) motor (460 W, 14 poles, and 14,400 rpm), a low-cost planetary gear box with reduced backlash, and a precise 14-bit contactless magnetic encoder (AS5047P) with a resolution of 0.02 degrees.
The position of the output shaft is calculated according to the gearbox ratio by measuring the absolute position of the motor via the magnetic encoder (see Figure 10). This presents the advantage of a more compact design, since the same encoder that is used by the motor board to control the phase current is also used to obtain the joint position. However, in terms of drawbacks, it requires initial calibration whenever the robot is switched on and does not consider the backlash effect on the servomotor position.
Figure 10.
Expanded view of the servomotor, the main components of which are (1) a low-cost planetary gearbox, (2) a BLDC motor, (3) a 14-bit magnetic encoder, (4) link interfaces, (5) 20 × 20 aluminum links, (6) a BLDC motor mounting with an integrated heat sink, (7) a magnet mounting, (8) ball bearings, and (9) a motor–gearbox shaft interface.
Overall, the servomotor weighs only 0.7 kg, providing a maximum torque of 60 Nm and an angular velocity of 250 deg/s when a gear ratio of 100 is used. The motor can be regulated in terms of torque, speed, and position thanks to the ODrive V3.6 motor board that is integrated with a cascade control loop, allowing for fast implementations of joint trajectory control, as well as more complex model-based control strategies [15]. For more technical details about the servomotor, please refer to [52].
The total cost of a single servomotor, including all the electrical and mechanical components, the motor driver, and CNC machining service, is USD 300, which is substantially lower compared to other BLDC servomotors present on the market with similar characteristics. As an example, a single DYNAMIXEL PH54-200-S500-R has a current price of USD 4000.
3. Validation and Testing of the Bipedal Robot
This section is dedicated to presenting the results obtained from simulations and real prototype tests. The main aim is to demonstrate that the bipedal robot can execute a quasistatic gait while consuming a limited amount of power, thanks to its lightweight construction.
3.1. Simulation Environment
To assess and validate the kinematics and dynamics of the bipedal robot, a testing environment was established by leveraging the CoppeliaSim 4.3.0 robot simulation platform [53] in conjunction with Python 3.10 software modules. Python was utilized for tasks such as calculating the IK solution from the reference right- and left-foot trajectories, controlling the motion of the robot model and the real prototype, acquiring joint positions and torques, and plotting the experimental data. In the initial phase, the CAD model of the robot was imported in CoppeliaSim, and the kinematic structure was defined by specifying the joint axes. Subsequently, the mass and inertial tensor for each link were computed, assigning the appropriate material densities used in constructing the physical prototype. For each joint of the robot, a proportional integral derivative (PID) controller was specifically tuned, which allows for actuation of the reference trajectory with a small overshoot (≤10%) and tracking error (≤0.5 deg).
To validate the IK solution, the foot trajectories of the Asti humanoid robot were recorded. This robot is a replica of the Asimo Robot [54], originally developed by Honda (see Figure 1B). This model is readily available in CoppeliaSim and was chosen as a reference since its lower limbs present a kinematic architecture and dimensions comparable to those of our bipedal robot. The trajectories were acquired with a sampling time of 10 ms, ensuring an accurate simulation of the robot’s dynamics while minimizing computational requirements. This is particularly crucial when the control system runs on the robot’s onboard computational board. To accommodate the dimensions of our bipedal robot, the Cartesian trajectories were scaled along all three coordinate axes, and an offset was introduced along the y axis to align with the foot spacing, which differs between the two robots. Figure 11a shows the original Asti Cartesian trajectories and three possible scalings with respect to the x, y, and z axes.
Figure 11.
Foot trajectories (blue represents the right foot, and red represents the left foot). (a) Asti’s original foot trajectories. (b) Scaled along the x axis of 1.5×. (c) Scaled along the y axis of 1.5×. (d) Scaled along the z axis of 2.0×.
It is important to note that scaling along the y axis affects the robot’s lateral movement, resulting in a more or less stable gait. In other words, increasing the lateral motion causes the robot to shift its center of mass into the contact area of either the left or right foot before taking a forward step. Scaling along the x axis and z axis, on the other hand, impacts the step length and height, respectively, by increasing or reducing them.
To achieve appropriate scaling of the gait, a random grid search with 100 samples was conducted, taking into account low energy consumption and the distance covered by the robot as key figures of merit. The scaled trajectory was then input into the IK algorithm, which, in turn, computed the instantaneous reference joint positions for both the right and left legs. Finally, the joint positions were sent to CoppeliaSim for execution on the bipedal robot. Figure 12 shows the robot model in CoppeliaSim, along with the actual Cartesian trajectory of both the right and left foot (blue and red colors, respectively). It is noticeable that the steps are not homogeneous due to the impact forces and limited friction of the foot soles, which perturbed gait execution. In addition, the robot performed a curved trajectory for a total covered distance of 1.5 m. Each individual step sequence lasted a total of 2 s. Figure 13 shows the execution of half of the sequence, where the robot initially moves its body to the side (b) to shift the center of mass (COM) to the right foot. Then, the left foot is lifted from the floor, raised about 2 cm (c), moved forward by 12 cm (d), and finally lowered to touch the floor (f).
Figure 12.
(a) Model of the bipedal robot imported into the CoppeliaSim 4.3.0 environment. (b) Examples of foot trajectories (red for the left foot and blue for the right foot).
Figure 13.
Simulation of the robot in the CoppeliaSim 4.3.0 environment. The half-step sequence lasts 1 s, in which the bipedal robot shifts its center of mass toward the right foot and lifts and moves the left leg forward. (a) Initial position, (b) the robot moves its body to the side, (c) the left foot is lifted from the floor, (d) the left foot is moved forward by 12 cm, (e) the left foot is moved onto the floor, (f) final position.
During gait execution, the positions and velocities of the joints were measured, as shown in the plots in Figure 14 and Figure 15, respectively.
Figure 14.
Joint reference (full line) and actual positions (dashed line).
Figure 15.
Joint velocities of the right and left legs.
These plots reveal that the positions are precisely tracked by the PID controllers in each joint. It is worth noting that the knee joints have a 30 deg offset, causing the robot to walk with slightly bent knees. Additionally, some of the joints achieved significant angular velocities, enabling us to evaluate the robot’s dynamic behavior. To optimize the actuation system of the real robot prototype, the simulation environment can be utilized to measure the necessary joint torques and mechanical power while executing various types of gaits.
With regard to the performed simulation, Figure 16 shows the plots of the joint torques of the right and left legs. Depending on the joint, a different torque range is necessary to execute the gait. Among all the joints, the hip—roll and hip—pitch joints required the highest torques, reaching 30 Nm. To evaluate the mechanical power required by the robot’s actuation system to perform the gait, all the joint powers were calculated and summed. The plot in Figure 17a shows that the total instantaneous mechanical power reached peak values of 95 W.
Figure 16.
Joint torques of the right and left legs.
Figure 17.
(a) Total mechanical power magnitude () required to perform the gait (16 complete step sequences). (b) Total energy consumption for 100 different foot trajectories scaled along the y and z axes (for each sample, a total of 4 complete step sequences were considered).
Figure 17b illustrates the results of the total energy consumption for various scalings of the Cartesian trajectories of the feet. The robot typically consumes more energy when the lateral movement (y-scale hyperparameter) is increased and the foot is lifted further from the floor (z-scale hyperparameter).
3.2. Prototype Test
In this section, the results of the tests conducted on the bipedal robot prototype are presented. With these experiments, the primary objectives were to assess the robot’s overall performance, evaluate the effectiveness of its actuation and sensory systems, and measure the power consumption while executing the gait sequence.
To prevent damage to the actuation system during gait testing, the PID parameters of the servomotor were adjusted conservatively. While this choice increased the position tracking error, it also constrained the maximum torque and acceleration of the joints.
Within the robot control architecture, PID controllers are directly implemented on the ODrive V3.6 motor boards. Specifically, the joint control system comprises a classical cascade controller, where the inner part includes a current (torque) control loop nested within velocity and position control loops (see Figure 18). In this work, all the robot’s joints were controlled in terms of position according to the reference provided by the IK algorithm every 0.01 ms.
Figure 18.
Single-joint cascade control architecture.
It should be noted that if the controller can accurately follow the reference trajectory, the robot executes the same gait tested in the simulation environment, for which stability has already been verified. This implicitly assumes that the dynamics of the robot are well approximated by the robot model.
The Python scripts initially designed for simulation of the robot were seamlessly adapted for real-world experiments. Integration with supplementary software modules facilitated the exchange of control and sensory signals with the motor boards during the actual experiments.
To enable the operator to test the joint controllers one by one and implement simple motion primitives, such as the lateral and squat movements, a graphical user interface (GUI) was developed, as depicted in Figure 19.
Figure 19.
Python-developed GUI for regulation of the robot’s joint position, providing a straightforward control interface for lateral and squat motions.
The GUI was structured using a multiprocessing Python library to create two distinct processes. The first process is dedicated to managing the interaction of the user with the GUI, while the second process focuses on the control of the humanoid robot through a serial port connection. This design ensures a clear separation of responsibilities and optimizes the system performance. The GUI process is responsible for reading data from the interface and capturing user inputs by providing a responsive and intuitive interface. It then forwards this information to the control process for further processing. Conversely, the control process plays a crucial role in executing commands to manipulate the humanoid robot. It transmits control signals to the robot through a serial port linked to a micro-controller, serving as an interface with the robot’s actuation system via a CAN bus. The CAN bus functions as the primary communication channel within the robot’s infrastructure.
3.2.1. Lateral and Squat Motion
Our initial test aimed to assess the robot’s ability to execute lateral movements, which are crucial for performing both static and quasistatic gaits. During this test, the robot was required to move its center of mass (COM) away from the home position. This represents an important part of the gait because it allows for shifting of the robot’s weight away from the center of the convex area that encompasses the contact regions of its two feet, directing it towards either the left or right foot.
To achieve this, the actuation system was first calibrated while the robot was suspended above the floor. Subsequently, with the servomotors armed, the robot was carefully lowered onto the floor.
Figure 20 shows sequential frames from a recorded video of the lateral motion. The plots under each picture show how the center of pressure (COP), computed based on the measurements of the force sensors under each foot, shifts toward the left or right foot.
Figure 20.
The robot executing a lateral motion by shifting the COP from the center (a) toward the right (b) and left (c) foot. The COP is calculated based on the values recorded by the force sensors installed under each foot.
The second tested motion was the squat movement. In this case, the robot moves its COM downward by bending the knees and adjusting the hip and ankle pitch joints in order to keep the waist’s orientation constant. The results of this experiment are demonstrated in Figure 21. As evidenced by the plots beneath the images, the COP shifts slightly backward while the robot is moving downward.
Figure 21.
The robot executing a squat motion, where the COM is lowered ((a) initial position, (b) intermediate position and (c) final position). The COP is reported for each posture at the bottom of the figure.
3.2.2. Gait Sequence
To validate the actuation system and measure energy consumption, tests were conducted on the robot prototype using the gait sequence obtained from the simulation environment. First, the robot’s gait was tested with support from a tutor to ensure that the control system correctly tracked the joint trajectories. Figure 22 reports the angular positions for all the joints of the left leg. The reference positions are tracked with good accuracy. The mean absolute error and the variance are reported for each joint in Table 3.
Figure 22.
Right-leg joint positions (reference, solid black line; actual, dashed blue line).
Table 3.
Control system performance for each joint: position mean absolute error and variance measured in [degrees].
In a second experiment, the robot was displaced on the floor, and the gait sequence was executed. For each joint, the actual position and torque were measured, and the total electrical power consumption was calculated by measuring the current absorption and the bus voltage for both axes of all six ODrive motor boards. In Figure 23, eight frames illustrate two complete gait sequences. Initially, the robot shifts its COM towards the left foot Figure 23b, lifts and advances the right foot Figure 23c, transfers the weight to the right foot, and lifts and moves the left foot forward Figure 23d. Finally, it lowers the left foot to the floor and moves to a central position Figure 23e, allowing for the initiation of another gait sequence, Figure 23f–h.
Figure 23.
The bipedal robot performing two complete gait sequences. On the floor, markers evidence the overall forward motion covered by the robot. (a) Initial position, (b) the robot shifts its COM towards the left foot, (c) the robot lifts and advances the right foot, (d) the robot transfers the weight to the right foot and lifts and moves the left foot forward, (e) the robot lowers the left foot to the floor and moves to a central position, (f–h) the robot executes a new gait sequence.
Table 4 reports the average electrical and mechanical power for each joint. Overall, during the gait, the robot consumes an average electrical power of 495.8 W.
Table 4.
Comparison of electrical and mechanical power for each joint of the left and right legs.
Figure 24 presents both the electrical and mechanical power of all the joints in the right leg. The rapid fluctuations in the mechanical power are due to the fact that the instantaneous torque is estimated based on the current measurement, which is provided by the motor board. Nevertheless, the plots show a periodic trend that reflects the fact that all the gait sequences are similar. The total average magnitude of mechanical power was calculated according to the instantaneous absolute torque and angular velocity of each joint, as shown in Table 4. On average, the actuation system generates 172.3 W of mechanical power with an average efficiency of 38%. The lower efficiency at this point is primarily due to the relatively slow motion being performed. In fact, the high-power-to-weight-ratio BLDC motors used in this study are designed to operate at higher speeds. The experimental results evidence that the power consumption of the right leg is 27% higher than that of the left leg, even when the gait trajectory is symmetric. This discrepancy can likely be attributed to certain joint assemblies, resulting in increased friction and, consequently, higher power consumption. However, this discrepancy does not compromise gait execution, since the joint trajectories are correctly followed, as depicted in Figure 22.
Figure 24.
Joint, electrical, and mechanical power magnitudes of the right leg.
4. Discussion
In this work, the primary objective was the development and validation of a full-size bipedal robot capable of executing both quasistatic and dynamic gaits. Central to the design process were five key performance criteria: a robust yet straightforward mechanical structure, cost-effective prototyping, inherent safety, a high power-to-weight ratio, and a favorable weight-to-height ratio. These criteria were integral in shaping the robot’s capabilities and functionality.
The 12-DOF NU-Biped-4.5 robot, with a height of 1.1 m and a weight of 15 kg, features a powerful in-house-developed servomotor equipped with a precise magnetic encoder. While the joint control system was tuned conservatively, it has been demonstrated that the system can track the reference joint trajectories with an average error of 1.1 degrees. This capability enabled the robot prototype to replicate the quasistatic gait trajectory initially tested in the simulation environment with satisfactory accuracy.
To allow for comparison of NU-Biped-4.5 with other state-of-the-art systems, Table 5 presents the main features of each humanoid robot considered in this study. These features include the number of DOFs, height, weight, actuation technology, and estimated total mechanical power. The first figure of merit is the calculated power-to-weight ratio, where a high value signifies the robot’s capacity to execute dynamic movements while conserving energy. The table shows that NU-Biped-4.5 surpasses its predecessor, NU-Biped-3, and demonstrates a superior value compared to ten out of twelve other systems (with known total mechanical power), even when factoring in the additional 6 kg weight of an onboard battery. However, it remains slightly inferior compared to the iCub [39,55] and KENGORO [13] humanoids, which exhibit a 20% higher value.
Table 5.
Comparison of different humanoid robots in terms of DOFs, weight, actuator technology, nominal power, power-to-weight ratio, and weight-to-height ratio. If the quantities were not available, an N/A symbol is indicated.
In terms of the weight-to-height ratio, a lower value is preferable, as it indicates a robot’s more expansive reachable workspace. NU-Biped-4.5 performs less favorably when compared to the previous prototype (NU-Biped-3). This is primarily due to NU-Biped-3 being predominantly constructed using plastic materials, which helped in reducing weight but simultaneously resulted in a bulkier and less rigid system. In comparison to other state-of-the-art systems, NU-Biped-4.5 generally outperforms them, except when compared to the M2 bipedal robot [12], which is taller while retaining a compact design.
In this work, we sought to create a cost-effective prototype, making the system more affordable and accessible to research teams interested in conducting studies in the field of humanoid robotics. Table 6 details the direct costs for consumables, sensors, motor drives, CNC machining services, etc., required to build NU-Biped-4.5. Personnel and overhead costs are not included in these expenses. Overall, the prototype’s cost is approximately USD 5000, which is lower than that of humanoid robots like NAO and Poppy [44,46]. Unlike these models, NU-Biped-4.5 is a full-size robot with dynamic properties and movement capabilities closer to those of a human being. A low prototyping cost and a straightforward mechanical architecture were achieved through a modular design, the key element of which is an in-house-developed servomotor integrating the link interfaces. Each servomotor, costing USD 300, weighs 0.7 kg and is capable of generating up to 230 W of mechanical power. This is particularly noteworthy when considering that on the market, a single servomotor with inferior mechanical power can cost almost as much as NU-Biped-4.5 (e.g., the DYNAMIXEL PH54-200-S500-R, currently priced at USD 4000).
Table 6.
Total costs of consumable items and services used to build NU-Biped-4.5.
Most state-of-the-art humanoid robots feature rigid feet [9,14,16,20,21,23,25,26,27,31,54], typically composed of a single segment. In contrast, the human foot incorporates a multitude of articulations, providing adaptability to various terrains and conditions. Furthermore, the presence of tendons and ligaments in the ankle joint support the gait by dampening impact forces, improving stability and efficiently storing and releasing potential energy to enhance overall energy efficiency of the gait [56].
In this study, a foot was designed (see Figure 5) by integrating two rigid pads connected by a central elastic segment made of TPU material. The thickness of the elastic segment was optimized to permit deformation under the robot’s weight while avoiding excessive deformation that could compromise the accuracy of contact force measurements. Furthermore, it has been demonstrated that the ankle can store and release potential energy of up to 0.63 J while applying an external load of 200 N, which proves useful in reducing the amount of the total energy required to perform each gait cycle. Compared to other foot designs with a substantial number of components [57] and bearing more resemblance to that reported in [58], the foot proposed in this study is both more compact and resilient to failure. However a drawback is that it does not integrate sensors for measuring ankle deformation, a feature found in the design presented in [59]. Understanding the deformation of the central segment can aid in controlling the foot posture and adapting the robot’s gait to enhance energy efficiency.
In designing the robot, to increase safety during accidental collisions, a weight distribution similar to that of a human leg was employed. In Table 7, the weight of each part of the leg in a human body [37] is detailed, alongside the corresponding weights of the developed bipedal robot for comparison. Notably, the overall weight of the robot’s leg is less than that of a human being. The human and robot legs show a similar distribution pattern, with the majority of the weight concentrated in the upper portion (thigh/upper leg), progressively decreasing towards the foot.
Table 7.
Comparison of mass distribution in the leg of a human body and that of the NU-Biped-4.5 bipedal robot.
For a humanoid robot, power consumption is a very important aspect, as it directly influences the operational time and, consequently, the level of autonomy. During the design of the bipedal robot’s mechanical structure and actuation system, considerable effort was devoted to maintaining the system’s lightness without compromising rigidity. As a result, the robot consumes an average mechanical power of 172.3 W while executing the gait, which is more than that consumed by a human being walking at the same speed [41]. However, it is important to note that the performed gait assumes that the robot is in equilibrium at each instant, ensuring that the projection of the COM remains within the convex area comprising the contact surfaces of the feet. Since the robot currently lacks an upper body, the COM is naturally low (see Figure 12), necessitating significant lateral motion to lift one foot. This situation is expected to significantly improve when a more dynamic gait is executed, potentially resulting in a further reduction in energy consumption.
5. Conclusions
A full-size bipedal robot was developed, standing at 1.1 m tall. Thanks to the use of lightweight materials such as aluminum, PLA, and TPU, the entire robot structure weighs only 15 kg. With an average electrical power consumption of 496 W to perform a quasi-static gait and equipped with a 1000 Wh 24 V lithium battery, the robot has an autonomy span of about 2 h, with a total weight of 21 kg.
To reduce prototyping costs, off-the-shelf 20 × 20 aluminum profiles were utilized, and a standard actuator–link interface was designed. Additionally, a modular design allowed for the reuse of parts, thereby helping to keep prototyping costs low. To increase the total mechanical power-to-weight ratio, an in-house light servomotor (0.7 kg) with 460 W of electrical power (230 W of mechanical power, assuming an average efficiency of 50%) was developed. Standard servomotor–link interfaces were designed and realized using CNC machining and 3D metal printing. This drastically reduced the realization time of the prototype (about two weeks of work by two technicians). Special attention was dedicated to the foot design, which includes a central elastic element meant to absorb and release potential energy when the robot is walking and to reduce the effect of noise forces. A quasi-static gait was tested both in simulation and on the real prototype. The joint trajectories were followed with good accuracy in both tests; however, although in the simulations, the robot could lift the foot according to the planned Cartesian trajectory, during the real prototype test, due to backlash present in the hip—roll joints, the feet slid laterally on the floor. This problem can be corrected by integrating harmonic drive gear boxes in these joints.
Future work should demonstrate that the robot can perform a more dynamic gait while increasing its energy efficiency. Moving less laterally, the energy consumed per meter of covered distance can be reduced, which will require the implementation of more sophisticated adaptive control algorithms [60] that integrate IMU measurements together with the estimation of the zero-moment point (ZMP) [61,62] by using the sensors installed under the feet.
In order to improve the robot’s motion capability, we plan to implement a model-based adaptive control system. In [15], it was proven that fast adaptive dynamic model identification can be achieved using reservoir-based recurrent neural networks. While the robot is in operation, the inverse dynamic model can be learned, and the model-based control action can be modulated in a manner that progressively influences the behavior of the control system as the model becomes more accurate. The advantages of flexible feet need to be proven further through experiments conducted directly with the robot. Furthermore, as mentioned in the Discussion section, the foot design could be improved by incorporating a position sensor. One potential solution is to integrate a force-sensitive sensor (FSR) into the ankle during the printing process. This would allow for the measurement of deformation and estimation of the ankle’s position, along with monitoring of the stored energy.
Author Contributions
Conceptualization, M.F.; methodology, M.F.; software, T.U., S.Y. and M.F.; validation, S.Y., T.U. and M.F.; formal analysis, M.F.; investigation, S.Y., T.U. and M.F.; resources, M.F.; data curation, S.Y., T.U. and M.F.; writing—original draft preparation, M.F.; writing—review and editing, S.Y., T.U. and M.F.; visualization, S.Y., T.U. and M.F.; supervision, M.F.; project administration, M.F.; funding acquisition, M.F. All authors have read and agreed to the published version of the manuscript.
Funding
This work was conducted within the project “Development of an Intrinsically Safe Actuation System with Adaptive Neuromorphic Control for Humanoid Robotics Application” supported by Nazarbayev University under Faculty Development Competitive Research Grant Program Award #021220FD0551. We gratefully acknowledge the support of the project “Designing an Energy-efficient Full-sized Humanoid Robot with Fast Adaptive Model-based Neuromorphic Control Architecture”, grant number #201223FD8812, which will contribute to the publication fees of this study.
Data Availability Statement
The data gathered in the experiments and simulations are available upon request from the corresponding author.
Conflicts of Interest
The authors declare no conflict of interest.
Abbreviations
The following abbreviations are used in this manuscript:
| DOF | Degree of freedom |
| COM | Center of mass |
| COP | Center of pressure |
| FK | Forward kinematics |
| IK | Inverse kinematics |
| IMU | Inertial measurement unit |
| BLDC | Direct current brushless |
| PLA | Polylactide |
| TPU | Thermoplastic Polyurethane |
| PCB | Printed circuit board |
| PID | Proportional integral derivative |
| AGI | Artificial general intelligence |
| FEA | Finite element analysis |
| FSR | Force-sensitive resistor |
| SEA | Serial elastic actuator |
| PEA | Parallel elastic actuator |
| VSA | Variable stiffness actuator |
| LWR | Lightweight robot |
| CNC | Computer numerical control |
| ZMP | Zero-moment point |
Appendix A
In this Appendix, the solution of the IK for one leg of the bipedal robot is provided. Considering Equation (8) and substituting the homogeneous transform (), which is derived by substituting the screw parameters from the table in Figure 2c into Equation (3), our first step involves focusing on the three scalar equations obtained by considering only the last column of the matrix equation as:
By using the second and third scalar equations in Equation (A1), values for both and can be readily derived. Consequently, is calculated as follows:
where denotes the two arguments’ arctangent, which discriminates the correct value of the angle in the range of (,) using information about both the sine and cosine.
By squaring and summing the left and right sides of the first, second, and third scalar equations, a single scalar equation is obtained:
which can be solved for after applying trigonometric identities and .
Thus, it is possible to solve for as
By extracting the first scalar equation from Equation (A3) and consider the summation of the squares of both sides of the second and third scalar equations of Equation (A3) as a second equation, a solution for can be expressed as
It is possible to solve for the other three joint angles by considering the rotational part of Equation (8), obtaining
where
and
Knowing that the inverse of a rotation matrix coincides with its transpose, it is possible to rewrite Equation (A8) as
where the compound matrix on the left side is completely known, and all the unknowns (, , and ) are on the right side of the equation. By substituting the expressions of the rotation matrices () for , Equation (A12) is obtained.
By equating the elements ( and ) of the left and right sides of the matrix Equation (A12), two scalar equations are derived:
which can be solved for and and, therefore, for , as
By considering the elements and , two scalar equations are obtained:
Assuming and, thus, , it is possible to solve for as
Finally, by considering the elements and of Equation (A12), a system of two equations is obtained:
which can be readily solved for as
Referring to Equation (A19), it is evident that was determined by dividing the second argument of by . In situations where the value of equals zero, can be calculated by utilizing the scalar equation [3,3] of the matrix presented in Equation (A12). Consequently, is computed as follows:
As depicted in the solution tree in Figure A1, there are a total of four potential solutions for the IK of one leg of the bipedal robot.
Figure A1.
IK solution tree. Starting from the only possible solution for the angle (), the solution tree develops into four possible branches.
Figure A1.
IK solution tree. Starting from the only possible solution for the angle (), the solution tree develops into four possible branches.

While there is one solution for , there are two viable options for , resulting in a total of two possible combinations. Moreover, each of these two combinations offers two potential solutions for . Therefore, the overall count of possible solutions is four. It is important to note that there are not eight solutions, as one would expect for a classical six-DOF manipulator. This is because the axes of the last two joints do not intersect.
References
- Ogura, Y.; Aikawa, H.; Shimomura, K.; Kondo, H.; Morishima, A.; ok Lim, H.; Takanishi, A. Development of a new humanoid robot WABIAN-2. In Proceedings of the Proceedings 2006 IEEE International Conference on Robotics and Automation, ICRA 2006, Orlando, FL, USA, 15–19 May 2006; pp. 76–81. [Google Scholar] [CrossRef]
- Kaneko, K.; Kanehiro, F.; Morisawa, M.; Akachi, K.; Miyamori, G.; Hayashi, A.; Kanehira, N. Humanoid robot HRP-4—Humanoid robotics platform with lightweight and slim body. In Proceedings of the 2011 IEEE/RSJ International Conference on Intelligent Robots and Systems, San Francisco, CA, USA, 25–30 September 2011; pp. 4400–4407. [Google Scholar] [CrossRef]
- Kaneko, K.; Kaminaga, H.; Sakaguchi, T.; Kajita, S.; Morisawa, M.; Kumagai, I.; Kanehiro, F. Humanoid Robot HRP-5P: An Electrically Actuated Humanoid Robot with High-Power and Wide-Range Joints. IEEE Robot. Autom. Lett. 2019, 4, 1431–1438. [Google Scholar] [CrossRef]
- He, B.; Miao, Q.; Zhou, Y.; Wang, Z.; Li, G.; Xu, S. Review of Bioinspired Vision-Tactile Fusion Perception (VTFP): From Humans to Humanoids. IEEE Trans. Med Robot. Bionics 2022, 4, 875–888. [Google Scholar] [CrossRef]
- Radford, A.; Narasimhan, K.; Salimans, T.; Sutskever, I. Improving Language Understanding by Generative Pre-Training 2018. Available online: https://www.google.com.ua/url?sa=t&rct=j&q=&esrc=s&source=web&cd=&ved=2ahUKEwiVr4Kao6-DAxUtr1YBHVTbAzEQFnoECAoQAQ&url=https%3A%2F%2Fs3-us-west-2.amazonaws.com%2Fopenai-assets%2Fresearch-covers%2Flanguage-unsupervised%2Flanguage_understanding_paper.pdf&usg=AOvVaw2_cln7aRjbG09uzieV6Bv4&opi=89978449 (accessed on 29 December 2023).
- Nakajima, K. Reservoir computing: Theory, physical implementations, and applications. IEICE Tech. Rep. 2018, 118, 149–154. [Google Scholar]
- Asfour, T.; Yokoi, K.; Lee, C.; Kuffner, J. Humanoid Robotics TC Spotlight. IEEE Robot. Autom. Mag. 2012, 19, 108–118. [Google Scholar] [CrossRef]
- Saeedvand, S.; Jafari, M.; Aghdasi, H.S.; Baltes, J. A comprehensive survey on humanoid robot development. Knowl. Eng. Rev. 2019, 34, e20. [Google Scholar] [CrossRef]
- Boston Dynamics, Atlas Humanoid Robot. Available online: https://www.bostondynamics.com/atlas (accessed on 29 December 2023).
- Kuindersma, S.; Deits, R.; Fallon, M.; Valenzuela, A.; Dai, H.; Permenter, F.; Koolen, T.; Marion, P.; Tedrake, R. Optimization-based locomotion planning, estimation, and control design for the atlas humanoid robot. Auton. Robot. 2015, 40, 429–455. [Google Scholar] [CrossRef]
- Lohmeier, S.; Buschmann, T.; Ulbrich, H. Humanoid robot LOLA. In Proceedings of the 2009 IEEE International Conference on Robotics and Automation, Kobe, Japan, 12–17 May 2009; pp. 775–780. [Google Scholar] [CrossRef]
- Pratt, J.E.; Pratt, G.A. Exploiting Natural Dynamics in the Control of a 3 D Bipedal Walking Simulation. In Proceedings of the International Conference on Climbing and Walking Robots (CLAWAR99), Portsmouth, UK, September 1999. [Google Scholar]
- Asano, Y.; Kozuki, T.; Ookubo, S.; Kawamura, M.; Nakashima, S.; Katayama, T.; Yanokura, I.; Hirose, T.; Kawaharazuka, K.; Makino, S.; et al. Human mimetic musculoskeletal humanoid Kengoro toward real world physically interactive actions. In Proceedings of the 2016 IEEE-RAS 16th International Conference on Humanoid Robots (Humanoids), Cancun, Mexico, 15–17 November 2016; pp. 876–883. [Google Scholar] [CrossRef]
- Eßer, J.; Kumar, S.; Peters, H.; Bargsten, V.; Fernández, J.; Mastalli, C.; Stasse, O.; Kirchner, F. Design, analysis and control of the series-parallel hybrid RH5 humanoid robot. In Proceedings of the 2020 IEEE-RAS 20th International Conference on Humanoid Robots (Humanoids), Munich, Germany, 19–21 July 2021; pp. 400–407. [Google Scholar] [CrossRef]
- Folgheraiter, M.; Yskak, A.; Yessirkepov, S. One-Shot Bipedal Robot Dynamics Identification With a Reservoir-Based RNN. IEEE Access 2023, 11, 50180–50194. [Google Scholar] [CrossRef]
- Folgheraiter, M.; Yessirkepov, S.; Umurzakov, T.; Korabay, R. NU-Biped-4 a Lightweight and Low-Power Consumption Full-Size Bipedal Robot. In Proceedings of the 2023 9th International Conference on Automation, Robotics and Applications (ICARA), Abu Dhabi, United Arab Emirates, 10–12 February 2023; pp. 38–43. [Google Scholar] [CrossRef]
- Hyon, S.H.; Suewaka, D.; Torii, Y.; Oku, N. Design and Experimental Evaluation of a Fast Torque-Controlled Hydraulic Humanoid Robot. IEEE/ASME Trans. Mechatronics 2017, 22, 623–634. [Google Scholar] [CrossRef]
- Ude, A.; Atkeson, C. Real-time visual system for interaction with a humanoid robot. In Proceedings of the 2001 IEEE/RSJ International Conference on Intelligent Robots and Systems. Expanding the Societal Role of Robotics in the the Next Millennium (Cat. No.01CH37180), Maui, HI, USA, 29 October–3 November 2001; Volume 2, pp. 746–751. [Google Scholar] [CrossRef]
- Farnioli, E.; Gabiccini, M.; Bicchi, A. Toward whole-body loco-manipulation: Experimental results on multi-contact interaction with the Walk-Man robot. In Proceedings of the 2016 IEEE/RSJ International Conference on Intelligent Robots and Systems (IROS), Daejeon, Republic of Korea, 9–14 October 2016; pp. 1372–1379. [Google Scholar] [CrossRef]
- Tsagarakis, N.; Caldwell, D.G.; Bicchi, A.; Negrello, F.; Garabini, M.; Choi, W.; Baccelliere, L.; Loc, V.G.; Noorden, J.; Catalano, M.; et al. WALK-MAN: A High Performance Humanoid Platform for Realistic Environments. J. Field Robot. 2017, 34, 1225–1259. [Google Scholar] [CrossRef]
- Englsberger, J.; Werner, A.; Ott, C.; Henze, B.; Roa, M.A.; Garofalo, G.; Burger, R.; Beyer, A.; Eiberger, O.; Schmid, K.; et al. Overview of the torque-controlled humanoid robot TORO. In Proceedings of the 2014 14th IEEE-RAS International Conference on Humanoid Robots (Humanoids), Madrid, Spain, 18–20 November 2014; pp. 916–923. [Google Scholar]
- Henze, B.; Dietrich, A.; Ott, C. An Approach to Combine Balancing with Hierarchical Whole-Body Control for Legged Humanoid Robots. IEEE Robot. Autom. Lett. 2016, 1, 700–707. [Google Scholar] [CrossRef]
- Huang, Y.; Li, Q.; Ming, A.; Liu, Y.; Liu, Y.; Huang, Q. Dynamic Gait Transition of a Humanoid Robot from Hand-Knee Crawling to Bipedal Walking based on Kinematic Primitives. In Proceedings of the 2019 IEEE International Conference on Advanced Robotics and its Social Impacts (ARSO), Beijing, China, 31 October–2 November 2019; pp. 240–245. [Google Scholar] [CrossRef]
- Chen, X.; Liao, W.; Yu, Z.; Qi, H.; Jiang, X.; Huang, Q. Motion coordination for humanoid jumping using maximized joint power. Adv. Mech. Eng. 2021, 13, 168781402110284. [Google Scholar] [CrossRef]
- Yu, Z.; Huang, Q.; Ma, G.; Chen, X.; Zhang, W.; Li, J.; Gao, J. Design and development of the humanoid robot BHR-5. Adv. Mech. Eng. 2014, 6, 852937. [Google Scholar] [CrossRef]
- Asfour, T.; Schill, J.; Peters, H.; Klas, C.; Bücker, J.; Sander, C.; Schulz, S.; Kargov, A.; Werner, T.; Bartenbach, V. ARMAR-4: A 63 DOF torque controlled humanoid robot. In Proceedings of the 2013 13th IEEE-RAS International Conference on Humanoid Robots (Humanoids), Atlanta, GA, USA, 15–17 October 2013; pp. 390–396. [Google Scholar] [CrossRef]
- Xiong, X.; Ames, A. 3-D Underactuated Bipedal Walking via H-LIP Based Gait Synthesis and Stepping Stabilization. IEEE Trans. Robot. 2022, 38, 2405–2425. [Google Scholar] [CrossRef]
- Ackerman, E. How Robots Can Help US Act and Feel Younger: Toyota’s Gill Pratt on Enhancing Independence in Old Age. IEEE Spectr. 2022, 59, 26–31. [Google Scholar] [CrossRef]
- Balkibekov, K.; Meiirbekov, S.; Tazhigaliyeva, N.; Sandygulova, A. Should robots win or lose? Robot’s losing playing strategy positively affects child learning. In Proceedings of the IEEE RO-MAN, New York, NY, USA, 26–31 August 2016; pp. 706–711. [Google Scholar]
- Kim, J.; Cauli, N.; Vicente, P.; Damas, B.; Cavallo, F.; Santos-Victor, J. “iCub, clean the table!” A robot learning from demonstration approach using deep neural networks. In Proceedings of the 2018 IEEE International Conference on Autonomous Robot Systems and Competitions (ICARSC), Torres Vedras, Portugal, 25–27 April 2018; pp. 3–9. [Google Scholar] [CrossRef]
- Jung, T.; Lim, J.; Bae, H.; Lee, K.K.; Joe, H.M.; Oh, J.H. Development of the Humanoid Disaster Response Platform DRC-HUBO. IEEE Trans. Robot. 2018, 34, 1–17. [Google Scholar] [CrossRef]
- Bohorquez, N.; Sherikov, A.; Dimitrov, D.; Wieber, P.B. Safe navigation strategies for a biped robot walking in a crowd. In Proceedings of the 2016 IEEE-RAS 16th International Conference on Humanoid Robots (Humanoids), Cancun, Mexico, 15–17 November 2016; pp. 379–386. [Google Scholar] [CrossRef]
- Bohorquez Dorante, N. Design of Safe Control Laws for the Locomotion of Biped Robots. Ph.D. Thesis, Université Grenoble Alpes, Grenoble, France, 2018. [Google Scholar]
- ISO 10218; Robots and Robotic Devices: Safety Requirements for Industrial Robots. ISO: Geneva, Switzerland, 2011.
- Kim, Y.J.; Kim, J.I.; Jang, W. Quaternion Joint: Dexterous 3-DOF Joint Representing Quaternion Motion for High-Speed Safe Interaction. In Proceedings of the 2018 IEEE/RSJ International Conference on Intelligent Robots and Systems (IROS), Madrid, Spain, 1–8 October 2018; pp. 935–942. [Google Scholar] [CrossRef]
- Zhakatayev, A.; Rubagotti, M.; Varol, H.A. Energy-Aware Optimal Control of Variable Stiffness Actuated Robots. IEEE Robot. Autom. Lett. 2019, 4, 330–337. [Google Scholar] [CrossRef]
- Caldwell, G.E. Human Body Dynamics: Classical Mechanics and Human Movement. Q. Rev. Biol. 2001, 76, 120–121. [Google Scholar] [CrossRef]
- Şafak, K.K.; Baturalp, T.B.; Bozkurt, S. Parametric Design and Prototyping of a Low-Power Planar Biped Robot. Biomimetics 2023, 8, 346. [Google Scholar] [CrossRef]
- Natale, L.; Nori, F.; Metta, G.; Fumagalli, M.; Ivaldi, S.; Pattacini, U.; Randazzo, M.; Schmitz, A.; Sandini, G.G. The iCub platform: A tool for studying intrinsically motivated learning. In Intrinsically Motivated Learning in Natural and Artificial Systems; Baldassarre, G., Mirolli, M., Eds.; Springer-Verlag: Berlin/Heidelberg, Germany, 2013. [Google Scholar]
- Nakanishi, T.; Komagata, M.; Yamamoto, K.; Nakamura, Y. Toward High Power-to-Weight Ratio Electro-hydrostatic Actuators for Robots. In Proceedings of the Experimental Robotics, La Valletta, Malta, 15–18 November 2021; Siciliano, B., Laschi, C., Khatib, O., Eds.; Springer: Cham, Switzerland, 2021; pp. 116–125. [Google Scholar] [CrossRef]
- Farris, D.J.; Sawicki, G.S. The mechanics and energetics of human walking and running: A joint level perspective. J. R. Soc. Interface 2011, 9, 110–118. [Google Scholar] [CrossRef]
- Sim, J.; Kim, S.; Park, S.; Kim, S.; Kim, M.; Park, J. Design of JET Humanoid Robot with Compliant Modular Actuators for Industrial and Service Applications. Appl. Sci. 2021, 11, 6152. [Google Scholar] [CrossRef]
- Folgheraiter, M.; Aubakir, B. Design and Modeling of a Lightweight and Low Power Consumption Full-Scale Biped Robot. Int. J. Humanoid Robot. 2018, 15, 1850022. [Google Scholar] [CrossRef]
- Mohamed, S.A.; Awad, M.I.; Maged, S.A. Online Gait Generation For NAO Humanoid Robot Using Model Predictive Control. In Proceedings of the 2020 International Conference on Innovative Trends in Communication and Computer Engineering (ITCE), Aswan, Egypt, 8–9 February 2020; pp. 205–209. [Google Scholar] [CrossRef]
- Vilavila, R.; Justo, F.; Florez, R.; Figueroa, N. Low-Cost Mini Humanoid Robot Mechanical Design for Mini Humanoid Robot Contest Intercon 2021. In Proceedings of the 2021 IEEE XXVIII International Conference on Electronics, Electrical Engineering and Computing (INTERCON), Lima, Peru, 5–7 August 2021; pp. 1–4. [Google Scholar] [CrossRef]
- Lapeyre, M.; Rouanet, P.; Oudeyer, P.Y. The poppy humanoid robot: Leg design for biped locomotion. In Proceedings of the 2013 IEEE/RSJ International Conference on IEEE Intelligent Robots and Systems (IROS), Tokyo, Japan, 3–7 November 2013; pp. 349–356. [Google Scholar]
- Scarfogliero, U.; Folgheraiter, M.; Gini, G. Advanced step in biped robotics: Innovative design and intuitive control through spring-damper actuator. In Proceedings of the IEEE Humanoids 2004, Santa Monica, CA, USA, 10–12 November 2004. [Google Scholar]
- Craig, J.J. Introduction to Robotics: Mechanics and Control, 2nd ed.; Addison-Wesley Longman Publishing Co., Inc.: Boston, MA, USA, 1989. [Google Scholar]
- Ceccarelli, M. Screw axis defined by Giulio Mozzi in 1763 and early studies on helicoidal motion. Mech. Mach. Theory 2000, 35, 761–770. [Google Scholar] [CrossRef]
- Umurzakov, T.; Yessirkepov, S.; Folgheraiter, M. Fast Prototyping and Testing of a New Full Scale Bipedal Robot. In Proceedings of the 2022 7th International Conference on Robotics and Automation Engineering (ICRAE), Singapore, 18–20 November 2022; pp. 215–221. [Google Scholar] [CrossRef]
- ODrive. Available online: https://odriverobotics.com/ (accessed on 29 December 2023).
- Folgheraiter, M.; Umurzakov, T.; Yessirkepov, S. A Servomotor with Adjustable Stiffness for Humanoid Robotics Application. In Proceedings of the ACTUATOR 2022; International Conference and Exhibition on New Actuator Systems and Applications, Mannheim, Germany, 29–30 June 2022; pp. 1–4. [Google Scholar]
- Rohmer, E.; Singh, S.P.N.; Freese, M. V-REP: A versatile and scalable robot simulation framework. In Proceedings of the 2013 IEEE/RSJ International Conference on Intelligent Robots and Systems, Tokyo, Japan, 3–7 November 2013; pp. 1321–1326. [Google Scholar] [CrossRef]
- Sakagami, Y.; Watanabe, R.; Aoyama, C.; Matsunaga, S.; Higaki, N.; Fujimura, K. The intelligent ASIMO: System overview and integration. In Proceedings of the IEEE/RSJ International Conference on Intelligent Robots and Systems, Lausanne, Switzerland, 30 September–4 October 2002; Volume 3, pp. 2478–2483. [Google Scholar] [CrossRef]
- Shah, D.; Wu, Y.; Scalzo, A.; Metta, G.; Parmiggiani, A. A Comparison of Robot Wrist Implementations for the iCub Humanoid †. Robotics 2019, 8, 11. [Google Scholar] [CrossRef]
- Riddick, R.; Farris, D.J.; Kelly, L.A. The foot is more than a spring: Human foot muscles perform work to adapt to the energetic requirements of locomotion. J. R. Soc. Interface 2019, 16, 20180680. [Google Scholar] [CrossRef]
- Sun, J.; Wang, Z.; Zhang, M.; Zhang, S.; Qian, Z.; Chu, J. A Novel Metamorphic Foot Mechanism with Toe Joints Based on Spring-Loaded Linkages. IEEE Robot. Autom. Lett. 2023, 8, 97–104. [Google Scholar] [CrossRef]
- Catalano, M.G.; Frizza, I.; Morandi, C.; Grioli, G.; Ayusawa, K.; Ito, T.; Venture, G. HRP-4 Walks on Soft Feet. IEEE Robot. Autom. Lett. 2021, 6, 470–477. [Google Scholar] [CrossRef]
- Lavarda, M.D.; Gomes, D.F.; Paes, T.; de Sousa, R.O.; Dreyer, U.J.; da Silva, J.C.C.; Martelli, C. Smart Foot Based on FBG Integrated in Composite Material and Adaptive Fuzzy Controller. IEEE Sens. Lett. 2023, 7, 1–4. [Google Scholar] [CrossRef]
- Sun, C.; He, W.; Ge, W.; Chang, C. Adaptive Neural Network Control of Biped Robots. IEEE Trans. Syst. Man, Cybern. Syst. 2017, 47, 315–326. [Google Scholar] [CrossRef]
- Sardain, P.; Bessonnet, G. Forces acting on a biped robot. Center of pressure-zero moment point. IEEE Trans. Syst. Man Cybern. Part A Syst. Humans 2004, 34, 630–637. [Google Scholar] [CrossRef]
- Ferreira, J.P.; Crisóstomo, M.M.; Coimbra, A.P. Adaptive PD Controller Modeled via Support Vector Regression for a Biped Robot. IEEE Trans. Control. Syst. Technol. 2013, 21, 941–949. [Google Scholar] [CrossRef]
Disclaimer/Publisher’s Note: The statements, opinions and data contained in all publications are solely those of the individual author(s) and contributor(s) and not of MDPI and/or the editor(s). MDPI and/or the editor(s) disclaim responsibility for any injury to people or property resulting from any ideas, methods, instructions or products referred to in the content. |
© 2023 by the authors. Licensee MDPI, Basel, Switzerland. This article is an open access article distributed under the terms and conditions of the Creative Commons Attribution (CC BY) license (https://creativecommons.org/licenses/by/4.0/).






















