Reduction of Electromagnetic Interference for Permanent Magnet Synchronous Motor Using Random PWM Switching Method Based on Four-Switch Three-Phase Inverters
Abstract
1. Introduction
- (1)
- In this paper, this is the first time to provide a new RSFPWM-CPTMC strategy for FSTPI, which combines the proposed carrier under the centrosymmetry period with a two-state Markov chain to be a novel RPWM strategy. By introducing the performance index of HSF and THD to evaluate frequency spectrum characteristics.
- (2)
- Based on the RCFMFD strategy and the characteristics of the space vector pulse width modulation (SVPWM) waveform for FSTPI, this paper proposes the RSFPWM-CPTMC strategy to reduce the current harmonics and EMI generated by switching between different sectors. By comparing the randomness of different random distribution modes, the simulation and experimental results based on RSFPWM-CPTMC strategy are presented to indicate the effective and superior performance of EMI compared to the conventional FSFPWM and RCFMFD scheme.
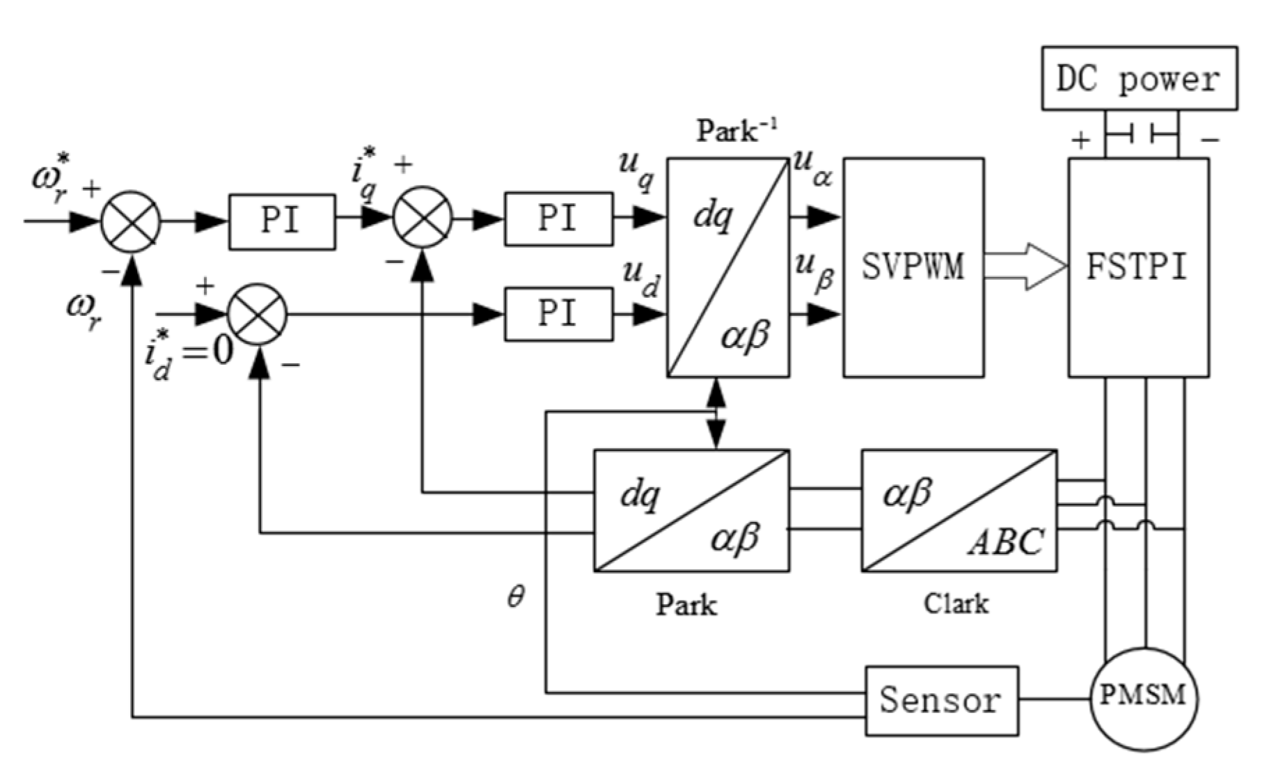
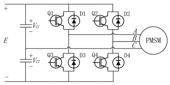
2. The Vector Control System for PMSM
2.1. The Mathematical Model of PMSM
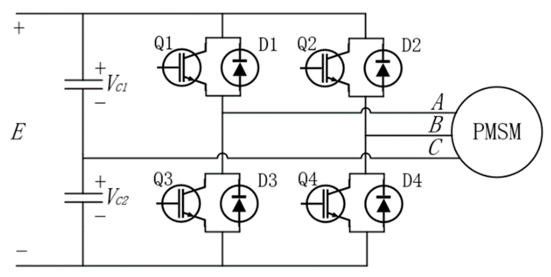
2.2. The Basic Principle of FSTPI
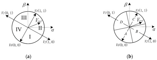
3. The PWM-FSTPI Technology
3.1. Conventional FSFPWM Technology
3.2. Proposed RSFPWM-CPTMC Technology
4. Simulation and Experimental Analysis
4.1. Simulation Results and Analysis
4.2. Experimental Results and Analysis
5. Conclusions
Author Contributions
Funding
Conflicts of Interest
References
- Tan, D. Emerging System Applications and Technological Trends in Power Electronics: Power electronics is increasingly cutting across traditional boundaries. IEEE Power Electron. Mag. 2015, 2, 38–47. [Google Scholar] [CrossRef]
- Wang, Y.; Lucia, O.; Zhang, Z. High and Very High Frequency Power Supplies for Industrial Applications. IEEE Trans. Ind. Electron. 2020, 67, 1400–1404. [Google Scholar] [CrossRef]
- Chen, J.; Jiang, D.; Sun, W.; Shen, Z.; Zhang, Y. A family of spread-spectrum modulation schemes based on distribution characteristics to reduce conducted EMI for power electronics converters. IEEE Trans. Ind. Appl. 2020, 56, 5142–5157. [Google Scholar] [CrossRef]
- Ramabhadran, R.; She, X.; Levy, Y.; Glaser, J.; Raju, R.; Datta, R. Universal AC Input High-Density Power Adapter Design with a Clamped Series-Resonant Converter. IEEE Trans. Ind. Appl. 2016, 52, 4096–4107. [Google Scholar] [CrossRef]
- Liang, Y.; Wang, R.; Hu, B. Single-Switch Open-Circuit Diagnosis Method Based on Average Voltage Vector for Three-Level T-Type Inverter. IEEE Trans. Power Electron. 2020, 36, 911–921. [Google Scholar] [CrossRef]
- Xiao, B.; Hang, L.; Mei, J.; Riley, C.; Tolbert, L.; Ozpineci, B. Modular Cascaded H-Bridge Multilevel PV Inverter with Distributed MPPT for Grid-Connected Applications. IEEE Trans. Ind. Appl. 2015, 51, 1722–1731. [Google Scholar] [CrossRef]
- Blaabjerg, F.; Liserre, M.; Ma, K. Power Electronics Converters for Wind Turbine Systems. IEEE Trans. Ind. Appl. 2012, 48, 708–719. [Google Scholar] [CrossRef]
- Ji, Q.; Ruan, X.; Ye, Z. The Worst Conducted EMI Spectrum of Critical Conduction Mode Boost PFC Converter. IEEE Trans. Power Electron. 2015, 30, 1230–1241. [Google Scholar] [CrossRef]
- Besnerais, J.; Lanfranchi, L.; Hecquet, M.; Brochet, P. Characterization and Reduction of Audible Magnetic Noise Due to PWM Supply in Induction Machines. IEEE Trans. Ind. Electron. 2010, 57, 1288–1295. [Google Scholar] [CrossRef]
- Liaw, C.; Lin, Y. Random slope PWM inverter using existing system background noise: Analysis, design and implementation. IEE Proc. Electr. Power Appl. 2000, 147, 45–54. [Google Scholar] [CrossRef]
- Wang, S. Conductive EMI issues in power electronics systems. In Proceedings of the 2017 IEEE International Symposium on Electromagnetic Compatibility & Signal/Power Integrity (EMCSI), Washington, DC, USA, 7–11 August 2017; pp. 1–110. [Google Scholar]
- Rossetto, L.; Buso, S.; Spiazzi, G. Conducted EMI issues in a 600-W single-phase boost PFC design. IEEE Trans. Ind. Appl. 2000, 36, 578–585. [Google Scholar] [CrossRef]
- Chen, Y.; Guo, X.; Xue, J.; Chen, Y. Hybrid PWM modulation technology applied to three-level topology-based PMSMS. J. Power Electron. 2019, 19, 146–157. [Google Scholar]
- Dordevic, O.; Jones, M.; Levi, E. Analytical Formulas for Phase Voltage RMS Squared and THD in PWM Multiphase Systems. IEEE Trans. Power Electron. 2015, 30, 1645–1656. [Google Scholar] [CrossRef]
- Brudny, J.; Szkudlapski, T.; Morganti, F.; Lecointe, J. Method for Controlling the PWM Switching: Application to Magnetic Noise Reduction. IEEE Trans. Ind. Electron. 2015, 62, 122–131. [Google Scholar] [CrossRef]
- Trzynadlowski, A.; Legowski, S.; Lynn, K. Random pulse-width modulation technique for voltage-controlled power inverters. Int. J. Electron. 1990, 68, 1027–1037. [Google Scholar] [CrossRef]
- Stankovic, A.; Verghese, G.; Perreault, D. Analysis and synthesis of randomized modulation schemes for power converters. IEEE Trans. Power Electron. 1995, 10, 680–693. [Google Scholar] [CrossRef]
- Wang, B.; Li, X.; Drissi, K. Analysis of power spectrum of a dual randomized modulation. Proc. CSEE 2004, 24, 97–101. [Google Scholar]
- Mahdavi, J.; Kaboli, S.; Toliyat, H. Conducted electromagnetic emissions in unity power factor AC/DC converters: Comparison between PWM and RPWM techniques. In Proceedings of the 30th Annual IEEE Power Electronics Specialists Conference, Charleston, SC, USA, 1 July 1999; pp. 881–885. [Google Scholar]
- Wang, H.; Wang, B.; Zhou, D. Comparison and Investigation of Two Randomized PWM Modulation Technology. Electr. Drive 2006, 36, 23–25. [Google Scholar]
- Boudjerda, N.; Melit, M.; Nekhoul, B.; Drissi, K.; Kerroum, K. Spread spectrum in DC-DC full bridge voltage converter by a dual randomized PWM scheme. In Proceedings of the International Symposium on Electromagnetic Compatibility—EMC Europe, Hamburg, Germany, 8 September 2008; pp. 1–6. [Google Scholar]
- Jiang, D.; Lai, R.; Wang, F.; Luo, F.; Wang, S.; Boroyevich, D. Study of Conducted EMI Reduction for Three-Phase Active Front-End Rectifier. IEEE Trans. Power Electron. 2011, 26, 3823–3831. [Google Scholar] [CrossRef]
- Peyghambari, A.; Dastfan, A.; Ahmadyfard, A. Strategy for switching period selection in random pulse width modulation to shape the noise spectrum. IET Power Electron. 2015, 8, 517–523. [Google Scholar] [CrossRef]
- Kirlin, R.; Lascu, C.; Trzynadlowski, A. Shaping the Noise Spectrum in Power Electronic Converters. IEEE Trans. Ind. Electron. 2011, 58, 2780–2788. [Google Scholar] [CrossRef]
- Lai, Y.; Chang, Y.; Chen, B. Novel Random-Switching PWM Technique with Constant Sampling Frequency and Constant Inductor Average Current for Digitally Controlled Converter. IEEE Trans. Ind. Electron. 2013, 60, 3126–3135. [Google Scholar] [CrossRef]
- Xu, J.; Nie, Z.; Zhu, J.; Zhang, Y.; Li, H. Restudy on the Random Pulse Width Modulation. Electr. Mach. Control Appl. 2016, 43, 45–51. [Google Scholar]
- Sudhakar, N.; Pydikalva, P.; Jyotheeswara, R.; Thanikanti, S.; Vigna, K. Conducted Electromagnetic Interference Spectral Peak Mitigation in Luo-Converter Using FPGA-Based Chaotic PWM Technique. Electr. Power Compon. Syst. 2019, 47, 838–848. [Google Scholar]
- Lai, Y.; Chen, B. New Random PWM Technique for a Full-Bridge DC/DC Converter with Harmonics Intensity Reduction and Considering Efficiency. IEEE Trans. Power Electron. 2013, 28, 5013–5023. [Google Scholar] [CrossRef]
- Xu, J.; Nie, Z.; Zhu, J. Characterization and Selection of Probability Statistical Parameters in Random Slope PWM Based on Uniform Distribution. IEEE Trans. Power Electron. 2020, 36, 1184–1192. [Google Scholar] [CrossRef]
- Zhang, Y.; Yin, Z.; Liu, J.; Zhang, R.; Sun, X. IPMSM Sensorless Control Using High-Frequency Voltage Injection Method with Random Switching Frequency for Audible Noise Improvement. IEEE Trans. Ind. Electron. 2020, 67, 6019–6030. [Google Scholar] [CrossRef]
- Dzung, P.; Minh, P.; Vinh, P.; Hoang, N.; Bac, N. A new switching technique for direct torque control of induction motor using four-switch three-phase inverter. In Proceedings of the 7th International Conference on Power Electronics and Drive Systems, Bangkok, Thailand, 27 November 2007; pp. 1331–1336. [Google Scholar]
- Dzung, P.; Minh, P.; Vinh, P.; Hoang, N.; Binh, T. New Space Vector Control Approach for Four Switch Three Phase Inverter (FSTPI). In Proceedings of the 7th International Conference on Power Electronics and Drive Systems, Bangkok, Thailand, 27 November 2007; pp. 1002–1008. [Google Scholar]
- Guo, X.; Cong, W.; Zhao, F.; Fang, R. Research on the Control Algorithms for Four Switch Three Phase Inverter. Small Spec. Electr. Mach. 2012, 40, 66–68. [Google Scholar]
- Guo, X.; Du, S.; Li, Z.; Chen, F.; Chen, K.; Chen, R. Analysis of Current Predictive Control Algorithm for Permanent Magnet Synchronous Motor Based on Three-Level Inverters. IEEE Access 2019, 7, 87750–87759. [Google Scholar] [CrossRef]
- Gamoudi, R.; Elhak Chariag, D.; Sbita, L. A Review of Spread-Spectrum-Based PWM Techniques—A Novel Fast Digital Implementation. IEEE Trans. Power Electron. 2018, 33, 10292–10307. [Google Scholar] [CrossRef]
- Texas Instruments. Available online: https://www.ti.com.cn/document-viewer/cn/TMS320F28069M/datasheet/2-ZHCS009H#SPRS6984427 (accessed on 14 September 2020).
- Ma, F.; Wu, Z.; Hou, X. Random Space Vector PWM Based on the Generalized Modulator. Proc. CSEE 2007, 27, 98–102. [Google Scholar]





















| Q1/Q2 | UA | UB | UC | UAB | UBC | UCA |
|---|---|---|---|---|---|---|
| 0/0 | −E/6 | −E/6 | E/3 | 0 | −E/2 | E/2 |
| 0/1 | −E/2 | E/2 | 0 | −E | E/2 | E/2 |
| 1/0 | E/2 | −E/2 | 0 | E | −E/2 | −E/2 |
| 1/1 | E/6 | E/6 | −E/3 | 0 | E/2 | −E/2 |
| Q1/Q2 | Uα | Uβ | V = vα + jvβ |
|---|---|---|---|
| 0/0 | |||
| 0/1 | |||
| 1/0 | |||
| 1/1 |
| Sector | t03, t21 | t0–t3 |
|---|---|---|
| I | t03> 0; t21 > 0 | t0 = t03 + ; t1 = ; t2 = t21 + ; t3 = |
| II | t03≤ 0; t21 > 0 | t0 = ; t1 = ; t2 = t21 + ; t3 = −t03 + |
| III | t03< 0; t21 ≤ 0 | t0 = ; t1 = −t21 + ; t2 = ; t3 = −t03 + |
| IV | t03≥ 0; t21 < 0 | t0 = t03 + ; t1 = −t21; t2 = ; t3 = |
| Sector | Analyzing Conditions | Select Vector | k |
|---|---|---|---|
| A | t03 ≥ | V0V1V2 | 0 |
| B | t21 ≥ | V0V2V3 | 1 |
| C | −t03 ≥ | V1V2V3 | 0 |
| D | −t21 ≥ | V0V1V3 | 1 |
| Parameters | Simulation and Experimental Values |
|---|---|
| Stator resistance RS/Ω | 0.0071 |
| Stator inductance L/H | 7.39 × 10−4 |
| Flux Ψf/Wb | 0.0147 |
| Rated speed Nr/rpm | 3000 |
| Rated torque TN/N·M | 9.5 |
| Rated power PN/kW | 4.2 |
| Pole pairs np | 6 |
Publisher’s Note: MDPI stays neutral with regard to jurisdictional claims in published maps and institutional affiliations. |
© 2020 by the authors. Licensee MDPI, Basel, Switzerland. This article is an open access article distributed under the terms and conditions of the Creative Commons Attribution (CC BY) license (http://creativecommons.org/licenses/by/4.0/).
Share and Cite
Wu, S.; Guo, X.; Wang, R.; Liu, Y.; Lin, L.; Lei, Y. Reduction of Electromagnetic Interference for Permanent Magnet Synchronous Motor Using Random PWM Switching Method Based on Four-Switch Three-Phase Inverters. Electronics 2020, 9, 1998. https://doi.org/10.3390/electronics9121998
Wu S, Guo X, Wang R, Liu Y, Lin L, Lei Y. Reduction of Electromagnetic Interference for Permanent Magnet Synchronous Motor Using Random PWM Switching Method Based on Four-Switch Three-Phase Inverters. Electronics. 2020; 9(12):1998. https://doi.org/10.3390/electronics9121998
Chicago/Turabian StyleWu, Shunbin, Xinhua Guo, Rongkun Wang, Yulong Liu, Liaoyuan Lin, and Youjian Lei. 2020. "Reduction of Electromagnetic Interference for Permanent Magnet Synchronous Motor Using Random PWM Switching Method Based on Four-Switch Three-Phase Inverters" Electronics 9, no. 12: 1998. https://doi.org/10.3390/electronics9121998
APA StyleWu, S., Guo, X., Wang, R., Liu, Y., Lin, L., & Lei, Y. (2020). Reduction of Electromagnetic Interference for Permanent Magnet Synchronous Motor Using Random PWM Switching Method Based on Four-Switch Three-Phase Inverters. Electronics, 9(12), 1998. https://doi.org/10.3390/electronics9121998

