Power Efficiency Improvement of Three-Phase Split-Output Inverter Using Magnetically Coupled Inductor Switching
Abstract
:1. Introduction
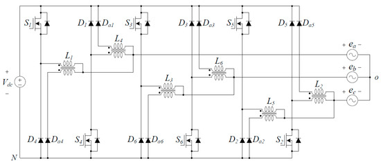
2. Proposed Inverter
2.1. Inverter Configuration
2.2. Steady-State Operation
2.3. Contol and Modulation
3. Simulation and Experimental Results
3.1. Simulation Results
3.2. Experimental Results
3.3. Power Loss Analysis
4. Conclusions
Author Contributions
Funding
Conflicts of Interest
References
- Chen, M.; Xu, D.; Zhang, T.; Shi, K.; He, G.; Rajashekara, K. A Novel DC Current Injection Suppression Method for Three-Phase Grid-Connected Inverter Without the Isolation Transformer. IEEE Trans. Ind. Electron. 2018, 65, 8656–8666. [Google Scholar] [CrossRef]
- Afshari, E.; Moradi, G.R.; Rahimi, R.; Farhangi, B.; Yang, Y.; Blaabjerg, F.; Farhangi, S. Control Strategy for Three-Phase Grid-Connected PV Inverters Enabling Current Limitation Under Unbalanced Faults. IEEE Trans. Ind. Electron. 2017, 64, 8908–8918. [Google Scholar] [CrossRef]
- Kantar, E.; Hava, A.M. Optimal Design of Grid-Connected Voltage-Source Converters Considering Cost and Operating Factors. IEEE Trans. Ind. Electron. 2016, 63, 5336–5347. [Google Scholar] [CrossRef]
- Lewicki, A. Dead-Time Effect Compensation Based on Additional Phase Current Measurements. IEEE Trans. Ind. Electron. 2015, 62, 4078–4085. [Google Scholar] [CrossRef]
- Khan, A.A.; Cha, H. Dual-Buck-Structured High-Reliability and High-Efficiency Single-Stage Buck–Boost Inverters. IEEE Trans. Ind. Electron. 2018, 65, 3176–3187. [Google Scholar] [CrossRef]
- Yan, Q.; Yuan, X.; Geng, Y.; Charalambous, A.; Wu, X. Performance Evaluation of Split Output Converters With SiC MOSFETs and SiC Schottky Diodes. IEEE Trans. Power Electron. 2017, 32, 406–422. [Google Scholar] [CrossRef]
- Sun, P.; Liu, C.; Lai, J.-S.; Chen, C.-L.; Kees, N. Three-Phase Dual-Buck Inverter With Unified Pulsewidth Modulation. IEEE Trans. Power Electron. 2012, 27, 1159–1167. [Google Scholar] [CrossRef]
- Singh, R.; Cooper, J.A.; Melloch, M.R.; Chow, T.P.; Palmour, J.W. SiC power schottky and PiN diodes. IEEE Trans. Electron Devices. 2002, 49, 665–672. [Google Scholar] [CrossRef]
- Biela, J.; Schweizer, M.; Waffler, S.; Kolar, J.W. SiC versus Si—Evaluation of Potentials for Performance Improvement of Inverter and DC–DC Converter Systems by SiC Power Semiconductors. IEEE Trans. Ind. Electron. 2011, 58, 2872–2882. [Google Scholar] [CrossRef]
- Oswald, N.; Anthony, P.; McNeill, N.; Stark, B.H. An Experimental Investigation of the Tradeoff between Switching Losses and EMI Generation With Hard-Switched All-Si, Si-SiC, and All-SiC Device Combinations. IEEE Trans. Power Electron. 2014, 29, 2393–2407. [Google Scholar] [CrossRef]
- Ho, C.N.-M.; Breuninger, H.; Pettersson, S.; Escobar, G.; Canales, F. A Comparative Performance Study of an Interleaved Boost Converter Using Commercial Si and SiC Diodes for PV Applications. IEEE Trans. Power Electron. 2013, 28, 289–299. [Google Scholar] [CrossRef]
- Alatise, O.; Parker-Allotey, N.-A.; Hamilton, D.; Mawby, P. The Impact of Parasitic Inductance on the Performance of Silicon–Carbide Schottky Barrier Diodes. IEEE Trans. Power Electron. 2012, 27, 3826–3833. [Google Scholar] [CrossRef]
- Salem, T.E.; Wood, R.A. 1000-H Evaluation of a 1200-V, 880-A All-SiC Dual Module. IEEE Trans. Power Electron. 2014, 29, 2192–2198. [Google Scholar] [CrossRef]
- Zhang, H.; Wang, Q.; Chu, E.; Liu, X.; Hou, L. Analysis and Implementation of A Passive Lossless Soft-Switching Snubber for PWM Inverters. IEEE Trans. Power Electron. 2011, 26, 411–426. [Google Scholar] [CrossRef]
- Sperb, J.D.; Zanatta, I.X.; Michels, L.; Rech, C.; Mezaroba, M. Regenerative Undeland Snubber Using a ZVS PWM DC–DC Auxiliary Converter Applied to Three-Phase Voltage-Fed Inverters. IEEE Trans. Ind. Electron. 2011, 58, 3298–3307. [Google Scholar] [CrossRef]
- Mezaroba, M.; Martins, D.C.; Barbi, I. A ZVS PWM three-phase inverter with active clamping technique using the reverse recovery energy of the diodes. In Proceedings of the IEEE Annual Power Electronics Specialists Conference (PESC, 2004), Aachen, Germany, 20–25 June 2004; pp. 4785–4790. [Google Scholar]
- Lee, Y.K.; Kim, J.K.; Cho, E.S. Design of Bus-Side RCD Snubber Circuit for Three-Phase High-Power Inverters. Can. J. Electr. Comput. Eng. 2018, 41, 55–61. [Google Scholar]
- Abdelhakim, A.; Davari, P.; Blaabjerg, F.; Mattavelli, P. Switching Loss Reduction in the three-Phase Quasi-Z-Source Inverters Utilizing Modified Space Vector Modulation Strategies. IEEE Trans. Power Electron. 2018, 33, 4045–4060. [Google Scholar] [CrossRef]
- He, N.; Zhu, Y.; Zhao, A.; Xu, D. Zero-Voltage-Switching Sinusoidal Pulsewidth Modulation Method for Three-Phase Four-Wire Inverter. IEEE Trans. Power Electron. 2019, 34, 7192–7205. [Google Scholar] [CrossRef]
- Shi, K.; Zhao, A.; Deng, J.; Xu, D. Zero-Voltage-Switching SiC-MOSFET Three-Phase Four-Wire Back-to-Back Converter. IEEE J. Emerging Sel. Top. Power Electron. 2019, 7, 722–735. [Google Scholar] [CrossRef]
- Powersim Inc. PSIM User’s Guide, Version 9.0, Release2. 2010. Available online: https://www.google.com.hk/url?sa=t&rct=j&q=&esrc=s&source=web&cd=2&cad=rja&uact=8&ved=2ahUKEwiPzOnG6pjkAhWi3mEKHedFD8YQFjABegQIBxAC&url=https%3A%2F%2Fwww.myway.co.jp%2Fproducts%2Fpsim%2Fdlfiles%2Fpdf%2FPSIM_User_Manual_V9.0.2.pdf&usg=AOvVaw0PXhhbMuDyBD5tERrVhvAl (accessed on 1 March 2010).


















| Symbol | Quantity | Value |
|---|---|---|
| Vdc | dc-link voltage | 370 V |
| ea, eb, ec | phase voltages | 60 Hz/127 Vrms |
| eab, ebc, eca | line-to-line voltages | 60 Hz/220 Vrms |
| fs | switching frequency | 50 kHz |
| Po | output power | 1.0 kW |
| Symbol | Quantity | Value |
|---|---|---|
| S1~S6 | power switches | UJC06505K |
| D1~D6 | power diodes | C3D20060D |
| Da1~Da6 | auxiliary power diodes | C3D20060D |
| L1~L6 (= L) | coupled inductors | CM508125 |
| Lm1~Lm6 (= Lm) | magnetizing inductances | 1.0 mH |
| La1~La6 (= La) | auxiliary winding inductances | 1.1 mH |
| Lk1~Lk6 (= Lk) | leakage inductances | 5~20 µH |
| Components | Advantages | Drawbacks | |
|---|---|---|---|
| RC snubber in [13] | resistor × 1 capacitor × 1 | simple structure, high reliability, and low cost | low efficiency |
| Passive lossless snubber in [14] | diode × 4 inductor × 2 capacitor × 2 coupled inductor × 2 | zero-current turn on and zero-voltage turn off | additional circuit, complex structure, and high cost |
| Undeland snubber in [15] | diode × 2 inductor × 1 capacitor × 1 | simple structure of snubber | additional circuit, voltage and current oscillations |
| Active-clamping circuit in [16] | switch × 1 inductor × 1 capacitor × 1 | zero-voltage switching | high voltage stress of power device |
| Bus-side RCD snubber in [17] | diode × 1 resistor × 1 capacitor × 1 | simple structure, high reliability, and low cost | low efficiency |
| qZSI in [18] | diode × 1 inductor × 2 capacitor × 2 | reduced number of switch commutations | complex modulation method |
| ZVS four-wire inverter in [19,20] | switch × 1 inductor × 1 capacitor × 1 | zero-voltage switching | high voltage stress of power device |
| Proposed inverter | diode × 1 coupled inductor × 1 | reducing switching-power losses | - |
© 2019 by the authors. Licensee MDPI, Basel, Switzerland. This article is an open access article distributed under the terms and conditions of the Creative Commons Attribution (CC BY) license (http://creativecommons.org/licenses/by/4.0/).
Share and Cite
Yang, M.-K.; Choi, W.-Y. Power Efficiency Improvement of Three-Phase Split-Output Inverter Using Magnetically Coupled Inductor Switching. Electronics 2019, 8, 969. https://doi.org/10.3390/electronics8090969
Yang M-K, Choi W-Y. Power Efficiency Improvement of Three-Phase Split-Output Inverter Using Magnetically Coupled Inductor Switching. Electronics. 2019; 8(9):969. https://doi.org/10.3390/electronics8090969
Chicago/Turabian StyleYang, Min-Kwon, and Woo-Young Choi. 2019. "Power Efficiency Improvement of Three-Phase Split-Output Inverter Using Magnetically Coupled Inductor Switching" Electronics 8, no. 9: 969. https://doi.org/10.3390/electronics8090969
APA StyleYang, M.-K., & Choi, W.-Y. (2019). Power Efficiency Improvement of Three-Phase Split-Output Inverter Using Magnetically Coupled Inductor Switching. Electronics, 8(9), 969. https://doi.org/10.3390/electronics8090969
