Research on the System and Control Strategy of an AC-DC Hybrid Single-Phase Electric Energy Router
Abstract
:1. Introduction
2. The Structure of A SPEER
- Because the target population of the SPEER is the ordinary household power user and considering that most home users use single-phase AC load, the DC/AC converter in the electric energy router is designed in a single-phase form. Meanwhile, the DC/AC converter is the hub of power balance between DC and AC, so it has the ability of two-way power flow.
- Considering some of the problems with the grid itself, such as short-circuit trips and blackouts, the power supply reliability of some important loads in ordinary households needs to be further strengthened. These loads include, but are not limited to, access control systems installed in some homes, summer refrigerators, cashier systems in small shops and restaurants, etc. Therefore, it is necessary to set a certain amount of backup power according to the actual size of the important load of the home, in order to continuously supply power for such load during the power outage.
- At present, many households or businesses are equipped with new energy power generation equipment with a certain capacity, such as rooftop photovoltaic, and this has become a trend. Therefore, in the design of the home SPEER, it was considered to provide an access interface for such new energy equipment, which allows users to better use such energy.
- For a small number of users who are also equipped with diesel generators and fuel cells, an AC power access interface is reserved for the electric energy router to facilitate the control and use of such power.
- The DC load in the ordinary household is various in form, and a voltage-adjustable DC load interface is designed because of its various voltage levels and cost constraints. The user can select the appropriate voltage according to the actual usage requirements.
3. Control Strategy of SPEER
3.1. Single-Phase DC/AC Bidirectional Converter
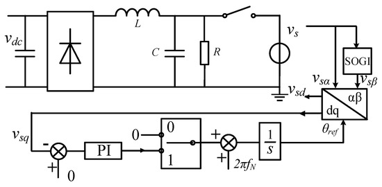
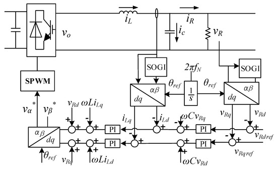
3.1.1. Single-Phase DC/AC Bidirectional Converter in Isolated Network Condition
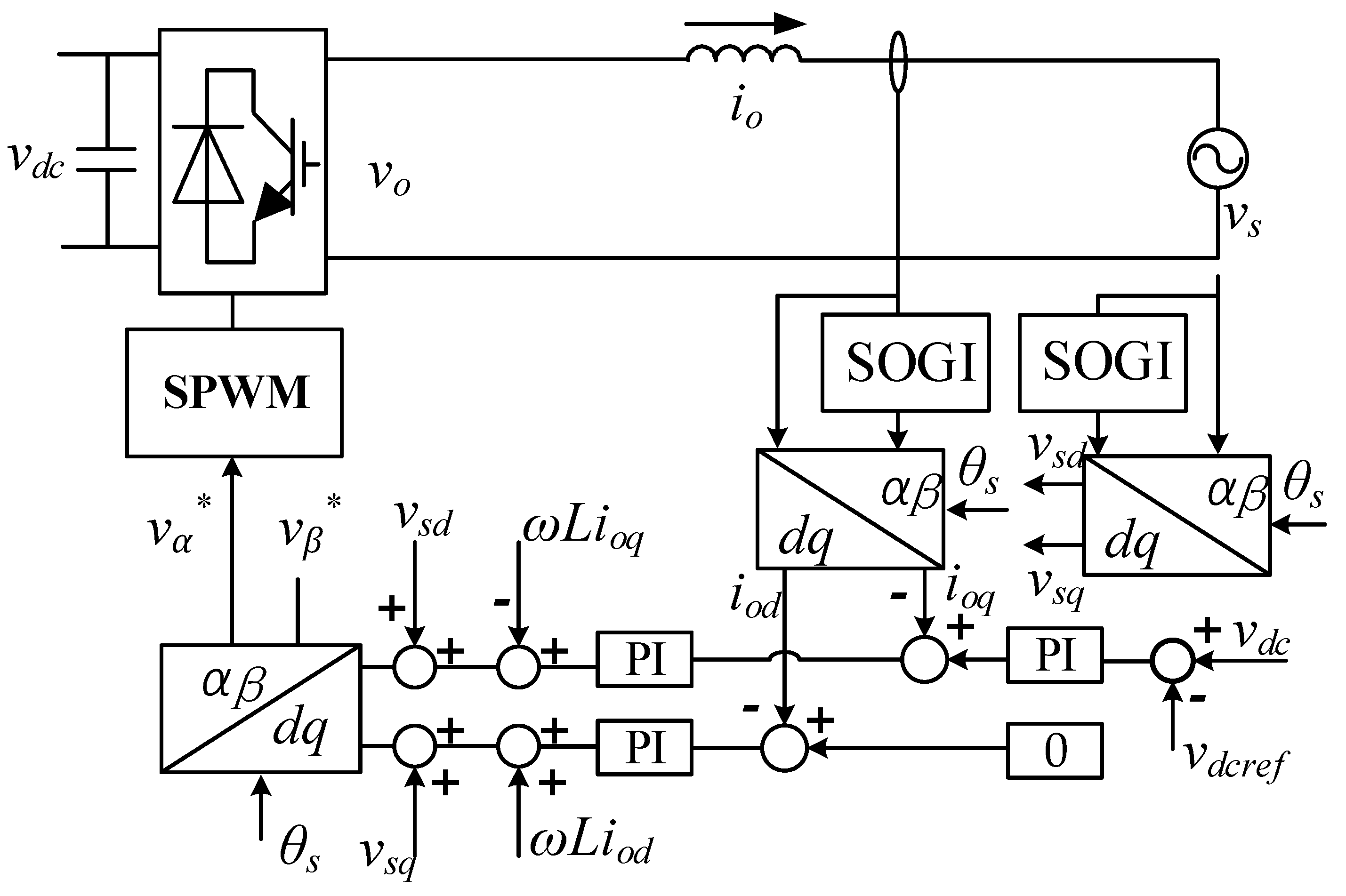
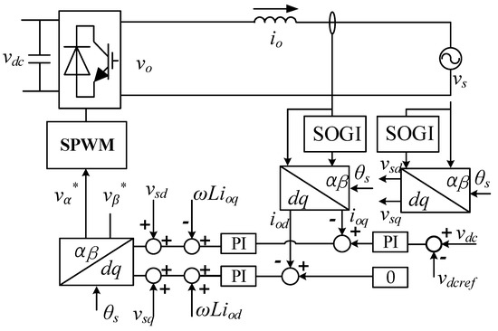
3.1.2. Single-Phase DC/AC Bidirectional Converter under Grid-Connected Operation Condition
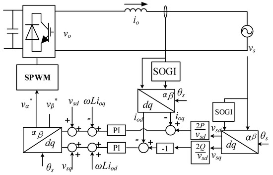
PQ Control Strategy with Power as Outer Loop
PQ Control Strategy with DC Voltage as Outer Loop
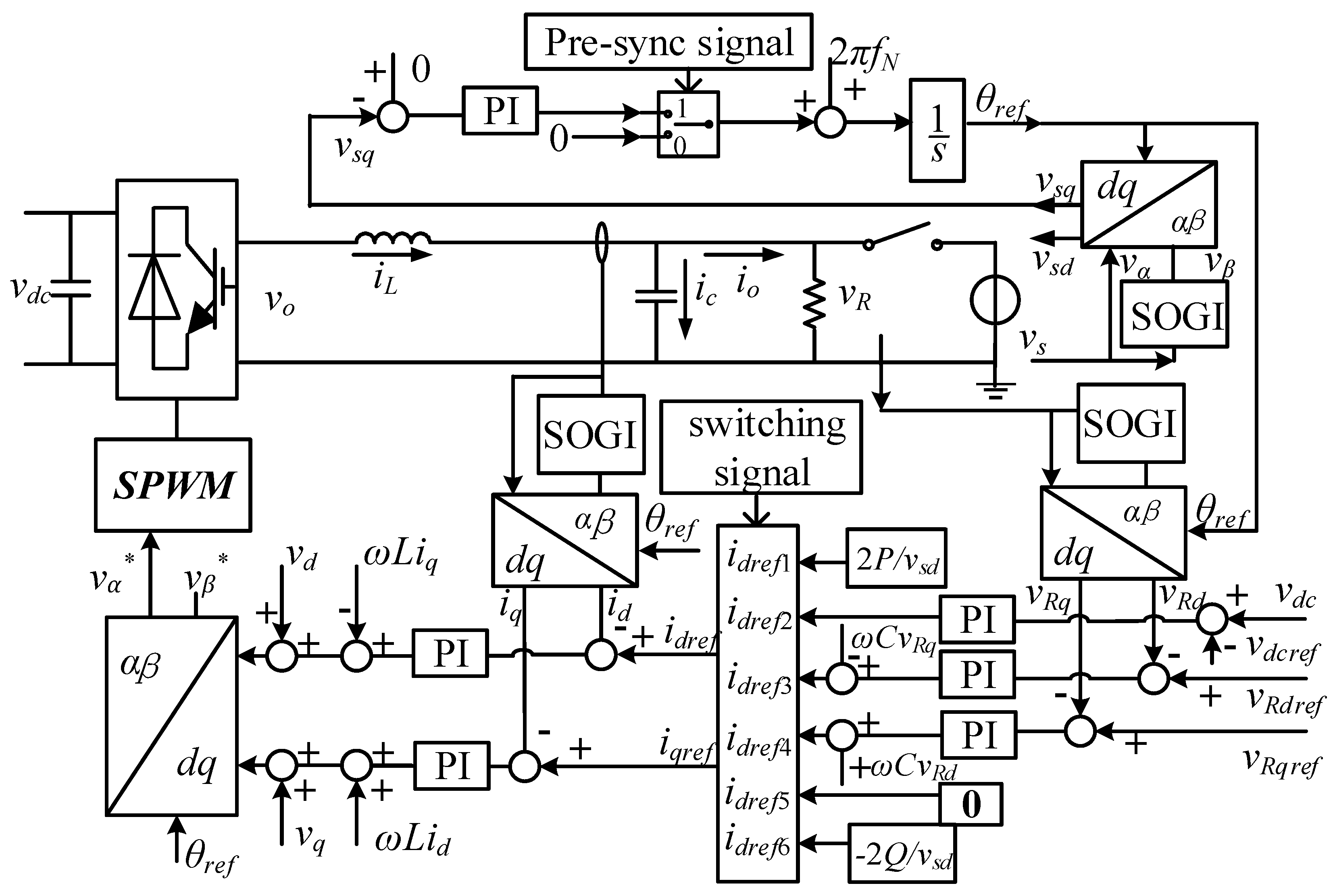
3.1.3. Overall Control Strategy for the Single-Phase DC/AC Bidirectional Converter.
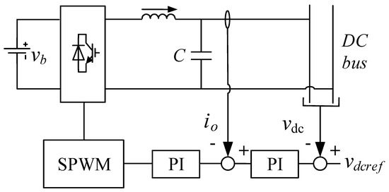
3.2. DC/DC Converter
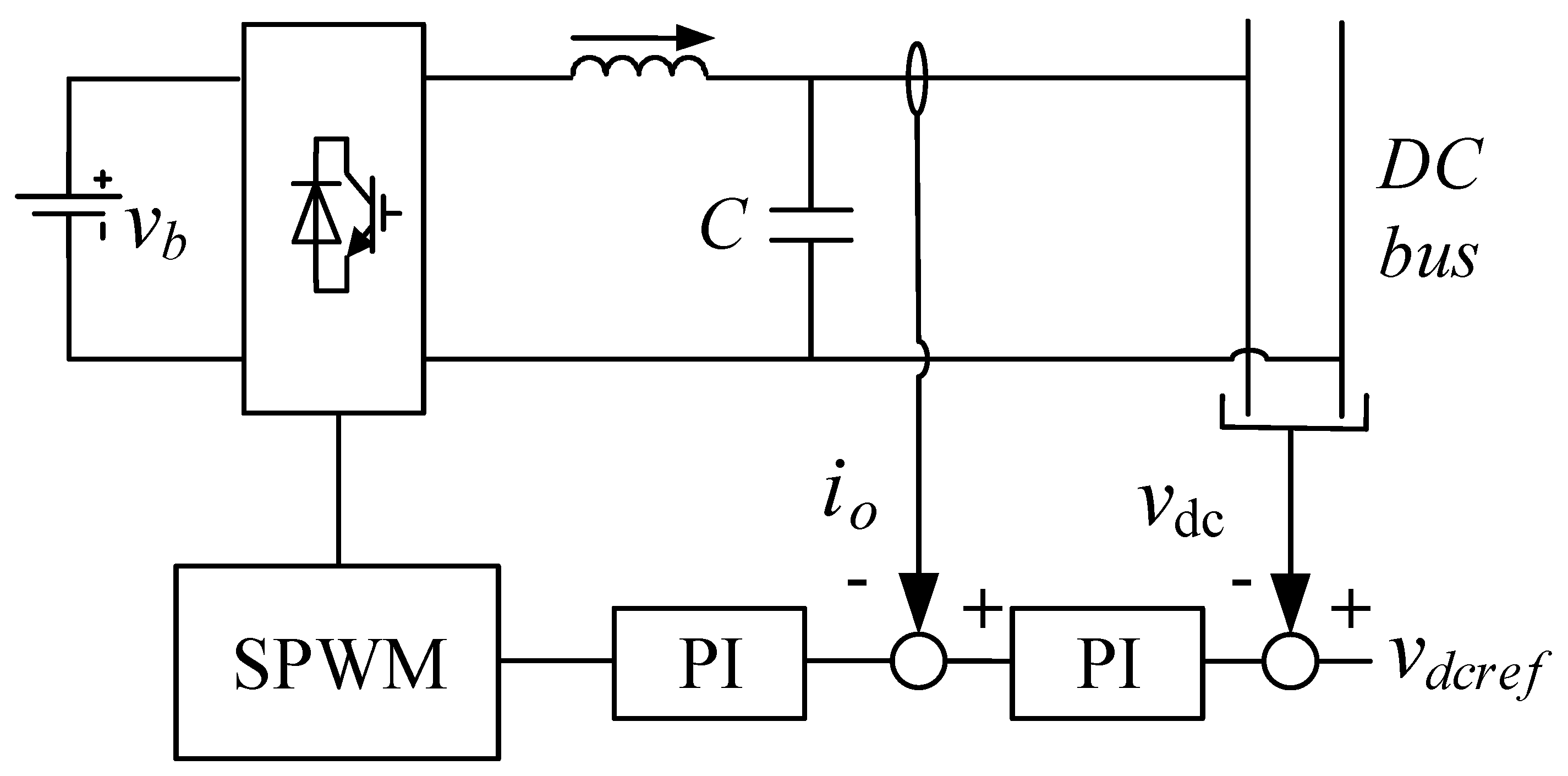
3.2.1. Energy Storage Battery Control DC Bus Voltage
- When the grid fails, the SPEER is in an isolated state. Single-phase DC/AC bidirectional converters need to operate in an inverting state to support the voltage and frequency of the AC bus. The DC link voltage must now be stabilized by the battery control to ensure proper operation of the photovoltaic and single-phase DC/AC bidirectional converters.
- When the grid is normal, the SPEER is connected to the grid. If the bidirectional DC/AC converter at this time uses the power outer loop PQ control strategy due to the instructions given by the upper system, then the DC bus voltage must also be controlled by the energy storage.
3.2.2. Energy Storage Battery Charging Strategy
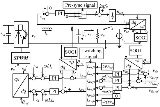
3.3. Pre-Synchronization of SPEER from Isolated Networks to Grid-Connected Operation
3.4. Island Detection and Off-Grid Switching Strategy
3.5. Operating Condition Analysis and Overall Control Strategy of SPEER
3.5.1. SPEER Startup
3.5.2. Control Strategy under Isolated Network Operation
3.5.3. Control Strategy under Grid-Connected Operation.
3.5.4. Overall Control Strategy for SPEER
4. Experimental Verification
5. Conclusions
Author Contributions
Funding
Conflicts of Interest
References
- Miao, J.; Zhang, N.; Kang, C.; Wang, J.; Wang, Y.; Xia, Q. Steady-State Power Flow Model of Energy Router Embedded AC Network and Its Application in Optimizing Power System Operation. IEEE Trans. Smart Grid 2018, 9, 4828–4837. [Google Scholar] [CrossRef]
- Yang, F.; Bai, C.F.; Zhang, Y.B. Research on the Value and Implementation Framework of Energy Internet. Proc. CSEE 2015, 35, 3495–3502. [Google Scholar]
- Lasseter, R.H. MicroGrids. In Proceedings of the 2002 IEEE Power Engineering Society Winter Meeting. Conference Proceedings (Cat. No.02CH37309), New York, NY, USA, 27–31 January 2002; Volume 1, pp. 305–308. [Google Scholar]
- Huang, A.Q.; Crow, M.L.; Heydt, G.T.; Zheng, J.P.; Dale, S.J. The Future Renewable Electric Energy Delivery and Management (FREEDM) System: The Energy Internet. Proc. IEEE 2011, 99, 133–148. [Google Scholar] [CrossRef]
- Zhou, X.; Wang, F.; Ma, Y.; Gao, Z.; Wu, Y.; Yin, J.; Xu, X. An overview on energy router based on various forms of energy. In Proceedings of the 2016 Chinese Control and Decision Conference (CCDC), Yinchuan, China, 28–30 May 2016; pp. 2901–2906. [Google Scholar]
- Zong, S.; He, X.N.; Wu, J.D.; Li, W.H.; Zhao, R.X. Overview of Power Electronics Based Electrical Energy Router. Proc. CSEE 2015, 35, 4559–4570. [Google Scholar]
- Feng, G.; Zhao, Z.; Yuan, L.; Li, K. Combined DC voltage control scheme for three-port energy router based on instantaneous energy balance. In Proceedings of the 2016 IEEE Energy Conversion Congress and Exposition (ECCE), Milwaukee, WI, USA, 18–22 September 2016; pp. 1–7. [Google Scholar]
- Kang, M.; Enjeti, P.N.; Pitel, I.J. Analysis and design of electronic transformers for electric power distribution system. IEEE Trans. Power Electron. 1999, 14, 1133–1141. [Google Scholar] [CrossRef]
- Zhao, T.; Yang, L.; Wang, J.; Huang, A.Q. 270 kVA Solid State Transformer Based on 10 kV SiC Power Devices. In Proceedings of the 2007 IEEE Electric Ship Technologies Symposium, Arlington, VA, USA, 21–23 May 2007; pp. 145–149. [Google Scholar]
- Chen, L.; Sun, Q.; Zhao, L.; Cheng, Q. Design of a novel energy router and its application in energy internet. In Proceedings of the 2015 Chinese Automation Congress (CAC), Wuhan, China, 27–29 November 2015; pp. 1462–1467. [Google Scholar]
- Ren, L.; Zhang, C.; Du, M. Power router based on conventional three-phase bridge inverter and DC–DC converter. CIRED Open Access Proc. J. 2017, 2017, 391–394. [Google Scholar] [CrossRef]
- Lai, J.S.; Maitra, A.; Mansoor, A.; Goodman, F. Multilevel intelligent universal transformer for medium voltage applications. In Proceedings of the Fourtieth IAS Annual Meeting, Conference Record of the 2005 Industry Applications Conference, Kowloon, Hong Kong, 2–6 October 2005; Volume 3, pp. 1893–1899. [Google Scholar]
- Zhao, T.; Wang, G.; Bhattacharya, S.; Huang, A.Q. Voltage and Power Balance Control for a Cascaded H-Bridge Converter-Based Solid-State Transformer. IEEE Trans. Power Electron. 2013, 28, 1523–1532. [Google Scholar] [CrossRef]
- Li, Z.X.; Wang, P.; Chu, Z.F.; Zhu, H.B.; Li, Y.H. Research on Medium- and High-Voltage Smart Distribution Grid Oriented Power Electronic Transformer. Power Syst. Technol. 2013, 37, 2592–2601. [Google Scholar]
- Han, J.Y.; Li, Y.; Cao, Y.J.; Luo, L.F.; Duan, Y.L. A new modular multilevel type solid state transformer with internal model control method (in Chinese). Sci. Sin. Technol. 2016, 46, 518–526. [Google Scholar]
- Lingdong, K.; Jinghong, Z.; Wenzhi, Z.; Zeming, Z. Analysis of typical configuration scheme of micro-grid based on the electric energy router. In Proceedings of the 2017 China International Electrical and Energy Conference (CIEEC), Beijing, China, 25–27 October 2017; pp. 704–709. [Google Scholar]
- Liu, Y.S.; Ma, C. The Power Router Based on Hybrid AC/DC Microgrid Framework. Mod Electr. Power 2015, 32, 13–18. [Google Scholar]
- Liu, J.; Tang, F.; Wang, M.; Chen, P.; Xu, Z.; Wu, L.; Wang, W. A home energy router and energy management strategy for AC/DC hybrid sources and consumers. In Proceedings of the 2018 13th IEEE Conference on Industrial Electronics and Applications (ICIEA), Wuhan, China, 31 May–2 June 2018; pp. 1498–1503. [Google Scholar]
- Liu, Y.; Bi, C.; Zhao, Y.; Wu, Y.; Chen, X. Energy Router with Load Switching Functionality. Energy Procedia 2019, 158, 2561–2566. [Google Scholar] [CrossRef]
- Xu, X.; Hu, Y.; Tai, N.; Fan, C.; Geng, Q. A reliable distribution network structure with the use of electric energy router. In Proceedings of the 2017 IEEE Conference on Energy Internet and Energy System Integration (EI2), Beijing, China, 26–28 November 2017; pp. 1–3. [Google Scholar]
- Xu, Y.; Zhang, J.; Wang, W.; Juneja, A.; Bhattacharya, S. Energy router: Architectures and functionalities toward Energy Internet. In Proceedings of the 2011 IEEE International Conference on Smart Grid Communications (SmartGridComm), Brussels, Belgium, 17–20 October 2011; pp. 31–36. [Google Scholar]
- Hussain Nengroo, S.; Umair Ali, M.; Zafar, A.; Hussain, S.; Murtaza, T.; Junaid Alvi, M.; Raghavendra, K.; Jee Kim, H. An Optimized Methodology for a Hybrid Photo-Voltaic and Energy Storage System Connected to a Low-Voltage Grid. Electronics 2019, 8, 176. [Google Scholar] [CrossRef]
- Monfared, M.; Golestan, S. Control strategies for single-phase grid integration of small-scale renewable energy sources: A review. Renew. Sustain. Energy Rev. 2012, 16, 4982–4993. [Google Scholar] [CrossRef]
- Ciobotaru, M.; Teodorescu, R.; Blaabjerg, F. A new single-phase PLL structure based on second order generalized integrator. In Proceedings of the 2006 37th IEEE Power Electronics Specialists Conference, Jeju, Korea, 18–22 June 2006; pp. 1–6. [Google Scholar]
- Watanabe, E.H.; Stephan, R.M.; Aredes, M. New concepts of instantaneous active and reactive powers in electrical systems with generic loads. IEEE Trans. Power Deliv. 1993, 8, 697–703. [Google Scholar] [CrossRef]
- Samerchur, S.; Premrudeepreechacharn, S.; Kumsuwun, Y.; Higuchi, K. Power control of single-phase voltage source inverter for grid-connected photovoltaic systems. In Proceedings of the 2011 IEEE/PES Power Systems Conference and Exposition, Phoenix, AZ, USA, 20–23 March 2011; pp. 1–6. [Google Scholar]
- Liao, Z.L.; Ruan, X.B. Energy Management Control Strategy for Stand-alone Photovoltaic Power System. Proc. Chin. Soc. Elect. Eng. 2009, 29, 46–52. [Google Scholar]
- Zhang, L.; Yun, L.; Sun, M.; Peng, B. Simulation Research on Auxiliary Power Supply System of China Standard EMU. Electronics 2019, 8, 647. [Google Scholar] [CrossRef]
- Yu, B. An Improved Frequency Measurement Method from the Digital PLL Structure for Single-Phase Grid-Connected PV Applications. Electronics 2018, 7, 150. [Google Scholar] [CrossRef]
- Gheorghe, S.; Golovanov, N.; Lazaroiu, G.; Porumb, R. Smart Grid, Integration of Renewable Sources and Improvement of Power Quality. In Proceedings of the 2017 21st International Conference on Control Systems and Computer Science (CSCS), Bucharest, Romania, 29–31 May 2017; pp. 641–645. [Google Scholar]
- Vatu, R.; Ceaki, O.; Golovanov, N.; Porumb, R.; Seritan, G. Analysis of storage technologies within smart grid framework. In Proceedings of the 2014 49th International Universities Power Engineering Conference (UPEC), Cluj-Napoca, Romania, 2–5 September 2014; pp. 1–5. [Google Scholar]




















| Component | Parameter | Value |
|---|---|---|
| Photovoltaic | Peak power | 400 W |
| Battery | Nominal capacity Rated voltage SOC min SOC max Constant charge voltage Floating charging voltage Constant charge current Maximum charging current | 7.2 A·h 48 V 0.2 0.95 58 V 56 V 2 A 2.88 A |
| DC bus | Rated voltage Capacitor size | 80 V 2200 μF |
| AC bus | Rated voltage amplitude Rated frequency | 50 V 50 Hz |
| AC power interface | Adjustable power | 0–200 W |
| Adjustable DC load interface | Adjustable voltage | 20–80 V, DC |
| Load | DC load (critical load) DC load (non-critical load) AC load (critical load) AC load (non-critical load) | 50 W 100 W 50 W 100 W |
| Filter inductors | L1, L, L3 L4 | 2.5 mH 6 mH |
| Filter capacitors | C1, C2, C3 | 30 μF |
| IGBT | Collector-emitter maximum rated voltage | 1200 V |
| Continuous DC collector current | 75 A | |
| Collector-emitter saturation voltage | 1.85 V | |
| Gate threshold voltage | 5.8 V | |
| Gate-emitter peak voltage | ±20 V | |
| Operating frequency | 10,000 Hz | |
| Diode | Repetitive peak reverse voltage | 1200 V |
| Continuous DC forward current | 75 A | |
| Forward voltage | 1.7 V |
© 2019 by the authors. Licensee MDPI, Basel, Switzerland. This article is an open access article distributed under the terms and conditions of the Creative Commons Attribution (CC BY) license (http://creativecommons.org/licenses/by/4.0/).
Share and Cite
Zhao, G.; Jiang, C.; Liu, J. Research on the System and Control Strategy of an AC-DC Hybrid Single-Phase Electric Energy Router. Electronics 2019, 8, 970. https://doi.org/10.3390/electronics8090970
Zhao G, Jiang C, Liu J. Research on the System and Control Strategy of an AC-DC Hybrid Single-Phase Electric Energy Router. Electronics. 2019; 8(9):970. https://doi.org/10.3390/electronics8090970
Chicago/Turabian StyleZhao, Guopeng, Chao Jiang, and Jiaxing Liu. 2019. "Research on the System and Control Strategy of an AC-DC Hybrid Single-Phase Electric Energy Router" Electronics 8, no. 9: 970. https://doi.org/10.3390/electronics8090970
APA StyleZhao, G., Jiang, C., & Liu, J. (2019). Research on the System and Control Strategy of an AC-DC Hybrid Single-Phase Electric Energy Router. Electronics, 8(9), 970. https://doi.org/10.3390/electronics8090970

