Voltage Multiplier Cell-Based Quasi-Switched Boost Inverter with Low Input Current Ripple
Abstract
:1. Introduction
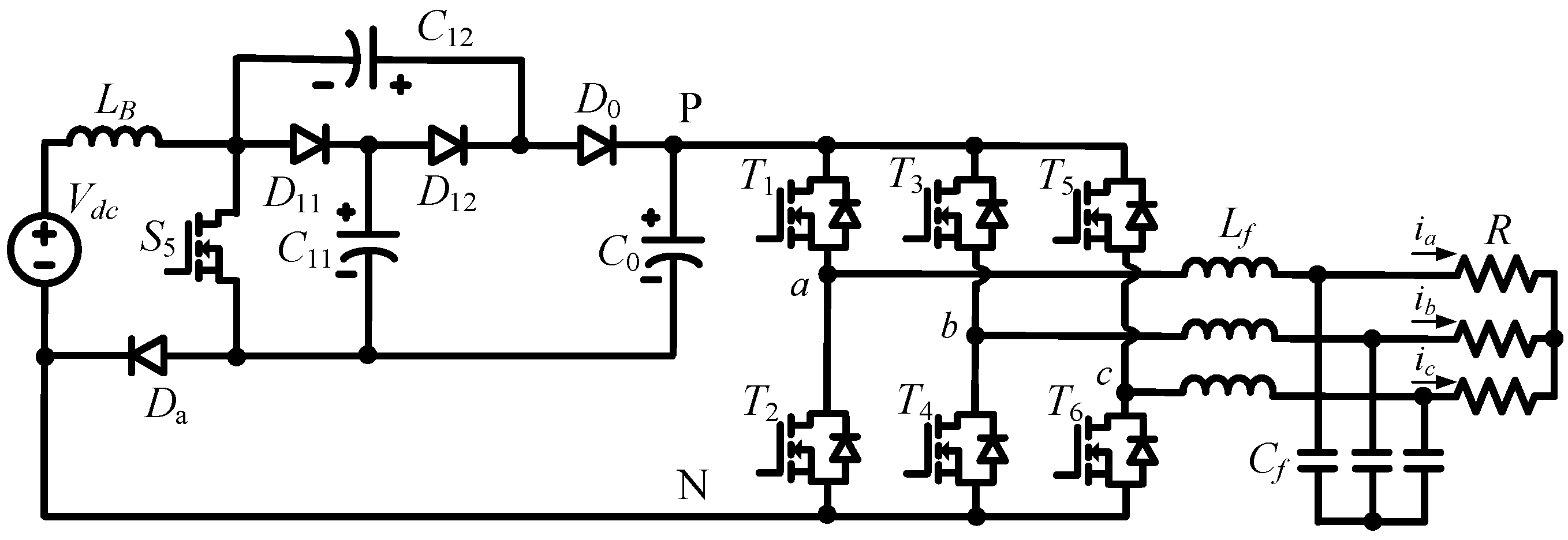
2. Proposed Inverter Topologies
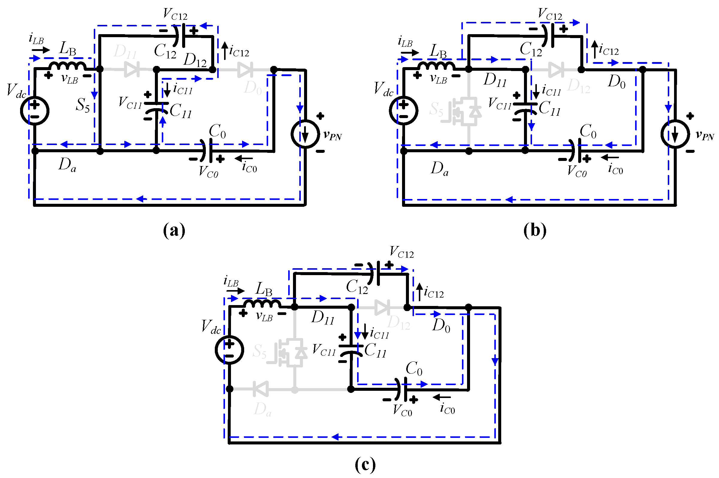
2.1. Operating States
2.2. PWM Technique with Low Input Current Ripple
2.3. Steady-State Analysis
3. Parameter Design Guideline
3.1. Parameter Design of Inductor
3.2. Parameter Design of Capacitor
3.3. Parameter Design of Switches
3.4. Parameter Design of Diodes
4. Comparison with Other Active Impedance Source Inverters
4.1. Input Current Ripple
4.2. Voltage and Current Stresses
4.3. Voltage Gain and Boost Factor
4.4. Element Count
5. Simulation and Experiment Results
5.1. Simulation Results
5.2. Experimental Results
6. Discussions and Conclusion
Author Contributions
Funding
Acknowledgments
Conflicts of Interest
References
- Meneses, D.; Blaabjerg, F.; Garcıa, O.; Cobos, J.A. Review and comparison of step-up transformerless topologies for photovoltaic ac-module application. IEEE Trans. Power Electron. 2013, 28, 2649–2663. [Google Scholar] [CrossRef]
- Maris, T.I.; Kourtesi, S.; Ekonomou, L.; Fotis, G.P. Modeling of a single phase photovoltaic inverter. Solar Energy Mater. Sol. Cells. 2007, 91, 1713–1725. [Google Scholar] [CrossRef]
- Anderson, J.; Peng, F. A class of quasi-Z-source inverters. In Proceedings of the 2008 IEEE Industry Applications Society Annual Meeting, Edmonton, AB, Canada, 5–9 October 2008; pp. 1–7. [Google Scholar]
- Kadwane, S.G.; Shinde, U.K.; Gawande, S.P.; Keshri, R.K. Symmetrical shoot-through based decoupled control of Z-source inverter. IEEE Access. 2017, 5, 11298–11306. [Google Scholar] [CrossRef]
- Nguyen, M.K.; Lim, Y.C.; Choi, J.H. Two switched-inductor quasi-Z-source inverters. IET Power Electron. 2012, 5, 1017–1025. [Google Scholar] [CrossRef]
- Nguyen, M.K.; Lim, Y.C.; Cho, G.B. Switched-inductor quasi-Z-source inverter. IEEE Trans. Power Electron. 2011, 26, 3183–3191. [Google Scholar] [CrossRef]
- Jagan, V.; Kotturu, J.; Das, S. Enhanced-boost quasi-Z-source inverters with two-switched impedance networks. IEEE Trans. Ind. Electron. 2017, 64, 6885–6897. [Google Scholar] [CrossRef]
- Ho, A.V.; Chun, T.W. Modified capacitor-assisted Z-source inverter topology with enhanced boost ability. J. Power Electron. 2017, 17, 1195–1202. [Google Scholar]
- Qian, W.; Peng, F.Z.; Cha, H. Trans-Z-source inverters. IEEE Trans. Power Electron. 2011, 26, 3453–3463. [Google Scholar] [CrossRef]
- Ge, B.; Liu, Y.; Abu-Rub, H.; Balog, R.S.; Peng, F.Z.; McConnell, S.; Li, X. Current ripple damping control to minimize impedance network for single phase quasi-Z source system. IEEE Trans. Ind. Informat. 2016, 12, 1054–4848. [Google Scholar] [CrossRef]
- Mishra, S.; Adda, R.; Joshi, A. Inverse Watkins–Johnson topology-based inverter. IEEE Trans. Power Electron. 2012, 27, 1066–1070. [Google Scholar] [CrossRef]
- Nguyen, M.K.; Le, T.V.; Park, S.J.; Lim, Y.C. A class of quasi-switched boost inverters. IEEE Trans. Ind. Electron. 2015, 62, 1526–1536. [Google Scholar] [CrossRef]
- Nguyen, M.K.; Lim, Y.C.; Park, S.J. A comparison between single-phase quasi-Z-source and quasi-switched boost inverters. IEEE Trans. Ind. Electron. 2015, 62, 6336–6344. [Google Scholar] [CrossRef]
- Nguyen, M.K.; Le, T.V.; Park, S.J.; Lim, Y.C.; Yoo, J.Y. A class of high boost inverters based on switched-inductor structure. IET Power Electron. 2015, 8, 750–759. [Google Scholar] [CrossRef]
- Ho, A.V.; Chun, T.W.; Kim, H.G. Development of multi-cell active switched-capacitor and switched-inductor Z-source inverter topologies. J. Power Electron. 2014, 14, 834–841. [Google Scholar] [CrossRef]
- Chub, A.; Liivik, L.; Zakis, J.; Vinnikon, D. Improved switched-inductor quasi-switched-boost inverter with low input current ripple. In Proceedings of the 56th International Scientific Conference on Power and Electrical Engineering of Riga Technical University (RTUCON), Riga, Latvia, 14 October 2015; pp. 1–6. [Google Scholar]
- Nozadian, M.H.B.; Babaei, E.; Hosseini, S.H.; Asl, E.S. Steady-state analysis and design considerations of high voltage gain switched Z-source inverter with continuous input current. IEEE Trans. Ind. Electron. 2017, 64, 5342–5350. [Google Scholar] [CrossRef]
- Nguyen, M.K.; Duong, T.D.; Lim, Y.C.; Choi, J.H. High voltage gain quasi-switched boost inverters with low input current ripple. IEEE Trans. Ind. Informat. (Early Access) 2018, 1. [Google Scholar] [CrossRef]
- Ho, A.V.; Hyun, J.S.; Chun, T.W.; Lee, H.H. Embedded quasi-Z-source inverters based on active switched-capacitor structure. In Proceedings of the IECON 2016—42nd Annual Conference of the IEEE Industrial Electronics Society, Florence, Italy, 23–26 October 2016; pp. 3384–3389. [Google Scholar]
- Nguyen, M.K.; Lim, Y.C.; Choi, J.H.; Choi, Y.O. Trans-switched boost inverters. IET Power Electron. 2016, 9, 1065–1073. [Google Scholar] [CrossRef]
- Nguyen, M.K.; Tran, T.T.; Lim, Y.C. A family of PWM control strategies for single-phase quasi-switched-boost inverter. IEEE Trans. Power Electron. 2019, 34, 1458–1469. [Google Scholar] [CrossRef]
- Gambhir, A.; Mishra, S.K.; Joshi, A. Power frequency harmonic reduction and its redistribution for improved filter design in current-fed switched inverter. IEEE Trans. Ind. Electron. 2019, 66, 4319–4333. [Google Scholar] [CrossRef]
- Nguyen, M.K.; Duong, T.D.; Lim, Y.C.; Kim, Y.G. Switched-capacitor quasi-switched boost inverters. IEEE Trans. Ind. Electron. 2018, 65, 5105–5113. [Google Scholar] [CrossRef]
- Prudente, M.; Pfitscher, L.L.; Emmendoerfer, G.; Romaneli, E.F.; Gules, R. Voltage multiplier cells applied to non-isolated dc–dc converters. IEEE Trans. Power Electron. 2008, 23, 871–887. [Google Scholar] [CrossRef]
- Deng, Y.; Rong, Q.; Li, W.; Zhao, Y.; Shi, J.; He, X. Single-switch high step-up converters with built-in transformer voltage multiplier cell. IEEE Trans. Power Electron. 2012, 27, 3557–3567. [Google Scholar] [CrossRef]
- Alcazar, Y.J.A.; Oliveira, D.D.S.; Tofoli, F.L.; Torrico-Bascope, R.P. DC-DC nonisolated boost converter based on the three-state switching cell and voltage multiplier cells. IEEE Trans. Ind. Electron. 2013, 60, 4438–4449. [Google Scholar] [CrossRef]
- Berkovich, Y.; Shenkman, A.; Axelrod, B.; Golan, G. Structures of transformerless step-up and step-down controlled rectifiers. IET Power Electron. 2008, 1, 245–254. [Google Scholar] [CrossRef]
- Shen, M.; Wang, J.; Joseph, A.; Peng, F.Z.; Tolbert, L.M.; Adams, D.J. Constant boost control of the Z-source inverter to minimize current ripple and voltage stress. IEEE Trans. Ind. Appl. 2006, 42, 770–778. [Google Scholar] [CrossRef]














| qSBI [12] | SL-qSBI* [14] | SZSI [17] | ASC-qZSI* [19] | 2-cell SC-qSBI* [23] | Single-VMC-qSBI | |
|---|---|---|---|---|---|---|
| Boost factor (B) | ||||||
| Gain voltage (G) | ||||||
| Input current ripple | Low | Very high | Low | High | High | Low |
| ILB/IPN | ||||||
| IL2/IPN | NA | NA | NA | |||
| IS5/IPN | ||||||
| ST current (Ish/IPN) | ||||||
| VC0/Vdc and VDa/Vdc | B | B | B | B | B/2 | B |
| VC11/Vdc | B | B | B | B | B/2 | B/2 |
| VC12/Vdc | NA | NA | DSTB | B/2 | B/2 | |
| VDS5/Vdc and VD0/Vdc | B | B | B | B | B/2 | B/2 |
| Switch | 5 | 5 | 5 | 5 | 5 | 5 |
| Diode | 6 | 9 | 8 | 6 | 8 | 8 |
| Inductor | 1 | 2 | 2 | 2 | 1 | 1 |
| Capacitor | 1 | 1 | 2 | 2 | 3 | 3 |
| Parameters | Values | |
|---|---|---|
| Input voltage range (Vdc) | 50–72 V | |
| Maximum input current | 8 A | |
| Output power (Po) | 350 W | |
| Output voltage (Vo) | 110 Vrms/50 Hz | |
| Input inductor | 0.37 mH | |
| Capacitors | C11, C12 | 1000 µF/100 V |
| C0 | 2 × 680 µF/200 V | |
| Output filter | Lf | 1 mH |
| Cf | 20 µF | |
| Switching frequency | 20 kHz | |
| Modulation index (M) | 0.9 | |
| MOSFETs | S5 | IRFP4668 (200 V, 140 A) |
| S1~S4 | IRFP460 (500 V, 20 A) | |
| Diodes | D11, D12, D0 | STPS60SM200C (200 V, 30 A) |
| Da | IXYS30-60A (600 V, 37 A) | |
© 2019 by the authors. Licensee MDPI, Basel, Switzerland. This article is an open access article distributed under the terms and conditions of the Creative Commons Attribution (CC BY) license (http://creativecommons.org/licenses/by/4.0/).
Share and Cite
Nguyen, M.-K.; Choi, Y.-O. Voltage Multiplier Cell-Based Quasi-Switched Boost Inverter with Low Input Current Ripple. Electronics 2019, 8, 227. https://doi.org/10.3390/electronics8020227
Nguyen M-K, Choi Y-O. Voltage Multiplier Cell-Based Quasi-Switched Boost Inverter with Low Input Current Ripple. Electronics. 2019; 8(2):227. https://doi.org/10.3390/electronics8020227
Chicago/Turabian StyleNguyen, Minh-Khai, and Youn-Ok Choi. 2019. "Voltage Multiplier Cell-Based Quasi-Switched Boost Inverter with Low Input Current Ripple" Electronics 8, no. 2: 227. https://doi.org/10.3390/electronics8020227
APA StyleNguyen, M.-K., & Choi, Y.-O. (2019). Voltage Multiplier Cell-Based Quasi-Switched Boost Inverter with Low Input Current Ripple. Electronics, 8(2), 227. https://doi.org/10.3390/electronics8020227

