Ultra-Low-Power Design and Hardware Security Using Emerging Technologies for Internet of Things
Abstract
:1. Introduction
2. Key Low Power Techniques in Digital, Analog, and Mixed-Signal Circuits
2.1. Digital Circuits
2.2. Analog Circuits
2.3. Mixed-Signal Circuits
3. Emerging Technologies
3.1. Emerging Logic Devices
3.1.1. SiNW FET
3.1.2. Graphene SymFETs
3.1.3. Tunnel FET
3.1.4. Ferroelectric FET
3.2. Emerging Memories
3.2.1. Resistive Memory
3.2.2. Phase Change Memory
3.2.3. Spin Transfer Torque Memory
3.2.4. Domain Wall Memory
3.2.5. All-Spin Logic
4. Ultra-Low-Power Design Using Emerging TFET Technologies
4.1. Digital Logic and Circuits Using TFETs
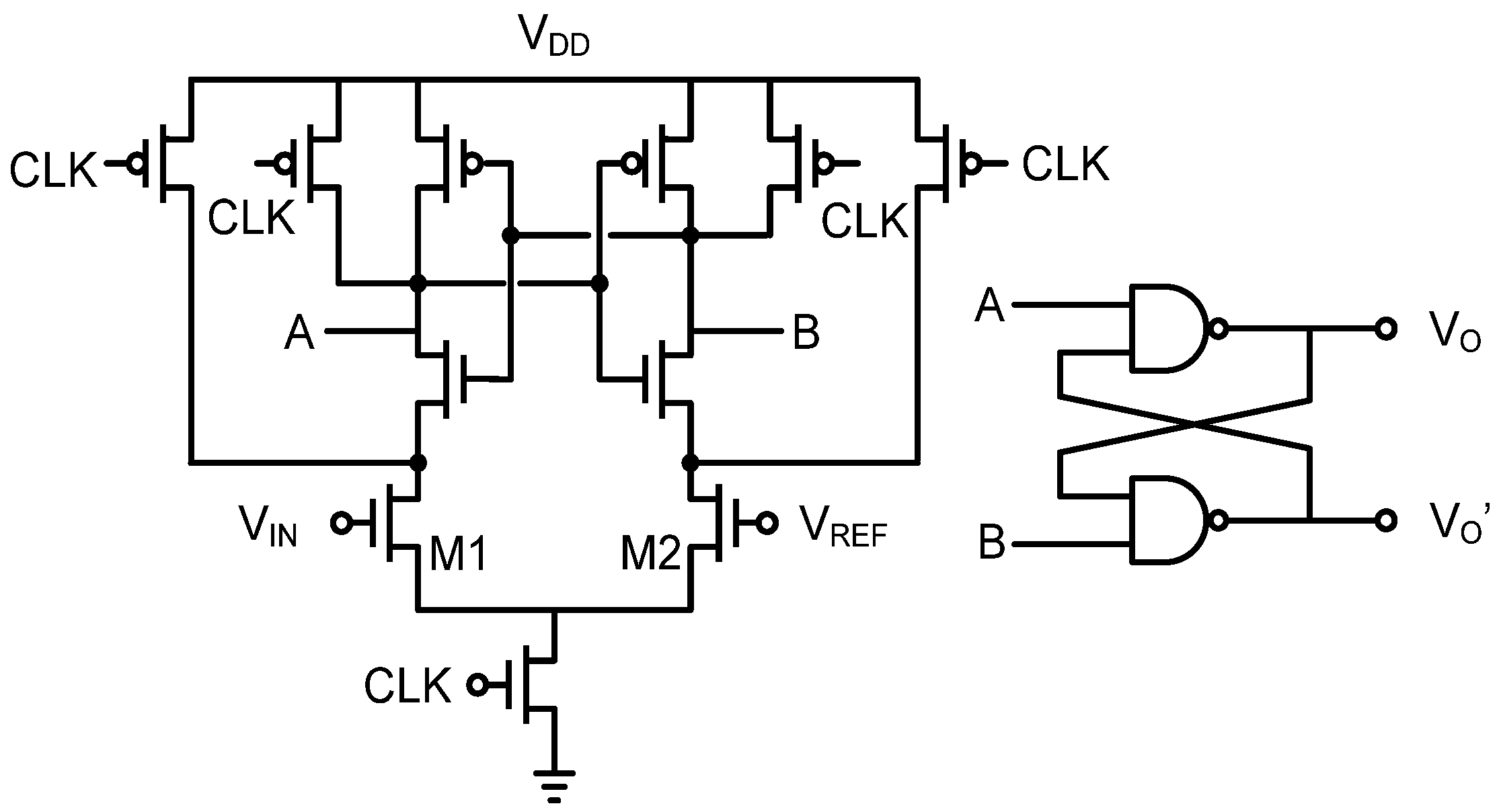
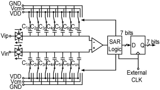
4.2. Low-Power, Low Voltage SAR ADC Using Emerging TFET Technology
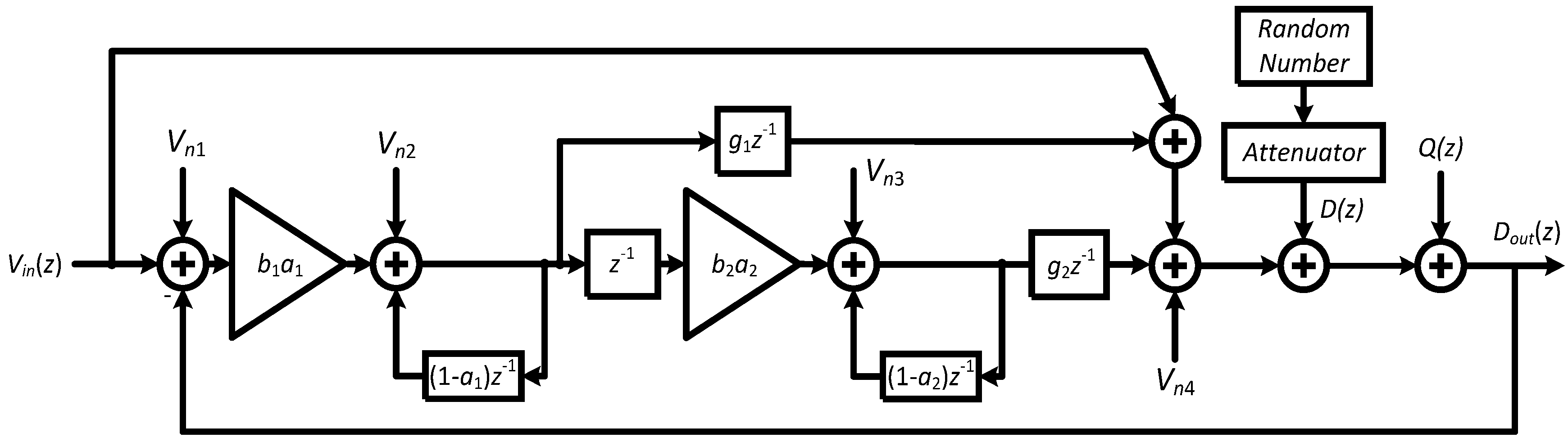
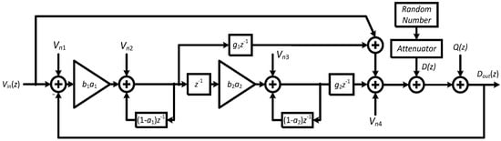
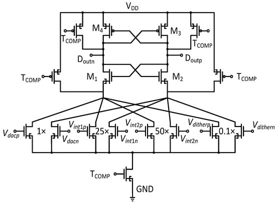
4.3. Noise Shaping Low-Power ΔƩ SAR ADC Using TFETs
4.4. Bio-Inspired Ultra-Low-Power Computing
5. Hardware Security
5.1. Encryption
5.2. Side Channel Analysis
5.3. Supply Chain Security
5.4. Logic Locking
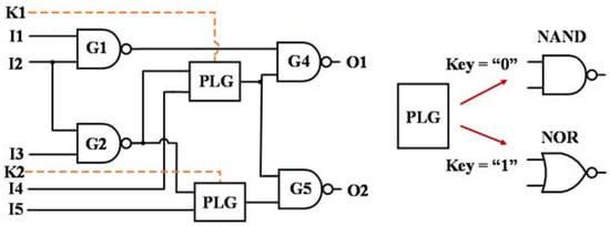
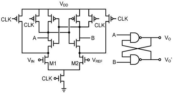
5.5. Logic Locking Using All-Spin Logic Device (ASLD)
5.6. Split Manufacturing
6. Hardware Security Enhancement Using Emerging Technologies
6.1. KATAN Light-Weight Encrpytion Using TFET Current-Mode Logic for Low Power
6.2. Deception Techniques: Camouflage and Polymorphic Gates
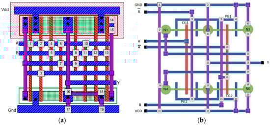
6.3. Logic Locking Using Silicon Nanowire FETs
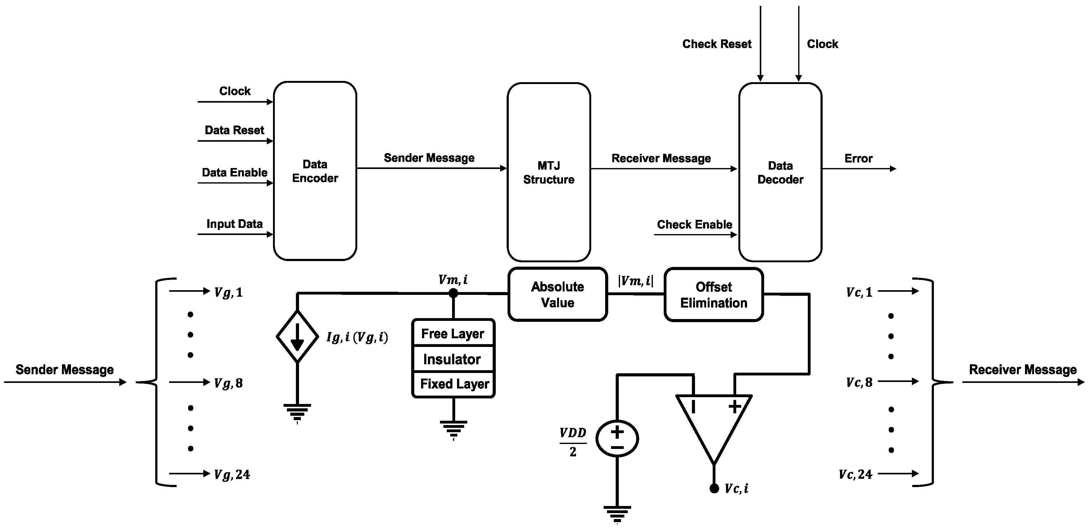
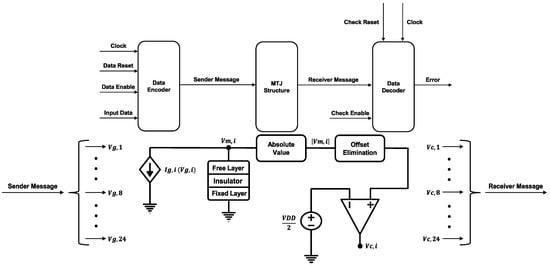
6.4. Emerging Memory Security
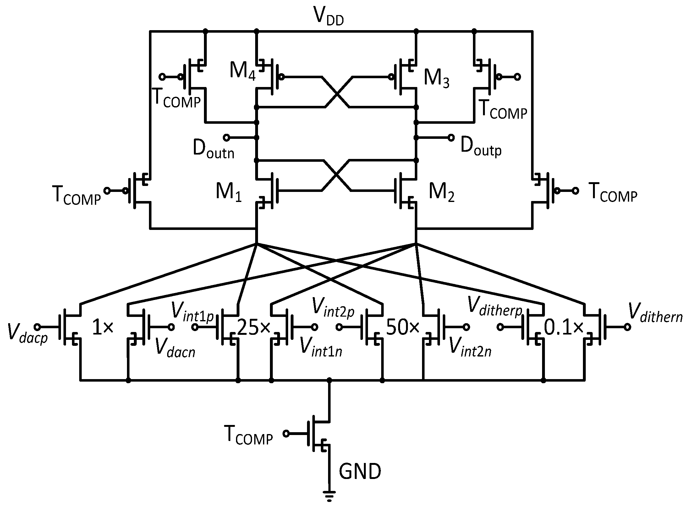
6.5. Low-Power SAR ADC Security Using Emerging TFET Technology
6.6. Spiking Neural Network Security
7. Summary
Acknowledgments
Author Contributions
Conflicts of Interest
References
- Bauer, H.; Patel, M.; Viera, J. The Internet of Things: Sizing up the Opportunity, Mckinsey & Company. Available online: http://www.mckinsey.com/industries/semiconductors/our-insights/the-internet-of-things-sizing-up-the-opportunity (accessed on 15 May 2017).
- Auth, C.; Cappellani, A.; Chun, J.; Dalis, A.; Davis, A.; Ghani, T.; Glass, G.; Glassman, T.; Harper, M.; Hattendorf, M.; et al. 45nm high-k + metal gate strain-enhanced transistors. In Proceedings of the Symposium on VLSI Technology, San Jose, CA, USA, 21–24 September 2008; pp. 128–129. [Google Scholar]
- Chang, V.; Ragnarsson, L.; Pourtois, G.; O’Connor, R.; Adelmann, C.; VanElshocht, S.; Delabie, A.; Swerts, J.; Van der Heyden, N.; Conard, T.; et al. A Dy2O3-capped HfO2 dielectric and TaCt-based metals enabling low-Vt single-metal-single-dielectric gate stack. In Proceedings of the International Electron Devices Meeting, Washington, DC, USA, 10–12 December 2007; pp. 535–538. [Google Scholar]
- Chang, L. Exteremly scaled nano-CMOS devices. Proc. IEEE 2003, 91, 1860–1873. [Google Scholar] [CrossRef]
- Wu, C.; Lin, D.; Keshavarzi, A.; Huang, C.; Chan, C.; Tseng, C.; Chen, C.; Hsieh, C.; Wong, K.; Cheng, M.; et al. High performance 22/20nm FinFET CMOS devices with advanced high-K/metal gate scheme. In Proceedings of the 2010 International Electron Devices Meeting, San Francisco, CA, USA, 6–8 December 2010. [Google Scholar]
- Seok, M.; Chen, G.; Hanson, S.; Wieckowski, M.; Blaauw, D.; Sylverster, D. CAS-FEST 2010: Mitigating variability in near-threshold computing. IEEE Trans. Emerg. Sel. Top. Circuits Syst. 2011, 1, 42–49. [Google Scholar] [CrossRef]
- Farooq, M.G.; Graves-Abe, T.L.; Landers, W.F.; Kothandaraman, C.; Himmel, B.A.; Andry, P.S.; Tsang, C.K.; Sprogis, E.; Volant, R.P.; Petrarca, K.S. 3D copper TSV integration, testing and reliability. In Proceedings of the International Electron Devices Meeting, Washington, DC, USA, 5–7 December 2011. [Google Scholar]
- Devadas, V.; Aydin, H. On the interplay of voltage/frequency scaling and device power management for frame-based real-time embedded applications. IEEE Trans. Comput. 2011, 61, 1–31. [Google Scholar] [CrossRef]
- Dorsey, J.; Searles, S.; Ciraula, M.; Johnson, S.; Bujanos, N.; Wu, D.; Braganza, M.; Meyers, S.; Fang, E.; Kumar, R. An integrated quad-core opteron™ processor. In Proceedings of the International Solid-Sate Circuits Conference, San Francisco, CA, USA, 11–15 February 2007; pp. 102–103. [Google Scholar]
- Pakbaznia, E.; Pedram, M. Design and application of multimodal power gating structures. In Proceedings of the International Symposium on Quality Electronics Design, San Jose, CA, USA, 16–18 March 2009; pp. 120–126. [Google Scholar]
- Cai, Q.; Gonzalez, J.; Magklis, G.; Chaparro, P.; Gonalez, A. Thread shuffling: Combining DVFS and thread migration to reduce energy consumptions for multi-core systems. In Proceedings of the IEEE/ACM International Symposium on Low Power Electronics and Design, Fukuoka, Japan, 1–3 August 2011; pp. 379–384. [Google Scholar]
- Cao, A.; Sirisantana, N.; Koh, C.; Roy, K. Synthesis of selected clocked skewed logic circuits. In Proceedings of the International Symposium on Quality Electronic Design, San Jose, CA, USA, 18–21 March 2002; pp. 229–234. [Google Scholar]
- Baker, R. CMOS: Circuit Design, Layout, and Simulation, 3rd ed.; Wiely: New York, NY, USA, 2011. [Google Scholar]
- Fant, K.; Brandt, S. NULL convention logic: A complete and consistent logic for asynchronous digital circuit synthesis. In Proceedings of the International Conference on Application Specific Systems, Architectures, and Processors, Chicago, IL, USA, 19–23 August 1996; pp. 261–273. [Google Scholar]
- Lucarz, C.; Mattavelli, M.; Dubois, J. A co-design platform for algorithm/architecture design exploration. In Proceedings of the International Conference on Control Systems and Computer Science, Hanoi, Vietnam, 17–20 December 2008; pp. 1069–1072. [Google Scholar]
- Di, J.; Yuan, J.S. Energy-aware design for multi-rail encoding using NCL. IEEE Proc. Circuits Devices Syst. 2006, 153, 100–106. [Google Scholar] [CrossRef]
- Di, J.; Bell, B.; Bouillon, W.; Brady, J.; Le, T.; Lo, C.; Men, L.; Nelson, S.; Sabado, F.; Suchanek, A. Recent advances in low power asynchronous circuit design. J. Low Power Electron. 2017, 13, 280–297. [Google Scholar] [CrossRef]
- Min, A.; Wang, R.; Tsai, J.; Ergin, M.; Tai, T. Improving energy efficiency for mobile platforms by exploiting low-power sleep states. In Proceedings of the 9th Conference on Computing Frontiers, Cagliari, Italy, 15–17 May 2012. [Google Scholar]
- Lin, J.; Yuan, J.S. A 300 mV, 6-bit ultra-low power SAR ADC. In Proceedings of the 2016 13th IEEE International Conference on Solid-State and Integrated Circuit Technology (ICSICT), Hangzhou, China, 25–28 October 2016; pp. 713–715. [Google Scholar]
- Murmann, B. A/D converter trends: Power dissipation, scaling and digitally assisted architectures. In Proceedings of the IEEE Custom Integrated Circuits Conference, San Jose, CA, USA, 21–24 September 2008; pp. 105–112. [Google Scholar]
- Gandhi, R.; Chen, Z.; Singh, N.; Banerjee, K.; Lee, S. CMOS-compatible rertical-silicon-nanowire gate-all-around p-type tunneling FETs with ≤50-mV/decade subthreshold swing. IEEE Electron. Device Lett. 2011, 32, 1504–1506. [Google Scholar] [CrossRef]
- Sedighi, B.; Hu, X.; Liu, H.; Nahas, S.J.; Niemieer, M. Analog circuit design using tunnel-FETs. IEEE Trans. Circuits Syst. I Regul. Pap. 2015, 62, 39–48. [Google Scholar] [CrossRef]
- Lin, J.; Yuan, J. Ultra-low power successive approximation analog-to-digital converter using emerging tunnel field effect transistor technology. J. Low Power Electron. 2016, 12, 218–226. [Google Scholar] [CrossRef]
- Murmann, B. ADC Performance Survey 1997–2015. Available online: http://web.Stanford.edu/~murmann/adcsurvey.html (accessed on 1 June 2016).
- Chen, Z.; Miyahara, M.; Matsuzawa, A. A 9.35-ENOB, 14.8 fJ/conv-step fully-passive noise-shaping SAR ADC. In Proceedings of the IEEE Symposium on VLSI Circuits, Kyoto, Japan, 17–19 June 2015; pp. C64–C65. [Google Scholar]
- Guo, W.; Sun, N. A 12b-ENOB 61µW noise-shaping SAR ADC with a passive integrator. In Proceedings of the European Solid-State Circuits Conference, Toyama, Japan, 7–9 November 2016; pp. 405–408. [Google Scholar]
- Schreier, R.; Temes, G.C. The second order delta sigma modulator. In Understanding Delta-Sigma Data Converters, 1st ed.; Wiley-IEEE Press: New York, NY, USA, 2005; pp. 63–90. [Google Scholar]
- Lin, J.; Yuan, J. 12-bit ultra-low voltage noise shaping SAR ADC using emerging TFETs. J. Low Power Electron. 2017, 13, 497–510. [Google Scholar] [CrossRef]
- Colli, A.; Pisana, S.; Fasoli, A.; Roberson, J.; Ferrari, A. Electronic transport in ambipolar silicon nanowires. Phys. Status Solidi 2007, 244, 4161–4164. [Google Scholar] [CrossRef]
- Martel, R.; Deryche, V.; Lavoie, C.; Appenzeller, J.; Chan, K.; Tersoff, J.; Avouris, P. Ambipolar electrical transport in semiconducting single-wall carbon nanotubes. Phys. Rev. Lett. 2001, 87, 256805. [Google Scholar] [CrossRef] [PubMed]
- Geim, A.; Novoselov, K. The rise of grapheme. Nat. Mater. 2007, 6, 183–191. [Google Scholar] [CrossRef] [PubMed]
- Lin, Y.-M.; Appenzeller, J.; Knoch, J.; Avouris, P. High-performance carbon nanotube field-effect transistor with tunable polarities. IEEE Trans. Nanotechnol. 2005, 4, 451–489. [Google Scholar] [CrossRef]
- Appenzeller, J.; Knoch, J.; Tutuc, E.; Reuter, M.; Guha, S. Dual-gate silicon nanowire transistors with nickel silicide contact. In Proceedings of the International Electron Devices Meeting, San Francisco, CA, USA, 11–13 December 2006; pp. 1–4. [Google Scholar]
- Heinzig, A.; Slesazeck, S.; Freupl, F.; Mikolajick, T.; Weber, W. Reconfigurable silicon nanowire transistors. Nano Lett. 2012, 12, 1–119. [Google Scholar] [CrossRef] [PubMed]
- Harada, N.; Yagi, K.; Sato, S.; Yokoyama, N. A polarity-controllable graphene inverter. Appl. Phys. Lett. 2010, 96, 012102. [Google Scholar] [CrossRef]
- De Marchi, M.; Saccetto, D.; Frache, S.; Zhang, J.; Gaillardon, P.-E.; Leblebici, Y.; De Micheli, G. Polarity control in double-gate, gate-all-around vertically stacked silicon nanowire FETs. In Proceedings of the IEEE International Electron Devices Meeting, San Francisco, CA, USA, 10–13 December 2012. [Google Scholar]
- Gaillardon, P.-E.; Bobba, S.; De Marchi, M.; Saccetto, D.; De Micheli, G. Nanowire systems: Technology and design. Philos. Trans. R. Soc. Lond. A 2014, 372. [Google Scholar] [CrossRef] [PubMed]
- Seabaugh, A.; Zhang, Q. Low-voltage tunnel transistors for beyond CMOS logic. Proc. IEEE 2010, 98, 2095–2110. [Google Scholar] [CrossRef]
- Lu, H.; Seabaugh, A. Tunnel field-effect transistors: State-of-the-art. IEEE J. Electron Devices Soc. 2014, 2, 44–49. [Google Scholar] [CrossRef]
- Zhao, P.; Feenstra, R.; Gu, G.; Jena, D. SymFET: A proposed symmetric graphene tunneling field-effect transistor. IEEE Trans. Electron Devices 2013, 60, 951–957. [Google Scholar] [CrossRef]
- Britnell, L.; Gorbachev, R.; Geim, A.; Ponomarenko, L.; Mishchenko, A.; Greenaway, M.; Fromhold, T.; Novoselov, K.; Eaves, L. Resonant tunneling and negative differential conductance in grapheme transistors. Nat. Commun. 2013, 4, 1794. [Google Scholar] [CrossRef] [PubMed]
- Sedighi, B; Hu, X.; Nahas, J.; Niemier, M. Nontraditional computation using beyond-CMOS tunneling devices. IEEE J. Emerg. Sel. Top. Circuits Syst. 2014, 4, 438–449. [Google Scholar] [CrossRef]
- Sedighi, B.; Hu, X.; Nahas, J.; Niemier, M. Boolean circuit design using emerging tunneling devices. In Proceedings of the International Conference on Computer Design, Dubai, UAE, 22–23 August 2014; pp. 355–360. [Google Scholar]
- Kao, K.; Verhulst, A.; Vandenberghe, W.; Soree, B.; Groesneken, G.; Meyer, K. Direct and indirect band-to-band tunneling in germanium-based TFETs. IEEE Trans. Electron Devices 2012, 59, 292–301. [Google Scholar] [CrossRef]
- Landau, L.; Lifschitz, E. Statistical Physics; Pergamon Press: Oxford, UK, 1980; Volume 6. [Google Scholar]
- Khan, A.; Bhowmik, D.; Yu, P.; Kim, S.; Pan, X.; Ramesh, R.; Salahuddin, S. Experimental evidence of ferroelectric negative capacitance in nanoscale heterostructures. Appl. Phys. Lett. 2011, 99, 113501. [Google Scholar] [CrossRef]
- DasGupta, S.; Rajashekhar, A.; Majumdar, K.; Agrawal, N.; Razavieh, A.; Trolier-McKinstry, S.; Datta, S. Sub-kT/q switching in strong inversion in PbZr0.52Ti0.48O3 gated negative capacitance FETs. IEEE J. Explor. Solid State Comput. Devices Circuits 2015, 1, 43–48. [Google Scholar] [CrossRef]
- Frougier, J.; Shukla, N.; Deng, D.; Jerry, M.; Aziz, A.; Liu, L.; Lavallee, G.; Mayer, T.S.; Gupta, S.; Datta, S. Phase-transition-FET exhibiting steep switching slope of 8mV/decade and 36% enhanced ON current. In Proceedings of the 2016 Symposium on VLSI Technology, Honolulu, HI, USA, 14–16 June 2016; pp. 228–229. [Google Scholar]
- Huang, P.; Chen, S.; Zhao, Y.; Chen, B.; Gao, B.; Liu, L.; Chen, Y.; Zhang, Z.; Bu, W.; We, H.; et al. Self-selection RRAM cell with sub-uA switching current and robust reliability fabricated by high-k/metal gate CMOS compatible technology. IEEE Trans. Electron Devices 2016, 63, 4295–4301. [Google Scholar] [CrossRef]
- Sandisk. Available online: https://www.rram-info.com/sandisk (accessed on 20 July 2017).
- Raoux, S.; Burr, G.; Breitwisch, M.; Rettner, C.; Chen, Y.; Shelby, R.; Salinga, M.; Krebs, D.; Chen, S.; Lung, H. Phase-change random access memory: A scalable technology. IBM J. Res. Dev. 2010, 52, 465–479. [Google Scholar] [CrossRef]
- Numonyx. The Basics of Phase Change Memory (PCM) Technology. 2008. Available online: http://www.numonyx.com/Documents/WhitePapers/PCM_Basics_WP.pdf (accessed on 20 July 2017).
- Xie, Y. Modeling, architecture, and applications for emerging memory technologies. IEEE Des. Test Comput. 2011, 28, 44–51. [Google Scholar] [CrossRef]
- PR Newswire: Press Release Distribution, Targeting, Monitoring and Marketing. Available online: https://www.prnewswire.com/news.releases/ibm-scientists-achieve-storage-memory-breakthrough-300269117.html (accessed on 21 July 2017).
- Seong, N.; Woo, F.; Lee, H. Security refresh: Prevent malicious wear-out and increase durability for phase-change memory with dynamically randomized address mapping. In Proceedings of the International Symposium on Computer Architecture, Saint-Malo, France, 19–23 June 2010; pp. 383–394. [Google Scholar]
- Ban, A.; Hasharon, R. Wear leveling of static areas in flash memory. U.S. Patent Number 6,732,221, 4 May 2004. [Google Scholar]
- Augustine, C.; Mojumder, N.; Fong, X.; Choday, S.; Park, S.; Roy, K. Spin-transfer torque MRAMs for low power memories: Perspective and prospective. IEEE Sens. J. 2012, 12, 756–766. [Google Scholar] [CrossRef]
- Li, J.; Ndai, P.; Goel, A.; Salahuddin, S.; Roy, K. Design paradigm for robust spin-torque transfer magnetic RAM (STT MRAM) from circuit/architecture perspective. IEEE Trans. Very Large Scale Integr. VLSI Syst. 2010, 18, 1710–1723. [Google Scholar] [CrossRef]
- Debrosse, J.; Gogl, D.; Bette, A.; Hoenigschmid, H.; Robertazzi, R.; Arndt, C.; Braun, D.; Casarotto, D.; Havreluk, R.; Lammers, S.; et al. A high-speed 128 Kbit MRAM core for future universal memory applications. In Proceedings of the IEEE International Symposium on VLSI Circuits, Kyoto, Japan, 12–14 June 2003; pp. 217–220. [Google Scholar]
- Spin-Torque MRAM Technology. Available online: https://www.everspin.com/spin-torque-mram-technology (accessed on 22 July 2017).
- Parkin, S.; Hayashi, M.; Thomas, L. Magnetic domain-wall racetrack memory. Science 2008, 320, 190–194. [Google Scholar] [CrossRef] [PubMed]
- Annunziata, A.; Gaidis, M.; Thomas, L.; Chien, C.; Hung, C.; Chevalier, P.; Sullivan, E.; Hummel, J.; Joseph, E.; Zhu, Y.; et al. Racetrack memory cell array with integrated magnetic tunnel junction readout. In Proceedings of the International Electron Devices Meetings, Washington, DC, USA, 5–7 December 2011; pp. 539–542. [Google Scholar]
- Venkatesan, R.; Kozhikkottu, V.; Augustine, C.; Raychowdhury, A.; Roy, K.; Raghunathan, A. Tapechach: A high density, energy efficient cache based on domain wall memory. In Proceedings of the International Symposium on Low Power Electronics and Design, Redondo Beach, CA, USA, 30 July–1 August 2012; pp. 185–190. [Google Scholar]
- Venkatesan, R.; Sharad, M.; Roy, K.; Raghunathan, K. DWM-tapestri—An energy efficient all-spin cache using domain wall shift writes. In Proceedings of the Design, Automation & Test Conference in Europe & Exhibition, Grenoble, France, 18–22 March 2013; pp. 1825–1830. [Google Scholar]
- Zhang, C.; Sun, G.; Zhang, W.; Mi, F.; Li, H.; Zhao, W. Quantitative modeling of racetrack memory, a tradeoff among area, performance, and power. In Proceedings of the Asia and South Pacific Design Automation Conference, Chiba, Japan, 19–22 January 2015; pp. 100–105. [Google Scholar]
- Dery, H.; Dalal, P.; Cywinski, L.; Sham, L. Spin-based logic in semiconductors for reconfigurable large-scale circuits. Nature 2007, 447, 573–576. [Google Scholar] [CrossRef] [PubMed]
- Augustine, C.; Panagopoulos, G.; Behin-Aein, B.; Srinivasan, S.; Sarkar, A.; Roy, K. Low-power functionality enhanced computation architecture using spin-based devices. In Proceedings of the IEEE/ACM International Symposium on Nanoscale Architectures, San Diego, CA, USA, 8–9 June 2011; pp. 129–136. [Google Scholar]
- Camsari, K.; Ganguly, S.; Datta, S. Modular approach to spintronics. Sci. Rep. Nat. 2015, 5, 10571. [Google Scholar] [CrossRef] [PubMed]
- Kim, J.; Paul, A.; Crowell, P.; Koester, S.; Sapatnekar, S.; Wang, J.; Kim, H. Spin-based computing: Device concepts, current status, and a case study on a high-performance microprocessor. Proc. IEEE 2015, 103, 106–130. [Google Scholar]
- Saripalli, V.; Sun, G.; Xie, Y.; Datta, S.; Narayanan, V. Exploiting heterogeneity for energy efficiency in chip multiprocessors. IEEE Trans. Emerg. Sel. Top. Circuits Syst. 2011, 1, 109–119. [Google Scholar] [CrossRef]
- Guo, P.F.; Yang, L.T.; Yang, Y.; Fan, L.; Han, G.Q.; Samudra, G.S.; Yeo, Y.C. Tunneling field-effect transistor: Effect of strain and temperature on tunneling current. IEEE Electron Device Lett. 2009, 30, 981–983. [Google Scholar]
- Lu, H.; Li, W.; Lu, Y.; Fay, P.; Ytterdal, T.; Seabaugh, A. Universal charge-conserving TFET SPICE model incorporating gate current and noise. IEEE J. Explor. Solid State Comput. Devices Circuits 2016, 2, 20–27. [Google Scholar] [CrossRef]
- Cadence Spectre Circuit Simulator. Available online: https://www.cadence.com/content/cadence-www/global/en_US/home/tools/custom-ic-analog-rf-design/circuit-simulation/spectre-circuit-simulator.html (accessed on 27 May 2017).
- Cao, Y.; Zhao, W. Predictive technology model for aano-CMOS design exploration. In Proceedings of the International Conference on Nano-Networks and Workshops, Lausanne, Switzerland, 14–16 September 2006; pp. 1–5. [Google Scholar]
- Diehl, P.; Cook, M. Unsupervised learning of digit recognition using spike-timing-dependent plasticity. Front. Comput. Neurosci. 2015, 9, 1–8. [Google Scholar] [CrossRef] [PubMed]
- Wu, X.; Saxena, V.; Zhu, K.; Balagopal, S. A CMOS spiking neuron for brain-inspired neural networks with resistive synapses and in-situ learning. IEEE Trans. Circuits Syst. II Express Br. 2015, 62, 1088–1092. [Google Scholar] [CrossRef]
- Cassidy, A.; Sawada, J.; Merolla, P.; Arthur, J.; Alvarez-lcaze, R.; Akopyan, F.; Jackson, B.; Modha, D. TrueNorth: A high-performance, low-power neurosynaptic processor for multi-sensory perception, action, and cognition. In Proceedings of the Government Microcircuits Applications & Critical Technology Conference, Orlando, FL, USA, 14–17 March 2016; pp. 341–344. [Google Scholar]
- Cruz-Albrecht, J.; Yung, M.; Srinivasa, N. Energy-efficient neuron, synapse and STDP integrated circuits. IEEE Trans. Biomed. Circuits Syst. 2012, 6, 246–256. [Google Scholar] [CrossRef] [PubMed]
- Naous, R.; Al-Shedivat, M.; Beftci, E.; Cauwenberghs, G.; Salama, K. Stochastic synaptic plasticity with memristor crossbar arrays. In Proceedings of the IEEE International Symposium on Circuits and Systems, Montréal, QC, Canada, 22–25 May 2016; pp. 2078–2081. [Google Scholar]
- Srinivasan, G.; Sengupta, A.; Roy, K. Magnetic tunnel junction based long-term short-term stochastic synapse for a spiking neural network with on-chip STDP learning. Nature 2016, 6, 29545. [Google Scholar] [CrossRef] [PubMed]
- Arias, O.; Wurm, J.; Hoang, K.; Jin, Y. Privacy and security in internet of things and wearable devices. IEEE Trans. Multi Scale Comput. Syst. 2015, 1, 99–109. [Google Scholar] [CrossRef]
- Advanced Encryption Standard (AES), FIPS Pub 197. 2001. Available online: http://crsc.nist.gov/publications /fips/fips197/fips-197.pdf (accessed on 10 May 2017).
- Ge, F.; Jain, R.; Choi, K. Ultra-Low power and high speed design and implementation of AES and SHA1 hardware cores in 65 nanometer CMOS technology. In Proceedings of the IEEE International Conference on Electro/Information Technology, Windsor, ON, Canada, 7–9 June 2009; p. 410. [Google Scholar]
- Rivest, R.; Shamir, A.; Adleman, L. A method for obtaining digital signatures and public-key cryptosystems. IEEE Commun. ACM 1978, 21, 120–126. [Google Scholar] [CrossRef]
- Tutanescu, I.; Anton, C.; Jonescu, L.; Caragata, D. Elliptic curves cryptosystems approaches. In Proceedings of the International Conference on Information Society, London, UK, 25–28 June 2012; pp. 357–362. [Google Scholar]
- Gura, N.; Petal, A.; Wander, A.; Everle, H.; Shantz, S. Comparing elliptic curve cryptography and RSA on 8-bit CPUs. In Proceedings of the International Workshop on Cryptographic Hardware and Embedded Systems, Cambridge, MA, USA, 11–13 August 2004; pp. 925–943. [Google Scholar]
- Leander, G.; Paar, C.; Poschmann, A.; Schramm, K. New lightweight des variants. In Fast Software Encryption; Birykov, A., Ed.; Springer: Berlin/Heidelberg, Germany, 2007; Volume 4593, pp. 196–210. [Google Scholar]
- De Canniere, C.; Dunkelman, O.; Knezevic, M. KATAN & KATANTAN—A family of small and efficient hardware-oriented block ciphers. In Proceedings of the International Workshop on Cryptographic Hardware and Embeded Systems, Lausanne, Switzerland, 6–9 September 2009; Springer: Berlin, Germany, 2009; pp. 272–288. [Google Scholar]
- Canniere, C.; Jaffe, J.; Jun, B. Differential power analysis. In Proceedings of the International Cryptology Conference on Advances on Cryptology, Santa Barbara, CA, USA, 15–19 August 1999; Wiener, M., Ed.; Springer: Berlin, Germany, 1999; pp. 388–397. [Google Scholar]
- Kocher, P. Design and validation strategy for obtaining assurance in countermeasures to power analysis and related. In Proceedings of the NIST Physical Security Workshop, Honolulu, HI, USA, 26–29 September 2005. [Google Scholar]
- Akkar, M.; Giraud, C. An implementation of DES and AES, secure against some attacks. In Proceedings of the Third International Workshop on Cryptographic Hardware and Embedded Systems, Paris, France, 14–16 May 2001; Springer: Berlin, Germany, 2001; Volume 2162, pp. 309–318. [Google Scholar]
- Yang, S.; Wolf, W.; Vijaykrishnan, N.; Serpanos, D.; Xie, Y. Power attack resistant cryptosystem design: A dynamic voltage and frequency switching approach. In Proceedings of the Design, Automation & Test Conference in Europe & Exhibition, Washington, DC, USA, 7–11 March 2005; pp. 64–69. [Google Scholar]
- Tiri, K.; Akmal, M.; Verbauwhede, I. A dynamic and differential CMOS logic with signal independent power consumption to withstand differential power analysis on smart cards. In Proceedings of the European Solid-State Circuits Conference, Firenze, Italy, 24–26 September 2002; pp. 403–406. [Google Scholar]
- Bard, G.; Courtois, N.; Sepehrdad, J.; Zhang, B. Algebraic, aida/cube and side channel analysis of KATAN family of block ciphers. In Proceedings of the International Conference on Cryptology in India, Hyderabad, India, 12–15 December 2010; pp. 176–196. [Google Scholar]
- Ralston, P.; Suko, S.; Fry, D.; Calatayud, R.; Kober, R. Development approach for supply chain hardware integrity for electronics defense (SHIELD) using ultra-small “dielets” with encryption and senor capability, near field powering and communications. In Proceedings of the Government Microcircuit Applications & Critical Technology Conference, Orlando, FL, USA, 14–17 March 2016; pp. 97–100. [Google Scholar]
- Rajendran, J.; Pino, Y.; Sinanoglu, O.; Karri, R. Logic encryption: A fault analysis perspective. In Proceedings of the 2012 Design, Automation & Test in Europe Conference & Exhibition (DATE), Dresden, Germany, 12–16 March 2012. [Google Scholar]
- Chakraborty, R.; Bhunia, S. HARPOON: An obfuscation-based SoC design methodology for hardware protection. IEEE Trans. Comput. Aided Des. Integr. Circuits Syst. 2009, 28, 1493–1502. [Google Scholar] [CrossRef]
- Yasin, M.; Rajendran, J.; Sinanoglu, O.; Karri, R. On improving the security of logic locking. IEEE Trans. Comput. Aided Des. Integr. Circuits Syst. 2016, 35, 1411–1424. [Google Scholar] [CrossRef]
- Griffin, W.; Raghunathan, A.; Roy, K. CLIP: Circuit level IC protection through direct injection of process variations. IEEE Trans. Very Large Scale Integr. Syst. 2012, 20, 791–803. [Google Scholar] [CrossRef]
- Alasad, Q.; Bi, Y.; Yuan, J. E2LEMI: Energy-efficient logic encryption using multiplexer insertion. Electronics 2017, 6, 16. [Google Scholar] [CrossRef]
- Subramanyan, P.; Ray, S.; Malik, S. Evaluating the security of logic encryption algorithms. In Proceedings of the IEEE International Symposium on Hardware Oriented Security and Trust, Washington, DC, USA, 5–7 May 2015; pp. 137–143. [Google Scholar]
- Xie, Y.; Srivastava, A. Mitigating SAT Attack on Logic Locking. Lecture Notes in Computer Science, Proceeding of the Cryptographic Hardware and Embedded Systems—CHES 2016, Santa Barbara, CA, USA, 17–19 August 2016; Springer: Berlin, Gemany, 2016; Volume 9813, pp. 127–146. [Google Scholar]
- Yasin, M.; Mazumdar, B.; Rajendran, J.; Sinanoglu, O. SARLock: SAT attack resistant logic Locking. In Proceedings of the IEEE International Symposium on Hardware Oriented Security and Trust, McLean, VA, USA, 3–5 May 2016; pp. 236–241. [Google Scholar]
- Yasin, M.; Mazumdar, B.; Sinanoglu, O.; Rajendran, J. Security analysis of anti-SAT. In Proceedings of the Asia and South Pacific Design Automation Conference, Chiba, Japan, 16–19 January 2017; pp. 342–347. [Google Scholar]
- Alasa, Q.; Yuan, J.; Fan, D. Leveraging all-spin logic to improve hardware security. In Proceedings of the ACM Great Lake Symposium on VLSI, Banff, AB, Canada, 10–12 May 2017; pp. 491–494. [Google Scholar]
- Imeson, F.; Emtenan, A.; Garg, S.; Tripunitara, M. Securing computer hardware using 3D integrated circuit (IC) technology and split manufacturing for obfuscation. In Proceedings of the USENIX Security Symposium, Washington, DC, USA, 14–16 August 2013; pp. 495–510. [Google Scholar]
- Rajendran, J.; Sinanoglu, O.; Karri, R. Is split manufacturing secure? In Proceedings of the Design, Automation & Test in Europe Conference & Exhibition, Grenoble, France, 18–22 March 2013; pp. 1259–1264. [Google Scholar]
- Vaidyanathan, K.; Das, B.; Sumbul, E.; Liu, R.; Pileggi, L. Building trusted ICs using split fabrication. In Proceedings of the IEEE International Symposium on Hardware-Oriented Security and Trust, Arlington, VA, USA, 6–7 May 2014. [Google Scholar]
- Vaidyanathan, K.; Liu, R.; Sumbul, E.; Zhu, Q.; Franchetti, F.; Pileggi, L. Efficient and secure intellectual property (IP) design with split fabrication. In Proceedings of the IEEE International Symposium on Hardware-Oriented Security and Trust, Arlington, VA, USA, 6–7 May 2014. [Google Scholar]
- Jagasivamani, M.; Gadfort, P.; Sika, M.; Bajura, M.; Fritze, M. Split-fabrication obfuscation: Metrics and techniques. In Proceedings of the IEEE International Symposium on Hardware-Oriented Security and Trust, Arlington, VA, USA, 6–7 May 2014. [Google Scholar]
- Hill, B.; Karmazin, R.; Otero, C.T.O.; Tse, J.; Manohar, R. A split-foundry asynchronous FPGA. In Proceedings of the Custom Integrated Circuits Conference, San Jose, CA, USA, 22–25 September 2013; pp. 1–4. [Google Scholar]
- Xie, Y.; Bao, C.; Serafy, C.; Lu, T.; Srivastava, A.; Tehranipoor, M. Security and vulnerability implications of 3D ICs. IEEE Trans. Multi Scale Comput. Syst. 2016, 2, 108–122. [Google Scholar] [CrossRef]
- Hunt, J.; Ding, Y.; Hsieh, A.; Chen, J.; Huang, D. Synergy between 2.5/3D development and hybrid 3D wafer level fanout. In Proceedings of the Electronic System-Integration Technology Conference, Amsterdam, The Netherlands, 17–20 September 2012; pp. 1–10. [Google Scholar]
- Narasimhan, S.; Du, D.; Subhra, R.; Chakraborty, S.; Paul, S.; Wolff, F.; Papachristou, C.; Roy, K.; Bhunia, S. Hardware Trojan detection by multiple-parameter side-channel analysis. IEEE Trans. Comput. 2013, 62, 2183–2194. [Google Scholar] [CrossRef]
- Van Woudenberg, J.; Witteman, M.; Bakker, B. Improving differential power analysis by elastic alignment. In Proceedings of the International Conference on Topics in Cryptology—CT-RSA 2011, San Francisco, CA, USA, 14–18 February 2011; Springer: Berlin, Germany; pp. 104–119. [Google Scholar]
- Frontier Economics. Estimating the Global Economic and Social Impacts of Counterfeiting and Piracy; Technical Report; Frontier Economics Ltd.: London, UK, 2011. [Google Scholar]
- Ronald, P.; James, P.; Bryan, J. Building Block for a Secure CMOS Logic Cell Library. U.S. Patent 20100301903 A1, 2 December 2010. Available online: http://www.google.com/patents/US20100301903 (accessed on 10 June 2017).
- Chow, L.; Baukus, J.; Wang, J.; Cocchi, R. Camouflaging a Standard Cell Based Integrated Circuit. U.S. Patent 8151235 B2, 3 April 2012. Available online: http://www.google.com/patents/US8151235 (accessed on 1 July 2017).
- Rajendran, J.; Sinanoglu, O.; Sam, M.; Karri, R. Security analysis of integrated circuit camouflaging. In Proceedings of the ACM Conference on Computer and Communications Security, Berlin, Germany, 4–8 November 2013; pp. 709–720. [Google Scholar]
- Stoica, A.; Zebulum, R.; Keymeulen, D.; Ferguson, M.; Duong, V. Taking evolutionary circuit design from experimentation to implementation: Some useful techniques and a silicon demonstration. IEE Proc. Comput. Digit. Tech. 2004, 151, 295–300. [Google Scholar] [CrossRef]
- Ruzicka, R. New polymorphic NAND/XOR gate. In Proceedings of the International Conference on Applied Computer Science, Las Vegas, NV, USA, 25–28 June 2007; pp. 192–196. [Google Scholar]
- Bi, Y.; Shamsi, K.; Yuan, J.-S.; Gaillardon, P.; De Micheli, G.; Yin, X.; Hu, X.; Niemier, M. Emerging technology-based design of primitives for hardware security. ACM J. Emerg. Technol. Comput. Syst. 2016, 13, 1–19. [Google Scholar] [CrossRef]
- Alasad, B.; Jiann-Shiun Yuan, J.S.; Bi, Y. Logic Obfuscation against IC Reverse Engineering Attacks using Polymorphic Gates. In Proceedings of the IEEE International Conference on Computer Design, Boston, MA, USA, 5–8 November 2017; pp. 1–4. [Google Scholar]
- Vatajelu, E.; Natale, G.; Torres, L.; Prinetto, P. STT-MRAM-based strong PUF architecture. In Proceedings of the IEEE Computer Society Annual Symposium on VLSI, Montpellier, France, 8–10 July 2015; pp. 467–472. [Google Scholar]
- Zhang, L.; Fonf, X.; Chang, C.-H.; Kong, Z.; Roy, K. Highly reliable memory-based physical unclonable function using spin-transfer torque MRAM. In Proceedings of the IEEE International Symposium on Circuits and Systems, Melbourne, VIC, Australia, 1–5 June 2014; pp. 2069–2172. [Google Scholar]
- Oosawa, S.; Konishi, T.; Onizawa, N.; Hanyu, T. Design of an STT-MTJ based true random number generator using digitally controlled probability-locked loop. In Proceedings of the IEEE International New Circuits and Systems Conference, Grenoble, France, 7–10 June 2015; pp. 1–4. [Google Scholar]
- Kannan, S.; Karimi, N.; Sinanoglu, O.; Karri, R. Security vulnerabilities of emerging nonvolatile main memories and countermeasures. IEEE Trans. Comput. Aided Des. Integr. Circuits Syst. 2014, 34, 2–15. [Google Scholar] [CrossRef]
- Wang, Y.; Cai, H.; de Barros Naviner, L.; Zhang, Y.; Zhao, X.; Deng, E.; Klein, J.; Zhao, W. Compact model of dielectric breakdown in spin-transfer torque magnetic tunnel junction. IEEE Trans. Electron Devices 2016, 63, 1762–1767. [Google Scholar] [CrossRef]
- Ikeda, S.; Hayakawa, J.; Lee, Y.; Matsukura, F.; Ohno, Y.; Hanyu, T.; Ohno, H. Magnetic tunnel junctions for spintronic memories and beyond. IEEE Trans. Electron Devices 2007, 54, 991–1002. [Google Scholar] [CrossRef]
- Nikoubin, T.; Bahrebar, P.; Pouri, S.; Navi, K.; Iravani, V. Simple exact algorithm for transistor sizing of low-power high-speed arithmetic circuits. VLSI Des. 2010, 2010. [Google Scholar] [CrossRef]
- Gandhi, D. Methods for Designing Standard Cell Transistor Structures. U.S. Patent 6,477,695, 5 November 2002. [Google Scholar]
- Taheri, S.; Yuan, J. Security analysis of computing systems from circuit-architectural perspective. In Proceedings of the IEEE International Conference on Dependable and Secure Computing, Yaroslavl, Russia, 20–24 April 2017. [Google Scholar]
- Zhou, P.; Zhao, B.; Yang, J.; Zhang, Y. A durable and energy efficient main memory using phase change memory technology. In Proceedings of the International Symposium on Computer Architecture, Austin, TX, USA, 20–24 June 2009; pp. 14–23. [Google Scholar]
- Chhabra, S.; Solihin, Y. iNVMM: A secure non-volatile main memory system with incremental encryption. In Proceedings of the International Symposium on Computer Architecture, San Jose, CA, USA, 4–8 June 2011; pp. 177–188. [Google Scholar]
- Kong, J.; Zhou, H. Improving privacy and lifetime of PCM-based main memory. In Proceedings of the International Conference on Dependable Systems and Networks, Chicago, IL, USA, 28 June–1 July 2010; pp. 333–342. [Google Scholar]
- Lee, B.; Ipek, E.; Mutlu, O.; Burger, D. Architecting phase change memory as a scalable DRAM alternative. Comput. Archit. News 2009, 37, 2–13. [Google Scholar] [CrossRef]
- Zhang, X.; Zhang, C.; Sun, G.; Di, J.; Zhang, T. An efficient run-time encryption scheme for non-valatile main memory. In Proceedings of the International Conference on Compilers, Architecture and Synthesis for Embedded Systems, Montreal, QC, Canada, 29 September–4 October 2013; pp. 1–10. [Google Scholar]
- Xia, F.; Jiang, D.; Xiaong, J.; Sun, N. Write-aware random page initialization for non-volatile memory systems. In Proceedings of the IEEE International Conference on Computer Design, Seoul, Korea, 19–22 October 2014; pp. 208–215. [Google Scholar]
- Qureshi, M.; Franchescini, M.; Srinivasan, V.; Lastras, L.; Abali, B.; Karidis, J. Enhancing lifetime and security of PCM-based main memory with start-gap wear leveling. In Proceedings of the IEEE/ACM International Symposium on Microarchitecture, New York, NY, USA, 12–16 December 2009; pp. 14–23. [Google Scholar]
- Wu, G.; Zhang, H.; Dong, Y.; Hu, J. CAR: Securing PCM main memory system with cache address remapping. In Proceedings of the IEEE International Conference on Parallel and Distributed Systems, Singapore, 17–19 December 2012; pp. 626–635. [Google Scholar]
- Qureshi, M.; Seznec, A.; Lastras, L.; Franceschini, M. Practical and secure PCM systems by online detection. In Proceedings of the 2011 IEEE 17th International Symposium on High Performance Computer Architecture, San Antonio, TX, USA, 12–16 February 2011; pp. 478–489. [Google Scholar]
- Yu, H.; Du, Y. Increasing endurance and security of phase-change memory with multi-way wear-leveling. IEEE Trans. Comput. 2014, 63, 1157–1168. [Google Scholar]
- Young, V.; Nair, P.; Quershi, M. DEUCE: Write-efficient encryption for non-volatile memories. In Proceedings of the ACM International Conference on Architectural Support for Programming Languages and Operating Systems, Istanbul, Turkey, 14–18 March 2015; pp. 33–44. [Google Scholar]
- Mao, H.; Zhang, X.; Sun, G.; Sun, J. Protect non-volatile memory from wear-out attack based on timing difference of row buffer hit/miss. In Proceedings of the Design, Automation & Test in Europe Conference & Exhibition, Lausanne, Switzerland, 27–31 March 2017; pp. 1623–1626. [Google Scholar]
- Yang, K.; Hicks, M.; Dong, H.; Austin, T.; Sylvester, D. A2: Analog malicious hardware. In Proceedings of the IEEE Symposium on Security and Privacy, San Jose, CA, USA, 22–26 May 2016; pp. 18–37. [Google Scholar]
- Deyati, S.; Muldrey, B.; Chatterjee, A. Targeting hardware Trojans in mixed-signal circuits for security. In Proceedings of the IEEE International Mixed-Signal Testing Workshop, Sant Feliu de Guixols, Spain, 4–6 July 2016; pp. 1–4. [Google Scholar]
- Bellizia, D.; Scotti, G.; Trifiletti, A. On-chip analog current equalizer as a countermeasure against side-channel attacks in CMOS nanometer technology. In Proceedings of the International Conference on Mixed Design of Integrated Circuits and System, Lodz, Poland, 23–25 June 2016; pp. 229–234. [Google Scholar]
- Jin, Y.; Markris, Y. Hardware Trojans in wireless cryptographic integrated circuits. IEEE Des. Test Comput. 2010, 27, 10–25. [Google Scholar] [CrossRef]
- Wang, X.; Mal-Sarkar, T.; Krishna, A.; Narasimhan, S.; Bhunia, S. Software exploitable hardware Trojans in embedded processor. In Proceedings of the IEEE International Symposium on Defect and Fault Tolerance in VLSI and Nanotechnology Systems, Austin, TX, USA, 3–5 October 2012; pp. 55–58. [Google Scholar]
- Rajendran, J.; Sinanoglu, O.; Karri, R. Regaining trust in VLSI design: Design-for-trust techniques. Proc. IEEE 2014, 102, 1266–1282. [Google Scholar] [CrossRef]
- Taheri, S.; Lin, J.; Yuan, J. Security interrogation and defense for SAR analog to digital converter. Electronics 2017, 6, 48. [Google Scholar] [CrossRef]
- Yang, C.; Liu, B.; Li, H.; Chen, Y.; Wen, W.; Barnell, M.; Wu, Q.; Wen, W.; Rajendran, J. Security of neuromorphic computing: Thwarting learning attacks using memristor’s obsolescence effect. In Proceedings of the 2016 IEEE/ACM International Conference on Computer-Aided Design (ICCAD), Austin, TX, USA, 7–10 November 2016; pp. 1–6. [Google Scholar]



























































© 2017 by the authors. Licensee MDPI, Basel, Switzerland. This article is an open access article distributed under the terms and conditions of the Creative Commons Attribution (CC BY) license (http://creativecommons.org/licenses/by/4.0/).
Share and Cite
Yuan, J.-S.; Lin, J.; Alasad, Q.; Taheri, S. Ultra-Low-Power Design and Hardware Security Using Emerging Technologies for Internet of Things. Electronics 2017, 6, 67. https://doi.org/10.3390/electronics6030067
Yuan J-S, Lin J, Alasad Q, Taheri S. Ultra-Low-Power Design and Hardware Security Using Emerging Technologies for Internet of Things. Electronics. 2017; 6(3):67. https://doi.org/10.3390/electronics6030067
Chicago/Turabian StyleYuan, Jiann-Shiun, Jie Lin, Qutaiba Alasad, and Shayan Taheri. 2017. "Ultra-Low-Power Design and Hardware Security Using Emerging Technologies for Internet of Things" Electronics 6, no. 3: 67. https://doi.org/10.3390/electronics6030067
APA StyleYuan, J.-S., Lin, J., Alasad, Q., & Taheri, S. (2017). Ultra-Low-Power Design and Hardware Security Using Emerging Technologies for Internet of Things. Electronics, 6(3), 67. https://doi.org/10.3390/electronics6030067

