Next Article in Journal
Dynamic Topic Analysis and Visual Analytics for Trajectory Data: A Spatial Embedding Approach
Previous Article in Journal
Simulation Analysis of Motor and Battery Characteristics Using a Validated Model of an Electric Tractor
 
 
Font Type:
Arial Georgia Verdana
Font Size:
Aa Aa Aa
Line Spacing:
Column Width:
Background:
Article

Stability Analysis of Electricity Grids with High Renewable Penetration Using a Grid-Forming Approach

by
María García-Hoyos
*,
Raquel Villena-Ruiz
,
Andrés Honrubia-Escribano
and
Emilio Gómez-Lázaro
Renewable Energy Research Institute, Universidad de Castilla-La Mancha, 02071 Albacete, Spain
*
Author to whom correspondence should be addressed.
Electronics 2025, 14(24), 4871; https://doi.org/10.3390/electronics14244871
Submission received: 27 October 2025 / Revised: 4 December 2025 / Accepted: 9 December 2025 / Published: 10 December 2025

Abstract

The ongoing decarbonisation of power systems is displacing synchronous generators (SGs) with converter-based plants, requiring a consistent assessment of grid-following inverters (GFLIs) and grid-forming inverters (GFMIs). Using an openly available four-bus root-mean-square (RMS) benchmark modelled in DIgSILENT PowerFactory, this work compares three generation configurations: (i) a single local SG connected at the point of common coupling; (ii) the same generator combined with a GFLI; and (iii) the generator combined with a GFMI. These configurations are evaluated under three disturbance scenarios: (1) a balanced load step, (2) an unbalanced double line-to-ground fault at low short-circuit ratio (SCR) with temporary islanding and single-shot auto-reclose, and (3) full islanding with under-frequency load shedding (UFLS), partial resynchronisation, and staged restoration. For the tested tuning ranges and within this RMS benchmark, the grid-forming configuration behaves as a low-impedance source at the point of common coupling in the phasor sense, yielding higher frequency nadirs during active-power disturbances and faster positive-sequence voltage recovery under weak and unbalanced conditions than the SG-only and SG+GFLI cases. During islanding, it supports selective UFLS, secure resynchronisation, and orderly load restoration. Rather than introducing new control theory, this work contributes a reproducible RMS benchmarking framework that integrates low-SCR operation, unbalance, and restoration sequences with a documented cross-technology tuning procedure. The findings indicate system-level improvements in frequency resilience and voltage recovery for the tested benchmark relative to the alternative configurations, while recognising that instantaneous device-level effects and broader generality will require electromagnetic-transient (EMT) or hybrid EMT/RMS validation in future work.

1. Introduction

Electricity and heat generation account for roughly one third of global greenhouse-gas (GHG) emissions, placing the power sector at the core of decarbonisation efforts. Achieving the 1.5 °C objective requires rapid and sustained reductions in power-sector emissions—about a 45% reduction in global net CO 2 by 2030 relative to 2010 and reaching net zero around mid-century [1,2]. Within this context, changes in the generation mix or control architecture have direct implications for system stability and reliability.
Renewable deployment has accelerated significantly. Global renewable capacity reached 4448 GW by the end of 2024, with solar photovoltaics (PV) representing more than three quarters of annual additions and wind plus PV jointly accounting for 96% of net growth [3,4]. The 28th Conference of the Parties (COP28) endorsed tripling global renewable capacity to at least 11 TW by 2030 [5]. Within the European Union (EU), the GHG intensity of electricity declined by approximately 59% between 1990 and 2023 [6], while total net GHG emissions fell by 8% between 2022 and 2023 [7]. By 2024, power-sector emissions were less than half their 2007 peak and renewables supplied over 44% of electricity [8]. These trends increase the share of converter-based generation at both transmission and distribution levels, advancing the transition towards converter-dominated grids.
High penetration of inverter-based resources (IBRs) is increasingly demonstrated in practice and supported by detailed experimental validation. At the transmission scale, the Hornsdale Power Reserve in South Australia has shown that utility-scale batteries can provide fast-frequency response (FFR) and synthetic inertia [9]. Complementary studies indicate that optimally located virtual inertia and FFR can enhance frequency resilience in high-renewable systems [10]. At the microgrid scale, the island of Ta’ū in American Samoa illustrates grid-forming operation, where battery inverters establish voltage and frequency references while coordinating PV and storage under islanded conditions [11]. Beyond these flagship cases, grid-forming capabilities have been investigated in numerous pilot projects worldwide [12]. Electromagnetic-transient (EMT) studies confirm dynamic stability under weak and unbalanced conditions [13,14], and hardware-in-the-loop (HIL) campaigns—such as those performed at the National Renewable Energy Laboratory (NREL)—show sustained voltage and frequency reference control during islanding and resynchronisation [15]. Together, these efforts bridge simulation-based insights with operational evidence and help strengthen the case for grid-forming technology in large-scale integration.
The shift from synchronous generators (SGs)—historical providers of inertia, fault current, and voltage and frequency support—to digitally controlled converters fundamentally alters fault dynamics, effort sharing, and overall frequency response [16]. In parallel, evolving capability expectations and performance requirements from the European Network of Transmission System Operators for Electricity (ENTSO-E) [17,18] and the Institute of Electrical and Electronics Engineers (IEEE) [19] are defining normative baselines for high-IBR operation.
From a modelling standpoint, root-mean-square (RMS) simulations in DIgSILENT PowerFactory remain a standard tool for system-level studies due to their interpretability and computational efficiency, whereas EMT simulations are reserved for detailed device-level analysis. This work, therefore, adopts an RMS framework for system-level benchmarking, with EMT or hybrid EMT/RMS studies left for future work focused on semiconductor stress and protection behaviour.

1.1. State of the Art on Grid-Following and Grid-Forming Control for Power System Stability

Lower physical inertia steepens the rate of change of frequency (RoCoF) after disturbances and depresses the frequency nadir, potentially triggering generator or distribution protection and activating under-frequency load shedding (UFLS). These indicators are central to resilience analysis in high-IBR grids [18,19]. Grid strength is commonly parameterised by the short-circuit ratio (SCR), defined in Equation (1), where low SCR denotes weak-grid conditions and increased converter–grid interaction:
SCR = S sc S conv ,
where S sc is the three-phase short-circuit power (MVA) at the point of common coupling (PCC) and S conv is the converter rated apparent power (MVA) [20]. For system-level analysis, RMS phasor models are widely used to study primary control, power sharing, and voltage regulation [21], while EMT models resolve switching, sub-cycle phenomena, and protection behaviour at the expense of smaller time steps and more detailed device descriptions [17]. Under unbalanced conditions, the analysis typically employs symmetrical components (e.g., V 1 , V 2 ) and their ratios (e.g., V 1 / V 2 ), consistent with the International Electrotechnical Commission (IEC) power-quality standards 61000-4-30 [22].
Converter control philosophy critically shapes grid interaction. Grid-following inverters (GFLIs) rely on phase-locked loop (PLL) synchronisation and current control, making their small-signal stability sensitive to PLL bandwidth [23,24]. Grid-forming inverters (GFMIs), by contrast, synthesise internal voltage and frequency references and exhibit, by design, a low output impedance at the PCC, enabling stable operation under weak-grid or islanded conditions [12,25]. These differences influence fault responses and effort sharing: GFLIs rely on the external voltage reference and may degrade in weak grids, whereas GFMIs stabilise local voltage and coordinate active and reactive power flows [21,26].
Among grid-forming strategies, droop control remains the dominant approach. It defines proportional relationships between power and frequency or voltage deviations, as expressed in Equation (2):
Δ f = m p Δ P , Δ V = m q Δ Q ,
where Δ f denotes the deviation from nominal frequency f 0 (expressed either in Hz or, in this work, in pu over f 0 = 50 Hz ), Δ V is the deviation of voltage magnitude from its reference V ref (pu). The quantities Δ P and Δ Q denote the active and reactive power deviations from the operating point (MW/MVAr or pu on the chosen S base ). The slopes m p and m q are the active-power and reactive-power droop coefficients, respectively [16,25]. A smaller m p (stiffer droop) enhances primary frequency support and increases converter participation, whereas a larger m p reduces participation at the expense of a deeper nadir. Conversely, a larger magnitude | m q | accelerates voltage recovery. Under the sign convention adopted here, m q < 0 , so that undervoltage induces capacitive reactive-power injection ( Q < 0 ) and overvoltage induces inductive reactive-power injection ( Q > 0 ). In weak grids, virtual-impedance loops are often introduced to shape fault currents and decouple reactive power from feeder-impedance mismatches. Practical implementations also enforce per-axis current limiting to protect semiconductors by temporarily relaxing voltage-control objectives [27,28].
Beyond droop, several control families have been proposed to address complementary objectives under weak-grid conditions. Virtual synchronous machine (VSM) control emulates inertia and damping via swing-equation analogues [21]. Oscillator-based schemes, such as virtual oscillator control (VOC), enable rapid synchronisation and power sharing without PLLs [29], while matching-control approaches align converter power with storage functions, improving passivity margins under current limits [21,30,31].
Stability concerns span a broad frequency range. At subsynchronous frequencies, classical subsynchronous resonance (SSR) is associated with series-compensated lines [32], whereas device-dependent subsynchronous oscillations (DDSSO) have been associated with high-voltage direct current (HVDC) links, static synchronous compensators (STATCOMs), and wind converters [33,34]. In the harmonic (100 Hz–2 kHz) and supraharmonic (2–150 kHz) ranges, switching frequencies, digital delays, and filter design set the effective impedance at the PCC, affecting stability and power quality in weak grids [17].
A widely used diagnostic framework represents the source and network as impedances in dq or sequence domains and applies the generalised Nyquist criterion to the minor-loop gain. Stability margins then follow from encirclements of the −1 point [23,26]. Mitigation typically relies on reshaping impedances through controller bandwidths, virtual impedance, and gain scheduling [35,36].
Previous comparisons of GFLIs and GFMIs have demonstrated frequency and voltage advantages of grid-forming control, but typically without combining low-SCR asymmetry with coordinated restoration sequences [37]. In distribution grids, EMT-based analyses have examined unbalance and converter interactions in detail; yet, they do not provide a like-for-like comparison of SG, GFLI, and GFMI technologies on a harmonised RMS benchmark [38]. Studies on droop, VSM, and VOC have clarified control trade-offs, although generally outside a unified test framework encompassing both synchronous and converter-based sources [21,29]. Further refinements, such as optimised VOC designs, reinforce these insights but remain tied to isolated implementations [39]. In terms of fault resilience, adaptive fault ride-through (FRT) schemes for VSM converters have been proposed [40], and various current-limiting methods for GFMIs have been investigated [28]. Comprehensive reviews of overcurrent limitation [27] and dynamic latch-based schemes [41] further contribute to the state of the art. However, these works generally remain focused on individual control designs or EMT-level studies, without offering comparative RMS analyses that integrate islanding and restoration processes. Within this context, documented RMS benchmarks that jointly incorporate low-SCR operation, unbalanced faults with temporary islanding and auto-reclose, and staged restoration appear less common in the open literature than EMT-based case studies of specific converter controls [37,38].

1.2. Motivation, Contributions, and Paper Structure

Against this background and motivated by the gaps identified above, this work presents a structured RMS benchmarking approach to evaluate three representative configurations—SG, GFLI, and GFMI—under weak and unbalanced conditions. The focus is on system-level frequency and voltage dynamics, providing directly comparable evidence of frequency response, sequence-voltage behaviour, and recovery processes across these technologies. Indicators such as frequency nadir, positive- and negative-sequence voltage envelopes, and converter current envelopes are interpreted accordingly at the system level.
Three disturbance scenarios are defined to probe complementary aspects of system behaviour. A balanced +100 MW load step at the PCC examines inertial and primary-frequency response. An unbalanced double line-to-ground (2LG) fault at reduced SCR, followed by temporary islanding and single-shot auto-reclose, is used to test FRT and weak-grid stability. A full islanding sequence with UFLS, partial resynchronisation, and staged restoration evaluates independent operation and reconnection under mixed SG–GFMI generation. This design reflects realistic concerns in high-IBR systems while remaining compact and reproducible.
The main contributions are threefold: (1) a disturbance set combining unbalanced faults, islanding, and staged restoration; (2) an indicator suite enabling cross-scenario comparison; and (3) a simple, transparent tuning procedure based on parameter sweeps of SG governor gain k, automatic voltage regulator (AVR) gain K a , and GFMI active-power droop m p , as defined in Equation (2). The tuning approach is intentionally simple, emphasising comparability and reproducibility rather than control optimisation, and provides a documented baseline for comparing primary-control effects across configurations. Overall, the work offers a reusable four-bus RMS benchmark for SG, GFLI, and GFMI behaviour in weak and unbalanced grids, as an incremental extension of the benchmark in [42] tailored to the three disturbance scenarios described above.
The remainder of this paper is structured as follows. Section 2 details the four-bus RMS benchmark, modelling assumptions, and disturbance scenarios. Section 3 presents comparative results across the three configurations. Section 4 summarises the findings and discusses perspectives for EMT and HIL validation and broader network extensions.

2. System Modelling and Simulation Framework

This section introduces the modelling framework used in this work. It is organised into (i) the benchmark network and generation configurations; (ii) the modelling assumptions, controller implementations, and simulation settings; and (iii) the scripted disturbance scenarios together with the indicators used in the comparative analysis.

2.1. Benchmark Network and Configurations

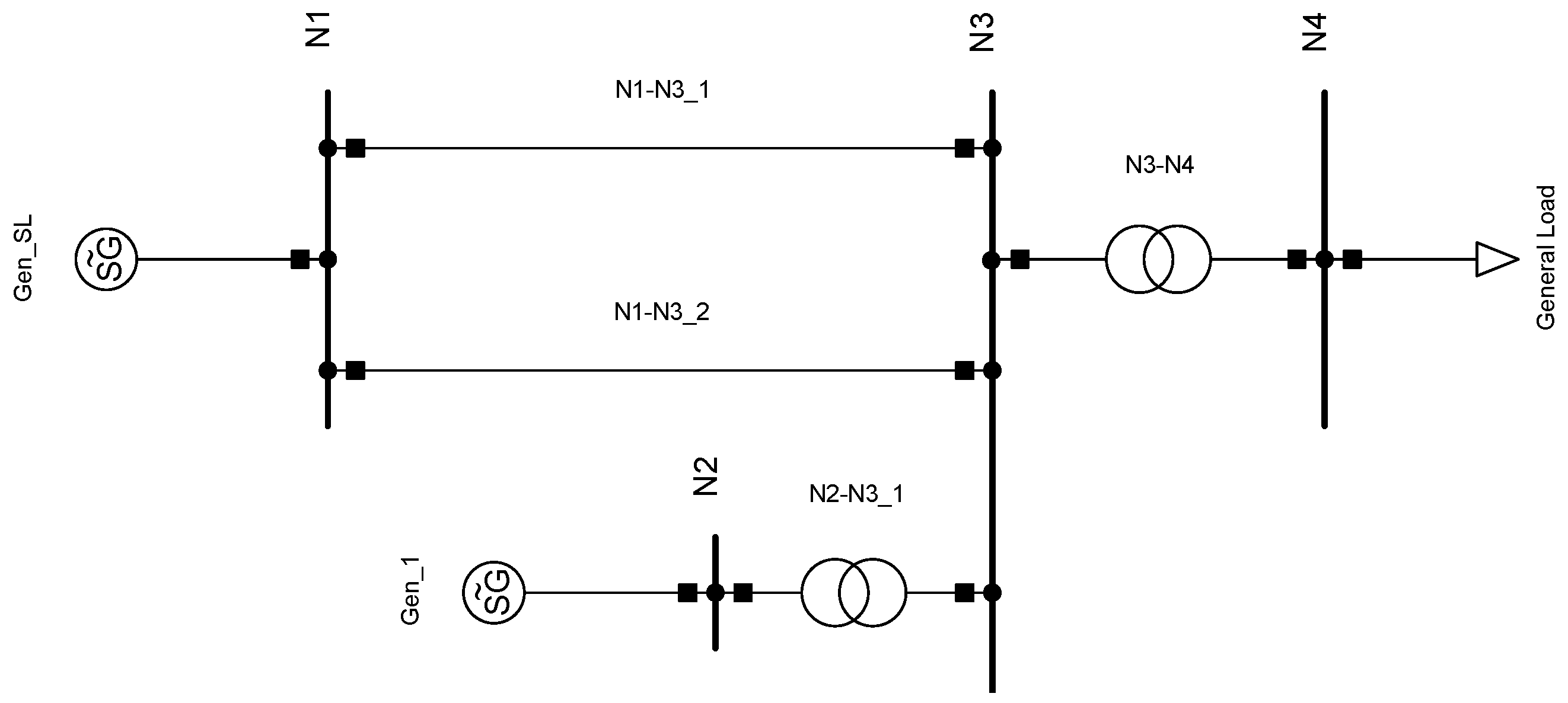
The four-bus RMS benchmark network, originally introduced by [42], is implemented in DIgSILENT PowerFactory. It consists of two parallel N1–N3 tie-lines connecting the bulk system at N1 (slack) to the local N2–N4 subsystem, where generation and demand are located. The demand at N4 is modelled as a constant-impedance–current–power (ZIP) load with a P = 1 and a I = a Z = 0 , which corresponds to a constant PQ element set to 400 MW and 80 MVAr at rated voltage (Figure 1).
At bus N2, three alternative generation configurations are defined. In Configuration 1 (C1), a single SG rated 350 MW/500 MVA supplies the local area. In Configuration 2 (C2), the SG is split into two units: one SG with a rated output of 175 MW/250 MVA and one GFLI with a rated output of 175 MW/200 MVA operating as a controlled current source via a PLL. In Configuration 3 (C3), the same split is retained, but the converter operates as a GFMI, synthesising voltage and frequency internally and behaving as a voltage source behind an impedance.
Table 1 summarises the apparent-power ratings of the SG and converter; all configurations deliver 350 MW at N2.
Nominal bus voltages, reporting ranges, and transformer data are provided in Table 2 and Table 3. The SG AVR regulates the voltage at N3 to U ref = 1.00 pu; the steady-state voltages at the remaining buses result from the transformer tap positions, line impedances, and the power-flow distribution in the network.
These reporting bands mirror the steady-state voltage limits in the PowerFactory load-flow data. The upper bounds (1.05–1.10 pu) represent typical steady-state targets, whereas the lower bounds at 0 pu are used only to keep deep voltage dips within the plotting range; transient voltages may, therefore, fall outside the bands for short durations.
The physical topology, electrical data, and complete four-bus RMS DIgSILENT implementation are openly provided in [42]. Building on that benchmark, this work introduces weak-grid operating conditions and full disturbance sequences for Scenarios 1–3, and documents the controller-tuning ranges and disturbance scripts used in the comparative analysis of the SG, GFLI, and GFMI configurations.

2.2. Modelling and Simulation Settings

All simulations are performed in DIgSILENT PowerFactory 2024 SP5 (x64) using its RMS solver with a 1 ms implicit trapezoidal step and default tolerances ( 10 3 10 2 ). Converter-side variables use a 200 MVA base; SG quantities use each machine’s rated MVA. Converter active-power droop m p follows the definition in Equation (2). It is implemented as a dimensionless pu gradient, where Δ f is expressed in pu over the nominal f 0 = 50 Hz and Δ P is expressed over the 200 MVA converter base. This convention ensures that droop sensitivities, power-sharing ratios, and frequency-support characteristics remain directly comparable across scenarios. All pu quantities are computed internally by PowerFactory using these declared bases, ensuring consistency between machine and converter variables without manual rescaling. Since N1 operates as slack, it absorbs residual losses; thus, the +100 MW step at N3 does not exactly match the change in injection at N2.
The SG turbine governor follows the IEEE G1 model, and the excitation system implements the AVR-K50 regulator. Parameter ranges follow standard practice [32,43] and the validated limits in [42]. These structures capture the dominant electromechanical and voltage-regulation modes relevant in RMS studies. No turbine or exciter nonlinearities (e.g., valve limits, saturation) are included, consistent with the benchmark in [42]. In Scenario 1, the governor gains k, and the AVR gains K a are varied within these documented ranges.
The GFLI is modelled as a current-controlled converter with PLL-based synchronisation and an RMS current limit of | i | max = 1.0 pu [23,24]. The model retains the auxiliary slow PLL path employed in [42], which provides low-frequency support for angle tracking in weak grids. This element remains unchanged across scenarios so that, in Scenario 2, the weak-grid retuning is confined to bandwidth parameters of the main PLL and outer loops. Small measurement overshoots may appear at the bus due to network dynamics and estimation windows. Under SCR = 12.8 in Scenario 2, the baseline tuning loses convergence during the 2LG fault; the adopted weak-grid retuning, therefore, adjusts only bandwidth-related parameters, as detailed in Section 2.3.2, while keeping the steady-state PQ capability unchanged.
The GFMI is a voltage-source converter with active/reactive droop control ( m p , m q ) and per-axis current limits | i d | , | i q | 2.0 pu. This permits up to 2.0 pu on a single axis; the resultant magnitude | i | = i d 2 + i q 2 is practically constrained by modulation voltage and filter limits. Per-axis limiting avoids discontinuities associated with vector clipping and permits short reactive surges [27]. Under unbalanced faults, sequence mixing may cause the RMS envelope I 1 to transiently exceed 2.0 pu, while instantaneous per-axis limits remain enforced. Reactive power follows Q > 0 inductive, with the dq frame aligned to the positive-sequence PCC voltage so that negative i q denotes capacitive support. With this convention, a negative reactive droop m q ensures that Q opposes voltage deviation according to Equation (2). Electrical frequency is derived from the positive-sequence voltage phase angle at the PCC, unless otherwise stated.
The analysis focuses on the following RMS-resolvable dynamics: frequency nadirs, voltage envelopes, and positive-sequence current overshoots. Sub-cycle behaviour, semiconductor stress, and protection-device operation lie outside RMS resolution and are left to EMT or hybrid EMT/RMS studies. Accordingly, voltage and current overshoots reported in Section 3 should be interpreted as phasor envelopes rather than instantaneous device stresses.

2.3. Simulation Methodology

All analysed variables—system frequency, positive-sequence voltage V 1 , positive-sequence current I 1 , and converter dq currents—are obtained directly from PowerFactory’s RMS solver via its internal symmetrical component and d q transformations. Offline post-processing is limited to extracting minima, maxima, and envelopes, so all plotted trajectories correspond exactly to the RMS solution with no external filtering or signal reconstruction.
Frequency nadir is defined as the minimum electrical frequency at the PCC (N3) after each disturbance, unless otherwise stated (Scenario 3, where frequency is monitored at N4 because UFLS relays act at that bus). Voltage envelopes correspond to V 1 at N3, and current overshoots to the peak of | I 1 | at converter terminals. Three scripted disturbances are then applied to the benchmark to probe complementary aspects of dynamic performance, with detailed definitions and chronologies provided in Section 2.3.1, Section 2.3.2 and Section 2.3.3. Scenarios 1 and 2 are applied to all three configurations (C1–C3), whereas Scenario 3 is evaluated only for C3, because in the adopted benchmark, only the grid-forming inverter can provide an internal voltage–frequency reference for autonomous islanded operation.

2.3.1. Scenario 1: Balanced +100 MW Load Step at N3

Scenario 1 applies a balanced active-power disturbance to probe the primary-frequency and voltage-control behaviour of the three configurations under strong-grid conditions. At t = 5 s, a +100 MW (0 MVAr) step is introduced at N3 by switching in an auxiliary ZIP element configured in PQ mode and initially disconnected. Using a dedicated load object, rather than modifying the existing N4 demand, avoids internal smoothing by the PowerFactory load-flow initialisation and produces a well-defined, fully reproducible disturbance. N3, the high-voltage PCC, is selected instead of N4 so that the disturbance is not attenuated by distribution-level impedances and all generation units experience the same active-power change. The event sequence is summarised in Table 4.
Calibration focuses on the parameters that predominantly shape RMS performance: the SG governor gain k, the SG AVR gain K a , and the GFMI active-power droop m p . Each parameter is varied in isolation from a fixed operating point so that its effect on the frequency nadir, damping, voltage recovery, and active-power sharing can be evaluated without interaction artefacts.
The ranges in Table 5 follow IEEE G1 and AVR-K50 guidance and the validated ranges in [42]. For the GFMI, the droop m p is varied within commonly used grid-forming values, as it governs how the inverter shares the primary response with the SG. Smaller m p increases GFMI participation and leads to a shallower frequency dip (i.e., a higher nadir), whereas larger m p shifts the effort towards the SG and deepens the dip.
Range validation is based on four criteria: (i) physically plausible SG–GFMI power sharing; (ii) frequency trajectories consistent with inertia–droop interaction; (iii) voltage recovery within reporting bands without oscillatory behaviour; and (iv) stable current-limiting behaviour without integrator windup. Final calibrated values appear in Section 3.

2.3.2. Scenario 2: Weak-Grid 2LG Fault, Islanding, and Auto-Reclose at N3

Scenario 2 examines converter behaviour under weak-grid and asymmetric-fault conditions. One N1–N3 tie-line is opened at t = 0 s, reducing grid strength at N3 according to the SCR definition in Equation (1). The resulting short-circuit powers at N3, obtained from PowerFactory short-circuit calculations, and the corresponding SCR values on a 200 MVA converter base are summarised in Table 6.
At t = 5.0 s, a 2LG fault (phases B,C; R f = X f = 1   Ω ) is applied at N3 and cleared at t = 5.5 s. The remaining tie-line is opened at t = 5.7 s, temporarily islanding N2–N3–N4, and a single-shot auto-reclose is attempted at t = 6.0 s, as summarised in Table 7. This sequence captures both the immediate FRT and the post-fault reconnection dynamics.
Under baseline settings, the GFLI in C2 fails to preserve RMS convergence at SCR = 12.8 during the asymmetric fault, consistent with commonly reported weak-grid limitations of PLL-synchronised inverters. A reduced S sc lowers PLL phase margin, increases coupling with negative-sequence components, and may induce loss of synchronisation or numerical divergence in RMS models.
To restore satisfactory behaviour without altering the steady-state PQ capability, only bandwidth-related parameters are adapted according to established weak-grid tuning practice. Specifically:
  • PLL gains are reduced to enlarge phase-margin robustness and mitigate oscillatory angle tracking.
  • The active-power time constant T P is increased to limit power-angle excursions during low-voltage periods.
  • The active-power ramp rate is reduced to prevent abrupt outer-loop references under unbalanced faults.
  • The Q loop is accelerated to improve voltage tracking when negative-sequence components are present.
  • Inner-loop time constants ( T d , T q ) are shortened to retain current-regulation authority during deep voltage dips.
These adjustments affect only dynamic response: steady-state limits and PQ capability remain unchanged. They provide a feasible weak-grid configuration for this benchmark, enabling a meaningful comparison of C2 with C1 and C3 under Scenario 2. Candidate settings are required to satisfy (i) stable PLL synchronisation; (ii) bounded i d / i q without limit cycling; (iii) voltage recovery consistent with outer-loop objectives; and (iv) RMS convergence throughout fault, islanding, and reclosing. The resulting parameters are listed in Table 8.

2.3.3. Scenario 3: Double-Circuit Islanding with UFLS, Partial Resynchronisation, and Staged Load Restoration

Scenario 3 examines autonomous islanded operation, UFLS action, partial resynchronisation, and staged load restoration. Configurations C1 and C2 are not included because, once disconnected from N1, they do not provide the grid-forming reference and restoration controls required for the sequence considered here. In C2, the GFLI is not modelled to sustain autonomous islanded operation, because its PLL-based synchronisation relies on an external voltage reference. In C1, a single SG could, in principle, energise an island, but higher-level frequency- and voltage-restoration controls for UFLS and staged load pickup are not modelled. By contrast, in C3 the converter operates as a GFMI, synthesising an internal voltage–frequency reference and supporting autonomous islanded operation.
At t = 5.0 s, both N1–N3 tie-lines are opened, forming an island comprising N2 (SG), N3 (PCC), and N4 (load). The 400/80 MW/MVAr demand at N4 is partitioned into critical load feeders (CL1: 200/40; CL2: 50/10) and non-critical load feeders (NCL1: 100/20; NCL2: 50/10). NCL1 ramps from 100/20 to 150/30 MW/MVAr during 6.0–8.0 s to examine island stability under a gradual increase in demand. This partition preserves supply to critical demand while enabling controlled curtailment and staged restoration of non-critical feeders, keeping the total load consistent with the nominal 400/80 MW/MVAr benchmark.
UFLS is implemented using the American National Standards Institute (ANSI) device 81 frequency thresholds: NCL2 trips if f < 49.50 Hz for 0.2 s, and NCL1 if f < 49.30 Hz for 0.2 s. A partial reclose of one N1–N3 line occurs at t = 20.0 s to test the subsystem’s synchronisation capability, followed by staged restoration of NCL2 and NCL1 between 22 and 24 s. A full reclose of the second tie-line is performed at t = 26.0 s. The full sequence is listed in Table 9.
Droop coefficients are fixed at m p = 0.05 and m q = 0.05 , values that ensure soft active-power sharing while providing sufficient reactive support to restore voltages within the reporting band. A smaller m p would increase GFMI participation and yield a shallower frequency dip (i.e., a higher nadir), while a more negative m q would accelerate voltage recovery at the expense of higher current magnitudes. All other GFMI parameters remain identical to those used in Scenario 1.

3. Results and Discussion

The three configurations are evaluated under the three disturbance scenarios defined in Section 2. Unless stated otherwise, all trajectories shown in this section are RMS phasor quantities obtained directly from the DIgSILENT PowerFactory RMS solver.

3.1. Scenario 1: Balanced +100 MW Load Step at N3

Scenario 1 uses the +100 MW step at N3 defined in Section 2.3.1. Configuration C3 is calibrated via one-at-a-time sweeps of the governor gain k, the AVR gain K a , and the GFMI active-power droop m p over the ranges in Table 5, targeting improved frequency nadir and voltage recovery while avoiding excessive mechanical-power overshoot, reactive oscillations, and converter loading.
The influence of the governor gaining k in C3 is shown in Figure 2. Electrical frequency at N3 (Figure 2a) varies only slightly across k [ 7.5 , 20 ] , with nadir values separated by about 0.002 pu ( 0.1 Hz) between the lowest and highest settings. For the adopted droop and inertia, the governor gain mainly shapes the approach to steady state rather than the depth of the first frequency dip, accelerating post-event recovery but providing only marginal improvement in nadir, consistent with the classical swing-equation picture.
In contrast, SG mechanical power (Figure 2b) shows a stronger dependence: the peak rises from roughly 0.82 pu to about 0.88 pu as k increases, indicating larger turbine overshoot and more aggressive extraction of mechanical reserve. SG electrical power (Figure 2c) mirrors this behaviour, with sharper oscillations at higher k. These overshoots are physically plausible under a fast proportional governor but are less conservative from a turbine and shaft-loading standpoint. A compromise value of k = 12.5 is, therefore, retained. Larger gains provide negligible nadir improvement (about 0.1 Hz across the full sweep) but significantly increase mechanical-power overshoot and electrical-power ripple.
The impact of the AVR gain K a is reported in Figure 3. The positive-sequence voltage V 1 at N3 (Figure 3a) improves as K a increases: as K a rises from 30 to 200, the voltage depression following the load step is reduced and recovery accelerates, with the post-event minimum during the first swing, improving from about 1.008 pu at K a = 30 to roughly 1.014 pu for K a 90 –110. For all tested gains, the voltage trajectory settles within a few seconds after the step, as expected from the stronger voltage-regulation loop compensating the additional reactive demand induced by the +100 MW step.
Frequency (Figure 3b) remains almost unchanged across the same range, reflecting the intended decoupling between the active-power/frequency and reactive-power/voltage control loops in the RMS model. SG reactive power (Figure 3c) exhibits modest oscillations (ripple below about 15 MVAr), indicating that the faster AVR action does not destabilise reactive support. Very high gains ( K a 110 ) yield slightly more oscillatory Q trajectories without a clear benefit in V 1 nadir. A setting of K a = 90 is, therefore, adopted as a compromise between reducing the initial dip and avoiding the more oscillatory responses observed at the upper end of the range.
The role of the GFMI active-power droop m p is illustrated in Figure 4. Electrical frequency at N3 (Figure 4a) improves at lower droop values, as stronger GFMI participation raises the nadir from its lowest values at m p = 0.06 to visibly higher values at m p = 0.01 . This follows from Equation (2): a smaller m p (stiffer droop) yields more active-power response for a given frequency deviation and a shallower dip.
GFMI active power (Figure 4b) increases from about 190 MW at m p = 0.06 to around 230 MW at m p = 0.01 , with a transient peak close to 235 MW (approximately 1.18 pu on the 200 MVA converter base). SG active power (Figure 4c) complements this behaviour and supplies the remainder of the +100 MW increment. A lower m p , therefore, strengthens frequency containment but shifts a larger fraction of the active-power effort to the converter, whereas a higher m p relaxes converter effort at the expense of a deeper nadir. A setting of m p = 0.03 is selected as it provides a nadir close to the best case while keeping GFMI active-power peaks at a moderate overload (about 1.18 pu on the 200 MVA base) that remains well below the per-axis current limits and maintains a balanced SG–GFMI sharing for this benchmark.
A cross-configuration comparison is provided in Figure 5 and Figure 6, using the calibrated values k = 12.5 , K a = 90 , and m p = 0.03 in C3. The frequency nadir (Figure 5a) is lowest in C1 (0.9938 pu; 49.69 Hz), reflecting the limited primary control provided by the single SG. C2 shows a slightly higher nadir (0.9944 pu; 49.72 Hz), but the improvement is modest because the GFLI does not provide deliberate primary-frequency support under the adopted unity-power-factor settings, and the SG still carries almost all the incremental effort. C3 achieves the highest nadir (0.9949 pu; 49.75 Hz), corresponding to roughly 0.06 Hz of additional nadir support relative to C1 and consistent with earlier active-power participation from the GFMI. At longer times, all three traces converge to steady-state values only slightly above their respective nadirs; thus, Scenario 1 mainly differentiates the short-term containment of the initial frequency dip.
The positive-sequence voltage at N3 (Figure 5b) remains near its pre-event value (about 1.03 pu) in C1, exhibiting a relatively smooth and well-damped trajectory under the action of the SG AVR. In C2, V 1 experiences a brief dip (to approximately 0.995 pu immediately after the step) followed by a slower approach to a lower steady-state level of about 0.995 pu. This is consistent with the SG having to provide almost all reactive support while the GFLI operates close to unity power factor; the additional active-power demand increases reactive consumption at the load, and the SG alone compensates the resulting voltage drop. In C3, a small transient overshoot is observed immediately after the step, followed by a settling value around 1.014 pu. Between roughly 10 and 30 s, the C3 voltage lies slightly above the C1 trace; this is consistent with additional local reactive support provided by the GFMI on top of the SG under the constant active-power/reactive-power load at N4.
Around t 30 s, all three configurations experience a small discrete change in V 1 and converge towards their final steady-state values. This feature arises from the constant-reactive-power load at N4 and the redistribution of reactive power between SG and GFMI as frequency and voltages settle; in sensitivity runs with Q N 4 = 0 , it disappears, confirming that it is a PQ load-model artefact rather than a protection or EMT phenomenon.
Figure 6 summarises active and reactive power at N3. In C1, the SG carries essentially the full local increment: its active power increases from 350 to about 384 MW, and it provides almost all the reactive support (around 231 MVAr), while the slack at N1 supplies the remaining power through the tie-lines. In C2, the GFLI remains close to its pre-event active-power/reactive-power target; thus, the SG again carries almost all of the local incremental effort, whereas the GFLI does not provide deliberate primary-frequency or voltage support under the adopted unity power factor settings.
In C3, the GFMI delivers the fastest active response (peak close to 205 MW, steady value around 205 MW), while the SG settles near 188 MW. Reactive sharing is also more balanced, with the SG supplying about 107 MVAr and the GFMI about 50 MVAr once the response has settled. In all three configurations, the SG remains the main source of reactive power, but only in C3 does the converter participate meaningfully in both active and reactive support. This illustrates how the choice of droop parameter m p on this benchmark shapes SG–GFMI sharing of the 100 MW step.
Table 10 summarises the main performance indicators at N3 for the three configurations, using the calibrated parameters k = 12.5 , K a = 90 , and m p = 0.03 in C3. The values are consistent with the markers in Figure 5 and Figure 6.
On this four-bus RMS benchmark, C3 achieves the highest frequency nadir and the most balanced SG–converter sharing, C2 remains constrained by the GFLI close to its active-power/reactive-power target, and C1 provides the lowest nadir while relying entirely on synchronous response. These differences should be interpreted as benchmark-specific, RMS-level comparisons; quantifying device-level stress or protection margins would require EMT validation.

3.2. Scenario 2: Weak-Grid 2LG Fault, Islanding, and Auto-Reclose at N3

Scenario 2 uses the weak-grid 2LG fault, islanding, and auto-reclose sequence in Table 7, with SCR = 12.8, as in Table 6. All C2 results refer to the weak-grid retuning of the GFLI described in Section 2.3.2; the baseline tuning loses RMS convergence and is, therefore, not reported. The sequence evaluates how SG-only (C1), SG+GFLI (C2), and SG+GFMI (C3) configurations share fault currents and reactive support and restore positive- and negative-sequence voltages on the same four-bus RMS benchmark.
Figure 7 shows the positive- and negative-sequence voltages at N3. During the fault, the positive-sequence component V 1 (Figure 7a) drops towards low values in all cases, with minima between about 0.01 pu (C1 and C3) and 0.13 pu (C2; Table 11), as expected for a severe unbalance applied directly at the PCC. After clearing, C3 exhibits the fastest recovery: V 1 overshoots briefly above 1.7 pu and then returns to values close to 1.0 pu over the following one to two seconds. C2 follows with a slightly slower but well-damped rebound, whereas C1 is slowest and shows the most pronounced oscillations, consistent with comparatively sluggish excitation dynamics in the SG-only case. The negative-sequence voltage V 2 (Figure 7b) peaks highest in C3 (about 0.27–0.28 pu) and somewhat lower in C1 and C2 (around 0.25–0.26 pu; Table 11), but in C3 it also decays fastest, dropping below 0.05 pu shortly after clearing. This behaviour reflects the stiff local voltage reference provided by the GFMI: once the fault is removed, the converter rapidly corrects both positive- and negative-sequence components, whereas the SG-dominated configurations rely on slower AVR action. The subsequent islanding and auto-reclose around t 5.7 –6.0 s do not trigger additional large sequence-voltage excursions in any configuration, indicating that all three retain synchronism in the RMS sense.
Converter currents at N3 are reported in Figure 8. The positive-sequence RMS envelope I 1 (Figure 8a) highlights a clear contrast between the retuned GFLI in C2 and the GFMI in C3. In C2, I 1 first dips during the fault, falling well below its pre-fault value as the current controller and PLL react to the unbalance, then exhibits a brief overshoot around 1.25 pu shortly after clearing (1.26 pu in Table 11) and finally settles close to its RMS ceiling at approximately 1.0 pu a few seconds after the event. This is consistent with a converter that is constrained by a magnitude limit and primarily tasked with delivering a prescribed active power at near-unity power factor.
In C3, the GFMI envelope rises above 2.0 pu during the fault, with peaks around 2.2 pu (2.24 pu in Table 11), and decays back to rated current over approximately 3–4 s after clearing. At first sight, this could suggest an excessive overcurrent. However, the d- and q-axis traces (Figure 8b,c) show that instantaneous per-axis currents remain within the imposed limits of the model. Both | i d | and | i q | saturate close to their clamps (around 2 pu) and remain there only during a short interval around fault clearing and reclosing. Under the unbalanced 2LG condition, the positive-sequence RMS envelope I 1 combines the effect of these saturated dq currents with the negative-sequence component; thus, it can temporarily exceed 2 pu even though the internal per-axis limiter is respected at every instant in the RMS model. In practice, the admissible magnitude and duration of such peaks depend on hardware ratings and protection settings; a rigorous assessment, therefore, requires EMT simulations combined with manufacturer current–time curves. The RMS envelopes reported here should thus be interpreted as system-level support indicators rather than direct measures of semiconductor stress.
Active and reactive powers at N3 are plotted in Figure 9. Following fault inception, the SG in C1 experiences sizeable oscillations in both P and Q, with a relatively slow return to its pre-fault operating point. In C2, the GFLI contribution remains moderate: active power peaks just below 200 MW (about 1.0 pu on the converter base), and reactive power excursions remain within roughly ± 95 MVAr before settling close to their pre-fault values (Table 11). This is again consistent with a converter that mainly delivers a prescribed active power at near-unity power factor, while the SG supplies most of the dynamic support.
In C3, the GFMI produces the strongest transient injections. The active-power trace exhibits a short dip of the order of 250 to 300 MW, followed by a peak close to 500 MW (about 2.5 pu on the 200 MVA base). The reactive-power trace shows an inductive surge of about 627 MVAr. These impulses occur during the brief period in which the converter currents are saturated, and the GFMI prioritises voltage restoration at the island PCC. Once the fault is cleared and the islanded system re-stabilises, GFMI power settles back near its pre-fault setpoint; in the final operating point, the SG carries most of the steady-state reactive demand in C1 and C3, whereas in C2 the GFLI shares a higher fraction of Q. The largest surges in P and Q are confined to the 5.0–6.0 s interval around fault clearing and reclosing; beyond approximately 10–15 s, all configurations have returned close to their pre-fault operating points. These power surges are reported as RMS envelopes; EMT simulations are required to assess admissible device-level limits.
Table 11 summarises the main performance indicators at N3. Minimum and maximum sequence voltages and currents are read from the waveforms in Figure 7 and Figure 8, and converter power peaks from Figure 9. Three conclusions follow for this benchmark. First, C3 (SG+GFMI) restores V 1 and damps V 2 fastest, owing to the stiff local voltage reference and the short overcurrent burst. Second, C2 (SG+GFLI) remains close to its RMS current ceiling and contributes only limited dynamic support, even with the weak-grid retuning; thus, voltage recovery is slower than in C3 and only modestly better than in C1. Third, the transient current and power envelopes of the GFMI are significantly higher than those of the GFLI; they are reported here as system-level RMS quantities, while EMT simulations would be required to assess device-level limits.

3.3. Scenario 3: Double-Circuit Islanding with UFLS, Partial Resynchronisation, and Staged Load Restoration

Scenario 3 is evaluated only for configuration C3, where the GFMI provides the local voltage–frequency reference once disconnected from the main grid. Droop settings are fixed at m p = 0.05 and m q = 0.05 , prioritising voltage support after islanding. This implies softer active-power participation from the GFMI than in Scenario 1, where m p = 0.03 was used. Frequency and voltage are monitored at N4, where the UFLS relays act, rather than at the PCC N3.
Figure 10 reports the electrical frequency and positive-sequence voltage at N4. Immediately after double-circuit islanding at t = 5 s, the frequency exhibits a deep nadir of about 0.934 pu (46.7 Hz) around 6–7 s. This reflects the sudden loss of grid support together with the relatively soft m p assigned to the GFMI. In this setting, the SG carries most of the initial active-power mismatch. As the GFMI and SG droop act against the imbalance, frequency overshoots slightly above 1.02 pu and then settles to an islanded value near 1.017 pu. After partial resynchronisation at t = 20 s, the island frequency steps slightly upwards, undergoes a short oscillatory transient, and gradually converges towards the main-grid trajectory, reaching a steady value close to 0.991 pu (49.55 Hz) by the end of the simulation.
In parallel, the positive-sequence voltage V 1 undergoes a sharp depression to roughly 0.3 pu, followed by a fast overshoot that peaks near 1.78 pu shortly after islanding. It then decays towards a slightly elevated level around 1.05–1.07 pu. The initial dip stems from the sudden removal of the upstream grid strength, while the large overshoot reflects the strongly capacitive response of the GFMI under m q = 0.05 , which pushes the island voltage back up once the tie-lines open. Under these conditions, UFLS operates as intended: non-critical feeders NCL2 and NCL1 are disconnected when the local frequency crosses their respective thresholds. After partial resynchronisation and staged load restoration, both frequency and voltage remain within a narrow band around their new steady states.
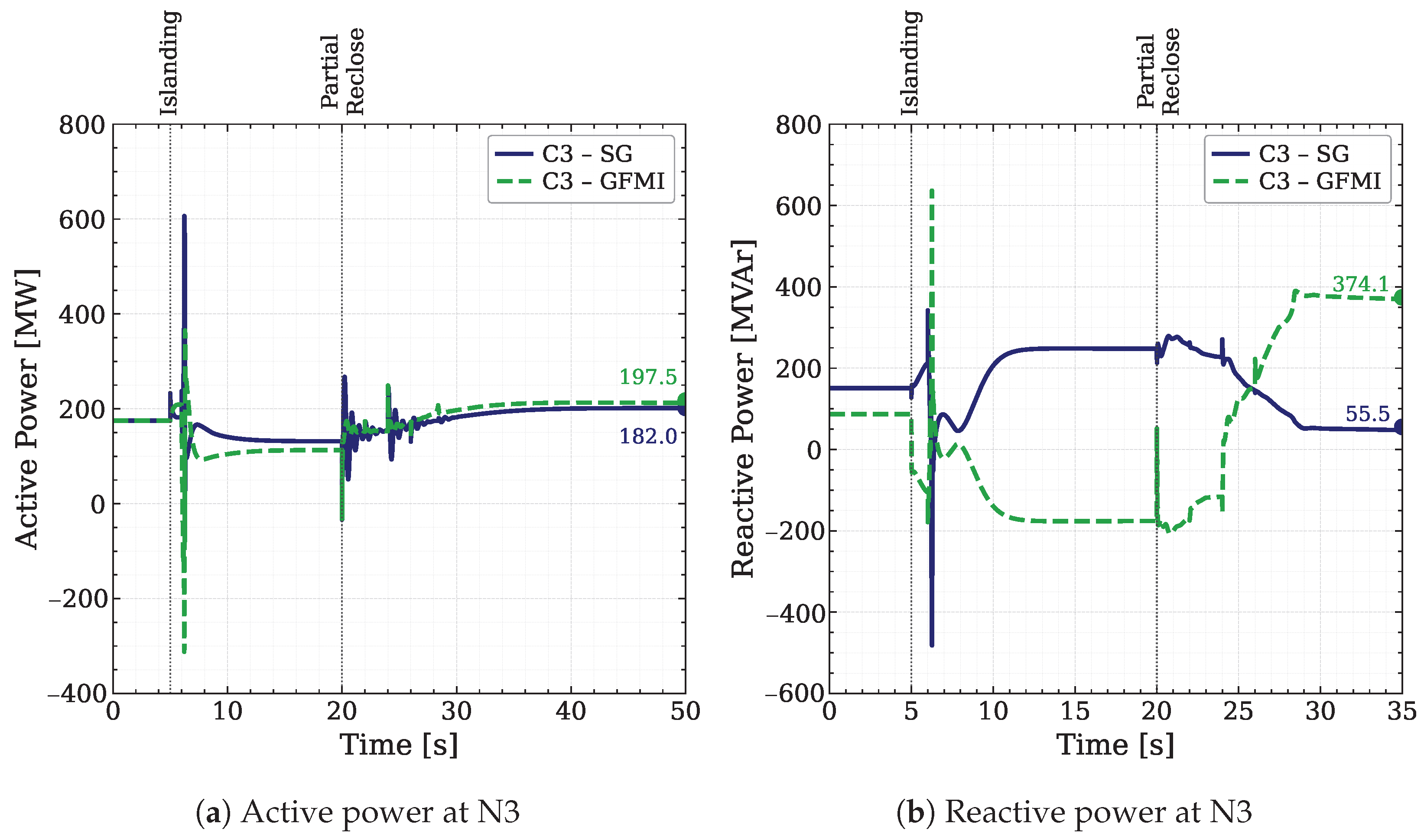
Active and reactive powers at N3 are plotted in Figure 11, clarifying SG–GFMI effort sharing throughout the sequence. Immediately after islanding, the SG provides most of the active-power response, with a peak close to 600 MW, while the GFMI briefly absorbs about 300 to 340 MW before reversing sign and contributing positively. This pattern is consistent with the larger m p adopted in Scenario 3: the converter responds more softly in active power, and the SG governs the initial frequency transient, which helps explain the deep nadir observed at N4 before UFLS acts. As UFLS trips NCL2 and NCL1 and the island settles, both sources gradually converge towards a nearly balanced sharing after reconnection, with the SG supplying about 182 MW and the GFMI around 198 MW at t = 50 s. The sequence suggests that, for the chosen droop settings, the GFMI is used not to maximise frequency containment but to enable feasible islanded operation with UFLS and to support the subsequent reconnection.
In reactive power, the roles are almost reversed. Before the partial resynchronisation, the GFMI operates predominantly capacitive, with Q around 180 MVAr, providing the bulk of the dynamic voltage support at N4. Over the same interval, SG reactive power rises towards 250 MVAr (inductive); thus, both sources jointly stabilise the island voltage. From about 24–30 s onward, once the subsystem is re-coupled and non-critical loads are restored, the GFMI transitions to sustained inductive support of approximately 375 MVAr, while SG reactive output reduces from roughly 250 MVAr down to about 55 MVAr. Short spikes at the islanding and resynchronisation instants (GFMI up to about 630 MVAr, SG down to about 500 MVAr) are brief and low in energy in the RMS sense, occurring in narrow windows around the switching events. From the RMS perspective, these high-magnitude but short-duration excursions are consistent with the adopted modelling assumptions; EMT simulations, including protection relays and converter overcurrent characteristics, would be required to assess compliance with protection and thermal limits.
Per-feeder trajectories at N4, shown in Figure 12, confirm the intended UFLS and restoration sequence. Critical feeders CL1 (200 MW/40 MVAr) and CL2 (50 MW/10 MVAr) remain energised throughout, representing loads that must be maintained even under deep frequency excursions. NCL2 (50 MW/10 MVAr) is shed first when the frequency crosses 49.5 Hz, and NCL1 (100 MW/20 MVAr, ramped to 150/30 MW/MVAr) follows at its lower 49.3 Hz threshold. Active- and reactive-power traces show both feeders dropping to zero shortly after islanding, in agreement with the ANSI device 81 thresholds implemented in Section 2.3.3. After partial resynchronisation at t = 20 s, NCL2 and NCL1 are restored between 22 and 24 s, with NCL2 reconnected first and NCL1 then ramping towards its programmed 150/30 MW/MVAr target. The absence of sustained oscillations during these reconnections is, at the RMS level, consistent with the combined UFLS logic and droop settings providing adequate dynamic margins for staged restoration: each reconnection produces a bounded transient in P, Q, frequency, and voltage, which decays within a few seconds on this benchmark.
The GFMI dq currents at N3 (Figure 13) are consistent with the observed power exchanges and the imposed per-axis limits. The d-axis current i d shows a transient excursion with a minimum close to 2.0 pu and a peak around 1.4 pu during islanding and resynchronisation events, but it settles near 0.9 –1.0 pu during steady operation, in agreement with the post-reconnection active power of about 200 MW on a 200 MVA base. The q-axis current i q mirrors the transition from capacitive support immediately after islanding to predominantly inductive support once the system is re-coupled and non-critical loads are restored: its magnitude remains close to the current limit during the large reactive surges in Figure 11b and settles near + 1.75 pu in steady state, consistent with the 375 MVAr GFMI contribution and the convention Q > 0 inductive. In all cases, the currents remain close to, but not persistently beyond, the per-axis limits | i d | , | i q | 2.0 pu imposed in the RMS model, and the time spent at or near the limiter is confined to short intervals around the switching events.
Table 12 summarises the main indicators for Scenario 3. Frequency nadir, voltage overshoot, steady reactive support, post-reclose dq currents, and feeder sequence are read directly from Figure 10, Figure 11, Figure 12 and Figure 13. On this four-bus RMS benchmark, the results show that a single SG combined with a GFMI can sustain autonomous islanded operation under a deep frequency nadir, execute selective UFLS, and complete partial resynchronisation plus staged restoration, with the GFMI ultimately assuming the dominant role in reactive support once the island is reconnected. As in the previous scenarios, these conclusions are valid at the RMS level; any assessment of device-level stress, protection margins, or detailed power-quality indices would require complementary EMT studies.

4. Conclusions

This work evaluates three generation configurations on a four-bus RMS benchmark under a unified tuning protocol. It provides an incremental but fully documented extension of [42]. The contribution combines a disturbance set that jointly stresses frequency response, sequence voltages, and islanding capability with a simple, transparent tuning procedure for SG and GFMI controls and a set of system-level indicators that can be reused in further comparative studies.
On this benchmark and for the tested parameter ranges, the configuration including grid-forming control achieves the highest frequency nadir under the balanced load step, together with smoother active-power sharing between the synchronous machine and the converter at the calibrated droop. The nadir improvement is modest but consistent with earlier active-power participation from the GFMI within the Scenario 1 calibration criteria, which limited mechanical-power overshoot in the SG and adverse voltage excursions at the PCC.
Under the weak-grid fault and temporary islanding sequence, the same configuration restores the positive-sequence voltage more rapidly and damps negative-sequence components more effectively than the synchronous-only and SG+GFLI alternatives. These improvements are obtained at the expense of higher but short-lived RMS current and power envelopes associated with per-axis current saturation. In the islanded sequence, within the present benchmark setup, only the configuration including a GFMI is observed to sustain service after separation from the main grid, enable selective UFLS of non-critical feeders, complete partial resynchronisation, and support staged load restoration while gradually taking on the dominant share of steady-state reactive support after reclosure.
Taken together, these results suggest that, on this four-bus RMS benchmark, droop-based grid-forming control with per-axis current limiting can provide modest improvements in short-term frequency containment under active-power disturbances, may accelerate sequence-voltage recovery following unbalanced faults, and can enable islanding and restoration sequences that were not realised with the SG-only and SG+GFLI configurations considered here. The observed behaviour is consistent with a comparatively low apparent output impedance that stiffens the PCC voltage and with droop-driven active-power participation that is not constrained by mechanical lags. The per-axis limiting strategy is associated with pronounced but time-bounded reactive surges in the RMS envelopes during fault clearing and reconnection. At the same time, these benefits come with increased transient loading of the converter during the most severe events and depend on the specific droop and current-limit settings adopted in the study, together with the particular weak-grid retuning assumed for the SG+GFLI configuration and the chosen benchmark network.
The conclusions above are restricted to RMS phasor modelling and to a single four-bus network with a specific disturbance script and control parameterisation. Device-level semiconductor stress, detailed protection behaviour, and electromagnetic-transient phenomena lie outside the present framework and cannot be inferred from the reported envelopes. Future work should include EMT or hybrid RMS/EMT validation, application of the same disturbance and indicator set to networks with different strengths and topologies, and robustness or uncertainty analyses on controller and protection settings before drawing generalised statements on grid-forming versus grid-following performance in practical high-IBR systems.

Author Contributions

Conceptualisation, R.V.-R., A.H.-E. and E.G.-L.; methodology, M.G.-H. and R.V.-R.; software, M.G.-H. (PowerFactory 2024 SP5, DIgSILENT GmbH, Gomaringen, Germany); validation, M.G.-H., R.V.-R. and A.H.-E.; formal analysis, M.G.-H.; investigation, M.G.-H.; resources, R.V.-R. and A.H.-E.; data curation, M.G.-H.; writing—original draft preparation, M.G.-H.; writing—review and editing, R.V.-R., A.H.-E. and E.G.-L.; visualisation, R.V.-R., A.H.-E. and E.G.-L.; supervision, R.V.-R., A.H.-E. and E.G.-L.; project administration, E.G.-L.; funding acquisition, E.G.-L. All authors have read and agreed to the published version of the manuscript.

Funding

This research was partially funded by the State Research Agency (“Agencia Estatal de Investigacion”, AEI), by the European Regional Development Fund (“Fondo Europeo de Desarrollo Regional”, FEDER) through project PID2024-157436OB-C21, and by the Regional Government of Castilla-La Mancha (“Junta de Comunidades de Castilla-La Mancha”, JCCM) through project SBPLY/23/180225/000226.

Data Availability Statement

The four-bus RMS benchmark network, line parameters and base DIgSILENT PowerFactory project used in this work correspond to the openly available benchmark of [42]. The original project files and network data can be obtained directly from that publication and its associated online repository. All controller parameters, tuning ranges and disturbance chronologies required to reproduce Scenarios 1–3 from this benchmark are reported in Section 2.1, Section 2.2 and Section 2.3 and in the corresponding tables of the present manuscript. Additional clarifications can be provided by the corresponding author upon reasonable request.

Conflicts of Interest

The authors declare no conflicts of interest.

Abbreviations

The following abbreviations are used in this manuscript:
2LGDouble Line–to–Ground (fault)
ANSIAmerican National Standards Institute
AVRAutomatic Voltage Regulator
COP2828th Conference of the Parties
DDSSODevice–Dependent Sub–Synchronous Oscillations
d–qDirect–Quadrature reference frame
EMTElectromagnetic Transient
ENTSO-EEuropean Network of Transmission System Operators for Electricity
EUEuropean Union
FFRFast–Frequency Response
FRTFault Ride–Through
GFLIGrid–Following Inverter
GFMIGrid–Forming Inverter
GHGGreenhouse Gas
HVDCHigh–Voltage Direct Current
IBRInverter–Based Resource
IECInternational Electrotechnical Commission
IEEEInstitute of Electrical and Electronics Engineers
IEEE G1IEEE type–G1 turbine governor model
PCCPoint of Common Coupling
PLLPhase–Locked Loop
PVPhotovoltaic
RMSRoot–Mean–Square
RoCoFRate of Change of Frequency
SCRShort–Circuit Ratio
SGSynchronous Generator
SSRSub–Synchronous Resonance
STATCOMStatic Synchronous Compensator
UFLSUnder–Frequency Load Shedding
VOCVirtual Oscillator Control
VSMVirtual Synchronous Machine
ZIPConstant Impedance–Current–Power (load model)

References

  1. Allen, M.R.; Dube, O.P.; Solecki, W.; Aragón-Durand, F.; Cramer, W.; Humphreys, S.; Kainuma, M.; Kala, J.; Mahowald, N.; Mulugetta, Y.; et al. Framing and context. In Global Warming of 1.5 °C. An IPCC Special Report; Cambridge University Press: Cambridge, UK, 2018. [Google Scholar] [CrossRef]
  2. Shukla, P.; Skea, J.; Slade, R.; van Diemen, R.; McCollum, D.; Pathak, M.; Some, S.; Vyas, P.; Fradera, R.; Belkacemi, M.; et al. Summary for policymakers. In Climate Change 2022: Mitigation of Climate Change. Contribution of Working Group III to the Sixth Assessment Report of the Intergovernmental Panel on Climate Change; Cambridge University Press: Cambridge, UK, 2022. [Google Scholar] [CrossRef]
  3. International Renewable Energy Agency (IRENA). Renewable Capacity Statistics 2025; Technical Report; IRENA: Abu Dhabi, United Arab Emirates, 2025. [Google Scholar]
  4. Masson, G.; Bosch, E.; Van Rechem, A.; de l’Epine, M. Task 1 Strategic PV Analysis and Outreach. Snapshot of Global PV Markets 2024; Technical Report; IEA PVPS: Paris, France, 2024. [Google Scholar] [CrossRef]
  5. International Energy Agency (IEA). COP28 Tripling Renewable Capacity Pledge: Tracking Countries’ Ambitions and Identifying Policies to Bridge the Gap; Technical Report; IEA: Paris, France, 2024. [Google Scholar]
  6. Gores, S.; Förster, H.; Renders, N. Trends and Projections in Europe 2024. EEA Report 11/2024; Technical Report; European Environment Agency: Copenhagen, Denmark, 2024. [Google Scholar] [CrossRef]
  7. European Commission. EU Climate Action Progress Report 2024; Technical Report; European Commission: Brussels, Belgium, 2024. [Google Scholar]
  8. Rosslowe, C.; Petrovich, B. European Electricity Review 2025; Ember Report; Ember Energy: London, UK, 2025. [Google Scholar]
  9. Aurecon. ARENA Knowledge Sharing: Hornsdale Power Reserve Expansion (HPRX) Market Report; Technical Report; ARENA/Neoen: Paris, France, 2024.
  10. Poolla, B.K.; Groß, D.; Dörfler, F. Placement and Implementation of Grid-Forming and Grid-Following Virtual Inertia and Fast Frequency Response. IEEE Trans. Power Syst. 2019, 34, 3035–3046. [Google Scholar] [CrossRef]
  11. SolarCity. Renewable Energy Integration for Islands; Presentation/Briefing, World Bank/ESMAP Study Tour (Hawaii); Slides; SolarCity: Fremont, CA, USA, 2016; pp. 54–62. [Google Scholar]
  12. Musca, R.; Vasile, A.; Zizzo, G. Grid-forming converters: A critical review of pilot projects and demonstrators. Renew. Sustain. Energy Rev. 2022, 165, 112551. [Google Scholar] [CrossRef]
  13. Rogalla, H.; Struwe, F.; Diaz, M.; Prieto, D.; Schillinger, M.; Bialek, J. Grid-forming converters in interconnected power systems: Requirements, testing aspects, and system impact. IET Renew. Power Gener. 2024; early access. [Google Scholar] [CrossRef]
  14. Ghimire, S.; Guerreiro, G.M.G.; Vatta Kkuni, K.; Guest, E.D.; Jensen, K.H.; Yang, G.; Wang, X. Functional specifications and testing requirements for grid-forming offshore wind power plants. Wind. Energy Sci. 2025, 10, 1–15. [Google Scholar] [CrossRef]
  15. Wang, J.; Ganguly, S.; Thiagarajan, R.; Shirazi, M.; Guruwacharya, N.; Flicker, J.; Kroposki, B. Experimental Characterization Test of a Grid-Forming Inverter for Microgrid Applications. In Proceedings of the 2023 IEEE Energy Conversion Congress and Exposition (ECCE), Nashville, TN, USA, 29 October–2 November 2023; IEEE: Piscataway, NJ, USA, 2023; pp. 978–985, NREL/CP-5D00-85381. [Google Scholar] [CrossRef]
  16. Lasseter, R.H.; Chen, Z.; Pattabiraman, D. Grid-forming inverters: A critical asset for the power grid. IEEE J. Emerg. Sel. Top. Power Electron. 2020, 8, 925–935. [Google Scholar] [CrossRef]
  17. ENTSO-E. High Penetration of Power Electronic Interfaced Power Sources and the Potential Contribution of Grid Forming Converters; Technical Report; ENTSO-E: Brussels, Belgium, 2020. [Google Scholar]
  18. ENTSO-E. Grid Forming Capability of Power Park Modules: First Interim Report on Technical Requirements; Technical Report; ENTSO-E: Brussels, Belgium, 2024. [Google Scholar]
  19. IEEE Std 2800-2022; IEEE Standard for Interconnection and Interoperability of Inverter-Based Resources Interconnecting with Associated Transmission Electric Power Systems; Technical Report. IEEE Standards Association: Piscataway, NJ, USA, 2022. [CrossRef]
  20. Zhou, J.Z.; Ding, H.; Fan, S.; Zhang, Y.; Gole, A.M. Impact of short-circuit ratio and phase-locked-loop parameters on the small-signal behavior of a VSC-HVDC converter. IEEE Trans. Power Deliv. 2014, 29, 2287–2296. [Google Scholar] [CrossRef]
  21. Rosso, R.; Wang, X.; Liserre, M.; Lu, X.; Engelken, S. Grid-Forming Converters: Control Approaches, Grid-Synchronization, and Future Trends—A Review. IEEE Open J. Ind. Appl. 2021, 2, 93–109. [Google Scholar] [CrossRef]
  22. International Electrotechnical Commission. IEC 61000-4-30 Ed.3: Testing and Measurement Techniques—Power Quality Measurement Methods; Technical Report IEC 61000-4-30:2015; IEC: Geneva, Switzerland, 2015. [Google Scholar]
  23. Wen, B.; Boroyevich, D.; Burgos, R.; Mattavelli, P.; Shen, Z. Analysis of D-Q small-signal impedance of grid-tied inverters. IEEE Trans. Power Electron. 2016, 31, 675–687. [Google Scholar] [CrossRef]
  24. Huang, Y.; Wang, D. Effect of Control-Loops Interactions on Power Stability Limits of VSC Integrated to AC System. IEEE Trans. Power Deliv. 2018, 33, 301–310. [Google Scholar] [CrossRef]
  25. Rathnayake, D.B.; Akrami, M.; Phurailatpam, C.; Me, S.P.; Hadavi, S.; Jayasinghe, G.; Zabihi, S.; Bahrani, B. Grid forming inverter modeling, control, and applications. IEEE Access 2021, 9, 114781–114807. [Google Scholar] [CrossRef]
  26. Gu, Y.; Green, T.C. Power System Stability With a High Penetration of Inverter-Based Resources. Proc. IEEE 2023, 111, 832–853. [Google Scholar] [CrossRef]
  27. Baeckeland, N.; Chatterjee, D.; Lu, M.; Johnson, B.; Seo, G. Overcurrent Limiting in Grid-Forming Inverters: A Comprehensive Review and Discussion. IEEE Trans. Power Electron. 2024, 39, 14493–14517. [Google Scholar] [CrossRef]
  28. Zhang, H.; Yu, L.; Zhang, S.; Zhen, L.; Meng, K.; Ferreira, B.; Guerrero, J.M. Power matching based current limitation method for grid forming converter under large disturbances. Int. J. Electr. Power Energy Syst. 2024, 157, 109841. [Google Scholar] [CrossRef]
  29. Lu, M.; Dhople, S.; Johnson, B.B. Virtual Oscillator Grid-Forming Inverters: State of the Art, Modeling, and Stability. IEEE Trans. Power Electron. 2022, 37, 11579–11604. [Google Scholar] [CrossRef]
  30. Tozak, M.; Taskin, S.; Sengor, I.; Hayes, B.P. Modeling and Control of Grid-Forming Converters: A Systematic Review. IEEE Access 2024, 12, 107820–107838. [Google Scholar] [CrossRef]
  31. Pishbahar, H.; Blaabjerg, F.; Saboori, H. Emerging grid-forming power converters for renewable energy and storage resources integration—A review. Sustain. Energy Technol. Assess. 2023, 60, 103538. [Google Scholar] [CrossRef]
  32. Kundur, P.; Paserba, J.; Ajjarapu, V.; Andersson, G.; Bose, A.; Cañizares, C.; Hatziargyriou, N.; Hill, D.; Stankovic, A.; Taylor, C.; et al. Definition and classification of power system stability. IEEE Trans. Power Syst. 2004, 19, 1387–1401. [Google Scholar] [CrossRef]
  33. Hatziargyriou, N.; Milanovic, J.; Rahmann, C.; Ajjarapu, V.; Cañizares, C.; Erlich, I.; Hill, D.; Hiskens, I.; Kamwa, I.; Pal, B.; et al. Definition and classification of power system stability—Revisited & extended. IEEE Trans. Power Syst. 2021, 36, 3271–3281. [Google Scholar] [CrossRef]
  34. Mohammadi, F.; Azizi, N.; Moradi CheshmehBeigi, H.; Rouzbehi, K. Stability and control of VSC-based HVDC systems: A systematic review. E-Prime—Adv. Electr. Eng. Electron. Energy 2024, 8, 100503. [Google Scholar] [CrossRef]
  35. Gibbard, M.J.; Pourbeik, P.; Vowles, D.J. Small-Signal Stability, Control and Dynamic Performance of Power Systems; University of Adelaide Press: Adelaide, Australia, 2015; p. 658. [Google Scholar] [CrossRef]
  36. Cepollini, P.; D’Agostino, F. Impedance-based stability analysis of MW-sized inverter-based resources connected to weak grids considering phase delay compensation. Sustain. Energy Grids Netw. 2025, 44, 101961. [Google Scholar] [CrossRef]
  37. Tina, G.M.; Maione, G.; Stefanelli, D. The Impact of Grid-Forming vs. Grid-Following Converters on Frequency Regulation: Comparing Centralised or Distributed Photovoltaic Generation. Energies 2024, 17, 5827. [Google Scholar] [CrossRef]
  38. Döhler, J.S.; Mota, R.P.; Archetti, J.A.G.; Silva Junior, D.C.; Boström, C.; Oliveira, J.G. An application of four-wire grid-forming power inverter in unbalanced distribution network. IET Gener. Transm. Distrib. 2023, 17, 324–336. [Google Scholar] [CrossRef]
  39. Gurugubelli, V.; Ghosh, A.; Panda, A.K. Design and implementation of optimized virtual oscillatory controllers for grid-forming inverters. ISA Trans. 2023, 139, 685–712. [Google Scholar] [CrossRef]
  40. Lin, T.; Das, M.; Gole, A. Adaptive fault ride through control of VSM Grid-forming converters. Electr. Power Syst. Res. 2023, 223, 109606. [Google Scholar] [CrossRef]
  41. Zhang, H.; Ma, J.; Li, X. Dynamic Current-Limitation Strategy of Grid-Forming Inverters Based on SR Latches. Electronics 2024, 13, 3432. [Google Scholar] [CrossRef]
  42. Wu, Y.; Verbič, G.; Ahmadyar, A.S. Modelling of grid-forming inverters for power system applications in DIgSILENT PowerFactory. In Proceedings of the 2021 IEEE PES Innovative Smart Grid Technologies—Asia (ISGT Asia), Espoo, Finland, 18–21 October 2021. [Google Scholar] [CrossRef]
  43. IEEE Std 421.5-2016; IEEE Recommended Practice for Excitation System Models for Power System Stability Studies; Technical Report. IEEE Standards Association: Piscataway, NJ, USA, 2016. [CrossRef]
Figure 1. Four-bus RMS benchmark network implemented in DIgSILENT PowerFactory.
Figure 1. Four-bus RMS benchmark network implemented in DIgSILENT PowerFactory.
Electronics 14 04871 g001
Figure 2. Scenario 1 (configuration C3): Effect of SG governor gain k on the +100 MW load-step response at N3. (a) Electrical frequency at N3 (pu on the 50 Hz base). (b) SG mechanical power (pu on machine base). (c) SG electrical power (pu on machine base). Increasing k slightly improves the frequency nadir but mainly increases mechanical and electrical power overshoot.
Figure 2. Scenario 1 (configuration C3): Effect of SG governor gain k on the +100 MW load-step response at N3. (a) Electrical frequency at N3 (pu on the 50 Hz base). (b) SG mechanical power (pu on machine base). (c) SG electrical power (pu on machine base). Increasing k slightly improves the frequency nadir but mainly increases mechanical and electrical power overshoot.
Electronics 14 04871 g002
Figure 3. Scenario 1 (configuration C3): Effect of SG AVR gain K a on the +100 MW load-step response at N3. (a) Positive-sequence voltage V 1 at N3 (pu on nominal 380 kV). (b) Electrical frequency at N3 (pu on the 50 Hz base). (c) SG reactive power at N3 (MVAr). Higher K a reduces the V 1 dip and accelerates recovery while leaving frequency almost unchanged; SG reactive-power oscillations remain moderate.
Figure 3. Scenario 1 (configuration C3): Effect of SG AVR gain K a on the +100 MW load-step response at N3. (a) Positive-sequence voltage V 1 at N3 (pu on nominal 380 kV). (b) Electrical frequency at N3 (pu on the 50 Hz base). (c) SG reactive power at N3 (MVAr). Higher K a reduces the V 1 dip and accelerates recovery while leaving frequency almost unchanged; SG reactive-power oscillations remain moderate.
Electronics 14 04871 g003
Figure 4. Scenario 1 (configuration C3): Effect of GFMI active-power droop m p on the +100 MW load-step response at N3. (a) Electrical frequency at N3 (pu on the 50 Hz base). (b) GFMI active power (MW; 200 MVA base). (c) SG active power (MW). Smaller m p values increase GFMI active-power injection and raise the frequency nadir, at the cost of higher converter loading.
Figure 4. Scenario 1 (configuration C3): Effect of GFMI active-power droop m p on the +100 MW load-step response at N3. (a) Electrical frequency at N3 (pu on the 50 Hz base). (b) GFMI active power (MW; 200 MVA base). (c) SG active power (MW). Smaller m p values increase GFMI active-power injection and raise the frequency nadir, at the cost of higher converter loading.
Electronics 14 04871 g004
Figure 5. Scenario 1: Cross-configuration comparison at N3 under the +100 MW load step, with calibrated parameters k = 12.5 , K a = 90 , and m p = 0.03 in C3. (a) Electrical frequency at N3 (pu on the 50 Hz base). (b) Positive-sequence voltage V 1 at N3 (pu on nominal 380 kV). Markers indicate frequency nadirs and minimum and steady-state values of V 1 .
Figure 5. Scenario 1: Cross-configuration comparison at N3 under the +100 MW load step, with calibrated parameters k = 12.5 , K a = 90 , and m p = 0.03 in C3. (a) Electrical frequency at N3 (pu on the 50 Hz base). (b) Positive-sequence voltage V 1 at N3 (pu on nominal 380 kV). Markers indicate frequency nadirs and minimum and steady-state values of V 1 .
Electronics 14 04871 g005
Figure 6. Scenario 1: Active and reactive power at N3 for configurations C1–C3 under the +100 MW load step. (a) Active power at N3 (MW), showing SG and converter contributions. (b) Reactive power at N3 (MVAr). In C1, the SG supplies almost all active and reactive power, in C2, the GFLI remains close to its fixed PQ target, and in C3, the GFMI participates in both active and reactive support.
Figure 6. Scenario 1: Active and reactive power at N3 for configurations C1–C3 under the +100 MW load step. (a) Active power at N3 (MW), showing SG and converter contributions. (b) Reactive power at N3 (MVAr). In C1, the SG supplies almost all active and reactive power, in C2, the GFLI remains close to its fixed PQ target, and in C3, the GFMI participates in both active and reactive support.
Electronics 14 04871 g006
Figure 7. Scenario 2: Sequence voltages at N3 under the weak-grid 2LG fault, islanding, and auto-reclose sequence. (a) Positive-sequence voltage V 1 at N3 (pu on nominal 380 kV). (b) Negative-sequence voltage V 2 at N3 (pu on nominal 380 kV). Vertical lines mark fault inception, clearing, islanding, and reclose.
Figure 7. Scenario 2: Sequence voltages at N3 under the weak-grid 2LG fault, islanding, and auto-reclose sequence. (a) Positive-sequence voltage V 1 at N3 (pu on nominal 380 kV). (b) Negative-sequence voltage V 2 at N3 (pu on nominal 380 kV). Vertical lines mark fault inception, clearing, islanding, and reclose.
Electronics 14 04871 g007
Figure 8. Scenario 2: Converter currents at N3 for configurations C2 (SG+GFLI) and C3 (SG+GFMI). (a) Positive-sequence RMS envelope I 1 (pu). (b) d-axis currents ( i d and i d ref ) in converter coordinates (pu). (c) q-axis currents ( i q and i q ref ) in converter coordinates (pu). Vertical lines mark fault inception, clearing, islanding, and reclosing; horizontal levels indicate the imposed per-axis current limits in the RMS model.
Figure 8. Scenario 2: Converter currents at N3 for configurations C2 (SG+GFLI) and C3 (SG+GFMI). (a) Positive-sequence RMS envelope I 1 (pu). (b) d-axis currents ( i d and i d ref ) in converter coordinates (pu). (c) q-axis currents ( i q and i q ref ) in converter coordinates (pu). Vertical lines mark fault inception, clearing, islanding, and reclosing; horizontal levels indicate the imposed per-axis current limits in the RMS model.
Electronics 14 04871 g008
Figure 9. Scenario 2: Active and reactive power at N3 under the weak-grid 2LG fault, islanding, and auto-reclose sequence. (a) Active power at N3 (MW), with SG and converter contributions. (b) Reactive power at N3 (MVAr). (c) Zoomed view of active power. (d) Zoomed view of reactive power. Markers at t = 20 s indicate post-fault steady-state values.
Figure 9. Scenario 2: Active and reactive power at N3 under the weak-grid 2LG fault, islanding, and auto-reclose sequence. (a) Active power at N3 (MW), with SG and converter contributions. (b) Reactive power at N3 (MVAr). (c) Zoomed view of active power. (d) Zoomed view of reactive power. Markers at t = 20 s indicate post-fault steady-state values.
Electronics 14 04871 g009aElectronics 14 04871 g009b
Figure 10. Scenario 3 (configuration C3, SG+GFMI): Frequency and positive-sequence voltage at N4 during double-circuit islanding, UFLS, partial resynchronisation, and staged restoration. (a) Electrical frequency at N4 (pu on the 50 Hz base). (b) Positive-sequence voltage V 1 at N4 (pu). Vertical lines mark islanding and partial reclose.
Figure 10. Scenario 3 (configuration C3, SG+GFMI): Frequency and positive-sequence voltage at N4 during double-circuit islanding, UFLS, partial resynchronisation, and staged restoration. (a) Electrical frequency at N4 (pu on the 50 Hz base). (b) Positive-sequence voltage V 1 at N4 (pu). Vertical lines mark islanding and partial reclose.
Electronics 14 04871 g010
Figure 11. Scenario 3 (configuration C3): SG and GFMI powers at N3 under islanding, UFLS, partial resynchronisation, and staged restoration. (a) Active power at N3 (MW). (b) Reactive power at N3 (MVAr). Circular markers at t = 50 s indicate post-reconnection values used in Table 12.
Figure 11. Scenario 3 (configuration C3): SG and GFMI powers at N3 under islanding, UFLS, partial resynchronisation, and staged restoration. (a) Active power at N3 (MW). (b) Reactive power at N3 (MVAr). Circular markers at t = 50 s indicate post-reconnection values used in Table 12.
Electronics 14 04871 g011
Figure 12. Scenario 3 (configuration C3): Feeder powers at N4 showing UFLS action and staged restoration of non-critical feeders NCL2 and NCL1. (a) Active power per feeder at N4 (MW). (b) Reactive power per feeder at N4 (MVAr). Vertical lines mark islanding and partial reclose.
Figure 12. Scenario 3 (configuration C3): Feeder powers at N4 showing UFLS action and staged restoration of non-critical feeders NCL2 and NCL1. (a) Active power per feeder at N4 (MW). (b) Reactive power per feeder at N4 (MVAr). Vertical lines mark islanding and partial reclose.
Electronics 14 04871 g012
Figure 13. Scenario 3 (configuration C3): GFMI dq currents at N3 under islanding, UFLS, partial resynchronisation, and staged restoration. (a) d-axis current i d (pu). (b) q-axis current i q (pu). Horizontal lines indicate the per-axis current limits used in the RMS model.
Figure 13. Scenario 3 (configuration C3): GFMI dq currents at N3 under islanding, UFLS, partial resynchronisation, and staged restoration. (a) d-axis current i d (pu). (b) q-axis current i q (pu). Horizontal lines indicate the per-axis current limits used in the RMS model.
Electronics 14 04871 g013
Table 1. Global element data at the pre-event operating point.
Table 1. Global element data at the pre-event operating point.
ElementS (MVA) P / Q (MW/MVAr)
Gen-Slack (N1)1000800/0
SG (C1)500350/0
SG (C2,C3)250175/0
GFLI/GFMI (C2,C3)200175/0
Load N4408400/80
Values reflect the pre-event operating point: the slack dispatch (800 MW) balances local generation, demand, and network losses; the N4 apparent power (408 MVA) follows | S | = 400 2 + 80 2 .
Table 2. Bus data: Nominal voltages and reporting bands.
Table 2. Bus data: Nominal voltages and reporting bands.
BusNominal Voltage (kV)Reporting Band (pu)
N13800.00–1.10
N2200.00–1.10
N33800.00–1.05
N4150.00–1.10
Table 3. Transformer data: Ratings and impedances.
Table 3. Transformer data: Ratings and impedances.
TransformerRating (MVA; kV)Impedance/Vector Group
N2–N3500; 380/20 u k = 8 % , u k 0 = 3 % ; YNyn0
N3–N42000; 380/15 u k = 8 % , u k 0 = 3 % ; YNyn0
Table 4. Scenario 1: Chronology of events.
Table 4. Scenario 1: Chronology of events.
Time (s)EventDetails
0.0Initial steady stateLoad flow at 400/80 MW/MVAr (N4)
5.0Load step at N3+100 MW, 0 MVAr
5.0–8.0System responseFrequency, voltage, and power sharing recorded
50.0End of simulationRMS settling verified
Table 5. Scenario 1: Parameter sweeps for calibration.
Table 5. Scenario 1: Parameter sweeps for calibration.
ParameterRangePrimary Effect
Governor gain k7.5–20Frequency nadir and damping
AVR gain K a 30–200Voltage recovery vs. oscillations
GFMI droop m p 0.01–0.06Active-power sharing and frequency support
Table 6. Scenario 2: Grid strength at N3 (converter base S conv = 200 MVA).
Table 6. Scenario 2: Grid strength at N3 (converter base S conv = 200 MVA).
Tie-Line Status S sc (MVA)SCR
Both circuits in service3326.1116.62
Single circuit in service2556.2112.78
Table 7. Scenario 2: Chronology of events.
Table 7. Scenario 2: Chronology of events.
Time (s)EventDetails
0.0One tie-line openSCR reduced to 12.8
5.02LG fault appliedPhases B,C; R f = X f = 1   Ω at N3
5.5Fault clearedSystem transient response
5.7IslandingRemaining line opened
6.0Auto-recloseReconnection attempt at N3
20.0End of observationRecovery verified
Table 8. GFLI controller parameters in Scenario 1 and Scenario 2.
Table 8. GFLI controller parameters in Scenario 1 and Scenario 2.
Block/ParameterScenario 1Scenario 2
PLL K p / K i 50/320/1
Slow PLL K p / K i 1/0.11/0.1
Active-power time constant T P (s)0.0020.02
Active-power ramp (% s 1 )500100
Outer Q loop time constant T Q (s)0.050.02
Inner integrators T d / T q (s)0.002/0.0020.001/0.001
Table 9. Scenario 3: Chronology of events.
Table 9. Scenario 3: Chronology of events.
Time (s)EventDetails
5.0Double-circuit islandingBoth N1–N3 lines opened
6.0–8.0NCL1 ramp100/20 → 150/30 MW/MVAr
6.0–9.0UFLSANSI 81 thresholds applied to
non-critical feeders
20.0Partial recloseOne N1–N3 line reclosed
22.0–24.0Load restorationNCL2 then NCL1 reconnected
26.0Full recloseSecond N1–N3 line reclosed
50.0End of simulationPost-reconnection steady-state values at N3 and N4 recorded
Table 10. Scenario 1: Metrics at N3 (cross-configuration comparison; 50 Hz base).
Table 10. Scenario 1: Metrics at N3 (cross-configuration comparison; 50 Hz base).
MetricC1: SGC2: SG+GFLIC3: SG+GFMI
Frequency nadir (pu; Hz)0.9938; 49.690.9944; 49.720.9949; 49.75
Minimum V 1 over simulation (pu)1.02850.99491.0142
Steady-state V 1 at t = 50  s (pu)1.03080.99491.0142
Steady-state SG active power (MW)384.1188.5187.6
Steady-state SG reactive power (MVAr)230.7103.5107.4
Steady-state converter reactive power (MVAr)0.050.1
Table 11. Scenario 2: Selected indicators at N3 (RMS quantities; 50 Hz base).
Table 11. Scenario 2: Selected indicators at N3 (RMS quantities; 50 Hz base).
MetricC1 (SG)C2 (SG+GFLI)C3 (SG+GFMI)
Minimum V 1 during fault (pu)0.00990.12620.0164
Maximum V 2 during fault (pu)0.25290.26120.2748
Qualitative V 1 recovery time *Slow, oscillatoryIntermediateFast, well-damped
Peak I 1 envelope (pu)1.262.24
Converter power peaks (MW/MVAr)197.66/93.32501.51/627.44
* Estimated from the time taken for V 1 to return close to 1.0 pu after fault clearing.
Table 12. Scenario 3: Selected indicators at N3 and N4 (configuration C3; 50 Hz base).
Table 12. Scenario 3: Selected indicators at N3 and N4 (configuration C3; 50 Hz base).
MetricC3 (SG+GFMI)
Frequency nadir at N4 (pu; Hz)0.934; 46.7
Maximum V 1 overshoot at N4 (pu)1.78
UFLS sequenceNCL2 trip (6.2 s), then NCL1 trip (7.5 s)
Post-reconnection active power of SG at N3 (MW)182.0
Post-reconnection active power of GFMI at N3 (MW)197.5
Post-reconnection reactive power of SG at N3 (MVAr)55.5
Post-reconnection reactive power of GFMI at N3 (MVAr)374.1
Post-reclose GFMI d-axis current (pu)0.93
Post-reclose GFMI q-axis current (pu)1.75
Feeder restoration sequenceNCL2 then NCL1 reconnected, with NCL1 ramp to 150/30 MW/MVAr
Disclaimer/Publisher’s Note: The statements, opinions and data contained in all publications are solely those of the individual author(s) and contributor(s) and not of MDPI and/or the editor(s). MDPI and/or the editor(s) disclaim responsibility for any injury to people or property resulting from any ideas, methods, instructions or products referred to in the content.

Share and Cite

MDPI and ACS Style

García-Hoyos, M.; Villena-Ruiz, R.; Honrubia-Escribano, A.; Gómez-Lázaro, E. Stability Analysis of Electricity Grids with High Renewable Penetration Using a Grid-Forming Approach. Electronics 2025, 14, 4871. https://doi.org/10.3390/electronics14244871

AMA Style

García-Hoyos M, Villena-Ruiz R, Honrubia-Escribano A, Gómez-Lázaro E. Stability Analysis of Electricity Grids with High Renewable Penetration Using a Grid-Forming Approach. Electronics. 2025; 14(24):4871. https://doi.org/10.3390/electronics14244871

Chicago/Turabian Style

García-Hoyos, María, Raquel Villena-Ruiz, Andrés Honrubia-Escribano, and Emilio Gómez-Lázaro. 2025. "Stability Analysis of Electricity Grids with High Renewable Penetration Using a Grid-Forming Approach" Electronics 14, no. 24: 4871. https://doi.org/10.3390/electronics14244871

APA Style

García-Hoyos, M., Villena-Ruiz, R., Honrubia-Escribano, A., & Gómez-Lázaro, E. (2025). Stability Analysis of Electricity Grids with High Renewable Penetration Using a Grid-Forming Approach. Electronics, 14(24), 4871. https://doi.org/10.3390/electronics14244871

Note that from the first issue of 2016, this journal uses article numbers instead of page numbers. See further details here.

Article Metrics

Back to TopTop