Industrial-Scale Renewable Hydrogen Production System: A Comprehensive Review of Power Electronics Converters and Electrical Energy Storage
Abstract
1. Introduction
2. Power Electronic Converters in Hydrogen Production Systems
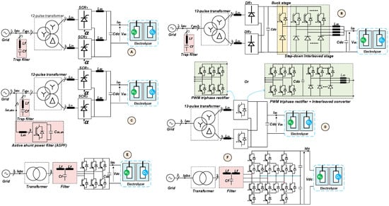
2.1. Overview of AC/DC Converters Supplying Electrolyzers

2.2. DC/DC Converters for Power Fuel Cell (FC) Power Supply
2.3. DC/DC Converters for Battery Power Supply
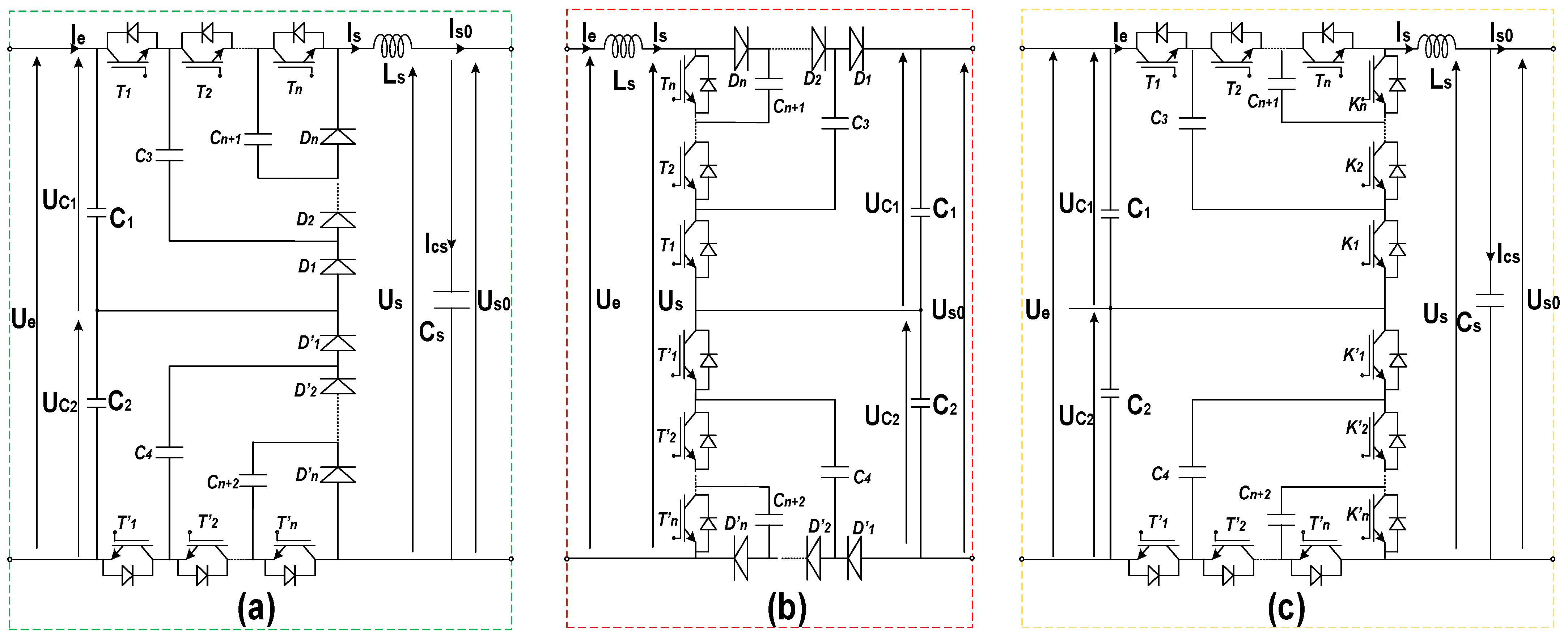
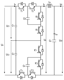
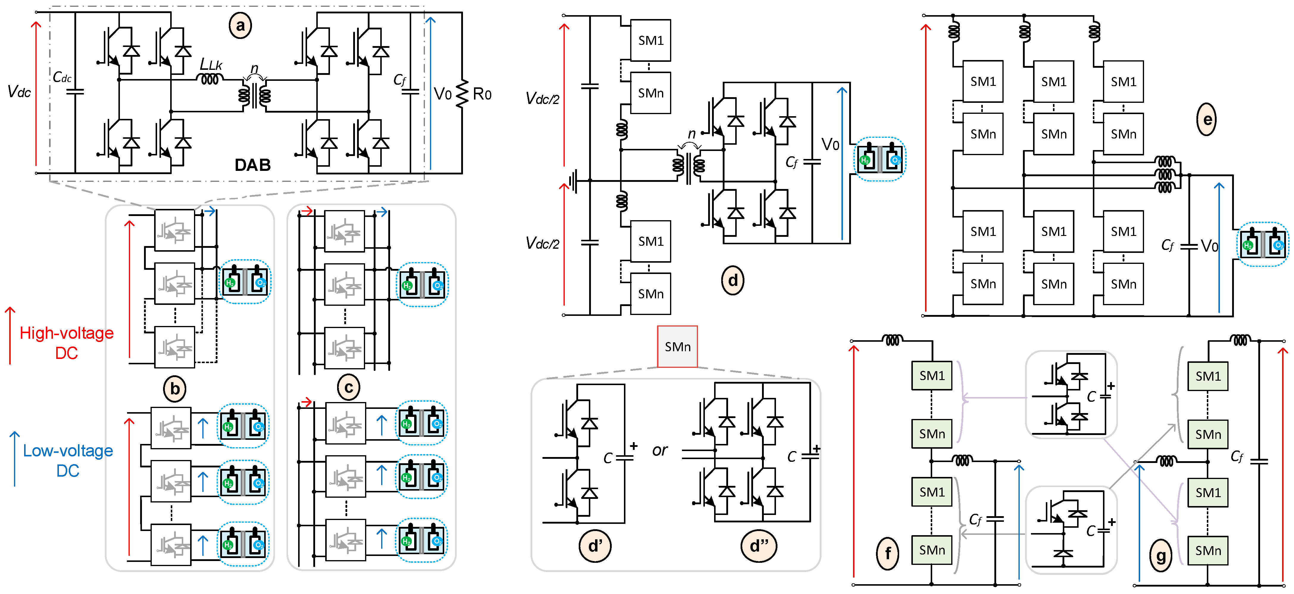
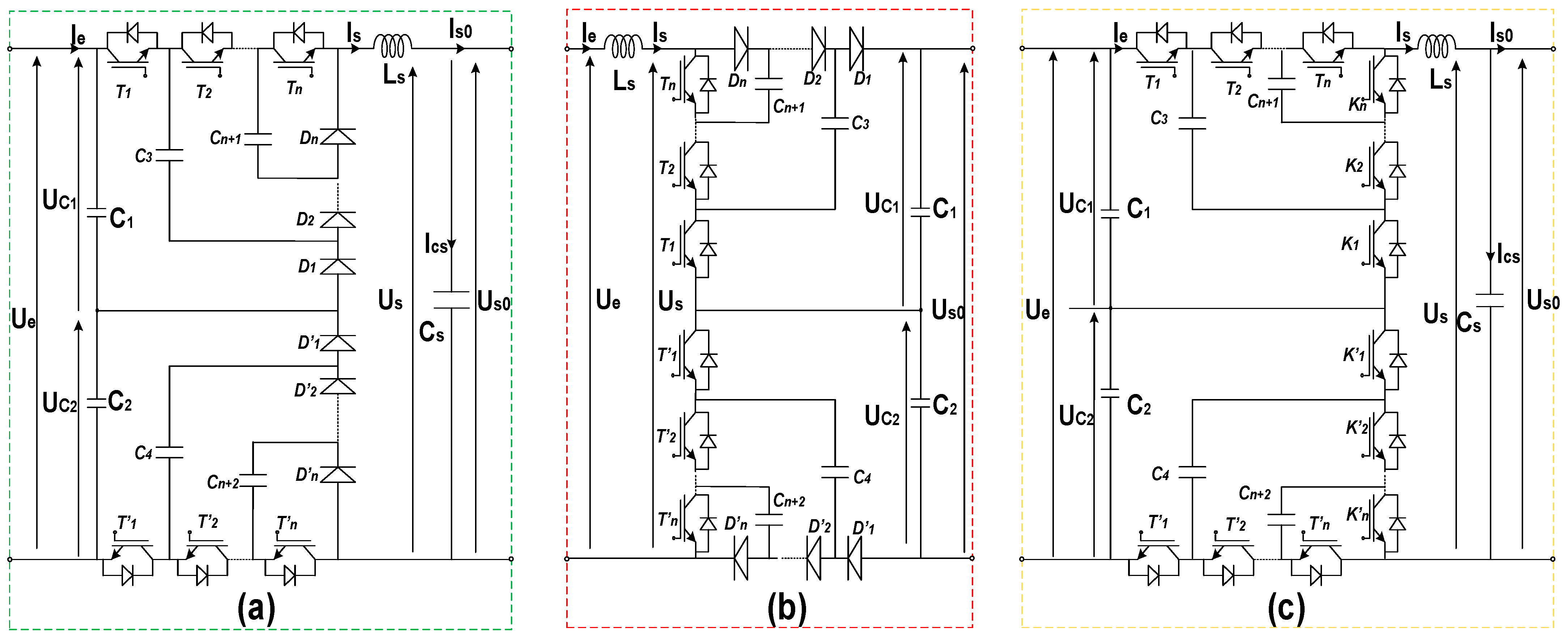
2.4. Other Multilevel DC/DC Converters for Supplying Electrolyzers, Fuel Cells, and Batteries in a Hydrogen Production System
| Two-Level DC/DC  Converter [26]  | Three-Level DC/DC  Converter [41]  | Five-Level DC/DC  Converter [38,39,40]  | 
|---|---|---|
![]()  | ![]()  | ![]()  | 
2.5. DC/AC Converter for FC or Battery Power Supply Based on AC Architecture
2.6. Comparative Study of DC–Bus and AC–Bus Architectures of Hydrogen Production Systems
2.7. Key Considerations for Implementing Efficient Power Converters for Large-Scale Hydrogen Production System
3. Electrical Energy Storage Systems for Stability and Reliability
3.1. Behavioral Aging LFP Battery
3.2. Various Projects on the Successful Integration of Energy Storage in Large-Scale Electrical System, Including Current Projects
4. Future Prospects and Technological Advancements in Power Electronics and Battery Energy Storage
4.1. Exploration of Emerging Semiconductor Materials Technologies for Power Switch Converters
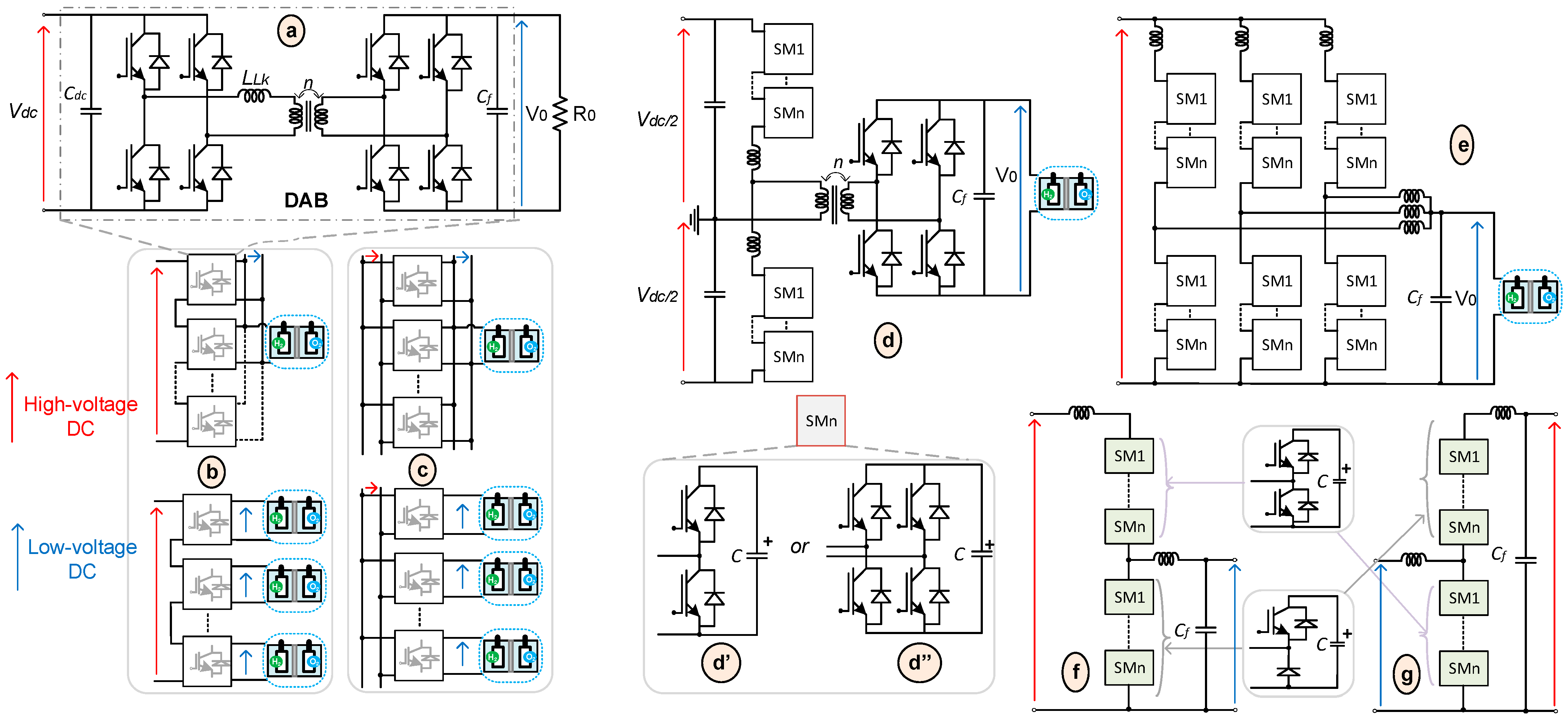
4.2. Emerging Power Converter Topology for Supplying High-Power Electrolyzers from Renewable Energy Sources
4.3. Battery Perspectives for Large-Scale Stationary System
5. Discussion
- Power switches using advanced technologies such as current silicon carbide (SiC) and gallium nitride (GaN) technologies offer significant advantages. These technologies can drastically reduce the size of converters due to their superior voltage and current characteristics. For instance, recent SiC MOSFETs and IGBTs have rated voltages exceeding 10 kV and current capabilities ranging from a few amperes to several kiloamperes. Moreover, these switches provide higher efficiency than silicon (Si)-based switches, making them a promising area for further scientific and technical investigations.
 - There is a pressing need for the development of new converter topologies that are specifically adapted to the DC–bus architecture for high-power electrolyzer supply. These architectures, which are easier and simpler to implement, offer different energy management flexibility and are crucial for the future of large-scale electrolysis operations. Importantly, they require fewer converters connecting to other system components and marine renewable energy sources, making them a potential viable option for future systems.
 - Efficient energy management within converters is a critical area for further scientific and technical investigations. To minimize the degradation of industrial-scale electrolyzers, fuel cells, and batteries, it is essential to develop efficient energy management techniques. This requires the development of new and accurate aging models for electrolyzers, fuel cells, and batteries that are adapted to specific operational conditions. More collaboration between researchers and industry professionals is also necessary to develop reliable and accurate models based on real operational data, integrating Artificial Intelligence (AI), Digital Twins (DTs), and Internet of Things (IoT) technologies.
 
6. Conclusions
Author Contributions
Funding
Data Availability Statement
Acknowledgments
Conflicts of Interest
Abbreviations
| DC | Direct Current | 
| AC | Alternating Current | 
| HVDC | High-Voltage Direct Current | 
| MVDC | Medium-Voltage Direct Current | 
| MMC | Modular Multilevel Converter | 
| DAB | Dual Active Bridge | 
| SDGs | Sustainable Development Goals | 
| FCs | Fuel Cells | 
| MREs | Marine Renewable Sources | 
| LFP | Lithium Iron Phosphate | 
| GSSAM | Generalized State Space Average Model | 
| PtH | Power to Hydrogen | 
| NIBDCs | Non-Isolated Bidirectional Converters | 
| IBDCs | Isolated Bidirectional Converters | 
| AFE | Active Front End | 
| CHB | Cascaded H-Bridge | 
| NPC | Neutral-Point-Clamped | 
| ANPC | Active-Neutral-Point-Clamped | 
| Lithium Cobalt Oxide | |
| Lithium Nickel Cobalt Aluminum Oxide | |
| Lithium Nickel Manganese Cobalt Oxide | |
| Lithium Manganese Oxide | |
| Lithium Titanate Oxide | |
| ECMs | Equivalent Circuit Models | 
| SoC | State of Charge | 
| DoD | Depth of Discharge | 
| OCV | Open-Circuit Voltage | 
| SoH | State of Health | 
| EMHPP | Enhanced Multiple Hybrid Pulsed Power Characterization | 
| KF | Kalman Filter | 
| EKF | Extended Kalman Filter | 
| SVM | Support Vector Regression | 
| RESs | Renewable Energy Sources | 
| ESRbat(I,T,SoC) | Variable Internal Resistance of LFP Batteries [Ω] | 
| Variable Open-Circuit Voltage [V] | |
| Parallel resistance of the LFP battery model corresponding, respectively, to short-term and long-term phenomena [Ω] | |
| Parallel capacitances in the LFP battery model, associated with short-term and long-term dynamic phenomena [F] | 
References
- Energy Institute. Statistical Review of World Energy. Available online: https://www.energyinst.org/statistical-review (accessed on 12 September 2024).
 - Strelkovskii, N.; Komendantova, N. Integration of UN Sustainable Development Goals in National Hydrogen Strategies: A Text Analysis Approach. Int. J. Hydrogen Energy 2025, 102, 1282–1294. [Google Scholar] [CrossRef]
 - Carlsen, L.; Bruggemann, R. The 17 United Nations’ Sustainable Development Goals: A Status by 2020. Int. J. Sustain. Dev. World Ecol. 2022, 29, 219–229. [Google Scholar] [CrossRef]
 - Sikora, A. European Green Deal–Legal and Financial Challenges of the Climate Change. In Proceedings of the Era Forum, Brussels, Belgium, 17 September 2021; Springer: Berlin/Heidelberg, Germany, 2021; Volume 21, pp. 681–697. [Google Scholar]
 - Mazloomi, K.; Gomes, C. Hydrogen as an Energy Carrier: Prospects and Challenges. Renew. Sustain. Energy Rev. 2012, 16, 3024–3033. [Google Scholar] [CrossRef]
 - Rosen, M.A.; Koohi-Fayegh, S. The Prospects for Hydrogen as an Energy Carrier: An Overview of Hydrogen Energy and Hydrogen Energy Systems. Energy Ecol. Environ. 2016, 1, 10–29. [Google Scholar] [CrossRef]
 - Ngando Ebba, J.D.; Camara, M.B.; Doumbia, M.L.; Dakyo, B.; Song-Manguelle, J. Large-Scale Hydrogen Production Systems Using Marine Renewable Energies: State-of-the-Art. Energies 2023, 17, 130. [Google Scholar] [CrossRef]
 - Higuita Cano, M.; Agbossou, K.; Kelouwani, S.; Dubé, Y. Experimental Evaluation of a Power Management System for a Hybrid Renewable Energy System with Hydrogen Production. Renew. Energy 2017, 113, 1086–1098. [Google Scholar] [CrossRef]
 - Chaoui, H.; Kandidayeni, M.; Boulon, L.; Kelouwani, S.; Gualous, H. Real-Time Parameter Estimation of a Fuel Cell for Remaining Useful Life Assessment. IEEE Trans. Power Electron. 2020, 36, 7470–7479. [Google Scholar] [CrossRef]
 - Jouin, M.; Gouriveau, R.; Hissel, D.; Péra, M.-C.; Zerhouni, N. Joint Particle Filters Prognostics for Proton Exchange Membrane Fuel Cell Power Prediction at Constant Current Solicitation. IEEE Trans. Reliab. 2016, 65, 336–349. [Google Scholar] [CrossRef]
 - Guilbert, D.; Yodwong, B.; Kaewmanee, W.; Phattanasak, M. Power Converters for Hybrid Renewable Energy Systems with Hydrogen Buffer Storage: A Short Review. In Proceedings of the 2018 International Conference on Smart Grid (icSmartGrid), Nagasaki, Japan, 4–6 December 2018; IEEE: New York, NY, USA, 2018; pp. 28–33. [Google Scholar]
 - Yodwong, B.; Guilbert, D.; Phattanasak, M.; Kaewmanee, W.; Hinaje, M.; Vitale, G. AC-DC Converters for Electrolyzer Applications: State of the Art and Future Challenges. Electronics 2020, 9, 912. [Google Scholar] [CrossRef]
 - Yodwong, B.; Guilbert, D.; Phattanasak, M.; Kaewmanee, W.; Hinaje, M.; Vitale, G. Proton Exchange Membrane Electrolyzer Modeling for Power Electronics Control: A Short Review. C 2020, 6, 29. [Google Scholar] [CrossRef]
 - Azer, P.; Emadi, A. Generalized State Space Average Model for Multi-Phase Interleaved Buck, Boost and Buck-Boost DC-DC Converters: Transient, Steady-State and Switching Dynamics. IEEE Access 2020, 8, 77735–77745. [Google Scholar] [CrossRef]
 - Chen, M.; Chou, S.-F.; Blaabjerg, F.; Davari, P. Overview of Power Electronic Converter Topologies Enabling Large-Scale Hydrogen Production via Water Electrolysis. Appl. Sci. 2022, 12, 1906. [Google Scholar] [CrossRef]
 - Lin, Y.; Fu, L. A Study for a Hybrid Wind-Solar-Battery System for Hydrogen Production in an Islanded MVDC Network. IEEE Access 2022, 10, 85355–85367. [Google Scholar] [CrossRef]
 - Bahrami, M.; Jamshidpour, E.; Bayati, N.; Pierfederici, S. Exploring Power Electronics Converters for Water Electrolysis in Microgrid Applications: A Comprehensive Overview. In Proceedings of the 2023 IEEE Transportation Electrification Conference and Expo, Asia-Pacific (ITEC Asia-Pacific), Chiang Mai, Thailand, 28 November–1 December 2023; pp. 1–5. [Google Scholar]
 - Keddar, M.; Zhang, Z.; Periasamy, C.; Doumbia, M.L. Power Quality Improvement for 20 MW PEM Water Electrolysis System. Int. J. Hydrogen Energy 2022, 47, 40184–40195. [Google Scholar] [CrossRef]
 - Abdelhakim, A.; Viitanen, T.; Canales, F. State-of-the-Art Power Supplies for Electrolyzers. ABB Rev. 2022, 4, 60–63. [Google Scholar]
 - Kolli, A.; Gaillard, A.; De Bernardinis, A.; Bethoux, O.; Hissel, D.; Khatir, Z. A Review on DC/DC Converter Architectures for Power Fuel Cell Applications. Energy Convers. Manag. 2015, 105, 716–730. [Google Scholar] [CrossRef]
 - Liu, Y.; Farnell, C.; Balda, J.C.; Mantooth, H.A. Topology, Cost and Efficiency Comparisons of a 2 MW DC Supply Using Interleaved DC-DC Converter. In Proceedings of the 2014 IEEE 5th International Symposium on Power Electronics for Distributed Generation Systems (PEDG), Galway, Ireland, 24–27 June 2014; IEEE: New York, NY, USA, 2014; pp. 1–6. [Google Scholar]
 - Guilbert, D.; Gaillard, A.; N’Diaye, A.; Djerdir, A. Fault-Tolerant Control for PEMFC and Its DC/DC Converter. In Proceedings of the 2015 5th International Youth Conference on Energy (IYCE), Pisa, Italy, 27–30 May 2015; IEEE: New York, NY, USA, 2015; pp. 1–6. [Google Scholar]
 - Thounthong, P.; Mungporn, P.; Guilbert, D.; Takorabet, N.; Pierfederici, S.; Nahid-Mobarakeh, B.; Hu, Y.; Bizon, N.; Huangfu, Y.; Kumam, P. Design and Control of Multiphase Interleaved Boost Converters-Based on Differential Flatness Theory for PEM Fuel Cell Multi-Stack Applications. Int. J. Electr. Power Energy Syst. 2021, 124, 106346. [Google Scholar] [CrossRef]
 - Yu, X.; Starke, M.R.; Tolbert, L.M.; Ozpineci, B. Fuel Cell Power Conditioning for Electric Power Applications: A Summary. IET Electr. Power Appl. 2007, 1, 643–656. [Google Scholar] [CrossRef]
 - Karshenas, H.R.; Daneshpajooh, H.; Safaee, A.; Jain, P.; Bakhshai, A. Bidirectional Dc-Dc Converters for Energy Storage Systems. Energy Storage Emerg. Era Smart Grids 2011, 18, 161–168. [Google Scholar]
 - Tytelmaier, K.; Husev, O.; Veligorskyi, O.; Yershov, R. A Review of Non-Isolated Bidirectional Dc-Dc Converters for Energy Storage Systems. In Proceedings of the 2016 II International Young Scientists Forum on Applied Physics and Engineering (YSF), Kharkiv, Ukraine, 10–14 October 2016; IEEE: New York, NY, USA, 2016; pp. 22–28. [Google Scholar]
 - Eroǧlu, F.; Kurtoǧlu, M.; Vural, A.M. Bidirectional DC–DC Converter Based Multilevel Battery Storage Systems for Electric Vehicle and Large-scale Grid Applications: A Critical Review Considering Different Topologies, State-of-charge Balancing and Future Trends. IET Renew. Power Gener. 2021, 15, 915–938. [Google Scholar] [CrossRef]
 - Mumtaz, F.; Yahaya, N.Z.; Meraj, S.T.; Singh, B.; Kannan, R.; Ibrahim, O. Review on Non-Isolated DC-DC Converters and Their Control Techniques for Renewable Energy Applications. Ain Shams Eng. J. 2021, 12, 3747–3763. [Google Scholar] [CrossRef]
 - Du, Z.S.; Channegowda, P.; Kshirsagar, P.; Dwari, S. High Density High Power DC-DC Converter Architectures for Future Electric Transportation Applications. In Proceedings of the 2019 IEEE energy conversion congress and exposition (ECCE), Baltimore, MD, USA, 29 September–3 October 2019; IEEE: New York, NY, USA, 2019; pp. 5862–5869. [Google Scholar]
 - Hu, H.; Ghosh, S.; Siwakoti, Y.; Long, T. Generalized Multilevel Converter in DC-DC Application. In Proceedings of the 2019 IEEE Energy Conversion Congress and Exposition (ECCE), Baltimore, MD, USA, 29 September–3 October 2019; IEEE: New York, NY, USA, 2019; pp. 5137–5143. [Google Scholar]
 - Lei, J.; Ma, H.; Qin, G.; Guo, Z.; Xia, P.; Hao, C. A Comprehensive Review on the Power Supply System of Hydrogen Production Electrolyzers for Future Integrated Energy Systems. Energies 2024, 17, 935. [Google Scholar] [CrossRef]
 - Fan, L.; Luo, S.; Lai, Y.; Liu, H. Development of Three Level DC Power Supply for Hydrogen Production from Electrolytic Water. Power Electron. Power Electron. Technol. 2023, 57, 31–34. [Google Scholar]
 - Costa, L.F.; Mussa, S.A.; Barbi, I. Multilevel Buck/Boost-Type DC–DC Converter for High-Power and High-Voltage Application. IEEE Trans. Ind. Appl. 2014, 50, 3931–3942. [Google Scholar] [CrossRef]
 - Shi, H.; Wang, K.; Xiao, X.; Sun, K. Capacitor Voltage Balancing of a Three-Level Bi-Directional Buck-Boost Converter for Battery Energy Storage System. In Proceedings of the 2014 17th International Conference on Electrical Machines and Systems (ICEMS), Hangzhou, China, 22–25 October 2014; IEEE: New York, NY, USA, 2014; pp. 325–329. [Google Scholar]
 - Liu, M.; Yao, Z.; He, X.; Jiang, L.; Chen, W. A Balancing Control Method with Single Voltage Sensor for Five-Level Buck/Boost Converter. In Proceedings of the 2022 IEEE 17th Conference on Industrial Electronics and Applications (ICIEA), Chengdu, China, 16–19 December 2022; IEEE: New York, NY, USA, 2022; pp. 690–695. [Google Scholar]
 - You, H.; Cai, X. A Three-Level Modular DC/DC Converter Applied in High Voltage DC Grid. IEEE Access 2018, 6, 25448–25462. [Google Scholar] [CrossRef]
 - Zhao, X.; Zhang, Y.; Guan, Q. A Balancing Control Method for Flying Capacitors in Five-Level Buck/Boost Converter with Synchronous Phase Shifting Decoupling. In Proceedings of the 2021 IEEE 1st International Power Electronics and Application Symposium (PEAS), Shanghai, China, 12–15 November 2021; IEEE: New York, NY, USA, 2021; pp. 1–6. [Google Scholar]
 - Zhao, X.; Zhang, Y. Start-up Control Method for Five-Level Buck/Boost Converter. In Proceedings of the 2022 IEEE International Power Electronics and Application Conference and Exposition (PEAC), Xiamen, China, 4–7 November 2022; IEEE: New York, NY, USA, 2022; pp. 1005–1010. [Google Scholar]
 - Dusmez, S.; Hasanzadeh, A.; Khaligh, A. Comparative Analysis of Bidirectional Three-Level DC–DC Converter for Automotive Applications. IEEE Trans. Ind. Electron. 2014, 62, 3305–3315. [Google Scholar] [CrossRef]
 - Costa, L.F.; Mussa, S.A.; Barbi, I. Steady-State Analysis of a 5-Level Bidirectional Buck+ Boost Dc-Dc Converter. In Proceedings of the IECON 2013—39th Annual Conference of the IEEE Industrial Electronics Society, Vienna, Austria, 10–13 November 2013; IEEE: New York, NY, USA, 2013; pp. 1290–1295. [Google Scholar]
 - Thounthong, P. Control of a Three-Level Boost Converter Based on a Differential Flatness Approach for Fuel Cell Vehicle Applications. IEEE Trans. Veh. Technol. 2012, 61, 1467–1472. [Google Scholar] [CrossRef]
 - Pires, V.F.; Romero-Cadaval, E.; Vinnikov, D.; Roasto, I.; Martins, J.F. Power Converter Interfaces for Electrochemical Energy Storage Systems–A Review. Energy Convers. Manag. 2014, 86, 453–475. [Google Scholar] [CrossRef]
 - Trintis, I.; Munk-Nielsen, S.; Teodorescu, R. A New Modular Multilevel Converter with Integrated Energy Storage. In Proceedings of the IECON 2011—37th Annual Conference of the IEEE Industrial Electronics Society, Melbourne, VIC, Australia, 7–10 November 2011; IEEE: New York, NY, USA, 2011; pp. 1075–1080. [Google Scholar]
 - Foti, S.; Testa, A.; Scelba, G.; De Caro, S.; Tornello, L.D. A V2G Integrated Battery Charger Based on an Open End Winding Multilevel Configuration. IEEE Open J. Ind. Appl. 2020, 1, 216–226. [Google Scholar] [CrossRef]
 - Dakanalis, M.; Koutroulis, E.; Kanellos, F.D. Single-Phase Standalone Multi-Port DC/AC Inverter for Multiple Energy Production and Storage Units. IEEE Trans. Circuits Syst. I Regul. Pap. 2024, 71, 3926–3936. [Google Scholar] [CrossRef]
 - Wang, J.; Sun, K.; Xue, C.; Liu, T.; Li, Y. Multi-Port DC-AC Converter With Differential Power Processing DC-DC Converter and Flexible Power Control for Battery ESS Integrated PV Systems. IEEE Trans. Ind. Electron. 2022, 69, 4879–4889. [Google Scholar] [CrossRef]
 - Ebrahimi, J.; Eren, S. A Multi-Source DC/AC Converter for Integrated Hybrid Energy Storage Systems. IEEE Trans. Energy Convers. 2022, 37, 2298–2309. [Google Scholar] [CrossRef]
 - Roditis, I.; Dakanalis, M.; Koutroulis, E.; Kanellos, F.D. Three-Phase Multiport DC–AC Inverter for Interfacing Photovoltaic and Energy Storage Systems to the Electric Grid. IEEE J. Emerg. Sel. Top. Ind. Electron. 2023, 4, 982–994. [Google Scholar] [CrossRef]
 - Tao, M.; Azzolini, J.A.; Stechel, E.B.; Ayers, K.E.; Valdez, T.I. Engineering Challenges in Green Hydrogen Production Systems. J. Electrochem. Soc. 2022, 169, 54503. [Google Scholar] [CrossRef]
 - Rashid Muhammad, H. Power Electronics Handbook; Elsevier: Amsterdam, The Netherlands, 2018. [Google Scholar]
 - Kouro, S.; Rodriguez, J.; Wu, B.; Bernet, S.; Perez, M. Powering the Future of Industry: High-Power Adjustable Speed Drive Topologies. IEEE Ind. Appl. Mag. 2012, 18, 26–39. [Google Scholar] [CrossRef]
 - Silva, J.F.; Redondo, L.; Canacsinh, H.; Dillard, W.C. Solid-State Pulsed Power Modulators and Capacitor Charging Applications. In Power Electronics Handbook; Elsevier: Amsterdam, The Netherlands, 2024; pp. 621–685. [Google Scholar]
 - Yuan, X.; Laird, I.; Walder, S. Opportunities, Challenges, and Potential Solutions in the Application of Fast-Switching SiC Power Devices and Converters. IEEE Trans. Power Electron. 2020, 36, 3925–3945. [Google Scholar] [CrossRef]
 - Laloya, E.; Lucía, Ó.; Sarnago, H.; Burdío, J.M. Heat Management in Power Converters: From State of the Art to Future Ultrahigh Efficiency Systems. IEEE Trans. Power Electron. 2016, 31, 7896–7908. [Google Scholar] [CrossRef]
 - Wang, F.; Zhang, Z.; Ericsen, T.; Raju, R.; Burgos, R.; Boroyevich, D. Advances in Power Conversion and Drives for Shipboard Systems. Proc. IEEE 2015, 103, 2285–2311. [Google Scholar] [CrossRef]
 - Farhadi, M.; Mohammed, O. Energy Storage Technologies for High-Power Applications. IEEE Trans. Ind. Appl. 2015, 52, 1953–1961. [Google Scholar] [CrossRef]
 - Liu, J.; Zhang, J.; Yang, Z.; Lemmon, J.P.; Imhoff, C.; Graff, G.L.; Li, L.; Hu, J.; Wang, C.; Xiao, J. Materials Science and Materials Chemistry for Large Scale Electrochemical Energy Storage: From Transportation to Electrical Grid. Adv. Funct. Mater. 2013, 23, 929–946. [Google Scholar] [CrossRef]
 - Yao, L.; Yang, B.; Cui, H.; Zhuang, J.; Ye, J.; Xue, J. Challenges and Progresses of Energy Storage Technology and Its Application in Power Systems. J. Mod. Power Syst. Clean Energy 2016, 4, 519–528. [Google Scholar] [CrossRef]
 - Diouf, B.; Pode, R. Potential of Lithium-Ion Batteries in Renewable Energy. Renew. Energy 2015, 76, 375–380. [Google Scholar] [CrossRef]
 - Hannan, M.A.; Hoque, M.M.; Hussain, A.; Yusof, Y.; Ker, P.J. State-of-the-Art and Energy Management System of Lithium-Ion Batteries in Electric Vehicle Applications: Issues and Recommendations. IEEE Access 2018, 6, 19362–19378. [Google Scholar] [CrossRef]
 - El Kharbachi, A.; Zavorotynska, O.; Latroche, M.; Cuevas, F.; Yartys, V.; Fichtner, M. Exploits, Advances and Challenges Benefiting beyond Li-Ion Battery Technologies. J. Alloys Compd. 2020, 817, 153261. [Google Scholar] [CrossRef]
 - Feyzi, E.; MR, A.K.; Li, X.; Deng, S.; Nanda, J.; Zaghib, K. A Comprehensive Review of Silicon Anodes for High-Energy Lithium-Ion Batteries: Challenges, Latest Developments, and Perspectives. Next Energy 2024, 5, 100176. [Google Scholar] [CrossRef]
 - Julien, C.M.; Mauger, A.; Zaghib, K.; Groult, H. Comparative Issues of Cathode Materials for Li-Ion Batteries. Inorganics 2014, 2, 132–154. [Google Scholar] [CrossRef]
 - Liang, S.; Wang, X.; Cheng, Y.-J.; Xia, Y.; Müller-Buschbaum, P. Anatase Titanium Dioxide as Rechargeable Ion Battery Electrode-A Chronological Review. Energy Storage Mater. 2022, 45, 201–264. [Google Scholar] [CrossRef]
 - Mahmood, N.; Tang, T.; Hou, Y. Nanostructured Anode Materials for Lithium Ion Batteries: Progress, Challenge and Perspective. Adv. Energy Mater. 2016, 6, 1600374. [Google Scholar] [CrossRef]
 - Goriparti, S.; Miele, E.; De Angelis, F.; Di Fabrizio, E.; Zaccaria, R.P.; Capiglia, C. Review on Recent Progress of Nanostructured Anode Materials for Li-Ion Batteries. J. Power Sources 2014, 257, 421–443. [Google Scholar] [CrossRef]
 - Prabhukhot Prachi, R.; Wagh Mahesh, M.; Gangal Aneesh, C. A Review on Solid State Hydrogen Storage Material. Adv. Energy Power 2016, 4, 11–22. [Google Scholar] [CrossRef]
 - Usman, M.R. Hydrogen Storage Methods: Review and Current Status. Renew. Sustain. Energy Rev. 2022, 167, 112743. [Google Scholar] [CrossRef]
 - Ratnakar, R.R.; Gupta, N.; Zhang, K.; van Doorne, C.; Fesmire, J.; Dindoruk, B.; Balakotaiah, V. Hydrogen Supply Chain and Challenges in Large-Scale LH2 Storage and Transportation. Int. J. Hydrogen Energy 2021, 46, 24149–24168. [Google Scholar] [CrossRef]
 - Paya, J.; Linder, M.; Laurien, E.; Corberan, J.M. Dynamic Model and Experimental Results of a Thermally Driven Metal Hydride Cooling System. Int. J. Hydrogen Energy 2009, 34, 3173–3184. [Google Scholar] [CrossRef]
 - Suarez, S.H.; Chabane, D.; N’Diaye, A.; Ait-Amirat, Y.; Djerdir, A. Static and Dynamic Characterization of Metal Hydride Tanks for Energy Management Applications. Renew. Energy 2022, 191, 59–70. [Google Scholar] [CrossRef]
 - Abe, J.O.; Popoola, A.P.I.; Ajenifuja, E.; Popoola, O.M. Hydrogen Energy, Economy and Storage: Review and Recommendation. Int. J. Hydrogen Energy 2019, 44, 15072–15086. [Google Scholar] [CrossRef]
 - Stroe, D.-I.; Swierczynski, M.; Stroe, A.-I.; Knudsen Kær, S. Generalized Characterization Methodology for Performance Modelling of Lithium-Ion Batteries. Batteries 2016, 2, 37. [Google Scholar] [CrossRef]
 - Bester, J.E.; El Hajjaji, A.; Mabwe, A.M. Modelling of Lithium-Ion Battery and SOC Estimation Using Simple and Extended Discrete Kalman Filters for Aircraft Energy Management. In Proceedings of the IECON 2015—41st Annual Conference of the IEEE Industrial Electronics Society, Yokohama, Japan, 9–12 November 2015; IEEE: New York, NY, USA, 2015; pp. 2433–2438. [Google Scholar]
 - Marin-Garcia, G.; Vazquez-Guzman, G.; Sosa, J.M.; Lopez, A.R.; Martinez-Rodriguez, P.R.; Langarica, D. Battery Types and Electrical Models: A Review. In Proceedings of the 2020 IEEE International Autumn Meeting on Power, Electronics and Computing (ROPEC), Ixtapa, Guerrero, Mexico, 4–6 November 2020; IEEE: New York, NY, USA, 2020; Volume 4, pp. 1–6. [Google Scholar]
 - Tian, H.; Qin, P.; Li, K.; Zhao, Z. A Review of the State of Health for Lithium-Ion Batteries: Research Status and Suggestions. J. Clean. Prod. 2020, 261, 120813. [Google Scholar] [CrossRef]
 - Lavety, S.; Keshri, R.K.; Chaudhari, M.A. A Dynamic Battery Model and Parameter Extraction for Discharge Behavior of a Valve Regulated Lead-Acid Battery. J. Energy Storage 2021, 33, 102031. [Google Scholar] [CrossRef]
 - Park, S.W.; Lee, H.; Won, Y.S. A Novel Aging Parameter Method for Online Estimation of Lithium-Ion Battery States of Charge and Health. J. Energy Storage 2022, 48, 103987. [Google Scholar] [CrossRef]
 - Jiang, S. A Parameter Identification Method for a Battery Equivalent Circuit Model; SAE Technical Paper; SAE International: Warrendale, PA, USA, 2011. [Google Scholar]
 - Bellache, K.; Camara, M.B.; Dakyo, B. Characterization and Electric Behavior Modeling of Lithium-Battery Using Temporal Approach for Parameters Computing. In Proceedings of the 2018 7th International Conference on Renewable Energy Research and Applications (ICRERA), Paris, France, 14–17 October 2018; IEEE: New York, NY, USA, 2018; pp. 1330–1335. [Google Scholar]
 - Bellache, K.; Camara, M.B.; Dakyo, B.; Ramasamy, S. Aging Characterization of Lithium Iron Phosphate Batteries Considering Temperature and Direct Current Undulations as Degrading Factors. IEEE Trans. Ind. Electron. 2020, 68, 9696–9706. [Google Scholar] [CrossRef]
 - Gao, Y.; Huang, R.; Qin, D.; Wang, T.; Ma, S.; Qin, S. State-of-Charge Estimation of Lithium-Ion Battery Based on Capacity Degradation Model Considering the Dynamic Currents and Temperatures. Int. J. Electrochem. Sci. 2021, 16, 210424. [Google Scholar] [CrossRef]
 - Saleem, K.; Mehran, K.; Ali, Z. Online Reduced Complexity Parameter Estimation Technique for Equivalent Circuit Model of Lithium-Ion Battery. Electr. Power Syst. Res. 2020, 185, 106356. [Google Scholar] [CrossRef]
 - Mouncef, E.; Mostafa, B.; Naoufl, E. Online Parameter Estimation of a Lithium-Ion Battery Based on Sunflower Optimization Algorithm. In Proceedings of the 2020 2nd Global Power, Energy and Communication Conference (GPECOM), Ephesus, Izmir, Turkey, 20–23 October 2020; IEEE: New York, NY, USA, 2020; pp. 53–58. [Google Scholar]
 - Noura, N.; Boulon, L.; Jemeï, S. A Review of Battery State of Health Estimation Methods: Hybrid Electric Vehicle Challenges. World Electr. Veh. J. 2020, 11, 66. [Google Scholar] [CrossRef]
 - Di Fonso, R.; Teodorescu, R.; Bharadwaj, P. Aging-Aware Equivalent Circuit Model for SOH Estimation in Lithium-Ion Batteries. In Proceedings of the 2024 IEEE International Communications Energy Conference (INTELEC), Bengaluru, India, 4–7 August 2024; IEEE: New York, NY, USA, 2024; pp. 1–5. [Google Scholar]
 - Rizzello, A.; Scavuzzo, S.; Ferraris, A.; Airale, A.G.; Carello, M. Temperature-Dependent Thévenin Model of a Li-Ion Battery for Automotive Management and Control. In Proceedings of the 2020 IEEE International Conference on Environment and Electrical Engineering and 2020 IEEE Industrial and Commercial Power Systems Europe (EEEIC/I&CPS Europe), Madrid, Spain, 9–12 June 2020; IEEE: New York, NY, USA, 2020; pp. 1–6. [Google Scholar]
 - Hentunen, A.; Lehmuspelto, T.; Suomela, J. Time-Domain Parameter Extraction Method for Thévenin-Equivalent Circuit Battery Models. IEEE Trans. Energy Convers. 2014, 29, 558–566. [Google Scholar] [CrossRef]
 - Li, K.; Wei, F.; Tseng, K.J.; Soong, B.-H. A Practical Lithium-Ion Battery Model for State of Energy and Voltage Responses Prediction Incorporating Temperature and Ageing Effects. IEEE Trans. Ind. Electron. 2017, 65, 6696–6708. [Google Scholar] [CrossRef]
 - Nacu, R.C.; Fodorean, D. Lithium-Ion Cell Characterization, Using Hybrid Current Pulses, for Subsequent Battery Simulation in Mobility Applications. Processes 2022, 10, 2108. [Google Scholar] [CrossRef]
 - Zhou, W.; Zheng, Y.; Pan, Z.; Lu, Q. Review on the Battery Model and SOC Estimation Method. Processes 2021, 9, 1685. [Google Scholar] [CrossRef]
 - Xiong, R.; Cao, J.; Yu, Q.; He, H.; Sun, F. Critical Review on the Battery State of Charge Estimation Methods for Electric Vehicles. IEEE Access 2017, 6, 1832–1843. [Google Scholar] [CrossRef]
 - Telaretti, E.; Dusonchet, L. Stationary Battery Systems in the Main World Markets: Part 1: Overview of the State-of-the-Art. In Proceedings of the 2017 IEEE International Conference on Environment and Electrical Engineering and 2017 IEEE Industrial and Commercial Power Systems Europe (EEEIC/I&CPS Europe), Milan, Italy, 6–9 June 2017; IEEE: New York, NY, USA, 2017; pp. 1–5. [Google Scholar]
 - Global Energy Storage Database. Available online: https://gesdb.sandia.gov/projects.html (accessed on 4 June 2024).
 - IRENA—International Renewable Energy Agency. Available online: https://www.irena.org/ (accessed on 4 June 2024).
 - EASE—European Association for Storage of Energy. Available online: https://ease-storage.eu/ (accessed on 4 June 2024).
 - Figgener, J.; Stenzel, P.; Kairies, K.-P.; Linßen, J.; Haberschusz, D.; Wessels, O.; Angenendt, G.; Robinius, M.; Stolten, D.; Sauer, D.U. The Development of Stationary Battery Storage Systems in Germany–A Market Review. J. Energy Storage 2020, 29, 101153. [Google Scholar] [CrossRef]
 - Hu, X.; Zou, C.; Zhang, C.; Li, Y. Technological Developments in Batteries: A Survey of Principal Roles, Types, and Management Needs. IEEE Power Energy Mag. 2017, 15, 20–31. [Google Scholar] [CrossRef]
 - Doughty, D.H.; Butler, P.C.; Akhil, A.A.; Clark, N.H.; Boyes, J.D. Batteries for Large-Scale Stationary Electrical Energy Storage. Electrochem. Soc. Interface 2010, 19, 49. [Google Scholar] [CrossRef]
 - Poullikkas, A. A Comparative Overview of Large-Scale Battery Systems for Electricity Storage. Renew. Sustain. Energy Rev. 2013, 27, 778–788. [Google Scholar] [CrossRef]
 - Guo, B.; Niu, M.; Lai, X.; Chen, L. Application Research on Large-Scale Battery Energy Storage System under Global Energy Interconnection Framework. Glob. Energy Interconnect. 2018, 1, 79–86. [Google Scholar]
 - Killer, M.; Farrokhseresht, M.; Paterakis, N.G. Implementation of Large-Scale Li-Ion Battery Energy Storage Systems within the EMEA Region. Appl. Energy 2020, 260, 114166. [Google Scholar] [CrossRef]
 - Rahimo, M.; Nistor, I.; Lanctot, P.; Idaka, S.; Kondo, H.; Majumdar, G.; Miyoshi, A.; Trifunovich, D.; Akagi, H.; Blaabjerg, F. Power Semiconductors for an Energy-Wise Society; International Electrotechnical Commission: Geneva, Switzerland, 2023. [Google Scholar]
 - Ahmadi, E.; Oshima, Y. Materials Issues and Devices of α-and β-Ga2O3. J. Appl. Phys. 2019, 126, 160901. [Google Scholar] [CrossRef]
 - Hasan, M.N.; Swinnich, E.; Seo, J.-H. Recent Progress in Gallium Oxide and Diamond Based High Power and High-Frequency Electronics. Int. J. High Speed Electron. Syst. 2019, 28, 1940004. [Google Scholar] [CrossRef]
 - Bailey, C. Advances in Power Electronics. In Proceedings of the 2020 Pan Pacific Microelectronics Symposium (Pan Pacific), Kohala Coast, HI, USA, 10–13 February 2020; IEEE: New York, NY, USA, 2020; pp. 1–4. [Google Scholar]
 - Liang, B.Y.; Li, Y.S. A Review of DC/DC Converter Based on MMC. In Proceedings of the 2017 7th International Conference on Power Electronics Systems and Applications-Smart Mobility, Power Transfer & Security (PESA), Hong Kong, China, 12–14 December 2017; IEEE: New York, NY, USA, 2017; pp. 1–6. [Google Scholar]
 - Unruh, R.; Schafmeister, F.; Böcker, J. Evaluation of Mmcs for High-Power Low-Voltage DC-Applications in Combination with the Module Llc-Design. In Proceedings of the 2020 22nd European Conference on Power Electronics and Applications (EPE’20 ECCE Europe), Lyon, France, 7–11 September 2020; IEEE: New York, NY, USA, 2020; p. P-1. [Google Scholar]
 - Pizarro, P.; Espina, E.; Diaz, M.; Ravet, T.; Rojas, A.; Carrasco, D. A New Modular Multilevel Converter Topology For Green Hydrogen Production. In Proceedings of the 2023 IEEE CHILEAN Conference on Electrical, Electronics Engineering, Information and Communication Technologies (CHILECON), Valdivia, Chile, 5–7 December 2023; IEEE: New York, NY, USA, 2023; pp. 1–6. [Google Scholar]
 - Andrijanovitsh, A.; Steiks, I.; Zakis, J.; Vinnikov, D. Analysis of State-of-the-Art Converter Topologies for Interfacing of Hydrogen Buffer with Renewable Energy Systems. Electr. Control Commun. Eng. 2011, 29, 87–94. [Google Scholar] [CrossRef]
 - Zhang, Y.; Ding, L.; Hou, N.; Li, Y. A Dual-Current-Fed Dual-Active-Bridge DC/DC Converter with High-Frequency Current-Ripple-Friendly Ports. IEEE Trans. Power Electron. 2022, 37, 15084–15098. [Google Scholar] [CrossRef]
 - Deshmukh, R.S.; Shekhar, A.; Bauer, P. Adaptive Modularity for Power Electronics Based Electrolysis Systems for Green Hydrogen. In Proceedings of the 2022 IEEE 20th International Power Electronics and Motion Control Conference (PEMC), Brasov, Romania, 25–29 September 2022; IEEE: New York, NY, USA, 2022; pp. 508–515. [Google Scholar]
 - Akagi, H.; Kinouchi, S.; Miyazaki, Y. Bidirectional Isolated Dual-Active-Bridge (DAB) DC-DC Converters Using 1.2-KV 400-A SiC-MOSFET Dual Modules. CPSS Trans. Power Electron. Appl. 2016, 1, 33–40. [Google Scholar] [CrossRef]
 - Alhurayyis, I.; Elkhateb, A.; Morrow, J. Isolated and Nonisolated DC-to-DC Converters for Medium-Voltage DC Networks: A Review. IEEE J. Emerg. Sel. Top. Power Electron. 2020, 9, 7486–7500. [Google Scholar] [CrossRef]
 - ElMenshawy, M.; Massoud, A. Modular Isolated Dc-Dc Converters for Ultra-Fast Ev Chargers: A Generalized Modeling and Control Approach. Energies 2020, 13, 2540. [Google Scholar] [CrossRef]
 - Coffey, S.; Timmers, V.; Li, R.; Wu, G.; Egea-Àlvarez, A. Review of MVDC Applications, Technologies, and Future Prospects. Energies 2021, 14, 8294. [Google Scholar] [CrossRef]
 - Zhang, X.; Green, T.C. The Modular Multilevel Converter for High Step-up Ratio DC–DC Conversion. IEEE Trans. Ind. Electron. 2015, 62, 4925–4936. [Google Scholar] [CrossRef]
 - Zhang, X.; Tian, M.; Xiang, X.; Pereda, J.; Green, T.C.; Yang, X. Large Step Ratio Input-Series–Output-Parallel Chain-Link DC–DC Converter. IEEE Trans. Power Electron. 2018, 34, 4125–4136. [Google Scholar] [CrossRef]
 - Gray, P.A.; Ma, Z.C.; Lehn, P.W. A High-Frequency MMC for DC–DC Applications Using a Three-Winding Transformer with DC Flux Cancellation. IEEE J. Emerg. Sel. Top. Ind. Electron. 2021, 3, 647–657. [Google Scholar] [CrossRef]
 - Zhang, S.; Li, B.; Zhang, Y.; Cheng, D.; Zhao, X.; Wang, W.; Xu, D. A Novel Modular Multilevel Transformerless Step-down Dc/Dc Converter. In Proceedings of the 2019 IEEE 4th International Future Energy Electronics Conference (IFEEC), Singapore, 24–28 November 2019; IEEE: New York, NY, USA, 2019; pp. 1–6. [Google Scholar]
 - Pellitteri, F.; Campagna, N.; Inguanta, R.; Miceli, R. Application of a Multiphase Interleaved DC-DC Converter for Power-to-Hydrogen Systems. In Proceedings of the 2023 IEEE 17th International Conference on Compatibility, Power Electronics and Power Engineering (CPE-POWERENG), Tallinn, Estonia, 14–16 June 2023; IEEE: New York, NY, USA, 2023; pp. 1–6. [Google Scholar]
 - Ritchie, H.; Rosado, P.; Roser, M. Energy Production and Consumption. Our World Data 2020. Available online: https://ourworldindata.org/energy-production-consumption (accessed on 4 June 2024).
 - Bose, D.; Gupta, A.; Tiwari, S.; Yadav, D.; Sharma, V. Secondary Batteries for Sustainable Energy: A Comprehensive Review of the Indian Landscape. In Proceedings of the 2024 International Conference on Social and Sustainable Innovations in Technology and Engineering (SASI-ITE), Andhra Pradesh, India, 23–25 February 2024; pp. 413–417. [Google Scholar]
 - Fan, X.; Liu, B.; Liu, J.; Ding, J.; Han, X.; Deng, Y.; Lv, X.; Xie, Y.; Chen, B.; Hu, W. Battery Technologies for Grid-Level Large-Scale Electrical Energy Storage. Trans. Tianjin Univ. 2020, 26, 92–103. [Google Scholar] [CrossRef]
 - Hu, X.; Deng, X.; Wang, F.; Deng, Z.; Lin, X.; Teodorescu, R.; Pecht, M.G. A Review of Second-Life Lithium-Ion Batteries for Stationary Energy Storage Applications. Proc. IEEE 2022, 110, 735–753. [Google Scholar] [CrossRef]
 - Madani, S.S.; Shabeer, Y.; Fowler, M.; Panchal, S.; Chaoui, H.; Mekhilef, S.; Dou, S.X.; See, K. Artificial Intelligence and Digital Twin Technologies for Intelligent Lithium-Ion Battery Management Systems: A Comprehensive Review of State Estimation, Lifecycle Optimization, and Cloud-Edge Integration. Batteries 2025, 11, 298. [Google Scholar] [CrossRef]
 - Feng, Z.; Eiubovi, I.; Shao, Y.; Fan, Z.; Tan, R. Review of Digital Twin Technology Applications in Hydrogen Energy. Chain 2024, 1, 54–74. [Google Scholar] [CrossRef]
 - Ranawaka, A.; Alahakoon, D.; Sun, Y.; Hewapathirana, K. Leveraging the Synergy of Digital Twins and Artificial Intelligence for Sustainable Power Grids: A Scoping Review. Energies 2024, 17, 5342. [Google Scholar] [CrossRef]
 - Kabir, M.R.; Halder, D.; Ray, S. Digital Twins for Iot-Driven Energy Systems: A Survey. IEEE Access 2024, 12, 177123–177143. [Google Scholar] [CrossRef]
 - Yavari, A.; Harrison, C.J.; Gorji, S.A.; Shafiei, M. Hydrogen 4.0: A Cyber–Physical System for Renewable Hydrogen Energy Plants. Sensors 2024, 24, 3239. [Google Scholar] [CrossRef]
 - Feng, Z.; Luo, Y.; Li, D.; Pan, J.; Tan, R.; Chen, Y. Integrating Digital Twins and Machine Learning for Advanced Control in Green Hydrogen Production. Chain 2025, 2, 1–14. [Google Scholar] [CrossRef]
 - Fang, H.; Feng, B.; Zuo, Y.; Ma, Q.; Pu, T.S.; Zhen, M.; Zhang, J.; Peng, Y. Real-Time Data Acquisition and Digital Twin Model Synchronization Technology of Wind-Solar Electrolysis Hydrogen Production System Based on Internet of Things. In Proceedings of the 2025 International Conference on Electrical Drives, Power Electronics & Engineering (EDPEE), Athens, Greece, 26–28 March 2025; IEEE: New York, NY, USA, 2025; pp. 1209–1214. [Google Scholar]
 - Farman, M.K.; Nikhila, J.; Sreeja, A.B.; Roopa, B.S.; Sahithi, K.; Kumar, D.G. AI-Enhanced Battery Management Systems for Electric Vehicles: Advancing Safety, Performance, and Longevity. E3S Web Conf. 2024, 591, 04001. [Google Scholar] [CrossRef]
 - Folgado, F.J.; González, I.; Calderón, A.J. PEM Electrolyzer Digital Replica Based on Internal Resistance Determination Applied to Hydrogen Energy Storage. J. Energy Storage 2024, 75, 109694. [Google Scholar] [CrossRef]
 















| Topologies | Power Quality | Efficiency | Cost | Reliability | Control  Complexity  | 
|---|---|---|---|---|---|
| 12-TR | − | + | + | ++ | + | 
| 12-DRMC | ∆ | ∆ | + | + | ∆ | 
| 12-TRASPF | + | ∆ | ∆ | ∆ | − | 
| AFE | ++ | ∆ | − | ∆ | − | 
| DC–Bus-Based Architecture | AC-Based Architecture | |
|---|---|---|
| Energy efficiency | Fewer conversion steps, which boosts overall effectiveness | Due to the several AC/DC/AC conversion stages, the system’s total energy efficiency is reduced in some cases | 
| Energy Quality | These architectures generate fewer harmonics improving the quality of the distributed energy signal quality | Due to the nature of the power switches and converter topology, additional harmonics may be generated, degrading signal quality | 
| Cost | Relatively lower cost, as it requires fewer conversion stages than the AC–bus architecture, and the filters are also less bulky | The system’s high cost is caused by the filtering systems, large transformers, and the integration of several AC/DC/AC conversion stages | 
| Control complexity | Simplified control for power management | Depending on the converter topology, advanced control algorithms are required to manage power fluctuations and synchronization with the grid, making control more complex | 
| Power range to application | Conventional DC/DC converters are limited by their voltage conversion ratio, which restricts their use to low-power applications. Multilevel topologies provide an alternative; however, their applicability depends on the voltage and current levels on the DC–bus, and the ease of controlling the topology state variables | Particularly suitable for medium- and high-power application | 
| Cathode Materials | Potential (V vs. Li/Li+) | Practical/Theorical Capacity (mAh/g) | Gravimetric Energy (mWh/g) | 
|---|---|---|---|
| LCO | 3.0–4.5 | 145/274 | 544 | 
| LFP | 3.2–3.7 | 160/170 | 552 | 
| NMC811 | 2.5–4.6 | 200/276 | 710 | 
| NMC622 | 3.7–4.2 | 185/277 | 730 | 
| LMR-NMC | 3.5–4.8 | 250/277 | 1037 | 
| NCA | 3.0–4.2 | 200/279 | 720 | 
| LMO | 3.0–4.3 | 120/148 | 438 | 
| LNMO | 3.5–4.8 | 140/174 | 581 | 
| Type | Anode Materials | Potential (V vs. Li/Li+) | Practical/Theorical Capacity (mAh/g) | Gravimetric Energy (mWh/g) | 
|---|---|---|---|---|
| Insertion/de-insertion materials | Carbonaceous
  | ~0.1–0.2 0.3 0.25 0.05  | 200/600 1116 780/1116 372  | ~120 334.8 195/279 18.6  | 
Titanium oxides
  | 1.55 1.4–1.8  | 175 330  | 271.3 462/594  | |
| Alloy/de-alloy materials | Silicon (Si) | 0.4 | 4212 | 1684.8 | 
| Germanium (Ge) | 0.5 | 1624 | 974.4 | |
| Tin (Sn) | 0.6 | 993 | 595.8 | |
| Antimony (Sb) | 0.5–0.8 | 660 | 330/528 | |
| Tin oxide (SnO) | 0.3–1.2 | 790 | 237/948 | |
| SiO | ~0.2–0.5 | 1600 | ||
| Conversion materials | Metal oxides (Fe2O3, Fe3O4, CoO, Co3O4, MnxOy, Cu2O/CuO, NiO, Cr2O3, RuO2, MoO2/MoO3 etc.) | ~0.3–1.5 | 500/1200 | |
| Metal phoshides/sulfides/nitrides (MXy; M = Fe, Mn, Ni, Cu, Co etc. and X = P, S, N) | ~0.3–1.6 | 500/1800 | 
| Project Name | Location | Rate Output Power (MW/MWh) | Function | Status | Year | 
|---|---|---|---|---|---|
| Lemene | Finland | 2.4/1.6 | Optimal energy management, improved grid reliability, and the effective integration of RES. | Under construction | 2018 | 
| Prottes | Austria | 2.5/2.2 | Support the integration of RES and enhance grid stability in the region. | Operational | 2021 | 
| Drogenbos | Belgium | 7/20 | Frequency regulation and grid support services. | Operational | 2017 | 
| Olen Umicore BAT | Belgium | 1.2/0.75 | Frequency regulation and network stability (48 Li-ion batteries). | Operational | 2019 | 
| Ruien Energy Storage | Belgium | 25/32 | Regulation of intermittent RES, reserve power, frequency control response, capacity dispatch, and voltage support. | Announced | 2022 | 
| Terhills | Belgium | 18.2/21.7 | Balance the European electrical grid by providing primary reserve and frequency regulation services. | Operational | 2018 | 
| TheBattery | Belgium | 2/2 | Grid stabilization services and balance the frequency. | Operational | 2018 | 
| EDF renewables | UK and Ireland | 2 × 50/50 | Frequency response, electricity market trading, and reactive power and electric vehicle charging services. | Announced | 2020–2023 | 
| 3 × 50/100 | |||||
| 1 × 57/114 | |||||
| Nicosie | Cyprus | 5/2.35 | Grid stability, effective energy storage, support of the integration of RES, and contribution to both economic and environmental benefits. | Announced | 2025–2028 | 
| Mydlovary | Czech Republic | 1.0/1.75 | Grid stabilization and support of the integration of RES. | Operational | 2018 | 
| Obořiště | Czech Republic | 1.0/1.3 | Grid stabilization and support of the integration of RES. | Operational | 2020 | 
| Prakšice | Czech Republic | 1.0/1.2 | RES integration; grid stabilization and better management of energy resources. | Operational | 2017 | 
| BOSS | Denmark | 1.0/1.0 | Smart grid stability, RES integration. | Announced | 2019 | 
| Kuru | Finland | 0.3/0;22 | Grid stability and RES integration. | Operational | / | 
| LIDL Distribution Centre | Finland | 2.6/1.6 | Smoothing of solar power and peak clipping, uninterruptable power supply. | Under construction | / | 
| Järvenpää Batcave | Finland | 2/1.0 | Frequency regulation. | Operational | 2017 | 
| Suvilahti | Finland | 1.2/0.677 | Grid stability, RES integration, peak clipping. | Operational | 2016 | 
| Les Renardières | France | 1.0/0.5 | Regulate grid frequency. | Operational | 2014 | 
| Savane Des Pères | France | 22.6/2.9 | Smooth electricity production delivered to the public grid as well as the supply gap. | Under construction | 2019 | 
| MiRIS-1 | Belgium | 0.5/1.7 | Peak clipping, RES integration, uninterruptible power supply. | Operational | 2018 | 
| Ringo-1 | France | 12/33.6 | Grid supportive services. | Announced | 2019 | 
| Powerdock | Norway | 1.2/0.7 | Use of surplus renewable energy from the Norwegian grid to produce green ammonia. | Operational | 2025 | 
| Barasoain BESS | Spain | 1.0/0.39 | Fast response to maintain 1 MW of power for 20 min, wind turbine integration. | Operational | 2013 | 
Disclaimer/Publisher’s Note: The statements, opinions and data contained in all publications are solely those of the individual author(s) and contributor(s) and not of MDPI and/or the editor(s). MDPI and/or the editor(s) disclaim responsibility for any injury to people or property resulting from any ideas, methods, instructions or products referred to in the content.  | 
© 2025 by the authors. Licensee MDPI, Basel, Switzerland. This article is an open access article distributed under the terms and conditions of the Creative Commons Attribution (CC BY) license (https://creativecommons.org/licenses/by/4.0/).
Share and Cite
Ngando Ebba, J.D.; Camara, M.B.; Doumbia, M.L.; Dakyo, B.; Song-Manguelle, J. Industrial-Scale Renewable Hydrogen Production System: A Comprehensive Review of Power Electronics Converters and Electrical Energy Storage. Electronics 2025, 14, 3471. https://doi.org/10.3390/electronics14173471
Ngando Ebba JD, Camara MB, Doumbia ML, Dakyo B, Song-Manguelle J. Industrial-Scale Renewable Hydrogen Production System: A Comprehensive Review of Power Electronics Converters and Electrical Energy Storage. Electronics. 2025; 14(17):3471. https://doi.org/10.3390/electronics14173471
Chicago/Turabian StyleNgando Ebba, Junior Diamant, Mamadou Baïlo Camara, Mamadou Lamine Doumbia, Brayima Dakyo, and Joseph Song-Manguelle. 2025. "Industrial-Scale Renewable Hydrogen Production System: A Comprehensive Review of Power Electronics Converters and Electrical Energy Storage" Electronics 14, no. 17: 3471. https://doi.org/10.3390/electronics14173471
APA StyleNgando Ebba, J. D., Camara, M. B., Doumbia, M. L., Dakyo, B., & Song-Manguelle, J. (2025). Industrial-Scale Renewable Hydrogen Production System: A Comprehensive Review of Power Electronics Converters and Electrical Energy Storage. Electronics, 14(17), 3471. https://doi.org/10.3390/electronics14173471
        

       

