Next Article in Journal
Fault Diagnosis for Rotating Machinery Based on Dimensionless Indices: Current Status, Development, Technologies, and Future Directions
Previous Article in Journal
A Hysteresis Current Controller for the Interleaving Operation of the Paralleled Buck Converters Without Interconnecting Lines
 
 
Font Type:
Arial Georgia Verdana
Font Size:
Aa Aa Aa
Line Spacing:
Column Width:
Background:
Article

FPGA Implementation of Reaction Systems

1
School of Computer Science, Civil Aviation Flight University of China, Guanghan 618307, China
2
Department of Computer Science, Univ Paris Est Creteil, LACL, F-94010 Creteil, France
*
Author to whom correspondence should be addressed.
Electronics 2024, 13(24), 4929; https://doi.org/10.3390/electronics13244929
Submission received: 25 October 2024 / Revised: 10 December 2024 / Accepted: 11 December 2024 / Published: 13 December 2024

Abstract

Reaction system (RS) belongs to a type of qualitative computing model inspired by biochemical reactions taking place inside biological cells. It concerns more the interactions and causality among reactions rather than concrete concentrations of chemical entities. Many biochemical processes and models can be represented in the form of reaction systems so that complex relations and ultimate products of a variety of reactions can be revealed qualitatively. The reaction system works in parallel mode. Software simulation of this kind of model may suffer from the penalty of inefficient parallelism for the limited performance of CPU/GPU, especially for the simulation of large-scale models. Considering potential applications of reaction systems in disease diagnoses and in drug developments, hardware implementation of reaction systems provides a better way to accelerate computations involved. In this paper, an FPGA implementation method of a reaction system called RSFIM is proposed. Two small-scale models, i.e., the reaction system of intermediate filaments self-assembly and heat shock response, are implemented on FPGA, achieving a computing speed of 2 × 10 8 steps per second. For large-scale models, the ErbB reaction system is implemented, obtaining a speedup of 7.649 × 10 4 compared with its highest performance GPU simulation so far. The reaction system binary counter, which is a quantitative model, is also implemented by the Boolean explanation of the qualitative character of the reaction system. FPGA implementation of reaction systems opens a novel research line to speed up the simulations of reaction systems and other biological models in the perspective of parallel digital circuits.

1. Introduction

Understanding the function of an individual biochemical molecule alone is insufficient to fully elucidate the mechanisms of a biological system in which the molecule works. The primary reason is that molecules and their reactions are arranged in networks with various complexities. As a result, interactions of chemical entities and reactions play a more important role in the establishment of different functionalities and behaviors of a biological system. To gain a comprehensive understanding of inherently complex biological or ecological systems, conceiving and formulating mathematical models on the basis of large amounts of experimental data is a practical approach.
Once a primitively mathematical model is obtained, it can be simulated by programs in a computer (in silico simulation), which is typically a much more economical method to estimate biological systems than conducting biological experiments (in vitro simulation). In principle, there are two classes of biological systems/processes investigated: dynamic and quasi-stationary ones. The former, which is the majority, is modeled by ordinary differential equationsin general. Biological mathematical models modeled this way are referred to as quantitative models because they are concerned about the concentrations of chemical entities over time precisely. In contrast, there exist mathematical models that are not sensitive to the concrete concentrations of entities. In some special models, what concerns are the causality effects among entities instead of their concentrations? These models are referred to as qualitative models. From the perspective of computer science, some marvelous biological systems or processes are so powerful that computing models can be abstracted from them. These abstractions are based on some hypotheses raised from mathematical models, accounting for the specific behaviors or processes of target systems.
Essentially, all the biological entities, e.g., the phospholipid molecules constituting plasma membranes, nucleotide molecules comprising DNAs, are products of a variety of biochemical reactions. The function of a biological cell is the manifestation of effects of considerable biochemical reactions taking place inside, together with effects of interactions among them. As a matter of fact, the interaction of biochemical reactions is the dominant factor with respect to reactions themselves. Consequently, the interaction of reactions commencing through facilitating/inhibiting mechanisms regulates all biochemical reactions. To investigate interactions of biochemical reactions, a formal framework entitled reaction systems (RS) is proposed [1].
Contrary to most of the existing quantitative computational models, such as Petri nets or membrane computing models, reaction systems are qualitative models working with sets instead of multisets of objects.
There are two fundamental assumptions imparting qualitative features to reaction systems: the threshold supply assumption and the no-permanency assumption [2,3]. According to the former, if an element is present, then the amount of this element is adequate so that any number of reactions using this element as a reactant can be carried out concurrently without conflict. The latter decides the existence time of chemical entities involved. Entities no longer produced by any reactions will vanish except if they are imported from the context (environment) or their duration is larger than one step of the interaction process [4], which is regarded as the computing process of reaction systems. Furthermore, threshold supply assumption ensures no quantitative restrictions for consumption of reactants; hence, reaction systems are deterministic, and the elements competed by multiple reactions are distributed to all the reactions concurrently so that applicable reactions and their products are definite.
A reaction system consists of a set of reactions, while a reaction is defined as a triplet containing a reactant set, an inhibitor set, and a product set. A reaction is applicable only if all entities in the reactant set are present and all entities in the inhibitor set are absent. Applicable reactions having the same entities in the reactant set can execute without conflict to produce entities in the product set according to the threshold supply assumption. After the execution of all applicable reactions, the current step terminates. The next step starts with the importing of new entities from the context, namely from the environment. Note that the newly generated products are transferred to the next step. Importing context entities and receiving product entities from the previous step are necessary for reactant entities that are exhausted. All the steps comprise the so-called interactive process, which is deemed as the computing process of reaction systems. Entities persist only one step if they are not introduced from context or produced by any reactions in accordance with no permanency assumption.
Due to the fact that reaction systems are inspired by biochemical reactions and their cellular interactions, they are employed to model biological processes such as heat shock response [5], self-assembly of intermediate filaments [6], period-doubling bifurcation [7], etc. On the other hand, reaction systems can also be used to design quantitative models such as binary counters [8], despite the fact that they belong to a qualitative framework. The trick of transforming qualitative model to a quantitative lies in the perspective towards the quantity of elements. In brief, according to the threshold supply assumption mentioned above, an element produced by some reactions has enough amount to suffuse a cell. Then, this glutting state, rather than a single element, is regarded as binary 1. Otherwise it is deemed as binary 0. By this way, a reaction system can represent binary quantities.
When a parallel biological computing model is simulated on a general-purpose computer, it is not guaranteed that the CPU performs the operations just in accordance with target models since the processing of the CPU is not transparent. In fact, it is likely that the limited parallelism of the CPU does harm to the intrinsic parallelism of the biological computing model to a large extent. To fully realize the parallel computing process of reaction systems, the best choice is to run this kind of model on a parallel hardware platform. With the re-configurability and parallelism of FPGA, reaction systems are transformed into the digital circuits in FPGA. When the target FPGA has sufficient hardware resources, the calculation can be carried out in strict accordance with the procedures of theoretical models and accelerate calculations substantially. This consideration underlies the motivation of this investigation.
This paper is organized as follows: Section 2 presents existing CPU- and GPU-based software of reaction systems. The merits and demerits of this software are analyzed. Section 3 introduces definitions associated with reaction systems, revealing the relationship of reaction systems and digital circuits. FPGA implementation method of reaction systems is proposed in Section 4 based on the relationship presented in the previous section. In Section 5, reaction systems with different sizes are implemented on FPGA in line with this method, whose computing speed is evaluated by comparing it with that of software. A quantitative model constructed by the reaction system and its UART communication is implemented in Section 6. Conclusions are discussed in Section 7.

2. Related Works

From the point of hardware, a software simulation is performed by the CPU of the host computer typically. The compute unified device architecture (CUDA) enabled GPU implementations also belong to software simulation, taking into account that GPUs are programmed by software languages like C++ rather than hardware description languages (HDL). Furthermore, hardware architectures inside a GPU are prefabricated, which are not re-configurable. Hence, CPU and GPU simulations of reaction systems are sorted as software simulations of this type of model.
A reaction system simulation engine, brsim, implemented in Haskell, is developed in [9]. For its native compilation trait, the efficiency of Haskell is higher than languages needing interpretation, like Python. Based on this engine, a browser-based version of WEBRSIM coded in PHP and JavaScript is proposed [10,11]. In addition to simulating RSs by inputting the set of reactions defining a concrete reaction system and corresponding context sequence C i , brsim has the ability to output conserved sets, behavior graphs, and conservation dependency graphs of the target RS [12]. brsim supports bath mode, in which the state sequence W i going through is listed, and step-by-step mode, in which a single C i can be input to drive RS and output consequential W i .
Another untitled software tool implemented in C++ that verifies initialized context-restricted reaction system (icrrs) and computation tree logic for reaction systems (rsCTL) properties is devised in [13]. This tool is designed based on monolithic/partitioned encoding mode and binary decision diagrams (BDDs), dealing with the transition relations of interactive processes. The elapsed time/consumed memories/model size curves of four case studies are plotted to explicitly exhibit the tool performance. Experimental results show that monolithic encoding has better performance than partitioned encoding, although the latter one may have better memory efficiency.
One GPU-based implementation of reaction systems written in CUDA, Highly Efficient REaction SYstem simulator (HERESY), is present in [14]. HERESY has a CPU-based engine coded in Python to cope with simulations of small-scale RSs whose entities (reactants, inhibitors, and products in reactions involved) are less than 100 [15]. The decision of which engine to use is made by HER-ESY itself without manual intervention. The simulating process of HERESY is an iteration consisting of four steps. The reaction set, context sequence C i , and initial reactants are loaded in the GPU in the first step, which is performed by the host CPU. Then, add the context elements of the n-th step to the RS. Assume S is the background set; a number of | S | threads are allocated to execute memory updating of | S | reactants. In the third step, evaluate T = r e s R ( T ) , where T is the initial state of target RS. At last, | S | threads are employed to store the transition of the interactive process.
HERESY is put to use in a practical application to simulate the ErbB receptor signal transduction in human mammary epithelial cells [16], which is modeled as an RS with 6720 reactions and 246 entities. Providing that the context sequence C i drives 1000 steps of the interactive process, the speed-up of HERESY GPU/CPU is 26.28×, while the speed-up of HER-ESY GPU and brsim is 10.97×. A reaction system simulator designed with the Common Lisp language called cl-rs was proposed to run reaction systems in three strategies: direct simulation, reaction pruning with dependency graphs, and matrix-based simulation [17]. For large-scale target systems (ErBb signaling network model), the CPU-based cl-rs has a proximate speed compared with HERESY GPU (31 ms slower). For small and medium reaction systems, the cl-rs had even better performance than brsim and HERESY GPU.
By contrast, stochastic nature incurred by fluctuations is a significant and ubiquitous phenomenon. Hence, computer simulations of real chemical reaction systems are quite computation-hungry as well. A stochastic simulation algorithm (SSA) deployed on a GPU (with CUDA) to speed up simulations of chemical reactions was presented in [18]. Compared with multi-core CPU simulation, a speedup at the 10 3 order of magnitude was obtained. Progress of this research was made in [19]. For those different models considered, the efficiency provided by the target GPU was nearly 40 times higher than the CPU.
Besides GPUs, resorting to FPGAs to accelerate biochemical reactions is an emerging research direction. So literature on this topic has a small amount. The Gene/Protein/Reaction Associations (GPRA) describing the relationship between genes and reactions were modeled on an Altera Cyclone II FPGA [20]. As an early exploration, only seven genes and seven reactions were implemented in the form of seven combinatorial function modules. In [21], cellular stochastic biochemical reactions were implemented on FPGA, whose main purpose was to construct a synthetic biochemical reaction library in the long run. Biochemical reactions shape cellular behaviors. By implementing reactions on FPGA, activities inside cells can be mimicked and analyzed in the perspective of electronics. Based on research on the human neuroregulatory system of the lower urinary tract, an architectural model of the human neuroregulator system suitable for hardware implementation was proposed and implemented on an SoC containing an FPGA [22]. This research served as a good example of how to model and implement neuroregulatory systems and neural systems on FPGA. In [23], the Xilinx Zynq-7000 FPGA, which is a SoC combining CPU and FPGA, was used as the hardware to implement biochemical reactions in the p53 signaling pathways. This implementation achieved good performance and low resource utilization, although no contrast experiments had been conducted.

3. Preliminaries

Biochemical reactions take place in cells of cellular lives all the time, comprising the complicated functionality of cells. Parallel-executing biochemical reactions interact with biochemical entities in the environment in the form that some of these entities prevent some reactions from happening or vice versa, catalyzing some of the reactions. The inhibition and facilitation mechanisms are the main regulation principles for reactions in living things. Reaction systems, initiated in 2004, are a formal framework investigating interactive processes that come into being on the foundation of inhibition and facilitation mechanisms of biochemical reactions. There are two assumptions underlying the qualitative trait of reaction systems:
  • Threshold supply assumption: If a kind of element is present, its quantity is sufficient so that multiple reactions utilizing it as one of the reactants can take place simultaneously, without contention of this kind of element. As a result, there are no conflicts among reactions if their reactants are present.
  • No permanency assumption: If a kind of element is not taken in (from the environment or other reaction systems), it persists if there are some reactions producing it. The default duration of an element [2] is “one period”, which is the time interval from one state to the next. This sort of element vanishes beyond this time if it is not a product of any reactions. After the execution of applicable reactions, all the reactants are transformed into corresponding products, resulting in reactant sets vanishing to empty sets.
A reaction system is deterministic for all reactions involving the same reactants that can proceed reacting due to threshold supply assumption. Then, all the reactions that should happen will happen; there is no need to make choices among applicable reactions. Consequently, the behavior and the products of a reaction are definite for reaction sets in each state, which are determined according to reactions and initial conditions of elements. The formal definition of these notions is given below:
Definition 1
([1]). A reaction is a triplet r = ( R r , I r , P r ) , where R r is the reactant set, I r is the inhibitor set, and P r is the product set. If there is a set B such that R r , I r , P r B , then r is a reaction in B. r a c ( B ) signifies all reactions in B.
I r can be empty while R r and P r should not be empty in general. It is pointed out that a special reaction Φ = ( , , ) is termed as an empty reaction that may be used.
Definition 2
([5]). Let T be a finite set and A be a set of reactions,
1. 
The result of applying r on T, denoted by r e s r ( T ) , is defined as
r e s r ( T ) = P r if R r T and I r T = , otherwise .
2. 
The result of applying A on T, denoted by r e s A ( T ) , is defined as
r e s A ( T ) = r A r e s r ( T )
Definition 3.
A reaction r is applicable on a set T if r e s r ( T ) , i.e., R r T and I r T = , or else r is inapplicable on T. A reaction set A is applicable on T if each reaction in A is applicable on T.
Now the static structure of a reaction system can be defined below. The definition of the reaction is given preceding the definition of the reaction system on account of that a reaction system can be deemed as a set of reactions with a special dynamic process.
Definition 4
([1]). A reaction system is an ordered pair R = ( B , A ) , where A r a c ( B ) and B is a finite set termed as the background set of R .
Definition 5
([1]). For a reaction system R = ( B , A ) and a set T B , define r e s R ( T ) = r e s A ( T ) and e n R ( T ) = { r A r is applicable on T } .
The dynamic process of a reaction system is characterized by an interactive process, which is defined as follows:
Definition 6
([1]). If R is a reaction system, an interactive process in R is a pair π = ( γ , δ ) , where γ = C 0 , C 1 , , C n , δ = D 0 , D 1 , , D n , n 1 , D 0 = , D i = r e s R ( C i 1 D i 1 ) , 1 i n .
Sequence γ is called context sequence, denoted by con( π ). Sequence δ is named result sequence, denoted by res( π ). Let W i = ( C i D i ) , 0 i n , n 1 . W 0 = C 0 for D 0 = . Sequence τ = W 0 , W 1 , , W n is entitled as state sequence. Let E i = e n R ( W i ) , sequence σ = E 0 , E 1 , , E n is called activity sequence of π .
Context sequence γ can be deemed as elements coming from the environment or from other reaction systems, signifying the interaction between a reaction system and its surroundings. The transition process of states, W i , is denoted by the state sequence τ . The power source of transitions stems from activity sequence σ , while results of transitions are exhibited by result sequence δ . The existence of these results obeys no permanency assumption. As a type of qualitative model, reaction systems work on sets instead of multisets of elements [3].

4. Fpga Implementation Method of Reaction Systems

The essential FPGA implementation of reaction systems consists of simulating the computational process of this model directly through the behavior of hardware circuits re-configured inside FPGA. Therefore, investigating the relationship between reaction systems and digital circuits from the perspective of computational theory and circuit theory will underlie the FPGA implementation method of reaction systems. As a type of parallel computing model, multiple reactions of a reaction system can commence concurrently. For large-scale reaction systems containing thousands of reactions, the efficiency of CPU-based simulation is low. GPU-accelerated simulation shows a speed-up of a dozen times [14]. FPGA implementation would achieve better performance for parallel hardware architectures tailored to coincide with reaction system models to carry out reactions with a faster speed [24].
Digital systems are mainly composed of synchronous circuits. The switching circuit [25] is the theoretical model of physical synchronous circuits fabricated in electronic devices in the form of integrated circuits.The relationship between reaction systems and switching circuits was investigated in [24,26]. It was reported that reaction systems and switching circuits are mutually transformational. Therefore, it is feasible to implement reaction systems on FPGA. Circuits performing interactive processes of reaction systems are designed with hardware description language in the behavioral style. So the behaviors of reaction systems are analyzed and illustrated during the circuit design stage.
There are two key issues in the FPGA implementation of reaction systems: the representation of syntactic constructs and the imitation of computational processes of reaction systems. Syntactic constructs of reaction systems are chemical entities (reactants, inhibitors, and products, which are referred to as ‘entities’ for short below) and reactions. As a qualitative framework, reaction systems work on sets instead of multisets. The amount of an entity (multiplicity) makes no sense taking into account the threshold supply assumption: if an entity presents, it is sufficient so that reactions containing it as a reactant can take place simultaneously, or it is absent. The computational process of reaction systems is indicated by the interactive process. The interactive process is driven by the introduction of context sequence C i containing active entities at the beginning of each step. These imported entities, together with product entities from the last step, make some reactions applicable. As a consequence, the interactive process evolves continuously. These two issues of FPGA implementation of reaction systems are handled as follows.
Representation of entities: Entities are represented by 1-bit registers such that logic 1 denotes presence while logic 0 indicates absence. By this way, the non-quantitative nature of the threshold supply assumption is reflected.
Representation of reactions: For reactions having multiple reactants, logic AND is employed to concatenate registers representing those reactants that should be present at the same time. Registers storing inhibitors are inverted by logic NOT to signify that they should not be there. Note that reactants and inverted inhibitors are connected with AND to represent the fact that reactions can proceed with the presence of all reactants and without all inhibitors. In short, reactions are translated into logic expressions. If one entity can be generated by multiple reactions, these reactions are connected with logic OR. For reactions with several products, these reactions are divided into multiple sub-reactions in which each reaction produces only one element from the products.
Dynamics of interactive process: No permanency assumption stipulates the duration of an entity is one step of the interactive process. The time interval between C i and C i + 1 (two successive element of the context sequence) is one step duration which is the default time bound. Duration is interpreted as FPGA clock period. One entity persists more than one duration if it is produced by some reactions or introduced in as an element of some C i . Or else the maximal duration of each entity is one clock cycle.
Entities in reactions are invariant while C i may bring in new entities during the process. These new entities are taken into consideration by assigning 1-bit registers to them when checking all C i at the system specification from the very beginning. A register variable named counter is used to count the clock cycles corresponding to interactive steps. Consequently, the time an entity imported is denoted by the integer value saved in the counter register. So the dynamic process of a reaction system can be portrayed by a waveform consisting of entities’ logic values varying with clock cycles.
For inapplicable reactions, their inability derives from the absence of some reactants or the presence of inhibitors. Values in reactant registers and inhibitor registers of inapplicable reactions are 0 s and 1 s. Inhibitors are inverted, leading to their values flipped to 0 s. As a result, the values of logic expressions corresponding to inapplicable reactions are 0 s, i.e., values of products are 0 s. These 0 s imply that products are not generated for associated reactions unable to take place. This fact means that a specific procedure to decide the applicability of reactions in one interactive process step is not necessarily needed. We can treat inapplicable reactions as the same as applicable ones and compute their logic expressions. If certain values of products are 0 s, it means the corresponding reactions did not carry out. Otherwise, they commence and produce their products.
On the foundation of investigations above, the reaction system FPGA implementation method, abbreviated as RSFIM, is proposed. RSFIM, illustrated in Figure 1, has three steps: (1) use 1-bit registers to represent entities and assign 1 s or 0 s to them, indicating entity presence and absence; (2) transform reactions of the target reaction system into logic expressions; (3) set one FPGA clock cycle as one interactive process step, introducing entities according to a step counter into the system to imitate the interactive process.
All the logic expressions are executed in parallel during each step. In addition, entities in interactive sequence C i are treated as intermediate variables of circuits. Their register values are flipped according to their emerging and disappearing time. This treatment avoids importing entities in the context of an interactive process via communication methods such as RS-232 serial ports, whose speed is quite limited. The determination of applicable reactions in each step of the interactive process is also avoided by performing logic expressions corresponding to inapplicable reactions as well. Therefore RSFIM has an outstanding speed advantage. The summary table of key terms involved in the FPGA implementation of reaction systems is presented in Table 1.

5. Applications and Evaluations of RSFIM

In this section, the self-assembly intermediate filaments reaction system, the heat shock response reaction system, and the reaction system of ErbB receptor signal transduction in human mammary epithelial cells are implemented on FPGA according to RSFIM. Hardware facilities used include a Dell Latitude 5580 laptop (Round Rock, TX, USA) equipped with an Intel Core i7-7820HQ (Santa Clara, CA, USA) and 16 GB RAM. The FPGA development board is the Digilent BASYS 3 (Pullman, WA, USA), featuring a Xilinx Artix-7 xc7a35tcpg236c-1 FPGA (San Jose, CA, USA). The FPGA integrated development environment (IDE) is Xilinx Vivado 2019.1. The hardware description language utilized is Verilog.

5.1. Fpga Implementation of Self-Assembly Intermediate Filaments Reaction System

The cytoskeleton of eukaryotic cells constitutes three protein filaments: microtubules, actin filaments, and intermediate filaments (IFs) [27,28]. In the self-assembly process (in vitro) of intermediate filaments, monomers polymerize to tetramers (signified by T) through dimers. While this stage is usually skipped, tetramers are the initial objects. In the next stage, double tetramers concatenate laterally to one octamer (O). Then, two octamers combine together to form a hexadecamer (H). At last a couple of hexadecameres connect to one unit length filament ( F u ). An elongation reaction associates two F u s to generate short filaments F s longer than F u . With merger reactions, F s s and/or F u s are attached to form long filaments F l s (containing at least three F u s). Filaments composed of F l are compressed radially in the last stage, which is omitted too since the components do not change.
The corresponding molecular reactions and reaction system counterparts of this IF presented in [6] are contrasted in Table 2. Accordingly, the reaction system of this IF is R i f l 1 = ( B 1 , A 1 ) , where the background set B 1 = {T,O,H, F u , F s , F l , d i } and A 1 comprises the reactions listed in Table 2.
The length of produced filaments can be controlled by adding inhibitors to some reactions, adding new entities in the context (the entity set introduced in each interactive process step), or getting rid of some reactions. A more complex variant of this reaction system, R i f l 2 = ( B 2 , A 2 ) , where the background set B 2 = { T , O , H , F u , F s , F l , long , s h o r t , F l o n g , d i } , is devised in [6] to generate filaments whose lengths vary with context entities. New inhibitors are appended to several reactions to substitute dummy inhibitor d i , and a new reaction is introduced. Reaction set A 2 is listed in Table 3. The interactive process is given in Table 4.
As stated in the reaction system FPGA implementation method (RSFIM), entities in applicable and inapplicable reactions in each interactive process step are represented as 1-bit registers whose values are logic 0 s or 1 s depending on the absence or presence of these entities. This technique leads to the interactive process being manifested with waveforms of entities involved. The waveform of the IF interactive process corresponding to Table 4 is portrayed in Figure 2a. To verify the correctness of RSFIM, design the RTL model of R i f l 2 in light of RSFIM and perform the behavioral simulation to estimate the functionality of the RTL model. The behavioral simulation waveform of R i f l 2 RTL model generated by Vivado is shown in Figure 2b. From the contrast of these two waveforms, it is observed that the designed RTL model of R i f l 2 fits in with expectations of its function [24]. The visual illustrations of RTL logic for the self-assembly intermediate filaments reaction system defined in Table 3 are given in Figure 3.
Since the RTL model behaves exactly as expected, it is ready to proceed with the FPGA development flow. The next step is to define physical constraints, which include the mapping between RTL model ports to FPGA package pins (called I/O, planning as shown in Figure 4), the setting of clock period (a pre-estimated value), and the setup of hardware debug. Once the physical constraints had been specified, the synthesis of design can be performed. After synthesis, the timing report, which can be opened with the Tcl command report_timing_summary, is provided in the synthesized design. There is a part called “Max Delay Paths” in the timing report in which time slack is given at the first line. While the “Requirement” line shows the predefined clock period. If the slack is negative, the minimum clock period should be the sum of time in the “Requirement” line and the absolute value of the slack; otherwise, the difference of these two values. However, this minimum clock period is also an estimated value. The actual minimum clock period, which is identified as 5 ns for R i f l 2 , can only be confirmed after implementation. The screenshots of “Max Delay Paths” and post-implementation timing summary of R i f l 2 are given in Figure 5.The output ports of the RTL model are marked as debug signals so that their waveforms can be observed in the hardware debug window after programming FPGA with design bitstream file.
Post-implementation timing simulation is a significant procedure to evaluate the performance of a designed model because gate delays and data path delays are considered. It is noted that during simulations, the clock period is defined by setting the half period, and real numbers are rounded to the nearest integers. This means if the clock period is an odd number, the actual clock is 1 ns longer for the 0.5 is rounded to 1. This is the case for the implementation of R i f l 2 because the clock period is 5 ns. To assess the performance, two post-implementation timing simulations with 4 ns and 6 ns as clock periods are carried out, shown in Figure 6. The mean integer value, 166 ns, is used as the elapsed time for 11 steps of R i f l 2 . A 5 ns clock period implies that the computation speed is 2 × 10 8 steps per second, and its corresponding frequency is 200 MHz. Computing logic expressions composed of 1-bit variables is very efficient compared with arithmetic expressions involving multiple-bit variables.
After post-implementation simulation is completed, perform generating a bitstream file and programming the device with this file. As output port variables are marked as debug signals in the Verilog codes, the integrated logic analyzer (ILA) dashboard appears after device programming. Add all the marked signals to the trigger/capture setup windows and run; results calculated by FPGA are shown in the dashboard in the form of waveforms, as can be seen in Figure 7. Compared with post-implementation timing simulation, the dynamic changing of logic values is not captured for the clock period is quite short-ranged.

5.2. Fpga Implementation of Heat Shock Response Reaction System

Heat shock response is a eukaryotic cellular stress response to excessive temperature rise, heavy metal toxicity, associated diseases, and related noxious stimuli [29,30]. Proteins ( p r o t ) of a cell are misfolded under these stresses and transformed to misfolded proteins ( m f p ). The primary function of heat shock response of eukaryotes is to produce the heat shock proteins ( h s p ) working as chaperones for m f p to refold them. h s p encoded genes, h s e , take charge of this response process while transcription of these genes is intermediated by trimers of heat shock factors ( h s f 3 ). h s f 3 binds to the promoter site of h s e , generating h s f 3 : h s e . Consequently, h s p synthesis is triggered to produce more h s p until a high level to refold p r o t . Then, the heat shock response ceases. On the other side, h s p binds with h s f to form h s p : h s f . When the temperature ascends again, h s p : h s f will be broken to release h s f s which polymerizes h s f 3 , so the heat shock response restarts.
A heat shock response reaction system, R h s r = ( B 3 , A 3 ) is proposed in [5], where B 3 constitutes of entities in Table 5 and A 3 consists of reactions in the same table. The interactive processes without temperature stress (at 37 °C) and with temperature stress (at 42 °C) are listed in Table 6 and Table 7, respectively. R h s r with the two interactive processes is modeled as two distinct RTL models, R h s r 1 and R h s r 2 , for their input/output ports are a little different [24]. The visual illustration of RTL logic for the heat shock response reaction system defined in Table 5 with the interactive process defined in Table 7 is given in Figure 8.
To validate the exactness of RSFIM once more, the expected waveform and RTL model behavioral simulation waveform of Table 7 are portrayed in Figure 9. The clock period of this model is verified as 5 ns after post-implementation timing simulation, which means the computation speed is also 2 × 10 8 steps per second (200 MHz). Hardware debug, which delivers computing results of FPGA implementation of two heat shock response RS, is given in Figure 10.

5.3. Fpga Implementation of ErbB Reaction System

ErbBs are tyrosine kinases serving as receptors with positions crossing the plasma membrane of cells. ErbB receptors (called ErbBs for convenience hereinafter) and their corresponding ligands, i.e., epidermal growth factors, combine to trigger a complex network of signaling pathways that play significant roles in cells’ lifecycles. The basic function of coupled ErbB/ligand is mediating cell interactions to underlie behaviors such as cell proliferation, differentiation, and apoptosis [31]. There are 4 types of ErbBs entitled as ErbB1 to ErbB4. Among them, ErbB1 is the human epidermal growth factor, while ErbB2 is an oncoprotein whose action should be inhibited. ErbB2 has no high-affinity ligand binding with it. ErbB3 has quite low kinase activity, so it is almost inactive. ErbB3 and ErbB4 share the same ligand, the neuregulin (NRG). Although ErbB4 has a limited expression pattern, it was associated with cellular chemotaxis, proliferation, and differentiation [32].
It is highlighted that the four types of ErbB form homodimers or heterodimers rather than single receptors to bind ligands. ErbB2 overexpression leads to the bias to the formation of heterodimers containing ErbB2. However, ErbB2 homodimers can also form in ErbB2-overexpressing cells. As a result, more dimers having ErbB2 can be detected.
Simple organisms such as nematodes and fruit flies have linear ErbB signaling pathways. This linear version evolved into sophisticated, multilayered ones in high organisms. This network can be delaminated into an input layer, processing layer, and output layer according to the distinct functions involved. The input layer consists of ErbB receptors and their ligands. ErbB receptors insert in the cell plasma membranes, with a large part of transmembrane precursor standing outside of the membrane and a small part of successor residing inside. In the processing layer, intracellular signals are generated after the combination of ErbBs and their ligands [33]. These signals are received by adaptor proteins and enzymes, which activate transcription factors in the nucleus to trigger transcriptional programs inside. As outcomes of the processing layer, a series of behaviors, including cell adhesion, migration, growth, differentiation, and apoptosis, comprise the output layer. With all these in mind, the signaling network starts from the combination of ligands and ErbB receptors, inducing a myriad of downstream interconnected signal pathways from ErbB receptors to adaptors/enzymes and subsequently from adaptors/enzymes to transcription factors [34].
The ErbB network plays a critical role in the development of organs. ErbB1 and its ligands, especially transforming growth factor (TGF- α and TGF- β ) and epidermal growth factor (EGF), are indispensable for epithelial-related organs, i.e., skin, gastrointestinal tract, hair, and eyes. While the other three ErbBs and their heterodimers, together with their neuregulin (NRG) ligands, are vital for cardiac and neural organ development [35]. Unfortunately, when the ErbB signaling network produces cell proliferation signals to regulate a variety of cell developments, cancers and oncogenic viruses also take advantage of these signals to handle oncogenic mutations [36]. Many cancer cells have hyperactive ErbB signaling pathways. ErbB1 overexpression accompanied by EGF-like ligands was observed in common cancers. ErbB2 overexpression had an evident relation to breast cancer, and it was correlated to resistance to anti-estrogen therapy. Research showed ErbB3 co-expressed with ErbB2 in oral squamous cell carcinoma. ErbB3 was not found to express alone, for it is catalytically inactive [37]. ErbB4 was expressed in breast and prostate cancer with a lower level, and it was also expressed in childhood medulloblastomas. A simplified ErbB network is depicted in Figure 11.
As an emblematic instance of the ErbB signaling network, the ErbB receptor signal transduction in human mammary epithelial cells [16,38] is a large-scale model represented by a graph with 245 nodes and 1100 arcs. It was characterized in a Boolean logic formalism at first and then in the form of a reaction system having 246 entities and 6720 reactions [14]. An interactive process with 1000 steps was assigned to this reaction system to evaluate its CPU and GPU simulation. The same interactive process is utilized in FPGA implementation of this ErbB reaction system so that the speedup of FPGA implementation can be assessed on the basis of software simulation running time. To facilitate FPGA implementation of large-scale models containing thousands of reactions and entities, a compiler called RStoVerilog, which transforms reaction systems into Verilog codes, was developed with Java. RStoVerilog utilizes standard compiling techniques to parse the input file containing descriptions of the target reaction system and its interactive process. Indicating input, output, and internal entities after parsing is needed since input and output ports should be defined in Verilog modules. Entities not in any product set are identified as input variables. Alternatively, we can add annotations specifying input and output entities in the source file. Reaction systems are transformed into logic expressions after the identification. In the next, a Verilog module corresponding to the target reaction system and its test bench are generated [26]. The source code of RStoVerilog can be downloaded at [39].
Perform FPGA implementation of this ErbB reaction system in line with RSFIM; waveforms of post-implementation timing simulation with 4 ns and 6 ns as clock periods are portrayed in Figure 12. The mean time, 5098.644 ns, is deemed as the running time of its FPGA implementation. It was reported in [14,17] that brsim cost an average of 4.28 s to complete simulation, while HERESY CPU simulation cost an average of 10.25 s. The average elapsed time for HERESY GPU simulation is 0.39 s. The speedup is defined as the quotient of which the running time of software simulation is the dividend and the running time of FPGA implementation is the divisor. So compared with GPU simulation, which has the best performance among CPU/GPU simulations, FPGA implementation achieves a speedup of 7.649 × 10 4 . The running times of CPU/GPU simulations and FPGA implementation of the ErBb reaction system and the corresponding speedups are listed in Table 8. The hardware resource consumption and power dissipation of FPGA-hardened ErbB reaction system are presented in Figure 13, which are reported by Vivado IDE.
Figure 11. A simplified ErbB signaling network. ErbB2 binds no ligands with high affinity, while ErbB3 is catalytically inactive. A blue cross is put on the tail of ErbB3 to signify this fact. Entities in hexagons are adaptor proteins and enzymes. For example, Jak is janus kinase; Akt is a serine/threonine kinase. Transcription factors are enclosed in rhombuses. For instance, Stat is signal transducer and activator of transcription. This figure is composed on the basis of research findings of [40,41].
Figure 11. A simplified ErbB signaling network. ErbB2 binds no ligands with high affinity, while ErbB3 is catalytically inactive. A blue cross is put on the tail of ErbB3 to signify this fact. Entities in hexagons are adaptor proteins and enzymes. For example, Jak is janus kinase; Akt is a serine/threonine kinase. Transcription factors are enclosed in rhombuses. For instance, Stat is signal transducer and activator of transcription. This figure is composed on the basis of research findings of [40,41].
Electronics 13 04929 g011

6. Fpga Implementation of Reaction System Binary Counter

In above studies, values in 1-bit registers representing entities are used to denote the presence (logic 1) and absence (logic 0) of entities. The binary form (1 and 0) of this representation induces the construction of quantitative models with reaction systems, such as a binary counter [8]. However, for constructing a binary counter with a reaction system, the representation of binary numbers matters. Specifically, binary numbers are represented in this way: if the nth bit is 1, then this bit is denoted by b n 1 ( n Z + , n > 1 ); for bits having value 0, they are not signified. Hence only bits having value 1 are present, but bits having value 0 are absent. According to this representation, a 4-bit binary number 1010 is denoted from most significant bit (msb) to least significant bit (lsb) by { b 4 , b 2 }. Bit four and bit two are 1 s so they should be present. Bit three and bit one are absent for they are 0 s. For example, the n-bit number 01010 011 can be expressed as { b n 1 , b n 3 , b 2 , b 1 }. b 0 is preserved as the sign of successor function that adds 1 to the binary number followed by b0. For instance, { b 4 , b 2 , b 0 } stands for adding 1 to { b 4 , b 2 } (representing 1010).
For a n-bit binary number, assume the i-th bit b i = 1 and the j-th bit b j = 0 , 0 j < i n , then b i = 1 holds if b 0 is attached. This fact can be reflected by the set of reactions r i j = ( { b i } , { b j } , { b i } ) where 0 j < i n . If b i = 0 and all the bits lower than i are 1s, then b i = 1 and all the bits lower than i become 0 s after the adding of 1. This situation is represented by the reaction set a i = ( { b 0 , b 1 , , b i 1 } , { b i } , { b i } ) where 1 i n . With these two reaction sets, a reaction system performing a binary counter function can be built as R b c = ( B n , A n ) where B n = { b 0 , b 1 , , b n } , A n = { r i j | 0 j < i n } { a i | 1 i n } [3].
Taking n = 4 as an example, the reactions of binary counter R b c is listed in Table 9. To implement this counter onto FPGA, reactions are transformed to Boolean expressions, as shown in Equation (1) which can be simplified to Equation (2). ⊕ stands for XOR operation.
b 1 = ( b 1 b 0 ¯ ) ( b 1 ¯ b 0 ) b 2 = ( b 2 b 0 ¯ ) ( b 2 b 1 ¯ ) ( b 2 ¯ b 1 b 0 ) b 3 = ( b 3 b 0 ¯ ) ( b 3 b 1 ¯ ) ( b 3 b 2 ¯ ) ( b 3 ¯ b 2 b 1 b 0 ) b 4 = ( b 4 b 0 ¯ ) ( b 4 b 1 ¯ ) ( b 4 b 2 ¯ ) ( b 4 b 3 ¯ ) ( b 4 ¯ b 3 b 2 b 1 b 0 )
b 1 = b 1 b 0 b 2 = b 2 ( b 1 b 0 ) b 3 = b 3 ( b 2 b 1 b 0 ) b 4 = b 4 ( b 3 b 2 b 1 b 0 )
Nowadays many kinds of computational/controlling models are implemented on FPGAs for their high performance, low power consumption, and low cost compared with ASICs or ICs. Reaction systems implemented on FPGA may be used in practical applications, where receiving data from sensors or from other devices and transmitting computational results are indispensable. The universal asynchronous receiver/transmitter (UART) is a widely used serial communication device which can be added to the FPGA implemented models to receive and transmit data. The combination of the FPGA-implemented reaction system and the UART is investigated hereinafter to pave the way for potential applications. Furthermore, the study of combining an FPGA-implemented reaction system with a UART component serves as a meaningful reference for related research. The b 0 signal sending from the host computer is received by the UART receiver. These data are stored in registers at first and then transmitted by a special UART transmitter to the RS counter at a speed in harmony with the computing speed of the RS counter. The counting result is transmitted back to host computer by a normal UART transmitter to display directly, making hardware debug procedures unnecessary. The challenge in the combination of UART with RS counter consists in the coordination of communicating rate and computing rate. In this research, the 10-bit data frame consisting of 1 bit start of frame (SOF), 8-bit data, and 1-bit end of frame (EOF) with no parity bit is used. b 0 = 1 denotes the successor function of adding 1 is performed so the value in the counter will augment by 1. b 0 = 0 means that the successor function will not happen. Thereupon the number of 1s imported from the port representing b 0 determines the count result [24].
The RTL model of RS counter has three 1-bit input ports: clk the clock port, e 0 in the input port of b 0 , and state which controls the shift of work mode between idle and busy. The output port is an 8-bit variable E whose initial value is 0. The experiment is arranged as follows: 32 frames of 8-bit data are sent from the host computer UART transmitter to the UART-RS counter. In each frame, only one bit is 1 and the others are 0 s. It does not matter which bit is 1. There are thirty-two 1s in total passing through the b 0 port, so the successor function of adding 1 is executed 32 times, resulting in the value of E being 32. This value is transmitted from FPGA to host computer to display.
However, we should bear in mind that the UART data frame ends with logic 1 (high level). Each 1 at the end of a frame will be counted by the RS binary counter as well, resulting in a wrong outcome. To avoid this mistake, data frames are received by the UART receiver R 1 and stored in thirty-two 8-bit registers successively. A special transmitter T 1 whose EOF is also 0 sends these data serially to the RS counter. After counting completed, the result is sent back to host computer by normal transmitter T 2 . The transmission/reception rate of UART is set as 9600 baud. A clock whose frequency is 9600 Hz should be synthesized for UART implemented on FPGA. The direct digital synthesis (DDS) [42] technique is used to create the demanded clock frequency from the master clock whose frequency is 100 MHz.
To sample data at the most stable phase of bit width, the frequency of UART receiver R 1 is expedited to 9600 × 16 Baud. So in a period of host computer transmitter clock, there are 16 periods of R 1 clock. Performing positive edge detection of the R 1 clock, 16 high levels can be gotten. A counter C 1 counts the number of high levels from 0 to 15. Sample data when the value of C 1 is 7 to obtain the most stable value for it is far away from two endpoints of the bit width where signal hopping happens. When C 1 = 15 , counter C 2 , whose initial value is 0, adds 1 to itself. During C 2 = 0 and C 2 = 9 , no samplings are executed to skip the SOF and EOF of each data frame.
Data frames received by R 1 are stored in thirty-two 8-bit registers from a 0 to a 31 serially. Once a register is fully loaded, a high level signal R f generated by the edge detection method arises and a counter C 3 counts the number of this signal from 0 to 31. The host computer sends data at 9600 baud, and R 1 receives data at the same rate. The frequency of R f is 960 baud because it turns to high level after R 1 receiving one frame. The high-level signal R f drives T 1 to begin transmitting data to the RS counter. If the computing rate of the RS counter is larger than 9600 baud, the same bit will be counted multiple times. And if this rate is smaller, some bits will be omitted. Both of these situations give rise to errors. Hence T 1 sends 10 bits (a data frame) at the speed of 9600 baud as well, with 0 rather than 1 as the EOF for the reason stated above. Counter C 4 counts the number of bits sent by T 1 . The counting result of RS counter is transmitted back to the host computer by a normal UART transmitter T 2 with 1 as EOF, at the rate of 9600 baud.
The RTL block diagram of the UART-RS counter is presented in Figure 14. The result of the communication experiment between the host computer and FPGA is shown in Figure 15, where numbers are represented in hexadecimal so that 20 denotes decimal 32. The serial debugging software used to present the counting result is RealTerm 3.0.1.44. This result validates the correctness of RS counter and its UART communication component [24].

7. Conclusions

In the FPGA implementation of reaction systems, reactions are represented as logic expressions for the underlying qualitative property of threshold supply assumption. Duration of entities is interpreted as clock period to present no permanency assumption. Two small scale biological models modeled by RS, i.e., intermediate filaments self-assembly RS and heat shock response RS are implemented on FPGA, achieving a computing speed of 2 × 10 8 step per second. The FPGA implementation of ErbB reaction system, which is a large scale one, obtains a speedup of 7.649 × 10 4 compared with its GPU simulation which has the best performance. The binary counter which is a quantitative model constructed by a reaction system is implemented on FPGA as well. Reaction systems implemented on FPGA may be used in practical applications, where receiving data from sensors or from other devices and transmitting results are indispensable. So we investigated the combination of FPGA implemented reaction system and the UART components to pave the way for potential applications. These two parts are connected as a entirety and implemented in FPGA. The communicating rate of UART component coordinates with the computing speed of RS counter to output correct results. The communication experiment shows that UART-RS counter works as expected.
Essentially, a reaction system is a set of reactions. With the input of context sequence C i , some reactions are facilitated so applicable and some are inhibited. All the applicable reactions are executed concurrently, without conflict for competing common entities. Logic expressions corresponding to reactions are put in the always block of Verilog HDL and the non-blocking assignment operator is used to perform parallel assignment. The duration of a interactive process step is indicated by the clock period of FPGA.
The high performance of proposed reaction system FPGA implementation method (RSFIM) stems from (1) the avoidance of selecting applicable reactions (logic expressions corresponding to all reactions are executed in parallel regardless of their applicability), and (2) the avoidance of communication method to import context entities in each step of the interactive process. Quantitativeness and qualitativeness are different facets which are related tightly in digital circuits. A computer can output quantitative outcomes while digital circuits inside CPU perform Boolean algebra which can be regarded as “qualitative”. This fact implies that qualitative models have special potentialities which deserve to be investigated deeply.

Author Contributions

Investigation, methodology, writing—original draft, Z.S.; conceptualization, supervision, software, S.V.; project administration, funding acquisition, J.L.; validation, writing—review & editing, Z.W.; formal analysis, writing—review and editing, M.Z. All authors have read and agreed to the published version of the manuscript.

Funding

This work is supported by the Scientific Project of Civil Aviation Flight University of China under grant number 24CAFUC03040, Institute of Technology and Standard for Intelligent Management of Air Traffic Safety Project under grant number JG2022-18, Fundamental Research Funds for the Central Universities under grant number JG2023-53, J2022-042, and PHD2023-027, Civil Aviation Professional Project under grant number MHJY2023027, and Sichuan Science and Technology Program under grant number 2023YFG0308.

Data Availability Statement

The original contributions presented in the study are included in the article, further inquiries can be directed to the corresponding author.

Conflicts of Interest

The authors declare no conflicts of interest. The funders had no role in the design of the study; in the collection, analyses, or interpretation of data; in the writing of the manuscript; or in the decision to publish the results.

References

  1. Ehrenfeucht, A.; Rozenberg, G. Reaction systems. Fundam. Inform. 2007, 75, 263–280. [Google Scholar]
  2. Ehrenfeucht, A.; Rozenberg, G. Introducing time in reaction systems. Theor. Comput. Sci. 2009, 410, 310–322. [Google Scholar] [CrossRef]
  3. Brijder, R.; Ehrenfeucht, A.; Main, M.; Rozenberg, G. A tour of reaction systems. Int. J. Found. Comput. Sci. 2011, 22, 1499–1517. [Google Scholar] [CrossRef]
  4. Koutny, M.; Pietkiewicz-Koutny, M.; Yakovlev, A. Asynchrony and persistence in reaction systems. Theor. Comput. Sci. 2021, 881, 97–110. [Google Scholar] [CrossRef]
  5. Azimi, S.; Iancu, B.; Petre, I. Reaction system models for the heat shock response. Fundam. Inform. 2014, 131, 299–312. [Google Scholar] [CrossRef]
  6. Azimi, S.; Shah, C.; Czeizler, E.; Petre, I. Reaction systems models for the self-assembly of intermediate filaments. Ann. Univ. Buchar. 2015, LXII, 9–24. [Google Scholar]
  7. Azimi, S.; Panchal, C.; Mizera, A.; Petre, I. Multi-stability, limit cycles, and period-doubling bifurcation with reaction systems. Int. J. Found. Comput. Sci. 2017, 28, 1007–1020. [Google Scholar] [CrossRef]
  8. Salomaa, A. Applications of the Chinese remainder theorem to reaction systems with duration. Theor. Comput. Sci. 2015, 598, 15–22. [Google Scholar] [CrossRef]
  9. Azimi, S.; Gratie, C.; Ivanov, S.; Petre, I. Dependency graphs and mass conservation in reaction systems. Theor. Comput. Sci. 2015, 598, 23–39. [Google Scholar] [CrossRef]
  10. Rogojin, V.; Azimi, S.; Petre, I. Web Interface for Basic Reaction System Simulator. 2015. Available online: http://combio.abo.fi/research/reaction-systems/reaction-system-simulator/ (accessed on 3 March 2024).
  11. Ivanov, S.; Rogojin, V.; Azimi, S.; Petre, I. WEBRSIM: A Web-Based Reaction Systems Simulator. In Enjoying Natural Computing—Essays Dedicated to Mario de Jesús Pérez-Jiménez on the Occasion of His 70th Birthday; Díaz, C.G., Riscos-Núñez, A., Paun, G., Rozenberg, G., Salomaa, A., Eds.; Lecture Notes in Computer Science; Springer: Berlin/Heidelberg, Germany, 2018; Volume 11270, pp. 170–181. [Google Scholar]
  12. Azimi, S.; Gratie, C.; Ivanov, S.; Manzoni, L.; Petre, I.; Porreca, A.E. Complexity of model checking for reaction systems. Theor. Comput. Sci. 2016, 623, 103–113. [Google Scholar] [CrossRef]
  13. Meski, A.; Penczek, W.; Rozenberg, G. Model checking temporal properties of reaction systems. Inf. Sci. 2015, 313, 22–42. [Google Scholar] [CrossRef]
  14. Nobile, M.S.; Porreca, A.E.; Spolaor, S.; Manzoni, L.; Cazzaniga, P.; Mauri, G.; Besozzi, D. Efficient Simulation of Reaction Systems on Graphics Processing Units. Fundam. Inform. 2017, 154, 307–321. [Google Scholar] [CrossRef]
  15. Nobile, M.S.; Porreca, A.E.; Spolaor, S. HERESY GitHub Repository. 2017. Available online: https://github.com/aresio/HERESY/ (accessed on 17 March 2024).
  16. Helikar, T.; Kochi, N.; Kowal, B.; Dimri, M.; Naramura, M.; Raja, S.M.; Band, V.; Band, H.; Rogers, J.A. A comprehensive, multi-scale dynamical model of ErbB receptor signal transduction in human mammary epithelial cells. PLoS ONE 2013, 8, e61757. [Google Scholar] [CrossRef] [PubMed]
  17. Ferretti, C.; Leporati, A.; Manzoni, L.; Porreca, A.E. The many roads to the simulation of reaction systems. Fundam. Inform. 2020, 171, 175–188. [Google Scholar] [CrossRef]
  18. Pino, J.C.; Prugger, M.; Lubbock, A.L.; Harris, L.A.; Lopez, C.F. Accelerated simulations of chemical reaction systems using the stochastic simulation algorithm on GPUs. bioRxiv 2020. [Google Scholar] [CrossRef]
  19. Köster, T.; Herrmann, L.; Andelfinger, P.; Uhrmacher, A. GPU-Accelerated Simulation Ensembles of Stochastic Reaction Networks. In Proceedings of the 2022 Winter Simulation Conference (WSC), Singapore, 11–14 December 2022; pp. 2570–2581. [Google Scholar]
  20. Coggins, M. Modelling Gene-Protein-Reaction Associations on an FPGA. bioRxiv 2019. [Google Scholar] [CrossRef]
  21. Soma, B.M.; Moumita, A.; Samik, B.; Amlan, C. FPGA implementation of different stochastic biochemical reactions involved in a cell. In Proceedings of the 2021 25th International Symposium on VLSI Design and Test (VDAT), Surat, India, 16–18 September 2021; pp. 1–4. [Google Scholar]
  22. Pérez, F.M.; Mendez, L.Z.; Martínez, J.V.B.; Lima, R.S.; Fonseca, I.L. Architectural model of the human neuroregulator system based on multi-agent systems and implementation of system-on-chip using FPGA. Microprocess. Microsyst. 2022, 89, 104431. [Google Scholar] [CrossRef]
  23. Acharya, M.; Dey, S.; Chakrabarti, A.; Mandal, S.B. FPGA based library subset design for different biochemical reactions involved in a cell. Sādhanā 2023, 48, 264. [Google Scholar] [CrossRef]
  24. Shang, Z. Hardware Implementation of Cell-Inspired Computational Models. Ph.D. Thesis, Université Paris-Est, Créteil, France, 2020. [Google Scholar]
  25. Shannon, C.E. A symbolic analysis of relay and switching circuits. Electr. Eng. 1938, 57, 713–723. [Google Scholar] [CrossRef]
  26. Shang, Z.; Verlan, S.; Petre, I.; Zhang, G. Reaction Systems and Synchronous Digital Circuits. Molecules 2019, 24, 1961. [Google Scholar] [CrossRef]
  27. Dutour-Provenzano, G.; Etienne-Manneville, S. Intermediate filaments. Curr. Biol. 2021, 31, 522–529. [Google Scholar] [CrossRef]
  28. Zhou, X.; Lin, Y.; Kato, M.; Mori, E.; Liszczak, G.; Sutherland, L.; Sysoev, V.O.; Murray, D.T.; Tycko, R.; McKnight, S.L. Transiently structured head domains control intermediate filament assembly. Proc. Natl. Acad. Sci. USA 2021, 118, e2022121118. [Google Scholar] [CrossRef] [PubMed]
  29. Kurop, M.K.; Huyen, C.M.; Kelly, J.H.; Blagg, B.S. The heat shock response and small molecule regulators. Eur. J. Med. Chem. 2021, 226, 113846. [Google Scholar] [CrossRef]
  30. Lang, B.J.; Guerrero, M.E.; Prince, T.L.; Okusha, Y.; Bonorino, C.; Calderwood, S.K. The functions and regulation of heat shock proteins; key orchestrators of proteostasis and the heat shock response. Arch. Toxicol. 2021, 95, 1943–1970. [Google Scholar] [CrossRef] [PubMed]
  31. Hassan, G.; Seno, M. ERBB signaling pathway in cancer stem cells. In Cancer Stem Cell Markers and Related Network Pathways; Springer: Berlin/Heidelberg, Germany, 2023; pp. 65–81. [Google Scholar]
  32. Morato, A.; Accornero, P.; Hovey, R.C. ERBB Receptors and Their Ligands in the Developing Mammary Glandsof Different Species: Fifteen Characters in Search of an Author. J. Mammary Gland. Biol. Neoplasia 2023, 28, 10. [Google Scholar] [CrossRef]
  33. Toscani, A.M.; Aguilera, P.; Coluccio Leskow, F. Discoidin domain receptor 1 regulates ErbB2/ErbB3 signaling in mammary epithelial cells. Febs Lett. 2022, 596, 2795–2807. [Google Scholar] [CrossRef] [PubMed]
  34. Antonarelli, G.; Corti, C.; Tarantino, P.; Salimbeni, B.; Zagami, P.; Marra, A.; Trapani, D.; Tolaney, S.; Cortes, J.; Curigliano, G. Management of patients with HER2-positive metastatic breast cancer after trastuzumab deruxtecan failure. ESMO Open 2023, 8, 101608. [Google Scholar] [CrossRef]
  35. VanSlyke, J.K.; Boswell, B.A.; Musil, L.S. Tonic ErbB signaling underlies TGFβ-induced activation of ERK and is required for lens cell epithelial to myofibroblast transition. Mol. Biol. Cell 2024, 35, ar35. [Google Scholar] [CrossRef] [PubMed]
  36. Drago, J.Z.; Ferraro, E.; Abuhadra, N.; Modi, S. Beyond HER2: Targeting the ErbB receptor family in breast cancer. Cancer Treat. Rev. 2022, 109, 102436. [Google Scholar] [CrossRef] [PubMed]
  37. Koivu, M.K.; Chakroborty, D.; Airenne, T.T.; Johnson, M.S.; Kurppa, K.J.; Elenius, K. Trans-activating mutations of the pseudokinase ERBB3. Oncogene 2024, 43, 2253–2265. [Google Scholar] [CrossRef]
  38. Schumacher, N.; Thomsen, I.; Brundert, F.; Hejret, V.; Düsterhöft, S.; Tichý, B.; Schmidt-Arras, D.; Voss, M.; Rose-John, S. EGFR stimulation enables IL-6 trans-signalling via iRhom2-dependent ADAM17 activation in mammary epithelial cells. Biochim. Biophys. Acta (Bba) Mol. Cell Res. 2023, 1870, 119489. [Google Scholar] [CrossRef] [PubMed]
  39. Verlan, S. RStoVerilog Compiler. Available online: https://github.com/sverlan/RStoVerilog/ (accessed on 9 May 2024).
  40. Kumagai, S.; Koyama, S.; Nishikawa, H. Antitumour immunity regulated by aberrant ERBB family signalling. Nat. Rev. Cancer 2021, 21, 181–197. [Google Scholar] [CrossRef]
  41. Okada, T.; Miyagi, H.; Sako, Y.; Hiroshima, M.; Mochizuki, A. Origin of diverse phosphorylation patterns in the ERBB system. Biophys. J. 2022, 121, 470–480. [Google Scholar] [CrossRef]
  42. Zou, L.; Motiyenko, R.A.; Margulès, L.; Alekseev, E.A. Millimeter-wave emission spectrometer based on direct digital synthesis. Rev. Sci. Instrum. 2020, 91, 063104. [Google Scholar] [CrossRef]
Figure 1. Reaction system FPGA implementation method (RSFIM). In RSFIM, the register transfer level model (RTL) is designed at first, which will be transformed to switching circuits (digital circuits) as the intermediate form. Then, these circuits are placed and routed on the FPGA, obtaining the FPGA circuits eventually. Number 1–3 in this figure indicate the three steps of RSFIM mentioned above.
Figure 1. Reaction system FPGA implementation method (RSFIM). In RSFIM, the register transfer level model (RTL) is designed at first, which will be transformed to switching circuits (digital circuits) as the intermediate form. Then, these circuits are placed and routed on the FPGA, obtaining the FPGA circuits eventually. Number 1–3 in this figure indicate the three steps of RSFIM mentioned above.
Electronics 13 04929 g001
Figure 2. Waveform comparison of interactive process of R i f l 2 = ( B 2 , A 2 ) . (a) The expected waveform of interactive process listed in Table 4. The blue solid lines indicate context entities. (b) Vivado behavioral simulation waveform of interactive process of R i f l 2 . The clock period is set as 10 ns.
Figure 2. Waveform comparison of interactive process of R i f l 2 = ( B 2 , A 2 ) . (a) The expected waveform of interactive process listed in Table 4. The blue solid lines indicate context entities. (b) Vivado behavioral simulation waveform of interactive process of R i f l 2 . The clock period is set as 10 ns.
Electronics 13 04929 g002
Figure 3. The schematic of RTL logic for self-assembly intermediate filaments reaction system defined in Table 3.
Figure 3. The schematic of RTL logic for self-assembly intermediate filaments reaction system defined in Table 3.
Electronics 13 04929 g003
Figure 4. Physical constraints setting of R i f l 2 . Gray circles with wide orange bars are pins allocated to RTL model ports. The blue hexagon at bottom left with an orange bar inside is the clock pin.
Figure 4. Physical constraints setting of R i f l 2 . Gray circles with wide orange bars are pins allocated to RTL model ports. The blue hexagon at bottom left with an orange bar inside is the clock pin.
Electronics 13 04929 g004
Figure 5. The screenshots of “Max Delay Paths” and post-implementation timing summary of R i f l 2 . (a) The “Max Delay Paths” part from the post-synthesis timing report. The estimated minimum clock period should be 5 + 0.162 = 5.162 ns, which corresponds to a maximum frequency of 193.72 MHz. (b) The timing summary of the post-implementation when the clock period is set as 5 ns.
Figure 5. The screenshots of “Max Delay Paths” and post-implementation timing summary of R i f l 2 . (a) The “Max Delay Paths” part from the post-synthesis timing report. The estimated minimum clock period should be 5 + 0.162 = 5.162 ns, which corresponds to a maximum frequency of 193.72 MHz. (b) The timing summary of the post-implementation when the clock period is set as 5 ns.
Electronics 13 04929 g005
Figure 6. Post-implementation timing simulation of R i f l 2 . The mean value of the two simulations, 165.5 ns, is deemed as the computing time of FPGA when its clock period is 5 ns. (a) Post-implementation timing simulation with 4 ns clock period. FPGA costs 154 ns to complete computation. (b) Post-implementation timing simulation with 6 ns clock period. FPGA costs 177 ns to complete computation.
Figure 6. Post-implementation timing simulation of R i f l 2 . The mean value of the two simulations, 165.5 ns, is deemed as the computing time of FPGA when its clock period is 5 ns. (a) Post-implementation timing simulation with 4 ns clock period. FPGA costs 154 ns to complete computation. (b) Post-implementation timing simulation with 6 ns clock period. FPGA costs 177 ns to complete computation.
Electronics 13 04929 g006
Figure 7. Hardware debug of R i f l 2 model. By this procedure, results computed by FPGA instead of computer CPU are revealed.
Figure 7. Hardware debug of R i f l 2 model. By this procedure, results computed by FPGA instead of computer CPU are revealed.
Electronics 13 04929 g007
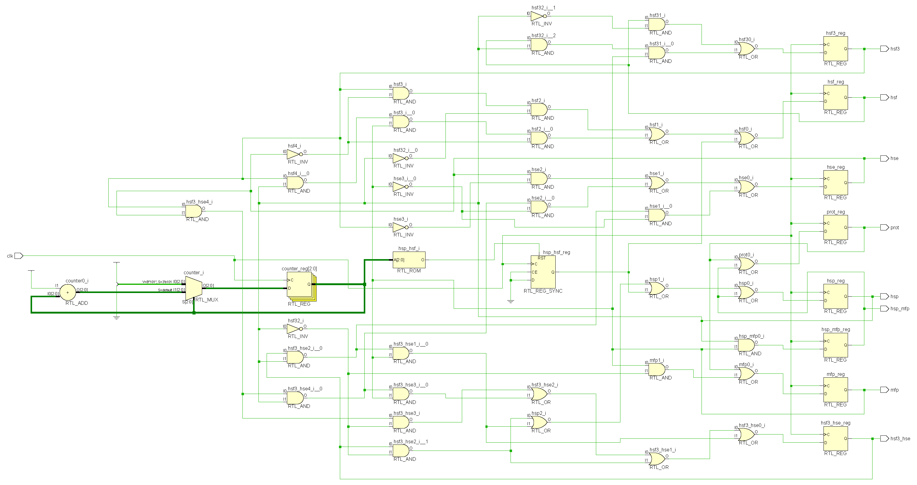
Figure 8. The schematic of the RTL logic for heat shock response reaction system defined in Table 5 with interactive process defined in Table 7.
Figure 8. The schematic of the RTL logic for heat shock response reaction system defined in Table 5 with interactive process defined in Table 7.
Electronics 13 04929 g008
Figure 9. Waveform comparison of interactive process 2 of R h s r = ( B 3 , A 3 ) . (a) The expected waveform of interactive process listed in Table 7. The blue solid lines indicate context entities. (b) Vivado behavioral simulation waveform of R h s r 2 RTL model with interactive process listed in Table 7. The clock period is set as 10 ns for simplicity.
Figure 9. Waveform comparison of interactive process 2 of R h s r = ( B 3 , A 3 ) . (a) The expected waveform of interactive process listed in Table 7. The blue solid lines indicate context entities. (b) Vivado behavioral simulation waveform of R h s r 2 RTL model with interactive process listed in Table 7. The clock period is set as 10 ns for simplicity.
Electronics 13 04929 g009
Figure 10. Hardware debug of two heat shock response reaction systems. As can be seen, steady-state values of output entities are the same as the corresponding ones in Figure 9. (a) Hardware debug of R h s r 1 model. (b) Hardware debug of R h s r 2 model.
Figure 10. Hardware debug of two heat shock response reaction systems. As can be seen, steady-state values of output entities are the same as the corresponding ones in Figure 9. (a) Hardware debug of R h s r 1 model. (b) Hardware debug of R h s r 2 model.
Electronics 13 04929 g010
Figure 12. Post- implementation timing simulation of ErbB reaction system. (a) Post-implementation timing simulation with 4 ns clock period. The elapsed time is 4099.146 ns. (b) Post-implementation timing simulation with 6 ns clock period. The elapsed time is 6098.141 ns.
Figure 12. Post- implementation timing simulation of ErbB reaction system. (a) Post-implementation timing simulation with 4 ns clock period. The elapsed time is 4099.146 ns. (b) Post-implementation timing simulation with 6 ns clock period. The elapsed time is 6098.141 ns.
Electronics 13 04929 g012
Figure 13. Hardware resources consumption and power dissipation of ErbB reaction system. The power consumption is 0.101 W, showing that this FPGA implementation is power efficient. (a) Hardware resources consumption. (b) The total power dissipation is the sum of dynamic and static consumption which is 0.101 W.
Figure 13. Hardware resources consumption and power dissipation of ErbB reaction system. The power consumption is 0.101 W, showing that this FPGA implementation is power efficient. (a) Hardware resources consumption. (b) The total power dissipation is the sum of dynamic and static consumption which is 0.101 W.
Electronics 13 04929 g013
Figure 14. RTL model block diagram of UART-RS counter. C s 1 to C s 4 are clock synthesis module producing desired clock frequencies.
Figure 14. RTL model block diagram of UART-RS counter. C s 1 to C s 4 are clock synthesis module producing desired clock frequencies.
Electronics 13 04929 g014
Figure 15. Communication experiment between host computer and FPGA hardened UART-RS counter.
Figure 15. Communication experiment between host computer and FPGA hardened UART-RS counter.
Electronics 13 04929 g015
Table 1. The summary table of key terms involved in the FPGA implementation of reaction systems.
Table 1. The summary table of key terms involved in the FPGA implementation of reaction systems.
TermTreatment in the FPGA Implementation
EntitiesAssign 1-bit registers to each entity. Logic values inside these registers indicate the presence (logic 1s) and absence (logic 0s) of the corresponding entities.
ReactionsTransform reactions into logic expressions. For reactions having multiple product entities, these reactions are divided into multiple sub-reactions with the same reactants and inhibitors and different products. For product entities generated by multiple reactions, the reactants and inhibitors of associated sub-reactions are concatenated with logic OR. Identifying applicable reactions in each step is time-consuming. So logic expressions representing applicable and inapplicable reactions are computed in each step to achieve better performance.
Interactive processThe duration of each step is denoted by the clock cycle of the FPGA. Entities in context sequence are introduced in accordance with their predefined order, with the help of a counter counting the number of clock cycles. The beginning of each step is indicated by the rising edge of the clock. To achieve high performance, inputting entities with communication methods is avoided for their limited speed. Instead, the importing of entities from the context sequence of the interactive process is internalized in the Verilog module of the target reaction system.
Table 2. Molecular reactions and their RS equivalents of self-assembly intermediate filaments.
Table 2. Molecular reactions and their RS equivalents of self-assembly intermediate filaments.
No.Molecular ReactionsRS Reactions
(1) 2 T O ({T},{ d i },{O})
(2) 2 O H ({O},{ d i },{H})
(3) 2 H F u ({H},{ d i },{ F u })
(4) 2 F u F s ({ F u },{ d i },{ F s })
(5) F u + F s F l ({ F u , F s },{ d i },{ F l })
(6) F u + F l F l ({ F u , F l },{ d i },{ F l })
(7) 2 F s F l ({ F s },{ d i },{ F l })
(8) F s + F l F l ({ F s , F l },{ d i },{ F l })
(9) 2 F l F l ({ F l },{ d i },{ F l })
Table 3. RS reactions of R i f l 2 = ( B 2 , A 2 ) .
Table 3. RS reactions of R i f l 2 = ( B 2 , A 2 ) .
No.RS Reactions
(1)({T},{ d i },{O})
(2)({O},{ d i },{H})
(3)({H},{ d i },{ F u })
(10)({ F u },{ F l o n g },{ F s })
(11)({ F u , F s },{short},{ F l })
(12)({ F s },{short},{ F l })
(13)({ F u , F l },{short},{ F l })
(14)({ F s , F l },{short},{ F l })
(15)({ F l },{short},{ F l })
(16)({ F l ,long},{ d i },{ F l o n g })
Table 4. Interactive process (11 steps) of R i f l 2 = ( B 2 , A 2 ) .
Table 4. Interactive process (11 steps) of R i f l 2 = ( B 2 , A 2 ) .
Step C i D i W i Applicable Reactions
0{T,short}{T,short}(1)
1{T,short}{O}{T,O,short}(1),(2)
2{T,short}{O,H}{T,O,H,short}(1)∼(3)
3{T,short}{O,H, F u }{T,O,H, F u ,short}(1)∼(3),(10)
4{T,short}{O,H, F u , F s }{T,O,H, F u , F s ,short}(1)∼(3),(10)
5{T,long}{O,H, F u , F s }{T,O,H, F u , F s ,long}(1)∼(3),(10)∼(12)
6{T,long}{O,H, F u , F s , F l }{T,O,H, F u , F s , F l ,long}(1)∼(3),(10)∼(16)
7{T,long}{O,H, F u , F s , F l , F l o n g }{T,O,H, F u , F s , F l , F l o n g ,long}(1)∼(3),(11)∼(16)
8{T,short}{O,H, F u , F l , F l o n g }{T,O,H, F u , F l , F l o n g ,short}(1)∼(3)
9{T,short}{O,H, F u }{T,O,H, F u ,short}(1)∼(3),(10)
10{T,short}{O,H, F u , F s }{T,O,H, F u , F s ,short}(1)∼(3),(10)
11{T,short}{O,H, F u , F s }{T,O,H, F u , F s ,short}(1)∼(3),(10)
Table 5. Reactions of heat shock response RS R h s r = ( B 3 , A 3 ) .
Table 5. Reactions of heat shock response RS R h s r = ( B 3 , A 3 ) .
No.RS Reactions
(17)({hsf},{hsp},{hsf3})
(18)({hsf,hsp,mfp},{ d i },{hsf3})
(19)({hsf3},{hse,hsp},{hsf})
(20)({hsf3,hsp,mfp},{hse},{hsf})
(21)({hsf3,hse},{hsp},{hsf3:hse})
(22)({hsf3,hse,hsp,mfp},{ d i },{hsf3:hse})
(23)({hse},{hsf3},{hse})
(24)({hse,hsf3,hsp},{mfp},{hse})
(25)({hsf3:hse},{hsp},{hsf3:hse,hsp})
(26)({hsf3:hse,hsp,mfp},{ d i },{hsf3:hse,hsp})
(27)({hsp,hsf},{mfp},{hsp:hsf})
(28)({hsp:hsf,stress},{nostress},{hsp,hsf})
(29)({hsp:hsf,nostress},{stress},{hsp:hsf})
(30)({hsp,hsf3},{mfp},{hsp:hsf})
(31)({hsp,hsf3:hse},{mfp},{hsp:hsf,hse})
(32)({prot,stress},{nostress},{prot,mfp})
(33)({prot,nostress},{stress},{prot})
(34)({hsp,mfp},{ d i },{hsp:mfp})
(35)({mfp},{hsp},{mfp})
(36)({hsp:mfp},{ d i },{hsp,prot})
Table 6. Interactive process 1 (five steps) of R h s r at 37 °C.
Table 6. Interactive process 1 (five steps) of R h s r at 37 °C.
Step C i D i W i Applicable Reactions
0{hsf,prot,hse,nostress}{hsf,prot,hse,nostress}(17),(23),(33)
1{nostress}{hsf3,prot,hse}{hsf3,prot,hse,nostress}(21),(33)
2{nostress}{hsf3:hse,prot}{hsf3:hse,prot,nostress}(25),(33)
3{nostress}{hsp,hsf3:hse,prot}{hsp,hsf3:hse,prot,nostress}(31),(33)
4{nostress}{hsp:hsf,hse,prot}{hsp:hsf,hse,prot,nostress}(23),(29),(33)
5{nostress}{hsp:hsf,hse,prot}{hsp:hsf,hse,prot,nostress}(23),(29),(33)
Table 7. Interactive process 2 (five steps) of R h s r at 42 °C.
Table 7. Interactive process 2 (five steps) of R h s r at 42 °C.
Step C i D i W i Applicable Reactions
0{hse,prot,hsp:hsf,stress}{hse,prot,hsp:hsf,stress}(23),(28),(32)
1{stress}{hse,hsp,hsf,prot,mfp}{hse,hsp,hsf,prot,mfp,stress}(18),(23),(33),(35)
2{stress}{prot,mfp,hsp:mfp,hsf3,hse}{prot,mfp,hsp:mfp,hsf3,hse,stress}(21),(32),(35),(36)
3{stress}{hsp,prot,mfp,hsf3:hse}{hsp,prot,mfp,hsf3:hse,stress}(26),(32),(34)
4{stress}{hsp,prot,mfp,hsf3:hse,hsp:mfp}{hsp,prot,mfp,hsf3:hse,hsp:mfp,stress}(26),(32),(34),(36)
5{stress}{hsp,prot,mfp,hsf3:hse,hsp:mfp}{hsp,prot,mfp,hsf3:hse,hsp:mfp,stress}(26),(32),(34),(36)
Table 8. Running times of CPU/GPU simulations and FPGA implementation of ErBb reaction system together with corresponding speedups.
Table 8. Running times of CPU/GPU simulations and FPGA implementation of ErBb reaction system together with corresponding speedups.
ObjectRunning TimeSpeedup
brsim4.28 s 8.394 × 10 5
HERESY CPU10.25 s 2.01 × 10 6
HERESY GPU0.39 s 7.649 × 10 4
FPGA 5.099 × 10 6 s
Table 9. RS reactions of R b c .
Table 9. RS reactions of R b c .
No.RS Reactions
( r 10 )({ b 1 },{ b 0 },{ b 1 })
( r 20 )({ b 2 },{ b 0 },{ b 2 })
( r 30 )({ b 3 },{ b 0 },{ b 3 })
( r 40 )({ b 4 },{ b 0 },{ b 4 })
( r 21 )({ b 2 },{ b 1 },{ b 2 })
( r 31 )({ b 3 },{ b 1 },{ b 3 })
( r 41 )({ b 4 },{ b 1 },{ b 4 })
( r 32 )({ b 3 },{ b 2 },{ b 3 })
( r 42 )({ b 4 },{ b 2 },{ b 4 })
( r 43 )({ b 4 },{ b 3 },{ b 4 })
( a 1 )({ b 0 },{ b 1 },{ b 1 })
( a 2 )({ b 0 , b 1 },{ b 2 },{ b 2 })
( a 3 )({ b 0 , b 1 , b 2 },{ b 3 },{ b 3 })
( a 4 )({ b 0 , b 1 , b 2 , b 3 },{ b 4 },{ b 4 })
Disclaimer/Publisher’s Note: The statements, opinions and data contained in all publications are solely those of the individual author(s) and contributor(s) and not of MDPI and/or the editor(s). MDPI and/or the editor(s) disclaim responsibility for any injury to people or property resulting from any ideas, methods, instructions or products referred to in the content.

Share and Cite

MDPI and ACS Style

Shang, Z.; Verlan, S.; Lu, J.; Wei, Z.; Zhou, M. FPGA Implementation of Reaction Systems. Electronics 2024, 13, 4929. https://doi.org/10.3390/electronics13244929

AMA Style

Shang Z, Verlan S, Lu J, Wei Z, Zhou M. FPGA Implementation of Reaction Systems. Electronics. 2024; 13(24):4929. https://doi.org/10.3390/electronics13244929

Chicago/Turabian Style

Shang, Zeyi, Sergey Verlan, Jing Lu, Zhe Wei, and Min Zhou. 2024. "FPGA Implementation of Reaction Systems" Electronics 13, no. 24: 4929. https://doi.org/10.3390/electronics13244929

APA Style

Shang, Z., Verlan, S., Lu, J., Wei, Z., & Zhou, M. (2024). FPGA Implementation of Reaction Systems. Electronics, 13(24), 4929. https://doi.org/10.3390/electronics13244929

Note that from the first issue of 2016, this journal uses article numbers instead of page numbers. See further details here.

Article Metrics

Back to TopTop