Abstract
With the development of distributed energy technology, the establishment of the energy internet has become a general trend, and relevant research about the core component, energy router, has also become a hotspot. Therefore, the bidirectional isolated DC–DC converter (BIDC) is widely used in AC–DC–AC energy router systems, because it can flexibly support the DC bus voltage ratio and achieve bidirectional power flow. This paper proposes a novel vector reconfiguration on a bidirectional multilevel LCL-T resonant converter in which an NPC (neutral-point clamped) multilevel structure with a flying capacitor is introduced to form a novel active bridge, and a coupling transformer is specially added into the active bridge to achieve multilevel voltage output under hybrid modulation. In addition, an LCL-T two-port vector analysis is adopted to elaborate bidirectional power flow which can generate some reactive power to realize zero-voltage switching (ZVS) on active bridges to improve the efficiency of the converter. Meanwhile, due to the symmetry of the LCL-T structure, the difficulty of the bidirectional operation analysis of the power flow is reduced. Finally, a simulation study is designed with a rated voltage of 200 V on front and rear input sources which has a rated power of 450 W with an operational efficiency of 93.8%. Then, the feasibility of the proposed converter is verified.
1. Introduction
1.1. Research Background
In order to achieve the goals of green development and the reasonable distribution of energy resources, reduce pollution emissions, and improve the ecological environment, an investigation into a new generation of renewable and distributed energy interconnection systems is urgent [1,2,3]. The next-generation new power grid structure represented by the FREEDM system [4,5], proposed by the University of North Carolina in the United States, has played a positive role in the establishment of the China Energy Internet. One of the core parts of the energy internet is the energy router, which has also become a subject hotspot in related research.
1.2. Literature Review
The energy router is normally based on the solid-state transformer (SST) composed of three stages: AC–DC–AC [6,7,8]. Since the intermediate-stage DC converter needs to take account of the galvanic isolation between the front and rear voltage bus, and can also flexibly provide matching DC bus voltage gain to achieve bidirectional power flow, bidirectional isolated DC–DC converters (BIDCs) [9,10] are generally used. Nevertheless, the dual active bridge (DAB) [11,12] is a typical and representative BIDC structure with many excellent research results, suitable for the working requirements of the BIDC in various applied situations. However, in the process of power flow, once the voltage gain at the two ends does not match, there will be reactive power loss instead, thereby reducing the efficiency of the converter. A class of control methods represented by DPS [13], EPS [14], TPS [15], and HPS [16] have been proposed one after another to overcome the problem; they are all different combinations of phase shift modulation in bridge and between bridges, to which a PWM duty cycle was added to obtain multiple-degrees-of-freedom control to precisely control the power flow and reduce the generation of reactive power, but with the increase in the degrees of freedom, the control algorithm becomes more and more complicated, and the actual effect is not satisfactory.
In addition, in order for the energy router to be used to medium- and high-power applications, the front-stage rectifier and the back-stage inverter should adopt the NPC multilevel structure [17], which can not only reduce the voltage stress of the switch, but also reduce the THD of the output waveforms. Therefore, the intermediate-stage DC converter should also adopt a multilevel structure for BIDC, which has gradually attracted attention. Based on the traditional two-level DAB converter, some studies [18,19] replace the full-bridge arm with an NPC arm to form a five-level DAB converter, but still adopt the method of DAB mentioned above to manage the converter power bidirectional flow.
Other works [20,21] study the full-bridge LCL-T resonant BIDC, relying on the established relationship of the input, output current, and voltage vector phase for resonant tank two-port networks, so as to analyze the influence law of the active power over the vector phase and PWM duty in the power flow. However, in terms of realizing soft switching, there is less detailed process contact with the modulation method, and analyzing the THD cannot clearly reflect the influence of higher harmonics on power transmission.
1.3. Contribution and Outline
This paper proposes a novel vector reconfiguration on a bidirectional multilevel LCL-T resonant converter. On the basis of the original five-level DAB converter, the traditional series inductor is replaced by an LCL-T tank. A flying capacitor and a coupling transformer are added to the active bridges on both sides to form a multilevel voltage output by hybrid modulation. In addition, reasonable reactive power is generated through the vector phase design, and most active bridge switches on both sides can achieve zero-voltage switching (ZVS) to improve the working efficiency of the BIDC converter. Moreover, due to the symmetry of the LCL-T structure, the bidirectional power flow control characteristics remain consistent, which reduces the difficulty of the quantitative analysis of the converter power flow.
2. The Topology and Multilevel Hybrid Modulation of the Proposed Novel BIDC Converter
2.1. Structure Description of Topology
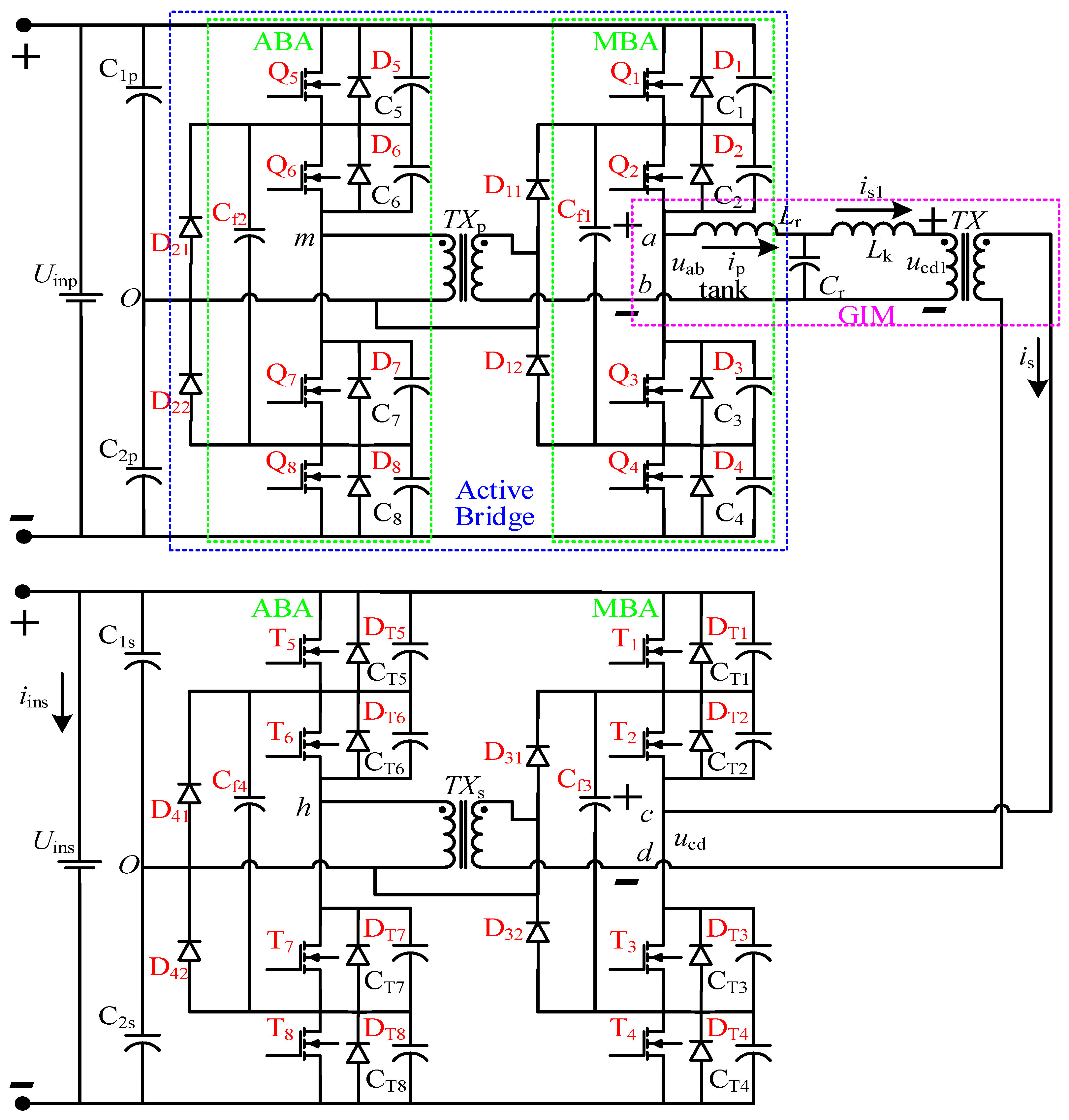
Figure 1 shows the proposed new multilevel BIDC topology, which is composed of front and rear input sources Uinp/Uins, voltage-dividing capacitors C1p~C2s, novel active bridges, and a galvanic isolation module (GIM). Particularly, the two active bridges located on both sides of the GIM have the same structure, and are, respectively, composed of a main bridge arm (MBA) and an auxiliary bridge arm (ABA) that all have an NPC multilevel structure with a flying capacitor and cascaded by coupling transformers TXp/TXs with a fixed turns ratio of 1.
Figure 1.
Diagram of topology structure.
In addition, Q1~Q4, T1~T4 indicate the switches of MBA, Q5~Q8, T5~T8 indicate the switches of ABA, and D1~D8, DT1~DT8 are the body diodes to the switches which have the parasitic capacitances C1~C8, CT1~CT8. D11~D42 are clamping diodes, and Cf1~Cf4 are flying capacitors. Furthermore, the GIM consists of an isolation transformer TX with a turns ratio of k and an LCL-T resonant tank, which includes resonant inductance Lr, resonant capacitor Cr, and leakage inductance Lk.
2.2. Operation Principles for Multilevel Hybrid Modulation
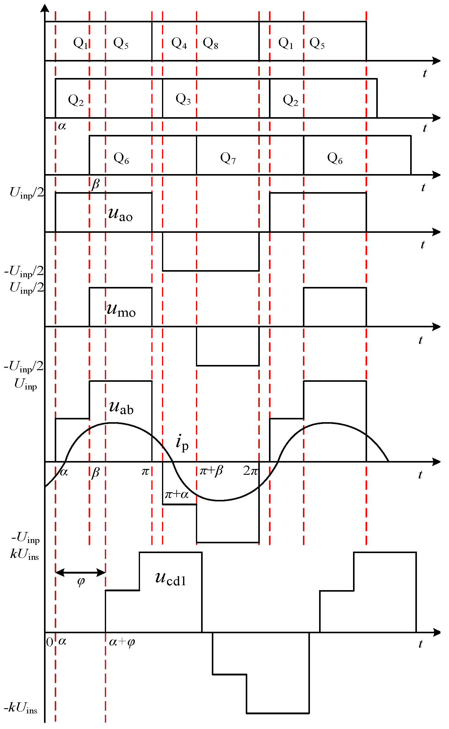
The active bridge on the left side of the GIM adopts a new multilevel hybrid modulation method by combining phase shift modulation (PSM) with asymmetric pulse width modulation (APWM), in which the PSM angle of the MBA is α, and PSM angle of the ABA is β. Moreover, the MBA’s output voltage is uao, and the ABA’s output voltage is umo, which are both indicated in Figure 1. Thereby, the injecting voltage of GIM is uab = uao + umo by coupling effect of TXp.
The active bridge on the right side of the GIM also adopts the “PSM + APWM” multilevel hybrid modulation method, in which all switches’ sequences only lag behind phase φ to the active bridge on the left side of the GIM. The specific key waveforms of the multilevel hybrid modulation are shown in Figure 2.
Figure 2.
The key waveforms of the multilevel hybrid modulation.
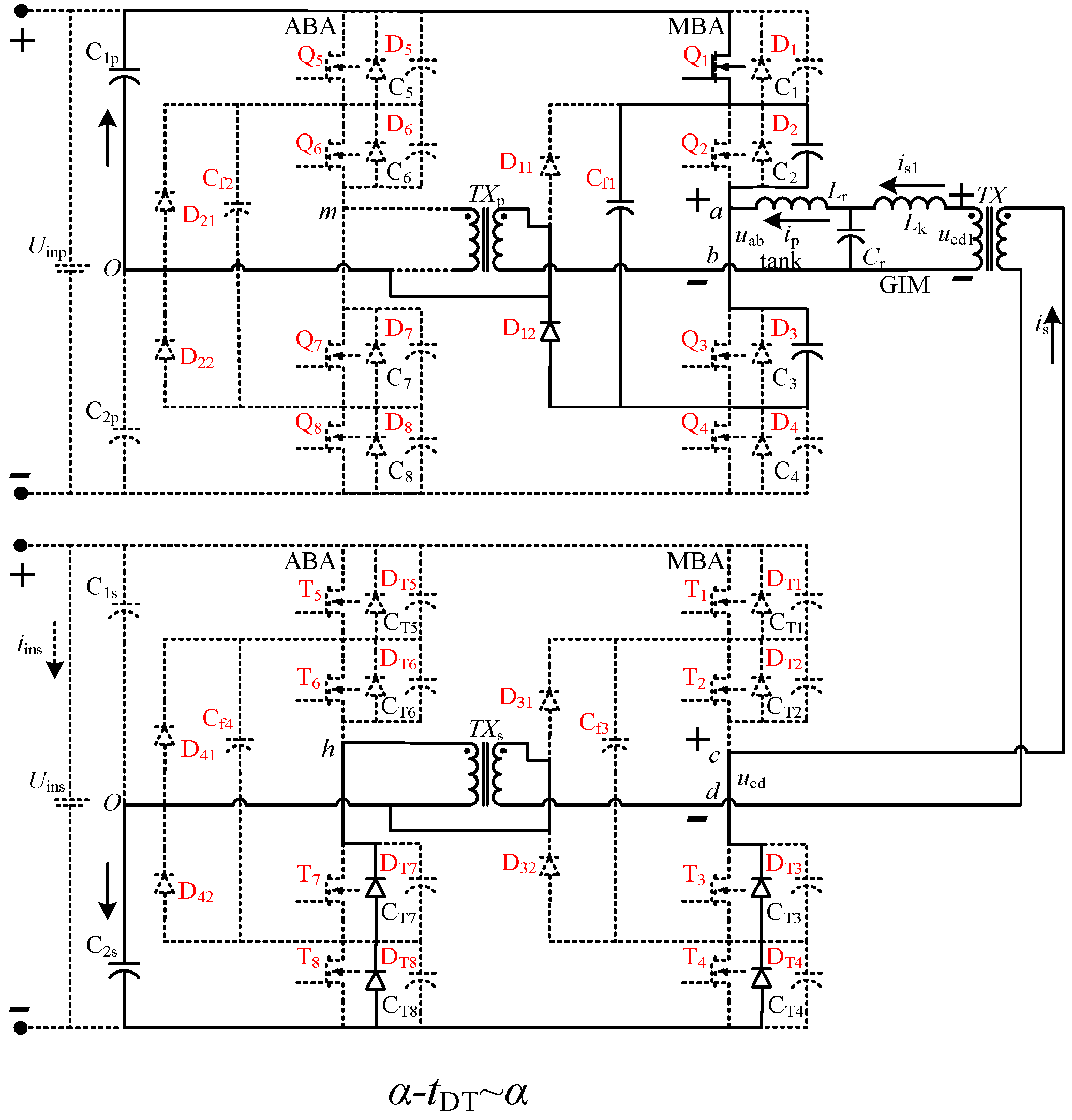
The PSM can create a sequence difference among the switches to cause the leading switches Q1, Q4 and the lagging switches Q2, Q3 in MBA. Particularly, during the dead time, the input current ip of GIM would charge C1, C4 and discharge C2, C3 by the path of Cf1 at the same time to produce a current-exchanging process to realize ZVS of Q2, Q3 and obtain zero level, then uao can output three-level voltage. This stage is cleared in the equivalent circuit of the dead time, as shown in Figure 3.
Figure 3.
The equivalent circuit of the dead time.
Similarly, due to the coupling transformer TXp, the primary side current of TXp is clamped by the secondary side current of TXp, i.e., ip. Thereby, the leading switches Q5, Q8 and lagging switches Q6, Q7 in ABA could also have a current-exchanging process between parasitic parameters produced by the primary side current of TXp to realize ZVS. Nevertheless, when the control of β is different to α, the three-level pulse widths of output voltage are different between umo and uao, which makes uab output five-level voltage after the superposition of umo and uao.
3. The Vector Characteristics Analysis of LCL-T Resonant Tank
According to Figure 1, ignoring the magnetizing inductance impedance of the TX, and based on FHA (fundamental harmonic analysis), the equivalent circuit of the two-port network of LCL-T resonant tank can be seen in Figure 4.
Figure 4.
The two-port network of LCL-T resonant tank.
Here, , are marked as vector of input current ip, input voltage uab to the resonant tank; , are marked as vector of output current is1, out voltage ucd1 to the resonant tank; ωs is the switching angular frequency; n is the harmonic order. Ref. [20] drew the conclusion that voltage vector of Cr would be , which means that voltage vector is equally distributed across Lr and negatively associated with , and voltage vector is equally distributed across Lk and positively associated with ; thereby, would be beyond for phase π/2, and would beyond for phase π/2. Finally, taking the as the initial phase reference, the vector phase relationship of each current and voltage on the complex plane is shown in Figure 5.
Figure 5.
The vector relationship under the ωr.
Undoubtedly, the current and voltage vector phase relationship on the same side of the two-port network as the resonant tank can be changed by controlling the phase φ between and . When φ = π/2, the phase is the same as the phase, and the phase is the same as the phase. The power is transported from the left active bridge to the right active bridge, which is all active power. When φ > π/2, the phase is beyond the phase for φ-π/2, and the phase is beyond the phase for φ-π/2, the direction of power flow remains unchanged, but the transmitted power is contained as part of the reactive power.
When φ = −π/2, the phase lags behind the phase for π, the phase lags behind the phase for π, and the power is transported from the right active bridge to the left active bridge, which is all reactive power. When φ > −π/2, the phase lags behind the phase for |φ| + π/2, the phase lags behind the phase for |φ| + π/2, and the direction of power flow remains unchanged, but the transmitted power also is contained as part of reactive power. This paper only analyzes the power flow from the left to the right.
However, according to Figure 2, some reactive power is beneficial to the ZVS of switches. The φ cannot be fixed at π/2 to eliminate reactive power. In addition, reactive power depends on the phase relation between and ; thus, the time expression of ip must be found. Then, the specific vector expressions of and based on Fourier expansion are derived as follows:
Because the transmission characteristics of the two-port network are only related to the internal structure, the admittance matrix can be established as (3), on the basis of Figure 4:
where
Then,
where , , , and indicate nth harmonic vectors. Then, based on Equations (1), (2), (5), and (6), the input active power to the resonant tank can be derived as follows:
The input reactive power to the resonant tank can also be derived as follows:
According to Equations (7) and (8), the transmission characteristics of Pin and Qin depend on up to 10 related parameters, making it too difficult to obviously show the clear influence law of each variable. Thus, we let ωs equal resonant angular frequency , which can make the vector relationship mentioned before, on the basis of Figure 5, be more precise, because almost all power flow depends on the transmission of the fundamental wave when the input impedance of the resonant tank is increasing, as ωs is close to ωr. And the time expression of ip for analysis can be replaced by fundamental component ip_1 which is derived as shown in (9) according to (5) under , , :
Furthermore, the Qin/Pin ratios of total power flow can be completely expressed by qin(1)/pin(1), i.e., Q1/P1 ratios. Thereby, the variation law of the Q1/P1 with β and φ is established, as shown in Figure 6.
Figure 6.
The variation law of the Q1/P1 with β and φ.
It is obvious that the Q1/P1 ratios both extremely increase with the growth of φ when β = π/5 and β = 2π/5, as shown in Figure 6a,b, and the Q1/P1 ratios of , in Figure 6b are both larger than the Q1/P1 ratios of , in Figure 6a, which means that the parameters of β and φ both have positive correlation with the Q1/P1 ratios, but this correlation of β will be enhanced with the growth of φ. Particularly, the structure parameters Lr and Cr of the resonant tank have no effect on the variation law of the Q1/P1 with β and φ; this means that the inherent variation characteristics of Q1/P1 only depend on the proposed novel BIDC topology and hybrid modulation. But there must be a trade-off to ensure that the Q1/P1 ratio remains within a reasonable range to realize ZVS, and these two aspects are both dependent on the design of the related parameters β and φ.
4. The Design of ZVS to Active Bridge Switches Located on Both Sides of GIM
Having established the topology and multilevel hybrid modulation of the proposed novel BIDC converter in Section 3, it is essential to examine the design of ZVS for the active bridge switches situated on either side of the GIM. This transition is necessary as the efficient operation of the converter is contingent upon the successful implementation of ZVS, which in turn is contingent upon the topological structure and modulation strategy outlined in the previous section.
4.1. The Relationship Between Turn-Off Current and ZVS
According to (7), the initial phase of ip_1 is indicated as θp_1:
When θp_1 < 0, the phase lags behind the phase to generate some reactive power. The variation of the θp_1 with respect to β ∈ [0, π] and φ ∈ [π/2, π/1.6] is illustrated in Figure 7 using (10).
Figure 7.
The variations law of the θp_1 with β and φ.
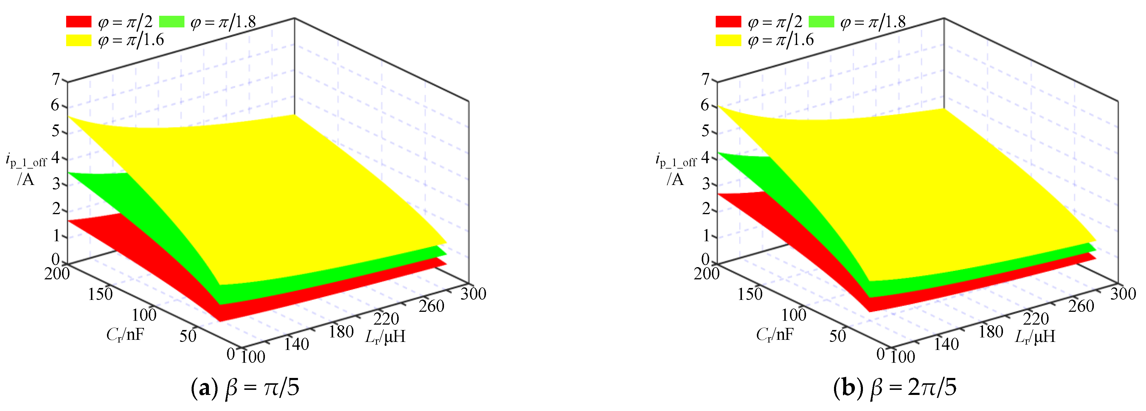
The initial phase θQ1 of sequences to the Q1, Q5 are both zero on the basis of Figure 2. It can be found that θp_1 lags behind θQ1, according to Figure 7, and the magnitude of the turn-off current ip_1_off on the turn-off moment of to the Q1, Q5 is derived as due to the cyclic symmetry property of the ip_1.
Thus, the variation law of the ip_1_off with β and φ is also shown in Figure 8, which shows that ip_1_off will increase with the growth of each of β, φ, Cr, and decrease with the growth of Lr, but it would be ip_1_off > 0 regardless of the values of these parameters. This means that ip_1_off will not change the previous polarity to produce a current-exchanging process to realize ZVS after Q1, Q5 are both turned off.
Figure 8.
The variation law of the ip_1_off with β and φ.
Furthermore, in view of the current-exchanging process for realizing ZVS, which has to provide enough power, the charge conservation law between ip_1_off and stored energy of the parasitic capacitances should be established as follows (11):
where ip_1_off would be treated as a constant in the dead time tDT due to the very short time; the quantities of parasitic capacitances for all switches are uniformly indicated as Coss; and 4 represents the number of switches involved in the ZVS process for MBA or ABA. Then, the range of magnitude of the turn-off current is
4.2. The Achievement of ZVS for Lagging Switches of MBA, ABA by Designing PSM Angles α, β
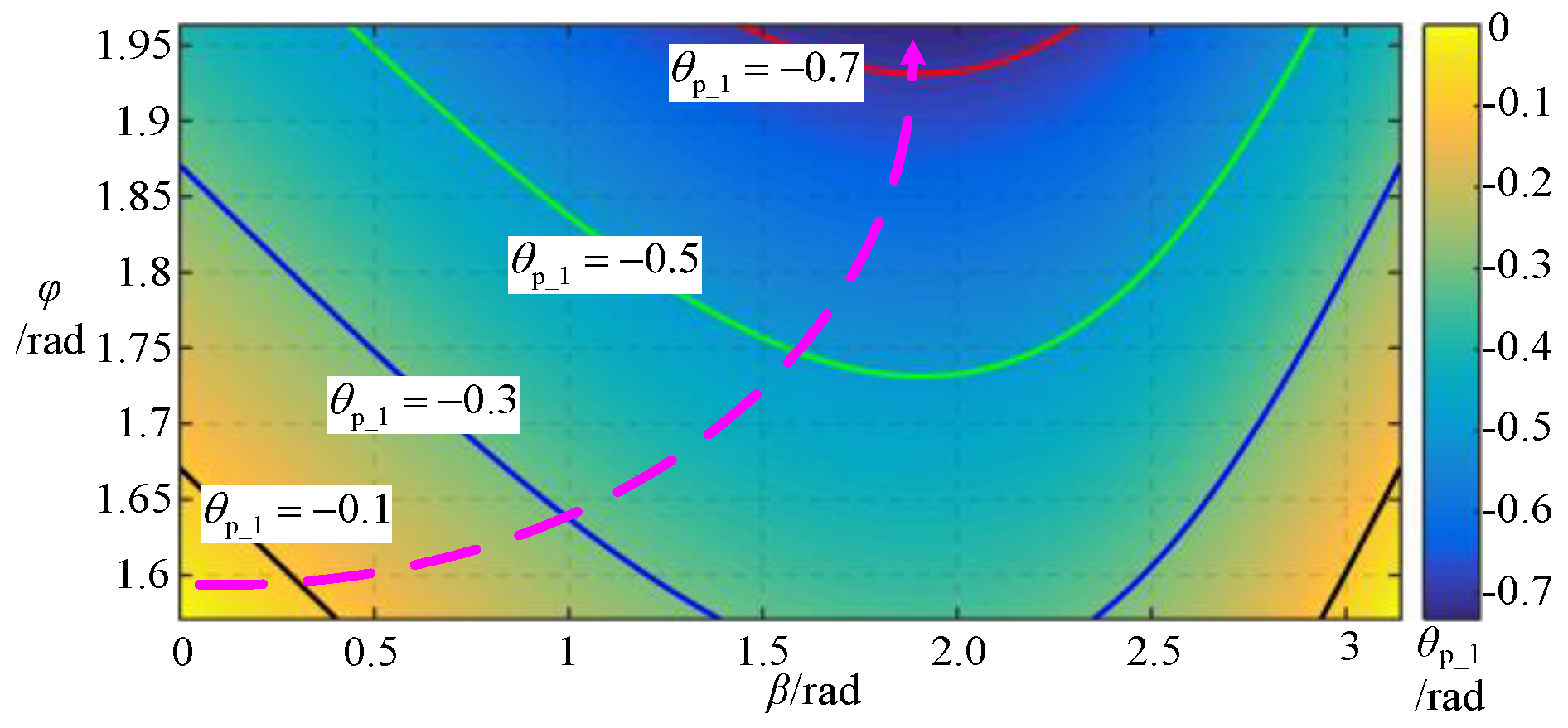
The initial phase θQ2 of sequences to Q2 is closer to θp_1 than Q1, Q5, making the magnitude of the turn-off current smaller, which might cause the failure of ZVS, as shown in Figure 2, because the LCL-T resonant tank has only one resonance angular frequency, ωr, without the circulating current stage, compared with the LLC resonant tank under PSM. Thereby, a relationship of α ≤ |θp_1| must be guaranteed to realize ZVS. Based on Figure 7, the contour cross-curves map of θp_1 is shown in Figure 9, where the contour cross-curves are indicated as solid-colored lines under each specific value of θp_1. Moreover, referring to (9), (10), the magnitude range of the turn-off current ip_1_off_L on the turn-off moment of to the Q2 for realizing ZVS is derived as follows (13):
Figure 9.
The contour cross-curves map of θp_1.
Along the dotted arrow direction, |θp_1| will be increased with the increase in β, φ, and then the adjustable α is also increased. However, φ should not be taken as a larger value, in order to limit the ratio of reactive power to keep the efficiency of the converter, and β should be larger, to make α ≤ |θp_1|. In addition, β must also satisfy β ≤ |θp_1| to realize ZVS of Q6 in ABA, as was also analyzed for α, because of the coupling effect of TXp.
However, β is usually larger than α and |θp_1|, mainly to control the power flow under the limitation of φ. In addition, uab can output five-level voltage only once Q1, Q5 realize ZVS to output the three-level voltage of MBA or ABA clamped by PSM.
4.3. The Design of ZVS for the Right Side Active Bridge Switches
is1 can also be replaced by the fundamental component is1_1. According to Figure 5, the phase lags behind the phase for π-φ, and we have π-φ < φ to make the initial phase θs1_1 of is1_1, derived as follows (14):
is1_1 can be derived as shown in (15), according to (6) combined with (14):
It can be plotted as a function image of f(β,φ) = θs1_1 + φ with zero boundary, as shown in Figure 10, to analyze the relationship between θs1_1 and the initial phase θT1, which is equal to and aligns at the leading switches T1, T5.
Figure 10.
The function image of f(β, φ) = θs1_1 + φ.
When in the f(β,φ) area, θs1_1 will exceed θT1 to provide the turn-off current is1_1_off on the turn-off moment of to the T1, T5. However, is1_1 is inputted on the right side active bridge, compared with ip_1, which is outputted on the left side active bridge. Thus, is1_1_off will also not change the previous polarity to produce the current-exchanging process to realize ZVS after T1, T5 are both turned off. In addition, it can be found that β has to be taken as a small value under the limitation of φ to keep f(β,φ) > 0. Then, the modulation key waveforms of the right side active bridge can be plotted in Figure 11 on the basis of Figure 2:
Figure 11.
The modulation key waveforms of the right side active bridge.
In the same way, the charge conservation law between is1_1_off and the stored energy of the parasitic capacitances Coss should be enough to complete ZVS, which is still applied to Equations (11) and (12). And it can also obviously be seen that the ZVS of lagging switches T2, T6 is easier to realize than T1, T5, according to Figure 11. It must be emphasized that the transient analysis of another half working period to the converter will be skipped for brevity due to the mechanism similar to the abovementioned one. In addition, in subsequent simulations based on the SABER platform, the simulation results for the other half of the converter’s working period will also be skipped for brevity due to the simulation symmetry.
5. The Simulation Design of Prototype
5.1. Simulation Parameters Design
The simulation study is based on the SABER platform, and the relevant parameters are shown in Table 1.
Table 1.
The parameters of the 450 W Simulink experiment.
5.2. The Checking Calculation of Parameters
The Coss of the MASK model to IRF460 MOSFETs is set to 480 pF, and the parameters of Table 1 are substituted into (9). Then, the inequality relation of (12) can be satisfied by calculation:
Moreover, inequality relations of α ≤ |θp_1| and (13) can be satisfied by calculation:
In practice, when β is significantly bigger than |θp_1|, the proposed converter may fail to achieve ZVS of lagging switches Q2, Q6 in ABA to the left side active bridge.
The parameters of Table 1 are also substituted into (14), yielding f (β, φ) = 0.0214 > 0, indicating that the conditions for ZVS have been met. And = 0.083 A, calculated by (15), is not in agreement with (12), which shows that there is not enough power for the charge conservation law to complete ZVS. Thus, maybe only the leading switches T1, T4 and T5, T8 in MBA and ABA will fail to provide ZVS to the right side active bridge.
5.3. The Key Waveforms of Simulation Study
The simulation output results were processed to form the simulation study key waveforms shown in Figure 12, which are the same as Figure 2 and Figure 11, with the transient detail of tDT.
Figure 12.
The simulation study key waveforms.
In Figure 12a, firstly, ip is bigger than zero in tDT after turning off Q1, Q5. uab falls from 200 V to 0 at the same time, which shows that the ZVS of the leading switches in MBA and ABA have been realized. Secondly, uab falls from 0 to −100 V in tDT, which shows that the ZVS of the lagging switches in MBA have been realized, while ip is still bigger than zero after turning off of Q2. Thirdly, uab falls from −100 V to −200 V after turning on Q7, not after turning off Q6, which shows that the ZVS of the lagging switches in ABA have not been realized, because ip is less than zero in tDT. The simulation results are consistent with the design of Section 5.2.
In Figure 12b, is1 is less than zero in tDT after turning off T1, T5. ucd1 falls from 200 V to 0 at the same time, which shows that the ZVS of the leading switches in MBA and ABA have been realized, which is different from the design of Section 5.2, because higher-order harmonics also transmit power. In addition, the ZVS of lagging switches in MBA and ABA is easier to realize after turning off T2 and T6, respectively, while ucd1 falls from 0 V to −100 V and falls from −100 V to −200 V, respectively, as shown in the simulation study key waveforms, which are consistent with the expectation of Section 4.3. In Figure 12c, the active power absorbed by the right side active bridge is approximately equal to 450 W due to the output current iins ≈ 2.25 A. Particularly, according to (1) and (5), and under , , , the active power generated by the left side active bridge can be derived as follows:
Then, Pin(1) can be calculated to equal 422 W by substituting the parameters of Table 1 into Equation (18), which shows an operational efficiency of 93.8% and the feasibility of the proposed converter.
5.4. The Performance Evaluation of the Proposed Converter
The proposed novel active bridge is formed by two NPC (neutral point clamped) multilevel structures with flying capacitors, which, respectively, act as the main bridge arm (MBA) and auxiliary bridge arm (ABA). As we know, the NPC multilevel structure can reduce the voltage stresses of switches to half of the input voltage of the converter, which keeps costs down, when the ZVS of switches is implemented. And, for example, generally, in the emerging 800 V charging system of an EV battery, the proposed converter can select the rated 650 V of MOSFETs to meet the 400 V of requirement for maximum voltage stress within safety margins, while the conventional full bridge LCL-T resonant converter [22] has to select the rated 1200 V of MOSFETs to meet the 800 V of requirement for maximum voltage stress within safety margins. Sometimes, the higher the voltage level, the more expensive it is. The product menus of Digi-Key Co. LTD, Thief River Falls, MN, USA, contain the Rohm Semiconductor SCT3120 ALGC11 (SiC) (650 V 21 A USD 10.45) the and Rohm Semiconductor SCT3105 KRC14 (SiC) (1200 V 24 A USD 24.86). Furthermore, the switching frequency adopted in the proposed converter is higher than the conventional DAB converter [23], reducing the volume of magnetic components and enabling a higher power density, which is also used for keeping costs down. However, due to the vector reconfiguration, more phase shift angles are introduced into the modulation in the active bridge, which makes ZVS implementation and the design and transfer control of active or reactive power more complex.
6. Conclusions
A novel active bridge for multilevel output, leveraging an NPC multilevel structure and a coupling transformer, operates under “PSM + APWM” modulation. By integrating this bridge with LCL-T resonance, a bidirectional multilevel converter is proposed, enabling bidirectional power flow and ZVS for most switches through reactive power design based on vector analysis with flexible phase shift controls α, β, and φ. The simulation on the SABER platform confirms the feasibility of the 450 W bidirectional converter.
Author Contributions
Conceptualization, H.C.; methodology, Y.X.; formal analysis, Z.Z.; investigation, J.S. and D.Z.; writing—original draft preparation, Z.Z.; writing—review and editing, Y.X.; project administration, Z.Z.; funding acquisition, J.S. and H.C. All authors have read and agreed to the published version of the manuscript.
Funding
This research was funded by Youth Fund Project of Department of Education of Jiangxi Province of China, grant number GJJ2200659; Youth Fund Project of Department of Transportation of Jiangxi Province of China, grant number 2024QN012; and Natural Science Foundation of Jiangxi Province of China, grant number 20232ACB204024.
Data Availability Statement
The original contributions presented in this study are included in the article. Further inquiries can be directed to the corresponding author(s).
Conflicts of Interest
The authors declare no conflicts of interest.
References
- Hussain, S.M.S.; Nadeem, F.; Aftab, M.A.; Ali, I.; Ustun, T.S. The Emerging Energy Internet: Architecture, Benefits, Challenges, and Future Prospects. Electronics 2019, 8, 1037. [Google Scholar] [CrossRef]
- Kabalci, Y.; Kabalci, E.; Padmanaban, S.; Holm-Nielsen, J.B.; Blaabjerg, F. Internet of Things Applications as Energy Internet in Smart Grids and Smart Environments. Electronics 2019, 8, 972. [Google Scholar] [CrossRef]
- Wang, K.; Yu, J.; Yu, Y.; Qian, Y.; Zeng, D.; Guo, S.; Xiang, Y.; Wu, J. A Survey on Energy Internet: Architecture, Approach, and Emerging Technologies. IEEE Syst. J. 2018, 12, 2403–2416. [Google Scholar] [CrossRef]
- Huang, A.Q.; Crow, M.L.; Heydt, G.T.; Zheng, J.P.; Dale, S.J. The Future Renewable Electric Energy Delivery and Management (FREEDM) System: The Energy Internet. Proc. IEEE 2011, 99, 133–148. [Google Scholar] [CrossRef]
- She, X.; Lukic, S.; Huang, A.Q.; Bhattacharya, S.; Baran, M. Performance Evaluation of Solid State Transformer Based Microgrid in FREEDM Systems. In Proceedings of the IEEE Applied Power Electronics Conference and Exposition (APEC), Fort Worth, TX, USA, 6–11 March 2011. [Google Scholar] [CrossRef]
- Liu, X.; Liu, L.; Li, H.; Corzine, K.; Guo, T. Study on the Start-Up Schemes for the Three-Stage Solid State Transformer Applications. In Proceedings of the 2012 IEEE Energy Conversion Congress and Exposition (ECCE), Raleigh, NC, USA, 15–20 September 2012. [Google Scholar] [CrossRef]
- Yao, T.; Leonard, I.; Ayyanar, R.; Steurer, M. Single-Phase Three-Stage SST Modeling Using RTDS for Controller Hardware-in-the-Loop Application. In Proceedings of the 2015 IEEE Energy Conversion Congress and Exposition (ECCE), Montreal, QC, Canada, 20–24 September 2015. [Google Scholar] [CrossRef]
- Zhou, J.; Wang, J. Research Review on Multi-Port Energy Routers Adapted to Renewable Energy Access. Electronics 2024, 13, 1493. [Google Scholar] [CrossRef]
- Pellitteri, F.; Miceli, R.; Schettino, G.; Viola, F.; Schirone, L. Design and Realization of a Bidirectional Full Bridge Converter with Improved Modulation Strategies. Electronics 2020, 9, 724. [Google Scholar] [CrossRef]
- She, X.; Huang, A.Q.; Burgos, R. Review of Solid-State Transformer Technologies and Their Application in Power Distribution Systems. IEEE J. Emerg. Sel. Top. Power Electron. 2013, 1, 186–198. [Google Scholar] [CrossRef]
- De Doncker, R.; Divan, D.; Kheraluwala, M. A Three-Phase Soft-Switched High-Power-Density DC/DC Converter for High-Power Applications. IEEE Trans. Ind. Appl. 1991, 27, 63–73. [Google Scholar] [CrossRef]
- Kheraluwala, M.; Gascoigne, R.; Divan, D.; Baumann, E. Performance Characterization of a High-Power Dual Active Bridge DC-to-DC Converter. IEEE Trans. Ind. Appl. 1992, 28, 1294–1301. [Google Scholar] [CrossRef]
- Bai, H.; Mi, C. Eliminate Reactive Power and Increase System Efficiency of Isolated Bidirectional Dual-Active-Bridge DC–DC Converters Using Novel Dual-Phase-Shift Control. IEEE Trans. Power Electron. 2008, 23, 2905–2914. [Google Scholar] [CrossRef]
- Zhao, B.; Yu, Q.; Sun, W. Extended-Phase-Shift Control of Isolated Bidirectional DC–DC Converter for Power Distribution in Microgrid. IEEE Trans. Power Electron. 2012, 27, 4667–4680. [Google Scholar] [CrossRef]
- Wu, K.; de Silva, C.W.; Dunford, W.G. Stability Analysis of Isolated Bidirectional Dual Active Full-Bridge DC–DC Converter with Triple Phase-Shift Control. IEEE Trans. Power Electron. 2012, 27, 2007–2017. [Google Scholar] [CrossRef]
- Shen, Y.; Sun, X.; Li, W.; Wu, X.; Wang, B. A Modified Dual Active Bridge Converter with Hybrid Phase-Shift Control for Wide Input Voltage Range. IEEE Trans. Power Electron. 2016, 31, 6884–6900. [Google Scholar] [CrossRef]
- Ma, Z.; Niu, H.; Zhang, X.; Wu, X.; Cai, X. Virtual Space Vector Overmodulation Strategy for NPC Three-Level Inverters with Common-Mode Voltage Suppression. IEEE Trans. Power Electron. 2024, 39, 6877–6888. [Google Scholar] [CrossRef]
- Song, C.; Sangwongwanich, A.; Yang, Y.; Pan, Y.; Blaabjerg, F. Analysis and Optimal Modulation for 2/3-Level DAB Converters to Minimize Current Stress with Five-Level Control. IEEE Trans. Power Electron. 2023, 38, 4596–4612. [Google Scholar] [CrossRef]
- Liu, P.; Chen, C.; Duan, S. An Optimized Modulation Strategy for the Three-Level DAB Converter with Five Control Degrees of Freedom. IEEE Trans. Ind. Electron. 2020, 67, 254–264. [Google Scholar] [CrossRef]
- Twiname, R.P.; Thrimawithana, D.J.; Madawala, U.K.; Baguley, C.A. A New Resonant Bidirectional DC–DC Converter Topology. IEEE Trans. Power Electron. 2014, 29, 4733–4740. [Google Scholar] [CrossRef]
- Saha, T.; Bagchi, A.C.; Wang, H.; Zane, R.A. Bidirectional LCL-T Resonant DC–DC Converter for Priority Loads in Undersea Distribution Networks. IEEE Trans. Power Electron. 2022, 37, 14874–14887. [Google Scholar] [CrossRef]
- Guo, Z.; Li, M. An Optimized DPS Control Strategy for LCL Resonant Dual Active Bridge Converter for Wide Voltage Conversion Ratio. IEEE J. Emerg. Sel. Top. Ind. Electron. 2021, 2, 501–512. [Google Scholar] [CrossRef]
- Liu, B.; Davari, P.; Blaabjerg, F. Nonlinear Coss-VDS Profile Based ZVS Range Calculation for Dual Active Bridge Converters. IEEE Trans. Power Electron. 2021, 36, 45–50. [Google Scholar] [CrossRef]
Disclaimer/Publisher’s Note: The statements, opinions and data contained in all publications are solely those of the individual author(s) and contributor(s) and not of MDPI and/or the editor(s). MDPI and/or the editor(s) disclaim responsibility for any injury to people or property resulting from any ideas, methods, instructions or products referred to in the content. |
© 2024 by the authors. Licensee MDPI, Basel, Switzerland. This article is an open access article distributed under the terms and conditions of the Creative Commons Attribution (CC BY) license (https://creativecommons.org/licenses/by/4.0/).











