Abstract
This work presents the development of an embedded platform using Field Programmable Gate Arrays (FPGAs) for real-time simulation of dynamic systems in industrial plants. The platform, Real-Time Simulator for Dynamic Systems in FPGA (RTSDS-FPGA), is designed for industrial and academic applications. In industrial contexts, the RTSDS-FPGA facilitates the optimization and tuning of embedded control algorithms, while in academia, it supports research on new embedded solutions in automation and control. It is also an educational tool for undergraduate and postgraduate students developing embedded control system projects. Additionally, the simulator accelerates the simulation of slow dynamic systems, significantly reducing overall simulation time. Experimental results demonstrate the platform’s capability to perform real-time simulations effectively, validating its accuracy and performance through comparative analyses with established software tools such as Matlab/Simulink.
1. Introduction
The implementation of new control algorithms for embedded systems on engines, industrial processes, vehicles, and aircraft requires tests typically using the device that needs to be controlled. These tests are usually expensive and are time-consuming to develop and improve. One example is the control of an anti-lock braking system (ABS) for an automobile, where field testing requires a team of different professionals, and adjustments of the algorithm can take hours or even days. Hence, the implementation of procedures using real systems can be a complicated and costly task. In order to avoid this direct approach, testing can employ prototypes constructed at smaller scales or use simulations, as in the case of the algorithms employed for aircraft and ships. Some companies use off-line (non-real-time) simulation software such as Matlab/Simulink (license 596681) to check the validity of algorithms, reducing the need for experiments in the real environment. A negative aspect of these tests is the possibility of ignoring specific data, so the values may not be coherent with reality. For this reason, tests using real systems should never be eliminated.
Over the last decade, there have been many developmental studies of real-time simulation platforms. These studies include the implementation of real-time systems using micro-controllers (C), micro-processors (P) or general-purpose processors (GPPs) [1,2,3], as well as specific solutions using real-time Field Programmable Gate Arrays (FPGAs) [4,5,6,7,8,9,10,11], systems that are easy to implement [12], proposals for the teaching of engineering [13,14], and studies aimed at improving the performance of real-time systems [15,16]. Research in this area has made rapid progress in terms of the speed and ease of development associated with new hardware platforms. Real-time simulation techniques have included the use of hardware such as digital signal processors, general-purpose processors, and reconfigurable computational solutions that employ FPGAs. The choice of FPGAs as the main elements in studies is easily justified by their better performance and flexibility, compared to other hardware [17].
The use of FPGA platforms for real-time simulation has gained prominence across various application areas, mainly due to their parallel processing capabilities and flexibility. Recent studies, such as that by [18], propose methodologies for assessing the credibility of simulations in complex electronic control systems using FPGA-based Hardware-in-the-Loop (HIL), highlighting the importance of accuracy in replicating actual operating conditions. One study presents another significant advancement [19], in which the authors developed a real-time simulator for power converters with optimized switching model parameters using FPGA. Ref. [20] explore the implementation of real-time simulators with floating-point arithmetic, demonstrating that low-cost solutions can achieve performance comparable to high-cost commercial simulators. Additionally, ref. [21]’s research on stability simulation in power systems and the application of digital control techniques in single-phase PFC converters by [22] highlight the potential of FPGAs in applications requiring high precision and efficiency. These studies underscore the versatility and power of FPGAs as a solution for complex real-time simulations, making them an attractive choice for various industrial and academic applications.
Recent advancements in FPGA-based systems have expanded the potential of real-time simulation and Hardware-in-the-Loop (HIL) applications. Ref. [23] demonstrated a novel real-time digital simulation platform for differential drive mobile robots, showcasing the integration of electrical and mechanical models within an FPGA environment, significantly improving robotic simulations’ fidelity and speed. Additionally, ref. [24] addressed the complexities of transforming SIMULINK models into FPGA-in-the-Loop systems, proposing a systematic approach that enhances the development of digital twins for industrial applications. Moreover, the work by [25] presents a universal equivalent model for real-time CPU-FPGA co-simulation, specifically targeting hybrid cascaded multilevel converters, which marks a significant step toward more efficient power electronics simulations. These contributions underscore the evolving capabilities of FPGAs in handling increasingly complex simulation tasks, making them indispensable tools in modern engineering and research.
This work presents four main contributions to the field of real-time simulation using FPGAs:
- Development of a real-time simulation platform based on FPGA: The proposed platform offers a low-cost and high-efficiency solution capable of reproducing the performance of commercial simulators across various applications, from electrical to mechanical systems.
- Integration of floating-point arithmetic for enhanced precision: Including floating-point arithmetic in the FPGA enables high-precision simulations, overcoming common challenges in modeling complex dynamic systems.
- Methodology for credibility assessment: This work proposes a novel approach to assess the credibility of simulations, providing a quantitative tool for validating real-time models.
- Flexibility and broad applicability: The platform’s modular and flexible architecture allows its application across a variety of dynamic systems, whether electrical, mechanical, or hybrid.
2. Related Work
In the work of [12], a low-cost RTS was proposed, which could be constructed in the laboratory for use in electronic power systems. The system could be implemented on a computer possessing a multi-core processor together with data acquisition and signal conditioning systems. In another similar approach, but using a general-purpose processor, a low-cost RTS was described that could easily be developed in the laboratory using Ps and Cs [1]. This proposal involved a distributed architecture composed of different hardware platforms, enabling it to be constructed with limited resources. As an example, a case study was presented where the RTSDS was composed of a personal computer (Intel DN2800MT Mini-ITX) associated with low-cost and easily obtained hardware platforms (with embedded software), such as the Arduino and CY8CKIT-001 kits [26,27,28,29,30]. RTS proposals using general-purpose processors have been described by [2,3], offering distributed software solutions for RTS, in which many computers are used in an internet network in order to simulate real-time systems.
The benefits of using RTS in undergraduate and postgraduate engineering courses are described in detail in [13,14], which describes several commercial RTS tools. The signal processing techniques presented in [15] aim to reduce the sampling frequency and computational cost associated with RTS. It was demonstrated that the computational cost could be reduced up to 100-fold, without compromising the precision of the simulation. In [16], a methodology consisting of seven steps is described for the validation of real-time simulation models. Real-time simulators have been proposed for power systems that use FPGAs associated with computers, where the main advantage is parallel implementation of the simulated dynamic systems [6,8,9].
Hardware-in-the-loop (HIL) systems have been described by [4,5,10,31]. In [4], an FPGA platform was used for digital hardware implementation of a real-time simulator for a multi-phase system. According to the author, this could be developed using an ordinary computer, but this would not allow the real-time simulations that are essential for control using HIL. The implementations employed a Xilinx SP605 kit that included a Spartan-6 FPGA to facilitate the implementation of the system inputs and outputs. The kit has a 200 MHz clock, and the PWM signals use 50 and 100 MHz clocks derived from the main clock, resulting in the model having a simulation step of μs. The performance of the real-time system was evaluated using a configuration with an induction motor model (DTPIM) in Matlab/Simulink and the system step used the fourth-order Runge–Kutta method. The experimental results and statistical comparisons showed satisfactory performance of the Matlab/System Generator environment, in the absence of bench tests. Already, in [10], a simulation framework with HIL has been described to estimate the state of Li-ion batteries in electric vehicles. In this work, the framework was implemented on FPGA and it shows that this is a fast simulation strategy. The high-performance real-time simulator on FPGA is showed in [31]. In this work, the simulator was implemented on Altera’s FPGA using the DE3-150 development kit and a low fixed sample time was achieved, at about .
In [11], an implementation is presented of a dynamic system molecular model. In order to improve the execution time, this model is accelerated using the FPGA. In [5], a model is proposed for a permanent magnet synchronous motor. The system uses the HIL approach, where a Matlab/Simulink vehicle model is executed in conjunction with an embedded engine model in a Virtex-6 (XC6VLX240T) FPGA of the ML605 development kit. This system performs its actions with a cycle of 2 μs, and in [7], the real-time Hardware-in-the-Loop (HIL) simulation of vehicle systems is presented. The acceleration is based on FPGA technology using Runge–Kutta methods to solve the Ordinary Differential Equation (ODE), and the results are compared with GPP ( GHz Intel Core 2 Quad CPU).
In the work of [4], a simulation was made of a photo-voltaic system using the ML605 kit to develop a simulation environment that enabled a step of approximately 1 μs. The use of the FPGA was determined by the maximum step size that the system supported, approximately 5 μs, which was not viable for studies using platforms such as ×86 CPUs or digital signal processors (DSPs). This system was also implemented in Matlab/Simulink, generating off-line (non-real-time) simulation data for comparison and validation purposes. Auxiliary hardware items including a PC and DSP were used for data acquisition and conditioning of the final data. For communication, connection of the FPGA with the PC employed a Peripheral Component Interconnect Express (PCIe) bus, enabling a communication rate of up to 5 Gbps. Successful implementation was achieved with a time step of 1 μs.
An example of FPGA for real-time simulations on dynamic systems is shown in [32]. This version works with a time step between 150 μs and 200 μs. The main target of this product is the simulation of power systems and High-Voltage Direct Current (HVDC). An overview of a real-time simulations approach to a smart-grid is presented in [33]. This work shows the current context of real-time simulators and the new demands from smart-grid and similar systems, such as machine-to-machine (M2M) systems, the Internet of Things (IoT), and others.
The work presented in [18] presents a methodology for assessing the credibility of simulations in electronic control systems using an FPGA-based HIL platform. The work addresses the need for efficient testing methods for complex control systems by proposing a HIL platform replicating the actual operating conditions of these systems. The evaluation methodology considers performance, time-domain response, and frequency-domain response, enabling the quantification of simulation credibility. The results show that the platform achieves credibility indices above 60%, offering a quantitative approach for validating simulations in electronic control systems. Similarly, ref. [19] developed and implemented a real-time simulator based on ADC, focusing on the optimal selection of switch model parameters. The work deals with modeling power converters using the Associated Discrete Circuit (ADC) method and Modified Nodal Analysis (MNA). The authors employed the Particle Swarm Optimization (PSO) algorithm to optimize the simulator’s behavior to adjust conductance and damping resistance values, minimizing numerical errors and improving simulation accuracy. The results demonstrate that the proposed simulator accurately reproduces the voltage and current waveforms of the modeled converters, validating the method’s effectiveness in real-time simulation.
The manuscript presented in [20] proposes the implementation of a real-time simulator for electrical systems using floating-point arithmetic on an FPGA. The study aims to develop a low-cost simulation platform that offers performance comparable to high-cost commercial simulators. The authors use Hardware Description Language (HDL) to ensure flexibility in FPGA architecture selection and avoid dependence on commercial packages. The results demonstrate that the developed simulator can operate in real time, allowing for precise analysis of interactions between the simulated electrical system and its control, with efficiency similar to commercial solutions. Similarly, ref. [22] explores the application of HIL techniques and digital control in single-phase PFC converters. The study presents an approach that allows for testing digital controllers under realistic conditions without the need for physical prototypes, using FPGAs to implement the mathematical models of the converters in real time. The results indicate that the proposed HIL methodology provides a practical and cost-efficient verification of controller performance, accelerating development and reducing risks associated with designing new PFC converters. Additionally, ref. [34] presents a high-performance and cost-effective FPGA-based motor drive emulator. The emulator is designed to replicate the dynamic behavior of permanent magnet synchronous machines (PMSMs), including the voltage source inverter and control strategy, using a digital description in Verilog. The study explores two design methods, parallel and sequential, to optimize FPGA resource usage, resulting in a solution that accurately emulates motor behavior while saving resources and costs. The results show that the emulator is efficient for many applications, from developing new control strategies to early fault detection and maintaining the portability and flexibility of FPGA platforms. Furthermore, ref. [25] presents a universal equivalent model for real-time CPU/FPGA co-simulation applied to hybrid cascaded multilevel converters. The study focuses on creating a model that can be used for simulating complex power converters, combining CPU processing with the parallelism capabilities of FPGAs. The proposed model was validated through real-time simulations, demonstrating its effectiveness in improving the accuracy and efficiency of co-simulation systems, particularly in power electronics applications that require high temporal resolution and computational performance.
The research presented in [35] provides an overview of interface algorithms, communication signals, and delay management in real-time co-simulation of distributed power systems. The study addresses the challenges of maintaining stability and accuracy in geographically distributed simulations, where communication latency between simulators can compromise results. The authors review various interface techniques and discuss methods to mitigate the effects of communication delays, ensuring that distributed simulators remain synchronized and stable, thereby improving the fidelity of simulations in complex power systems. Complementing this discussion, ref. [24] address the automatic transformation of SIMULINK models into FPGA-in-the-Loop (FiL) systems for real-time simulation, identifying the main challenges in the C-to-HDL code synthesis process and proposing a detailed roadmap to overcome them. The research demonstrates, step by step, how to convert SIMULINK models into FiL systems using tools like Vitis HLS and Vivado, validating the resulting FiL system to ensure its real-time functionality. This approach offers a practical solution for engineers seeking to automate the design process of FiL systems, facilitating the development of digital twins and other high-performance industrial applications.
Table 1 compares the proposed methodology with recent studies on real-time simulations using FPGAs and other platforms. The criteria selected for comparison include the platform used, the simulation methods employed, the precision achieved, the cost, the flexibility and applicability, the real-time efficiency, and the type of dynamic system simulated. These criteria were chosen because they are the most relevant for evaluating the performance and innovation of the proposed methods. Table 1 shows that besides offering simulation precision and reduced cost, the approach presented in this paper stands out for its flexibility and applicability to a wide range of dynamic systems. Compared to the studies analyzed, the proposed methodology achieves comparable or superior precision, providing a versatile platform that can be applied in different contexts, from electrical to mechanical systems. This reflects the contributions of this work to the field, offering an efficient solution for real-time simulations adaptable to various needs and applications.
Table 1.
Comparison of RTSDS-FPGA with recent studies.
The studies presented above are individually focused, in that they are aimed at specific energy or automotive applications. In contrast, the RTSDS-FPGA system presented in this article has the ability to implement several dynamic systems. Another important point is that the system developed here not only performs tests simulated using software, but also performs bench tests. The main purpose of the RTSDS-FPGA simulator is to provide a simulation platform to assist in the development of tools for embedded control systems, focusing on reducing the simulation step in order to be able to work with highly dynamic or more complex systems. Novel trends, such as real-time trends with data-intensive computing (digital twins in Industry 4.0, for example) [36,37], can be solved with the RTSDS-FPGA simulator proposed here. The RTSDS-FPGA also allows the possibility of accelerating the simulation of systems that have slow dynamics, with execution in non-real time, and it can also be used in the academic environment as a programmable teaching platform.
The main contribution of this paper is the proposal of a real-time simulator for dynamic systems, using an FPGA. The advantage of this new FPGA development environment is that parallel operation is intrinsic to its architecture. This enables the use of smaller sampling granularity, allowing application to highly dynamic systems, or faster simulation of systems with suitable dynamics, since there are substantial gains regarding execution time. Furthermore, the FPGA provides flexibility in working with hardware developed for specific applications. The ability to deliver faster speed is a critical aspect, given that simulations that generally last for hours can be performed in a few minutes using the FPGA. All the devices external to the FPGA should be able to accompany the decrease in the sampling period, or reduction techniques should be used. A large number of academic applications is an important consideration. Research institutions such as universities and institutes offer courses in the areas of embedded systems, digital systems, automation, and control. All make use of practical experiments in laboratories, involving teaching equipment and test systems. In many cases, the availability of the equipment required is minimal or nonexistent, due to the high purchasing costs, encouraging the use of real-time simulations by students and teachers. However, although simulations can be used to test algorithms, they do not replace testing using real systems. Another possible use of simulations is to reduce the wear caused by the constant use of teaching equipment. For example, in a control application, the platform could be controlled with a PID. Another contribution of this work is the creation of a library of IP cores for projects modeling hardware, such as vehicles and tank/pump systems, as well as for Runge–Kutta methods and other circuits that could be constructed.
3. Architecture of the RTSDS-FPGA
An example of a first-order dynamic system for the proposed platform can be expressed as
where P is the number of independent variables, is the -th independent variable, is the -th function associated with the -th independent variable, , is a constant, H is the number of dependent variables, is the dependent variable, and is the -th function associated with the dependent variable, , which can be expressed by
where is the maximum value of the , and is expressed as
where is the initial condition of the variable , and is expressed by
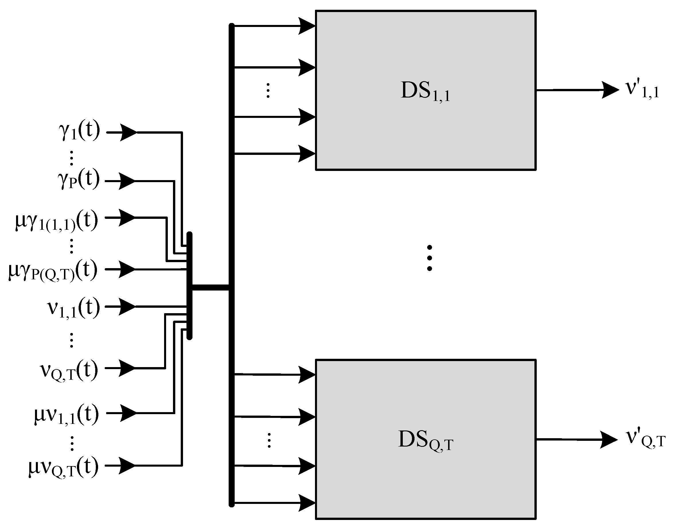
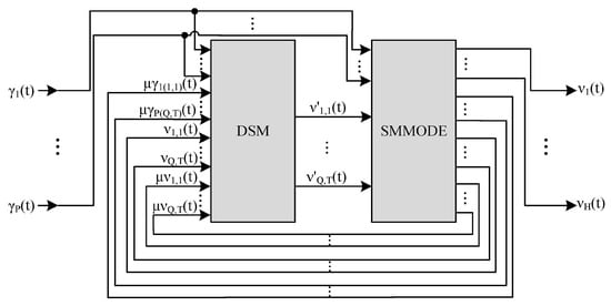
The RTSDS-FPGA architecture, for Equation (4), is presented in Figure 1, where it is composed of two modules, here called the Dynamic System Module (DSM) and Solution Methods Module for ODEs (SMMODE). The DSM implements the dynamic system model and SMMODE is responsible for the implementation of the solution methods module for ODEs. The SMMODE executes O different ODE methods in parallel, and for each o-th method, Q copies of the dynamic model are necessary, implemented on DSM. DSM and SMMODE are detailed in following subsections.
Figure 1.
The ODS architecture.
3.1. Dynamic System Module (DSM)
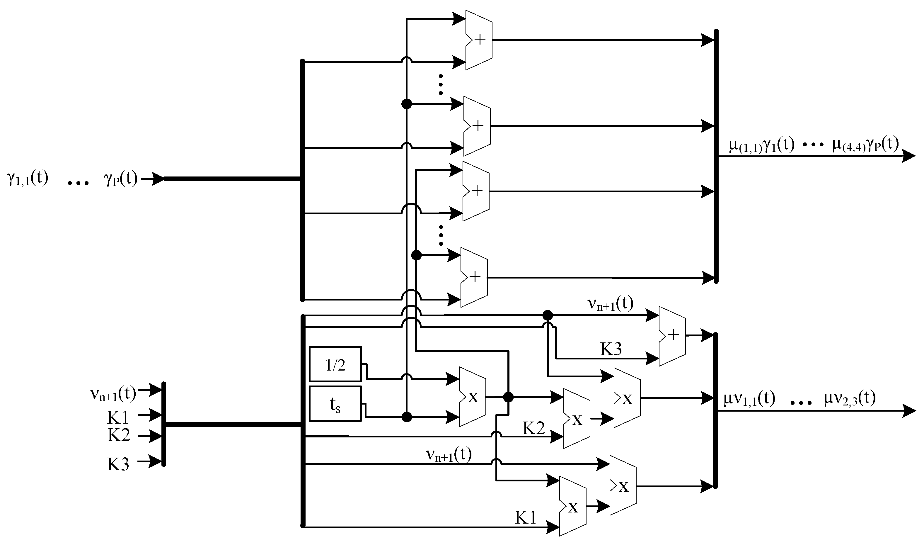
The DSM is the responsible for implementing the set of equations which define the dynamic system. Using the example with the first-order Equation (1), the DSM is composed of inputs (see Figure 1 and Figure 2).
Figure 2.
Details of the DSM architecture.
Furthermore, this system may still require addition inputs, since the solution methods for ODEs require one or more calculation stages to estimate the next value, as can be seen in [38]. Thus, Figure 2 represents the architecture of the DSM to Equation (4), where is the Q-th reply of the system for a given solution method for ODE.
Figure 3 shows the implementation of the dynamic system in more detail. This circuit is the representation of Equation (4).
Figure 3.
Details of the DS circuit.
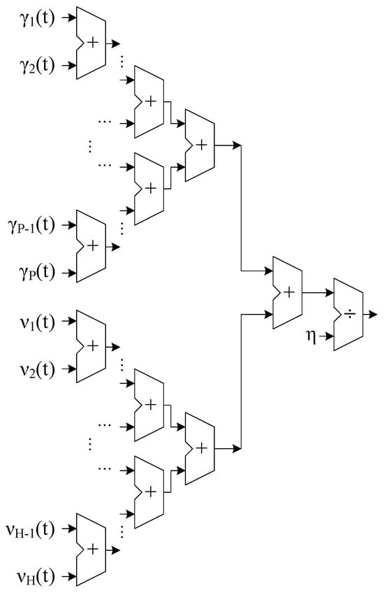
3.2. Solution Methods Module for ODE (SMMODE)
This module has the role of collecting the value of the differentiation generated by the dynamical system and calculating the integral value. For this, we use methods such as Euler, Euler Improved, the third-order Runge–Kutta method, or the fourth-order Runge–Kutta method as a way to perform this calculation. This module implements all methods in parallel, as users have the option to choose the method by the variable MethodODE present in the description of the logical architecture. Figure 4 illustrates the architecture of the solution methods module for ODE.
Figure 4.
Details of the SMMODE architecture.
3.2.1. Euler Method
The Euler method approaching the integral , given a range , multiplying the function value, in the given moment, for system step value, by the step value of the system, describes in the logical architecture. Thus, the equation which express the Euler method is given by
where is the state to be estimated, is the actual state, is the method step, and is the value of the differential function for the actual values of and , where is the P-th variable input of the system in instant n. Thus, one can represent the Euler method as a circuit, as shown in Figure 5.
Figure 5.
Euler method circuit.
3.2.2. Improved Euler Method
Analogous to the Euler method is the improved Euler method. This method uses a second step to adjust the output value of the original Euler method and finally average between the two points found. Thus, the improved Euler method can be expressed by
where is the output value of the Euler method and is the function value estimate through the Euler method. Thus, the improved Euler method can be represented by Figure 6.
Figure 6.
Improved Euler method circuit.
3.2.3. Third-Order Runge–Kutta Method
The third-order Runge–Kutta method makes use of a point in the middle of the range as a way to refine the final value. Thus, the third-order Runge–Kutta method can be expressed by
where , , and are partial estimates for a certain . Thus, the third-order Runge–Kutta method can be depicted by Figure 7.
Figure 7.
Third-order Runge–Kutta method circuit.
Figure 8 shows the implementation of the Adjusting Inputs block for the third-order Runge–Kutta method.
Figure 8.
Adjusting inputs circuit for the RK3.
3.2.4. Fourth-Order Runge–Kutta Method
The fourth-order Runge–Kutta method is the most accurate method. This method use two estimated points in the middle of the range as a way to refine the final value. Thus, the fourth-order Runge–Kutta method can be expressed by
where , , , and are partial estimates for a certain . Thus, the fourth-order Runge–Kutta method is depicted in Figure 9.
Figure 9.
Fourth-order Runge–Kutta method circuit.
Figure 10 shows the implementation of the Adjusting Inputs block for the fourth-order Runge–Kutta method.
Figure 10.
Adjusting inputs circuit for the RK4.
4. Development of the Prototype and Results
4.1. Prototype Description
The simulated model presented in this work follows the same test model presented in [1], aiming for continuity of reading. Thus, they developed a model of a longitudinal vehicle, shown in Figure 11. It was used as the basis of the model defined in [39]. In this model, the input parameters were the torque delivered to the wheels and the longitudinal inclination angle of the track. The output parameter was the speed of the vehicle.
Figure 11.
Scheme of the longitudinal model of the vehicle.
The longitudinal model of the vehicle [39], shown in Figure 11, can be described for the following expression:
where M is the mass of the vehicle (in Kg), is the linear velocity of the vehicle (in m/s), is the traction force exerted by the vehicle (in N), and is the friction force (in N). The traction force can be expressed by
where r is the radius of the wheels of the vehicle (in m) and is the torque (in Nm) generated by the motor, which can be expressed by
where is the maximum torque (Nm) and is the first signal of continuous actuation.
As shown in [39], the friction force, , can be expressed by
where is the aerodynamic friction force (in N), is the rolling resistance force (in N), is the force due to gravity (in N), and is the inclination angle of the plane on which the vehicle is located. The variable can be expressed by
where is the maximum inclination angle, and is the second signal of continuous actuation.
The aerodynamic friction is given by
where is the density of air, is the aerodynamic drag coefficient, and is the frontal area of the vehicle (in ). The rolling resistance force is given by
where and are the rolling coefficients, and g is the acceleration due to gravity (in ). Finally, the gravitational force is given by
The dynamic system presented in Equation (17) was simulated in real time, using methods to solve the ODEs (Euler, improved Euler, and third- and fourth-order Runge–Kutta), selected through the variable MethodODE. Equation (25) can be expressed by
where is the maximum velocity of the vehicle, and is given by
where is the initial condition of the velocity of the vehicle, and can be expressed as
4.2. Prototype Implementation
The implementation of the ODE described in the previous section shows the ideal realization of the ODS prototype, as shown in Figure 12, which has two generic inputs , and , and one output , . Considering Equation (27), the inputs described refer to torque and angle values and the output refers to the velocity.
Figure 12.
ODS with two inputs, (torque, , and inclination angle ), and one output, (vehicle speed in a longitudinal direction, ).
The prototype was developed using two DAMs (DAM-1 and DAM-2) and one SGM (SGM-1), translating the signals from the world to the platform and from the platform to the world. DAM-1 and DAM-2, illustrated in Figure 13, are A/D converts responsible for receiving the input signals, and , and SGM-1, also shown in Figure 13, is a D/A converter responsible for system output, . The physical architecture of this system is shown in Figure 13, constituted, as described in Section 3, by one DSM and one SMMODE.
Figure 13.
ODS implemented for the prototype.
Thus, conforming to Equation (27), the dynamic system was implemented in FPGA, based on the generic circuit illustrated in Figure 14. This circuit is constituted of sub-circuits, corresponding to parts of Equation (27). The sub-circuit responsible for the aerodynamic friction force, described in Equation (22), is shown in Figure 15, called ADF. The sub-circuit responsible for the rolling resistance force, described in Equation (23), is shown in Figure 16, called RRF.
Figure 14.
Prototype of the circuit for the DS of the vehicle.
Figure 15.
In detail, the circuit responsible for the aerodynamic friction force.
Figure 16.
In detail, the circuit responsible for the rolling resistance force.
4.3. Methodology
In the process of obtaining the results, some parameterizations were adopted as a way to gain greater control. Two sets of results were obtained:
- Simulation of the dynamic system using Matlab/Simulink in comparison with the dynamic system using Matlab/System Generator;
- Simulation of the dynamic system using RTSDS-FPGA.
The test sets have a difference because their numerical configurations are distinct, but they do not make the results unfeasible. The output value for Matlab/Simulink is represented in a 64-bit floating-point format, and the same output value in Matlab/System Generator is represented with a signed 32-bit fixed-point format, 16 of which are used for the representation of the fractional part.
Thus, the two scenarios were configured as follows:
- Scenario 1: The input of the dynamic system with constant values;
- Scenario 2: The input of the dynamic system with variable values.
The dynamic system has set solution methods for ODE. Thus, for each of the cases discussed above, tests were performed with each of the methods described below:
- Euler;
- Improved Euler;
- Third-order Runge–Kutta;
- Fourth-order Runge–Kutta.
The implementation was carried out in a completely parallel way, allowing the choice of methods and differentiating from the models implemented in the literature.
The angle of inclination varies according to the graph shown in Figure 17, and the torque value varies according to the graph shown in Figure 18.
Figure 17.
Theta inclination angle variation signal.
Figure 18.
Torque variation signal.
In order to analyze the reliability of the obtained results, we used error measures among the obtained data. The analyses are based on mean error, mean square error, and error variance. The statistical calculations have as reference the value of floating-point simulation acquired with the simulation performed in Matlab/Simulink. The calculation of the mean error is shown below.
where is the value of the mean error, is the value of the i-th collected sample, and is the value of the simulation in the software for the same instant. The calculation for the mean square error is defined as
where is the value of the mean square error, is the value of the i-th collected sample, and is the value of the simulation in the software for the same instant. For the error variance, the statistical variable that aims to demonstrate how much the samples vary around their mean value is demonstrated by
where is the mean error variance, is the value of the i-th collected sample, and is the mean of the analyzed variable.
Comparative analyses were performed, among the results obtained in each of the methods presented for each of the exposed scenarios. At the end of the tests and simulation results, an analysis of occupation and use of the platform is performed, highlighting points of use, such as Look up Tables (LUTs), memories, registers, and multipliers, in addition to revealing the maximum frequencies obtained in each of the implementations.
In order to perform the real-time tests, it was necessary to divide the clock to a value less than 1 ms (1 KHz), in order to work with the system in time, since the platform works with an internal clock of approximately 200 MHz (5 ns). Otherwise this would result in an acceleration for the current working system (vehicle).
Figure 19 illustrates the design workflow for FPGA project development using MATLAB Simulink. This design utilizes hardware libraries and automatic HDL code generation. The process begins with the creation of Simulink files (.mdl), in which the desired system is modeled using blocks from a specialized hardware library. From this model, the automatic generation of HDL code is performed. This HDL code is divided into two paths: one for the creation of an HDL test bench, which allows functional simulation, and the other for the generation of RTL code in HDL (.vhd). In the HDL test bench block, a thorough functional simulation analysis is performed, providing reassurance about the integrity of the generated code. On the other hand, the result obtained from the HDL RTL block is sent to the synthesis flow, where the feasibility of synthesis is determined (indicated as ‘Synthesis’). In this synthesis flow, documents such as the Netlist are generated, describing the usage and interconnection of components, and the Timing Simulation is performed to validate the temporal performance of the project. If the synthesis is successful, a binary file (.bit) is generated, which can be transferred to the FPGA, allowing implementation on the hardware device. After downloading the .bit file to the FPGA, the device can be tested directly in the physical environment, where the input and output signals can be monitored to ensure that the FPGA’s behavior aligns with the original project expectations. Real-time tests can be conducted using debugging and signal analysis tools, such as oscilloscopes and logic analyzers, to ensure that the system functions correctly under real operating conditions.
Figure 19.
Design workflow for FPGA project development using MATLAB Simulink.
4.4. Simulations in Matlab
4.4.1. Scenario 1
In this scenario, the system inputs were kept constant, maintaining the torque at 500 Nm and the tilt angle at 1 degree. The ODE values were determined for each of the solution methods.
Using an implementation in which all the solution methods were loaded and executed in parallel, results were obtained for the Euler method (Figure 20a), the improved Euler method (Figure 20b), the third-order Runge–Kutta method (Figure 20c), and the fourth-order Runge–Kutta method (Figure 20d). The images show the results for the simulations performed using Simulink (floating point) and System Generator (fixed point). It can be seen from the figures that the same behavior was obtained for both solution methods.
Figure 20.
Result obtained in simulations for scenario 1. The signal represents the vehicle’s speed as a function of time, , and also corresponds to the differential equation presented in Equation (17). (a) Result obtained in the simulations with the Euler method. (b) Result obtained in the simulations with the improved Euler method. (c) Result obtained in the simulations with the third-order Runge–Kutta method. (d) Result obtained in the simulations with the fourth-order Runge–Kutta method.
4.4.2. Scenario 2
In this scenario, the values of inputs 1 and 2 were altered over time, with the same behavior shown previously in Figure 17 and Figure 18.
Results were obtained for the Euler method (Figure 21a), the improved Euler method (Figure 21b), the third-order Runge–Kutta method (Figure 21c), and the fourth-order Runge–Kutta method (Figure 21d).
Figure 21.
Result obtained in simulations for scenario 2. The signal represents the vehicle’s speed as a function of time, , and also corresponds to the differential equation presented in Equation (17). (a) Result obtained in simulations with the Euler method. (b) Result obtained in simulations with the Improved Euler method. (c) Result obtained in simulations with the third-order Runge–Kutta method. (d) Result obtained in simulations with the fourth-order Runge–Kutta method.
4.5. Simulations in RTSDS-FPGA
For the second set of results, simulations were performed with the embedded RTSDS-FPGA. For this implementation, bench tests were performed using the equipment shown in Figure 22, which included the ML605 kit, an MSO9104A oscilloscope (Agilent Instruments) for observing the data, and an RC circuit to extract the analog data from the PWM signal generated by the platform. The analog values obtained by the oscilloscope (Figure 22) were processed for better viewing by reducing the number of signals sampled.
Figure 22.
Test bench (Oscilloscope, ML605 and RC circuit).
Figure 23 details the circuit used as a DAC, consisting of a digital-to-analog converter integrated with a low-pass filter. This circuit is responsible for converting the digital signals generated by the FPGA into analog signals suitable for analysis and measurement. The DAC setup includes resistors and capacitors selected to ensure appropriate response and minimize noise, allowing the analog signals to reflect the simulated values accurately. This circuit was essential for obtaining the output data analyzed and presented in the results.
Figure 23.
Circuit configuration for the digital-to-analog converter (DAC) used in the RTSDS-FPGA platform.
The observed noise in the output signal during the practical implementation of the system is primarily attributed to the digital-to-analog converter (DAC) used in the setup. The DAC was implemented using an RC circuit in conjunction with a PWM signal generated by the simulator circuit within the FPGA. While this method is functional, it inherently introduces noise due to the limitations of PWM and the filtering provided by the RC circuit. This noise can affect the fidelity of the output signal, particularly in applications that require precise signal differentiation. However, it is essential to note that the internal processing within the FPGA remains highly accurate, as demonstrated by the low error rates in Table 2 and Table 3. The noise issue is primarily tied to the quality of the DAC, and using a higher-quality DAC could significantly mitigate this problem, ensuring that the high precision of the internal simulation is reflected more accurately in the output signal.
Table 2.
Data analyses for scenario 1.
Table 3.
Data analyses for scenario 2.
4.5.1. Scenario 1
For scenario 1, the simulation result on the platform is shown in Figure 24a for the Euler method, Figure 24b for the Improved Euler method, Figure 24c for the third-order Runge–Kutta method, and Figure 24d for the fourth-order Runge–Kutta method. The results demonstrate that the platform was able to simulate the expected behavior, as well as the behavior produced in software.

Figure 24.
Result obtained in the RTSDS-FPGA for scenario 1. The signal represents the vehicle’s speed as a function of time, , and also corresponds to the differential equation presented in Equation (17). (a) Result obtained in the RTSDS-FPGA with the Euler method. (b) Result obtained in the RTSDS-FPGA with the improved Euler method. (c) Result obtained in the RTSDS-FPGA with the third-order Runge–Kutta method. (d) Result obtained in the RTSDS-FPGA with the fourth-order Runge–Kutta method.
4.5.2. Scenario 2
For scenario 2, the simulation result on the platform is shown in Figure 25a for the Euler method, Figure 25b for the improved Euler method, Figure 25c for the third-order Runge–Kutta method, and Figure 25d for the fourth-order Runge–Kutta method.

Figure 25.
Result obtained in the RTSDS-FPGA for scenario 2. The signal represents the vehicle’s speed as a function of time, , and also corresponds to the differential equation presented in Equation (17). (a) Result obtained in the RTSDS-FPGA with the Euler method. (b) Result obtained in the RTSDS-FPGA with the improved Euler method. (c) Result obtained in the RTSDS-FPGA with the third-order Runge–Kutta method. (d) Result obtained in the RTSDS-FPGA with the fourth-order Runge–Kutta method.
Table 2 and Table 3 explain the mean error, mean square error, and variance values for each of the scenarios, based on the values obtained in Simulink (64-bit floating point). With the analysis, one can see that the results were satisfactory, with error values smaller than one unit and with low variances around the mean, in the order of the sixth decimal place.
4.6. Netlist Analysis
In the approach of scenario 1, the shortest possible implementation time was 218.283 ns (maximum frequency of 4.581 MHz). For scenario 2, the shortest time was 196.622 ns (maximum frequency of 5.086 MHz), which was the shortest time among all the implementations. These values contrasted to those reported in the literature, where the time periods were in the region of microseconds.
The time periods found for the system in question were more than sufficient for performing all the computations of the simulated model. However, the simulation could be accelerated, since there was a delay between the time for computing the next value and the data deadline. This became much clearer with analysis of the worst-case slack value, which represents the period of time that the system remains idle. Table 4 and Table 5 provide the values obtained for the implementations in each of the scenarios. It can be seen that there was a large excess of time for implementations with click time of 1 ms. The negative values in Table 4 and Table 5 indicate that the system was unable to achieve the set time, informing the time still required. This was precisely the inverse of the period described as the idle time.
Table 4.
Analysis of the time slack in scenario 1.
Table 5.
Analysis of the time slack in scenario 2.
A study of occupation was also undertaken (Netlist). Table 6 and Table 7 show the values for the use of LUTs, registers, memories, and multipliers, obtained by analysis of the reports generated by the ISE (the development environment used by Xilinx) for each scenario. The amount of area occupied by the entire system was approximately , taking into account the multiple system replies required to implement the various ODE solution methods. This area could be reduced if time was invested to research simpler solutions (for example, using only one solution method) or to avoid creating multiple replies. Nevertheless, the fully parallel implementation was an important differentiating feature of the proposed method. It is useful at this point to provide a summary of the results.
Table 6.
Platform Netlist analysis for scenario 1.
Table 7.
Platform Netlist analysis for scenario 2.
The first observation that can be made concerns the first point set out at the start of the paper; execution of the simulation in real time was achieved. This is clear from the graphs presented in Section 4.4.1 and Section 4.4.2, where it can be seen that the behavior of the system implemented using the RTSDS-FPGA was in agreement with the validation data obtained using Matlab/Simulink and Matlab/System Generator. The graphs show that the signal increases and decreases were executed in very similar time periods.
Comparison of the Matlab/Simulink and Matlab/System Generator methods showed that the results obtained were satisfactory, as expected, with good statistical parameter values, maximum errors of one unit, and variances of around six decimal places.
The second point to consider concerns the ability to execute tasks in shorter periods of time than those required for real-time evaluations, reducing the total simulation time to even lower levels, for example, enabling training and testing of control algorithms in shorter times. This would have positive impacts in industrial processes that have severe time restrictions. The platform could be executed in times shorter than required for such processes, freeing the system to perform other tasks in the remaining time.
The use of the system with hardware enables it to be employed in education and learning environments, where the hardware could be used to perform tests in the area of control. For example, students could undertake development tasks such as controlling the speed of a vehicle at a set value.
The proposed methodology offers significant potential as a teaching tool in undergraduate and graduate courses, particularly in electrical engineering, control systems, and computer engineering. For undergraduate courses, the method can provide students with hands-on experience in real-time simulation and FPGA programming. For instance, students could use the platform to simulate basic electrical circuits or control systems, allowing them to visualize and understand complex theoretical concepts practically and interactively. This approach would enhance their comprehension of course material and equip them with valuable skills in hardware description languages (HDLs) and real-time systems, which are increasingly important in the industry. The methodology could be employed at the graduate level for more advanced applications, such as the design and simulation of complex systems like power converters, robotic controllers, or signal processing algorithms. Graduate students could use the platform to conduct research projects that involve modeling and simulating sophisticated systems, offering a low-cost and flexible alternative to commercial simulation tools. Furthermore, the platform’s modularity allows for the easy integration of custom components, enabling students to experiment with new ideas and develop innovative solutions to engineering problems. This hands-on approach to learning and research would deepen their understanding of theoretical concepts and foster critical thinking and problem-solving skills, preparing them for careers in academia or industry.
5. Other Examples of Dynamic Systems
As described in Section 3, the proposed methodology allows for the simulation of generic systems, not limited to the specific example presented in Section 4.1. To further clarify the use of the RTSDS-FPGA, this section will detail its application in two other dynamic systems: one associated with a flow system in a tank and another with a series RL electrical circuit.
5.1. Flow System in a Tank
This dynamic system represents a water tank connected to a pump, as presented in [40]. The pump, operating at a constant flow rate , feeds into an inlet valve controlled continuously by , which in turn determines the input flow into the tank. The outlet valve, also with continuous control , governs the outflow from the tank. The water level in the tank is represented by the variable . The system has two inputs—the inlet valve control and the outlet valve control —and one output, the water level in the tank. The system is modeled by the following differential equation:
where
and
In these equations, , A, g, and a represent the pump flow rate (), the cross-sectional area of the tank (), gravitational acceleration (), and the cross-sectional area of the tank’s outlet tube (), respectively [40,41].
Equation (31) can be expressed by
where is the maximum water level of the tank, and is given by Equation (26), where is the initial condition of the water level of the tank, and Equation (27) can be expressed as
As described in Section 3, the proposed methodology is designed to simulate generic systems and is not limited to the specific example presented in Section 4. To clarify the use of RTSDS-FPGA, the simulation of the tank system in hardware is similar to the example discussed in Section 4. The primary modification required is to change the DSM hardware, which will now be replaced by the configuration presented in Figure 26. This further emphasizes the generic nature of the proposed methodology, as outlined in Section 3 and illustrated in Figure 1, demonstrating its adaptability to various dynamic systems.
Figure 26.
Hardware configuration for tank system simulation using RTSDS-FPGA.
5.2. Series RL Electrical Circuit
This dynamic system represents a series RL circuit [40,41]. The circuit consists of a resistor with resistance R and an inductor with inductance L, connected in series to a voltage source . The current flowing through the circuit is the main variable of interest. The system has one input, which is the applied voltage , and one output, which is the current . The behavior of the series RL circuit is governed by the following differential equation:
where R represents the resistance () and L represents the inductance (H) [40,41]. The applied voltage can be expressed by
where is the maximum applied voltage in the circuit.
Equation (36) can be expressed by
where is the maximum current value, and is given by Equation (26), where is the initial condition of the current value, and Equation (38) can be expressed as
Similar to the approach taken in Section 5.1, the simulation of the series RL circuit in hardware follows the example provided in Section 4. The key adjustment involves replacing the DSM’s hardware configuration with the setup depicted in Figure 27. This change aligns with the proposed methodology’s generic framework, as discussed in Section 3 and illustrated in Figure 1, further demonstrating its flexibility and applicability to a wide range of dynamic systems, including electrical circuits like the series RL system.
Figure 27.
Hardware configuration for series RL circuit simulation using RTSDS-FPGA.
6. Conclusions
The work in this article proposes an embedded solution in FPGA, for real auditory simulations for dynamic systems, here called RTSDS-FPGA. A pallet comprised a main control module (MCM) and a set of auxiliary hardware modules, called DAM and SGM. A prototype was developed for a model of a longitudinal vehicle, unable to perform real-time simulations in various scenarios. The prototype was implemented using Matlab/System Generator, with the kit Virtex-6 (XC6VLX240T) ML605, as MCM. The results obtained for all scenarios explored showed that the RTSDS-FPGA can be used as a tool for the development of real-time control systems. With the developed prototype, the RTSDS-FPGA performed well, since, for a period of 1 ms, its actions were executed at approximately 210 ns, remaining idle the rest of the time. With this analysis, it is possible to observe the simulation of the system in real time and to execute simulations with models more complex than those in the literature. On the other hand, it can be seen that the RTSDS-FPGA can also be used as a tool to accelerate simulations of systems with slow dynamics. The RTSDS-FPGA was developed with four differential equation resolution methods (Euler, improved Euler, and third- and fourth-order Runge–Kutta methods), which operate in a completely parallel way, using dynamic system reply and allowing a choice of methods, which distinguishes this implementation from presentations in the literature. Precisely for this reason, one approach utilized approximately of the total structures of the development platform. Last but not least, one can make use of RTSDS-FPGA in the academic field, as a teaching tool for research and teaching, both for undergraduate and graduate levels. The primary limitation of the proposed methodology lies in the need for a high degree of customization for very specific or non-standard use cases, even with the modular design that covers a wide range of applications. This can increase development time and complexity. Therefore, while the methodology is robust for many real-time simulation tasks, it may require additional refinements to meet the specific requirements of advanced applications.
Author Contributions
All authors have contributed in various degrees to ensure the quality of this work (e.g., S.N.S. and M.A.C.F. conceived the idea and experiments; S.N.S. and M.A.C.F. designed and performed the experiments; S.N.S., M.A.S.d.S.G., L.M.D.d.S. and M.A.C.F. analyzed the data; S.N.S., M.A.S.d.S.G., L.M.D.d.S. and M.A.C.F. wrote the paper; M.A.C.F. coordinated the project). All authors have read and agreed to the published version of the manuscript.
Funding
Coordenação de Aperfeiçoamento de Pessoal de Nível Superior-Brasil (CAPES)-Finance Code 001.
Data Availability Statement
No new data were created or analyzed in this study. Data sharing is not applicable to this article.
Acknowledgments
The authors would like to express their gratitude to the Coordenação de Aperfeiçoamento de Pessoal de Nível Superior (CAPES) for providing financial support.
Conflicts of Interest
The authors declare no conflicts of interest.
References
- de Souza, D.T.; Silva, S.N.; Teles, R.; Fernandes, M.A.C. Platform for Real-Time Simulation of Dynamic Systems and Hardware-in-the-Loop for Control Algorithms. Sensors 2014, 14, 19176–19199. [Google Scholar] [CrossRef] [PubMed]
- Boukerche, A.; Lu, K. A novel approach to real-time RTI based distributed simulation system. In Proceedings of the 38th Annual Simulation Symposium, San Diego, CA, USA, 4–6 April 2005; pp. 267–274. [Google Scholar] [CrossRef]
- You, T.; Zhu, Y.A.; Zhang, D.P. Applied Research of Delaminated Real-Time Network Framework Based on RTX in Simulation. In Proceedings of the 2009 Second International Conference on Information and Computing Science, Manchester, UK, 21–22 May 2009; Volume 1, pp. 389–392. [Google Scholar] [CrossRef]
- Handong, B.; Zhiguo, Z.; Zhiwen, L. Design and Implementation of an FPGA-based Real Time Simulation System for Photovoltaic Power Generation. In Proceedings of the 2014 IEEE Conference and Expo Transportation Electrification Asia-Pacific (ITEC Asia-Pacific), Beijing, China, 31 August–3 September 2014; pp. 1–5. [Google Scholar] [CrossRef]
- Dufour, C.; Cense, S.; Yamada, T.; Imamura, R.; Bélanger, J. FPGA permanent magnet synchronous motor floating-point models with variable-DQ and spatial harmonic Finite-Element Analysis solvers. In Proceedings of the 2012 15th International Power Electronics and Motion Control Conference (EPE/PEMC), Novi Sad, Serbia, 4–6 September 2012; pp. LS6b.2-1–LS6b.2-10. [Google Scholar] [CrossRef]
- Matar, M.; Iravani, R. FPGA Implementation of the Power Electronic Converter Model for Real-Time Simulation of Electromagnetic Transients. IEEE Trans. Power Deliv. 2010, 25, 852–860. [Google Scholar] [CrossRef]
- Monga, M.; Karkee, M.; Tondehal, L.K.; Steward, B.; Kelkar, A.; Zambreno, J. Real-Time Simulation of Dynamic Vehicle Models using a High-performance Reconfigurable Platform. In Proceedings of the International Conference on Computational Science (ICCS) 2012, Omaha, NE, USA, 4–6 June 2012. [Google Scholar]
- Hernández, F.A.I.; Canesin, C.A. Electrical Power Distribution System modeling with VHDL-AMS for the construction of a Real-Time Digital Simulator using FPGAS devices. In Proceedings of the 201210th IEEE/IAS International Conference on Industry Applications (INDUSCON), Fortaleza, Brazil, 5–7 November 2012; pp. 1–7. [Google Scholar]
- Liu, C.; Guo, X.; Gao, F.; Breaz, E.; Damien, P.; Gechter, F. FPGA based real-time simulation of high frequency soft-switching circuit using time-domain analysis. In Proceedings of the IECON 2016-42nd Annual Conference of the IEEE Industrial Electronics Society, Florence, Italy, 23–26 October 2016; pp. 5832–5837. [Google Scholar]
- Morello, R.; Baronti, F.; Tian, X.; Chau, T.; Di Rienzo, R.; Roncella, R.; Jeppesen, B.; Lin, W.; Ikushima, T.; Saletti, R. Hardware-in-the-loop simulation of FPGA-based state estimators for electric vehicle batteries. In Proceedings of the 2016 IEEE 25th International Symposium on Industrial Electronics (ISIE), Santa Clara, CA, USA, 8–10 June 2016; pp. 280–285. [Google Scholar]
- Guo, H.; Su, L.; Wang, Y.; Long, Z. FPGA-accelerated molecular dynamics simulations system. In Proceedings of the 2009. SCALCOM-EMBEDDEDCOM’09. International Conference on Scalable Computing and Communications, Eighth International Conference on Embedded Computing, Dalian, China, 25–27 September 2009; pp. 360–365. [Google Scholar]
- Dixit, V.; Patil, M.; Chandorkar, M. Real time simulation of power electronic systems on multi-core processors. In Proceedings of the 2009 International Conference on Power Electronics and Drive Systems PEDS, Taipei, Taiwan, 2–5 November 2009; pp. 1524–1529. [Google Scholar] [CrossRef]
- Menghal, P.M.; Laxmi, A. Real time simulation: A novel approach in engineering education. In Proceedings of the 2011 3rd International Conference on Electronics Computer Technology (ICECT), Kanyakumari, India, 8–10 April 2011; Volume 1, pp. 215–219. [Google Scholar] [CrossRef]
- Dufour, C.; Andrade, C.; Bélanger, J. Real-Time Simulation Technologies in Education: A Link to Modern Engineering Methods and Practices. In Proceedings of the 2010 11th International Conference on Engineering and Technology Education (INTERTECH), Ilhéus, Brazil, 7–10 March 2010; pp. 1–5. [Google Scholar]
- Vityaz, O.; Zimmermann, G. Real-time simulation using graceful degradation of accuracy. Energy Build. 2005, 37, 795–806. [Google Scholar] [CrossRef]
- Anagnostopoulos, D. A methodological approach for model validation in faster than real-time simulation. Simul. Model. Pract. Theory 2002, 10, 121–139. [Google Scholar] [CrossRef]
- Laplante, P.A.; Ovaska, S.J. Real-Time Systems Design and Analysis: Tools for the Practitioner, 4th ed.; Wiley: Hoboken, NJ, USA, 2012. [Google Scholar]
- Dai, X.; Ke, C.; Quan, Q.; Cai, K.Y. Simulation credibility assessment methodology with FPGA-based hardware-in-the-loop platform. IEEE Trans. Ind. Electron. 2020, 68, 3282–3291. [Google Scholar] [CrossRef]
- Rezaei Larijani, M.; Zolghadri, M.R. Design and implementation of an ADC-based real-time simulator along with an optimal selection of the switch model parameters. Electr. Eng. 2021, 103, 2315–2325. [Google Scholar] [CrossRef]
- Queiroz, J.; Carvalho, S.; Barros, C.; Barros, L.; Barbosa, D. Embedding an electrical system real-time simulator with floating-point arithmetic in a field programmable gate array. Energies 2021, 14, 8404. [Google Scholar] [CrossRef]
- Mesgena, D.W. Future Operation and Control of Power Systems-Laboratory Models and Real-Time Simulation. Master’s Thesis, Norwegian University of Science and Technology NTNU, Trondheim, Norway, 2022. [Google Scholar]
- Lamo, P.; De Castro, A.; Sanchez, A.; Ruiz, G.A.; Azcondo, F.J.; Pigazo, A. Hardware-in-the-loop and digital control techniques applied to single-phase PFC converters. Electronics 2021, 10, 1563. [Google Scholar] [CrossRef]
- Sarac, M.; Aydoğmuş, Ö. Real-Time Digital Simulator Design for Differential Drive Mobile Robot using FPGA. Balk. J. Electr. Comput. Eng. 2024, 12, 84–89. [Google Scholar] [CrossRef]
- Galkin, N.; Yang, C.W.; Vyatkin, V. Towards the Automatic Transformation of the SIMULINK Model into an FPGA-in-Loop System and its Real-Time Simulation. IEEE Access 2024. [Google Scholar] [CrossRef]
- Bieber, L.; Wang, L.; Jatskevich, J.; Li, W. Universal Equivalent Model for Real-Time CPU/FPGA Co-Simulation of Hybrid Cascaded Multilevel Converters. IEEE Access 2023, 11, 4228–4241. [Google Scholar] [CrossRef]
- Arduino-Mega. Arduino-Arduino Mega2560. 2024. Available online: http://arduino.cc/en/Main/ArduinoBoardMega2560 (accessed on 12 September 2024).
- ATmega328p. Atmel-AVR-ATmega328p. 2024. Available online: https://www.microchip.com/en-us/product/ATMEGA328P (accessed on 12 September 2024).
- Arduino-Uno. Arduino-ArduinoUno. 2024. Available online: http://arduino.cc/en/Main/ArduinoBoardUno (accessed on 12 September 2024).
- Cypress-PSoC3-CY8C38. Cypress-PSoC 3: CY8C38 Family Data Sheet. 2016. Available online: http://www.cypress.com/?rID=35178 (accessed on 11 September 2016).
- CY8CKIT-001, C. Cypress-CY8CKIT-001 PSoC Development Kit. 2016. Available online: http://www.cypress.com/?rID=37464 (accessed on 11 September 2016).
- Matar, M.; Karimi, H.; Etemadi, A.; Iravani, R. A high performance real-time simulator for controllers hardware-in-the-loop testing. Energies 2012, 5, 1713–1733. [Google Scholar] [CrossRef]
- RTDS, RSCAD.v5. Available online: https://www.rtds.com (accessed on 12 September 2024).
- Ibarra, L.; Rosales, A.; Ponce, P.; Molina, A.; Ayyanar, R. Overview of Real-Time Simulation as a Supporting Effort to Smart-Grid Attainment. Energies 2017, 10, 817. [Google Scholar] [CrossRef]
- Hernandez, J.; Rangel-Magdaleno, J.d.J.; Morales-Caporal, R. A High-Performance and Cost-Effective Field Programmable Gate Array-Based Motor Drive Emulator. Micromachines 2023, 14, 1864. [Google Scholar] [CrossRef] [PubMed]
- Buraimoh, E.; Ozkan, G.; Timilsina, L.; Chamarthi, P.K.; Papari, B.; Edrington, C.S. Overview of interface algorithms, interface signals, communication and delay in real-time co-simulation of distributed power systems. IEEE Access 2023, 11, 103925–103955. [Google Scholar] [CrossRef]
- Parkinson, D.Y.; Beattie, K.; Chen, X.; Correa, J.; Dart, E.; Daurer, B.J.; Deslippe, J.R.; Hexemer, A.; Krishnan, H.; MacDowell, A.A.; et al. Real-time data-intensive computing. AIP Conf. Proc. 2016, 1741, 050001. [Google Scholar] [CrossRef]
- Gilchrist, A. Introducing Industry 4.0. In Industry 4.0: The Industrial Internet of Things; Apress: Berkeley, CA, USA, 2016; pp. 195–215. [Google Scholar] [CrossRef]
- Butcher, J. Numerical Methods for Ordinary Differential Equations; Wiley: Hoboken, NJ, USA, 2008. [Google Scholar]
- Pacejka, H.B. Tire and Vehicle Dynamics; Elsevier: Amsterdam, The Netherlands, 2002. [Google Scholar]
- Silva, S.N.; Torquato, M.F.; Fernandes, M.A. Comparison of binary and fuzzy logic in feedback control of dynamic systems. Int. J. Dyn. Control. 2019, 7, 1056–1064. [Google Scholar] [CrossRef]
- Ogata, K. Modern Control Engineering, 4th ed.; Prentice Hall PTR: Upper Saddle River, NJ, USA, 2001. [Google Scholar]
Disclaimer/Publisher’s Note: The statements, opinions and data contained in all publications are solely those of the individual author(s) and contributor(s) and not of MDPI and/or the editor(s). MDPI and/or the editor(s) disclaim responsibility for any injury to people or property resulting from any ideas, methods, instructions or products referred to in the content. |
© 2024 by the authors. Licensee MDPI, Basel, Switzerland. This article is an open access article distributed under the terms and conditions of the Creative Commons Attribution (CC BY) license (https://creativecommons.org/licenses/by/4.0/).