Impact of Communication Link Overload on Power Flow and Data Transmission in Cyber–Physical Power Systems
Abstract
1. Introduction
1.1. Background
1.2. Related Works
1.3. Motivation
1.4. Contributions
- Considering the congestion state of communication network links, a dynamic transmission allocation model for information flow under three link states—normal, overload, and failure—is established. Metrics for communication system topology integrity and operational characteristics are proposed to assess system vulnerability in the event of faults.
- Considering the topology generation characteristics of actual power communication networks, an improved percolation theory is proposed. Communication nodes that are initially outside the largest connected component but have communication links to the control center are considered effective nodes. Power nodes that lose coupling with the communication network but remain self-consistent are also regarded as effective nodes.
- Considering the physical characteristics of coupled networks, the line flow betweenness indicator is utilized to measure the electrical characteristics of line power flows. A load–capacity distribution model based on flow betweenness is proposed for transferring the load of failed lines.
2. Methods
2.1. Modeling of Power–Communication Coupled Networks Based on Unidirectional Dependency
- (1)
- The physical power grid is abstracted as a graph composed of power nodes and transmission lines . The set includes physical equipment in the power grid such as power plants, substations, and loads.
- (2)
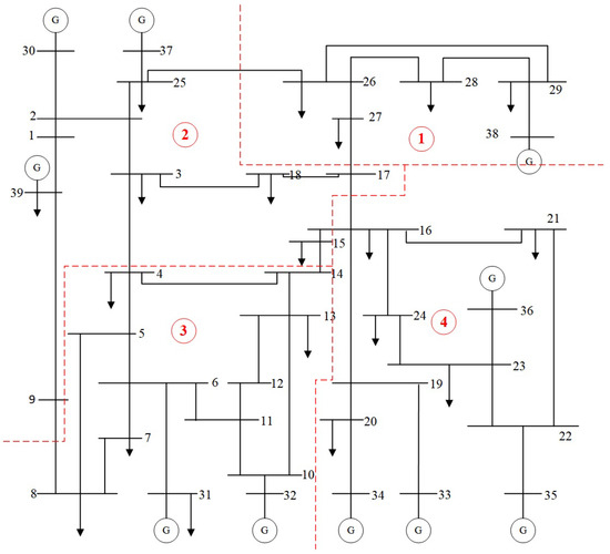
- Divide the power grid into regions [28].
- The partitioning of communities is applied to the division of power network regions. In the power grid, the closer the distance between two buses, the smaller the line reactance and the larger its reciprocal (i.e., higher weight), indicating higher intimacy between the node pair. Thus, such nodes are more likely to be partitioned into the same region. The reciprocal of the line reactance is used as the weight for the non-zero elements of the power network adjacency matrix E.
- Using the Fast Newman method, the modified matrix E from the above steps is substituted for the original matrix E to calculate the modularity Q for the initial partitioning of the power network. The partitioning process must satisfy the following conditions: each region must contain at least one generator and one load; the number of regions must be less than the minimum of the number of generators and loads; and the subregions must achieve power balance.
- To achieve power balance within regions, the system’s power flows on the lines are used as weight values based on the Prim algorithm. These weight values are used to determine the flow paths from generators to loads. Regions are then merged according to these paths and combined with the initial partitioning results to form the final zones.
- (3)
- The number of nodes for each layer is determined: the access layer, backbone layer, and core layer. The access layer nodes are information collection nodes, with the number of communication nodes equal to the number of power nodes; the backbone layer nodes are routing equipment nodes, also considered as control nodes, with the number of nodes equal to the number of power grid partitions; and the core layer nodes are two control nodes representing the main and backup dispatch.
- (4)
- The modeling of the information network:
- The connection between the power grid and the access layer: according to the abstract diagram of the power grid , access layer nodes are connected in a one-to-one corresponding manner to make the topology diagram of the access layer consistent with the topology diagram of the power grid.
- The connection between the access layer and the backbone layer: the highest-degree nodes in each region of the access layer and the generator nodes are connected to the corresponding nodes in the backbone layer.
- The backbone layer nodes are connected internally according to the connection relationship of the power grid partitions.
- The connection between the access layer and the core layer: calculate the proportion of the generator output to the total system output, and connect it to the main and backup calls with a probability of .
- All routing nodes are connected to the main and backup scheduling center nodes.
- The main and backup scheduling centers are connected.
- (5)
- Abstract the information network to form .
- (6)
- Connect the access layer nodes with the power nodes to form unidirectional dependent edges.
2.2. Cascade Failure Model Based on Percolation Theory Considering Communication Link Overloads
2.2.1. Nonlinear Flow Model for Links
2.2.2. Improved Percolation Theory
- Communication system. For the links in the access layer, edges with weights greater than the overload coefficient are considered failed. For the information nodes in the access layer, nodes that cannot establish a path to control nodes are considered failed.
- Power system. A power load node must be connected to at least one generator node; otherwise, it is considered failed. Similarly, a generator node must be connected to at least one power load node; otherwise, it is considered failed. Nodes functioning as both generators and loads are considered self-consistent nodes.
- Interaction. Power nodes coupled with failed communication nodes will also fail. Additionally, power nodes coupled with communication nodes exiting transmission delays will fail with a certain probability .
2.2.3. Load–Capacity Model of Power Network Based on Flow Betweenness
2.2.4. Process of Cascading Failure
- Step 1: The set of failed links in the access layer communication network due to accidental failures or attacks is denoted as . The information flow on these failed links will be borne by the edges connected to the nodes of the failed links.
- Step 2: The process of distributing information flow on failed branches. This paper utilizes the principle of local redistribution of information flow, with the calculation formula provided as follows.where is the initial information flow on a branch , is the initial information flow on a branch , is the set of neighboring nodes of node i, and is the set of neighboring nodes of node j.
- Step 3: The process for determining the overloaded and failed states is as follows.where .Since each branch has different capacities to handle additional information flow, a distribution coefficient is introduced to characterize this property.
- Step 4: Distribution process for information flow on overloaded branches:where is the distribution strategy for the overloaded branch, is the set of neighboring nodes of node i with branches in a normal state, and is the set of neighboring nodes of the node a with branches in a normal state.
- Step 5: Determine whether there are new failed branches. If new failed branches are detected, proceed to Step 2; otherwise, proceed to Step 6.
- Step 6: Count the sets of failed and overloaded links within the communication network. Update the effective set of communication links, and calculate the transmission delay increments for each communication node. Assess the failure conditions of communication nodes, remove nodes that cannot form a path to the control center, and update the set of effective communication nodes.
- Step 7: Control dependency analysis: Due to the one-to-one coupling between access layer communication nodes and power nodes, the failed communication nodes identified in Step 6 will cause corresponding power nodes to fail through dependent edges. Nodes are selected based on the delay probability of each communication node. If information from these nodes is not transmitted to the control center in a timely manner, their corresponding power nodes are considered failed. Mark the power nodes that have failed in this step.
- Step 8: Physical failure: First, remove the failed nodes in the power network. Next, based on the failure conditions for power system nodes, check if there are additional failed nodes among the remaining nodes and remove them if necessary. Recalculate the power load on the lines; if the redistributed load exceeds the capacity of any line, mark that line as faulty. Repeat this process until no more faulty nodes remain in the power network.
- Step 9: Output: Single cascading failure simulation ends. Output the data for both the power network and the communication network.
3. Evaluation Metrics of System Robustness to Cascading Failures
3.1. Metrics of Communication Network
3.2. Metrics of Power Network
4. Case Study and Discussion
4.1. Impact of Overload Coefficient
4.2. Impact of Failed Links
4.3. Impact of Attack Strategies
5. Conclusions
Author Contributions
Funding
Data Availability Statement
Acknowledgments
Conflicts of Interest
Abbreviations and Nomenclature
| CPPS | Cyber–physical power system; |
| Information flow demand on link ; | |
| The ratio of link capacity to link load; | |
| The failure threshold of the link; | |
| The sets of power nodes; | |
| The sets of power transmission lines; | |
| Q | The modularity value of the combined union of two communities; |
| The proportion of the generator i output to the total system output; | |
| The link’s capacity to handle additional information flow; | |
| The degrees of node i; | |
| The parameter that adjusts the information flow; | |
| The amount of information transmitted by the link ; | |
| The capacity of the link ; | |
| The maximum flow that the link can bear; | |
| The weight of the link ; | |
| The capacity coefficient; | |
| The capacity coefficient; | |
| The weight of a single line’s flow betweenness; | |
| The portion of the power flow on line originating from generator m; | |
| The portion of the power flow on line directed towards load n; | |
| The active power through line ; | |
| The active load at load node n; | |
| The inverse-order distribution matrix elements; | |
| The active output of the generator node m; | |
| The flow betweenness of edge in the power network; | |
| The power load on edge in the power network; | |
| The capacity of edge in the power network; | |
| The tolerance parameter; | |
| The distribution strategy for the overloaded branch; | |
| The adjusted node/link survival rate following failure in the communication network; | |
| T | The transmission delay increment; |
| The failed node/link rate following failure in the power network. |
References
- Abdelmalak, M.; Venkataramanan, V.; Macwan, R. A survey of cyber-physical power system modeling methods for future energy systems. IEEE Access 2022, 10, 99875–99896. [Google Scholar] [CrossRef]
- Li, Y.; Wang, B.; Wang, H.; Ma, F.; Ma, H.; Zhang, J.; Zhang, Y.; Mohamed, M.A. An Effective Node-to-Edge Interdependent Network and Vulnerability Analysis for Digital Coupled Power Grids. Int. Trans. Electr. Energy Syst. 2022, 2022, 5820126. [Google Scholar] [CrossRef]
- Gao, X.; Peng, M.; Chi, K.T.; Zhang, H. A stochastic model of cascading failure dynamics in cyber-physical power systems. IEEE Syst. J. 2020, 14, 4626–4637. [Google Scholar] [CrossRef]
- Liang, G.; Weller, S.R.; Zhao, J.; Luo, F.; Dong, Z.Y. The 2015 Ukraine blackout: Implications for false data injection attacks. IEEE Trans. Power Syst. 2016, 32, 3317–3318. [Google Scholar] [CrossRef]
- Zhao, Q.; Qi, X.; Hua, M.; Liu, J.; Tian, H. Review of the recent blackouts and the enlightenment. In Proceedings of the CIRED 2020 Berlin Workshop (CIRED 2020), Online Conference, 22–23 September 2020; IET: Stevenage, UK, 2020; Volume 2020, pp. 312–314. [Google Scholar]
- Wu, J.; Chen, Z.; Zhang, Y.; Xia, Y.; Chen, X. Sequential recovery of complex networks suffering from cascading failure blackouts. IEEE Trans. Netw. Sci. Eng. 2020, 7, 2997–3007. [Google Scholar] [CrossRef]
- Peng, C.; Wu, J.; Tian, E. Stochastic event-triggered H∞ control for networked systems under denial of service attacks. IEEE Trans. Syst. Man Cybern. Syst. 2021, 52, 4200–4210. [Google Scholar] [CrossRef]
- Hu, S.; Yue, D.; Han, Q.L.; Xie, X.; Chen, X.; Dou, C. Observer-Based Event-Triggered Control for Networked Linear Systems Subject to Denial-of-Service Attacks. IEEE Trans. Cybern. 2020, 50, 1952–1964. [Google Scholar] [CrossRef]
- Buldyrev, S.V.; Parshani, R.; Paul, G.; Stanley, H.E.; Havlin, S. Catastrophic cascade of failures in interdependent networks. Nature 2010, 464, 1025–1028. [Google Scholar] [CrossRef]
- Huang, X.; Gao, J.; Buldyrev, S.V.; Havlin, S.; Stanley, H.E. Robustness of interdependent networks under targeted attack. Phys. Rev. E—Stat. Nonlinear Soft Matter Phys. 2011, 83, 065101. [Google Scholar] [CrossRef] [PubMed]
- Cao, Y.Y.; Liu, R.R.; Jia, C.X.; Wang, B.H. Percolation in multilayer complex networks with connectivity and interdependency topological structures. Commun. Nonlinear Sci. Numer. Simul. 2021, 92, 105492. [Google Scholar] [CrossRef]
- Chen, L.; Yue, D.; Dou, C.; Cheng, Z.; Chen, J. Robustness of cyber-physical power systems in cascading failure: Survival of interdependent clusters. Int. J. Electr. Power Energy Syst. 2020, 114, 105374. [Google Scholar] [CrossRef]
- Pan, H.; Li, X.; Na, C.; Cao, R. Modeling and analysis of cascading failures in cyber-physical power systems under different coupling strategies. IEEE Access 2022, 10, 108684–108696. [Google Scholar] [CrossRef]
- Jianfeng, D.; Jian, Q.; Jing, W.; Xuesong, W. A vulnerability assessment method of cyber physical power system considering power-grid infrastructures failure. In Proceedings of the 2019 IEEE Sustainable Power and Energy Conference (iSPEC), Beijing, China, 21–23 November 2019; IEEE: Piscataway, NJ, USA, 2019; pp. 1492–1496. [Google Scholar]
- Tian, M.; Dong, Z.; Gong, L.; Wang, X. Line hardening strategies for resilient power systems considering cyber-topology interdependence. Reliab. Eng. Syst. Saf. 2024, 241, 109644. [Google Scholar] [CrossRef]
- Chen, L.; Yue, D.; Dou, C.; Xie, X.; Li, S.; Zhao, N.; Zhang, T. Impact of cascading failure on power distribution and data transmission in cyber-physical power systems. IEEE Trans. Netw. Sci. Eng. 2023, 11, 1580–1590. [Google Scholar] [CrossRef]
- Zhong, J.; Zhang, F.; Yang, S.; Li, D. Restoration of interdependent network against cascading overload failure. Phys. A Stat. Mech. Its Appl. 2019, 514, 884–891. [Google Scholar] [CrossRef]
- Ding, D.; Wu, H.; Yu, X.; Wang, H.; Yang, L.; Wang, H.; Kong, X.; Liu, Q.; Lu, Z. Vulnerability Assessment of Cyber Physical Power System Based on Improved Cascading Failure Model. J. Electr. Eng. Technol. 2024, 1–12. [Google Scholar] [CrossRef]
- Wang, S.; Gu, X.; Chen, J.; Chen, C.; Huang, X. Robustness improvement strategy of cyber-physical systems with weak interdependency. Reliab. Eng. Syst. Saf. 2023, 229, 108837. [Google Scholar] [CrossRef]
- Ghasemi, A.; de Meer, H. Robustness of interdependent power grid and communication networks to cascading failures. IEEE Trans. Netw. Sci. Eng. 2023, 10, 1919–1930. [Google Scholar] [CrossRef]
- Cao, R.; Dong, X.; Wang, B.; Liu, K. Discussion of protection and cascading outages from the viewpoint of communication. In Proceedings of the 2011 International Conference on Advanced Power System Automation and Protection, Beijing, China, 16–20 October 2011; IEEE: Piscataway, NJ, USA, 2011; Volume 3, pp. 2430–2437. [Google Scholar]
- Zhang, G.; Shi, J.; Huang, S.; Wang, J.; Jiang, H. A cascading failure model considering operation characteristics of the communication layer. IEEE Access 2021, 9, 9493–9504. [Google Scholar] [CrossRef]
- Gao, X.; Peng, M.; Chi, K.T. Robustness analysis of cyber-coupled power systems with considerations of interdependence of structures, operations and dynamic behaviors. Phys. A Stat. Mech. Its Appl. 2022, 596, 127215. [Google Scholar] [CrossRef]
- Wang, F.; Li, D.; Xu, X.; Wu, R.; Havlin, S. Percolation properties in a traffic model. Europhys. Lett. 2015, 112, 38001. [Google Scholar] [CrossRef]
- Saberi, M.; Hamedmoghadam, H.; Ashfaq, M.; Hosseini, S.A.; Gu, Z.; Shafiei, S.; Nair, D.J.; Dixit, V.; Gardner, L.; Waller, S.T.; et al. A simple contagion process describes spreading of traffic jams in urban networks. Nat. Commun. 2020, 11, 1616. [Google Scholar] [CrossRef]
- Liu, W.; Liang, C.; Xu, P.; Dan, Y.; Wang, J.; Wang, W. Identification of critical line in power systems based on flow betweenness. Proc. CSEE 2013, 33, 90–98. [Google Scholar]
- Wang, T.; Sun, C.; Gu, X.; Qin, X. Modeling and vulnerability analysis of electric power communication coupled network. Proc. CSEE 2018, 38, 3556–3567. [Google Scholar]
- Newman, M.E. Finding community structure in networks using the eigenvectors of matrices. Phys. Rev. E—Stat. Nonlinear Soft Matter Phys. 2006, 74, 036104. [Google Scholar] [CrossRef]
- Chen, C.Y.; Zhao, Y.; Gao, J.; Stanley, H.E. Nonlinear model of cascade failure in weighted complex networks considering overloaded edges. Sci. Rep. 2020, 10, 13428. [Google Scholar] [CrossRef]
- Stauffer, D.; Aharony, A. Introduction to Percolation Theory; Taylor & Francis: Abingdon, UK, 2018. [Google Scholar]
- Motter, A.E.; Lai, Y.C. Cascade-based attacks on complex networks. Phys. Rev. E 2002, 66, 065102. [Google Scholar] [CrossRef]
- Han, Y.; Guo, C.; Zhu, B.; Xu, L. Model cascading failures in cyber physical power system based on improved percolation theory. Autom. Electr. Power Syst. 2016, 40, 30–37. [Google Scholar]










| Overload Coefficient | The Threshold of Initial Failed Lines | Threshold Percentage % |
|---|---|---|
| 1.0 | 9 | 19.56 |
| 1.1 | 9 | 19.56 |
| 1.2 | 10 | 21.74 |
| 1.3 | 11 | 23.91 |
| 1.5 | 12 | 26.09 |
Disclaimer/Publisher’s Note: The statements, opinions and data contained in all publications are solely those of the individual author(s) and contributor(s) and not of MDPI and/or the editor(s). MDPI and/or the editor(s) disclaim responsibility for any injury to people or property resulting from any ideas, methods, instructions or products referred to in the content. |
© 2024 by the authors. Licensee MDPI, Basel, Switzerland. This article is an open access article distributed under the terms and conditions of the Creative Commons Attribution (CC BY) license (https://creativecommons.org/licenses/by/4.0/).
Share and Cite
Liu, X.; Li, Y.; Xu, T. Impact of Communication Link Overload on Power Flow and Data Transmission in Cyber–Physical Power Systems. Electronics 2024, 13, 3065. https://doi.org/10.3390/electronics13153065
Liu X, Li Y, Xu T. Impact of Communication Link Overload on Power Flow and Data Transmission in Cyber–Physical Power Systems. Electronics. 2024; 13(15):3065. https://doi.org/10.3390/electronics13153065
Chicago/Turabian StyleLiu, Xinyu, Yan Li, and Tianqi Xu. 2024. "Impact of Communication Link Overload on Power Flow and Data Transmission in Cyber–Physical Power Systems" Electronics 13, no. 15: 3065. https://doi.org/10.3390/electronics13153065
APA StyleLiu, X., Li, Y., & Xu, T. (2024). Impact of Communication Link Overload on Power Flow and Data Transmission in Cyber–Physical Power Systems. Electronics, 13(15), 3065. https://doi.org/10.3390/electronics13153065

