In-ADC, Rank-Order Filter for Digital Pixel Sensors
Abstract
:1. Introduction
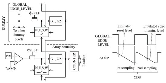
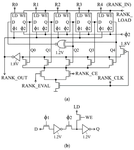
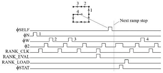
2. Materials and Methods
3. Results
4. Discussion
5. Conclusions
Author Contributions
Funding
Data Availability Statement
Conflicts of Interest
References
- Dudek, P.; Richardson, T.; Bose, L.; Carey, S.; Chen, J.; Greatwood, C.; Liu, Y.; Mayol-Cuevas, W. Sensor-level computer vision with pixel processor arrays for agile robots. Sci. Robot. 2022, 7, 67. [Google Scholar] [CrossRef] [PubMed]
- Lefebvre, M.; Moreau, L.; Dekimpe, R.; Bol, D. A 0.2-to-3.6 TOPS/W programmable convolutional imager SoC with in-sensor current-domain ternary-weighted MAC operations for feature extraction and region-of-interest detection. In Proceedings of the IEEE International Solid-State Circuits Conference (ISSCC), San Francisco, CA, USA, 13 February 2021; pp. 118–120. [Google Scholar] [CrossRef]
- Ishikawa, M. High-speed Image Processing Devices and Its Applications. In Proceedings of the IEEE International Electron Devices Meeting (IEDM), San Francisco, CA, USA, 7 December 2019; pp. 10.7.1–10.7.4. [Google Scholar] [CrossRef]
- Ikeno, R.; Mori, K.; Uno, M.; Miyauchi, K.; Isozaki, T.; Takayanagi, I.; Nakamura, J.; Wuu, S.-G.; Bainbridge, L.; Berkovich, A.; et al. A 4.6-μm, 127-dB Dynamic Range, Ultra-Low Power Stacked Digital Pixel Sensor with Overlapped Triple Quantization. IEEE Trans. Electron Devices 2022, 69, 2943–2950. [Google Scholar] [CrossRef]
- Seo, M.-W.; Chu, M.; Jung, H.-Y.; Kim, S.; Song, J.; Bae, D.; Lee, S.; Lee, J.; Kim, S.-Y.; Lee, J.; et al. 2.45 e-RMS Low-Random-Noise, 598.5 mW Low-Power, and 1.2 kfps High-Speed 2-Mp Global Shutter CMOS Image Sensor with Pixel-Level ADC and Memory. IEEE J. Solid-State Circuits 2022, 57, 1125–1137. [Google Scholar] [CrossRef]
- Sakakibara, M.; Ogawa, K.; Sakai, S.; Tochigi, Y.; Honda, K.; Kikuchi, H.; Wada, T.; Kamikubo, Y.; Miura, T.; Nakamizo, M.; et al. A 6.9-μm Pixel-Pitch Back-Illuminated Global Shutter CMOS Image Sensor with Pixel-Parallel 14-Bit Subthreshold ADC. IEEE J. Solid-State Circuits 2018, 53, 3017–3025. [Google Scholar] [CrossRef]
- Schmitz, J.A.; Gharzai, M.K.; Balkır, S.; Hoffman, M.W.; White, D.J.; Schemm, N. A 1000 frames/s Vision Chip Using Scalable Pixel-Neighborhood-Level Parallel Processing. IEEE J. Solid-State Circuits 2017, 52, 556–568. [Google Scholar] [CrossRef]
- Millet, L.; Chevobbe, S.; Andriamisaina, C.; Benaissa, L.; Deschaseaux, E.; Beigne, E.; Ben Chehida, K.; Lepecq, M.; Darouich, M.; Guellecet, F.; et al. A 5500-frames/s 85-GOPS/W 3-D Stacked BSI Vision Chip Based on Parallel In-Focal-Plane Acquisition and Processing. IEEE J. Solid-State Circuits 2019, 54, 1096–1105. [Google Scholar] [CrossRef]
- Kłosowski, M.; Jendernalik, W.; Jakusz, J.; Blakiewicz, G.; Szczepański, S. A CMOS pixel with embedded ADC, digital CDS and gain correction capability for massively parallel imaging array. IEEE Trans. Circuits Syst. I Regul. Pap. 2017, 64, 38–49. [Google Scholar] [CrossRef]
- Kłosowski, M.; Sun, Y. Fixed Pattern Noise Reduction and Linearity Improvement in Time-Mode CMOS Image Sensors. Sensors 2020, 20, 5921. [Google Scholar] [CrossRef] [PubMed]
- Kłosowski, M.; Sun, Y.; Jendernalik, W.; Blakiewicz, G.; Jakusz, J.; Szczepański, S. Single-Slope ADC with Embedded Convolution Filter for Global-Shutter CMOS Image Sensors. IEEE Trans. Circuits Syst. II Express Briefs 2023, 70, 3258–3262. [Google Scholar] [CrossRef]
- Son, S.; Jeon, S.; Namgung, S.; Yoo, J.; Song, M. A one-shot digital correlated double sampling with a differential difference amplifier for a high speed CMOS image sensor. In Proceedings of the 2015 IEEE International Symposium on Circuits and Systems (ISCAS), Lisbon, Portugal, 24 May 2015; pp. 1054–1057. [Google Scholar] [CrossRef]
- Wei, J.; Li, X.; Sun, L.; Li, D. A Low-Power Column-Parallel Gain-Adaptive Single-Slope ADC for CMOS Image Sensors. Electronics 2020, 9, 757. [Google Scholar] [CrossRef]
- Agarwal, A.; Hansrani, J.; Bagwell, S.; Rytov, O.; Shah, V.; Ong, K.L.; Blerkom, D.V.; Bergey, J.; Kumar, N.; Lu, T.; et al. A 316MP, 120FPS, High Dynamic Range CMOS Image Sensor for Next Generation Immersive Displays. Sensors 2023, 23, 8383. [Google Scholar] [CrossRef] [PubMed]
- Yamazaki, T.; Katayama, H.; Uehara, S.; Nose, A.; Kobayashi, M.; Shida, S.; Odahara, M.; Takamiya, K.; Hisamatsu, Y.; Matsumoto, S.; et al. 4.9 A 1ms high-speed vision chip with 3D-stacked 140GOPS column-parallel PEs for spatio-temporal image processing. In Proceedings of the IEEE International Solid-State Circuits Conference (ISSCC), San Francisco, CA, USA, 5 February 2017; pp. 82–83. [Google Scholar] [CrossRef]
- Okura, S.; Nishikido, O.; Sadanaga, Y.; Kosaka, Y.; Araki, N.; Ueda, K.; Morishita, F. A 3.7 M-pixel 1300-fps CMOS image sensor with 5.0 G-pixel/s high-speed readout circuit. IEEE J. Solid-State Circuits 2015, 50, 1016–1024. [Google Scholar] [CrossRef]
- Liu, C.; Bainbridge, L.; Berkovich, A.; Chen, S.; Gao, W.; Tsai, T.H.; Mori, K.; Ikeno, R.; Uno, M.; Isozaki, T.; et al. A 4.6 μm 512 × 512 ultra-low power stacked digital pixel sensor with triple quantization and 127dB dynamic range. In Proceedings of the IEEE International Electron Devices Meeting (IEDM), San Francisco, CA, USA, 12 December 2020; pp. 16.1.1–16.1.4. [Google Scholar] [CrossRef]
- Kłosowski, M. Hybrid-mode single-slope ADC with improved linearity and reduced conversion time for CMOS image sensors. Int. J. Circuit Theory Appl. 2020, 48, 28–41. [Google Scholar] [CrossRef]
- Isozaki, T.; Mori, K.; Miyauchi, K.; Uno, M.; Ikeno, R.; Takayanagi, I.; Nakamura, J.; Wuu, S.-G.; Berkovich, A.; Chen, S.; et al. 110 dB high dynamic range continuous non-uniform TTS and linear ADC scheme using a 4.6 μm stacked digital pixel sensor. In Proceedings of the 2023 International Image Sensor Workshop, Scotland, UK, 21–25 May 2023. R4.4. [Google Scholar]
- Jin, M.; Noh, H.; Song, M.; Kim, S.Y. Design of an Edge-Detection CMOS Image Sensor with Built-in Mask Circuits. Sensors 2020, 20, 3649. [Google Scholar] [CrossRef] [PubMed]
- Lee, S.; Jeong, B.; Park, K.; Song, M.; Kim, S.Y. On-CMOS Image Sensor Processing for Lane Detection. Sensors 2021, 21, 3713. [Google Scholar] [CrossRef] [PubMed]
- Valenzuela, W.; Saavedra, A.; Zarkesh-Ha, P.; Figueroa, M. Motion-Based Object Location on a Smart Image Sensor Using On-Pixel Memory. Sensors 2022, 22, 6538. [Google Scholar] [CrossRef] [PubMed]
- Sukhavasi, S.B.; Sukhavasi, S.B.; Elleithy, K.; Abuzneid, S.; Elleithy, A. CMOS Image Sensors in Surveillance System Applications. Sensors 2021, 21, 488. [Google Scholar] [CrossRef]
- Choo, K.D.; Xu, L.; Kim, Y.; Seol, J.H.; Wu, X.; Sylvester, D.; Blaauw, D. Energy-Efficient Motion-Triggered IoT CMOS Image Sensor with Capacitor Array-Assisted Charge-Injection SAR ADC. IEEE J. Solid-State Circuits 2019, 54, 2921–2931. [Google Scholar] [CrossRef]
- Zheng, X.; Cheng, L.; Zhao, M.; Luo, Q.; Li, H.; Dou, R.; Yu, S.; Wu, N.; Liu, L. Vip: A Hierarchical Parallel Vision Processor for Hybrid Vision Chip. IEEE Trans. Circuits Syst. II Express Briefs 2022, 69, 2957–2961. [Google Scholar] [CrossRef]
- Eki, R.; Yamada, S.; Ozawa, H.; Kai, H.; Okuike, K.; Gowtham, H.; Nakanishi, H.; Almog, E.; Livne, Y.; Yuval, G.; et al. 9.6 A 1/2.3inch 12.3Mpixel with on-chip 4.97TOPS/W CNN processor back-illuminated stacked CMOS image sensor. In Proceedings of the IEEE International Solid-State Circuits Conference (ISSCC), San Francisco, CA, USA, 13 February 2021; pp. 154–156. [Google Scholar] [CrossRef]
- Amir, M.F.; Ko, J.H.; Na, T.; Kim, D.; Mukhopadhyay, S. 3-D Stacked Image Sensor with Deep Neural Network Computation. IEEE Sens. J. 2018, 18, 4187–4199. [Google Scholar] [CrossRef]












| Ref. [7] Schmitz 2017 | Ref. [8] Millet 2019 | Ref. [9] Kłosowski 2017 | Ref. [11] Kłosowski 2023 | This Work | |
|---|---|---|---|---|---|
| Vision algorithms | many | many | pixel gain correction (PRNU compensation) | convolution filtering | all rank-order filtering |
| Vision processors | 8-bit neighborhood processors (NPs) | 8-bit processing elements (PEs) | 9-bit modified SS ADCs | 9-bit modified SS ADCs | 9-bit modified SS ADCs |
| CMOS process | 0.13 FSI | 0.13 BSI 3D | 0.18 FSI | 0.18 FSI | 0.18 FSI |
| Supply, V | 2.5/1.2 | 1.2 | 1.8/1.2 | 1.8/1.2 | 1.8/1.2 |
| Pixel array | 80 × 64 | 1024 × 768 | 128 × 128 | 64 × 64 | 64 × 64 |
| Grayscale | 8b | 9–11b | 9b | 9b | 9b |
| Dynamic range, dB | – | 54 | 48 | 49 | 49 |
| Max. FPS with CDS | 1000 | 5500 (1) | 3500 | 1000 | 650 |
| Power, mW | 36 | 720 (1) | 28 | 6.75 (2.3 (2)) | 4.81 (1.9 (2)) |
| pJ/pix/frame | 7000 | 2618 | 486 | 1647 (557 (2)) | 1807 (704 (2)) |
| Pixel pitch, μm | 39.6 | 12 | 21 | 55 | 55 |
| Fill factor, % | 12 | 75 | 5.5 | 10.9 | 10.9 |
Disclaimer/Publisher’s Note: The statements, opinions and data contained in all publications are solely those of the individual author(s) and contributor(s) and not of MDPI and/or the editor(s). MDPI and/or the editor(s) disclaim responsibility for any injury to people or property resulting from any ideas, methods, instructions or products referred to in the content. |
© 2023 by the authors. Licensee MDPI, Basel, Switzerland. This article is an open access article distributed under the terms and conditions of the Creative Commons Attribution (CC BY) license (https://creativecommons.org/licenses/by/4.0/).
Share and Cite
Kłosowski, M.; Sun, Y.; Jendernalik, W.; Blakiewicz, G.; Jakusz, J.; Szczepański, S. In-ADC, Rank-Order Filter for Digital Pixel Sensors. Electronics 2024, 13, 46. https://doi.org/10.3390/electronics13010046
Kłosowski M, Sun Y, Jendernalik W, Blakiewicz G, Jakusz J, Szczepański S. In-ADC, Rank-Order Filter for Digital Pixel Sensors. Electronics. 2024; 13(1):46. https://doi.org/10.3390/electronics13010046
Chicago/Turabian StyleKłosowski, Miron, Yichuang Sun, Waldemar Jendernalik, Grzegorz Blakiewicz, Jacek Jakusz, and Stanisław Szczepański. 2024. "In-ADC, Rank-Order Filter for Digital Pixel Sensors" Electronics 13, no. 1: 46. https://doi.org/10.3390/electronics13010046
APA StyleKłosowski, M., Sun, Y., Jendernalik, W., Blakiewicz, G., Jakusz, J., & Szczepański, S. (2024). In-ADC, Rank-Order Filter for Digital Pixel Sensors. Electronics, 13(1), 46. https://doi.org/10.3390/electronics13010046

