Abstract
Based on the discovery of the surge absorption capability of supercapacitors, a transient protector named supercapacitor-assisted surge absorber (SCASA) was designed and implemented in a commercial device. Despite its simplicity, the circuit topology consisted of a coupled inductor wound around a specially selected magnetic core. This paper elucidates the design aspects of SCASA coupled-inductor topologies with a special focus on the magnetic action of core windings during transient propagation. The non-ideal operation of the SCASA transformer was studied based on a semi-empirical approach with predictions made by using magnetizing and leakage permeances. The toroidal flux distribution through the transformer was also determined for a 6 kV/3 kA combinational surge, and these findings were validated by using a lightning surge simulator. In predicting the possible effects of magnetic saturation, the hysteresis properties of different powdered-iron and ferrite core types were considered to select the optimal design for surge absorption. The test results presented in this research revealed that X-Flux powdered-iron toroid and air-gapped EER ferrite yielded exceptional performance with ∼10% and ∼20% lower load–voltage clamping compared to that of the existing Kool u design. These prototypes further demonstrated a remarkable surge endurance, withstanding over 250 consecutive transients. This paper also covers details of three-winding design optimizations of SCASA and LTSpice simulations under the IEC 61000/IEEE C62.45 standard transient conditions.
1. Introduction
1.1. Power Quality Issues and Vulnerabilities of Modern Electronics
Power-line voltage disturbances downgrade the quality of utility mains. In general, AC power transmission occurs at an ostensible RMS voltage under a percentage tolerance of ±6–10% [1], and single- or three-phase mains are often subject to power quality issues. RMS fluctuations, such as sags and over-voltages, transients, noise, and harmonics, are among the typical voltage disturbances (see Figure 1) caused by lightning, inductive switching, heavy loads, etc. Of the different power quality problems, transient phenomena cause the greatest damage to a critical load if not appropriately controlled [2]. Thus, this research presents the magnetic design details of coupled-inductor-based transient protectors designed using various powdered iron and ferrite core types. Transient-surge protector devices (SPDs) are designed to absorb and dissipate the transient energy while continually facilitating the flow of mains electricity to the load. Every design prototype discussed in this paper was first tested under a 50 Hz mains frequency prior to the validation of the transient absorption capability.
Figure 1.
Voltage fluctuations on a 230 V RMS, 50 Hz utility mains supply.
The main objective of this study was to analyze the commercial SCASA protector by using permeance theory and predict its transformer’s action under 6 kV, 3 kA combinational surge conditions. Compared to the existing design, this research elucidates topological advancements by using a three-winding magnetic core and compares the performance levels of various powdered-iron- and ferrite-based prototypes. While suppressing transient propagation, the new prototypes revealed superior load protection with up to 20% reduction in the clamping voltage. Moreover, improvements in the maximum surge endurance are also discussed by using the UL-1449 test protocols. Air-gapped EER ferrite and an X-Flux powdered core manifested the best transient immunity, withstanding over 250 combined surges. Next, we present the principles of SPD design and combinational transient test waveforms applied to IEC/IEEE standards.
1.2. Fundamental Concepts of Surge Protection
In general, all SPDs work on the concept of impedance dividers; thus, they follow the voltage division principle to eliminate the voltage stress of a transient surge [3]. To exemplify the operation of a basic surge protector, in Figure 2a, an AC supply (), non-linear shunt device with impedance , and a surge occurrence () are considered. The series impedance shown in Figure 2a can be due to the ohmic resistance of the connection cables, inductive reactance () of a coil in series, and/or the complex impedance of the transmission line [4]. , which is superimposed on a power line, shares part of its magnitude across , whereas the remaining surge voltage appears across . In contrary to the series inductive impedance, which increases with high-frequency transients, decreases at frequencies of the kHz–MHz order, diverting the surge away from the load [5]. Nonlinear devices (NLDs), such as metal oxide varistors (MOVs), bidirectional break-over diodes (BBDs), gas discharge tubes (GDTs), capacitors (Cs), and thyristors (THYs), are widely used in SPD design. Notably, these NLDs, which enter into the low-impedance conduction mode under transients, dissipate excessive transient energy while maintaining a safe voltage () across the load. As per the voltage division, can be expressed as:
Figure 2.
Principle of voltage division applied to surge protector design: (a) simplified circuit diagram of load in connection with a basic shunt NLD; (b) common series and shunt protection devices [6].
Equation (1) proves how increased and reduced result in a lower , thus minimizing the voltage stress on the critical load. Figure 2b demonstrates a combined SPD circuit with a GDT, two inductors ( and ), an MOV, and a BBD placed along the path of a 10 kV transient superimposed on 230 V, 50 Hz mains. The series inductors in this case help to reduce the voltage magnitude, whereas the GDT, and MOV divert the high transient current while safely clamping the voltage. Moreover, a BBD with a superior reaction time provides effective clamping at the load end, thus preventing any EMI issues. By complementing the characteristics of different protective components, the combined SPD circuit performs satisfactorily, as depicted in Figure 2b. Since a single surge protector may not ideally carry all components due to cost constraints, in Section 2, we present an overview of a supercapacitor-based surge protector with a reduced number of components.
1.3. Standard Surge Waveforms: 1.2/50 s Open-Circuit Voltage Wave and 8/20 s Short-Circuit Current Wave
For testing SPD devices, standard surge waveforms are recommended by the IEC 61000-4-5 and ANSI/IEEE C62.45 test standards [1,7]. The widely used 1.2/50–8/20 s combinational wave is a combination of two waves: a 1.2/50 s open-circuit voltage wave and a 8/20 s short-circuit current wave.
According to the test standard, the open-circuit voltage waveform (Figure 3a,b) has the following characteristics:
Figure 3.
The 1.2/50 s voltage waveform and 8/20 s combined current waveform: (a) nominal waveform of the 1.2/50 s voltage wave as per IEEE C62.41; (b) comparison plots for a 6 kV 1.2/50 s voltage wave: analytical plot, LTSpice plot, LSS output, and EUT line out; (c) nominal waveform of the 8/20 s current wave as per IEEE C62.41; (d) comparison plots for a 3 kA 8/20 s current wave: analytical plot, Ltspice plot, LSS output, and EUT line out.
— Front time/rise time (): 1.2 s ± 0.36 s;
— Duration (T): 50 s ± 10 s.
The rise time of the voltage waveform is found by using , where is the time gap between 90% and 30% of the voltage magnitudes on the rising edge (). Furthermore, the time gap T of the wave is considered as the interval between the virtual origin and 50% of the voltage magnitude on the falling half. The virtual origin of the wave is taken as the point where the gradient line between the 90% and 30% amplitude points (rising edge) intersects with the voltage zero axis. The definition for this waveform comes with its characteristics: 1.2 s rise time and 50 s duration; thus, it is named the 1.2/50 s combination voltage wave.
The combination current waveform is produced when the 1.2/50 s voltage wave is short-circuited [7], and the resulting short-circuit current (Figure 3c,d) has the following characteristics:
— Front time/rise time (): 8 s (+1.0, –2.5) s;
— Duration (T): 20 s (+8, –4) s.
The rise time of the current waveform is found according to , where is the time gap between 90% and 10% of the current magnitudes on the rising edge of the waveform (). Moreover, the time gap T of the wave is considered as the interval between the virtual origin () and 50% () of the current magnitude on the falling edge. The virtual origin of the wave is taken as the point where the gradient line between 90% and 10% magnitudes on the rising half intersects with the current zero axis. The time gap of this current waveform equals 20 s. The definition for this wave comes with its characteristics: 8 s rise time and the 20 s duration; hence, it is named the 8/20 s combination current wave.
While two of these combined voltage/current waveforms stipulate suitable models for lighting surges, their wave shapes can deviate due to the internal impedances of surge simulators and path impedances that arise due to resistive, capacitive, and inductive circuit elements [8,9]. Therefore, to comprehend the deviation of an open-circuit voltage wave and short-circuit current wave, we compare the analytical, experimental, and numerical waveforms illustrated in Figure 3b,d. The analytical plots for the voltage/current waveforms were based on the mathematical representations found in IEC 61000 and IEEE C62.45 [7]; the numerical LTSpice plots were obtained from the simulation circuit shown in Figure 13. Moreover, the experimental waveforms were drawn from Lightning Surge Simulator (LSS) output data and Equipment Under Test (EUT) line data.
1.4. Supercapacitors’ Surge-Withstanding Capabilities
Supercapacitors (SCs) have much larger capacitances than those of electrolytic capacitors (ECs); thus, SCs can store greater levels of energy than ECs with the same canister volume [10]. In Figure 4c, we present a comparison of the maximum energy storage (0.5 CV) for comparable canister sizes of SCs and ECs. However, the DC voltage ratings of all supercapacitor types are fairly low, typically a few volts: 2–4 V [11]. Notably, due to their larger capacitances, SCs have an expanded charging curve (with a greater time constant) compared to those of ECs, as demonstrated in Figure 4a. For example, when combined with a 1 ohm charging-loop resistance, a 100 F capacitor will reach its full voltage (DC supply source) within just 0.5 milliseconds. However, a supercapacitor of 1 F will take about 5 s for a similar circuit loop. If a DC voltage supply appears for only 10 s in the form of a voltage step (see Figure 4a), an SC will not develop a considerable voltage, while the loop resistance will circumvent a huge share of energy in terms of surge dissipation.
Figure 4d presents how voltage build-up occurs across SCs and ECs for a 6 kV, 1.2/50 s transient pulse. In all cases, it is seen that ECs develop several thousands of volts under the 6 kV transient, whereas 1, 25, and 100 F SCs are charged up to few millivolts. With this expanded nature of SC charging, it is found that the voltage development is substantially smaller than the of a normal EC capacitor . Notably, is smaller than the DC voltage rating of a supercapacitor, thus eliminating any chances of failure when subjected to a transient surge. Contrarily, ECs demonstrate signs of degradation by developing bulging tops, as verified in surge tests (see Figure 4a), leading to physical damage of the devices. More details about supercapacitors’ transient behavior and surge dissipation in SCs’ RC-circuit loops can be found in [12]. In Section 2, we present an overview of how an SC can be placed in a practical surge protector to provide improved performance.
Figure 4.
Comparison of supercapacitor and capacitor characteristics: (a) voltage build-up for SCs and ECs for a 1000 V, 10 s step transient; (b) simulated voltage development for a 1 F SC and 100 F EC for a 1000 V, 10 s step pulse; (c) energy storage capabilities of SCs vs. ECs with similar canister sizes [13]; (d) DC voltage rating, ESR, energy storage comparison of SCs vs. ECs and the voltage build-up for a 1.2/50 s, 6 kV transient.
2. Overview of the SCASA Circuit Design
2.1. Topological Features
The empirical validation of the surge absorption potential of supercapacitors resulted in the development of a supercapacitor-based transient suppressor named SCASA. The original circuit design comprised an SC sub-circuit, as shown in Figure 5b. The low DC rating (2–4 V) of SCs prevents their direct application across 230 V AC mains (or SCs cannot be placed in parallel with an NLD) [14]. Thus, in designing the SCASA topology, coupled inductor windings were utilized with a powdered iron magnetic core (Kool u 0077071A7- Magnetics Inc.), which had a relative permeability of = 60 [15]. In the SCASA design depicted in Figure 5b, a configuration of two coupled windings was selected in such way that the primary coil ( = 6 turns) created a reduced-impedance path for transient propagation in comparison with the more inductive secondary, which consisted of 28 turns (). Overall, magnetic induction of the two SCASA coils minimized the passage of transient energy to the load in terms of surge flux storage within the toroid. The topology also facilitated the continuous flow of 230 V, 50 Hz mains without blocking the AC line frequency.
Figure 5.
Comparison of the SCASA topology with other commercial SPDs: (a) traditional differential-mode surge protector; (b) generalized SCASA circuit; (c) load–voltage comparison of SCASA and other commercial protectors; (d) component count comparison of SCASA and other commercial surge protectors.
As mentioned previously, the novelty in the SCASA design is the addition of a supercapacitor sub-circuit. Out of the various sub-circuit combinations (A, B, C, and D in Figure 5b), it was validated that the most effective combination was B () [13]. Therefore, in a practical SCASA protector circuit, a 5 F SC and a 1 high-power resistor were placed between the ends of two coupled-inductor coils to make sure that the DC-rated voltage of the SC was not exceeded. In addition, the two nonlinear MOVs (Var 1 and Var 2) dissipated excess transient energy while a safer clamping level was maintained at the load end. Figure 5c demonstrates how the SCASA clamping voltage varied for a range of surge settings (1–6 kV) and provides comparisons with two other industrial SPDs. As a commercially successful design, the SCASA transient protector competes well with other commercial SPDs due to its low component count (see Figure 5d) and superior performance. The magnetic design aspects of the coupled inductor will be investigated next.
2.2. Powdered-Iron vs. Ferrite Magnetic Cores
When the SCASA circuit design was first implemented, special considerations were made to select a suitable magnetic core. According to the initial investigations, it was revealed that only a powdered-iron core had satisfactory performance, whereas commercial ferrites failed to absorb an adequate level of surge. In the present SMART-TViQ design, a powdered-iron toroid is utilized, as illustrated in Figure 6a (Kool u toroid, Magnetics, Inc., Pittsburgh, PA, USA). This core has a relative permeability = 60 [16]. Contrary to high-permeability ( = 10,000) ferrite cores (Figure 6b) [17], powdered materials are fabricated with distributed air-gaps, resulting a permeability reduction. Notably, this air-gapping effect in powdered cores provides a greater energy storage capability to the core than that of pure ferrites [18]. To investigate this further, we designed tests to observe the magnetic operation of the SCASA coupled-transformer coils (more details found in Section 3.2).
Figure 6.
Comparison of magnetic properties: (a) Kool u powdered-iron toroid (0077071A7); (b) W-Ferrite toroid (ZW43615TC).
In addition to the Kool u core’s high energy storage, it had a relatively high level of magnetic saturation (10,500 gauss/1.05 T) compared to that of the W-ferrite core, which saturated at 3900 gauss/3.9 T (Table 1) [17]. To study the suitability of these materials, we determined the peak toroidal flux density induced due to a 3 kA transient, as described in Section 3.5. Having a low magnetic saturation is another drawback that limits ferrites’ application in surge protection circuits. However, the saturation level can be elevated when an air gap is introduced to a ferrite body; Section 2.3 describes the benefits of the air gapping of toroids. Moreover, due to reduced core losses (550 mW/cm), the Kool u core is applicable in transient conditions, as well as 230 V AC, without substantial core/heat losses [19]. However, when designing high-performance SCASA prototypes, we experimented with various other powdered-iron cores, such as High-Flux and X-Flux toroids. The characteristics of the hysteresis behaviors of all powdered materials and other ferrites used in designing prototypes are illustrated below (Figure 7 and Table 1). Compared to the low saturation levels of ferrites, both X-Flux and High-Flux cores possessed superior saturation flux densities of 15,000 gauss (1.5 T) and 16,000 gauss (1.6 T), respectively. In Section 4, we present the experimental results obtained for different SCASA prototypes designed by using various magnetic core samples and compare their performance with that of the existing Kool u design.
Table 1.
Comparison of the magnetic properties of various powdered-iron and ferrite materials used to design SCASA prototypes [17,19].
Figure 7.
Hysteresis characteristics comparison of powdered-iron and ferrite materials used to design SCASA prototypes: (a) Kool u (powdered iron) hysteresis loop; (b) High-Flux (powdered iron) hysteresis loop; (c) hysteresis behavior of W and J ferrites; (d) hysteresis behavior of P and R ferrites [20].
2.3. Significance of the Air Gapping of a Ferrite Core
Since the soft ferrite materials described above (W, J, R, and P ferrites) possess high relative permeabilities (narrow hysteresis loop) and low magnetic saturation levels, we discovered that these materials were not suited for surge protector design. In addition, due to the low energy storage capabilities of soft ferrites, these performed poorly when tested with the SCASA prototypes. Therefore, as an alternative approach to utilizing pure ferrite core samples for the SCASA transformer, we conducted experiments using air-gapped ferrites (with comparable properties to those of powdered iron) cores. Our initial investigations involved testing single- and double-gapped toroidal cores based on W-ferrite material. The following calculations justify how the relative permeability () can be reduced significantly by adding an air gap to the magnetic path length.
The reduction effect of the magnetic reluctance of a core in the presence of an air gap was explained in [21]; based on our previous analytical work, the effective permeability of an air-gapped toroid can be deduced as:
Note: the toroidal circular length, the air-gap length, and the relative permeability of an ungapped toroid.
For a single-air-gapped toroid (Figure 8) with a gap length of mm, mm, and , by using Equation (2), we have:
Figure 8.
Geometrical configurations of ungapped, single-gapped, and double-gapped ferrites.
These predictions justify that a single air column inside the ferrite yields a substantial drop in the relative permeability (10,000 → 50), whereas a double air column yields a 10,000 → 25 reduction. Our next aim is to compare how the energy storage levels vary for different gapped-core samples.
According to Ampere’s law, the following expression can be derived for the energy stored in the air gap, as described in [22].
Note: the magnetic flux density across the toroid, and the volume of the air gap, as illustrated in Figure 8. The air volume can be determined from .
Similarly, we can prove energy stored inside the toroidal core as follows:
where is the volume of ungapped toroid given by .
Since the toroidal flux during transient excitation uniformly passes through both the core and the air gap, it is possible to establish a proportional relationship to determine as follows:
Importantly, this relationship substantiates that the energy stored inside a single air gap is 200 times greater () than the energy retained in an entire ungapped toroid. Furthermore, in the double-gapped core, . Test results relating to the transformer inductance properties and clamping improvements of SCASA prototypes based on gapped ferrite toroids are given in Section 4.
2.4. Limitations of the Present Topology and Possible Improvements
The limitations of the present SCASA design can be identified in two forms—the high load–voltage clamping under transients and the high manufacturing cost of the Kool u powdered core are among the top concerns. To address the first, we developed prototypes with air-gapped ferrites to elevate the surge absorption and dissipate excess transient energy. Apart from the justification of the energy storage capabilities of the gapped ferrites presented above, a detailed discussion about leakage effects and transient losses is given in Section 4.3.
As per the test results observed for the SCASA device under a 6 kV/3 kA combined transient, it was seen that clamped load–voltage lay between 800 and 900 V. However, in Section 1.2, we explained how detrimental effects (internal degradations in load circuits) can arise when voltage clamping increases above 700 V for an extended period. Therefore, we designed SCASA prototypes by using EER-type (based on R-ferrite, R43521A125 Magnetics Inc., Pittsburgh, PA, USA) air-gapped cores to address the above limitation [17]. The new approach yielded better voltage characteristics on the load side with improved transient endurance; more details about this implementation and the related experimental outcomes will be investigated in Section 4.
As an industrially useful surge protector, it is important to have a reduced cost of production for SMART-TViQ devices based on the SCASA technique. However, with the manufacturing complexity (due to distributed air-gaps) of Kool u powdered toroids, they can be more expensive than gapped ferrites. However, by using mass-produced EER-type cores, a solution to this price constraint was found with an approximate cost reduction of about 40%. Comparisons of the magnetic characteristics of the two core samples and their production costs are given in Section 4.5. In the next section, we examine the magnetics of the SCASA coupled inductor by using a novel theoretical model derived from magnetic permeance.
3. Magnetics of the SCASA Transformer
The use of the Kool u core for the SCASA coupled inductor introduced various non-ideal transformer characteristics to the core. Unlike a pure ferrite material, where the core reluctance is negligible, the powdered-iron core possessed a high reluctance due to the distributed air gaps [20]. As a consequence, the SCASA coupled inductor wound around the Kool u toroid showed reduced magnetizing inductance and relatively high leakage inductance. To model these non-ideal properties of the coupled inductor, we developed a magnetic permeance theory, as described below.
3.1. Permeance Model for the Coupled Inductor
In contrast to magnetic permeability (), which is a characteristic of the material, magnetic permeance is a derived attribute determined by both the permeability and geometry of the core [23,24]. To model the magnetizing inductances of SCASA transformer windings, magnetizing permeance was used. By definition, is also described as the magnetizing inductance per unit of square turns [24]. Hence, the permeance determines the inductance of a coil due to magnetizing flux. In theory, the links between , , , and are given by (5):
Note: the relative permeability and the permeability of free space. The formula above substantiates how the magnetizing permeance depends on both the material and geometrical properties of the core. According to industry specifications, is known as the inductance factor . Figure 19 compares the values of various powdered-iron and ferrite materials (including gapped ferrites) implemented when designing SCASA prototypes.
To model the leakage inductances of the SCASA transformer, the leakage permeance was used. The practical leakage permeance for toroidal cores is considered proportional to the inner diameter . The proportionality factor A is independent of the material and is dependent on how the core is actually wound. The leakage permeance is approximated as:
where H/m according to empirical estimations [24]. Combining and , we can represent the self-inductance of SCASA windings as described below.
The two coupled-inductor coils of the SCASA transformer (Figure 9) possess magnetizing inductances (, ) and leakage inductances (, ) associated with the primary and secondary sides of the core.
Figure 9.
Equivalent circuit of the SCASA transformer.
According to [24], the primary and secondary self-inductances and can be written as:
Incorporating both magnetizing and leakage permeances (, ) into , and , , we get:
In designing the SCASA transformer, a greater level of leakage inductance is maintained (due to the distributed air-gap effect of the Kool u powdered core). In addition, due to the toroidal symmetry of SCASA, it is possible to predict equal sharing of leakage flux between the primary/secondary core windings. Thus, it is assumed that each winding possesses 50% of the leakage permeance () [19,24]. Therefore, by using above permeance Equations (9) and (10), we can express (7), and (8) as:
Furthermore, the magnetic coupling between the two coils, which depends on the mutual inductance (M) of the SCASA core, can be theorized by using as per (13).
In Section 4.3, we present how these inductance properties vary for the Kool u toroid (Magnetics Inc., Pittsburgh, PA, USA) and compare such measurements for other powdered-iron and ferrite samples adopted in SCASA prototypes. Open-circuit and short-circuit experiments on the coupled inductor were conducted to determine the self-inductances (, ) and leakage inductances (, ); moreover, series and inverse-series tests were carried out to reveal the mutual inductance M [25].
3.2. Voltage Induction of Primary and Secondary SCASA Windings
Under high-magnitude voltage (1.2/50 s, 6 kV) and current (8/20 s, 3 kA) transients, both SCASA MOVs Var 1 and Var 2 exceeded their breakdown limits; thus, they entered into conduction modes [26], as characterized by the appropriate “ON resistances” () illustrated in Figure 10. The varistor model [27] of V20E275 (Littlefuse, UltraMOV Series) used in the SCASA design predicted that the ON resistances (Var1 and Var2) were between 0.2–1 under transient currents [27,28]. Notably, for transient frequencies, the inductive impedances of two SCASA coupled coils dominated; hence, more the inductive secondary coil () received only 8% of the surge current, while 92% of the transient current flowed into Var1 through the primary () coil [29]. More details about the coupled-inductor current division for both transient and 50 Hz RMS conditions were given in our previous publication. In this research, we focus on investigating the voltages induced in primary and secondary coils, as predicted by the following equations. This would further help us understand more about the transformer action shown by the SCASA magnetic core.
Figure 10.
Transient operation of the SCASA transformer.
When the primary current and secondary current propagate through the SCASA core, the opposing voltage barrier induced by the primary coil is determined by the rate of change of the respective currents and the self-/mutual inductances of the primary coil. Hence, by using Equations (11)–(13), the primary induced voltage is written in the following form:
Similarly, the secondary induced voltage can be expressed as:
Since the SCASA transformer’s configuration leads to a more inductive secondary coil with turns (thus, a greater self-inductance: 60 H) compared to the primary with turns (self-inductance: 3.8 H), during the transient current’s propagation through the coupled inductor. Therefore, an inductive voltage (negative) release given by is demonstrated by the SCASA core immediately after the surge propagation. Furthermore, it can be proven that the energy storage capacity of the SCASA coupled inductor (for different magnetic cores) is indicated by this voltage difference—. Our next aim is to derive an expression ; subtracting (14) from (15),
By using the magnetizing and leakage permeances extracted from the industry (Magnetics Inc., Pittsburgh, PA, USA) and the specifications of the Kool u powdered toroid ( = nH/turn, = nH/turn), the magnitude of can be evaluated for SCASA windings with and , as described below. In addition, considering the 8/20 s 3 kA surge current waveform (Figure 3) and a 92:8% current division in the primary and secondary coils, we can approximate A (92% of 3 kA) and A (8% of 3 kA). Based on the 8/20 s current wave shape illustrated in Figure 3c, can be approximated to 10 s (time difference between the peak current and zero current). Substituting these values into (16), we get:
Consistently with the theoretical voltage difference , the individual voltages induced in the SCASA primary and secondary coils can be calculated as and V (according to (14) and (15)). As results in a negative voltage release (which passes to Var2 via Var1, as shown in Figure 10) after the propagation of a transient, we captured the Var2 voltage waveform under various LSS surge settings to experimentally compare our theoretical predictions for the SCASA inductive release. All oscilloscope waveforms presented in Figure 11 were obtained by an isolated-channel oscilloscope (Tektronix TPS2014) and high-voltage probes (Tektronix P6015A). According to Figure 11a, the negative peak corresponding to a 6 kV, 3 kA combined transient was found to be ∼−1000 V. However, the theoretical magnitude for was determined as ∼3314 V, showing a discrepancy with the test waveforms. This effect was due to the saturation of the Kool u powdered core at high-magnitude surge currents. Therefore, in Section 3.5, we present a detailed analysis of the SCASA toroidal flux for a combined transient of 6 kV and 3 kA and suggest optimization methods by using advanced magnetic materials with a greater saturation flux capacity. Our next aim is to study how the secondary–primary voltage ratio : varies for different transient conditions (with a mismatch with the SCASA turn ratio, ) and to further investigate the non-ideal transformer action of the SCASA coupled inductor.
Figure 11.
Fluctuation of the Var2 voltage under different surge settings: (a) variations in (negative voltage peak) in the Var2 voltage for 2–6 kV; (b) oscilloscope waveform for a 2 kV LSS surge output; (c) oscilloscope waveform for a 3 kV LSS surge output; (d) oscilloscope waveform for a 6 kV LSS surge output.
3.3. Voltage Ratio and Non-Ideal Transformer Action
As per the theoretical predictions described above (Equations (14) and (15)), the secondary:primary voltage ratio was : 4.13, and it was consistent with the SCASA turn ratio, = 4.6, with a ∼10% deviation. However, this ideal voltage ratio (as in the case of an ideal transformer) deviated considerably according to the experimental and simulated results. To study this non-ideal behavior of the SCASA coupled inductor, we conducted LTSpice simulations under different LSS settings from 1 to 6 kV (Figure 12). In Figure 12a, induced voltages and were found as ∼3.56 kV and ∼1.7 kV, respectively, for the 6 kV surge setting. Therefore, : = 2.1, as verified by the simulated waveform; this significant deviation (compared to the theoretical results) suggests that the SCASA core did not behave as an ideal transformer.
Figure 12.
Comparison of the SCASA primary and secondary induced voltages (peak values) under different LSS surge settings: (a) LTSpice-simulated waveforms for 6 kV; (b) LTSpice-simulated waveforms for 3 kV; (c) LTSpice-simulated waveforms for 1 kV.
One main factor affecting the transformer action was the type of magnetic material used in the core. The Kool u powdered toroid consisted of a high concentration of distributed air gaps. This altered the magnetic reluctance () of the core; compared to an ideal transformer, where = 0, the Kool u core had a large reluctance, as calculated below:
Another impact of the distributed air gaps in the Kool u toroid was the reduction effect on the coupling coefficient k; compared to the ideal situation of , the SCASA coupled-inductor windings showed (see Table 3). More information about the SCASA mutual inductances and coupling coefficient variations for different magnetic materials are given below.
In addition, we could identify that the low saturation flux capacity of the Kool u (10,500 gauss) core was another important factor that affected the ideal transformer action. Due to the high-magnitude surge current (3 kA) propagating through the SCASA windings, the core was saturated, thus lowering the induced voltage ratio :. In Section 3.5, we determine the SCASA toroidal flux for a 3 kA transient and discuss the limitations of the Kool u core while introducing several other magnetic materials that are suited for high-performance prototypes.
3.4. LTSpice Simulation Models of SCASA and the Lightning Surge Simulator
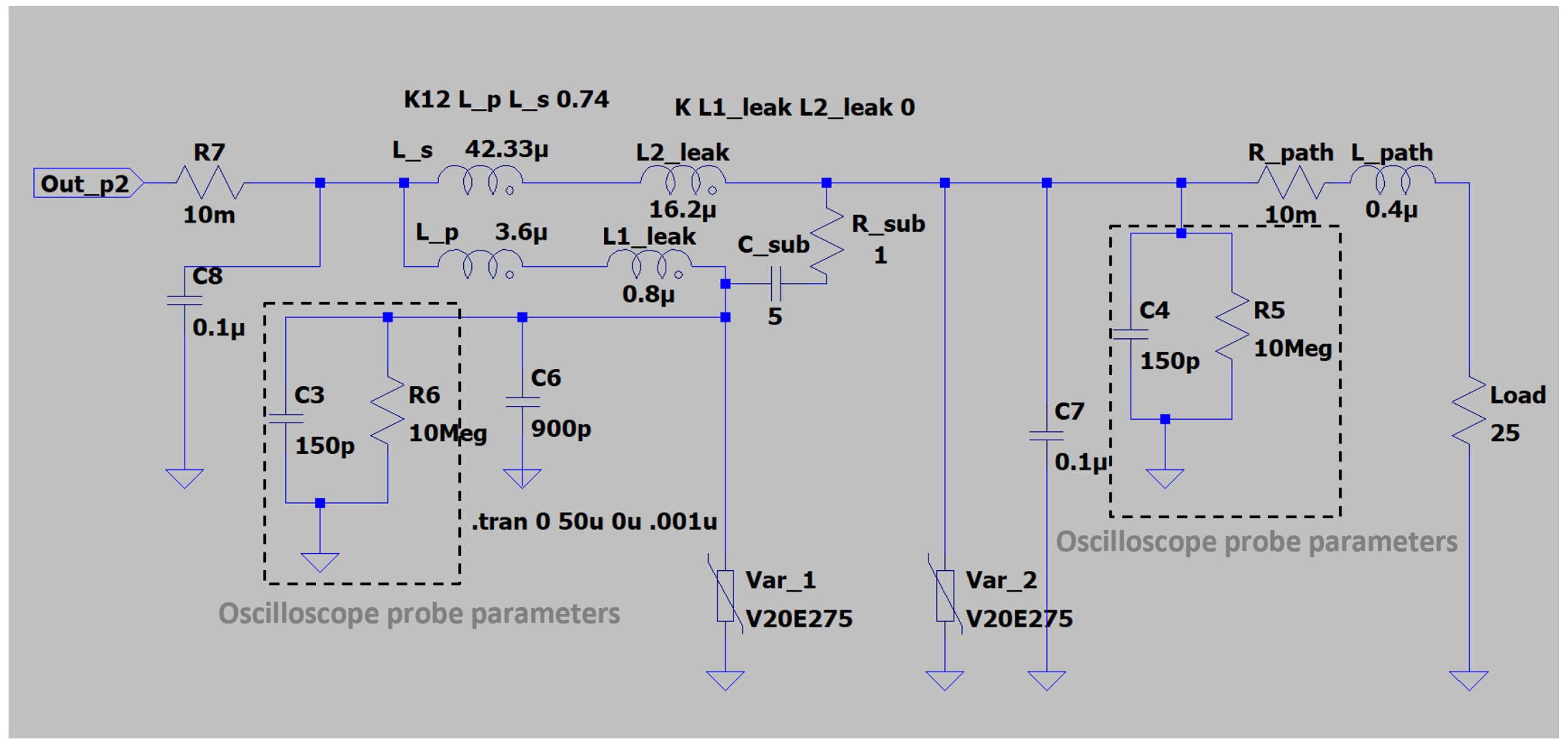
In addition to the permeance model of the SCASA magnetic core described above, we conducted a simulation analysis based on an LTSpice circuit model. The model consisted of an LSS-6230 internal generation unit and the details of the SCASA equivalent circuit (non-ideal transformer, MOVs, and SC sub-circuit). Considering the accuracy of our simulation, the X- and Y-type EMI filtering capacitors (C6, C7, and C8), oscilloscope probe parameters, and path impedance (due to parasitic inductances/capacitances) characteristics of connection probes were added to the LTSpice model (see Figure 13 and Figure 14). The LSS wave generation circuit shown in Figure 13 generated standard combinational surge waveforms (1.2/50 s voltage wave and 8/20 s current wave), which were then injected into the SCASA circuit. More details about these standard wave shapes were described in Section 1.3.
Figure 13.
LSS-6230 surge simulator circuit used in the LTSpice simulations.
Figure 14.
Equivalent circuit of the SCASA topology simulated in LTSpice (including the X- and Y-EMI filtering capacitors (C6, C7, and C8), oscilloscope probe parameters, and path impedance characteristics).
The equivalent SCASA circuit illustrated in Figure 14 comprised EMI filter capacitors (C6, C7, and C8), oscilloscope probe parameters, and path impedance effects to accurately simulate the transient operation. The magnetizing () and leakage () inductance properties of the SCASA coupled-inductor coils were characterized by the coupling coefficients k = 0.74 and 0 in the LTSpice model. In addition, the nonlinear behavior of Var1 and Var2 were simulated with the varistor model provided by the Littlefuse co-operation [27]. Transient-mode simulations for the LSS output voltage (), LSS output current (), SCASA primary current (), secondary current (), and voltage clamping of the two SCASA varistors (Var1 and Var2) are demonstrated in Figure 15.
Figure 15.
Transient-mode simulations for , , , , and SCASA varistors’ clamping variations (Var1 and Var2).
3.5. Toroidal Flux in the SCASA Coupled-Inductor Transformer
Since the induced voltage ratio between the secondary and primary windings of SCASA did not match with the coupled-inductor turn ratio, as described above, our next aim was to investigate the magnetic saturation effects of the core. By evaluating the peak transient flux, our selection of an optimal core material could be justified; this could also prevent SCASA saturation by adopting the right magnetic material. The predictions given below describe how toroidal flux in SCASA was generated for a 6 kV/3 kA transient.
3.6. Toroidal Flux Distribution in SCASA
In Section 2.2, we examined the toroidal magnetization of the SCASA coupled inductor with reference to the Kool u hysteresis behavior. Here, we expand that theory by deriving a formula (based on Ampere’s law) to determine the magnetic flux density induced due to a 3 kA surge current. By applying Ampere’s law to a toroid with N turns,
Note: and the magnetic flux density due to the surge current I passing through N core windings. As remains steady across the toroidal cross-section, by using core permeability , we get
Note: the relative permeability and the toroidal circular length (magnetic path length) with radius r. Substituting the integral into Equation (20),
Under transient operation, it can be tested that 90% of the surge current propagates through the primary SCASA coil due its low impedance (five turns). Furthermore, the Kool u (0077071A7, ) powdered iron toroid has a circular length of 81.4 mm () [19]. Substituting these into (21), the maximum flux density across the SCASA toroid can be determined for a 3 kA transient as:
Given the dynamic nature of rapidly changing transients described in the IEEE 8/20 s current standard (), we can observe rapid changes in magnetic flux density during SCASA magnetization, as displayed in Figure 16. Note: The graph is based on the assumption that only 90% of the transient current is flowing to the primary coil. The theoretical plot in Figure 16 was drawn in MATLAB according to (22), which was derived from (21).
Figure 16.
Magnetic flux variation in the SCASA toroidal transformer under a 3 kA transient.
Due to the instantaneous variations in surge transients under 100 s, the magnetic flux can be appropriately estimated by evaluating the average magnitude of a transient. By integrating over the time interval 100 s, the following expression can be established for the transient average as follows:
By incorporating the IEEE-Std-C62.45-2002 constants , , when 2700 A, the integral above can be estimated in MATLAB as:
Based on the current, the average magnetic flux density through the SCASA toroid can be determined:
This is an important finding for our core selection process, as SCASA SPD prototypes are designed with toroids that have similar saturation levels. Details about the magnetic characteristics of different powdered-iron and ferrite samples adopted in SCASA testing are given in the next section.
4. Circuit Modifications and Design Optimizations of SCASA
In this section, we first elucidate how the SCASA topology was modified by using the same Kool u powdered core as in the original design. Secondly, we discuss the details of advanced prototypes based on X-Flux toroids, High-Flux toroids, and various air-gapped ferrites, which were useful in achieving the best surge absorption for the SCASA protector.
4.1. Addition of a Third Winding to the Magnetic Core
In Section 2.3, we described the importance of storing and leaking transient-related magnetic flux to improve the surge endurance of the SCASA surge protector. Thus, to enhance the flux storage, we first experimented with adding a third coil to the toroidal core of the SCASA design. Figure 17 depicts the topological change made to the base circuit with another supercapacitor (SC) sub-circuit ( and ) connected to a third coil wound at turns. The key idea here was to absorb part of the surge flux flowing through the toroidal core as the SCASA non-ideal transformer became active under the transient mode. The second SC sub-circuit ( and ) coupled with the third winding facilitated the dissipation of that absorbed flux in terms of heat. Under 230 V AC operation, when the varistor (MOV) was not fired, the primary coil ( turns) current was negligible. Therefore, the AC power flow to the load side primarily happened through the secondary coil, which had turns. More details about AC operation can be found in [29]. Prior to transient-based experiments with this new topology, we first investigated the impact of the third winding on the AC power flow due to the reflected impedance of the coil. The theoretical description presented below quantifies the extra impedance effect due to and .
Figure 17.
Topological change made to SCASA circuit with the addition of a third winding.
By defining the coefficients , , and for the respective turn ratios of the primary, secondary, and tertiary windings, we get:
Since the current through the primary winding is negligible and the secondary current corresponds to the major power flow, we consider the impact of the tertiary–secondary turn ratio () in our analysis.
The total impedance due to and placed at the tertiary winding can be written as:
where is 2 times the line frequency of 50 Hz under 230 V AC. By using Equations (25) and (26), the reflected impedance onto secondary winding can be expressed by dividing by the turn ratio squared:
where is the definition of the tertiary–secondary turn ratio. In addition, the 2000 W load device shown in Figure 17 has an equivalent ohmic resistance ,
Considering and the reflected impedance , we can evaluate the new RMS current flowing through the loop between live and neutral as:
Since the SC impedance () for a 5 F supercapacitor at 50 Hz is fairly small, and when a 10 high-power resistor is used for , can be simplified as:
Under these circuit conditions, the new electrical power delivered to the load device is determined by using ,
Using (29), it is possible to evaluate under different turn ratios (). This gives a satisfactory indication of the appropriate turn ratio to be implemented.
Considering the experimental feasibility and the practicality of the number of turns that can be wound around the Kool u (0077071A7) powdered-iron toroid, we selected the condition, where the third coil had 112 turns compared to the 28 turns of the secondary. Furthermore, the active power flow for this condition was 1906 W, and it was not a considerable reduction from the desired 2000 W rated power. As we changed the 10 high-power resistor () connected to the tertiary winding to much smaller values (1 , 2 , 0.5 , etc.) during the experiments, the impact of the impedance on the AC mains flow became insignificant.
Motivated by the initial investigation of this third coil modification made to the SCASA topology, our next aim was to study its impact under transient operation. Figure 18 demonstrates the experimental setup used to record test results.
Figure 18.
Measurement system for third-coil-based modification made to SCASA (transient mode).
When estimating the energy dissipation across the third coil resistor , we connected a digital oscilloscope (Tektronix TPS2014) to measure the voltage variation across . As the SCASA magnetic core came into transformer action due to transient currents and , the induced magnetic flux circulates around the toroidal core, resulting in a voltage induction across the third winding. Since the 5 F supercapacitor () developed a millivolt-order voltage due to its extremely small ESR, the full voltage drop occurred across . Therefore, our measurement system shown in Figure 18 yielded accurate information about the induced voltage and current through the third coil. This led us to evaluate the heat energy dissipation across under transient operation (we assumed that the third-coil-induced current took the standard 8/20 s wave shape and that the peak energy dissipation occurred at 10 s). Table 2 summarizes the peak voltages, currents, and corresponding peak energy dissipations for different high-power resistors (varying ) placed at the third winding.
Table 2.
Comparison of the peak voltages, currents, and peak energy dissipations for different high-power resistors placed at the third winding of SCASA.
The peak energy estimation presented in Table 2 was carried out when the SCASA circuit was subjected to standard 6 kV/3 kA combinational surge waveforms. Notably, this topological alteration made to the original SCASA core did not significantly improve the surge energy dissipation. However, according to Table 2, it was possible to identify that a maximum energy dissipation ∼2 J could be achieved when two 1 resistors were placed in series (2 ) across the third winding. In all other trials with various high-power resistor combinations, serious surge reductions were not achieved. Compared to the ∼81 J energy of an incoming surge, the heat dissipations shown in Table 2 are fairly insignificant. Therefore, we explore alternative optimization methods in the next section.
4.2. Magnetic Properties of the Kool u, High-Flux, X-Flux, and Other Ferrite Cores
When designing SCASA prototypes for optimal surge absorption, we based our core selection on various powered-iron and ferrite magnetic samples. In Figure 19, the characteristics of three powdered-iron toroids (Kool u, High-Flux, and X-Flux) and W, J, and R ferrite cores are compared. Our selection criteria for the SCASA prototype components was dependent on three fundamental core properties: permeability, saturation flux, and magnetic permeance. In Section 3, we described the importance of permeance () in theorizing a model for the SCASA coupled-inductor transformer, and we explained how permeance relates to core reluctance () when predicting the non-ideal operation of the transformer.
Figure 19.
Magnetic properties comparison of different powdered-iron and ferrite core types used for SCASA prototypes.
As per the specifications from Magnetics Inc. [19], all three powdered-iron cores revealed reduced permeabilities between 26 and 60 due to the distributed air gaps inside the cores. Consistently with the permeability patterns (as described by (5)), even the permeance values (also known as the inductance factor A) of these core samples lay within 28–61 nH/turn. Having reduced permeance (and permeability) is suitable for surge protection applications, as distributed air gaps are superior in storing sure energy compared to pure ferrite materials. Therefore, it was predicted that the X-Flux toroid was the best-suited powdered-iron material for the SCASA application. This prediction was further justified by the high saturation level (16,000 gauss) of X-Flux. A similar effect was seen for the two ferrite toroids, where was equal to 50 and 25 ( = 67 and 34 nH/turn) for the single- and double-gapped cores, respectively. High-permeability (5000–10,000) ungapped ferrites that had very narrow hysteresis behavior were saturated quickly at low magnetic flux; hence, they possessed limited transient energy storage. Therefore, we eliminated the usage of pure J and W ferrites for SCASA optimization. With the goal of substantiating our preliminary predictions, we present the inductance properties of all powdered-iron- and ferrite-based transformers next.
4.3. Inductance Properties of Various Powdered-Iron and Air-Gapped Coupled-Inductor Designs
The essential inductance properties of SCASA, such as the primary/secondary self inductances , mutual inductance M, and transformer coupling coefficient k, are compared in Table 3 for different prototypes. Out of the three powdered-iron designs, the X-Flux transformer exhibited the weakest magnetic coupling with M = 7.5 and k = 0.56, whereas the presently commercialized SCASA (Kool u) revealed M = 9.8 and k = 0.74. Consistently with the observations seen in Figure 19, a high concentration of distributed air gaps in X-Flux resulted in an elevation of the leakage flux, thus decreasing the coupling coefficient k. This is a positive aspect for designing surge protectors, as we aim to increase the lossiness of the core by leaking a greater level of surge-induced magnetic flux.
Table 3.
Comparison of the inductance properties of various powdered-iron and ferrite cores used for SCASA prototypes.
With regard to the ferrite coupled-inductor designs, it could be seen that the gapped EER core, which had a coupling coefficient of , had a remarkable similarity to the original Kool u design. In contrast, the pure ferrite toroid ( = 10,000, ) was found to be ineffective in SCASA due to its strong magnetic coupling and weak leakage flux. Other toroidal gapped ferrites (single/double gapped) composed of manually inserted air gaps yielded promising inductance values, as shown in Table 3; however, due to their high cost and inconvenience of production, low-cost mass-produced EER cores were preferred. The test measurements discussed so far provide a good understanding of the suitability of different cores for SCASA transient suppression; LSS surge immunity tests will be presented next.
4.4. Experimental Setup for Surge Immunity Tests
In Section 1.3, we presented details about the standard combinational waveforms (1.2/50 s open-circuit voltage wave and 8/20 s current wave) used for SPD testing. In a high-voltage laboratory encased similarly to a Faraday cage, where electromagnetic radiation was shielded, Lightning Surge Simulators (LSS-6230 and LSS-F03) were used to generate combined transients of a magnitude of 6 kV/3 kA. The device-under-test (DUT) SCASA coupled inductor was connected to 230 V mains via LSS-6230, as shown in Figure 20.
Figure 20.
Measurement system for testing the surge absorption of SCASA coupled-inductor designs.
When combinational surges were injected into the mains flow, the SCASA magnetic core absorbed the surge energy, while both MOVs (Var1 and Var2) provided clamping (by dissipating excess energy) to protect the load. In order to capture clamped voltages, we used a digital oscilloscope with a 100 MHz bandwidth and 1 GS/s sample rate (Tektronix-TPS2014), and it had four isolated channels that were suitable for high-voltage floating measurements. These oscilloscope channels were isolated from each other, as well as from Earth ground, thus providing accurate differential measurements of MOV clamping with the Tektronix P6015A high-voltage probes connected to varistor terminals (Figure 20). Moreover, two of the isolated channels were separately connected to LSS-6230 reference outputs (1000× attenuated) to obtain the surge wave shapes ( and ) injected into the DUT line. Next, the usability and energy storage levels of different SCASA prototypes under combinational surge testing will be discussed.
4.5. Performance Comparison and Future Work
In Section 3.2, it was revealed that the transient absorption capabilities of the SCASA coupled-inductor core were indicated by the magnitude of , where is the secondary induced voltage and is the primary induced voltage. Therefore, we first analyzed the relative energy absorption capacities of seven different core types (coupled-inductor designs), as shown in Table 4. All seven prototypes mentioned in Table 4 were subjected to 6 kV/3 kA combinational surge waveforms coupled with 230 V/50 Hz mains, as illustrated in Figure 20. In this research, we mainly used LSS-6230 for surge generation, as the peak surge magnitudes did not exceed 6 kV for SCASA testing. However, the more advanced LSS-F03, which had a 15 kV peak voltage, was used as a reference to analyze combinational wave shapes.
Table 4.
Comparison of the energy storage capabilities and clamping voltage reductions for different powdered-iron and ferrite-based SCASA prototypes.
According to Table 4, it can be seen that the X-Flux-based coupled inductor had the best surge absorption out of the three powdered-iron cores, with an inductive voltage release () of −1160 V. Both the Kool u and High-Flux powdered-iron designs revealed moderate to low levels of absorption, respectively. Moreover, the four ferrite designs showed contrasting performances under transient surge testing. The high-permeance ( = 13,400 nH/turn) pure ferrite had poor energy storage capabilities, whereas all gapped ferrites indicated elevated surge-absorbing capacities. Out of the two manually gapped ferrite toroids, the double-gapped core ( = 34 nH/turn) stored the most surge flux, while the single-gapped core ( = 67 nH/turn) showed similar characteristics to those of the Kool u design, with a moderate level of absorption. Notably, the centre-gapped EER ferrite signified the greatest surge-absorbing capabilities out of all seven coupled-inductor designs. The EER core, which had a permeance of 125 nH/turn, also revealed an inductive release of −1260 V, as highlighted in Table 4.
As previously described in Section 2, a significant share of surge energy was dissipated in two SCASA varistors (Var1 and Var2). Having a greater absorption in the coupled-inductor core reduces the heat stress on the two varistors, thus minimizing the clamping voltage across Var1 and Var2. Therefore, a core that absorbs more transient energy safeguards the critical load effectively with a low voltage clamping. Of the two varistors, Var2 is of extreme importance to our study, as Var2 directly connects to the load circuit. A good agreement of this effect can be seen in Table 4, as both the X-Flux and EER-type prototypes yielded the best SCASA performance for the load side. Consistently with the pattern of high surge absorption described above, the X-Flux powdered core displayed a low clamping of 840 V (∼10% reduction from the original Kool u design) for Var2, whereas the best clamping voltage of 740 V (∼20% reduction) was revealed by the air-gapped EER core.
To consolidate the performance observations demonstrated by all coupled-inductor designs, we subjected them to UL-1449 surge endurance tests specified by Underwriters’ Laboratories [30]. According to the UL-1449 test protocol, 6 kV/3 kA combinational waveforms were consecutively injected into the SCASA prototypes with particular time gaps in between; more details about the consecutive surge count and time gaps are given in [30]. Out of all prototypes summarized in Table 4, the EER ferrite and X-Flux powdered-iron toroid withstood the maximum numbers of consecutive surges, where the failure of Var2 was seen after 250 transient surges, as per the UL standard. A similar surge endurance was shown by the double-gapped ferrite, but due to experimental difficulties, we ignored the manual gapping of toroids. The presently commercialized coupled inductor based on the Kool u toroid also revealed a moderate yet substantial surge-withstanding capability for up to 150 consecutive pulses. Another important attribute that is relevant to our core selection is the manufacturing cost. Due to commercial price constraints, the SCASA surge protector can be mass-produced by reducing the cost of its coupled inductor. Notably, it was found that the EER ferrite design, which had the best surge absorption/endurance, also indicatd a ∼40% cost reduction compared to the Kool u design.
5. Conclusions
Supercapacitor-assisted techniques are a unique set of circuit topologies designed to fulfill power conversion and protection tasks by circumventing the energy losses that are normally associated with RC-based circuits. With a capacitance that is a million times larger than that of the electrolytic type, supercapacitors have shown a remarkable surge endurance, as discovered by the University of Waikato Power Electronics Group. This research examined the patented SCASA surge protector based on the novel use of SCs’ surge-withstanding capabilities and investigated ways to optimize the present design based on improvements made to the circuit’s magnetic components.
To envisage the SCASA operation, we first identified coupled-inductor transformer action under transient conditions. In predicting voltage induction under 50 Hz AC and transients, a permeance model was used. Our model highlighted the non-ideal characteristics of the coupled inductor, such as its leakage and magnetizing inductances, and it provided theoretical predictions based on the permeance coefficients extracted from industrial specifications. The SCASA inductances were measured over a range of kilohertz-order frequencies to confirm the accuracy of the modeling work.
In addition, this study elucidated the design details of different coupled-inductor topologies for improved transient absorption. According to surge tests carried out by using SCASA prototypes, it was revealed that:
- The commercially available X-Flux powdered-iron toroid and air-gapped EER ferrite yielded exceptional performance with ∼10% and ∼20% lower load–voltage clamping compared to the Kool u design.
- The X-Flux powdered core and gapped EER demonstrated a remarkable surge endurance, withstanding over 250 consecutive surges as per the UL-1449 standard.
- The air-gapped EER ferrite had a minimized inductance tolerance and ∼40% reduction in the manufacturing cost.
The experimental procedures presented in this research are compliant with the IEEE C62.41 and IEC 61000-4-5 standards. Standard surge waveforms were generated by using a lightning surge simulator (Noiseken LSS-6230) coupled with 230 V, 50 Hz utility mains.
The permeance model adopted when theorizing the core inductance properties indicated that the ideal permeance range for the SCASA coupled inductor is within nH/Turn, thus confirming the suitability of powdered and gapped core designs. This paper also covered the details of three-winding design optimizations, the SCASA voltage action, and LTSpice simulations under transient conditions. In future research work, surge energy distribution among various SCASA circuit components will be investigated. Transient energy estimations will be evaluated based on a Laplace transform analysis of the SCASA circuit model.
Author Contributions
Conceptualization, S.S.T.; methodology, S.S.T.; software, S.S.T.; validation, S.S.T.; formal analysis, S.S.T.; investigation, S.S.T.; resources, S.S.T.; data curation, S.S.T.; writing—original draft preparation, S.S.T.; writing—review and editing, S.S.T.; supervision, N.K.; supervision, D.A.S.-R. All authors have read and agreed to the published version of the manuscript.
Funding
This research received no external funding.
Institutional Review Board Statement
Not applicable.
Informed Consent Statement
Not applicable.
Acknowledgments
The authors would like to thank Bradley M. Yourish of Magnetics Inc. for providing the magnetic samples required for the SCASA coupled-inductor designs. We kindly appreciate his cooperation in this regard.
Conflicts of Interest
The authors declare no conflict of interest.
Abbreviations
The following abbreviations are used in this manuscript:
| AC | Alternating Current |
| DUT | Device Under Test |
| EC | Electrolytic Capacitor |
| EDLC | Electric Double-Layer Capacitor |
| LSS | Lightning Surge Simulator |
| NLD | Nonlinear Device |
| GDT | Gas Discharge Tube |
| BBD | Bidirectional Break-Over Diode |
| MOV | Metal Oxide Varistor |
| RMS | Root Mean Square |
| SC | Supercapacitor |
| SCASA | Supercapacitor-Assisted Surge Absorber |
| SPD | Surge Protector Device |
| SMART TViQ | Commercial Implementation of the SCASA Technique |
| THY | Thyristor |
| Var1 and Var2 | Varistor 1 and Varistor 2 |
| ITRS | International Technology Roadmap for Semiconductors |
References
- IEC 60038:2009; IEC Standard Voltages. International Electrotechnical Commission: Geneva, Switzerland, 2009–2022.
- Chudnovsky, B.H. Electrical Power Transmission and Distribution: Aging and Life Extension Techniques; CRC Press: Boca Raton, FL, USA, 2020. [Google Scholar]
- Papailiou, K.O. Springer Handbook of Power Systems; Springer: Singapore, 2021. [Google Scholar]
- Holland, S.S.; Richie, J.E.; Strangeway, R.A. Electromagnetics and Transmission Lines: Essentials for Electrical Engineering; Wiley: Hoboken, NJ, USA, 2022. [Google Scholar]
- IEEE Std C62.62-2018; IEEE Standard Test Specifcations for Surge-Protective Devices (SPDs) for Use on the Load Side of the Service Equipment in Low-Voltage (1000 V and Less) AC Power Circuits. 2018; pp. 1–61. Available online: https://ieeexplore.ieee.org/document/8430667 (accessed on 16 October 2022).
- Kularatna, N.; Steyn-Ross, A.; Fernando, J.; James, S. Design of Transient Protection Systems: Including Supercapacitor Based Design Approaches for Surge Protectors; Elsevier: Amsterdam, The Netherlands, 2018. [Google Scholar]
- IEEE Std C62.45-2002; IEEE Recommended Practice on Surge Testing for Equipment Connected to Low-Voltage (1000 V and Less) AC Power Circuits. (Revision of IEEE Std C62.45-1992). pp. 1–85. Available online: https://ieeexplore.ieee.org/document/1196925 (accessed on 16 October 2022).
- NoiseKen Laboratories. Lightning Surge Simulator LSS-6230A; Technical Report; NoiseKen Laboratory Co., Ltd., 2020; Available online: http://www.noiseken.com/modules/products/index.php?contentid=211 (accessed on 16 October 2022).
- NoiseKen Laboratories. Lightning Surge Simulator LSS-F03 Series; Technical Report; NoiseKen Laboratory Co., Ltd., 2022; Available online: http://www.noiseken.com/modules/products/index.php?contentid=249 (accessed on 16 October 2022).
- Sharma, A.L.; Gaur, A. Energy Storage and Conversion Devices: Supercapacitors, Batteries, and Hydroelectric Cells; CRC Press: Boca Raton, FL, USA, 2021. [Google Scholar]
- Raza, W.; Ali, F.; Raza, N.; Luo, Y.; Kim, K.-H.; Yang, J.; Kumar, S.; Mehmood, A.; Kwon, E.E. Recent advancements in supercapacitor technology. Nano Energy 2018, 52, 441–473. [Google Scholar] [CrossRef]
- Thotabaddadurage, S.U.S. Permeance based Modelling, Design and Optimization of Supercapacitor Assisted Surge Absorber (SCASA). Ph.D. Thesis, The University of Waikato, Hamilton, New Zealand, 2021. [Google Scholar]
- Fernando, J. Supercapacitor-Assisted Surge Absorber (SCASA) and Supercapacitor Surge Modelling. Ph.D. Thesis, The University of Waikato, Hamilton, New Zealand, 2016. [Google Scholar]
- Udayanga, S.T.S.; Kularatna, N.; Steyn-Ross, D.A. Permeance based model for the coupled-inductor utilized in the supercapacitor assisted surge absorber (SCASA) and its experimental validation. In Proceedings of the 2nd IEEE International Conference on Industrial Electronics for Sustainable Energy Systems (IESES), Cagliari, Italy, 20–22 April 2020; pp. 267–272. [Google Scholar]
- Fernando, J.; Kularatna, N.; Silva, S.; Thotabaddadurage, S.S. Supercapacitor assisted surge absorber technique: High performance transient surge protectors for consumer electronics. IEEE Power Electron. Mag. 2022, 9, 48–60. [Google Scholar] [CrossRef]
- ‘Thor Technologies—STViQ/3 SMART TViQ’. 2022. [Online]. Available online: https://www.thortechnologies.com.au/product/stviq3/ (accessed on 22 April 2022).
- Magnetics—‘Ferrite Core Documents’, Maginc.com. 2021. [Online]. Available online: https://www.maginc.com/Design/TechnicalDocuments/Ferrite-Core-Documents (accessed on 10 December 2021).
- Thotabaddadurage, S.S.; Kularatna, N.; Steyn-Ross, D.A. Importance of Leakage Magnetic Field and Fringing Flux in Surge Protector Design. IEEE Trans. Ind. Appl. 2022. [Google Scholar] [CrossRef]
- Magnetics Inc. ‘2021 Magnetics Powder Core Catalogue’, Mag-inc.com. 2021. Available online: https://www.maginc.com/Design/Technical-Documents/Powder-Core-Documents (accessed on 26 January 2022).
- McLyman, C.W.T. Transformer and Inductor Design Handbook; CRC Press: Boca Raton, FL, USA, 2017. [Google Scholar]
- Silva, S.U.; Kularatna, N.; Steyn-Ross, D.A. Optimization of Supercapacitor Assisted Surge Absorber (SCASA) Technique: A New Approach to Improve Surge Endurance Using Air Gapped Ferrite Cores. Energies 2021, 14, 4337. [Google Scholar] [CrossRef]
- Udayanga, S.T.S.; Kularatna, N.; Steyn-Ross, D.A. Investigating the Impact of Ferrite Magnetic Cores on the Performance of Supercapacitor Assisted Surge Absorber (SCASA) Technique. In Proceedings of the 2019 IEEE 28th International Symposium on Industrial Electronics (ISIE), Vancouver, BC, Canada, 12–14 June 2019; pp. 130–135. [Google Scholar]
- Kazimierczuk, M.K. High-Frequency Magnetic Components; Wiley: West Sussex, UK, 2014. [Google Scholar]
- Bossche, A.; Valchev, V. Inductors and Transformers for Power Electronics; Taylor & Francis: New York, NY, USA, 2018. [Google Scholar]
- Ertan, H.B.; Turowski, J.; Lopez-Fernandez, X.M. Transformers: Analysis, Design, and Measurement; CRC Press: Boca Raton, FL, USA, 2017. [Google Scholar]
- AN9767.1. Littelfuse Varistors—Basic Properties, Terminology and Theory; Technical Report; Littlefuse Co-operation, 1999; Available online: https://www.littelfuse.com/~/media/electronicstechnical/applicationnotes/varistors/littelfusevaristorsbasicproperties/terminologyandtheoryapplicationnote.pdf (accessed on 16 October 2022).
- Littelfuse Inc. Ultra MOV Varistor Series: Radial Lead Varistors. 2019. Available online: https://www.littelfuse.com/~/media/electronics/datasheets/varistors/littelfusevaristorultramovdatasheet.pdf.pdf (accessed on 28 December 2021).
- Maytum, M. There’s an “R” in “Varistor”. 2020. Available online: https://incompliancemag.com/article/theres-an-r-in-varistor/ (accessed on 24 November 2020).
- Thotabaddadurage, S.U.S.; Kularatna, N.; Steyn-Ross, D.A. Permeance based Design and Analysis of Supercapacitor assisted Surge Absorber for Magnetic Component Selection. IEEE Trans. Ind. Electron. 2022. [Google Scholar] [CrossRef]
- UL 1449. UL Standard for Surge Protective Devices, 5th ed.; Underwriters Laboratories Inc.: Brooklyn, IL, USA, 2021. [Google Scholar]
Disclaimer/Publisher’s Note: The statements, opinions and data contained in all publications are solely those of the individual author(s) and contributor(s) and not of MDPI and/or the editor(s). MDPI and/or the editor(s) disclaim responsibility for any injury to people or property resulting from any ideas, methods, instructions or products referred to in the content. |
© 2023 by the authors. Licensee MDPI, Basel, Switzerland. This article is an open access article distributed under the terms and conditions of the Creative Commons Attribution (CC BY) license (https://creativecommons.org/licenses/by/4.0/).



















