Neural Network-Based Dual-Cylinder Synchronous Control of a Multi-Link Erection Mechanism
Abstract
:1. Introduction
2. System Modeling
2.1. Dynamics of Multi-Link Erection Mechanism
2.2. Dynamics of Inter-Stage Collision
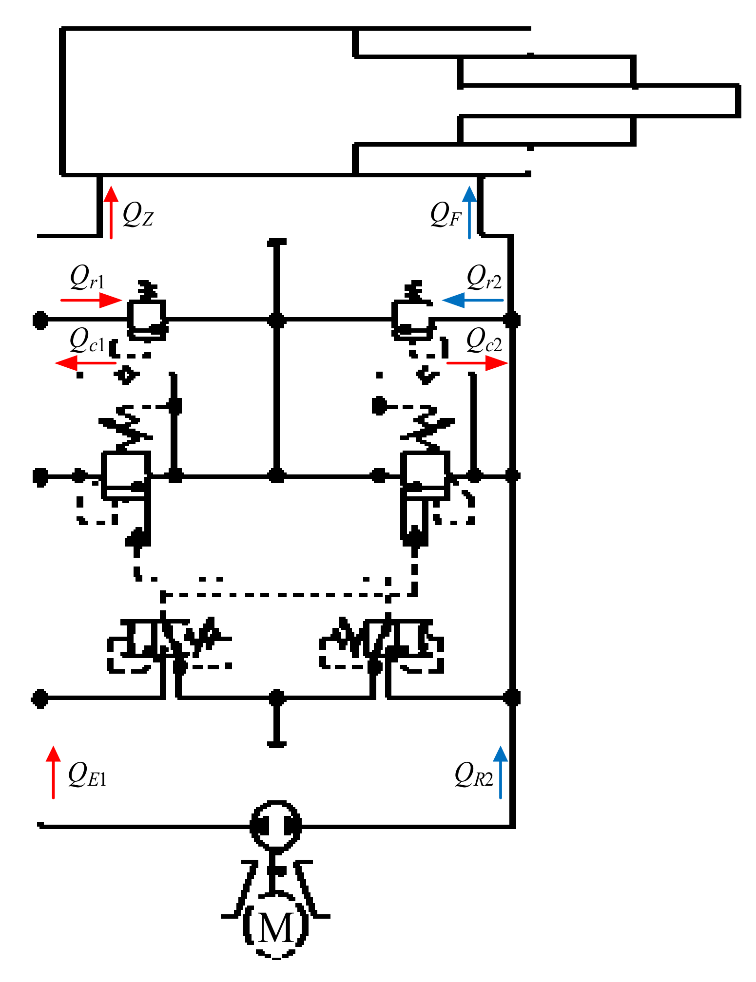
2.3. Dual-Cylinder Kinematics with Thrust Allocation
2.4. Dynamics of Pump-Controlled Hydraulic Actuator
3. Neural Network-Based Synchronous Controller Design
3.1. Control Model Design
3.2. RBF Neural Network Estimation
3.3. Controller Design with Thrust Allocation
3.4. Stability Analysis
4. Simulation Results
- (1)
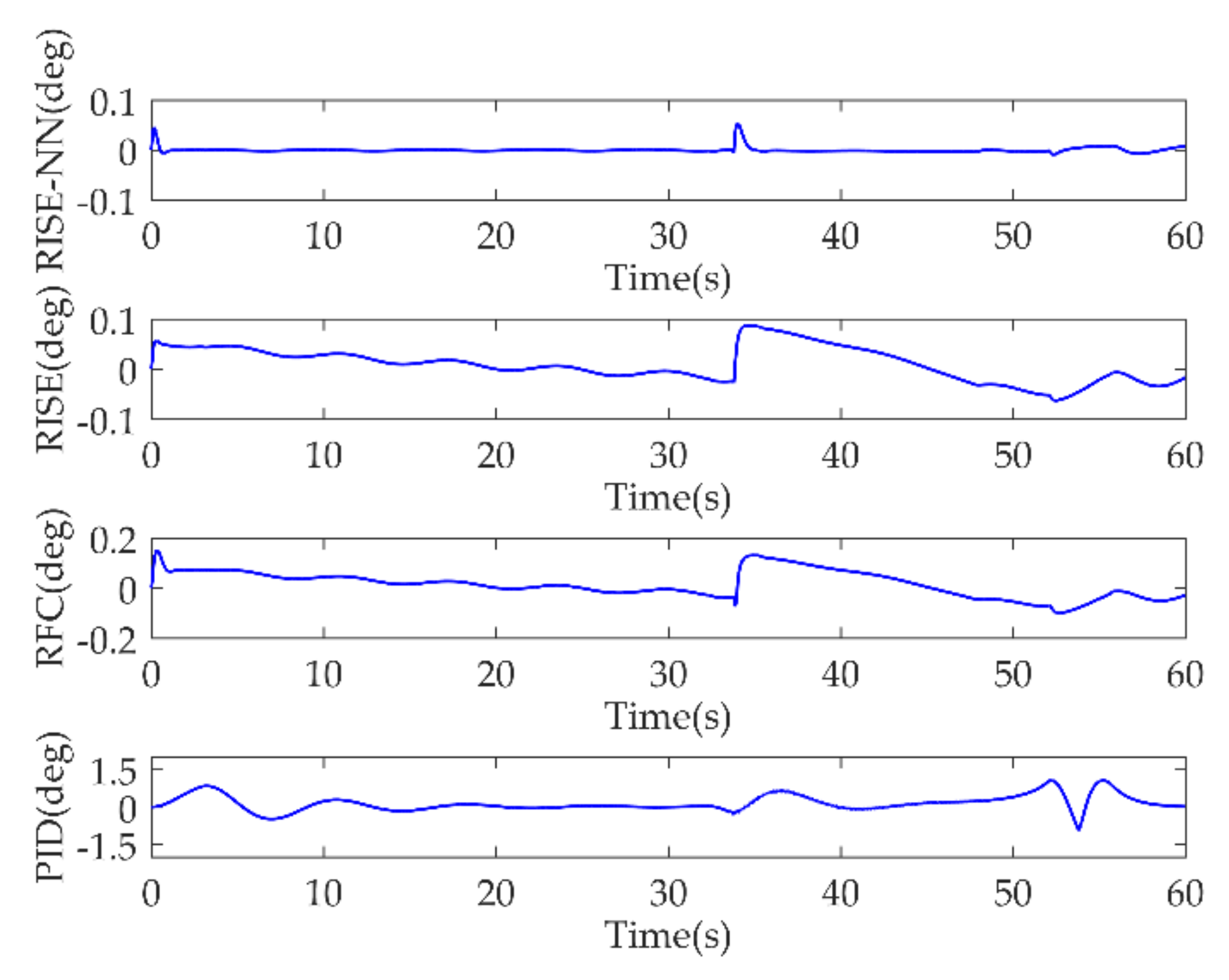
- RISE-NN-TAS: This is the neural network-based synchronous controller integrated with the RISE feedback term and a thrust-allocation strategy. The controller gains are: , , , , , . The RBFNN is designed based on the K-means clustering algorithm with five neurons in the hidden layer, and the parameters are: , , . The definite weight adaption velocity matrix is: .
- (2)
- RISE-TAS: This is the RISE-based controller with thrust allocation strategy, the designed virtual control law and control inputs are as follows:
- (3)
- RFC-TAS: This the robust feedback controller introduced in [20] with thrust allocation strategy. In order to ensure the fairness of the comparison, the controller gains , , , are the same as RISE-NN-TAS, and RISE gain coefficients are given by , .
- (4)
- PID-CC: This is the proportional-integral-derivative controller with cross-coupling compensation, which is widely employed and tested in industrials for synchronous motion control. The P-gain, I-gain and D-gain are chosen as , , , respectively. The cross-coupling gain is tuned as .
5. Conclusions
Author Contributions
Funding
Conflicts of Interest
References
- He, W.; Ge, S.S. Cooperative Control of a Nonuniform Gantry Crane with Constrained Tension. Automatica 2016, 66, 146–154. [Google Scholar] [CrossRef]
- Dong, L.; Zhu, C. Distributed Control Strategy for Large-Scale Hydraulic Synchronous Lifting Systems. Proc. Inst. Mech. Eng. Part I J. Syst. Control Eng. 2018, 232, 213–222. [Google Scholar] [CrossRef]
- Ren, H.; Li, S.; Zhao, G.; Ding, X.; Wang, C. Cooperative Strategy for Hydraulic Synchronous Lifting Systems with Industrial Applications. In Proceedings of the 2020 Chinese Automation Congress (CAC), Shanghai, China, 6–8 November 2020; pp. 6890–6894. [Google Scholar]
- Yang, C.; Qu, Z.; Han, J. Decoupled-Space Control and Experimental Evaluation of Spatial Electrohydraulic Robotic Manipulators Using Singular Value Decomposition Algorithms. IEEE Trans. Ind. Electron. 2014, 61, 3427–3438. [Google Scholar] [CrossRef]
- Zhang, D.; Gao, Z. Optimal Kinematic Calibration of Parallel Manipulators with Pseudoerror Theory and Cooperative Coevolutionary Network. IEEE Trans. Ind. Electron. 2012, 59, 3221–3231. [Google Scholar] [CrossRef]
- Li, C.; Li, C.; Chen, Z.; Yao, B. Adaptive Thrust Allocation Based Synchronization Control of a Dual Drive Gantry Stage. Mechatronics 2018, 54, 68–77. [Google Scholar] [CrossRef]
- Li, C.; Yao, B.; Wang, Q. Modeling and Synchronization Control of a Dual Drive Industrial Gantry Stage. IEEE ASME Trans. Mechatron. 2018, 23, 2940–2951. [Google Scholar] [CrossRef]
- Li, L.; Lin, Z.; Jiang, Y.; Yu, C.; Yao, J. Valve Deadzone/Backlash Compensation for Lifting Motion Control of Hydraulic Manipulators. Machines 2021, 9, 57. [Google Scholar] [CrossRef]
- Yang, F.; Zhou, H.; Deng, W. Active Disturbance Rejection Adaptive Control for Hydraulic Lifting Systems with Valve Dead-Zone. Electronics 2022, 11, 1788. [Google Scholar] [CrossRef]
- Gao, Q.; Hou, Y.; Liu, J.; Hou, R.; Lv, M.; Wang, L.; Wang, C. An Extended State Observer Based Fractional Order Sliding-Mode Control for a Novel Electro-Hydraulic Servo System with Iso-Actuation Balancing and Positioning. Asian J. Control 2019, 21, 289–301. [Google Scholar] [CrossRef]
- Kim, H.M.; Park, S.H.; Song, J.H.; Kim, J.S. Robust Position Control of Electro-Hydraulic Actuator Systems Using the Adaptive Back-Stepping Control Scheme. Proc. Inst. Mech. Eng. Part I J. Syst. Control Eng. 2010, 224, 737–746. [Google Scholar] [CrossRef]
- Ahn, K.K.; Nam, D.N.C.; Jin, M. Adaptive Backstepping Control of an Electrohydraulic Actuator. IEEE ASME Trans. Mechatron. 2014, 19, 987–995. [Google Scholar] [CrossRef]
- Guo, Q.; Shi, G.; Wang, D. Adaptive Composite Fuzzy Dynamic Surface Control for Electro-Hydraulic-System, with Variable-Supply-Pressure. Asian J. Control 2020, 22, 521–535. [Google Scholar] [CrossRef]
- Lorenz, R.D.; Schmidt, P.B. Synchronized Motion Control for Process Automation. In Proceedings of the Conference Record of the IEEE Industry Applications Society Annual Meeting, San Diego, CA, USA, 1–5 October 1989; pp. 1693–1698. [Google Scholar]
- Shibata, S.; Yamamoto, T.; Jindai, M. A Synchronous Mutual Position Control for Vertical Pneumatic Servo System. JSME Int. J. Ser. C Mech. Syst. Mach. Elem. Manuf. 2006, 49, 197–204. [Google Scholar] [CrossRef]
- Jeong, S.K.; You, S.S. Precise Position Synchronous Control of Multi-Axis Servo System. Mechatronics 2008, 18, 129–140. [Google Scholar] [CrossRef]
- Zhu, X.; Yao, B.; Tao, G.; Wang, Q.; Cao, J. Adaptive Robust Synchronous Control of a Individual Metering Dual-Cylinder Pneumatic System with Composite Parallel Method. In Proceedings of the 2014 IEEE/ASME International Conference on Advanced Intelligent Mechatronics, Besacon, France, 8–11 July 2014; pp. 304–309. [Google Scholar]
- Xian, B.; Dawson, D.M.; de Queiroz, M.S.; Chen, J. A Continuous Asymptotic Tracking Control Strategy for Uncertain Nonlinear Systems. IEEE Trans. Automat. Control 2004, 49, 1206–1211. [Google Scholar] [CrossRef]
- Yao, J.; Jiao, Z.; Ma, D.; Yan, L. High-Accuracy Tracking Control of Hydraulic Rotary Actuators with Modeling Uncertainties. IEEE ASME Trans. Mechatron. 2014, 19, 633–641. [Google Scholar] [CrossRef]
- Ge, Y.; Yang, X.; Deng, W.; Yao, J. Rise-Based Composite Adaptive Control of Electro-Hydrostatic Actuator with Asymptotic Stability. Machines 2021, 9, 181. [Google Scholar] [CrossRef]
- Yang, G.; Yao, J.; Le, G.; Ma, D. Asymptotic Output Tracking Control of Electrohydraulic Systems with Unmatched Disturbances. IET Control Theory Appl. 2016, 10, 2543–2551. [Google Scholar] [CrossRef]
- Deng, W.; Yao, J. Adaptive Integral Robust Control and Application to Electromechanical Servo Systems. ISA Trans. 2017, 67, 256–265. [Google Scholar] [CrossRef]
- Yao, J.; Deng, W.; Jiao, Z. RISE-Based Adaptive Control of Hydraulic Systems with Asymptotic Tracking. IEEE Trans. Autom. Sci. Eng. 2017, 14, 1524–1531. [Google Scholar] [CrossRef]
- Feng, H.; Song, Q.; Ma, S.; Ma, W.; Yin, C.; Cao, D.; Yu, H. A New Adaptive Sliding Mode Controller Based on the RBF Neural Network for an Electro-Hydraulic Servo System. ISA Trans. 2022; in press. [Google Scholar] [CrossRef]
- Nguyen, M.H.; Dao, H.V.; Ahn, K.K. Adaptive Robust Position Control of Electro-Hydraulic Servo Systems with Large Uncertainties and Disturbances. Appl. Sci. 2022, 12, 794. [Google Scholar] [CrossRef]
- Deng, P.; Zeng, L.; Liu, Y. RBF Neural Network Backstepping Sliding Mode Adaptive Control for Dynamic Pressure Cylinder Electrohydraulic Servo Pressure System. Complexity 2018, 2018, 4159639. [Google Scholar] [CrossRef]
- Ge, Y.; Zhou, J.; Deng, W.; Yao, J.; Xie, L. Neural Network Robust Control of a 3-DOF Hydraulic Manipulator with Asymptotic Tracking. Asian J. Control 2022, 1–14. [Google Scholar] [CrossRef]
- Feng, J.; Gao, Q.; Guan, W.; He, Z. Mathematical Modelling and Backstepping Adaptive Sliding Mode Control for Multi-Stage Hydraulic Cylinder. Int. J. Model. Identif. Control 2018, 30, 322–332. [Google Scholar] [CrossRef]
- Merritt, H. Hydraulic Control Systems; John Wiley & Sons: Hoboken, NJ, USA, 1967. [Google Scholar]
- Zhang, T.; Ge, S.S.; Hang, C.C. Adaptive Neural Network Control for Strict-Feedback Nonlinear Systems Using Backstepping Design. Automatica 2000, 36, 1835–1846. [Google Scholar] [CrossRef]
- Lewis, F.W.; Jagannathan, S.; Yesildirak, A. Neural Network Control of Robot Manipulators and Non-Linear Systems; CRC Press: Boca Raton, FL, USA, 2020. [Google Scholar]
- Khalil, H.K. Nonlinear Systems, 3rd ed.; Prentice-Hall: Upper Saddle River, NJ, USA, 2002. [Google Scholar]


















| Parameter | Value | Parameter | Value |
|---|---|---|---|
| Indexes | Me | μ | σ |
|---|---|---|---|
| RISE-NN | 0.0741 | 0.0042 | 0.0066 |
| RISE | 0.0924 | 0.0338 | 0.0230 |
| RFC | 0.1509 | 0.0433 | 0.0323 |
| PID | 1.0644 | 0.2302 | 0.2552 |
| Indexes | Me | μ | σ |
|---|---|---|---|
| RISE-NN-TAS | 0.0083 | 0.0055 | 0.0018 |
| RISE-TAS | 0.0087 | 0.0058 | 0.0020 |
| RFC-TAS | 0.0089 | 0.0060 | 0.0023 |
| PID-CC | 0.0147 | 0.0033 | 0.0038 |
| Indexes | Me | μ | σ |
|---|---|---|---|
| RISE-NN | 0.0760 | 0.0059 | 0.0099 |
| RISE | 0.1026 | 0.0372 | 0.0261 |
| RFC | 0.1525 | 0.0482 | 0.0369 |
| PID | 1.7179 | 0.4394 | 0.4540 |
| Indexes | Me | μ | σ |
|---|---|---|---|
| RISE-NN-TAS | 0.0084 | 0.0056 | 0.0019 |
| RISE-TAS | 0.0087 | 0.0059 | 0.0022 |
| RFC-TAS | 0.0089 | 0.0062 | 0.0026 |
| PID-CC | 0.0152 | 0.0048 | 0.0042 |
Publisher’s Note: MDPI stays neutral with regard to jurisdictional claims in published maps and institutional affiliations. |
© 2022 by the authors. Licensee MDPI, Basel, Switzerland. This article is an open access article distributed under the terms and conditions of the Creative Commons Attribution (CC BY) license (https://creativecommons.org/licenses/by/4.0/).
Share and Cite
Zhu, W.; Ge, Y.; Deng, W.; Li, L.; Liu, X.; Zhang, J.; Yao, J. Neural Network-Based Dual-Cylinder Synchronous Control of a Multi-Link Erection Mechanism. Electronics 2022, 11, 2542. https://doi.org/10.3390/electronics11162542
Zhu W, Ge Y, Deng W, Li L, Liu X, Zhang J, Yao J. Neural Network-Based Dual-Cylinder Synchronous Control of a Multi-Link Erection Mechanism. Electronics. 2022; 11(16):2542. https://doi.org/10.3390/electronics11162542
Chicago/Turabian StyleZhu, Weilin, Yaowen Ge, Wenxiang Deng, Lan Li, Xiangxin Liu, Jialin Zhang, and Jianyong Yao. 2022. "Neural Network-Based Dual-Cylinder Synchronous Control of a Multi-Link Erection Mechanism" Electronics 11, no. 16: 2542. https://doi.org/10.3390/electronics11162542
APA StyleZhu, W., Ge, Y., Deng, W., Li, L., Liu, X., Zhang, J., & Yao, J. (2022). Neural Network-Based Dual-Cylinder Synchronous Control of a Multi-Link Erection Mechanism. Electronics, 11(16), 2542. https://doi.org/10.3390/electronics11162542
