Embedded Intelligence on FPGA: Survey, Applications and Challenges
Abstract
1. Introduction
2. Overview of Embedded Intelligence (EI) on FPGA
3. Embedded Intelligence (EI) Techniques
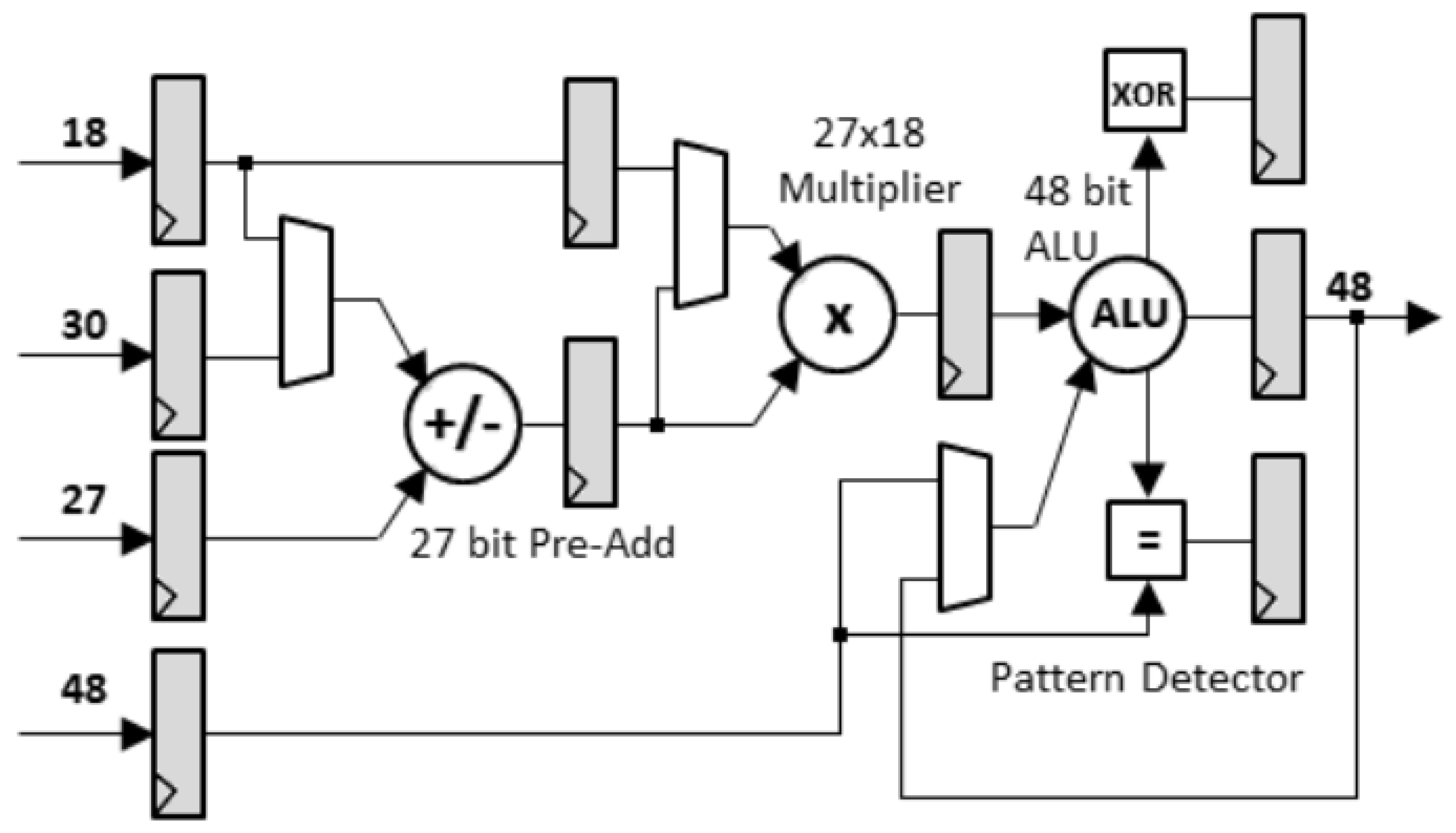
3.1. Machine Learning and Neural Network
3.2. Deep Learning
3.3. Expert System
3.4. Fuzzy Intelligence
- COM typically used in closed loop control applications due to the small change in the input, which will not impact the output signal.
- COG strength is the capability to accelerate the CMOS arithmetic architecture.
- The MOM method selects the typical value of the most valid output linguistic term instead of averaging the degree of membership function (MF).
3.5. Swarm Intelligence
3.6. SOM and Extreme Learning Machine
- ELM1: Using a serial computation procedure for a square matrix. The advantage is to share arithmetic units and reduce logic occupation;
- ELM2: Is the improvement of previous versions by using parallelization. Double up the arithmetic units to compute the arithmetic concurrently;
- ELM3: A rectangular matrix decomposition is used; basically, some of matrix multiplication state is removed from the block and the control unit is modifying for data addressing and flow into computation units.
4. Embedded Intelligence (EI) Applications
4.1. Object Detection, Posture Recognition and Facial Recognition
- The facial features are calculated to detect faces in single frame.
- The serialization of the face into a vector.
- The result vector is calculated after passing the CNN Core.
4.2. Indoor Localization and Surveillance Monitoring
4.3. Other EI Applications
5. FPGA Hardware and Platforms
5.1. Xilinix
5.2. Intel (Altera)
5.3. Achronix
6. Challenges
7. Conclusions
Author Contributions
Funding
Conflicts of Interest
Abbreviations
| ADAS | Advanced driver assistance system |
| ANN | Artificial neural network |
| APU | Application Processing Unit |
| CCU | Configuration and control unit |
| CNN | Convolutional neural network |
| COG | Center of Gravity |
| COM | Center of Maximum |
| CPU | Central Processing Unit |
| CRBM | Conditional restricted Boltzmann machine |
| DMA | Direct memory access |
| DNN | Deep neural network |
| EI | Embedded Intelligence |
| ELM | Extreme learning machine |
| FIFO | First in first out |
| FPGA | Field Programmable Gate Array |
| GEMM | General matrix multiplication |
| GPU | Graphics Processing Unit |
| IIoT | Industrial Internet of Things |
| LBS | Location based service |
| LSM | Local shared memory |
| MAC | Multiply accumulate unit |
| mD | Micro doppler |
| MF | Membership function |
| MM | Memory management |
| MOM | Mean of Maximum |
| MST | Minimum spanning tree |
| OCM | On-chip memory |
| OPF | Optimum path forest |
| PE | Processing element |
| QRD | QR decomposition |
| RCU | Reconfigurable computing unit |
| RBF | Radial basis function |
| ReLU | Rectified linear unit |
| RNN | Recurrent neural network |
| SIMD | Single instruction multiple data |
| SGD | Stochastic gradient descent |
| SLFN | Single layer feedforward neural network |
| SOM | Self-organizing map |
| SVM | Support vector machine |
| VPU | Visual processing unit |
| YOLO | You only look once |
References
- Goodfellow, I.; Bengio, Y.; Courville, A. Machine learning basics. In Deep Learning; MIT Press: Cambridge, UK, 2016; Volume 1, pp. 98–164. [Google Scholar]
- Parpinelli, R.S.; Lopes, H.S. New inspirations in swarm intelligence: A survey. Int. J. Bio Inspired Comput. 2011, 3, 1–16. [Google Scholar] [CrossRef]
- Liu, S.; Liu, L.; Tang, J.; Yu, B.; Wang, Y.; Shi, W. Edge computing for autonomous driving: Opportunities and challenges. Proc. IEEE 2019, 107, 1697–1716. [Google Scholar] [CrossRef]
- Trimberger, S.M.S. Three Ages of FPGAs: A Retrospective on the First Thirty Years of FPGA Technology. IEEE Solid State Circuits Mag. 2018, 10, 16–29. [Google Scholar] [CrossRef]
- Wang, C.; Gong, L.; Li, X.; Zhou, X. A Ubiquitous Machine Learning Accelerator with Automatic Parallelization on FPGA. IEEE Trans. Parallel Distrib. Syst. 2020, 31, 2346–2359. [Google Scholar] [CrossRef]
- Olson, C.B.; Kim, M.; Clauson, C.; Kogon, B.; Ebeling, C.; Hauck, S.; Ruzzo, W.L. Hardware Acceleration of Short Read Mapping. In Proceedings of the 2012 IEEE 20th International Symposium on Field-Programmable Custom Computing Machines, Toronto, ON, Canada, 29 April–1 May 2012. [Google Scholar]
- Lopes, F.F.; Ferreira, J.C.; Fernandes, M.A. Parallel implementation on FPGA of support vector machines using stochastic gradient descent. Electronics 2019, 8, 631. [Google Scholar] [CrossRef]
- Kara, K.; Alistarh, D.; Alonso, G.; Mutlu, O.; Zhang, C. FPGA-accelerated dense linear machine learning: A precision-convergence trade-off. In Proceedings of the 2017 IEEE 25th Annual International Symposium on Field-Programmable Custom Computing Machines (FCCM), Napa, CA, USA, 30 April–2 May 2017; pp. 160–167. [Google Scholar]
- Rabieah, M.B.; Bouganis, C.-S. FPGA based nonlinear support vector machine training using an ensemble learning. In Proceedings of the 2015 25th International Conference Field Programmable Logic and Applications (FPL), London, UK, 2–4 September 2015; pp. 1–4. [Google Scholar]
- Bottou, L.; Lin, C.J. Support vector machine solvers. In Large Scale Kernel Machines; MIT Press: Cambridge, MA, USA, 2007; Volume 3, pp. 301–320. [Google Scholar]
- Gilbert, E.G. An Iterative Procedure for Computing the Minimum of a Quadratic Form on a Convex Set. SIAM J. Control 1996, 4, 61–88. [Google Scholar] [CrossRef]
- Diniz, W.F.; Frémont, V.; Fantoni, I.; Nóbrega, E.G. An FPGA-based architecture for embedded systems performance acceleration applied to Optimum-Path Forest classifier. Microprocess. Microsyst. 2017, 52, 261–271. [Google Scholar] [CrossRef]
- Spadotto, A.A.; Pereira, J.C.; Guido, R.C.; Papa, J.P.; Falcao, A.X.; Gatto, A.R.; Cola, P.C.; Schelp, A.O. Oropharyngeal dysphagia identification using wavelets and optimum path forest. In Proceedings of the 2008 3rd International Symposium Communications, Control and Signal Processing, St Julians, Malta, 12–14 March 2008; pp. 735–740. [Google Scholar]
- Farabet, C.; Poulet, C.; LeCun, Y. An fpga-based stream processor for embedded real-time vision with convolutional networks. In Proceedings of the 2009 IEEE 12th International Conference on Computer Vision Workshops, ICCV Workshops, Kyoto, Japan, 27 September–4 October 2009; pp. 878–885. [Google Scholar]
- Jakšić, Z.; Cadenelli, N.; Prats, D.B.; Polo, J.; Garcia, J.L.B.; Perez, D.C. A highly parameterizable framework for Conditional Restricted Boltzmann Machine based workloads accelerated with FPGAs and OpenCL. Future Gener. Comput. Syst. 2020, 104, 201–211. [Google Scholar] [CrossRef]
- Kim, S.K.; McAfee, L.C.; McMahon, P.L.; Olukotun, K. A highly scalable restricted Boltzmann machine FPGA implementation. In Proceedings of the 2009 International Conference on Field Programmable Logic and Applications, Prague, Czech Republic, 31 August–2 September 2009; pp. 367–372. [Google Scholar]
- Yoon, Y.H.; Hwang, D.H.; Yang, J.H.; Lee, S.E. Intellino: Processor for Embedded Artificial Intelligence. Electronics 2020, 9, 1169. [Google Scholar] [CrossRef]
- Struharik, R.J.; Vukobratović, B.Z.; Erdeljan, A.M.; Rakanović, D.M. CoNNa–Hardware accelerator for compressed convolutional neural networks. Microprocess. Microsyst. 2020, 73, 102991. [Google Scholar] [CrossRef]
- Luo, J.H.; Wu, J.; Lin, W. Thinet: A filter level pruning method for deep neural network compression. In Proceedings of the IEEE International Conference on Computer Vision, Venice, Italy, 22–29 October 2017; pp. 5058–5066. [Google Scholar]
- Chen, Y.H.; Krishna, T.; Emer, J.S.; Sze, V. Eyeriss: An energy-efficient reconfigurable accelerator for deep convolutional neural networks. IEEE J. Solid State Circuits 2016, 52, 127–138. [Google Scholar] [CrossRef]
- Anwar, S.; Hwang, K.; Sung, W. Structure pruning of deep convolutional neural networks. Emerg. Technol. Comput. Syst. 2017, 13, 1–18. [Google Scholar] [CrossRef]
- Véstias, M.; Duarte, R.P.; de Sousa, J.T.; Neto, H. A Fast and Scalable Architecture to Run Convolutional Neural Networks in Low Density FPGAs. Microprocess. Microsyst. 2020, 77, 103136. [Google Scholar] [CrossRef]
- Shen, Y.; Ferdman, M.; Milder, P. Escher: A CNN accelerator with flexible buffering to minimize off-chip transfer. In Proceedings of the 2017 IEEE 25th Annual International Symposium on Field-Programmable Custom Computing Machines (FCCM), Napa, CA, USA, 30 April–2 May 2017; pp. 93–100. [Google Scholar]
- Ding, W.; Huang, Z.; Huang, Z.; Tian, L.; Wang, H.; Feng, S. Designing efficient accelerator of depthwise separable convolutional neural network on FPGA. J. Syst. Arch. 2019, 97, 278–286. [Google Scholar] [CrossRef]
- Chollet, F. Xception: Deep learning with depthwise separable convolutions. In Proceedings of the IEEE Conference on Computer Vision and Pattern Recognition, Honolulu, HI, USA, 21–26 July 2017. [Google Scholar]
- Sandler, M.; Howard, A.; Zhu, M.; Zhmoginov, A.; Chen, L.C. MobileNetV2: Inverted Residuals and Linear Bottlenecks. In Proceedings of the IEEE Conference on Computer Vision and Pattern Recognition, Salt Lake City, UT, USA, 18–23 June 2018. [Google Scholar]
- LeCun, Y. Object Recognition with Gradient Based Learning. In Shape, Contour and Grouping in Computer Vision; Springer: Berlin/Heidelberg, Germany, 1999. [Google Scholar]
- Hailesellasie, M.; Hasan, S.R.; Khalid, F.; Wad, F.A.; Shafique, M. FPGA-based convolutional neural network architecture with reduced parameter requirements. In Proceedings of the 2018 IEEE International Symposium on Circuits and Systems (ISCAS), Florence, Italy, 27–30 May 2018; pp. 1–5. [Google Scholar]
- Hailesellasie, M.; Hasan, S.R. A fast FPGA-based deep convolutional neural network using pseudo parallel memories. In Proceedings of the 2017 IEEE International Symposium on Circuits and Systems (ISCAS), Baltimore, MD, USA, 28–31 May 2017; pp. 1–4. [Google Scholar]
- Ma, Y.; Suda, N.; Cao, Y.; Vrudhula, S.; Seo, J.S. ALAMO: FPGA acceleration of deep learning algorithms with a modularized RTL compiler. Integration 2018, 62, 14–23. [Google Scholar] [CrossRef]
- Ma, Y.; Suda, N.; Cao, Y.; Seo, J.S.; Vrudhula, S. Scalable and modularized RTL compilation of convolutional neural networks onto FPGA. In Proceedings of the 2016 26th International Conference on Field Programmable Logic and Applications (FPL), Lausanne, Switzerland, 29 August–2 September 2016; pp. 1–8. [Google Scholar]
- Luo, C.; Sit, M.K.; Fan, H.; Liu, S.; Luk, W.; Guo, C. Towards efficient deep neural network training by FPGA-based batch-level parallelism. J. Semicond. 2020, 41, 022403. [Google Scholar] [CrossRef]
- Moss, D.J.; Krishnan, S.; Nurvitadhi, E.; Ratuszniak, P.; Johnson, C.; Sim, J.; Mishra, A.; Marr, D.; Subhaschandra, S.; Leong, P.H. A customizable matrix multiplication framework for the intel harpv2 xeon+ fpga platform: A deep learning case study. In Proceedings of the 2018 ACM/SIGDA International Symposium on Field-Programmable Gate Arrays, Monterey, CA, USA, 25–27 February 2018; pp. 107–116. [Google Scholar]
- Faraone, J.; Kumm, M.; Hardieck, M.; Zipf, P.; Liu, X.; Boland, D.; Leong, P.H. AddNet: Deep Neural Networks Using FPGA-Optimized Multipliers. IEEE Trans. Very Large Scale Integr. Syst. 2019, 28, 115–128. [Google Scholar] [CrossRef]
- Demirsoy, S.S.; Dempster, A.G.; Kale, I. Design guidelines for reconfigurable multiplier blocks. In Proceedings of the 2003 International Symposium on Circuits and Systems, Bangkok, Thailand, 25–28 May 2003; Volume 4, p. IV. [Google Scholar]
- Yu, H.J.; Chen, C.; Zhang, S.; Zhou, J.N. Intelligent Diagnosis Based on Neural Network; Metallurgical Industry Publishing: Beijing, China, 2000. [Google Scholar]
- Xue, J.; Sun, L.; Liu, M.; Qiao, C.; Ye, G. Research on high-speed fuzzy reasoning with FPGA for fault diagnosis expert system. In Proceedings of the 2009 International Conference on Mechatronics and Automation, Changchun, China, 9–12 August 2009; pp. 3005–3009. [Google Scholar]
- Mei, D.; Liu, Y. Design of a blowout expert control system based on FPGA. In Proceedings of the 2010 The 2nd International Conference on Computer and Automation Engineering (ICCAE), Singapore, 26–28 February 2010; Volume 4, pp. 402–405. [Google Scholar]
- Duan, Y.H.; Yang, S. Fuzzy-PID control of stepping motor. Comput. Simul. 2006, 2, 290–293. [Google Scholar]
- McKenna, M.; Wilamowski, B.M. Implementing a fuzzy system on a field programmable gate array. In Proceedings of the IJCNN’01. International Joint Conference on Neural Networks, Washington, DC, USA, 15–19 July 2001; Volume 1, pp. 189–194. [Google Scholar]
- Mondal, S.; Chattapadhyay, P. Fuzzy Vs.neuro-fuzzy: Implementation on the reconfigurable FPGA system. In In Proceedings of the 2015 International Conference on Energy, Power and Environment: Towards Sustainable Growth (ICEPE), Shillong, India, 12–13 June 2015; pp. 1–5. [Google Scholar]
- NI. Center of Maximum (CoM) (PID and Fuzzy Logic Toolkit). 2020. Available online: https://zone.ni.com/reference/en-XX/help/370401J-01/lvpidmain/center_of_max/#:~:text=In%20the%20Center%20of%20Maximum,the%20membership%20function%20was%20scaled (accessed on 3 July 2020).
- NI. Mean of Maximum (MoM) (PID and Fuzzy Logic Toolkit. 2012. Available online: https://zone.ni.com/reference/en-XX/help/370401J-01/lvpidmain/mean_of_max/ (accessed on 20 August 2020).
- Liviu, T. FPGA Implementation of a Fuzzy Rule Based Contrast Enhancement System for Real Time Applications. In Proceedings of the 2018 22nd International Conference on System Theory, Control and Computing (ICSTCC), Sinaia, Romania, 10–12 October 2018. [Google Scholar]
- Mohammadi, M.; Shaout, A. Reconfiguratble Implementation of Fuzzy Inference System using FPGA. In Proceedings of the 2017 International Conference on New Trends in Computing Sciences (ICTCS), Amman, Jordan, 11–13 October 2017. [Google Scholar]
- Van Broekhoven, E.; De Baets, B. Monotone Mamdani–Assilian models under mean of maxima defuzzification. Fuzzy Sets. Syst. 2008, 159, 2819–2844. [Google Scholar] [CrossRef]
- Biswas, A.; Biswas, B. Swarm Intelligence Techniques and Their Adaptive Nature with Applications. Comput. Intell. 2014, 319, 253–273. [Google Scholar]
- Eberchart, J.K.R. Particle Swarm Optimization. In Proceedings of the IEEE International Conference on Neural Networks, Perth, Australia, 27 November–1 December 1995. [Google Scholar]
- Dorigo, C.M. Ant Colony Optimization Theory: A survey. Theory Comput. Sci. 2005, 344, 243–278. [Google Scholar] [CrossRef]
- Li, D.; Huang, L.; Wang, K.; Pang, W.; Zhou, Y.; Zhang, R. A General Framework for Accelerating Swarm Intelligence Algorithms on FPGAs, GPUs and Multi-Core CPUs. IEEE Access 2018, 6, 72327–72344. [Google Scholar] [CrossRef]
- Calazan, R.M.; Nedjah, N.; Mourelle, L.M. A hardware accelerator for particle swarm optimization. Appl. Soft Comput. 2014, 14, 347–356. [Google Scholar] [CrossRef]
- De Sousa, M.A.D.A.; Pires, R.; Del-Moral-Hernandez, E. SOMprocessor: A high throughput FPGA-based architecture for implementing Self-Organizing Maps and its application to video processing. Neural Netw. 2020, 125, 349–362. [Google Scholar] [CrossRef] [PubMed]
- Appiah, K.; Hunter, A.; Dickinson, P.; Meng, H. Implementation and applications of tri-state self-organizing maps on FPGA. IEEE Trans. Circuits Syst. Video Technol. 2012, 22, 1150–1160. [Google Scholar] [CrossRef][Green Version]
- Lachmair, J.; Mieth, T.; Griessl, R.; Hagemeyer, J.; Porrmann, M. From CPU to FPGA—Acceleration of self-organizing maps for data mining. In Proceedings of the 2017 International Joint Conference on Neural Networks (IJCNN), Anchorage, AK, USA, 14–19 May 2017; pp. 4299–4308. [Google Scholar]
- De Sousa, M.A.D.A.; Del-Moral-Hernandez, E. Comparison of three FPGA architectures for embedded multidimensional categorization through Kohonen’s Self-organizing maps. In Proceedings of the 2017 IEEE International Symposium on Circuits and Systems (ISCAS), Baltimore, MD, USA, 28–31 May 2017; pp. 1–4. [Google Scholar]
- Afifi, A.; Ayatollahi, A.; Raissi, F. CMOL implementation of spiking neurons and spike-timing dependent plasticity. Int. J. Circuit Theory App. 2011, 39, 357–372. [Google Scholar] [CrossRef]
- Frances-Villora, J.V.; Rosado-Muñoz, A.; Martínez-Villena, J.M.; Bataller-Mompean, M.; Guerrero, J.F.; Wegrzyn, M. Hardware implementation of real-time Extreme Learning Machine in FPGA: Analysis of precision, resource occupation and performance. Comput. Electr. Eng. 2016, 51, 139–156. [Google Scholar] [CrossRef]
- Ganchosov, P.N.; Kuzmanov, G.; Kabakchiev, H.; Behar, V.; Romansky, R.P.; Gaydadjiev, G.N. FPGA implementation of modified Gram-Schmidt qr-decomposition. In Proceedings of the 3rd HiPEAC Workshop on Reconfigurable Computing, Prague, Czech Republic, 20 January 2016; pp. 41–51. [Google Scholar]
- Phan-Xuan, H.; Le-Tien, T.; Nguyen-Tan, S. FPGA platform applied for facial expression recognition system using convolutional neural networks. Procedia Comput. Sci. 2019, 151, 651–658. [Google Scholar] [CrossRef]
- Alizadeh, S.; Fazel, A. Convolutional Neural Network for Facial Expression Recognition. In Stanford University Report. arXiv 2016, arXiv:1704.06756. [Google Scholar]
- Kaarmukilan, S.P.; Poddar, S. FPGA based Deep Learning Models for Object Detection and Recognition Comparison of Object Detection Comparison of object detection models using FPGA. In Proceedings of the 2020 Fourth International Conference on Computing Methodologies and Communication (ICCMC), Erode, India, 11–13 March 2020; pp. 471–474. [Google Scholar]
- Kaarmukilan, S.P.; Hazarika, A.; Poddar, S.; Rahaman, H. An Accelerated Prototype with Movidius Neural Compute Stick for Real-Time Object Detection. In Proceedings of the 2020 International Symposium on Devices, Circuits and Systems (ISDCS), Howrah, India, 4–6 March 2020; pp. 1–5. [Google Scholar]
- Object detection: Speed and accuracy comparison (Faster R-CNN, R-FCN, SSD, FPN, RetinaNet and YOLOv3). Available online: https://jonathan-hui.medium.com/object-detection-speed-and-accuracy-comparison-faster-r-cnn-r-fcn-ssd-and-yolo-5425656ae359 (accessed on 20 August 2020).
- Ren, S.; He, K.; Girshick, R.; Sun, J. Faster r-cnn: Towards real-time object detection with region proposal networks. IEEE Trans. Pattern Anal. Mach. Intell. 2016, 39, 1137–1149. [Google Scholar] [CrossRef]
- Hu, Q.; Tang, X.; Tang, W. A Smart Chair Sitting Posture Recognition System Using Flex Sensors and FPGA Implemented Artificial Neural Network. IEEE Sens. J. 2020, 20, 8007–8016. [Google Scholar] [CrossRef]
- Zhao, S.; An, F.; Yu, H. A 307-fps 351.7-GOPs/W Deep Learning FPGA Accelerator for Real-Time Scene Text Recognition. In Proceedings of the 2019 International Conference on Field-Programmable Technology, Tianjin, China, 9–13 December 2019; pp. 263–266. [Google Scholar]
- Lin, K.; Chen, M.; Deng, J.; Hassan, M.M.; Fortino, G. Enhanced fingerprinting and trajectory prediction for IoT localization in smart buildings. IEEE Trans. Autom. Sci. Eng. 2016, 13, 1294–1307. [Google Scholar] [CrossRef]
- Xie, T.; Jiang, H.; Zhao, X.; Zhang, C. A Wi-Fi-Based wireless indoor position sensing system with multipath interference mitigation. Sensors 2019, 19, 3983. [Google Scholar] [CrossRef] [PubMed]
- Goswami, A.; Ortiz, L.E.; Das, S.R. WiGEM: A learning-based approach for indoor localization. In Proceedings of the Seventh COnference on emerging Networking EXperiments and Technologies, Tokyo, Japan, 6–9 December 2011; pp. 1–12. [Google Scholar]
- Liu, C.; Wang, C.; Luo, J. Large-Scale Deep Learning Framework on FPGA for Fingerprint-Based Indoor Localization. IEEE Access 2020, 8, 65609–65617. [Google Scholar] [CrossRef]
- Youssef, M.; Agrawala, A. The Horus WLAN location determination system. In Proceedings of the 3rd International Conference on Mobile Systems, Applications, and Services, Seattle, WA, USA, 5 June 2005; pp. 205–218. [Google Scholar]
- Wang, X.; Gao, L.; Mao, S.; Pandey, S. DeepFi: Deep learning for indoor fingerprinting using channel state information. In Proceedings of the 2015 IEEE Wireless Communications and Networking Conference (WCNC), New Orleans, LA, USA, 9–12 March 2015; pp. 1666–1671. [Google Scholar]
- Shan, Y. ADAS and video surveillance analytics system using deep learning algorithms on FPGA. In Proceedings of the 2018 28th International Conference on Field Programmable Logic and Applications (FPL), Dublin, Ireland, 27–31 August 2018; pp. 465–4650. [Google Scholar]
- Chen, V. Doppler signatures of radar backscattering from objects with micro motions. IET Signal Process. 2008, 2, 291. [Google Scholar] [CrossRef]
- Lei, P.; Liang, J.; Guan, Z.; Wang, J.; Zheng, T. Acceleration of FPGA based convolutional neural network for human activity classification using millimeter-wave radar. IEEE Access 2019, 7, 88917–88926. [Google Scholar] [CrossRef]
- Farabet, C.; Martini, B.; Akselrod, P.; Talay, S.; LeCun, Y.; Culurciello, E. Hardware accelerated convolutional neural networks for synthetic vision systems. In Proceedings of the 2010 IEEE International Symposium on Circuits and Systems, Paris, France, 30 May–2 June 2010; pp. 257–260. [Google Scholar]
- FPGA Leadership across Multiple Process Nodes, XILINX. 2020. Available online: https://www.xilinx.com/products/silicon-devices/fpga.html (accessed on 18 January 2021).
- Xilinx. Xilinx Provides Twitch with Plug and Play VP9 Transcoding Solution. 2011. Available online: https://www.xilinx.com/publications/powered-by-xilinx/Twitch-Case-Study.pdf (accessed on 18 January 2021).
- Wu, S.; Li, G.; Chen, F.; Shi, L. Training and inference with integers in deep neural networks. arXiv 2018, arXiv:1802.04680. [Google Scholar]
- Gao, C.; Zhang, F. FPGA-based Accelerator for Independently Recurrent Neural Network. In Proceedings of the 2018 IEEE 4th International Conference on Computer and Communications (ICCC), Chengdu, China, 7–10 December 2018; pp. 2075–2080. [Google Scholar]
- Hochreiter, S.; Schmidhuber, J. Long short-term memory. Neural Comput. 1997, 9, 1735–1780. [Google Scholar] [CrossRef]
- VK Reinvents Storage for Social Networks, Intel. 2019. Available online: https://www.intel.com/content/www/us/en/customer-spotlight/stories/vk-storage-customer-story.html (accessed on 18 January 2021).
- Liu, X.; Ounifi, H.A.; Gherbi, A.; Lemieux, Y.; Li, W. A hybrid GPU-FPGA-based computing platform for machine learning. Procedia Comput. Sci. 2018, 141, 104–111. [Google Scholar] [CrossRef]
- Nakahara, H.; Yonekawa, H.; Fujii, T.; Sato, S. A lightweight yolov2: A binarized cnn with a parallel support vector regression for an fpga. In Proceedings of the 2018 ACM/SIGDA International Symposium on Field-Programmable Gate Arrays, Monterey, CA, USA, 25–27 February 2018; pp. 31–40. [Google Scholar]
- Li, S.; Luo, Y.; Sun, K.; Yadav, N.; Choi, K.K. A Novel FPGA Accelerator Design for Real-Time and Ultra-Low Power Deep Convolutional Neural Networks Compared With Titan X GPU. IEEE Access 2020, 8, 105455–105471. [Google Scholar] [CrossRef]
- Speedster 7t FPGAs, Achronix. 2020. Available online: https://www.achronix.com/product/speedster7t-fpgas (accessed on 18 January 2021).
- Blaiech, A.G.; Khalifa, K.B.; Valderrama, C.; Fernandes, M.A.; Bedoui, M.H. A Survey and Taxonomy of FPGA-based Deep Learning Accelerators. J. Syst. Archit. 2019, 98, 331–345. [Google Scholar] [CrossRef]
- Wang, T.; Wang, C.; Zhou, X.; Chen, H. An Overview of FPGA Based Deep Learning Accelerators: Challenges and Opportunities. In Proceedings of the 2019 IEEE 21st International Conference on High Performance Computing and Communications, Zhangjiajie, China, 10–12 August 2019; pp. 1674–1681. [Google Scholar]
- Hao, C.; Chen, D. Deep neural network model and FPGA accelerator co-design: Opportunities and challenges. In Proceedings of the 2018 14th IEEE International Conference on Solid-State and Integrated Circuit Technology (ICSICT), Qingdao, China, 31 October–3 November 2018; pp. 1–4. [Google Scholar]
- Liu, Z.; Li, Y.; Ren, F.; Goh, W.L.; Yu, H. Squeezedtext: A real-time scene text recognition by binary convolutional encoder-decoder network. In Proceedings of the AAAI Conference on Artificial, New Orleans, LA, USA, 2–7 February 2018. [Google Scholar]
- Suda, N. Throughput-Optimized OpenCL-based FPGA Accelerator for Large Scale Convolutional Neural Network. In Proceedings of the 2016 ACM/SIGDA International Symposium on Field-Programmable Gate Arrays, Monterey, CA, USA, 21–23 February 2016. [Google Scholar]
- Chew, L.W.; Chia, W.C.; Ang, L.M.; Seng, K.P. Low–memory video compression architecture using strip–based processing for implementation in wireless multimedia sensor networks. Int. J. Sens. Netw. 2012, 11, 33–47. [Google Scholar] [CrossRef]
- García, G.J.; Jara, C.A.; Pomares, J.; Alabdo, A.; Poggi, L.M.; Torres, F. A survey on FPGA-based sensor systems: Towards intelligent and reconfigurable low-power sensors for computer vision, control and signal processing. Sensors 2014, 14, 6247–6278. [Google Scholar] [CrossRef] [PubMed]
- Ang, L.M.; Seng, K.P.; Chew, L.W.; Yeong, L.S.; Chia, W.C. Wireless Multimedia Sensor Networks on Reconfigurable Hardware; Springer: Heidelberg, Germany, 2013. [Google Scholar]
- Venieris, S.I.; Bouganis, C.S. fpgaConvNet: Mapping regular and irregular convolutional neural networks on FPGAs. IEEE Trans. Neural Netw. Learn. Syst. 2018, 30, 326–342. [Google Scholar] [CrossRef] [PubMed]
- Ghaffari, A.; Savaria, Y. CNN2Gate: An Implementation of Convolutional Neural Networks Inference on FPGAs with Automated Design Space Exploration. Electronics 2020, 9, 2200. [Google Scholar] [CrossRef]
- Zhang, C.; Sun, G.; Fang, Z.; Zhou, P.; Pan, P.; Cong, J. Caffeine: Toward uniformed representation and acceleration for deep convolutional neural networks. IEEE Trans. Comput. Aided Design Integr. Circuits Syst. 2018, 38, 2072–2085. [Google Scholar] [CrossRef]
- Umuroglu, Y.; Fraser, N.J.; Gambardella, G.; Blott, M.; Leong, P.; Jahre, M.; Vissers, K. Finn: A framework for fast, scalable binarized neural network inference. In Proceedings of the 2017 ACM/SIGDA International Symposium on Field-Programmable Gate Arrays, Monterey, CA, USA, 22–24 February 2017; pp. 65–74. [Google Scholar]
- Xilinx. Xilinx Reports Record Revenues Exceeding $3 Billion For Fiscal. 2019. Available online: https://www.xilinx.com/news/press/2019/xilinx-reports-record-revenues-exceeding-3-billion-for-fiscal-2019.html (accessed on 24 April 2019).
- Alsop, T. Intel’s Programmable Solution Group (PSG) revenue, Statista. Available online: https://www.statista.com/statistics/1096397/intel-programmable-solutions-group-revenue/ (accessed on 29 October 2020).
- FPGA Market 2020 Global Industry study, SNN News. Available online: https://www.snntv.com/story/42322561/field-programmable-gate-array-fpga-market-2020-global-industry-study-by-overview-size-top-players-revenue-sharedevelopment-strategy-future-trends (accessed on 3 July 2020).


















| Classification and Thematic Descriptors | References |
|---|---|
| EI Techniques | |
| Machine Learning and Neural Network | [5,6,7,8,9,10,11,12,13,14,15,16,17] |
| Deep Learning | [18,19,20,21,22,23,24,25,26,27,28,29,30,31,32,33,34,35,36] |
| Expert System | [36,37,38,39] |
| Fuzzy Intelligence | [40,41,42,43,44,45,46] |
| Swarm Intelligence | [47,48,49,50,51] |
| SOM and Extreme Learning | [52,53,54,55,56,57,58] |
| Applications for EI | |
| Object Detection and Recognition | [59,60,61,62,63,64,65,66] |
| Indoor Localization and Surveillance Monitoring | [67,68,69,70,71,72,73] |
| Others | [74,75,76] |
| EI Hardware and platforms | |
| Xilinx | [77,78,79,80,81] |
| Altera | [82,83,84,85] |
| Archronix | [86] |
| Challenges for EI | |
| Challenges | [87,88,89,90,91,92,93,94,95,96,97] |
| FPGA | Series | Company | (KLEs) | DSP Slices | Description |
|---|---|---|---|---|---|
| Agilex | AGF027 | Intel | 2692 | 8528 | Quad core ARM Cortex-A53, PCIe Gen5 |
| Agilex | Agilex M | Intel | - | - | - |
| Stratix 10 | DX 2800 | Intel | 2753 | 5760 | Quad-core ARM Cortex-A53 HPS, HBM2 16G Intel Optane DC Persistance Memory |
| Stratix 10 | GX 2800 | Intel | 3456 | DDR4 | |
| Arria 10 | GT1150 | Intel | 1150 | 1518 | DDR4 |
| Arria 10 | SX660 | Intel | 660 | 1688 | Dual Core ARM Cortex-A9 MPCore, DDR4 |
| Cyclone 10 | 10CX220 | Intel | 220 | 192 | DDR3 |
| MAX 10 | 10M50 | Intel | 50 | - | - |
| Virtex UltraScale+ | VU19P | Xillinx | 8938 | 3840 | DDR4, server Class DIMM |
| Virtex UltraScale+ | HBM VU57P | Xillinx | 2852 | 9024 | DDR4 Server Class DIMM |
| Kintex Ultrascale+ | KU19P | Xillinx | 1843 | 1080 | DDR4 |
| Artix-7 | XC7A200T | Xillinx | 215 | 740 | DDR3 |
| Spartan-7 | XC7S100 | Xillinx | 102 | 160 | DDR3 |
| Spartan-6 | XC6SLX150T | Xillinx | 23 | 180 | - |
| ZynQ | Z-7020 XC7Z020 | Xillinx | 85 | 220 | Dual-Core ARM Cortex-A9 MPCore, DDR3 |
| Zynq UltraScale+ | ZU7EV | Xillinx | 504 | 1728 | Quad-Core ARM Cortex-A53 MP Core, Dual-core ARM Cortex-R5 MPCore and Mali 400 MP2 GPU, DDR4 |
| Zynq UltraScale+ | ZU7CG | Xillinx | 504 | 1728 | Dual-Core ARM Cortex-A53 MP Core and Dual-core ARM Cortex-R5 MPCore, DDR4 |
| Speedster7t | AC7t6000 | Achronix | 2600 | 1760@MLP | MLP(Machine Learning Processor),GDDR6, PCIe Gen5 |
Publisher’s Note: MDPI stays neutral with regard to jurisdictional claims in published maps and institutional affiliations. |
© 2021 by the authors. Licensee MDPI, Basel, Switzerland. This article is an open access article distributed under the terms and conditions of the Creative Commons Attribution (CC BY) license (https://creativecommons.org/licenses/by/4.0/).
Share and Cite
Seng, K.P.; Lee, P.J.; Ang, L.M. Embedded Intelligence on FPGA: Survey, Applications and Challenges. Electronics 2021, 10, 895. https://doi.org/10.3390/electronics10080895
Seng KP, Lee PJ, Ang LM. Embedded Intelligence on FPGA: Survey, Applications and Challenges. Electronics. 2021; 10(8):895. https://doi.org/10.3390/electronics10080895
Chicago/Turabian StyleSeng, Kah Phooi, Paik Jen Lee, and Li Minn Ang. 2021. "Embedded Intelligence on FPGA: Survey, Applications and Challenges" Electronics 10, no. 8: 895. https://doi.org/10.3390/electronics10080895
APA StyleSeng, K. P., Lee, P. J., & Ang, L. M. (2021). Embedded Intelligence on FPGA: Survey, Applications and Challenges. Electronics, 10(8), 895. https://doi.org/10.3390/electronics10080895
