A New Cost-Efficient Design of a Reversible Gate Based on a Nano-Scale Quantum-Dot Cellular Automata Technology
Abstract
:1. Introduction
- Introducing a coplanar structure for a reversible double Feynman gate with a lower usage space and cell count;
- Comparing the proposed model to existing ones regarding cell counts, delay, layer, cost, and average output polarization.
2. Related Work
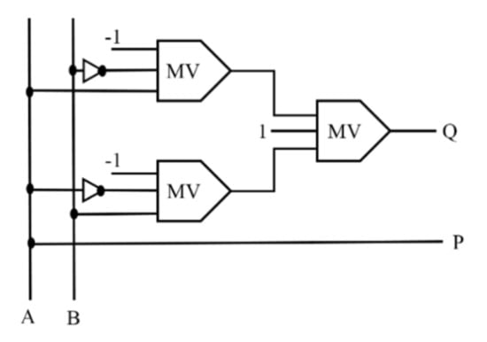
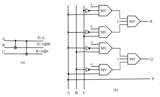
3. Proposed Design
- A unique mapping exists among the inputs and outputs.
- Feedback is not acceptable.
- Fan-out is not permitted.
4. Results
4.1. Simulation Tools
4.2. Simulation Parameters
4.3. Accuracy Analysis
4.4. Comparisons
5. Conclusions and Future Work
Author Contributions
Funding
Conflicts of Interest
References
- Bahar, A.N.; Waheed, S.; Uddin, M.A.; Habib, M.A. Double Feynman gate (F2G) in quantum-dot cellular automata (QCA). Int. J. Comput. Sci. Eng. 2013, 2, 351–355. [Google Scholar]
- Parvin, S.; Altun, M. Perfect Concurrent Fault Detection in CMOS Logic Circuits Using Parity Preservative Reversible Gates. IEEE Access 2019, 7, 163939–163947. [Google Scholar] [CrossRef]
- Siccardi, S.; Adamatzky, A. Actin quantum automata: Communication and computation in molecular networks. Nano Commun. Netw. 2015, 6, 15–27. [Google Scholar] [CrossRef]
- Das, J.C.; De, D. Nanocommunication network design using QCA reversible crossbar switch. Nano Commun. Netw. 2017, 13, 20–33. [Google Scholar] [CrossRef]
- Martins Bezerra, P.A.; Krismer, F.; Kolar, J.W.; Khaddam-Aljameh, R.; Paredes, S.; Heller, R.; Brunschwiler, T.; Francese, P.; Morf, T.; Kossel, M.; et al. Experimental Efficiency Evaluation of Stacked Transistor Half-Bridge Topologies in 14 nm CMOS Technology. Electronics 2021, 10, 1150. [Google Scholar] [CrossRef]
- Weder, B.; Barzen, J.; Leymann, F.; Salm, M. Automated Quantum Hardware Selection for Quantum Workflows. Electronics 2021, 10, 984. [Google Scholar] [CrossRef]
- Orlov, A.; Amlani, I.; Bernstein, G.H.; Lent, C.; Snider, G.L. Realization of a Functional Cell for Quantum-Dot Cellular Automata. Science 1997, 277, 928–930. [Google Scholar] [CrossRef] [Green Version]
- Hayati, M.; Rezaei, A. Design of a New Optimized Universal Logic Gate for Quantum-Dot Cellular Automata. IETE J. Res. 2019, 1–7. [Google Scholar] [CrossRef]
- Fam, S.R.; Navimipour, N.J. Design of a loop-based random access memory based on the nanoscale quantum dot cellular automata. Photon-Netw. Commun. 2018, 37, 120–130. [Google Scholar] [CrossRef]
- Ahmadpour, S.-S.; Mosleh, M.; Heikalabad, S.R. Efficient designs of quantum-dot cellular automata multiplexer and RAM with physical proof along with power analysis. J. Supercomput. 2021, 1–24. [Google Scholar] [CrossRef]
- Hennessy, K.; Lent, C.S. Clocking of molecular quantum-dot cellular automata. J. Vac. Sci. Technol. B Microelectron. Nanometer Struct. 2001, 19, 1752. [Google Scholar] [CrossRef] [Green Version]
- Gupta, P.; Jha, N.K.; Lingappan, L. A Test Generation Framework for Quantum Cellular Automata Circuits. IEEE Trans. Very Large Scale Integr. (VLSI) Syst. 2007, 15, 24–36. [Google Scholar] [CrossRef]
- Seyedi, S.; Navimipour, N.J. Design and evaluation of a new structure for fault-tolerance full-adder based on quantum-dot cellular automata. Nano Commun. Netw. 2018, 16, 1–9. [Google Scholar] [CrossRef]
- Debnath, B.; Das, J.C.; De, D.; Mondal, S.P.; Ahmadian, A.; Salimi, M.; Ferrara, M. Security Analysis with Novel Image Masking Based Quantum-Dot Cellular Automata Information Security Model. IEEE Access 2020, 8, 117159–117172. [Google Scholar] [CrossRef]
- Khosroshahy, M.B.; Moaiyeri, M.H.; Navi, K.; Bagherzadeh, N. An energy and cost efficient majority-based RAM cell in quantum-dot cellular automata. Results Phys. 2017, 7, 3543–3551. [Google Scholar] [CrossRef]
- Safoev, N.; Jeon, J.-C. Design and Evaluation of Cell Interaction Based Vedic Multiplier Using Quantum-Dot Cellular Automata. Electronics 2020, 9, 1036. [Google Scholar] [CrossRef]
- Bahar, A.N.; Waheed, S.; Habib, A.; Habib, M.A. A novel presentation of reversible logic gate in Quantum-dot Cellular Automata (QCA). In Proceedings of the 2014 International Conference on Electrical Engineering and Information & Communication Technology, Dhaka, Bangladesh, 10–12 April 2014; pp. 1–6. [Google Scholar]
- Das, J.C.; De, D. Reversible Binary to Grey and Grey to Binary Code Converter using QCA. IETE J. Res. 2015, 61, 223–229. [Google Scholar] [CrossRef]
- Abdullah-Al-Shafi, M.; Shifatul, M.; Newaz, A. A Review on Reversible Logic Gates and its QCA Implementation. Int. J. Comput. Appl. 2015, 128, 27–34. [Google Scholar] [CrossRef]
- Rahman, M.A.; Khatun, F.; Sarkar, A.; Huq, M.F. Design and implementation of Feynman gate in quantum-dot cellular automata (QCA). Int. J. Comput. Sci. Issues 2013, 10, 167. [Google Scholar]
- Seyedi, S.; Navimipour, N.J. An Optimized Three-Level Design of Decoder Based on Nanoscale Quantum-Dot Cellular Automata. Int. J. Theor. Phys. 2018, 57, 2022–2033. [Google Scholar] [CrossRef]
- Debnath, B.; Das, J.C.; De, D.; Ghaemi, F.; Ahmadian, A.; Senu, N. Reversible Palm Vein Authenticator Design with Quantum Dot Cellular Automata for Information Security in Nanocommunication Network. IEEE Access 2020, 8, 174821–174832. [Google Scholar] [CrossRef]
- Noorallahzadeh, M.; Mosleh, M.; Ahmadpour, S.-S. Efficient Designs of Reversible Synchronous Counters in Nanoscale. Circuits Syst. Signal Process. 2021, 1–14. [Google Scholar] [CrossRef]
- Das, J.C.; De, D.; Mondal, S.P.; Ahmadian, A.; Ghaemi, F.; Senu, N. QCA Based Error Detection Circuit for Nano Communication Network. IEEE Access 2019, 7, 67355–67366. [Google Scholar] [CrossRef]
- Seyedi, S.; Navimipour, N.J. An optimized design of full adder based on nanoscale quantum-dot cellular automata. Optik 2018, 158, 243–256. [Google Scholar] [CrossRef]
- Feynman, R.P. Quantum mechanical computers. Found. Phys. 1986, 16, 507–531. [Google Scholar] [CrossRef]
- Toffoli, T. Reversible computing. In International Colloquium on Automata, Languages, and Programming; Springer: Berlin/Heidelberg, Germany, 1980; pp. 632–644. [Google Scholar]
- Fredkin, E.; Toffoli, T. Conservative Logic. In Collision-Based Computing; Springer: Berlin/Heidelberg, Germany, 2002; pp. 47–81. [Google Scholar]
- Peres, A. Reversible logic and quantum computers. Phys. Rev. A 1985, 32, 3266–3276. [Google Scholar] [CrossRef]
- Parhami, B. Fault-Tolerant Reversible Circuits. In Proceedings of the 2006 Fortieth Asilomar Conference on Signals, Systems and Computers, Pacific Grove, CA, USA, 29 October–1 November 2006; pp. 1726–1729. [Google Scholar]
- Sasamal, T.N.; Singh, A.K.; Ghanekar, U. Toward Efficient Design of Reversible Logic Gates in Quantum-Dot Cellular Automata with Power Dissipation Analysis. Int. J. Theor. Phys. 2017, 57, 1167–1185. [Google Scholar] [CrossRef]
- Balali, M.; Rezai, A.; Balali, H.; Rabiei, F.; Emadi, S. Towards coplanar quantum-dot cellular automata adders based on efficient three-input XOR gate. Results Phys. 2017, 7, 1389–1395. [Google Scholar] [CrossRef]
- Timler, J.; Lent, C.S. Maxwell’s demon and quantum-dot cellular automata. J. Appl. Phys. 2003, 94, 1050–1060. [Google Scholar] [CrossRef] [Green Version]
- Lent, C.S.; Liu, M.; Lu, Y. Bennett clocking of quantum-dot cellular automata and the limits to binary logic scaling. Nanotechnology 2006, 17, 4240–4251. [Google Scholar] [CrossRef] [Green Version]
- Walus, K.; Dysart, T.J.; Jullien, G.A.; Budiman, R.A. QCADesigner: A Rapid Design and Simulation Tool for Quantum-Dot Cellular Automata. IEEE Trans. Nanotechnol. 2004, 3, 26–31. [Google Scholar] [CrossRef]
- Chabi, A.M.; Sayedsalehi, S.; Angizi, S.; Navi, K. Efficient QCA Exclusive-or and Multiplexer Circuits Based on a Nanoelectronic-Compatible Designing Approach. Int. Sch. Res. Not. 2014, 2014, 1–9. [Google Scholar] [CrossRef] [PubMed]
- Kim, K.; Wu, K.; Karri, R. Quantum-dot cellular automata design guideline. IEICE Trans. Fundam. Electron. Commun. Comput. Sci. 2006, 89, 1607–1614. [Google Scholar] [CrossRef] [Green Version]
- Walus, K. ATIPS Laboratory QCADesigner Homepage. ATIPS Laboratory, Univ. Calgary, Calgary, AB, Canada. IEEE Trans. Nanotechnol. 2004, 3, 26–31. [Google Scholar] [CrossRef]
- Berggren, K.F.; Yakymenko, I. Quantum Cellular Automata-Theory, Experimentation and Prospects; Imperial College Press: London, UK, 2006. [Google Scholar]
- Singh, R.; Sharma, D.K. Design of efficient multilayer RAM cell in QCA framework. Circuit World 2020, 47, 31–41. [Google Scholar] [CrossRef]
- Liu, W.; Lu, L.; O’Neill, M.; Swartzlander, E.E. A First Step Toward Cost Functions for Quantum-Dot Cellular Automata Designs. IEEE Trans. Nanotechnol. 2014, 13, 476–487. [Google Scholar] [CrossRef]
- Pudi, V.; Sridharan, K. Efficient Design of a Hybrid Adder in Quantum-Dot Cellular Automata. IEEE Trans. Very Large Scale Integr. (VLSI) Syst. 2010, 19, 1535–1548. [Google Scholar] [CrossRef]
- Abdullah-Al-Shafi, M.; Bahar, A.N.; Bhuiyan, M.M.R.; Shamim, S.M.; Ahmed, K. Average output polarization dataset for signifying the temperature influence for QCA designed reversible logic circuits. Data Brief 2018, 19, 42–48. [Google Scholar] [CrossRef]









| Input | Output | ||||
|---|---|---|---|---|---|
| A | B | C | P | Q | R |
| 0 | 0 | 0 | 0 | 0 | 0 |
| 0 | 0 | 1 | 0 | 0 | 1 |
| 0 | 1 | 0 | 0 | 1 | 0 |
| 0 | 1 | 1 | 0 | 1 | 1 |
| 1 | 0 | 0 | 1 | 1 | 1 |
| 1 | 0 | 1 | 1 | 1 | 0 |
| 1 | 1 | 0 | 1 | 0 | 1 |
| 1 | 1 | 1 | 1 | 0 | 0 |
| Parameter | Bistable Approximation Engine | Coherence Vector Engine |
|---|---|---|
| Cell size | 18 ∗ 18 nm2 | 18 ∗ 18 nm2 |
| Radius of effect | 65 nm | 80 nm |
| Relative permittivity | 12.9000000 | 12.9000000 |
| Clock high | 9.8 × 10−22 J | 9.8 × 10−22 J |
| Clock low | 3.8 × 10−23 J | 3.8 × 10−23 J |
| Clock amplitude factor | 2.000000 | 2.000000 |
| Clock shift | 0.000000 | 0.000000 |
| Layer separation | 11.5000 nm | 11.5000 nm |
| Maximum iterations per sample | 100 | - |
| Number of samples | 12,800 | - |
| Convergence tolerance | 0.001000 | - |
| Designs | Cells | Delay | Layer(s) | Used Gates | ALP | ALP-Baased Cost | |
|---|---|---|---|---|---|---|---|
| Our proposed model | 46 | 2 clock phase | 1 | Majority | 0.1 | 4.6 | |
| Bahar, Waheed [16] (1) | 51 | 2 clock phase | 1 | Majority | 0.12 | 6.12 | |
| Bahar, Waheed [16] (2) | 96 | 3 clock phase | 1 | Majority | 0.27 | 25.92 | |
| Parhami [30] | 93 | 2 clock phase | 1 | Majority | 0.38 | 35.34 | |
| Sasamal, Singh [31] | 40 | 2 clock phase | 1 | XOR | 0.1 | 4 |
| Designs | ||||
|---|---|---|---|---|
| Mode 1 | Mode 2 | Mode 3 | Mode 4 | |
| K, L, P = 1 | K, L, P = 2 | K, L, P = 3 | K, L, P = 4 | |
| The proposed model | 18 | 156 | 1752 | 20,784 |
| Bahar, Waheed [16] (1) | 20 | 160 | 1760 | 20,800 |
| Bahar, Waheed [16] (2) | 20 | 160 | 1760 | 20,800 |
| Parhami [30] | 30 | 360 | 5940 | 105,300 |
| Sasamal, Singh [31] | 14 | 108 | 1016 | 10,032 |
| Designs | Outputs | Temperature (K) | ||||||
|---|---|---|---|---|---|---|---|---|
| 1 | 2 | 3 | 4 | 5 | 6 | 7 | ||
| The proposed model | P | 9.77 | 9.77 | 9.77 | 9.76 | 9.76 | 9.75 | 9.75 |
| Q | 9.01 | 9.02 | 9.06 | 8.99 | 8.95 | 8.82 | 8.65 | |
| R | 9.06 | 9.04 | 9.02 | 8.97 | 8.89 | 8.80 | 8.73 | |
| Bahar, Waheed [16] (1) | P | 9.27 | 9.27 | 9.27 | 9.25 | 9.22 | 9.05 | 9.00 |
| Q | 9.06 | 9.06 | 9.06 | 9.02 | 8.95 | 8.72 | 8.65 | |
| R | 8.99 | 8.99 | 8.99 | 8.92 | 8.87 | 8.80 | 8.72 | |
| Bahar, Waheed [16] (2) | P | 8.62 | 8.61 | 8.61 | 8.43 | 8.40 | 7.91 | 7.88 |
| Q | 9.53 | 9.53 | 9.53 | 9.52 | 9.51 | 9.44 | 9.42 | |
| R | 9.53 | 9.53 | 9.53 | 9.52 | 9.52 | 9.49 | 9.42 | |
| Parhami [30] | P | 8.71 | 8.70 | 8.70 | 8.60 | 8.52 | 8.10 | 8.03 |
| Q | 9.53 | 9.53 | 9.53 | 9.52 | 9.52 | 9.48 | 9.42 | |
| R | 9.53 | 9.53 | 9.53 | 9.52 | 9.52 | 9.46 | 9.42 | |
| Sasamal, Singh [31] | P | 9.54 | 9.54 | 9.54 | 9.53 | 9.53 | 9.49 | 9.44 |
| Q | 9.50 | 9.50 | 9.50 | 9.48 | 9.48 | 9.40 | 9.37 | |
| R | 9.50 | 9.50 | 9.50 | 9.49 | 9.48 | 9.41 | 9.37 | |
Publisher’s Note: MDPI stays neutral with regard to jurisdictional claims in published maps and institutional affiliations. |
© 2021 by the authors. Licensee MDPI, Basel, Switzerland. This article is an open access article distributed under the terms and conditions of the Creative Commons Attribution (CC BY) license (https://creativecommons.org/licenses/by/4.0/).
Share and Cite
Seyedi, S.; Otsuki, A.; Navimipour, N.J. A New Cost-Efficient Design of a Reversible Gate Based on a Nano-Scale Quantum-Dot Cellular Automata Technology. Electronics 2021, 10, 1806. https://doi.org/10.3390/electronics10151806
Seyedi S, Otsuki A, Navimipour NJ. A New Cost-Efficient Design of a Reversible Gate Based on a Nano-Scale Quantum-Dot Cellular Automata Technology. Electronics. 2021; 10(15):1806. https://doi.org/10.3390/electronics10151806
Chicago/Turabian StyleSeyedi, Saeid, Akira Otsuki, and Nima Jafari Navimipour. 2021. "A New Cost-Efficient Design of a Reversible Gate Based on a Nano-Scale Quantum-Dot Cellular Automata Technology" Electronics 10, no. 15: 1806. https://doi.org/10.3390/electronics10151806
APA StyleSeyedi, S., Otsuki, A., & Navimipour, N. J. (2021). A New Cost-Efficient Design of a Reversible Gate Based on a Nano-Scale Quantum-Dot Cellular Automata Technology. Electronics, 10(15), 1806. https://doi.org/10.3390/electronics10151806
