Machine Learning Assisted Wearable Wireless Device for Sleep Apnea Syndrome Diagnosis
Abstract
:1. Introduction
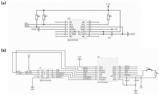
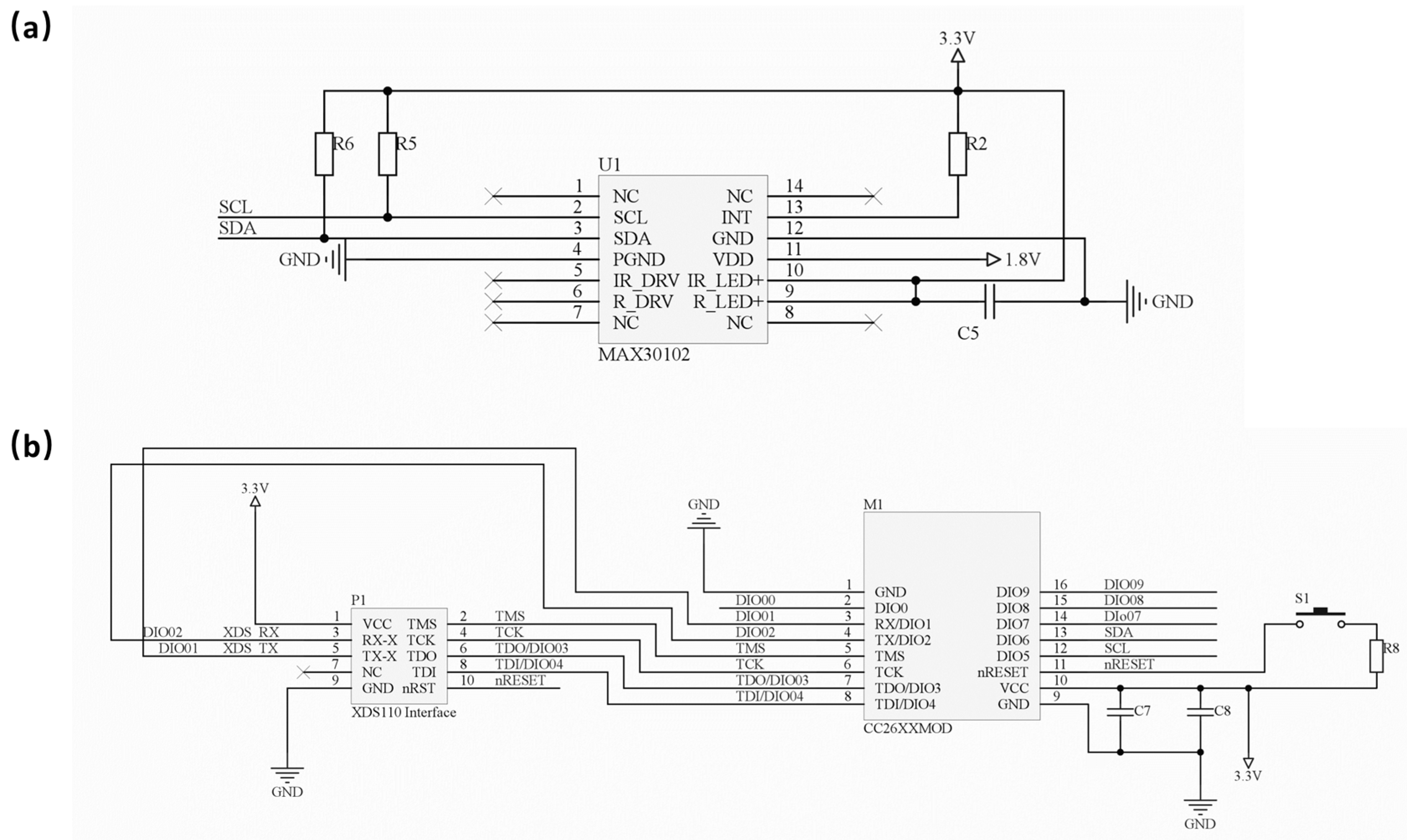
2. Wearable Wireless System Design and Fabrication
3. Diagnostic Algorithm
3.1. Blood Oxygen Analysis Algorithm
3.2. PPG Analysis Algorithm
- (1)
- PPG data preprocessingThis paper proposes PPG data preprocessing method includes three parts, median filter, lowpass filter and signal cutting.The PPG signal is influenced by noise from the environment and acquisition equipment during collection, which results in real waveform changes. Therefore, it is necessary to preprocess PPG data, which can avoid the subsequent influence of the error due to noise. PPG signal noise includes the following three types.
- 1)
- Power-line interference:
Power-line interference, caused by power systems, which is one of the common interferences in ECG signals, is usually removed by digital signal processing.- 2)
- Electromyography (EMG) interference:
High-frequency noise interference of the PPG signal is mainly caused by EMG interference. If a person’s muscle or skin has poor contact with the sensor, EMG noise appears, which causes irregular burr in PPG signals that influence signal quality. A lowpass filter is a good way to remove it.- 3)
- Baseline drift:
- (2)
- multiscale entropy and PRV-feature extractionThis paper proposes an extraction scheme that combines both multiscale entropy and PRV-feature extraction to extract PPG signal features. This PPG-related algorithm consists of two parts: sequence coarse-graining and sample entropy calculation [29], including three parameters τ, m and r, where τ is the scale factor, m is the embedding dimension, and r is the threshold. The algorithm steps are as follows:
- 1)
- Sequence coarse-grained algorithm:
In order to improve the accuracy of the multiscale algorithm, an improved coarsening extraction algorithm is proposed. The first step of the traditional coarsening method is to define a discrete one-dimensional time series, , and then a new time series after coarsening this series is obtained, as shown in Equation (3):The length of the time series is changed to L/τ after coarsening; when τ = 1, it is the original time series. The method for obtaining the coarse-grained time series with scales 2 and 3 is shown in Figure 9. It can be clearly seen from Figure 9 that the traditional coarsening begins at the first of the time series, and then divides it according to different scale factors. However, the problem is that it will lose some data at the end of the time series because there will appear a situation where the length of one single time series cannot be exactly divisible by the scale factor, which will decrease the accuracy of the multiscale entropy algorithm. Therefore, in order to improve the accuracy of the multiscale algorithm, an improved coarsening extraction algorithm is proposed, which uses a sliding sampling window to sample the original time series and sets the step size to 50% of the window meanwhile. It not only avoids the loss of tail data caused by coarsening at all scales but also decreases errors in later algorithms. The specific process is shown in Figure 10.- 2)
- Sample entropy calculation:
- (3)
- Feature extraction
- 1)
- To obtain the value, the Mallat algorithm is used to decompose the input PPG signal at .
- 2)
- After detecting the extreme point, diagnose whether the curve between the two extreme points is monotonic. If not, the extremum point is an orphan that needs to be removed. If matching, the positive and negative value pair is retained;
- 3)
- Retain the extreme value pair of the maximum positive value and the maximum negative value ;
- 4)
- Detect the peak point between positive and negative value pairs that meet the above conditions, which is the zero-cross point;
- 5)
- In order to reduce the false detection rate, the extreme point within 200 ms after the peak point is ignored, which corresponds better to the heart rate characteristics of normal people;
- 6)
- In order to reduce the missed detection rate, calculate the average time of the peak-peak cycle at first, then find the segment that has not been detected after 1.5 times the average time of the wave and then re-detect it after changing the threshold to and . Finally, restore the threshold after completion.
4. Results and Discussion
4.1. Sensing Device Performance Verification
4.2. Algorithm Verification
4.3. Wearable Diagnostic System Verification
5. Conclusions
Author Contributions
Funding
Institutional Review Board Statement
Informed Consent Statement
Data Availability Statement
Acknowledgments
Conflicts of Interest
References
- Hiestand, D.M.; Britz, P.; Goldman, M.; Phillips, B. Prevalence of symptoms and risk of sleep apnea in the US population. Chest 2006, 130, 780–786. [Google Scholar] [CrossRef]
- Lu, S.; Zhao, H.; Ju, K.; Shin, K.; Lee, M.; Shelley, K.; Chon, K.H. Can photoplethysmography variability serve as an alternative approach to obtain heart rate variability information? J. Clin. Monit. Comput. 2008, 22, 23–29. [Google Scholar] [CrossRef] [PubMed]
- Gil, E.; Orini, M.; Bailon, R.; Vergara, J.M.; Mainardi, L.; Laguna, P. Photoplethysmography pulse rate variability as a surrogate measurement of heart rate variability during non-stationary conditions. Physiol. Meas. 2010, 31, 1271. [Google Scholar] [CrossRef]
- Poh, M.-Z.; Swenson, N.C.; Picard, R.W. Motion-tolerant magnetic earring sensor and wireless earpiece for wearable photoplethysmography. IEEE Trans. Inf. Technol. Biomed. 2010, 14, 786–794. [Google Scholar] [CrossRef]
- Ferber, R.; Millman, R.; Coppola, M.; Fleetham, J.; Friederich Murray, C.; Iber, C.; McCall, W.V.; Nino-Murcia, G.; Pressman, M.; Sanders, M. Portable recording in the assessment of obstructive sleep apnea. Sleep 1994, 41, zsy134. [Google Scholar] [CrossRef] [PubMed]
- Collop, N.A.; Anderson, W.M.; Boehlecke, B.; Claman, D.; Goldberg, R.; Gottlieb, D.J.; Hudgel, D.; Sateia, M.; Schwab, R. Clinical guidelines for the use of unattended portable monitors in the diagnosis of obstructive sleep apnea in adult patients. J. Clin. Sleep Med. 2007, 3, 737–747. [Google Scholar] [PubMed]
- Yildirim, O.; Baloglu, U.B.; Acharya, U.R. A deep learning model for automated sleep stages classification using PSG signals. Int. J. Environ. Res. Public Health 2019, 16, 599. [Google Scholar] [CrossRef]
- Norman, M.B.; Pithers, S.M.; Teng, A.Y.; Waters, K.A.; Sullivan, C.E. Validation of the sonomat against PSG and quantitative measurement of partial upper airway obstruction in children with sleep-disordered breathing. Sleep 2017, 40, zsx017. [Google Scholar] [CrossRef] [PubMed]
- Fallmann, S.; Chen, L. Computational sleep behavior analysis: A survey. IEEE Access 2019, 7, 142421–142440. [Google Scholar] [CrossRef]
- Crivello, A.; Barsocchi, P.; Girolami, M.; Palumbo, F. The meaning of sleep quality: A survey of available technologies. IEEE Access 2019, 7, 167374–167390. [Google Scholar] [CrossRef]
- Cosoli, G.; Spinsante, S.; Scalise, L. Wrist-worn and chest-strap wearable devices: Systematic review on accuracy and metrological characteristics. Measurement 2020, 159, 107789. [Google Scholar] [CrossRef]
- Puranik, S.; Morales, A.W. Heart rate estimation of PPG signals with simultaneous accelerometry using adaptive neural network filtering. IEEE Trans. Consum. Electron. 2019, 66, 69–76. [Google Scholar] [CrossRef]
- Schnelle, J.F.; Alessi, C.A.; Al-Samarrai, N.R.; Fricker, R.D., Jr.; Ouslander, J.G. The nursing home at night: Effects of an intervention on noise, light, and sleep. J. Am. Geriatr. Soc. 1999, 47, 430–438. [Google Scholar] [CrossRef] [PubMed]
- Kinnunen, H.; Rantanen, A.; Kenttä, T.; Koskimäki, H. Feasible assessment of recovery and cardiovascular health: Accuracy of nocturnal HR and HRV assessed via ring PPG in comparison to medical grade ECG. Physiol. Meas. 2020, 41, 04NT01. [Google Scholar] [CrossRef]
- Lee, S.; Kim, D. Effect of color light stimulation using LED on sleep induction time. J. Healthc. Eng. 2017, 2017, 6030268. [Google Scholar] [CrossRef] [PubMed]
- Al-Naggar, N.Q.; Al-Hammadi, H.M.; Al-Fusail, A.M.; Al-Shaebi, Z.A. Design of a remote real-time monitoring system for multiple physiological parameters based on smartphone. J. Healthc. Eng. 2019, 2019, 5674673. [Google Scholar] [CrossRef] [PubMed]
- Hayano, J.; Barros, A.K.; Kamiya, A.; Ohte, N.; Yasuma, F. Assessment of pulse rate variability by the method of pulse frequency demodulation. Biomed. Eng. Online 2005, 4, 1–12. [Google Scholar] [CrossRef]
- Hayano, J.; Yamamoto, H.; Nonaka, I.; Komazawa, M.; Itao, K.; Ueda, N.; Tanaka, H.; Yuda, E. Quantitative detection of sleep apnea with wearable watch device. PLoS ONE 2020, 15, e0237279. [Google Scholar] [CrossRef] [PubMed]
- Wu, S.; Chen, M.; Wei, K.; Liu, G. Sleep apnea screening based on Photoplethysmography data from wearable bracelets using an information-based similarity approach. Comput. Methods Programs Biomed. 2021, 211, 106442. [Google Scholar] [CrossRef] [PubMed]
- Selvakumar, K.; Vinodh Kumar, E.; Sailesh, M.; Varun, M.; Allan, A.; Biswajit, N.; Namrata, P.; Upasana, S. Realtime PPG based respiration rate estimation for remote health monitoring applications. Biomed. Signal Process. Control. 2022, 77, 103746. [Google Scholar] [CrossRef]
- Deviaene, M.; Lázaro, J.; Huysmans, D.; Testelmans, D.; Buyse, B.; Huffel, S.V.; Varon, C. Sleep Apnea Detection Using Pulse Photoplethysmography. Comput. Cardiol. Conf. (CinC) 2018, 45, 1–4. [Google Scholar]
- Dey, D.; Chaudhuri, S.; Munshi, S. Obstructive sleep apnoea detection using convolutional neural network based deep learning framework. Biomed. Eng. Lett. 2018, 8, 95–100. [Google Scholar]
- Lazazzera, R.; Deviaene, M.; Varon, C.; Buyse, B.; Testelmans, D.; Laguna, P.; Gil, E.; Carrault, G. Detection and Classification of Sleep Apnea and Hypopnea Using PPG and SpO2 Signals. IEEE Trans. Biomed. Eng. 2021, 68, 1496–1506. [Google Scholar]
- Wei, K.; Zou, L.; Liu, G.; Wang, C. Sleep apnea detection in PPG using multi-scale block and shadow module one-dimensional convolutional neural network. Comput. Biol. Med. 2023, 155, 106469. [Google Scholar] [CrossRef] [PubMed]
- Yin, C.; Udrescu, M.; Gupta, G.; Cheng, M.; Lihu, A.; Udrescu, L.; Bogdan, P.; Mannino, D.M.; Mihaicuta, S. Fractional Dynamics Foster Deep Learning of COPD Stage Prediction. Adv. Sci. 2023, 2023, 2203485. [Google Scholar] [CrossRef] [PubMed]
- Massie, F.; Vits, S.; Khachatryan, A.; Pee, B.V.; Verbraecken, J.; Bergmann, J. Central Sleep Apnea Detection by Means of Finger Photoplethysmography. IEEE J. Transl. Eng. Health Med. 2023, 11, 126–136. [Google Scholar] [CrossRef] [PubMed]
- Morillo, D.S.; Ojeda, J.L.R.; Foix, L.F.C.; Jiménez, A.L. An Accelerometer-Based Device for Sleep Apnea Screening. IEEE Transactions on Information Technology in Biomedicine. 2010, 14, 491–499. [Google Scholar] [CrossRef] [PubMed]
- Mendonça, F.; Mostafa, S.S.; Morgado-Dias, F.; Ravelo-García, A.G. An oximetry based wireless device for sleep apnea detection. Sensors 2020, 20, 888. [Google Scholar] [CrossRef] [PubMed]
- Costa, M.; Peng, C.K.; Goldberger, A.L.; Hausdorff, J.M. Multiscale entropy analysis of human gait dynamics. Phys. A Stat. Mech. Its Appl. 2003, 330, 53–60. [Google Scholar] [CrossRef] [PubMed]
- Wang, J.; Ning, X.; Ma, Q.; Bian, C.; Xu, Y.; Chen, Y. Multiscale multifractality analysis of a 12-lead electrocardiogram. Physical Review E 2005, 71, 062902. [Google Scholar] [CrossRef] [PubMed]
- Faust, O.; Barika, R.; Shenfield, A.; Ciaccio, E.J.; Acharya, U.R. Accurate detection of sleep apnea with long short-term memory network based on RR interval signals. Knowl. -Based Syst. 2021, 212, 106591. [Google Scholar] [CrossRef]
- Ichimaru, Y.; Moody, G.B. Development of the polysomnographic database on CD-ROM. Psychiatry Clin. Neurosci. 1999, 53, 175–177. [Google Scholar] [CrossRef] [PubMed]
- Goldberger, A.L.; Amaral, L.A.N.; Glass, L.; Hausdorff, J.M.; Ivanov, P.C.; Mark, R.G.; Mietus, J.E.; Moody, G.B.; Peng, C.-K.; Stanley, H.E. PhysioBank, PhysioToolkit, and PhysioNet: Components of a new research resource for complex physiologic signals. Circulation 2000, 101, e215–e220. [Google Scholar] [CrossRef] [PubMed]
- Breiman, L. Bagging predictors. Mach. Learn. 1996, 24, 123–140. [Google Scholar] [CrossRef]















| Parameter | Definition of the Parameter |
|---|---|
| PR | Pulse beats per minute, reflecting breathing rate |
| The mean value of the peak-to-peak period, indicating the average level of PRV | |
| SDNNPP | Standard deviation of peak-to-peak period |
| PPmedian | The median periods of the peak-to-peak |
| NN50 | The number of times the difference between two adjacent peak-to-peak intervals exceeds 50ms, indicating the beat-to-beat variability of the pulsatile cycle |
| PNN50 | The number of times the difference between two adjacent peak-to-peak periods exceeds 50ms as a percentage of the total number of peak-to-peak periods |
| SDNNAA | Standard deviation of peak-to-peak amplitude |
| The average of peak-to-peak amplitude | |
| AAmedian | The median of peak-to-peak amplitude |
| Models | Accuracy (%) | Specificity (%) | Sensitivity (%) | Running Time (s) |
|---|---|---|---|---|
| Random Forests | 91.80 | 89.93 | 93.88 | 0.21 |
| SVM | 88.28 | 91.69 | 83.94 | 2.10 |
| KNN | 85.06 | 86.11 | 83.72 | 0.36 |
| XGboost | 82.05 | 84.91 | 78.42 | 0.54 |
| No. | Gender | Age (Years) | Height (cm) | Weight (kg) | Blood Oxygen Saturation | NO of SAS | |||
|---|---|---|---|---|---|---|---|---|---|
| PSG | Our System | Relative Error (%) | Determined by the Hospital | Determined by Our System | |||||
| 1 | Male | 23 | 176 | 60 | 99 | 99 | 0 | 56 | 50 |
| 2 | Male | 32 | 170 | 78 | 98 | 97 | 1.02 | 10 | 17 |
| 3 | Male | 28 | 169 | 68 | 98 | 98 | 0 | 11 | 5 |
| 4 | Male | 29 | 175 | 80 | 97 | 98 | 1.03 | 15 | 12 |
| 5 | Female | 48 | 163 | 63 | 97 | 97 | 0 | 81 | 80 |
| 6 | Female | 52 | 161 | 58 | 98 | 98 | 0 | 79 | 77 |
| 7 | Male | 47 | 173 | 81 | 97 | 98 | 1.03 | 68 | 64 |
| 8 | Male | 54 | 169 | 72 | 98 | 96 | 2.08 | 129 | 116 |
| 9 | Female | 23 | 159 | 55 | 99 | 98 | 1.01 | 12 | 7 |
| 10 | Female | 36 | 154 | 61 | 97 | 96 | 1.03 | 85 | 73 |
| average | 97.8 | 97.5 | 0.31 | ||||||
| Subject No. | Accuracy (%) | Specificity (%) | Sensitivity (%) |
|---|---|---|---|
| 1 | 86.73 | 85.42 | 87.42 |
| 2 | 87.25 | 90.63 | 76.34 |
| 3 | 82.25 | 65.64 | 87.42 |
| 4 | 86.34 | 89.65 | 79.35 |
| 5 | 89.39 | 83.47 | 88.01 |
| 6 | 84.98 | 83.91 | 87.11 |
| 7 | 81.87 | 76.33 | 86.91 |
| 8 | 85.97 | 89.25 | 81.21 |
| 9 | 87.03 | 81.96 | 85.23 |
| 10 | 88.08 | 89.52 | 80.82 |
| Component Names | Number | Cost ($) |
|---|---|---|
| MAX30102 | 1 | 1.78 |
| CC2640R2F | 1 | 2.24 |
| TPS61099 | 1 | 0.63 |
| KIA6206 | 1 | 0.71 |
| SC662K | 1 | 0.18 |
| FPCB | 1 | 14.78 |
| Basic components | / | 0.71 |
| 3D print shell | 1 | 1.44 |
Disclaimer/Publisher’s Note: The statements, opinions and data contained in all publications are solely those of the individual author(s) and contributor(s) and not of MDPI and/or the editor(s). MDPI and/or the editor(s) disclaim responsibility for any injury to people or property resulting from any ideas, methods, instructions or products referred to in the content. |
© 2023 by the authors. Licensee MDPI, Basel, Switzerland. This article is an open access article distributed under the terms and conditions of the Creative Commons Attribution (CC BY) license (https://creativecommons.org/licenses/by/4.0/).
Share and Cite
Wang, S.; Xuan, W.; Chen, D.; Gu, Y.; Liu, F.; Chen, J.; Xia, S.; Dong, S.; Luo, J. Machine Learning Assisted Wearable Wireless Device for Sleep Apnea Syndrome Diagnosis. Biosensors 2023, 13, 483. https://doi.org/10.3390/bios13040483
Wang S, Xuan W, Chen D, Gu Y, Liu F, Chen J, Xia S, Dong S, Luo J. Machine Learning Assisted Wearable Wireless Device for Sleep Apnea Syndrome Diagnosis. Biosensors. 2023; 13(4):483. https://doi.org/10.3390/bios13040483
Chicago/Turabian StyleWang, Shaokui, Weipeng Xuan, Ding Chen, Yexin Gu, Fuhai Liu, Jinkai Chen, Shudong Xia, Shurong Dong, and Jikui Luo. 2023. "Machine Learning Assisted Wearable Wireless Device for Sleep Apnea Syndrome Diagnosis" Biosensors 13, no. 4: 483. https://doi.org/10.3390/bios13040483
APA StyleWang, S., Xuan, W., Chen, D., Gu, Y., Liu, F., Chen, J., Xia, S., Dong, S., & Luo, J. (2023). Machine Learning Assisted Wearable Wireless Device for Sleep Apnea Syndrome Diagnosis. Biosensors, 13(4), 483. https://doi.org/10.3390/bios13040483

