Experimental Study on Low-Cycle Fatigue Characteristics of Marine Structural Steel
Abstract
1. Introduction
2. Experimental Investigation of Mechanical Properties of Marine Structural Steel
2.1. Test Specimen
2.2. Test Loading
2.3. Test Result
3. The Low-Cycle Fatigue Crack Propagation Experiment
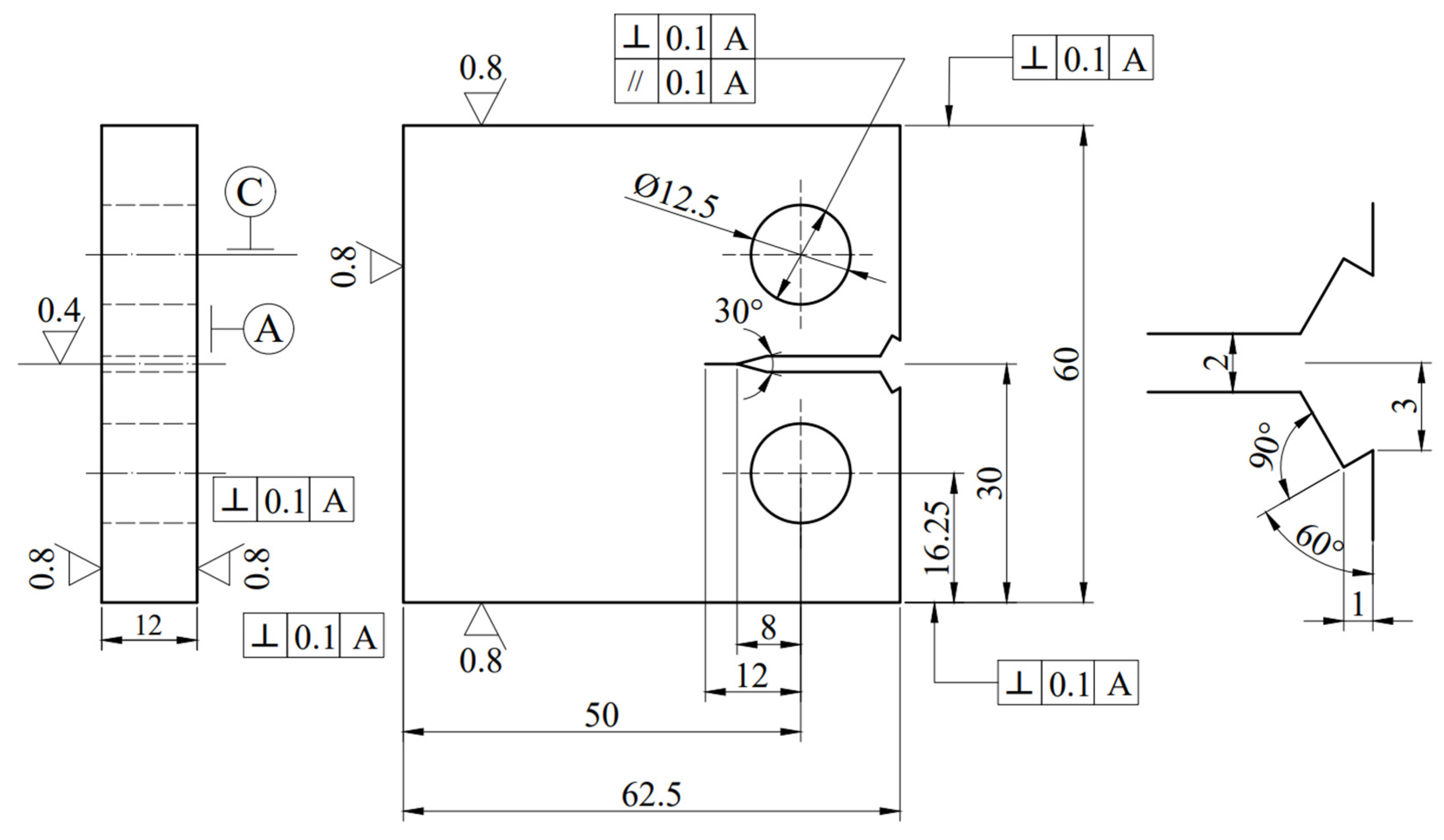
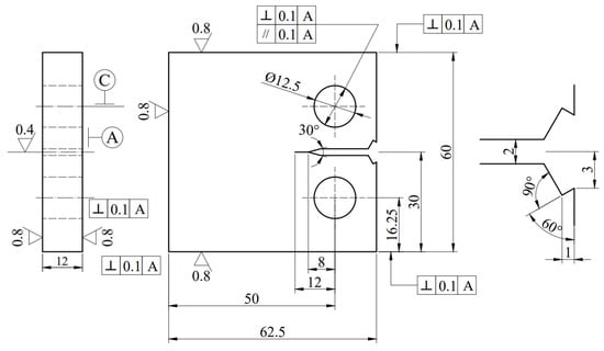
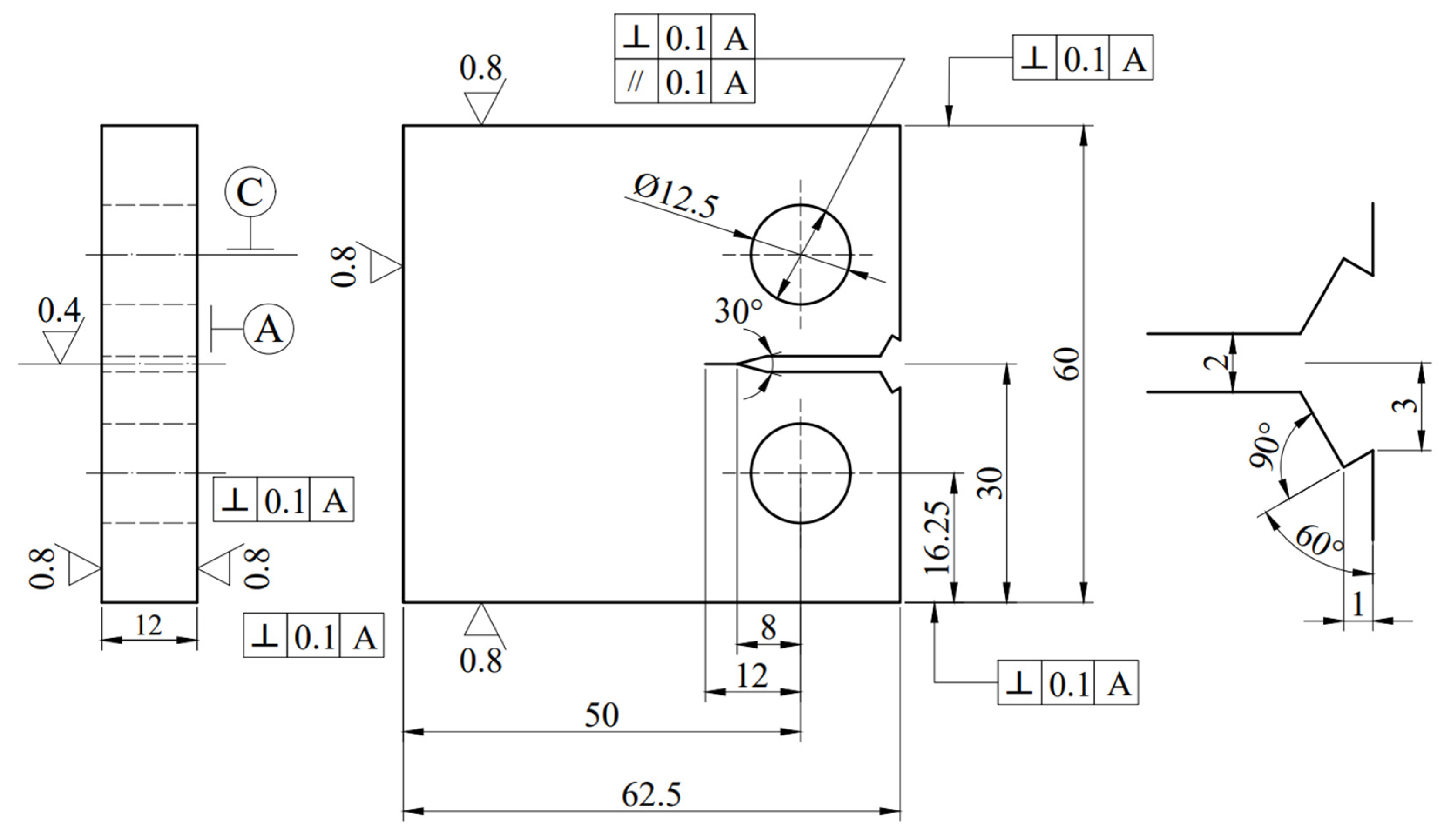
3.1. Test Specimen
3.2. Test Loading
3.3. Experimental Observation
3.4. Experimental Result
4. Low-Cycle Fatigue Crack Propagation Model Based on CTOD
4.1. Measurement Results of CTOD
4.2. Crack Growth Rate
4.3. Discussion of the Results
5. Conclusions
- (1)
- Under the designed loading conditions in the experiments, the crack length and the plastic zone size at the crack tip are of the same order of magnitude, indicating that the crack tip is in a state of large-scale yielding. In this state, the crack propagation behavior is primarily controlled by plastic deformation.
- (2)
- With an increase in the number of loading cycles, there is a noticeable accumulation of plastic deformation at the crack tip. This phenomenon influences both the fatigue crack propagation and CTOD to a certain extent. This experimental observation confirms the necessity of considering the accumulative plasticity effect in the study of low-cycle fatigue crack propagation behavior.
- (3)
- Under a constant load ratio, an increase in the maximum load results in a corresponding increase in the crack growth length and CTOD for the same number of cycles. When the maximum load is kept constant, an increase in the load ratio leads to a decrease in the fatigue crack growth length for the same number of cycles. This indicates that the magnitude of the applied load range determines CTOD, thereby influencing the crack propagation rate.
- (4)
- On a log-log scale, there is a positive correlation between the range of CTOD and the crack propagation rate. A crack propagation rate model for marine structural steel was developed based on this relationship. Furthermore, the comparison of the model predictions with experimental results under different conditions indicates that the model accurately describes the crack propagation behavior under low-cycle fatigue cyclic loading.
Author Contributions
Funding
Institutional Review Board Statement
Informed Consent Statement
Data Availability Statement
Conflicts of Interest
References
- Sumi, Y. Structural safety of ships developed by lessons learned from the 100-year history of break-in-two accidents. Mar. Struct. 2019, 64, 481–491. [Google Scholar] [CrossRef]
- Dover, W.D. Fatigue crack growth under COD cycling. Eng. Fract. Mech. 1973, 5, 11–21. [Google Scholar] [CrossRef]
- Huang, Z. A new insight of ship’s longitudinal strength criterion. China Shipbuild. 1996, 3, 87–98. [Google Scholar]
- Dong, Q.; Yang, P.; Deng, J.; Wang, D. Research on low-cycle-fatigue crack propagation life for ship plate based on accumulative plastic damage. J. Ship Mech. 2015, 19, 690–699. [Google Scholar]
- Paris, P.C.; Erdogan, F.A. Critical analysis of crack growth propagation laws. J. Basic Eng. 1963, 85, 528–534. [Google Scholar] [CrossRef]
- Elbert, W. Fatigue crack closure under cyclic tension. Eng. Fract. Mech. 1970, 2, 37–45. [Google Scholar]
- Dowling, N.E. Fatigue crack growth during gross plasticity and the J-integral. ASTM STP 1976, 590, 80–103. [Google Scholar]
- Liang, Y.; Yang, P.; Yu, Z. Experimental study on low-cycle fatigue crack propagation of cracked plate and stiffened plate based on AH36 steel. Ship Ocean. Eng. 2018, 5, 15–18. [Google Scholar]
- Zhang, Y. Study on Low Cycle Fatigue Crack Propagation of TP347H; Dalian University of Technology: Dalian, China, 2021. [Google Scholar]
- Deng, J.; Tu, W.; Dong, Q.; Dong, D.; Qiu, S. Experimental study on biaxial proportional low-cycle fatigue crack propagation of hull inclined-crack plate based on CTOD. J. Mech. Mater. Struct. 2022, 17, 207–228. [Google Scholar] [CrossRef]
- Shi, K.; Cai, L.; Bao, C.; Wu, S.; Chen, L. Structural fatigue crack growth on a representative volume element under cyclic strain behavior. Int. J. Fatigue 2015, 74, 1–6. [Google Scholar] [CrossRef]
- Chen, L.; Cai, L.X.; Yao, D. A new method to predict fatigue crack growth rate of materials based on average cyclic plasticity strain damage accumulation. Chin. J. Aeronaut. 2013, 26, 130–135. [Google Scholar] [CrossRef]
- Shi, K.; Cai, L.; Qi, S.; Bao, C. A prediction model for fatigue crack growth using effective cyclic plastic zone and low cycle fatigue properties. Eng. Fract. Mech. 2016, 158, 209–219. [Google Scholar] [CrossRef]
- Chen, J.; Huang, Y.; Dong, L.; Li, Y. A study on evaluation method of crack tip reverse plastic zone size for the center cracked steel plate model under tension-compression cyclic loading. Eng. Fract. Mech. 2015, 133, 138–151. [Google Scholar] [CrossRef]
- Gómez Gonzales, G.L.; Ortiz González, J.A.; Antunes, F.V.; Neto, D.M.; Díaz, F.A. Experimental determination of the reversed plastic zone size around fatigue crack using digital image correlation. Theor. Appl. Fract. Mech. 2023, 125, 103901. [Google Scholar] [CrossRef]
- Ding, G.; Anette, M.; Michael, H. Numerical evaluation of fatigue crack growth in polymers based on plastically dissipated energy. Int. J. Fatigue 2017, 94, 89–96. [Google Scholar] [CrossRef]
- Smith, K. Application of the dissipated energy criterion to predict fatigue crack growth of Type 304 stainless steel following a tensile overload. Eng. Fract. Mech. 2011, 78, 3183–3195. [Google Scholar] [CrossRef]
- Wang, J.; Jiang, W.; Wang, Q. Experimental and numerical evaluation of fatigue crack growth rate based on critical plastically dissipated energy. Int. J. Fatigue 2019, 118, 87–97. [Google Scholar] [CrossRef]
- He, W.; Wang, C.; Deng, J.; Xie, D.; Zhang, Z. Effect of single tensile overload on fatigue crack growth behavior based on plastically dissipated energy and critical distance theory. Eng. Fract. Mech. 2020, 223, 106744. [Google Scholar] [CrossRef]
- Zhu, D.; Zhang, W.; Ding, Z.; Kim, J. Investigation of crack propagation driving force based on crystal plasticity and cyclic J-integral. Eng. Fract. Mech. 2023, 289, 109362. [Google Scholar] [CrossRef]
- Zhu, X. Effects of large plastic deformation and residual stress on the path independence of J-integral for cracks in ductile materials. Eng. Fract. Mech. 2023, 277, 108945. [Google Scholar] [CrossRef]
- Goutianos, S.; Bent, F. The application of J integral to measure cohesive laws under large-scale yielding. Eng. Fract. Mech. 2016, 155, 145–165. [Google Scholar] [CrossRef]
- Majidi, H.; Torabi, A.; Golmakani, M. J-integral expression for mixed mode I/II ductile failure prediction of U-notched Al 6061-T6 plates under large-scale yielding regime. Eng. Fract. Mech. 2018, 195, 253–266. [Google Scholar] [CrossRef]
- Wells, A.A. Application of fracture mechanics at the beyond general yielding. Br. Weld. J. 1963, 10, 563–570. [Google Scholar]
- Dugdale, D.S. Yielding of steel sheets containing slits. J. Mech. Phys. Solids 1960, 8, 100–108. [Google Scholar] [CrossRef]
- Diego, F.B.; Rodolfo, F.S.; Claudio, R. J–CTOD relations in clamped SE(T) fracture specimens including 3-D stationary and growth analysis. Eng. Fract. Mech. 2015, 147, 331–354. [Google Scholar]
- Duan, C.; Zhang, S. Further investigation of J-CTOD relationship for clamped SET specimens based on finite element analyses—Part I: Homogeneous materials. Theor. Appl. Fract. Mech. 2022, 121, 103523. [Google Scholar] [CrossRef]
- Shikalgar, T.D.; Dutta, B.K.; Chattopadhyay, J. New J-CTOD empirical correlations for p-SPT specimens. Eng. Fract. Mech. 2021, 254, 107934. [Google Scholar] [CrossRef]
- Chen, J.; Jiang, L.; Huang, Y. A quantitative study on the influence of compressive stress on crack-tip opening displacement. Ocean. Eng. 2017, 143, 140–148. [Google Scholar] [CrossRef]
- Werner, K. The fatigue crack growth rate and crack opening displacement in 18G2A-steel under tension. Int. J. Fatigue 2012, 39, 25–31. [Google Scholar] [CrossRef]
- GB/T 228.1-2021; Metallic Materials-Tensile Tasting-Part 1: Method of Test at Room Temperature. State Administration for Market Regulation of the People’s Republic of China; Standardization Administration of China: Beijing, China, 2021.
- GB/T 15248-2008; The Test Method for Axial Loading Constant-Amplitude Low-Cycle Fatigue of Metallic Materials. The State Administration of Quality Supervision, Inspection and Quarantine of the People’s Republic of China; Standardization Administration of China: Beijing, China, 2008.
- Yu, Z.; Yang, P.; Dong, Q.; Li, Y.; Yao, G. Experimental study on low cycle fatigue crack propagation of CT specimen under constant amplitude and overload. J. Wuhan Univ. Technol. (Transp. Sci. Eng.) 2017, 3, 488–492. [Google Scholar]
- GB/T 21143-2014; Metallic Materials—Unified Method of Test for Determination of Quasistatic Fracture Toughness. State Administration for Market Regulation of the People’s Republic of China; Standardization Administration of China: Beijing, China, 2014.
- GB/T 6398-2017; Standard Test Method for Fatigue Crack Growth Rates of Metallic Materials. State Administration for Market Regulation of the People’s Republic of China; Standardization Administration of China: Beijing, China, 2017.
- Chen, C. Commonly used stress intensity factor for fracture toughness specimens. Phys. Chem. Insp. Newsl. (Phys. Vol.) 1975, 3, 19–27. [Google Scholar]













| Element | C | Si | Mn | P | S | Ni | Cr | Mo | V |
|---|---|---|---|---|---|---|---|---|---|
| Proportion | 0.06 | 0.27 | 0.45 | 0.01 | 0.01 | 2.80 | 1.05 | 0.23 | 0.07 |
| Mechanical Parameters | Elastic Modulus, | Poisson’s Ratio, n | Cyclic Yield Stress, | Cyclic Hardening Coefficient, | Cyclic Hardening Exponent, |
|---|---|---|---|---|---|
| Value | 219 | 0.35 | 635 | 2498 | 0.236 |
| Specimen Number | Load Ratio R | Crack-Tip Plastic Zone Ratio/% | Strain /10−3 | ||
|---|---|---|---|---|---|
| CT01 | 40.0 | 18.0 | 0.1 | 15.01 | 1.99 |
| CT02 | 42.0 | 18.9 | 0.1 | 16.55 | 3.29 |
| CT03 | 44.0 | 19.8 | 0.1 | 18.17 | 4.68 |
| CT04 | 42.0 | 16.8 | 0.2 | 16.24 | 7.55 |
| CT05 | 42.0 | 14.7 | 0.3 | 15.93 | 8.82 |
| 4.13 | 1.28 | 3.23 | 4.36 | 1.44 | 3.02 | 4.05 | 1.44 | 2.81 |
| 4.50 | 1.33 | 3.39 | 4.53 | 1.47 | 3.09 | 4.92 | 1.57 | 3.13 |
| 4.85 | 1.38 | 3.53 | 4.71 | 1.50 | 3.15 | 5.49 | 1.66 | 3.30 |
| 5.31 | 1.44 | 3.68 | 4.89 | 1.52 | 3.21 | 5.77 | 1.71 | 3.37 |
| 5.76 | 1.51 | 3.82 | 5.11 | 1.56 | 3.28 | 6.38 | 1.82 | 3.50 |
| 6.05 | 1.56 | 3.89 | 5.35 | 1.60 | 3.35 | 6.62 | 1.87 | 3.54 |
| 6.27 | 1.59 | 3.94 | 5.79 | 1.67 | 3.47 | 7.24 | 2.00 | 3.63 |
| 6.98 | 1.71 | 4.07 | 6.32 | 1.76 | 3.58 | 7.67 | 2.09 | 3.67 |
| 7.34 | 1.78 | 4.12 | 6.88 | 1.87 | 3.68 | 8.18 | 2.21 | 3.71 |
| 7.86 | 1.88 | 4.18 | 7.22 | 1.94 | 3.72 | 8.61 | 2.31 | 3.72 |
| 8.25 | 1.96 | 4.20 | 7.82 | 2.07 | 3.78 | 9.52 | 2.56 | 3.72 |
| 9.32 | 2.21 | 4.22 | 9.02 | 2.36 | 3.83 | 10.39 | 2.82 | 3.68 |
| 10.93 | 2.65 | 4.12 | 10.97 | 2.93 | 3.74 | 11.52 | 3.22 | 3.58 |
| 12.66 | 3.25 | 3.89 | 12.73 | 3.62 | 3.52 | 12.80 | 3.75 | 3.42 |
| 4.36 | 1.44 | 3.02 | 4.26 | 1.40 | 3.04 | 4.06 | 1.35 | 3.01 |
| 4.53 | 1.47 | 3.09 | 4.60 | 1.45 | 3.17 | 4.86 | 1.46 | 3.32 |
| 4.71 | 1.50 | 3.15 | 4.86 | 1.49 | 3.26 | 5.15 | 1.50 | 3.42 |
| 4.89 | 1.52 | 3.21 | 5.15 | 1.53 | 3.36 | 5.80 | 1.61 | 3.61 |
| 5.11 | 1.56 | 3.28 | 5.75 | 1.63 | 3.53 | 6.83 | 1.79 | 3.81 |
| 5.35 | 1.60 | 3.35 | 6.75 | 1.81 | 3.73 | 7.03 | 1.83 | 3.84 |
| 5.79 | 1.67 | 3.47 | 7.11 | 1.88 | 3.78 | 7.55 | 1.93 | 3.91 |
| 6.32 | 1.76 | 3.58 | 7.47 | 1.95 | 3.83 | 8.16 | 2.06 | 3.95 |
| 6.88 | 1.87 | 3.68 | 7.92 | 2.05 | 3.87 | 8.66 | 2.18 | 3.97 |
| 7.22 | 1.94 | 3.72 | 8.33 | 2.14 | 3.89 | 9.05 | 2.27 | 3.98 |
| 7.82 | 2.07 | 3.78 | 9.44 | 2.42 | 3.90 | 9.88 | 2.50 | 3.96 |
| 9.02 | 2.36 | 3.83 | 10.26 | 2.65 | 3.87 | 10.72 | 2.74 | 3.91 |
| 10.97 | 2.93 | 3.74 | 11.15 | 2.94 | 3.79 | 11.85 | 3.13 | 3.78 |
| 12.73 | 3.62 | 3.52 | 12.47 | 3.44 | 3.63 | 12.72 | 3.48 | 3.66 |
Disclaimer/Publisher’s Note: The statements, opinions and data contained in all publications are solely those of the individual author(s) and contributor(s) and not of MDPI and/or the editor(s). MDPI and/or the editor(s) disclaim responsibility for any injury to people or property resulting from any ideas, methods, instructions or products referred to in the content. |
© 2024 by the authors. Licensee MDPI, Basel, Switzerland. This article is an open access article distributed under the terms and conditions of the Creative Commons Attribution (CC BY) license (https://creativecommons.org/licenses/by/4.0/).
Share and Cite
Qin, D.; Xiayang, L.; Geng, X. Experimental Study on Low-Cycle Fatigue Characteristics of Marine Structural Steel. J. Mar. Sci. Eng. 2024, 12, 651. https://doi.org/10.3390/jmse12040651
Qin D, Xiayang L, Geng X. Experimental Study on Low-Cycle Fatigue Characteristics of Marine Structural Steel. Journal of Marine Science and Engineering. 2024; 12(4):651. https://doi.org/10.3390/jmse12040651
Chicago/Turabian StyleQin, Dong, Lu Xiayang, and Xu Geng. 2024. "Experimental Study on Low-Cycle Fatigue Characteristics of Marine Structural Steel" Journal of Marine Science and Engineering 12, no. 4: 651. https://doi.org/10.3390/jmse12040651
APA StyleQin, D., Xiayang, L., & Geng, X. (2024). Experimental Study on Low-Cycle Fatigue Characteristics of Marine Structural Steel. Journal of Marine Science and Engineering, 12(4), 651. https://doi.org/10.3390/jmse12040651
