Next Article in Journal
Thermo-Mechanical Coupling Analysis of the Sealing Structure Stress of LNG Cryogenic Hose Fittings
Previous Article in Journal
Circulation and Stratification Changes in a Hypersaline Estuary Due to Mean Sea Level Rise
 
 
Font Type:
Arial Georgia Verdana
Font Size:
Aa Aa Aa
Line Spacing:
Column Width:
Background:
Article

The Initiation Characteristics of Corrosion Fatigue Crack in 18Ni (250) Steel

School of Mechanical Engineering, Jiangsu University of Science and Technology, Zhenjiang 212003, China
*
Author to whom correspondence should be addressed.
J. Mar. Sci. Eng. 2024, 12(4), 580; https://doi.org/10.3390/jmse12040580
Submission received: 6 March 2024 / Revised: 28 March 2024 / Accepted: 28 March 2024 / Published: 29 March 2024

Abstract

Maraging steel is the material of deep sea pressure equipment. The characteristics of corrosion fatigue crack initiation in 18Ni (250) were investigated by performing a tensile fatigue test under different loading conditions. The mechanism of corrosion fatigue crack initiation was analyzed considering the influence of welding. The results showed that the crack initiation life decreases with increasing load and increases with the stress ratio. In a corrosive seawater environment, crack initiation is affected by both mechanical damage and electrochemical corrosion. The proportion of the crack initiation life of the total sample life is approximately 71.45–99.55%, where the larger this proportion is, the smaller the fatigue zone is. Crack initiation and microcrack propagation in maraging steel correspond to the microfracture mechanism of dimple fractures. The microfracture mechanism is strongly affected by the presence of a weld but weakly affected by the weld position. The results of this study provide a theoretical basis for predicting the corrosion fatigue life of deep-sea submersible pressure hulls.

1. Introduction

The ocean accounts for approximately 70% of the Earth’s surface, and the seabed contains a large quantity of mineral resources. In recent years, the exploration and development of deep-sea and ultradeep-sea resources have constituted the main direction of national resource development. A deep-sea submersible is an important tool in exploration and scientific research on deep-sea resources; thus, the development of deep-sea submersibles is an important goal in scientific and technological innovation in the marine field. The pressure hull is a key component of a deep-sea submersible. The pressure hulls of most deep-sea submersibles are made of titanium alloys. When the working depth reaches 10,000 m, the thickness of the pressure hull made of titanium alloy is relatively large, and the overall weight is heavier. The deep-sea pressure shell made of high-strength maraging steel is 1 times stronger than titanium alloy, and the thickness of the shell is only 45% of titanium alloy [1,2]. During the service of deep-sea submersible, when the pressure hull cracks, it is easy to cause stress concentration, which leads to rapid damage of the pressure hull. Although the entire pressure hull is subjected to the external pressure of seawater, it is still subjected to large local tensile stresses at some weld joints, such as the toe of the manhole weld. Cracks can easily be initiated and expand at these joints, eventually resulting in hull failure. The cost of deep-sea submersible is expensive, and the damage of pressure hull will not only cause great economic losses but also damage the marine environment. Compared with titanium alloys, maraging steel has high strength and good processing performance but poor corrosion resistance [3]. In the deep-sea environment, maraging steel is more likely to crack than undergo pure fatigue; thus, it is important to study the corrosion fatigue characteristics of maraging steel.
In recent years, experts and scholars at home and abroad have conducted a series of studies on the corrosion fatigue characteristics of different materials. Liang et al. [4] found that in an acidic environment, cyclic stress played a major role in the generation of corrosion fatigue cracks in 30CrNi2MoV steel, and hydrochloric acid corrosion solution played an auxiliary role. Wang et al. [5] found that with the increase in loading load, the crack initiation time of 316L and 308L stainless steel was significantly shortened. Wang et al. [6] reported that the fatigue life of X65 steel was considerably lower in seawater than in air. Zhang et al. [7] found that the cutting residual stress promoted the initiation of corrosion fatigue cracks of 316 stainless steel in a high-temperature and high-pressure water environment. Cai et al. [8] found that Cl   enrichment and local stress concentration lead to corrosion fatigue crack initiation of the Q690qE high-strength bridge steel. Hu et al. [9] found that the crack growth rate of 17-4PH steel in a corrosive environment is 6.39 times that of air. Zhao et al. [10] found that corrosion fatigue crack initiation of E690 steel in simulated seawater is affected by the peak stress level. Schwarzenbock et al. [11] proposed the crack initiation mechanism of AA7085 dominated by hydrogen evolution in wet and dry air at 70 °C. The welding sample has higher stress corrosion sensitivity, the stress near the weld is more concentrated, and the welding-heat-affected zone promotes the corrosion fatigue crack initiation, which is more prone to cracking [12,13,14]. Zhu et al. [15] studied the fatigue crack life rule of maraging steel. Li et al. [16] performed a three-point bending test on maraging steel and analyzed the mechanism for corrosion-fatigue crack propagation. Corrosion fatigue cracks can be divided into slow crack initiation and fast crack propagation. The critical size of crack initiation is about 0.5 mm, and the crack initiation time can generally account for about 90% in the total service life of the material failure [17]. Some achievements have been made in the study of the characteristics of corrosion-fatigue cracks. However, these characteristics vary across materials. Few studies have been performed on the corrosion fatigue crack initiation in maraging steel, and no studies have been performed on how welds affect crack initiation in this material.
Therefore, the study on the corrosion fatigue crack initiation characteristics of maraging steel can fill the deficiency of the study on the crack initiation characteristics of this material and provide theoretical support for the material selection of the pressure hull of deep-sea submersible. In this paper, the fatigue crack initiation characteristics of maraging steel 18Ni250 under the corrosion fatigue environment of air and seawater were studied. By comparing the corrosion fatigue crack initiation life after loading, the effects of loading peak value, stress ratio, corrosion environment, and welding seam on corrosion fatigue characteristics were studied, which provided a reference for the structural design of the pressure hull of deep-sea submersible. The mechanism of corrosion fatigue crack initiation of maraging steel 18Ni250 in a marine environment is studied through fracture morphology analysis and quantitative analysis of fracture elements, which is helpful to the corrosion resistance design of the pressure hull of deep-sea submersible, thereby increasing the fatigue life of the pressure hull of deep-sea submersible, reducing the service risk of deep-sea submersible, and reducing the cost of deep-sea exploration and development.

2. Experimental Details

2.1. Tensile Test

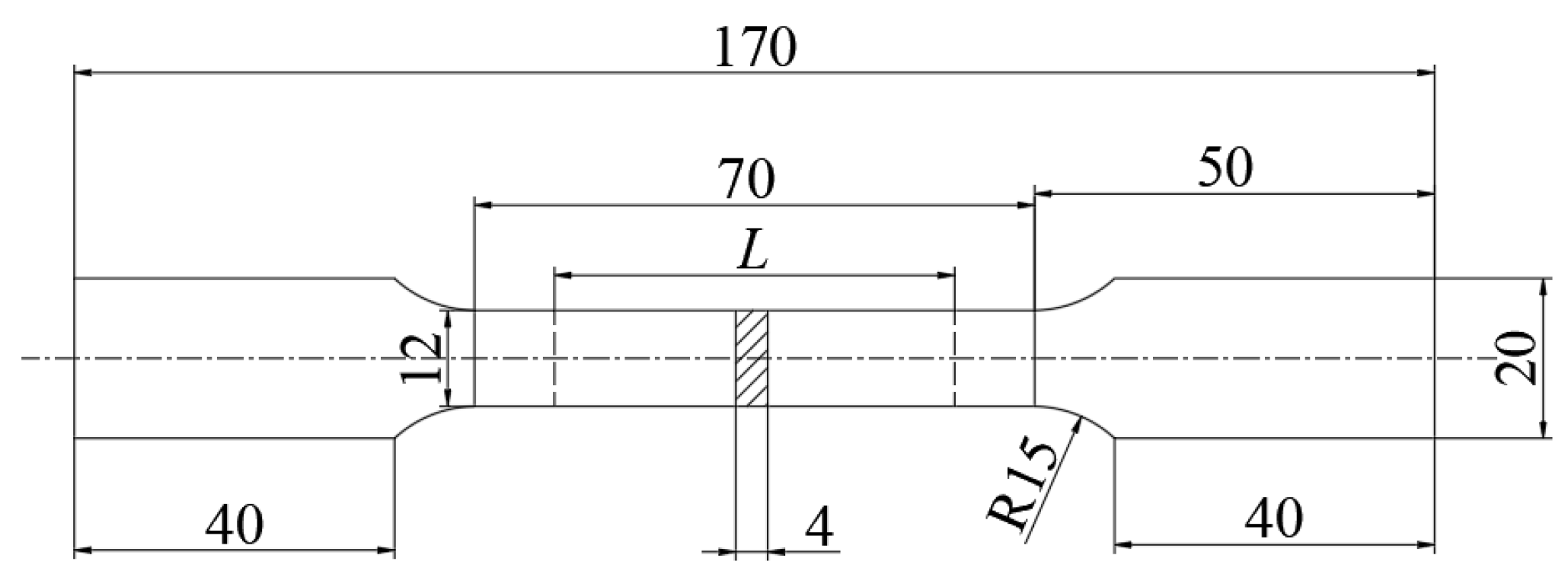
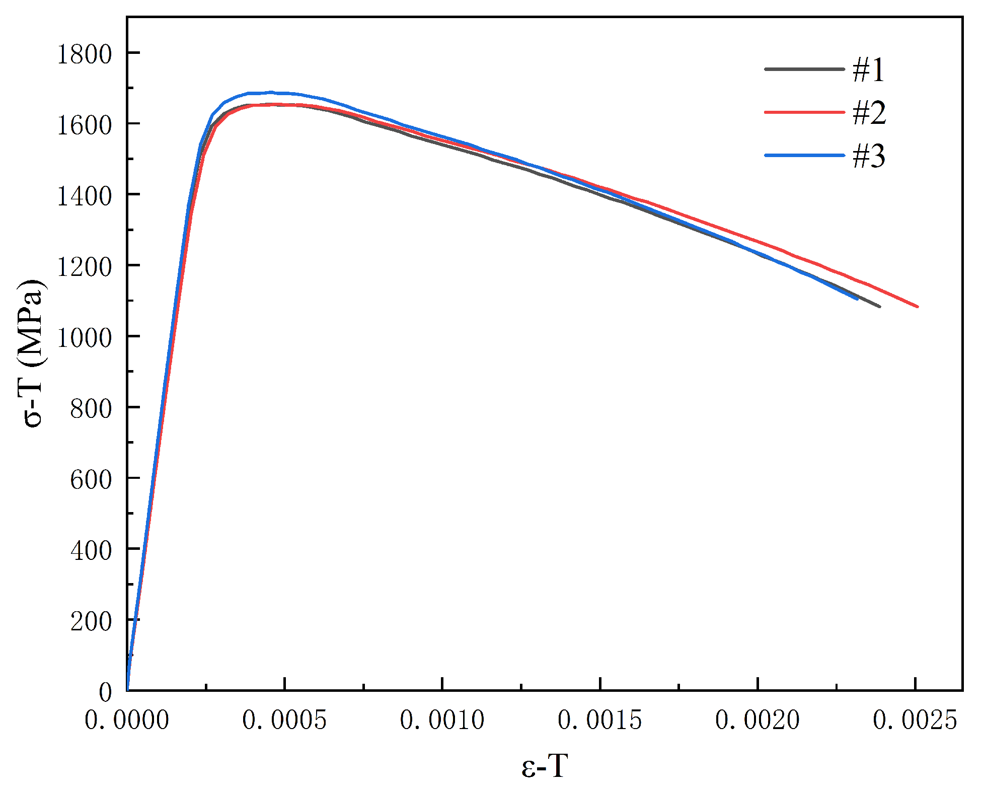
Table 1 shows the chemical composition of the 18Ni (250) maraging steel tested in this study. The sample size is shown in Figure 1, where L is the standard distance of the sample. In this test, L = 50 mm is taken. The sample was processed by wire cutting, and then the working section of the sample was polished to Ra = 0.2 using SiC sandpaper. To determine the mechanical properties of 18Ni (250), tensile tests were carried out at room temperature according to the national standard [18]. The yield strength σ y , Young’s modulus E, Poisson’s ratio υ , elongation A and section shrinkage Z of the sample were measured in the test. The entire test was conducted on an MZ-50001D1 computer-controlled universal material test machine (Shenzhen Wan test equipment Co., Ltd., Shenzhen, China). To make the experimental results universal, the test was carried out three times on sections of three samples with dimensions of 12 mm × 3.97 mm, 12 mm × 3.96 mm, and 12 mm × 3.97 mm. The three samples selected were numbered #1, #2, and #3. Table 2 shows the test measurements, and Figure 2 shows the measured stress–strain curve.

2.2. Sample Design for the Corrosion Fatigue Test

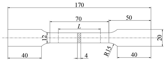
The sample used in the constant-amplitude fatigue test was designed according to the national standard [19]. The dimensions of the designed sample are shown in Figure 3a,b. Four types of samples were used, with dimensions of 190 mm × 40 mm × 4 mm. The sample was processed by wire cutting, and then the working section of the sample was polished to Ra = 0.2 using SiC sandpaper. The welding joint adopts non-bevelled double-sided automatic butt welding and adopts ER410NiMo wire as filling material without post-welding heat treatment.

2.3. Design of the Loading Scheme Used in the Corrosion Fatigue Test

The loading stress ratio R, loading frequency f, maximum load F, and corrosion fatigue environment e all affect the stress sensitivity to corrosion fatigue of metallic materials. The position and residual stress of the weld are also considered as influence factors in this study. Ni et al. [20] reported that the loading frequency f has little influence on the fatigue-crack initiation life at frequencies below 100 Hz. Therefore, only four factors (the loading stress ratio R, corrosion fatigue environment e, weld position, and maximum load F) were considered as influence factors of loading. Among these factors, the maximum load F was considered as the independent variable, and the other three variables were considered as fixed parameters. The design scheme for the corrosion fatigue test is shown in Table 3.
As shown in Table 3, the air in the environmental factors indicates that the sample is loaded in an air environment, and the seawater means that the sample is soaked in seawater for loading. The weld position, as shown in Figure 3, indicates that there is no welding joint, and 1/2, 1/3 and 1/4 refer to the position of the sample weld in the working section. Groups A, B, C, and D were used to investigate the effects of environmental factors on corrosion fatigue. Groups C, D, E, and F were used to investigate the effects of the weld position on corrosion fatigue. Groups D, G, and H were used to investigate the influence of stress factors on corrosion fatigue. The influence of the maximum load F on corrosion fatigue was studied by changing F in each group. Two samples were made under the same conditions and labeled #1 and #2.

2.4. Corrosion Fatigue Test Process

Figure 4 shows the equipment used in the corrosion fatigue test. The tensile fatigue tests were carried out by WANCE high- and low-temperature–corrosion environment coupling mechanical testing machine HDT105A (Shenzhen Wan test equipment Co., Ltd., Shenzhen, China). A seawater circulation corrosion environment was created using natural seawater with a PH of 8.4, which met the requirements for simulated marine environments. Data were collected during the fatigue crack test using a three-dimensional full-field strain measurement and analysis system (XTDIC) produced by the XTOP Company (Shenzhen, China). The camera in the device had a pixel size of 3.45 μ m and a frame rate of 70 fps and was used to observe and capture the crack initiation process in the sample. First, according to the standard [21]. a constant-amplitude sine wave was selected as the load control for the fatigue test. Second, considering the duration of the test and the actual working conditions, the loading frequency was set at 5 Hz. The maximum load in the test was set to a certain proportion of the maximum theoretical load. If a crack was not initiated after 1 million sample cycles, loading was terminated. Finally, the loading coefficient was adjusted according to the measured results to determine the fatigue life under different stress levels.

2.5. Observation of the Fracture Morphology of Samples Subjected to the Corrosion Fatigue Test

After a sample was stretched and broken, the sample fracture was cleaned with alcohol, rinsed with deionized water, cleaned using an ultrasonic cleaning machine, wiped with an alcohol-soaked cotton ball, and dried in cold air. At the end of the corrosion fatigue loading experiment, a sample was taken from each group, and the fracture morphology was observed. A wire cutter was used to cut parallel segments of the fractured sample, and the cutting surface was polished smooth by sandpaper. Then, field emission scanning electron microscopy (SEM) was used to observe and characterize the micromorphology of the sample fracture to quantitatively analyze the surface elements. In this study, a ZEISS Merlin Compact (SEM) was used to observe and characterize the sample fracture, and a fracture element quantitative analysis (EDS) was carried out. The microscope has high accuracy, a resolution of up to 0.8 nm, a magnification of up to 2 million times, can be rapidly adjusted between high and low magnifications, and can be configured with an energy spectrometer and an electron backscatter diffractometer. One fracture was cut from each group of samples and characterized using SEM.

3. Corrosion Fatigue Test Results and Analysis

3.1. Influence Factors for Corrosion Fatigue Crack Initiation in 18Ni (250)

Corrosion fatigue tests were performed to determine the characteristics of corrosion fatigue in 18Ni (250) maraging steel. The tests were performed in a WANCE high- and low-temperature corrosion environment using a HDT105A mechanical testing machine. Loading was automatically terminated after the sample was fractured. The fracture life N and loading termination time t of the sample with corrosion fatigue was recorded on the display screen of the control platform of the mechanical testing machine. The XTDIC was equipped with a high-speed camera. The camera captured the process of crack initiation, crack expansion, and the fracture of the sample during loading and the time at which these phenomena occurred. After the sample fractured, the collected data were analyzed to determine the crack initiation time t 1 , which was substituted into Formula (1) to calculate the crack initiation life N f .
N f = N f × ( t t 1 ) ,
Table 4 shows the crack initiation life of 18Ni (250) under different loading conditions. For a DIC acquisition interval Δt = 5 s and a loading frequency f = 5 Hz, the error in the initiation life was less than 50 cycles.
Annotation: N f # 1 is the crack initiation life of sample #1, N f # 2 is the crack initiation life of sample #2, and N f a v e r is the average life of this group of samples.
Table 4 shows that with increasing maximum load, the cycle period of crack initiation in the sample gradually decreases. The crack initiation life of the samples in Groups A and B is lower than 10   4 for F = 30,000 N. On the basis of this value, the fatigue under this load was considered low-cycle fatigue, which is also known as strain fatigue, showing that the strain should be used as the control variable instead of the stress. Therefore, F = 30,000 N was not used in subsequent tests on groups of samples.
Figure 5 shows the crack initiation life of the 18Ni (250) sample in corrosive seawater and air environments under the same loading conditions. The crack initiation life of the 18Ni (250) sample is shorter in the corrosive seawater environment than in the air environment. The difference between the corrosion fatigue crack initiation lives of Samples A and C is 16.0% at 25,000 N and 29.7% at 10,000 N. This result indicates that as the maximum load decreases, the loading time increases, the effect of seawater corrosion gradually increases, and the difference between the corrosion fatigue crack initiation lives of the samples becomes increasingly larger.
Figure 6 shows the effect of the weld positions on the crack initiation life. The crack initiation lives of the samples in Group C differ considerably from those of the other three groups; There are only small differences among the crack initiation lives of the samples in Groups D, E, and F. For example, the difference between the crack initiation lives of samples from Groups C and D is 21.5% at 25,000 N but only 1.6% between the crack initiation lives of samples from Groups D and F at 25,000 N. These welded samples have different crack initiation lives, but the fracture location is not located at the welding joint in these samples. Therefore, the following conclusions can be drawn. First, under the same welding conditions, different weld positions lead to different stress distributions in the samples, resulting in different corrosion fatigue crack initiation lives of the samples, but the effect is relatively small. Second, considering the corrosion fatigue crack initiation lives of the samples with and without the welding joint shows that a welding joint strongly influences the corrosion fatigue life of a sample. Third, all the welded samples are not fractured at the weld position but near the weld position, possibly because of the effect of high-temperature heat sources during fusion welding. The structure and properties of the heat-affected areas close to both sides of the welding joint are changed, which leads to a decrease in the corrosion fatigue crack initiation life of the whole sample.
Figure 7 shows the corrosion fatigue crack initiation life and corresponding fracture morphology of a sample in the corrosive seawater environment under a maximum load F = 20,000 N and stress ratios R of 0.1, 0.2, and 0.3. The red area in the figure is the small crystal particles on the microscopic morphology. The stress ratio R strongly affects the crack initiation life of the sample during constant amplitude fatigue cyclic loading. The crack initiation life increases considerably with R. The microscopic particles on the specimen surface increased significantly with the gradual increase in R, indicating that the role of corrosion gradually increased. The crack initiation life determined at a stress ratio of 0.3 is 5.8 times that determined at a stress ratio of 0.1. This result is obtained because the minimum stress σ m i n increases and the stress amplitude σ a decreases when the stress ratio R is increased under a constant maximum load F. The Goodman formula is given below.
σ a / σ N + σ m / σ u = 1 ,
This formula is simplified to
σ N = σ a / ( 1 σ m / σ u ) = ( σ u σ a ) / ( σ u σ m a x + σ a ) ,
where σ m is the average stress, σ N is the fatigue strength, and σ u is the ultimate strength. The maximum stress σ m a x is constant, and the ultimate strength σ u is constant and higher than σ m a x ; thus, the fatigue strength σ N ( R = 1 ) decreases with decreasing σ a , and the crack initiation life σ f gradually increases with decreasing fatigue strength σ N ( R = 1 ) .

3.2. Analysis of the Ratio between the Corrosion-Fatigue Crack Initiation Life and the Sample Fracture Life

In damage mechanics, cracks above the millimetre-scale are defined as macroscopic cracks and usually develop by the expansion and aggregation of pores, cracks, and other defects in microcells. The evolution of damage is reflected by the crack initiation life. The initiation life ratio P l is calculated by dividing the crack initiation life N f by the sample fracture life N:
P l = N f / N × 100 % ,
The initiation life is typically more than 80–90% of the complete life N of the crack. Table 5 shows the test results for all the samples.
To clearly show this result, the proportion of the initiation life of the sample life is divided into sections of 5%. Table 6 and Figure 8 show the test proportion P for all the test results for each section:
P = n i / n × 100 % ,
where n is the total number of samples and n i is the number of samples in each proportion interval of the initiation life.
As shown in Table 6, only 6.82% of the samples have initiation life ratios below 80%, and all the samples have initiation life ratios above 70%. Figure 8 shows that the measured crack initiation lives are in line with the theoretical predictions for most samples. Therefore, for samples without initial defects, the crack initiation life is a large proportion of the total life. The experimental results are consistent with the predictions of damage mechanics and are therefore reliable.

3.3. Morphology of Corrosion Fatigue Fracture

Parts made of process materials may contain holes, slag, bubbles, inclusions, indentations, abrasions, forged wrinkles, folds, and discontinuous areas with uneven micromorphologies and chemical compositions. Fatigue cracks are often likely to nucleate at these locations. The fracture morphology is a detailed record of the entire process of crack generation, propagation, and fracture ageing. Therefore, scanning electron microscopy (SEM) was performed on the samples to investigate the cause of fatigue crack initiation. Figure 9, Figure 10, Figure 11 and Figure 12 show the micromorphologies of the sample fractures obtained under different conditions.
The entire fracture failure process of the sample can be divided into three stages: crack initiation, crack propagation, and fracture tearing. The fracture region can be divided into a fatigue region and a transient fracture region. Crack initiation occurs in the fatigue region, so the observation area of these micromorphology is the fatigue region. It can be seen from Figure 9 that the fracture surface is mixed with some fatigue striations. These micromorphologies shown in Figure 10, Figure 11 and Figure 12 all the correspond to dimple fractures. According to the microfracture mechanism, crack initiation and microcrack propagation in 18Ni (250) belong to dimple fracture. A dimple fracture is a fracture produced by the accumulation and interconnection of micropores under the action of external forces.
Figure 10 is a comparison of the fracture morphologies of the sample in air and corrosive seawater environments. The dimples in the fractures have different depths and fluctuate continuously but are similar in size and have relatively smooth outlines. Figure 10a,b show the microscopic morphology of the fatigue fracture in the air environment. The fracture surface contains many dimples but is relatively clean overall. Figure 10c,d show the microscopic morphology of the fracture in the seawater environment. In addition to dimples and fatigue bands, some small crystal particles can be faintly observed on the fracture surface in Figure 10c. These crystal particles are more distinct in Figure 10d. The small crystal particles in Figure 10 are the products of the REDOX reaction of maraging steel and are attached to the fracture surface. Compared with Figure 10c and Figure 10d, the crystal particles are almost invisible in Figure 10a,b, indicating that the maraging steel is almost unaffected by corrosion in an air environment.
Figure 11 shows the micromorphology of corrosion fatigue fractures in samples with welding joints at different positions in the seawater environment. The four groups of samples had identical loading conditions except for the weld positions. Although there are clear dimples on the fracture surface, the overall distribution of dimples is not particularly dense and the dimple sizes are inconsistent. The dimple edges are smooth in Figure 11a,b but sharp with distinct fatigue bands in Figure 11c,d. This result could be attributed to Samples C and D having symmetrical structures, the load distribution being relatively uniform during tension–pull cyclic loading, and the weld joints of Samples E and F not being in the centre of the sample; thus, there is an uneven load distribution over the whole sample during tension–pull cyclic loading, and the resulting dimple shapes are also very uneven. Small crystal particles can be obviously seen on the surface of each fracture in Figure 11, indicating that corrosion has occurred in these groups of samples in a seawater environment. Among them, small crystal particles in Figure 11b–d are more obvious and in greater quantity than those in Figure 11a, mainly because the first three groups of samples contain welding joints, and the corrosion potential in the weld zone is lower than that in the base metal zone. It can accelerate the corrosion of the equivalent sample.
Figure 12 shows the morphology of the corrosion-fatigue fracture of samples with different stress ratios in the seawater environment, where Figure 12b, Figure 12d and Figure 12f are enlarged images of local regions in Figure 12a, Figure 12c and Figure 12e, respectively. With an increasing stress ratio, there is an increase in the crack initiation life and corrosion time in the seawater environment, as well as a prominent increase in the number of crystal particles on the fracture and an increase in the volume. In Figure 12e,f, the microscopic morphology shows there is an abundance of flat acicular martensite formed by the growth of small crystal particles. The macro-fractures of this group of samples are filled with a reddish–brown oxide. It can be inferred that the crystal particles that appear in the fracture morphology are the products of the redox reaction of the sample in the corrosive seawater environment. This indicates that the effect of seawater corrosion on crack initiation of equivalent samples is increasing with the increase in stress ratio. From the ferrite observed in Figure 12c, it can be seen that the element undergoing the REDOX reaction may be iron.

3.4. Quantitative Analysis of Fracture Elements

Selected areas in the microtopography of the eight samples shown in Figure 10, Figure 11 and Figure 12 were quantitatively analyzed by using an energy spectrometer equipped with a ZEISS Merlin Compact (Zeiss AG, Baden-Wurpberg, Germany), a field emission scanning electron microscope. The analysis part is the fracture fatigue area. Table 7 shows the elemental percentages determined by the energy spectrum analysis.
Table 7 shows that among the seven detected elements, the proportions of K and Co fluctuate but are relatively small overall. Therefore, although the redox reaction may occur, it is not the main element.
In maraging steel, Cr and Ni are corrosion-resistant elements. When the content of Cr or Ni gathers to 4%, the dense corrosion products can prevent the diffusion of corrosive ions into the inner rust layer and slow down the corrosion behavior of maraging steel. In the results of energy spectrum analysis, the proportion of Cr is less than 3%, and the proportion of Ni is less than 4%, so 18Ni250 has a certain corrosion resistance, and corrosion does not easily occur in the air environment, but corrosion will still occur in the seawater corrosion environment.
The three elements of C, O, and Fe have relatively large proportions. The atomic number ratio of elemental Fe to elemental O varies considerably across samples and conditions. In the air environment, this ratio is 1:0.55 for Sample A3 and 1:0.54 for Sample B3. In the seawater environment, this ratio is 1:0.72 for Sample C2, 1:0.96 for Sample D2, 1:0.97 for Sample E2, 1:0.99 for Sample F2, 1:2 for Sample G, and 1:4 for Sample H. Elemental C is mainly detected as CO   3 2 , and elemental Fe is mainly detected as Fe. Therefore, it can be inferred that the main metal element for electrochemical corrosion of 18Ni250 maraging steel is Fe and the main non-metallic element that reacts with it is O.
There is no Cl element in the results of energy spectrum analysis, which indicates that the content of Cl element is small on the surface of the sample, while the seawater corrosion environment contains a large amount of Cl   . Therefore, it can be inferred that the Cl element does not react with Fe element in the seawater corrosion environment, or Cl element plays a catalytic role in the corrosion of Fe element.

4. Discussion

4.1. Electrochemical Processes in a Corrosive Seawater Environment

The electrochemical behavior of 18Ni (250) in a marine environment usually manifests as anodic dissolution, cathodic oxygen absorption, and hydrogen evolution, where the reactions are given below:
Anode reaction:
M M n + + n e
Cathode reaction:
O 2 + 2 H 2 O + 4 e 4 O H
where M refers to all the metals in 18Ni (250) that undergo oxidation reactions. As Fe is the main metal in 18Ni (250) that is oxidized, the total reaction can be written as
2 F e + O 2 + 2 H 2 O 2 F e 2 + + 4 O H
As Fe   2 + is unstable, corrosion products accumulate on the sample surface as the corrosion process progresses, and Fe   2 + is further oxidized as follows.
4 F e ( O H ) 2 + O 2 4 F e O O H + 2 H 2 0
Further dehydration produces iron oxide, which is adsorbed on the sample surface:
2 F e O O H F e 2 O 3 + H 2 O
As corrosion progresses, the corrosion products accumulate on the sample surface and affect the electrochemical process, where FeOOH promotes the cathode reaction. As seawater contains a large quantity of Cl   , the region near the rust layer easily becomes enriched in Cl   . Studies [22] have shown that Cl   enrichment causes local acidification and produces H   + , thus promoting the cathode hydrogen evolution reaction:
2 H + + 2 e H 2
According to the results of energy spectrum analysis, there is no obvious Cl element in the fracture of the sample, so Cl   acts as the catalyst of the cathode hydrogen evolution reaction to promote the reaction.
As anti-corrosion elements, Cr and Ni can promote the uniform distribution of FeOOH on the surface of the sample, forming a dense rust layer, preventing the invasion of corrosive ions, and slowing down the corrosion. At the same time, Ni can form Fe   2 NiO   4 during the corrosion process, which will repel anions and slow down the corrosion of maraging steel.
The oxidation resistance of the welding material used in the weld is higher than that of the base material itself, so the weld acts as a cathode in seawater and forms a galvanic cell with the base material itself to accelerate the active dissolution process of the base material.
Therefore, the electrochemical processes of 18Ni (250) in a corrosive seawater environment include anodic active dissolution, cathodic oxygen absorption, and the hydrogen evolution reaction, which is a mixing process.

4.2. Mechanism of Crack Initiation during Corrosion Fatigue Cycles

The crack initiation mechanism of 18Ni (250) under the dual action of corrosion and fatigue is quite different from that under the action of pure mechanical fatigue. The main mechanisms of corrosion fatigue crack initiation in metals include the stress concentration model, deformation activation corrosion theory, passivation film failure theory, and adsorption theory.
The samples used in this experiment did not have obvious surface defects; neither were strong acids used to produce pitting in the samples before the tests were conducted. Therefore, stress concentration is not the main cause of corrosion-fatigue crack initiation in 18Ni (250).
As a result of the high strength of 18Ni (250), large local deformation did not occur on the sample surface before the initiation of corrosion-fatigue cracking, and there was no discernible slip band in the fracture micromorphology. Therefore, deformation-activated corrosion is not the main reason for the initiation of corrosion fatigue cracks in 18Ni (250).
Although hydrogen evolution occurred at the 18Ni (250) cathode in the seawater environment, the oxygen absorption reaction was the dominant process; thus, the hydrogen evolution reaction did not have a sufficiently strong effect on the metal surface to ensure hydrogen embrittlement. Therefore, adsorption theory cannot be used to describe 18Ni (250) corrosion-fatigue crack initiation.
Generally, in a corrosive medium, a passivation film forms on the surface of easily passivated metals, protecting the metal from dissolution. It can be seen from the quantitative analysis of elements that the content of corrosion-resistant elements Ni and Cr is low. Figure 12e,f mainly shows iron oxide, whose microstructure is sparse, and the surface corrosion products cannot form a rigorous passivation film under the action of alternating loads. At the same time, the corrosion products are relatively inert and gradually act as the cathodes of the electrochemical process, further promoting corrosion and causing the metal surface to dissolve continuously, eventually leading to the initiation of corrosion-related fatigue cracks. Therefore, breakage of the protective film is the main cause of corrosion-fatigue crack initiation in 18Ni (250).
In a seawater corrosion environment, the corrosion time increases with the increase in crack initiation life of the sample, and with the accumulation of corrosion products, the electrode differentiation at the specimen fracture is obvious, the cathode hydrogen evolution reaction is accelerated, and the effect of corrosion on crack initiation is increased. When there is a welding joint, the structure of the heat-affected zone of the weld is relatively porous, and the corrosion effect is more obvious. Under the same stress level, crack initiation is more likely to occur. Therefore, the crack initiation life of samples of group D, E, and F with a welding joint is lower than that of samples of group C without a welding joint.

5. Conclusions

In this study, tensile tests are performed to characterize the corrosion fatigue of 18Ni (250). The damage change law and the crack initiation mechanism are investigated. The following conclusions are drawn from the study results.
(1)
The crack initiation life of 18Ni (250) is considerably shorter in a seawater corrosion environment than in an air environment, and the life reduction can exceed 29.7%. The initiation life decreases gradually with increasing load. The larger the stress ratio R is, the longer the crack initiation life is.
(2)
In a corrosive environment, such as seawater, crack initiation in 18Ni (250) is affected by both mechanical damage and electrochemical corrosion. The influence of electrochemical corrosion gradually increases with the crack initiation life.
(3)
The crack initiation life of 18Ni (250) is approximately 71.45–99.55% of the total life of the sample. The larger the proportion of the crack initiation life of the total life is, the smaller the fracture fatigue zone of the sample is.
(4)
On the basis of the microfracture mechanism, crack initiation and microcrack propagation in18Ni (250) are categorized as dimple fractures. The breakage of protective film is the main reason of corrosion fatigue crack initiation in 18Ni (250) maraging steel. In a corrosive seawater environment, 18Ni (250) undergoes a redox reaction to generate crystal particles on the fracture surface, and an oxide layer eventually forms on the fracture surface.
(5)
The corrosion-fatigue crack initiation life of 18Ni (250) is strongly affected by the presence of a welding joint but only weakly affected by the weld position. This result is obtained because the strength of the heat-affected zone is reduced near the welding joint and the welding joint material has lower atomic activity than the base material. When two materials form a galvanic cell in a corrosive environment, the base material as the anode is more prone to oxidation reaction.

Author Contributions

Data curation, formal analysis, and methodology, H.P.; conceptualization, writing—review and editing, Y.Z.; visualization, validation, M.F.; software, writing—original draft, H.P. and Y.Z.; and investigation, H.P. and M.F. All authors have read and agreed to the published version of the manuscript.

Funding

This work was funded by the National Natural Science Foundation of China (grant numbers: 52271277), the Natural Science Foundation of Jiangsu Province (grant no. BK20211343) and Postgraduate Research & Practice Innovation Program of Jiangsu Province (grant no. KYCX23_3857).

Institutional Review Board Statement

Not applicable.

Informed Consent Statement

Not applicable.

Data Availability Statement

The data presented in this study are available on request from the corresponding authors.

Conflicts of Interest

The authors declare no conflict of interest.

References

  1. Yang, Q.S.; Hu, Y.; Jiang, X.Y.; Jiang, L. Design of Manned Submersible’s Maraging. J. Ship Eng. 2018, 40, 72–76. [Google Scholar] [CrossRef]
  2. Yu, S.; Hu, Y.; Wang, F.; Yang, Q.S.; Cui, W.C. Ultimate strength analysis and model tests for full-ocean-depth manned cabin. J. Ship Mech. 2019, 23, 51–57. [Google Scholar] [CrossRef]
  3. Zhang, S.J.; Wang, F.; Cui, W.C. Fatigue Crack Growth Properties of 18Ni (250) and 18Ni (350) Used for Full-Ocean-Depth Pressure Hull. J. Ship Mech. 2018, 22, 1540–1548. [Google Scholar] [CrossRef]
  4. Liang, X.J.; Ji, H.X. Research on Corrosion Fatigue Crack Initiation and Propagation Behavior of 30CrNi2MoV Steel. J. Therm. Work. Technol. 2020, 49, 55–57. [Google Scholar]
  5. Wang, J.M.; Zhu, T.Y.; Chen, K.; Zhang, L.F.; Han, Y.L.; Bao, Y.C. Research on Stress Corrosion Cracking Initiation Behavior of Cold Worked 316L and 308L Stainless Steel. J. Equip. Environ. Eng. 2022, 19, 71–80. [Google Scholar] [CrossRef]
  6. Wang, Q.S.; Li, H.J.; He, C.; Zheng, P.; Chen, X. Effect of Loading Modes on Initiation and Propagation of Corrosion Fatigue Cracks of X65 Steel. J. Chin. Soc. Corros. Prot. 2022, 42, 227–234. [Google Scholar]
  7. Zhang, W.Q.; Wang, X.L.; Wang, S.Y.; Wu, H.C.; Yang, C.W.; Hu, Y.J.; Fang, K.W.; Jiang, H. Combined effects of machining-induced residual stress and external load on SCC initiation and early propagation of 316 stainless steel in high temperature high pressure water. J. Corros. Sci. 2021, 190, 109644. [Google Scholar] [CrossRef]
  8. Cai, J.X.; Sun, L.Y.; Ma, H.C.; Li, X.G. Corrosion characteristics of Q690qE high-strength bridge steel in simulated coastal–industrial environment and its influence on mechanical and corrosion fatigue behaviors. J. Constr. Build. Mater. 2022, 41, 127830. [Google Scholar] [CrossRef]
  9. Hu, G.; Deng, S.Y.; Wang, G.R.; Wang, M.C.; Xie, M.Y. Corrosion crack’s propagation analysis and fatigue life prediction of the cylinder of 6000HP hydraulic fracturing pump. J. Eng. Fail. Anal. 2022, 141, 106652. [Google Scholar] [CrossRef]
  10. Zhao, T.L.; Liu, Z.Y.; Du, C.W.; Dai, C.D.; Li, X.G. Corrosion fatigue crack initiation and initial propagation mechanism of E690 steel in simulated seawater. J. Mater. Sci. Eng. A 2017, 708, 181–192. [Google Scholar] [CrossRef]
  11. Schwarzenböck, E.; Wiehler, L.; Heidenblut, T.; Hack, T.; Engel, C.; Maier, H.J. Crack initiation of an industrial 7XXX aluminum alloy in humid air analyzed via slow strain rate testing and constant displacement testing. J. Mater. Sci. Eng. A 2021, 804, 140776. [Google Scholar] [CrossRef]
  12. Li, P.; Li, H.K.; Xu, X.L.; Chen, H.; Wang, X.M. Research of corrosion fatigue crack initiation on heat affected zone of A7N01S-T5 aluminum alloy. J. Electr. Weld. Mach. 2015, 45, 107–111. [Google Scholar]
  13. Yadav, R.; Kumar, A.; Chaudhari, G.P.; Paradkar, A.G. Mechanical and stress corrosion cracking behavior of welded 5059H116 alloy. J. Corros. Sci. 2022, 206, 110528. [Google Scholar] [CrossRef]
  14. E, H.W.; Li, Y.D.; Zheng, X.B.; Li, X.T. Influence of Thickness Ratio and Weld Position on Formability of Tailor-Welded Blanks. J. Therm. Work. Technol. 2022, 51, 87–91+94. [Google Scholar] [CrossRef]
  15. Zhu, Y.M.; Chen, J.J.; Tang, W.X.; Cui, W.C.; Wang, X.R.; Wang, F.; Yin, B.J. Fatigue and Corrosion Fatigue of 18Ni Maraging Steel. J. Arch. Metall. Mater. 2021, 66, 321–330. [Google Scholar] [CrossRef]
  16. Li, L.J.; Zhu, Y.M.; Fang, W.J.; Yang, J.H.; Wang, F. Research on corrosion fatigue crack propagation of 18Ni (250) in simulated seawater. J. Jiangsu Univ. Sci. Technol. (Natural Sci. Ed.) 2022, 36, 33–39. [Google Scholar] [CrossRef]
  17. Liu, B.P.; Zhang, Z.M.; Wang, J.Q.; Han, E.H.; Ke, W. Review of Stress Corrosion Crack Initiation of Nuclear Structural Materials in High Temperature and High Pressure Water. J. Chin. Soc. Corros. Prot. 2022, 42, 513–522. [Google Scholar] [CrossRef]
  18. GB/T228.1-2021; Metallic Materials—Tensile Testing—Part 1: Method of Test at Room Temperature. Standardization Administration of the People’s Republic of China: Beijing, China, 2021.
  19. GB/T 20120.1-2006; Corrosion Fatigue Test of Metals and Alloys—Corrosion Fatigue Testing—Part 1: Cycles to Failure Testing. Standardization Administration of the People’s Republic of China: Beijing, China, 2006.
  20. Ni, S.Y.; Wang, J. Effect of loading frequency and corrosion environment on fatigue crack growth rate of 4130X steel. In Proceedings of the 29th Annual Conference of Beijing Force Society, Beijing, China, 8 April 2023. [Google Scholar]
  21. GB/T 3075-2008; Metallic Materials—Fatigue Testing—Axial Force—Controlled Method. Standardization Administration of the People’s Republic of China: Beijing, China, 2008.
  22. Xu, X.X. Corrosion Fatigue Mechanism and Corrosion Fatigue Life Prediction of Microalloyed 780 MPa High-Strength Marine Engineering Steel. Ph.D. Thesis, University of Science and Technology Beijing, Beijing, China, 2022. [Google Scholar]
Figure 1. Mechanical properties of thin plate.
Figure 1. Mechanical properties of thin plate.
Jmse 12 00580 g001
Figure 2. Stress–strain curve of 18Ni (250).
Figure 2. Stress–strain curve of 18Ni (250).
Jmse 12 00580 g002
Figure 3. Fatigue sample size. (a) Weldless, (b) welded.
Figure 3. Fatigue sample size. (a) Weldless, (b) welded.
Jmse 12 00580 g003
Figure 4. Corrosion fatigue test equipment.
Figure 4. Corrosion fatigue test equipment.
Jmse 12 00580 g004
Figure 5. Comparison of effects of air and seawater environment on crack initiation life.
Figure 5. Comparison of effects of air and seawater environment on crack initiation life.
Jmse 12 00580 g005
Figure 6. Comparison of the influence of different weld positions on crack initiation life.
Figure 6. Comparison of the influence of different weld positions on crack initiation life.
Jmse 12 00580 g006
Figure 7. Effect of stress ratio on crack initiation life at F = 20,000 N and weld = 1/2 in seawater corrosion environment.
Figure 7. Effect of stress ratio on crack initiation life at F = 20,000 N and weld = 1/2 in seawater corrosion environment.
Jmse 12 00580 g007
Figure 8. Proportion of initiation life.
Figure 8. Proportion of initiation life.
Jmse 12 00580 g008
Figure 9. Microstructure of fatigue fracture.
Figure 9. Microstructure of fatigue fracture.
Jmse 12 00580 g009
Figure 10. Comparison of fracture morphology between air and seawater corrosion environment samples (a) R = 0.1, weldless, air, F = 20,000 N; (b) R = 0.1, weld = 1/2, air, F=20,000 N; (c) R = 0.1, weldless, seawater, F = 20,000 N; and (d) R = 0.1, weld = 1/2, seawater, F = 20,000 N.
Figure 10. Comparison of fracture morphology between air and seawater corrosion environment samples (a) R = 0.1, weldless, air, F = 20,000 N; (b) R = 0.1, weld = 1/2, air, F=20,000 N; (c) R = 0.1, weldless, seawater, F = 20,000 N; and (d) R = 0.1, weld = 1/2, seawater, F = 20,000 N.
Jmse 12 00580 g010
Figure 11. Comparison of fracture morphology between air and seawater corrosion environment samples (a) R = 0.1, weldless, air, F = 20,000 N; (b) R = 0.1, weld = 1/2, air, F = 20,000 N; (c) R = 0.1, weldless, seawater, F = 20,000 N; and (d) R = 0.1, weld = 1/2, seawater, F = 20,000 N.
Figure 11. Comparison of fracture morphology between air and seawater corrosion environment samples (a) R = 0.1, weldless, air, F = 20,000 N; (b) R = 0.1, weld = 1/2, air, F = 20,000 N; (c) R = 0.1, weldless, seawater, F = 20,000 N; and (d) R = 0.1, weld = 1/2, seawater, F = 20,000 N.
Jmse 12 00580 g011
Figure 12. Comparison of fracture morphology under different stress ratios (a,b) R = 0.1, weld = 1/2, seawater, F = 20,000 N; (c,d) R = 0.2, weld = 1/2, seawater, F = 20,000 N; and (e,f) R = 0.3, weld = 1/2, seawater, F = 20,000 N.
Figure 12. Comparison of fracture morphology under different stress ratios (a,b) R = 0.1, weld = 1/2, seawater, F = 20,000 N; (c,d) R = 0.2, weld = 1/2, seawater, F = 20,000 N; and (e,f) R = 0.3, weld = 1/2, seawater, F = 20,000 N.
Jmse 12 00580 g012
Table 1. 18Ni (250) percentage by weight of each chemical composition.
Table 1. 18Ni (250) percentage by weight of each chemical composition.
CSiMnSPNiCoMoAlTi
0.0050.010.030.0010.00418.117.935.250.140.48
Table 2. Mechanical properties of 18Ni (250).
Table 2. Mechanical properties of 18Ni (250).
Sample σ y /MPaE/GPa υ Z/%A/%
#116541610.363.110
#216511600.366.110.6
#316841620.364.210.3
Average16631610.364.510.3
Table 3. Test scheme for the corrosion fatigue test.
Table 3. Test scheme for the corrosion fatigue test.
GroupsRef/HzWeld
A0.1air5weldless
B0.1air51/2
C0.1seawater5weldless
D0.1seawater51/2
E0.1seawater51/3
F0.1seawater51/4
G0.2seawater51/2
H0.3seawater51/2
Table 4. Test results of corrosion fatigue characteristics.
Table 4. Test results of corrosion fatigue characteristics.
eNumberF/NRWeld N f # 1 N f # 2 N faver
airA130,0000.1weldless169016531671.5
A225,00015,54515,50015,522.5
A320,00032,82332,01532,419
A410,000305,825304,865305,344
B130,0000.11/2141313951404
B225,00013,30213,00413,153
B320,00028,24927,89528,072
B410,000257,432255,546256,489
seawaterC125,0000.1weldless13,18612,89613,041
C220,00024,31423,01823,666
C310,000215,371214,089214,730
D125,0000.11/210,45210,02210,237
D220,00021,03620,29120,663.5
D310,000195,635194,136194,885.5
E125,0000.11/311,39610,11210,754
E220,00022,15221,03821,595
E310,000197,576196,884197,230
F125,0000.11/410,89210,02410,458
F220,00021,95221,04221,497
F310,000198,694196,512197,603
G20,0000.21/265,22464,02664,625
H20,0000.31/2120,988119,897120,442.5
Table 5. Results of corrosion fatigue crack initiation and lifetime ratio.
Table 5. Results of corrosion fatigue crack initiation and lifetime ratio.
Number#1#2
N f N P l /% N f N P l /%
A11690177695.161653183490.12
A215,54515,61599.5515,50019,75578.46
A332,82333,65497.5332,01532,51598.46
A4305,825309,19598.91304,865349,01587.35
B11413149594.511395149593.31
B213,30214,70690.4513,00413,19098.59
B328,24932,40387.1827,89532,24186.52
B4257,432291,08188.44255,546291,65287.62
C113,18613,45997.9712,89613,05298.80
C224,31424,95597.4323,01827,53383.60
C3215,371243,16588.57214,089217,26198.54
D110,45211,41991.5310,02210,23397.94
D221,03629,44271.4520,29121,06896.31
D3195,635220,26088.82194,136212,00891.57
E111,39612,47891.3310,11210,98492.06
E222,15222,85696.9221,03825,16283.61
E3197,576222,87288.65196,884224,62587.65
F110,89211,58794.0010,02410,81192.72
F221,95223,98991.5121,04228,65673.43
F3198,694230,02386.38196,512219,73889.43
G65,22467,99195.9364,02666,19796.72
H120,988123,88797.66119,897120,88899.18
Table 6. The proportion of initiation life.
Table 6. The proportion of initiation life.
Proportion of Initiation Life P l /%Test Ratio P/%
70–754.55
75–802.27
80–854.55
85–9025
90–9525
95–10038.63
Table 7. Comparison of energy spectrum analysis of fatigue fracture.
Table 7. Comparison of energy spectrum analysis of fatigue fracture.
ElementCOKCrFeNiCo
W(x)/%A329.587.570.60.7347.748.185.6
B327.697.580.283.4848.95.077
C229.249.620.760.5446.729.024.1
D225.6713.270.245.9748.085.211.56
E226.9213.350.454.8547.583.613.24
F226.2613.650.233.648.324.263.68
G24.7623.120.834.540.394.721.68
H18.9737.080.850.1932.217.223.48
Atomi cnumber/%A360.7411.670.380.3521.083.442.34
B358.5612.050.181.7122.282.193.03
C258.9714.580.470.2520.313.731.69
D252.5520.410.152.8521.212.180.65
E253.9820.120.282.2720.551.481.32
F253.0920.740.141.721.051.761.52
G46.3232.510.481.9616.281.810.64
H33.7149.520.470.0812.332.631.26
Disclaimer/Publisher’s Note: The statements, opinions and data contained in all publications are solely those of the individual author(s) and contributor(s) and not of MDPI and/or the editor(s). MDPI and/or the editor(s) disclaim responsibility for any injury to people or property resulting from any ideas, methods, instructions or products referred to in the content.

Share and Cite

MDPI and ACS Style

Pan, H.; Zhu, Y.; Fang, M. The Initiation Characteristics of Corrosion Fatigue Crack in 18Ni (250) Steel. J. Mar. Sci. Eng. 2024, 12, 580. https://doi.org/10.3390/jmse12040580

AMA Style

Pan H, Zhu Y, Fang M. The Initiation Characteristics of Corrosion Fatigue Crack in 18Ni (250) Steel. Journal of Marine Science and Engineering. 2024; 12(4):580. https://doi.org/10.3390/jmse12040580

Chicago/Turabian Style

Pan, Hongzhang, Yongmei Zhu, and Mingjiang Fang. 2024. "The Initiation Characteristics of Corrosion Fatigue Crack in 18Ni (250) Steel" Journal of Marine Science and Engineering 12, no. 4: 580. https://doi.org/10.3390/jmse12040580

APA Style

Pan, H., Zhu, Y., & Fang, M. (2024). The Initiation Characteristics of Corrosion Fatigue Crack in 18Ni (250) Steel. Journal of Marine Science and Engineering, 12(4), 580. https://doi.org/10.3390/jmse12040580

Note that from the first issue of 2016, this journal uses article numbers instead of page numbers. See further details here.

Article Metrics

Back to TopTop