Field Measurement and Theoretical Analysis of Sidewall Roughness on Shaft Resistance of Rock-Socketed Piles
Abstract
1. Introduction
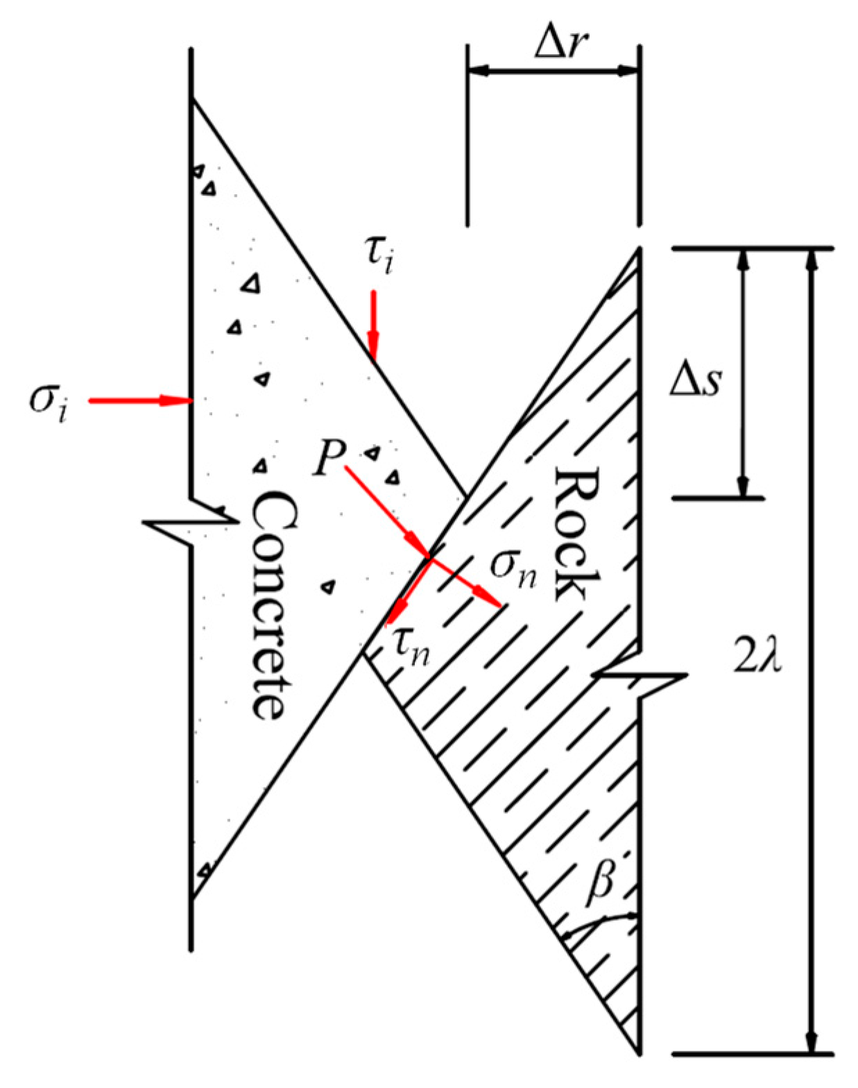
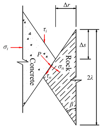
2. Roughness Models of Socket Sidewall
3. Measured Results and Statistical Analysis of Socket Walls
3.1. Project Overview and Geological Conditions
- Cover layers: including shallow planting soil, clay and boulder layer.
- Limestone layer: karst is very developed and widely distributed in the bridge site, mainly in the form of ditches, troughs and caves, and the karst caves are recovered to exist at a larger depth. In general, the caves are often vertically developed, and the depth is about 60~70 m.
- Structural rocks: the parent rock is limestone, and distributed in the F4 fault zone.
3.2. Inspection Technology and Measured Results of Socket Walls
3.3. Statistical Analysis of Sidewall Roughness of Rock-Socketed Sections
- (1)
- 0 < RF ≤ 0.02: this kind of socket roughness belongs to R1, indicating that the sidewall is straight and smooth, karst layers can hardly be encountered within this roughness interval, and the RF is much lower than the average level.
- (2)
- 0.02 < RF ≤ 0.04: this kind of socket roughness changes in different strata, and specifically, in the karst layer, the sidewall surface is significantly rough, and the socket roughness belongs to R3 or R4. However, after passing through the karst layer, the sidewall surface is relatively uniform and the roughness belongs to R3.
- (3)
- RF > 0.04: this kind of socket roughness belongs to R4, and the grooves or undulations of depth is much larger than 10 mm, indicating that the karst layer is strongly developed.
4. Shaft Resistance of Rock-Socketed Piles Considering Sidewall Roughness
4.1. Empirical Models
4.2. Theoretical Model
5. Validation and Analysis
6. Conclusions
- (1)
- Geological conditions have a significant effect on roughness degree of sidewalls, the RF in the rock-socketed section obtained by the Horvath model is bigger than that obtained by the Monash model, especially when piles pass through the karst layers.
- (2)
- Field load tests show that the larger RF is, the bigger mobilized shaft resistance, but for karst layers, a reduction of shaft resistance needs to be considered for the sake of engineering safety.
- (3)
- Compared with the mobilized shaft resistance in the field load tests, the analytical solution considering the roughness degree and relative settlement of the pile–rock interface generally overestimates the mobilized shaft resistance under the same ∆s, and the deviation is less than 15% if ∆s is larger than 3.00 mm.
- (4)
- It is hoped that in future processes for field load tests of rock-socketed piles, the surface curves of rock sockets may be measured prior to load tests. With the development of field-testing data and theoretical studies, the roughness index can be incorporated into the vertical bearing capacity design formula of rock-socketed piles.
Author Contributions
Funding
Institutional Review Board Statement
Informed Consent Statement
Data Availability Statement
Conflicts of Interest
References
- Liu, N.W. Physical Geography, 3rd ed.; Science Press: Beijing, China, 2014. [Google Scholar]
- Zhang, L. Drilled Shafts in Rock: Analysis and Design; Balkema: London, UK, 2004. [Google Scholar]
- Sagong, M.; Paik, K.; Kim, D. A new approach to estimate side resistance of rock socketed drilled shafts. Soils Found. 2007, 47, 415–421. [Google Scholar] [CrossRef][Green Version]
- Haberfield, C.; Collingwood, B. Rock-socketed pile design and construction: A better way? Proc. Inst. Civ. Eng.-Geotech. Eng. 2006, 159, 207–217. [Google Scholar] [CrossRef]
- Woodward, R.J.; Gardner, W.S.; Greer, D.M. Drilled Pier Foundations; McGraw-Hill Book Co.: New York, NY, USA, 1972. [Google Scholar]
- Mandolini, A.; Ramondini, M.; Russo, G.; Viggiani, C. Full scale loading tests on instrumented CFA piles. In Deep Foundations 2002: An international Perspective on Theory, Design, Construction, and Performance; American Society of Civil Engineers: Orlando, FL, USA, 2002; pp. 1088–1097. [Google Scholar]
- O’Neil, M.W.; Reese, L.C. Drilled Shafts: Construction Procedures and Design Methods; Pub. No. FHWA-IF-99-025; Federal Highway Administration: Washington, DC, USA, 1999. [Google Scholar]
- Murali, A.K.; Tran, K.M.; Haque, A.; Bui, H.H. Experimental and Numerical Investigation of the Load-Bearing Mechanisms of Piles Socketed in Soft Rocks. Rock Mech. Rock Eng. 2022, 55, 5555–5576. [Google Scholar] [CrossRef]
- Asem, P.; Gardoni, P. On the Use and Interpretation of In Situ Load Tests in Weak Rock Masses. Rock Mech. Rock Eng. 2021, 54, 3663–3700. [Google Scholar] [CrossRef]
- Dai, G.L.; Salgado, R.; ASCE, F.; Gong, W.M.; Zhu, M.X. The effect of sidewall roughness on the shaft resistance of rock-socketed piles. Acta Geotech. 2017, 12, 429–440. [Google Scholar] [CrossRef]
- Pells, P.; Rowe, R.; Turner, R. An experimental investigation into side shear for socketed piles in sandstone. In Proceedings of the International Conference on Structural Foundations on Rock, Sydney, Australia, 7–9 May 1980; pp. 291–302. [Google Scholar]
- Horvath, R.G. Research Project Report on Load Transfer System for Rock-Socketed Drilled Pier Foundations. For the National Research Council of Canada, DSS File no. 10X5.31155-9-4420, Contract Serial No. lSX79.00531; National Research Council of Canada: Ottawa, ON, Canada, 1980. [Google Scholar]
- Rowe, R.K.; Armitage, H.H. The Design of Piles Socketed into Weak Rock; Research Report GEOT-11-84; Faculty of Engineering Science, The University of Western Ontario: London, ON, Canada, 1984. [Google Scholar]
- Ashutosh, T. Estimating In Situ Deformation of Rock Masses Using a Hardening Parameter and RQD. Int. J. Geomech. 2012, 13, 348–364. [Google Scholar] [CrossRef]
- Rowe, R.K.; Armitage, H.H. A design method for drilled piers in soft rock. Can. Geotech. J. 1987, 24, 126–142. [Google Scholar] [CrossRef]
- Horvath, R.G. Field Load Test Data on Concrete-to-Rock "Bond" Strength for Drilled Pier Foundations; Department of Civil Engineering, University of Toronto: Toronto, ON, Canada, 1978; ISSN 0316-7968. [Google Scholar]
- Horvath, R.G. Drilled Piers Socketed into Weak Shale-Methods of Improving Performance. Ph.D. Thesis, Department of Civil Engineering, University of Toronto, Toronto, ON, Canada, 1982. [Google Scholar]
- Seidel, J.; Collingwood, B. A new socket roughness factor for prediction of rock socket shaft resistance. Can. Geotech. J. 2001, 38, 138–153. [Google Scholar] [CrossRef]
- Horvath, R.; Kenney, T.; Kozicki, P. Methods of improving the performance of drilled piers in weak rock. Can. Geotech. J. 1983, 20, 758–772. [Google Scholar] [CrossRef]
- Johnston, I.W.; Lam, T.S. Shear behavior of regular triangular concrete/rock joints—Analys is. J. Geotech. Eng. 1989, 115, 711–727. [Google Scholar] [CrossRef]
- Hou, J.C.; Zhao, H.; Peng, W.Z.; Zhao, M.H. A limit solution for predicting side resistance on rock-socketed piles. J. Eng. Mech. 2022, 148, 04021131. [Google Scholar] [CrossRef]
- Zhang, Q.Q.; Li, H.T.; Cui, W.; Zhao, Y.H.; Wang, S.L.; Xu, F. Analysis of grout diffusion of post grouting pile considering the time-dependent behavior of grout viscosity. Int. J. Geomech. 2021, 21, 04021201. [Google Scholar] [CrossRef]
- Seidel, J.P.; Haberfield, C.M. A theoretical model for rock joints subjected to constant normal stiffness direct shear. Int. J. Rock Mech. Min. Sci. 2002, 39, 539–553. [Google Scholar] [CrossRef]
- Hoek, E.; Diederichs, M.S. Empirical estimation of rock mass modulus. Int. J. Rock Mech. Min. Sci. 2006, 43, 203–215. [Google Scholar] [CrossRef]
- Hoek, E.; Karakas, A. Practical rock engineering. Environ. Eng. Geosci. 2008, 14, 55–57. [Google Scholar]
- Hoek, E.; Brown, E.T. Practical estimates of rock mass strength. Int. J. Rock Mech. Min. Sci. 1997, 34, 1165–1186. [Google Scholar] [CrossRef]
- ASSHTO. LRFD Bridge Design Specifications, 7th ed.; American Association of Stata Highway and Transportation Officials: Washington, DC, USA, 2014. [Google Scholar]












| Roughness Class | Descriptions |
|---|---|
| R1 | Straight, smooth-sided socket, grooves or indentations less than 1.00 mm depth |
| R2 | Grooves of depth 1~4 mm, width greater than 2 mm, at spacing 50~20 mm |
| R3 | Grooves of depth 4~10 mm, width greater than 5 mm, at spacing 50~200 mm |
| R4 | Grooves or undulations of depth > 10 mm, width > 10 mm, at spacing 50~200 mm |
| Geomaterials | [σ0]/kPa | τi/kPa | frk/MPa |
|---|---|---|---|
| Clay | 200~300 | 55~60 | / |
| Erratic | 400 | 100 | / |
| Pebble | 350 | 140 | / |
| Weakly weathered marlstone | 800 | 160 | 10 |
| Strongly weathered carbonaceous limestone | 800 | 150 | 6 |
| Weakly weathered carbonaceous limestone | 2000 | 300 | 10 |
| Weakly weathered limestone | 4000 | 600 | 40 |
| Tectonic rocks (parent rock: limestone) | 800 | 300 | / |
| 6# Group Piles | 7# Group Piles | |||||
|---|---|---|---|---|---|---|
| Socket No. | /mm | Lt/m | L/m | /mm | Lt/m | L/m |
| 1 | 3200.84 | 126.21 | 102.45 | 2938.16 | 87.30 | 48.72 |
| 2 | 3040.61 | 107.45 | 67.67 | 3209.99 | 110.50 | 79.85 |
| 3 | 3209.54 | 139.48 | 74.87 | 3224.74 | 63.77 | 41.64 |
| 4 | 3217.54 | 50.71 | 37.29 | 3200.24 | 88.27 | 82.23 |
| 5 | 2959.73 | 65.92 | 47.87 | 3017.83 | 27.30 | 15.06 |
| 6 | 2994.56 | 80.21 | 52.06 | 3022.58 | 19.54 | 11.62 |
| 7 | 3214.44 | 60.38 | 38.99 | 3224.41 | 87.26 | 84.43 |
| 8 | 2986.30 | 96.63 | 63.36 | 2943.05 | 64.12 | 52.52 |
| 9 | 2989.72 | 33.17 | 19.63 | 2989.47 | 13.71 | 9.39 |
| 10 | 3188.72 | 26.39 | 25.71 | 3200.82 | 92.02 | 90.27 |
| 11 | 2962.72 | 73.23 | 50.03 | 3075.72 | 68.00 | 44.72 |
| 12 | 2971.75 | 69.49 | 50.00 | 3031.47 | 29.42 | 15.72 |
| 13 | 3155.65 | 13.88 | 11.25 | 3024.54 | 39.41 | 19.89 |
| 14 | 2948.23 | 64.38 | 44.82 | 3021.31 | 65.31 | 47.14 |
| 15 | 2999.63 | 35.91 | 14.36 | 3002.25 | 57.48 | 44.28 |
| 16 | 3063.08 | 169.67 | 58.86 | 3025.94 | 26.26 | 11.00 |
| 17 | 2991.61 | 77.41 | 39.19 | 3014.77 | 44.56 | 27.66 |
| 18 | 2949.72 | 30.34 | 18.86 | 2971.75 | 44.47 | 25.89 |
| 19 | 2987.27 | 70.92 | 30.50 | 3020.40 | 33.82 | 12.88 |
| 20 | 2982.72 | 46.75 | 34.52 | 3005.19 | 45.09 | 21.28 |
| 21 | 3056.90 | 62.24 | 30.32 | 2940.91 | 34.44 | 25.07 |
| 22 | 3075.16 | 44.58 | 26.55 | 3113.02 | 49.61 | 17.21 |
| 23 | 2980.67 | 61.58 | 40.02 | 2893.03 | 21.75 | 10.26 |
| 24 | 2975.40 | 55.86 | 39.75 | 3038.47 | 22.61 | 8.59 |
| 25 | 3040.87 | 70.96 | 33.03 | 3100.48 | 30.53 | 10.43 |
| 26 | 2981.94 | 16.36 | 9.92 | 3062.79 | 27.94 | 16.98 |
| 27 | 2964.58 | 42.24 | 33.21 | 2985.75 | 30.67 | 13.79 |
| 28 | 3087.32 | 52.52 | 30.32 | 3000.80 | 26.25 | 13.35 |
| 29 | 2948.23 | 56.17 | 32.08 | 3088.46 | 38.63 | 18.61 |
| 30 | 2893.35 | 33.03 | 21.86 | 2920.77 | 33.80 | 18.57 |
| 31 | 3222.49 | 45.89 | 30.63 | 3169.73 | 46.65 | 34.05 |
| 32 | 3236.71 | 59.55 | 59.52 | 3251.55 | 68.33 | 67.58 |
| 33 | 3190.71 | 34.78 | 31.51 | 3263.83 | 63.72 | 56.98 |
| 34 | 3204.54 | 85.82 | 60.62 | 3247.94 | 63.15 | 63.00 |
| 6# Group Piles | 7# Group Piles | |||||||
|---|---|---|---|---|---|---|---|---|
| No. | Horvath Model | Monash Model | Horvath Model | Monash Model | ||||
| RF | RF | RF | RF | |||||
| 1 | 4.35 | 0.0017 | 5.72 | 0.0022 | 54.70 | 0.0334 | 26.37 | 0.0161 |
| 2 | 36.11 | 0.0189 | 30.91 | 0.0161 | 14.06 | 0.0061 | 10.81 | 0.0047 |
| 3 | 8.38 | 0.0049 | 11.87 | 0.0069 | 31.40 | 0.0149 | 20.00 | 0.0095 |
| 4 | 50.79 | 0.0215 | 21.22 | 0.0090 | 27.26 | 0.0091 | 10.56 | 0.0035 |
| 5 | 38.62 | 0.0180 | 27.00 | 0.0126 | 29.68 | 0.0178 | 34.77 | 0.0209 |
| 6 | 52.21 | 0.0269 | 38.61 | 0.0199 | 45.98 | 0.0256 | 18.44 | 0.0103 |
| 7 | 20.31 | 0.0098 | 14.69 | 0.0071 | 11.80 | 0.0038 | 6.90 | 0.0022 |
| 8 | 56.90 | 0.0291 | 31.30 | 0.0160 | 42.14 | 0.0175 | 25.09 | 0.0104 |
| 9 | 53.87 | 0.0304 | 27.87 | 0.0158 | 24.18 | 0.0118 | 27.57 | 0.0135 |
| 10 | 46.59 | 0.0150 | 18.96 | 0.0061 | 29.94 | 0.0095 | 11.22 | 0.0036 |
| 11 | 38.99 | 0.0193 | 22.78 | 0.0113 | 30.11 | 0.0149 | 35.58 | 0.0176 |
| 12 | 34.99 | 0.0164 | 31.64 | 0.0148 | 43.53 | 0.0269 | 47.32 | 0.0292 |
| 13 | 19.05 | 0.0074 | 13.55 | 0.0053 | 36.81 | 0.0241 | 17.38 | 0.0114 |
| 14 | 45.95 | 0.0224 | 25.25 | 0.0123 | 57.24 | 0.0262 | 23.10 | 0.0106 |
| 15 | 58.79 | 0.0490 | 38.69 | 0.0323 | 100.28 | 0.0434 | 34.23 | 0.0148 |
| 16 | 34.60 | 0.0326 | 31.18 | 0.0293 | 142.15 | 0.1121 | 95.90 | 0.0757 |
| 17 | 68.57 | 0.0453 | 47.18 | 0.0312 | 51.50 | 0.0275 | 36.97 | 0.0198 |
| 18 | 64.28 | 0.0351 | 26.05 | 0.0142 | 35.55 | 0.0205 | 35.66 | 0.0206 |
| 19 | 32.63 | 0.0254 | 27.83 | 0.0217 | 51.33 | 0.0446 | 74.67 | 0.0649 |
| 20 | 27.62 | 0.0125 | 11.44 | 0.0052 | 67.91 | 0.0479 | 54.80 | 0.0386 |
| 21 | 63.32 | 0.0425 | 62.93 | 0.0423 | 56.12 | 0.0262 | 39.61 | 0.0185 |
| 22 | 59.83 | 0.0327 | 45.47 | 0.0248 | 55.29 | 0.0512 | 69.78 | 0.0646 |
| 23 | 71.37 | 0.0368 | 38.40 | 0.0198 | 44.84 | 0.0329 | 48.81 | 0.0358 |
| 24 | 28.98 | 0.0137 | 25.70 | 0.0121 | 48.61 | 0.0421 | 40.24 | 0.0349 |
| 25 | 46.34 | 0.0327 | 35.10 | 0.0248 | 38.79 | 0.0366 | 40.11 | 0.0379 |
| 26 | 61.96 | 0.0343 | 27.90 | 0.0154 | 28.01 | 0.0150 | 21.48 | 0.0115 |
| 27 | 37.47 | 0.0161 | 31.78 | 0.0136 | 67.52 | 0.0503 | 34.25 | 0.0255 |
| 28 | 65.83 | 0.0369 | 40.71 | 0.0228 | 76.79 | 0.0503 | 61.31 | 0.0402 |
| 29 | 68.54 | 0.0407 | 46.18 | 0.0274 | 37.76 | 0.0254 | 56.65 | 0.0381 |
| 30 | 26.01 | 0.0136 | 47.91 | 0.0250 | 48.22 | 0.0300 | 20.24 | 0.0126 |
| 31 | 24.43 | 0.0114 | 30.42 | 0.0141 | 34.70 | 0.0150 | 16.71 | 0.0072 |
| 32 | 1.99 | 0.0006 | 3.19 | 0.0010 | 2.36 | 0.0007 | 4.90 | 0.0015 |
| 33 | 22.61 | 0.0078 | 17.57 | 0.0061 | 15.32 | 0.0052 | 12.92 | 0.0044 |
| 34 | 6.89 | 0.0030 | 9.18 | 0.0041 | 1.49 | 0.0005 | 4.20 | 0.0013 |
| 6# | 7# | |||||
|---|---|---|---|---|---|---|
| Average | Max | Min | Average | Max | Min | |
| Horvath model | 0.0225 | 0.0490 | 0.0006 | 0.0270 | 0.1121 | 0.0005 |
| Monash model | 0.0160 | 0.0423 | 0.0010 | 0.0215 | 0.0757 | 0.0013 |
| Monash Model | Horvath Model | |
|---|---|---|
| 0 < RF ≤ 0.02 | 45 | 31 |
| 0.02 < RF ≤ 0.04 | 18 | 25 |
| RF > 0.04 | 5 | 12 |
| Concrete Grade | B/m | L/m | Planned Load/kN |
|---|---|---|---|
| C30 | 2.8 | 67.5 | 200,000 |
Disclaimer/Publisher’s Note: The statements, opinions and data contained in all publications are solely those of the individual author(s) and contributor(s) and not of MDPI and/or the editor(s). MDPI and/or the editor(s) disclaim responsibility for any injury to people or property resulting from any ideas, methods, instructions or products referred to in the content. |
© 2023 by the authors. Licensee MDPI, Basel, Switzerland. This article is an open access article distributed under the terms and conditions of the Creative Commons Attribution (CC BY) license (https://creativecommons.org/licenses/by/4.0/).
Share and Cite
Liu, J.; Li, Z.; Dai, G.; Gong, W. Field Measurement and Theoretical Analysis of Sidewall Roughness on Shaft Resistance of Rock-Socketed Piles. J. Mar. Sci. Eng. 2023, 11, 1622. https://doi.org/10.3390/jmse11081622
Liu J, Li Z, Dai G, Gong W. Field Measurement and Theoretical Analysis of Sidewall Roughness on Shaft Resistance of Rock-Socketed Piles. Journal of Marine Science and Engineering. 2023; 11(8):1622. https://doi.org/10.3390/jmse11081622
Chicago/Turabian StyleLiu, Jun, Zhongwei Li, Guoliang Dai, and Weiming Gong. 2023. "Field Measurement and Theoretical Analysis of Sidewall Roughness on Shaft Resistance of Rock-Socketed Piles" Journal of Marine Science and Engineering 11, no. 8: 1622. https://doi.org/10.3390/jmse11081622
APA StyleLiu, J., Li, Z., Dai, G., & Gong, W. (2023). Field Measurement and Theoretical Analysis of Sidewall Roughness on Shaft Resistance of Rock-Socketed Piles. Journal of Marine Science and Engineering, 11(8), 1622. https://doi.org/10.3390/jmse11081622

