Abstract
The bolts and connections of each working part of a rice combine harvester can suffer from severe instantaneous impacts and alternating loads, and these strong impacts and loads cause instantaneous fracture and fatigue failure of the bolt face and even the loosening, detachment, and fracture of the bolt. The main vibration directions and the most complex vibration parts of the bolts and connections in the main working parts of a combine harvester under time-variable multiload excitation were obtained through the analysis of response signals in terms of time-domain and frequency–domain characteristics via a vibration response experiment. This study revealed that the random peak value of the vibrating screen is 12.5622, which is the severe impact and collision standard. For the vibrating screen, the local peak in the 4-Y direction was the main load of the destroying bolt connection (the impact reached 60.57 m/s2, 96.91 m/s2) and the vibration energy intensity in the 4-Z direction was mainly concentrated at 12.42 m/s2, which is the maximum vibration energy value in the three directions (the peak vibration value reached 109~115.68 m/s2), so the bolted connections of the vibrating screen are the most vulnerable to destruction. Therefore, a kinetic model and a microscopic response model of a vibrating screen were established via the centralized mass method to explore the kinetic response characteristics of bolted structures subjected to multiple excitation loads, thus providing a mathematical model for identifying the features of bolted connections based on static characteristics.
1. Introduction
As complex agricultural harvesting machines, the main vibration sources of rice combine harvesters are engines, threshing rollers, vibrating screens, fans, cutting tables, and cutting tables [1]. Bolts are the connecting elements of each component in a harvester and the bolts are loaded and affected by the excitation impacts of the harvester during harvesting [2,3]. The impacts and imbalances at the bolts and connections of the working parts are the most severe and the instantaneous impacts and alternating loads of the bolts and connections during work can lead to instantaneous fractures and fatigue [4,5,6]. Bolt failure in working devices can affect the working efficiency and working life of the machinery and create considerable working safety risks [7,8]. Bolt failure at critical connection positions can affect harvester stability and cause detached parts or damage to the machine structure in serious circumstances [9,10]. Therefore, studying the response characteristics of connection bolts and the mechanical characteristics of strong device bolts is highly important for optimizing the working stability of a harvester and the device connection structure [11,12].
Recent analyses of bolt structures under static loads carried out at home and abroad can be categorized into transverse loads and axial loads according to the direction of action [13,14,15]. However, with continuous improvements to the microscopic friction contact model and the macroscopic dynamics model based on the microscopic contact surface, the establishment of a macroscopic dynamics model for a bolt structure on the basis of the actual load and the overall structure has been simplified [16,17]. A theoretical model of a time-varying nonlinear multiload excitation system of a combine harvester was analyzed from the microscale to the macroscale to reveal the structural loosening mechanisms and movement rules of combine harvester bolts [18,19]. The response characteristics of working devices were obtained by measuring the vibration signals of working devices in a harvester [20]. The influence between devices in a system was studied by establishing a dynamic model of working devices or systems that reflected the state of the structure [21]. Because the minimum slip displacement of a contact surface can characterize the minimum amount of slip of the contact surface under static loading, a minimum slip displacement model under an uneven load distribution of a bolt contact surface was established [22]. The degree of bending of the tail of a bolt rod after minimum slip occurs was obtained according to the critical relative slip displacement of the contact surface of the bolt structure [23]. Some scholars established a model with a thread rising angle for numerical analysis through the finite element method and found that plastic deformation increases with increasing tightening torque and decreases with increasing friction coefficient [24]. Other scholars reduced the vibration of the bolt structure by establishing an overall multiple-degree-of-freedom bolt structural model and by controlling the structural stiffness and normal force [25]. The above studies analyzed the macroscopic dynamics and microdynamic characteristics of bolt structures and established a corresponding dynamic model to study the response characteristics of bolt structures. Moreover, some studies have analyzed and optimized the failure situation of bolts according to the dynamic model of machinery and proposed an optimization scheme. However, analyses of the response characteristics of main bolt connection structures under multiple harvester excitations and models of the dynamics of the overall bolting connection structures of harvesters are rare.
The bolts and connections of rice combine harvesters were the research objects in this paper; the main vibration directions and the most complex and strong parts of the connecting bolts and connecting parts in a time-variable multiload excitation system were obtained through a vibration response experiment. The response characteristics in different orientations of each device were subsequently obtained through an analysis of signals in terms of time-domain and frequency–domain characteristics. The most obvious response was the bolts on the vibrating screen through comparative analysis and a multiple-degree-of-freedom centralized mass dynamics model of the bolts was established on the basis of the analysis of static mechanics and failure modes. First, combined with the vibration response experiment of the bolt–connection structures of the combine harvester, the connections and bolts of the most responsive structures were obtained. Then, a macroscopic kinetic model was established and a model of the tangential response of the microscopic contact surfaces was optimized through load analysis. An analytic method of determining the response characteristics and an establishment method of the kinetic model and the microscopic response model of the structures of the intense vibration response provided a mathematical model basis for the combine harvester.
2. Materials and Methods
2.1. Instruments for the Combine Harvester Vibration Response Experiment
A DH5902 signal acquisition instrument and DHDAS dynamic signal acquisition system developed by Jiangsu Donghua (Taizhou, Jiangsu, China) were used in the experiment to obtain the vibration response signals of the bolt structures and the connecting parts under a time-variable nonlinear multiload excitation system for a combine harvester. The main parameters of the equipment are shown in Table 1.
Table 1.
The main parameters of the DH5902 dynamic signal acquisition instrument.
The DH5902 signal acquisition instrument and DHDAS dynamic signal acquisition system used in the experiment are shown in Figure 1.
Figure 1.
DH5902 dynamic signal acquisition instrument and DHDAS dynamic signal acquisition system.
The frequency structure of the combined structure is mainly concentrated in the low-frequency band and even the transfer of multiple frequencies should be medium- or low-frequency. The noise signal generated by bolt failure during the operation stage is a high-frequency signaling component, so the three-phase piezoelectric acceleration sensors of DH5902 were used to ensure the integrity and effectiveness of signal acquisition. As shown in Figure 2, the acceleration signals of X/Y/Z can be obtained through a three-phase acceleration sensor (1A312E, Zhenjiang, Jiangsu, China); the indices are shown in Table 2.
Figure 2.
Three-phase acceleration sensor (1A312E).
Table 2.
The main specification parameters of the three-phase piezoelectric acceleration sensors.
The influence of the sensor sensitivity should not be ignored in the signal acquisition process. The sensitivity partly affects the effectiveness of signal acquisition and further affects the accuracy of signal analysis. Therefore, the experiment strictly controls the sensor sensitivity and clearly marks the allowable error range to accurately set the parameter calibration of the acquisition system during the signal acquisition process. The sensitivity of the sensor is shown in Table 3.
Table 3.
Identifier and sensitivity of the sensor.
2.2. The Vibration Response Experiment of the Combine Harvester
To obtain the vibration response characteristics of the combined bolt structures under the time-varying nonlinear multiload excitation system and find the bolt structures with the worst vibration, excitation, and wear inside the combine, a structural vibration response experiment for the time-variable nonlinear multiload excitation system of the combine harvester was carried out. The specific arrangement of the experiment is shown in Figure 3 and the acquisition system is shown in Figure 4.
Figure 3.
Flow chart of the bolt vibration response experiment.
Figure 4.
The composition of the vibration response test system for the bolts.
The distributions of the internal bolt structure in the combine harvester were confirmed through motion analysis of the working components. With the bolt connections of the working components as the main research objects, seven measuring points were arranged to collect and analyze the vibration response signals of the bolt structures. The specific locations and directions of the measurement points are shown in Table 4.
Table 4.
Distribution positions of the measurement points in the vibration response experiment.
The sensors were installed on the combine harvester as shown in Figure 5. The acceleration sensors were connected to the dynamic acquisition system, and the acquisition parameters of the DHDAS dynamic acquisition system were set up as shown in Figure 6. The measurement range was set to the maximum range because the size of the amplitude of the combine was unclear. The sampling frequency was set to 2 kHz, which meets the Nyquist sampling theorem (the sampling frequency is at least 2 times the signal frequency to ensure that the recovered original signaling components are not lost). The system parameters were set according to the sensitivity of the acceleration sensor and the first six channels of the collector were set to work.
Figure 5.
Distribution of the measuring points.
Figure 6.
The channel parameter settings.
The combine harvester was started and ran until the state of each working component was stable. Therefore, the acceleration response signals in the lateral direction (x), vertical direction (y), and walking direction (z) of each measuring point were obtained with a sampling time of 2 min in the stable working phase. The acquisition signals were subjected to a short-time Fourier transform by the DHDAS system to analyze the main vibration direction of the main working parts and the bolt connections with the most violent vibration.
2.3. Analysis Method for the Response Characterization of Bolt Structural Signals
To analyze the signal time domain peak value and the effective value, the vibration response signals in three directions at the same position were compared in the time domain to obtain the main vibration direction and the most vulnerable connections of the combine harvester. The most stable 25 s period of signals and the envelope effective value curve of the data were obtained in the experiment. Therefore, the effective value can be used as an important vibration index to reflect the energy strength and stability of the vibration signal, as follows:
Using the optimized effective envelope value to measure the vibrational energy strength can further weaken the influence of anomalous data points. Optimizing the effective envelope value to measure the vibrational energy strength can further weaken the influence of data outliers. The 150 samples of window length of the effective value envelope algorithm can well represent the one-direction energy stationarity of the response signal and further obtain the main vibration direction of the measurement points. Kurtosis is independent of the appearance and material parameters of the working components but is more sensitive to excitation under working loads [26]. Therefore, kurtosis can be used as an important index when analyzing the vibration excitation characteristics of bolt connections. The kurtosis used in the experiment is the normalized fourth-order center moment of the signal data, which is expressed as follows:
The bias angle can measure the deviation of the vibration response signals from the vibration equilibrium position and its size is mainly determined by the number of outliers in the statistics. The asymmetry of the response signal on the zero axis is due to the forwards or reverse unbalanced collision in one direction of the bolt connections. Therefore, the bias angle was used to measure the unbalanced impact characteristics of the bolt connections (the positive and negative values of positive and negative data points can resolve the direction of the unbalanced collisions):
The bolt connections of the combine harvester were easily loosened and the loosening caused a small displacement of the collision of the joint plane slip. Loosening can cause severe wear between connections and the margin factor is commonly used to detect the wear condition of mechanical equipment [27]. Therefore, this index can measure the impact of each measuring point and quickly analyze the wear of parts, as follows:
2.4. Analysis of the Critical Relative Slip Displacement under Static Loading
A thread pair is a kinematic pair composed of the rotation of internal and external threads. The sliding displacement of the bolt thread pair and the accepted simplified model (the slope slider model) are shown in Figure 7. A small horizontal external load is is not enough to cause the bending of the bolt rod and the bolt rod does not slide the moving plate against the setting plate. The bolt rod gradually bends the deformation with increasing transverse load and the bolt rod is simplified to a cantilever. If F0 > Ff2, there is a small sliding displacement between the fixed plate and the moving plate. Therefore, there is no sliding displacement between the fixed plate and the bolt head but the bolt rod initially bends. If F0 > Ff2 (F0 > Ff3), the whole structure of the bolt enters the structural loosening period and the bolt rod is fully bent. The slope angle corresponds to the thread angle (φ), so the lateral load of the system can be expressed as
where F0 is the horizontal external load; Fpr is the bolt pretightening force; φ is the screw-thread angle; γ is the friction angle of the contact surface; Ff1 is the friction force between the bolt head and the setting plate; Ff2 is the friction force between the setting plate and moving plate; and Ff3 is the friction force between the moving plate and the nut.
F0 = Fprtan(−φ + γ) + Fprtanγ
Figure 7.
A simple model and deformation process of vibrating screen bolt structures.
When the load changes from a static load to a dynamic load, the inertial force allows the slide to maintain its original motion at the moment of the load, causing structural loosening and failure of the relative sliding of the thread pair. The bolt structure of the vibrating screen is shown in Figure 8. Because the deformation of the bolt rod is mainly determined by the applied load F0, the friction coefficient of each contact surface is assumed to be determined by the material properties and then the plastic deformation and change in material performance during contact surface loosening are ideal. The friction coefficients among the bolt, the moving plate, and the fixed plate are greater than those between the moving plate and the fixed plate. The coarse tooth ordinary thread type bolt connection is adopted in the vibrating screen bolt structure, so the external load does not act directly on the bolt bar and acts indirectly on the contact thread through the thread pair of the nut. The external transverse load is equivalent to the uniform load of the thread auxiliary contact surface and the bending moment of the moving plate and nut contact point, as follows:
where Mt is the theoretical calculation of the bending moment; Mr is the actual bending moment; a is the thickness of the fixed plate; b is the thickness of the moving plate; c is the thickness of the nut; d is the threaded large diameter; and P is the indirect force of the indirect force. Because the bolt rod tail is not fully constrained, there is a correction coefficient k1 between the actual value and the theoretical value of the bending moment acting on the contact point. Under the action of an applied transverse load, the bolt rod bears not only the equivalent uniform load of indirect action but also the bending moment. Therefore, the flexure of the bolt rod under the equivalent uniform load is expressed as
where θM is the cross-sectional angle; W1 is the bolt rod flexure; l is the total length of the action section (l = a + b + c); E is Young’s modulus; and I is the moment of inertia. When the external transverse load acts on the thread pair, the force and bending moment of the bolt head also appear. Therefore, the bolt head is not completely constrained and has its own plastic deformation, which causes a small angle θ in the bolt head:
where kw is the tilt coefficient of the bolt head. Because the bolt deformation is a small deformation, the end shift caused by the head tilt of the bolt is calculated as follows:
Mr = k1 Mt
θl = kw(F0l + Mr)
x3 = kw(F0l2 + Mrl)
Figure 8.
Vibrating screen bolt structure.
The critical slip displacement of the bolted connection can be calculated according to the principle of superposition:
The vibrating screen is mainly equipped with M20×60, M8×25, and M6×16 specification bolt structures and the high-strength 8.8 grade bolt material is generally 45 steel. The calculation of the M20×60 bolt structure on a vibrating screen is shown in Figure 9 as an example and the bolt parameters are shown in Table 5.
Figure 9.
Bolt structural model of the vibrating screen.
Table 5.
Bolt parameters.
In accordance with the above analysis process, the following parameters were used in the calculation:
Therefore, the effects of the mechanical properties of the bolt material on slip displacement are affected mainly by the tilt coefficient and correction coefficient . However, the total deformation under the critical load can be clearly expressed by adding the contact surface friction angle.
2.5. The Establishment of a Theoretical Model for Macroscopic Dynamics
The combined bolt structure is a nonhinged thick tooth bolt and the bolt rod acts indirectly on the clamp via nut friction, as shown in Figure 10. The complex excitation of the harvester body that acts on the clamp was regarded as the load input. There are frictional contacts among the bolt head, clip, and nut. The nut is connected with the bolt thread by a screw thread under the effects of the positive pressure of the contact surface and the rotational friction moment, as shown in Figure 11.
Figure 10.
Comparison of the deformation of vibrating screen bolts before and after use.
Figure 11.
Axial force on the bolt structure of the vibrating screen.
The axial force of the main part of the bolt structure is the positive pressure of the contact surface between the bolt head and the clamp. In addition, the axial component of the contact surface pressure under the action of the pretension force exists in threaded segments that turn together with the nut. The bolt rod part does not contact the clamp, so there is no other external force in the bolt rod section except for the bolt pretension force. The axial force of the nut consists of the positive pressure force with the contact surface of the clamp and the axial separation force of the secondary contact pressure under the pretension force. In addition, except for the upper and lower surfaces, the nut side does not bear other load excitations. The upper clamp bears positive pressure with the contact surface of the bolt head and the lower clamp and the axial component force of the external complex excitation. The lower clamp bears positive pressure with the nut, the upper clamp contact surface, and the axial component force of the external complex excitation.
2.6. The Establishment Method of the Theoretical Model under Macroscopic Dynamics
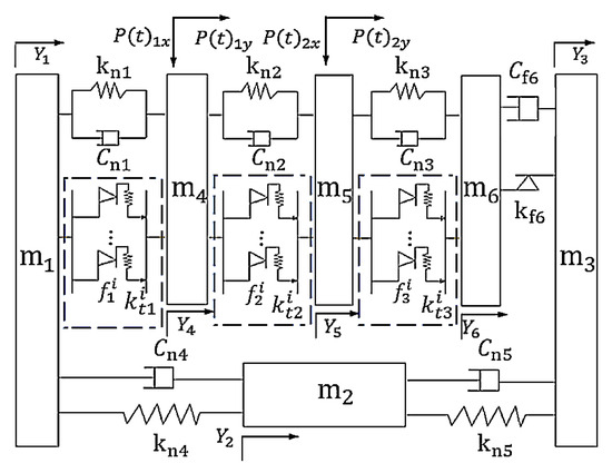
The bolt structure is divided into several concentrated mass blocks to simplify the structure according to the axial force characteristics (the bolt head, bolt rod, and thread sections are referred to as masses 1, 2, and 3, the two clamped pieces are referred to as the masses 4 and 5, and the nut is referred to as mass 6), as shown in Figure 12. The physical parameters of the other signs of the mass model are shown in Table 6. , , , and can be calculated from the hysteresis characteristics of the contact surface and = and are determined by the properties of the material.
Figure 12.
Mass model of the vibrating screen of the bolt structure.
Table 6.
The signs and parameters of the mass model.
By assuming that the axial displacement should be much larger than the tangential magnitude in the macroscopic motion process of the bolt structure, the macroscopic axial dynamics model and the tangential response of microscopic contact surfaces are established and optimized separately. The friction force, , the equivalent friction stiffness, and the damping caused by the contact surface friction need to be ignored when analysing the macroscopic axial dynamics model. Therefore, the kinetic model of bolt structures with rigidity and damping is as follows:
In the formula,
2.7. Calculation of the Equivalent Stiffness/Damping of the Contact Surfaces
The hysteresis behavior can be used to measure the energy dissipation of the contact surface response and the energy dissipation is related to the load changes in the contact surface. Therefore, the equivalent stiffness and damping vector of the contact surface can be constructed from the perspective of energy dissipation. The process of energy dissipation can be simulated by adding periodic displacement excitation, so the excitation of was added to the contact surface to simulate the loading process and unloading process. The real force state of the bolt structure of the vibrating screen was simulated via ANSYS Workbench 2021R1 software and the local structure is shown in Figure 13. The tangential displacement excitation of was set on the connection board of the bolt of the subsystem. The response output of the recovery force was set at the fixed restraint end of the bolted lower plate and the force reaction and strain probe under the incentive of the tangential plate were exported in this simulation experiment.
Figure 13.
Finite element simulation of the contact surface hysteresis behavior of the subsystem.
The tangential response period of the measurement points is the same as that of the loading curve. Although the period of the response output does not change, the forces of the forward maximum displacement and unloading to the reverse maximum displacement are different. The peak value of the loading process in either response or displacement is smaller than that of the unloading process. The curve of the recovery force response is not a regular sine function, so the change rate of the force moving from the equilibrium position to the positive and reverse displacement maxima is greater than the force moving from the positive and negative displacement maxima to the equilibrium position.
The hysteresis curve of the bolt structure is shown in Figure 14 and the curve of the strain–recovery force response can be used to effectively reflect the equivalent damping and stiffness of the contact surface. The curve of the recovery force response under tangential displacement is also a function of time and the tangential recovery force and tangential displacement at time were obtained. The hysteresis curve of the bolt binding surface was obtained on the basis of the abscissa of the excitation of the tangential displacement and the ordinate of the tangential recovery force (, as shown in Figure 15 and Figure 16.
Figure 14.
Theoretical model of hysteresis behavior.
Figure 15.
Hysteresis behavior of the contact surface of the clamped part.
Figure 16.
Hysteresis behavior of the contact surface between the bolt head and the clamped part.
The binding surface tangential response is simplified to , where is the equivalent stiffness of the binding face (the slope of the hysteresis curve). The function slope will change during loading and unloading. Therefore, the equivalent stiffness is specifically classified as the loading stiffness (), unloading stiffness (), and average stiffness (). The loading stiffness and unloading stiffness gradually decrease during the loading process. Therefore, an envelope line gradually appears in the loading and unloading process. The area enclosed by the envelope line is the energy dissipation (ΔW) of the bolt connection surface during a loading and unloading period and the ratio of the energy dissipation (ΔW) and the maximum elastic energy (W) in a period is the relative damping (Ceq), which can describe the size of contact damping:
2.8. A Microkinetic Modeling Method for the Contact Surface of Bolt Structures
The different material attributes and the differing friction properties of the bolt head, clamping structures, and nut result in a more complex response of displacement among centralized mass blocks. The material properties of the contact face and surface roughness need to be considered when studying the tangential response characteristics of the bolt structure, so the convex body contact of the contact face was simplified, as shown in Figure 17. The interactions between the microbulges on the same binding surface of the bolt are ignored according to the isotropy of the connecting surface of the bolted structure [28]. Therefore, the bolted connection structure only bears the external normal pull pressure and tangential shear load, so the displacement vibration response and load excitation of the contact surface all meet the small deformation assumption (the macroscopic body does not deform and the bolt is not subjected to shear force).
Figure 17.
Contact morphology of the microconvex body on the contact surface of the bolt structure.
The differences in the number of surface microconvex bodies and the radius of curvature lead to different forces on the microconvex bodies. The dominant mechanical characteristics of elastic, elastic–plastic, and fully shaped forces on single microconvex bodies can reflect the adhesion, semiadhesion, and sliding phenomena of macrocontact surfaces. The contact behaviors of all or most microconvex bodies in the elastic–plastic stage are very complex but satisfy the boundary conditions for the contact load change, as follows:
where represents deformation; represents the contact area; represents the contact load; E represents the composite elastic modulus of two contact surfaces; and R represents the radius of curvature of the microconvex body. If the microconvex body enters the shaping and deformation stage, the microconvex body will generate complete plastic deformation, which exceeds the critical deformation of the elastic stage, as follows:
where represents the shaping deformation, represents the contact area, represents the contact load, and H represents the hardness of the softer material in the two contact surfaces. The contact behavior of the microconvex body is complex in the elastic–plastic stage. Therefore, the direct interpolation function of the Hermite polynomial can be used to obtain the continuous smooth variation curve of the contact load. in the fully shaping critical deformation stage ( is the elastic critical deformation) [Kogut]. If < microconvex deformation (δ) < , the microconvex body of the contact surface is in a mixed elastoplasticity contact phase. The direct interpolation function of the Hermite polynomial can reduce the undulation of the contact behavior, as follows:
In the formula, ; ; ; q = ; is the contact load for elastoplastic contact deformation; is the polynomial interpolating function; , , and are the coefficient terms of interpolation function; and is the pressure coefficient ( = 0.544 + 0.41 v). On the basis of the smooth and continuous distribution of microconvex bodies and the Iwan model on the contact surface, the loaded-up condition of elastoplasticity can be analyzed. Because the distribution of microconvex bodies on the contact surface is not uniform and is in different elastoplastic phases, the normal distribution function of height ζ(h) can be used to reflect the condition of microconvex bodies, as follows:
where η is the standard deviation of the height; is the standard deviation of the microconvex bodies; and ρ is the distribution density of the microconvex bodies. The contact behavior is embodied in the three states: the adhesive state, the adhesive–slip mixed state, and the slip state, so the loading model of macroscopic contact can be established as follows:
where β is the comprehensive roughness parameter of a rough surface and is the contact area.
3. Results and Discussion
3.1. Analysis of the Time-Domain Characteristics of Response Signals
The distribution position of measurement point 1 is the connection between the cutting table and transportation equipment, as shown in Figure 18, and the vibration response signals in three directions are shown in Figure 19. The vibration signals between the cutting table and the transportation equipment were analyzed from the peak value. The vibration accelerations in the 1-X direction are mainly concentrated at 10 m/s2 but the peak values of vibration acceleration at the impact point are concentrated at 60 m/s2. The peak values have a distinct period rather than randomly occurring excitation signals. Therefore, the effective value of the envelope curve is 6.5 m/s2 through averaging processing. The peak values in the 1-Y direction are as follows: the vibration accelerations in the 1-Y direction are concentrated at 8.5 m/s2 and the peak values of vibration acceleration at the impact point range from 40 m/s2 to 50 m/s2. The peak values of the signals also have an obvious periodicity and the effective value of the envelope curve is 4.7 m/s2. The peak values in the 1-Z direction are as follows: the vibration accelerations in the 1-Z direction are concentrated at 0~7 m/s2 and the peak values of the vibration acceleration at the impact point range from 60 to 85 m/s2. The peak values of the signals also have an obvious periodicity and the effective value of the envelope curve is 7.9 m/s2.
Figure 18.
Distribution position of measurement point 1.
Figure 19.
Comparison chart of the three-directional acceleration time-domain signals of measuring point 1.
The effective values of the envelope curve in different directions are different and the main vibration direction is the 1-X direction.
The motion model of transportation equipment can be simplified to a compound pendulum model. The active shaft is the suspension point and the hydraulic cylinder is the support point. The vibration of the transportation equipment is transmitted mainly to the frame through the suspension point. The distribution positions of measurement point 2 are shown in Figure 20 and the main vibration signals exhibit the characteristics of excitation and instability.
Figure 20.
Distribution position of measurement point 2.
The vibration response signals in three directions are shown in Figure 21. The vibration accelerations in the 2-X direction are mainly concentrated at 3 m/s2 and the local peak value (28 m/s2) occurrence frequency is relatively high. Therefore, the impact characteristics of the bolt structure are more obvious in the 2-X direction and the effective value of the envelope curve is 2.1 m/s2. The peak values in the 2-Y direction are as follows: the vibration accelerations in the 2-Y direction are mainly concentrated at 4.5 m/s2 and the local peak value distribution ranges from 12 to 15 m/s2. The local peak values have a zero-axis asymmetry phenomenon but the local peak values above and below the zero-axis do not show directionality, so this phenomenon cannot indicate the directionality of the unbalanced collisions in the 2-Y direction. The effective value of the envelope curve is 2.1 m/s2. The peak values in the 2-Z direction are as follows: the vibration accelerations in the 2-Y direction are mainly concentrated at 4 m/s2 and the local peak value distribution ranges from 15 to 20 m/s2. There is also zero-axis asymmetry and the local peak in the positive direction is greater than that in the negative direction. The effective value of the envelope curve is 1.7 m/s2. On the basis of the results presented above, the 2-X direction is the direction with the most severe vibration impact on the transportation equipment.
Figure 21.
Comparison chart of the three-directional acceleration time-domain signals of measuring point 2.
The distribution positions of measurement point 3 are shown in Figure 22. The position is close to the main sources of combined vibration, so the energy strength of the vibration signals is the strongest of the measured signals, as shown in Figure 23. The vibrations in the 3-X and 3-Y directions are more stationary and the difference between the local peak and the peak valley is also smaller. The peak value in the 3-X direction is 52 m/s2 and the peak value in the 3-Y direction is 72 m/s2. The peak value in the negative direction of measurement point 3 is 55 m/s2 and the peak value in the positive direction of measurement point 3 is 60 m/s2. Because of the asymmetry of the vibration signal, the collision in the 3-Z direction is more prominent.
Figure 22.
Distribution position of measurement point 3.
Figure 23.
Comparison chart of the three-directional acceleration time-domain signal of measuring point 3.
The effective values of the three orientation envelopes are 10.25, 23.11, and 12.15 m/s2, respectively, from the energy angle, so the vibration energy in the 3-Y direction is the highest at point 3.
The movement structure of a vibrating screen can be simplified to an eccentric crank slider mechanism. The distribution positions of measurement point 4 are shown in Figure 24. The movement structure will lead to urgent return characteristics, so the bolt connections have a strong load impact and the screw threads are easily destroyed. The vibration signals of the vibrating screen are shown in Figure 25. The vibration accelerations in the 4-X direction are mainly concentrated at 2.84 m/s2 but the urgent return characteristics cause the vibration acceleration signals to have a strong impact. The peak values of 22.53, 21.77, and 38.19 m/s2 appeared in the signals and showed obvious asymmetry. The vibration accelerations in the 4-Y direction are mainly concentrated at 9.73 m/s2. Although the vibration in the 4-X direction also has strong excitation and imbalance, the vibration energy is low and is consistent with the motion characteristics of the eccentric crank slider mechanism. The local peak values in the 4-Y direction are the main load and the impact reached 60.57 and 96.91 m/s2. The vibration accelerations in the 4-Z direction are mainly concentrated at 12.42 m/s2 and the peak value of vibration is 109~115.68 m/s2. The impact energy is the strongest in the 4-Z direction, so the bolt connection is the most vulnerable to damage.
Figure 24.
Distribution position of measurement point 4.
Figure 25.
Comparison chart of the three-directional acceleration time-domain signal of measuring point 4.
The main vibration direction of the vibrating screen is the 4-Z direction, which has a higher vibration energy than the other measuring points do. The peak signals not only have strong periodicity but also show strong asymmetry. Therefore, the impact and unbalanced collision of the vibrating screen is significantly greater than those of the other measuring points. The severe impact and collision load is the main load that damages the screw thread.
The connection used to adjust the bolts of the bottom gap in the concave screen is the analytic target and the position of measurement point 5 is shown in Figure 26. The effective values of the envelope curves in the 5-X, 5-Y, and 5-Z directions are 5.86, 2.08, and 3.82 m/s2, respectively, as shown in Figure 27. The acceleration response signal at the bottom of the concave screen is concentrated mainly in the 5-X direction. It is clear that the vibration did not have local peak points with abnormal mutations (no large load impact or collision). The peak values of the vibration signals in the three directions are 27.44, 9.08, and 19.86 m/s2.
Figure 26.
Distribution position of measurement point 5.
Figure 27.
Comparison chart of the three-directional acceleration time-domain signal of measuring point 5.
On the basis of the above analysis, the energy of the vibration response signals is the strongest in the 5-X direction and the positive and negative amplitudes of the vibration signals do not significantly deviate from zero. This shows that there is no obvious unbalanced collision of the load and that the damage to the thread pair is not particularly obvious.
The distribution position of measurement point 6 is shown in Figure 28. The effective values of the envelope curves in the 6-X, 6-Y, and 6-Z directions of the signals are 2.00, 2.17, and 2.89 m/s2, respectively, in Figure 29. Because the closure head is not the working part, the vibration energy of measurement point 6 in the three directions is not significantly different. The peak values of the vibration signals in the three directions at measuring point 6 are 5.84, 10.60, and 14.58 m/s2. Therefore, the 6-Z direction is the most violent vibration direction of the closure head.
Figure 28.
Distribution position of measurement point 6.
Figure 29.
Comparison chart of the three-directional acceleration time-domain signal of measuring point 6.
Measuring point 7 was installed on the connection between the shoppers and the tail frame, as shown in Figure 30. The analysis results of the vibration signals are shown in Figure 31. The effective values of the envelope curves in the 7-X, 8-Y, and 9-Z directions of the signals are 3.03, 3.34, and 5.89 m/s2, respectively. The vibration energy of measurement point 7 in the 7-X and 7-Y directions is not very different but the vibration energy in the 7-Z direction is approximately twice that in the other two directions. The vibration signal in the 7-Z direction, with a peak value of 34.53 m/s2, is greater than the peak value of 23.15 m/s2 in the 7-Y direction. However, the probability density of local peak values with abnormal mutations in the 7-Y direction is significantly greater than that in the 7-Z direction. In summary, the main direction of measuring point 7 is the 7-Z direction.
Figure 30.
Distribution position of measurement point 7.
Figure 31.
Comparison chart of the three-directional acceleration time-domain signal of measuring point 7.
3.2. The Analysis Results of the Vibration Distribution and Excitation Characteristics
A histogram of the peak values for all vibration directions at each measuring point is shown in Figure 32. The peak values of measuring points 1 and 4 are much greater than those of the other positions, which also indicates that the load impact of these two points is much greater than that of the other points. The peak values of points 2, 5, and 7 indicate that these positions have some impact and collision but are generally much smaller than those of points 1 and 4. The negative peak values of other measurement points are sub-Gaussian signals, which indicates the phenomenon of obscure impact and collision characteristics. Therefore, the strongest vibration excitation appeared in the directions of 1-Z, 2-X, 3-Y, 4-Z, 5-X, 6-Z, and 7-Z.
Figure 32.
Comparison of kurtosis.
To increase the accuracy of the results of the time domain characteristics, the whole segment signal is divided into multiple isometric segments and the characteristic values of the vibration response signals at each bolt connection are averaged. The first 10 numerical values of a series of pseudorandom numbers are generated by taking the random function via MATLAB R2021a and random sampling. The 10 data segments were selected with each pseudorandom number as a starting point and separated by 10 seconds. The characteristic values of the 10 data segments are subsequently calculated, as shown in Figure 33. Loss failure typically occurs when the value of the peak value exceeds 4 and severe loss failure occurs when the value of the peak value exceeds 7.
Figure 33.
Random kurtosis of the vibration signal in the main vibration direction at each measuring point.
The peak value of measurement point 1 is the highest at 16.7025. The exceptionally enlarged values indicate that severe excitation will occur during a certain period in the combine harvester, which will obviously increase the impact and collision of the machine and affect the service life of the bolt connections. In addition, the peak value of the response signals at the bolt connection of the vibrating screen edge is 12.5622, which also meets the severe impact and collision standards. The peak value at side point 2 is also at a relatively high level but the peak values of the other measurement points are distributed between 2.5 and 4. Therefore, the bolt structures at other measurement points are relatively stable without frequent impacts and collisions and the damage to the bolt is light.
The positive and negative bias angles represent positive and negative data points, respectively, which are used to distinguish the direction of unbalanced collisions, as shown in Figure 34. There is a large gap in the peak values of many measurement points in different directions, indicating that the unbalanced impact of the combination at the bolt connections has obvious directionality.
Figure 34.
Comparison of peak values.
The peak values in the three directions of the bolt connections of the vibrating screen are high. The peak values of the main vibration direction of each measuring point are shown in Figure 35. The maximum peak value at the four measurement points is 0.2599, so the main vibration direction of the bolt connection of the vibrating screen has multiple unilateral and high-strength impacts. The peak value at the connection of the cutting table and the transportation equipment is also high and the peak values at measurement points 2, 3, 5, and 6 are relatively small.
Figure 35.
Random peak values of the vibration signal in the main vibration direction at each measuring point.
The connection between the margin factor and the peak value is the ratio of the peak value to the amplitude of the square root, so the ratio value can measure not only the wear of the working components but also the degree of impact for the bolt connections. As shown in Figure 36, the movement style of the eccentric crank slider mechanism causes the 4-Z margin factor at the highest level and the value at 3-Y is second only to that at 4-Z. Measurement point 1 varies from the other measurement points because the margin factor only has a high level in the 1-Z direction, possibly because the lateral shaking of the combine harvester is slightly different from the actual situation, and the reserved relative movement gap at the measurement point 1 is only displayed during harvesting.
Figure 36.
Comparison of clearance.
A quantitative analysis is shown in Figure 37 and the maximum value occurs at a 4-Z of 81.1988, which is approximately 30 away from the margin factors of the 1-Z and 3-Y vibration signals at the second gradient. However, the values of the margin factor at 1-Z and 3-Y also differ by approximately 30 from those at the third gradients 5-X and 7-Z. The most vulnerable bolt connections of the vibration impact and wear at each working component can be obtained and classified from the margin factor. The analysis results of the characteristic values in the main vibration direction of the measurement points can also be obtained, as shown in Table 7. All characteristic values at 4-Z are at the highest level, all characteristic values at 5-X, 6-Z, and 7-Z are at the lowest level, and the characteristic values at 1-Z, 2-X, and 3-Y are high or low. Therefore, the analysis of the frequency domain mainly targets four measurement points: 1-Z, 2-X, 3-Y, and 4-Z.
Figure 37.
Random clearance of the vibration signal in the main vibration direction at each measuring point.
Table 7.
Comparison of the characteristics of each measuring point in the main vibration direction.
3.3. Comparison Results of Response Signals under Frequency–Domain Characteristics
The frequency–domain response in the main vibration direction of each measurement point for the short-time Fourier transform can be obtained to further characterize the complexity of the vibration response signals at the bolts and connections of the seven main working components, as shown in Figure 38. It can be seen that 1-Z, 2-X, 3-Y, and 5-X all have wide bandwidths and local sidebands of higher frequency. The local side band of 1-Z and 2-X is at high frequency, the local side band of 3-Y is the interference signal, and the local side band of 5-X is at middle frequency.
Figure 38.
Main vibration direction spectrum diagram of each measuring point.
Therefore, the strong frequency resonance phenomenon of measurement points 1-Z, 2-X, and 5-X reduces the server life of the bolt structure. Because of complex and irregular characteristics, the signals of 3-Y do not need to be analyzed carefully. The resonant frequency, high-frequency, and environmental noise components of bolt structures can be regarded as analytically irrelevant interference signals and can be filtered before the failure of the bolt structure. After removing interference signaling components that retain only low-frequency operating frequencies, the frequencies of 1-Z, 2-X, 3-Y, and 4-Z can be analyzed, as shown in Figure 39. The main frequency of 1-Z is 34.7595 Hz and its 3.5-fold frequency is 123.5181 Hz, which are all in the operating frequency range of the engine. The operating frequency of the sickle and paddle wheels is concentrated at 0–50 Hz with a small amplitude, which has little effect on the bolt structure at the connection. The frequency component at 2-X integrated the base frequency of 9.1199 Hz and its double frequency of 18.2397 Hz and its triple frequency of 27.5996 Hz. The operating frequency (transposition frequency of 34.6995 Hz) of the roller and the same engine frequency (double frequency of 69.3989 Hz) composition at 1-Z are both in the frequency signals of 2-X. The engine rotation frequency and its multiple frequency components are more obvious in the 3-X direction, which includes the main frequency of 34.7195 Hz and its 2, 3, and 4 frequencies. Therefore, the maximum peak point of each measurement point is the engine rotation frequency and its frequency doubling component and the working amplitude of each component is significantly less than the engine rotation amplitude, which becomes the main frequency component affecting the failure of the bolt connection.
Figure 39.
Spectrum diagrams of the low-frequency components for each channel.
The main frequency at 4-Z is 2.32 Hz (the frequency of reciprocating motion at the vibrating screen), which is different from that at the other measurement points. The other amplitude point is 16 times the frequency of the vibrating screen with a reciprocating motion of 37.0794 Hz and the other frequency points do not have components of the engine operating frequency and multiple frequency components. Therefore, the influence of the engine frequency and turn frequency resonance did not exist in the vibrating screen. Therefore, the bolted connection of the vibrating screen is impacted only by the motion characteristics of the eccentric structure.
To further analyze the energy distributions of the vibration signals at the 1-Z, 2-X, 3-Y, and 4-Z measurement points over the whole time course, the time–frequency characteristics of the vibration energy with time and frequency after the data are transformed via short-time Fourier transform, as shown in Figure 40. The vibration energy of 1-Z and 2-X has a high-frequency interference signal but the vibration energy of the other measurement points is concentrated at the low-frequency operating frequency.

Figure 40.
Time–frequency comparison of the four measuring points.
The time–frequency characteristics of 1-Z, 2-X, and 3-Y have significantly prominent characteristics at approximately 35 Hz. However, the frequency ladder is even more pronounced in 3-Y and the darker colored areas of the 4-Z signals are mainly concentrated in the low-frequency band but not in the very obvious frequency ladder. Therefore, the response signals of 4-Z have a wide frequency range and the energy ladder has the largest change. The vibration energy of 4-Z is relatively concentrated but the energy distributions of the 1-Z and 2-X frequency bands are relatively dispersed and random.
3.4. The Establishment Method of the Contact Surface Model under Microkinetics
On the basis of the contact deformation area formed by the microconvex bodies of the contact surface in Figure 15, if the tangential load excitation is added to the contact surface microconvex body system, each microconvex body will exhibit elastic, elastoplastic, and plastic deformation properties. The microconvex body of the contact face can be equivalent to a Jenkins unit (each microconvex body can be composed of a tangential linear spring and sliding damping). The tangential forces of each Jenkins unit also constantly change with the constantly changing tangential load.
where is the equivalent tangential stiffness; is the critical tangential force of the shaping deformation stage; and x is the tangential displacement. Under a tangential load, n contact units of microconvex bodies exist between two contact surfaces according to the random distribution density, as shown in Figure 41.
Figure 41.
Tangential response system of the bolt contact surface on a vibrating screen.
The contact surface has a microscopic tangential displacement response under a tangential displacement load but the states of the microconvex bodies are random. If there are m microdove bodies in the elastic phase, which lead to the contact surface exhibiting adhesive characteristics, there are n−m microconvex bodies in the shaping and sliding stages, which leads to the contact surface exhibiting sliding characteristics. The tangential state of the bolt surface can be obtained through the composition of the response characteristic with the distribution density function Γ(f) of the sliding force, as follows:
The first part of the formula can reflect the tangential response of microconvex bodies in the displacement interval of elastic deformation and the second part can reflect the tangential response of the microconvex bodies within the displacement interval of shaping deformation. A model of the bolt contact surfaces was established via the Iwan model on the basis of the Jenkins unit parallel system. If the contact surface satisfies the classical friction law, the relationship between the normal and tangential loads of the contact surface can be obtained, as follows:
Because of the transition from static friction to kinetic friction, the ratio of the dynamic and static friction factors needs to be determined. is the total force of the critical slip force from the elastic–plastic deformation stage to the plastic deformation stage. is the total force of the process of all the microconvex bodies being in the shaping stage. The ratio of the dynamic friction factor and the static friction factor is ( is the critical displacement when the microconvex bodies exhibit the critical slip force), so the reduced equation based on the Segalman theory is as follows:
where x is the relative displacement change and δ is the relative deformation. The two variables are nondimensionalized () and the tangential response model is as follows:
4. Conclusions
(1) The response characteristics of bolt connections were analyzed on the basis of an excitation response experiment on the connection structure of a combine harvester and an analysis of response signals under time-domain characteristics. The local peak in the 4-Y direction of the vibrating screen was the main load damaging the structures of the bolt connection and the impact reached 60.57 and 96.91 m/s2. The vibration energy intensity in the 4-Z direction was mainly concentrated at 12.42 m/s2, with a peak vibration of 109~115.68 m/s2, which is the maximum vibration energy in the three directions. Therefore, the bolt connections on the vibrating screen were the most prone to failure. The peak values, bias angles, and margin factors of the vibration signals were subsequently analyzed. All the feature values of the peak values in the 4-Z direction were at the highest level (the maximum value of the margin factor is 81.1988) and the feature values in the 5-X, 6-Z, and 7-Z directions were at the lowest level. However, the feature values of 1-Z, 2-X, and 3-Y were random.
(2) The response characteristics of bolt connections were further analyzed on the basis of an excitation response experiment on the connection structure of a combine harvester and an analysis of response signals under frequency–domain characteristics. Unlike other measuring points, the main frequency in the 4-Z direction was 2.32 Hz (the reciprocating motion frequency of the vibrating screen) and the other value point was 16 times the frequency (37.0794 Hz) of the reciprocating motion frequency at the vibrating screen. The engine operating frequency and multiple frequency components of the other three measurement points, which could not generate resonance to the bolt structures of the vibrating screen, did not appear, so the response signal in the 4-Z direction had a wide frequency range. However, the vibration amplitude of the bolt connection of the vibrating screen was much greater than that of the other components, so the bolt connection was only subject to sudden impulses due to the motion characteristics of the eccentric structure.
(3) On the basis of the excitation response experiment on the connection structure of the combine harvester and the analysis of static mechanical properties, a multiple degree-of-freedom model under complex excitation and a macroscopic axial dynamics model were established and a model of the tangential response of the microscopic contact surfaces was optimized. This paper provides a mathematical model for identifying the loose characteristics of bolt connections and provides a theoretical basis for the optimization of bolt connections on combine harvesters.
Author Contributions
Conceptualization, L.W.; Methodology, Z.T.; Validation, B.W. and P.L.; Formal Analysis, G.W.; Data Curation, X.Z.; Investigation, L.W.; Writing—Original Draft Preparation, B.W.; Writing—Review and Editing, G.W. and L.W.; Supervision, G.W. All authors have read and agreed to the published version of the manuscript.
Funding
This research was supported by the “Unmanned Farm” Construction Project of the Rice Breeding Base in the Core Area of the National Modern Agriculture Industrial Park in Hailing District, Taizhou City; the Key Laboratory of Intelligent Equipment and Robotics for Agriculture of Zhejiang Province (2023ZJZD2302); and the Taizhou Science and Technology Support Plan (Agriculture) Project (TN202208, TN202219), Jiangsu Agriculture and Animal Husbandry Science and Technology Vocational College (NSF2023ZR05); and the Key Laboratory Equipment of Modern Agricultural Equipment and Technology (Jiangsu University), Ministry of Education (MAET202326).
Institutional Review Board Statement
Not applicable.
Data Availability Statement
The data used to support the findings of this study are available from the corresponding author upon request.
Conflicts of Interest
The authors declare that there are no conflicts of interest.
References
- Li, Y.; Xu, L.; Lv, L.; Shi, Y.; Yu, X. Study on modeling method of a multi-parameter control system for threshing and cleaning devices in the grain combine harvester. Agriculture 2022, 12, 1483. [Google Scholar] [CrossRef]
- Shen, M.; Shi, R.; Guo, P.; Yang, Y.; Yang, X.; Yang, J. Study on Vibration and Fatigue of Distributed Connection Structures of Reusable Aircrafts. China Mech. Eng. 2024, 35, 45–55. [Google Scholar]
- Ma, Z.; Zhang, Z.L.; Zhang, Z.H.; Song, Z.Q.; Liu, Y.B.; Li, Y.M.; Xu, L.Z. Durable Testing and Analysis of a Cleaning Sieve Based on Vibration and Strain Signals. Agriculture 2023, 13, 2232. [Google Scholar] [CrossRef]
- Tang, Z.; Zhang, H.; Wang, X.Z.; Gu, X.Y.; Zhang, B.; Liu, S.F. Rice threshing state prediction of threshing cylinder undergoing unbalanced harmonic response. Comput. Electron. Agric. 2023, 204, 107547. [Google Scholar] [CrossRef]
- Wang, X.; Wang, Y.; An, Q. Experimental study on seismic behavior of prefabricated beam-to-column high-strength bolted joint with external diaphragms. China Civ. Eng. J. 2020, 53, 53. [Google Scholar]
- Xu, L.Z.; Liang, Z.W.; Wei, C.C.; Chai, X.Y.; Li, Y.M. Vibration Suppression and Isolation for Rapeseed Grain Cleaning Loss Sensor. J. Sens. 2019, 2019, 6108297. [Google Scholar] [CrossRef]
- Ma, Z.; Wu, Z.; Li, Y.; Song, Z.; Yu, J.; Li, Y.; Xu, L. Study of the grain particle-conveying performance of a bionic non-smooth-structure screw conveyor. Biosyst. Eng. 2024, 238, 94–104. [Google Scholar] [CrossRef]
- Qian, P.; Lu, T.; Shen, C.; Chen, S. Influence of vibration on the grain flow sensor during the harvest and the difference elimination method. Int. J. Agric. Biol. Eng. 2021, 14, 149–162. [Google Scholar] [CrossRef]
- Li, X.; Meng, Q.; Du, Y.; Chen, F.; Wang, H.; Zhao, B. Influence of Tightening Strategy on Pre-tightening Force of Aero-engine Single-bolt Connection. J. Mech. Eng. 2020, 56, 231–241. [Google Scholar]
- He, L.; Ren, X. Study on Finite Element Modeling Method of Bolted Joints. Trans. Beijing Inst. Technol. 2020, 40, 1275–1281. [Google Scholar]
- Pang, J.; Li, Y.M.; Ji, J.T.; Xu, L.Z. Vibration excitation identification and control of the cutter of a combine harvester using triaxial accelerometers and partial coherence sorting. Biosyst. Eng. 2019, 185, 25–34. [Google Scholar] [CrossRef]
- Li, H.; Chen, L.; Zhang, Z. A study on the utilization rate and influencing factors of small agricultural machinery: Evidence from 10 hilly and mountainous provinces in China. Agriculture 2022, 13, 51. [Google Scholar] [CrossRef]
- Li, L.; Yue, C.; Fan, J.; Zhou, S. Research on Multi-Axial Excitation Test System and Assembly Deviation Identification of Aero-Engine. Aeronaut. Manuf. Technol. 2022, 65, 86–91. [Google Scholar]
- Li, Y.; Liu, Y.; Ji, K.; Zhu, R. A Fault Diagnosis Method for a Differential Inverse Gearbox of a Crawler Combine Harvester Based on Order Analysis. Agriculture 2022, 12, 1300. [Google Scholar] [CrossRef]
- Wang, K.; Yan, M.; Su, D.; Wang, P.; Hui, A.; Liu, H. Looseness Behavior of Bolted Flange Connections under Cyclic Lateral Load During Rotation Loosening Period. J. Propuls. Technol. 2023, 44, 167–180. [Google Scholar]
- Wang, Z.; Ren, L.; Li, Y.; Wu, Y.; Shu, Y.; Song, Y. Design and Experiment of Load Controller for Chopping Roller of Hay Cutter under Disturbance. Trans. Chin. Soc. Agric. Mach. 2023, 54, 141–154. [Google Scholar]
- Fang, P.J.; Cai, Y.F.; Chen, L.; Wang, H.; Li, Y.C.; Sotelo, M.A.; Li, Z.X. A high-performance neural network vehicle dynamics model for trajectory tracking control. Proc. Inst. Mech. Eng. Part D-J. Automob. Eng. 2023, 237, 1695–1709. [Google Scholar] [CrossRef]
- Lu, J.F.; Feng, Q.S.; Jin, D.D. A dynamic model for the response of a periodic viaduct under a moving mass. Eur. J. Mech. a-Solids 2019, 73, 394–406. [Google Scholar] [CrossRef]
- Gui, X.; Zhang, J.; Liao, R. Finite Element Simulation of Bolt Pre-Tightening Process. Struct. Environ. Eng. 2021, 48, 9–16. [Google Scholar]
- Chen, S.R.; Zhou, Y.P.; Tang, Z.; Lu, S.N. Modal vibration response of rice combine harvester frame under multi-source excitation. Biosyst. Eng. 2020, 194, 177–195. [Google Scholar] [CrossRef]
- Jiang, G.; Hong, R.; Chen, W. Simplified dynamic modeling and model parametric identification for bolted flange connection structures. J. Vib. Shock. 2020, 39, 170–175. [Google Scholar]
- Song, S.; Qiao, Q.; Zhao, H.; Zhou, Y.; Wang, D. Experiment and simulation study on loosening process of stainless-steel bolts with transverse load. J. Mach. Des. 2023, 40, 129–134. [Google Scholar]
- Han, T.; Xu, G.; Li, L.; Li, X.; Xi, X. Research and application of shear resistance of friction connection with high strength bolts. Ind. Constr. 2020, 50, 133–136. [Google Scholar]
- Tian, H.; He, J.; Pu, M.; Jie, J.; Zeng, Z.; Wang, J.; Liu, H. Fatigue fracture mechanism of high strength bolt at blade root of wind turbine based on Abaqus. Ordnance Mater. Sci. Eng. 2023, 46, 117–122. [Google Scholar]
- Fan, X.; Wang, T.; Xia, Z. A new method of joint dynamic properties identification using substructure decoupling. Chin. J. Theor. Appl. Mech. 2021, 53, 3376–3388. [Google Scholar]
- Ming, A.; Li, Z.; Zhang, W.; Chu, F. L-kurtogram and its application to the fault diagnosis of rolling element bearings. J. Vib. Shock. 2020, 39, 27–37. [Google Scholar]
- Ding, X.; Xu, J.; Teng, W.; Wang, W. Fault feature extraction of a wind turbine gearbox using adaptive parameterless empirical wavelet transform. J. Vib. Shock. 2020, 39, 99. [Google Scholar]
- Wang, K.; Yan, M.; Su, D.; Sun, Z. Bolt loosening characteristics based on change of slip-adhesion contact state under shear load. J. Aerosp. Power 2023, 38, 453–461. [Google Scholar]
Disclaimer/Publisher’s Note: The statements, opinions and data contained in all publications are solely those of the individual author(s) and contributor(s) and not of MDPI and/or the editor(s). MDPI and/or the editor(s) disclaim responsibility for any injury to people or property resulting from any ideas, methods, instructions or products referred to in the content. |
© 2024 by the authors. Licensee MDPI, Basel, Switzerland. This article is an open access article distributed under the terms and conditions of the Creative Commons Attribution (CC BY) license (https://creativecommons.org/licenses/by/4.0/).