Biochar Chemistry in a Weathered Tropical Soil: Kinetics of Phosphorus Sorption
Abstract
1. Introduction
2. Material and Methods
2.1. Biochar Formation and Characterization
2.2. Soil Collection and Preparation
2.3. Sorption Studies
2.4. Statistical Methods
3. Results and Discussion
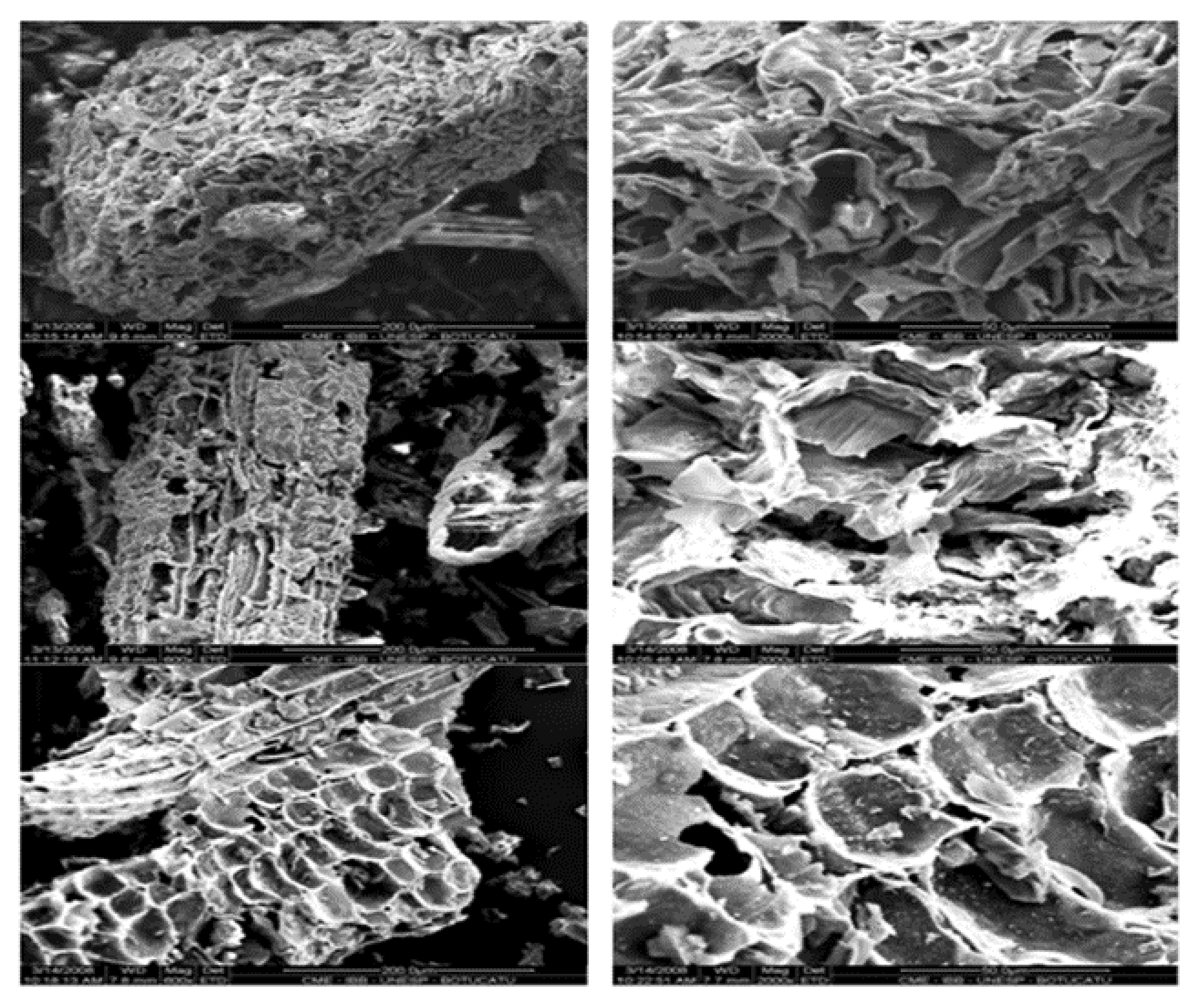
3.1. Biochar and Soil/BC Mixture Characteristics
3.2. Sorption Kinetics
4. Conclusions
Author Contributions
Funding
Institutional Review Board Statement
Informed Consent Statement
Data Availability Statement
Acknowledgments
Conflicts of Interest
References
- FAO. Fao Statistical Yearbook 2014: Latin America and the Caribbean Food and Agriculture; FAO: Santiago, Chile, 2014. [Google Scholar]
- Baligar, V.C.; Fageria, N.K.; Eswaran, H.; Wilson, M.J.; He, Z. Nature and properties of red soils of the world. In The Red Soils of China; Wilson, M.J., He, Z., Yang, X., Eds.; Springer: Dordrecht, The Netherlands, 2004; pp. 7–27. [Google Scholar]
- Sato, S.; Comerford, N.B. Organic anions and phosphorus desorption and bioavailability in a humid Brazilian ultisol. Soil Sci. 2006, 171, 695–705. [Google Scholar] [CrossRef]
- Gonçalves, J.L.d.M.; Firme, D.J.; Novais, R.F.; Ribeiro, A.C. Cinética de adsorção de fósforo em solos de cerrado. Rev. Bras. Ciência Solo 1985, 9, 107–111. [Google Scholar]
- Smethurst, P.J. Soil solution and other soil analyses as indicators of nutrient supply: A review. For. Ecol. Manag. 2000, 138, 397–411. [Google Scholar] [CrossRef]
- Fox, R.L. External phosphorus requirements of Crops1. In Chemistry in the Soil Environment; Dowdy, R.H., Ed.; American Society of Agronomy and Soil Science Society of America: Madison, WI, USA, 1981; pp. 223–239. [Google Scholar]
- Mendham, D.S. Predicting Phosphorus Limitations in Eucalyptus Plantations. Ph.D. Thesis, University of Tasmania, Sandy Bay, Tasmania, 1998; p. 234. [Google Scholar]
- Golchin, A.; Clarke, P.; Baldock, J.A.; Higashi, T.; Skjemstad, J.O.; Oades, J.M. The effects of vegetation and burning on the chemical composition of soil organic matter in a volcanic ash soil as shown by C-13 NMR spectroscopy.1. Whole soil and humic acid fraction. Geoderma 1997, 76, 155–174. [Google Scholar] [CrossRef]
- Lehmann, J.; da Silva, J.P.; Steiner, C.; Nehls, T.; Zech, W.; Glaser, B. Nutrient availability and leaching in an archaeological Anthrosol and a Ferralsol of the Central Amazon basin: Fertilizer, manure and charcoal amendments. Plant Soil 2003, 249, 343–357. [Google Scholar] [CrossRef]
- Steiner, C.; Teixeira, W.G.; Lehmann, J.; Nehls, T.; de Macedo, J.L.V.; Blum, W.E.H.; Zech, W. Long term effects of manure, charcoal and mineral fertilization on crop production and fertility on a highly weathered Central Amazonian upland soil. Plant Soil 2007, 291, 275–290. [Google Scholar] [CrossRef]
- Morales, M.M.; Comerford, N.; Guerrini, I.A.; Falcao, N.P.S.; Reeves, J.B. Sorption and desorption of phosphate on biochar and biochar-soil mixtures. Soil Use Manag. 2013, 29, 306–314. [Google Scholar] [CrossRef]
- Parvage, M.M.; Ulén, B.; Eriksson, J.; Strock, J.; Kirchmann, H. Phosphorus availability in soils amended with wheat residue char. Biol. Fertil. Soils 2013, 49, 245–250. [Google Scholar] [CrossRef]
- Zhai, L.; CaiJi, Z.; Liu, J.; Wang, H.; Ren, T.; Gai, X.; Hi, B.; Liu, H. Short-term effects of maize residue biochar on phosphorus availability in two soils with different phosphorus sorption capacities. Biol. Fertil. Soils 2015, 51, 113–122. [Google Scholar] [CrossRef]
- Glaser, B.; Haumaier, L.; Guggenberger, G.; Zech, W. The ‘Terra Preta’ phenomenon: A model for sustainable agriculture in the humid tropics. Naturwissenschaften 2001, 88, 37–41. [Google Scholar] [CrossRef] [PubMed]
- Lehmann, J.; Rondon, M. Bio-char soil management on highly weathered soils in the humid tropics. Biol. Approaches Sustain. Soil Syst. 2006, 113, 517–530. [Google Scholar]
- Wang, T.; Camps-Arbestain, M.; Hedley, M.; Bishop, P. Predicting phosphorus bioavailability from high-ash biochars. Plant Soil 2012, 357, 173–187. [Google Scholar] [CrossRef]
- Nelson, N.O.; Agudelo, S.C.; Yuan, W.; Gan, J. Nitrogen and phosphorus availability in biochar-amended soils. Soil Sci. 2011, 176, 218–226. [Google Scholar] [CrossRef]
- Cui, H.-J.; Wang, M.K.; Fu, M.-L.; Ci, E. Enhancing phosphorus availability in phosphorus-fertilized zones by reducing phos-phate adsorbed on ferrihydrite using rice straw-derived biochar. J. Soils Sediments 2011, 11, 1135–1141. [Google Scholar] [CrossRef]
- Murphy, J.; Riley, J.P. A modified single solution method for determination of phosphate in natural waters. Anal. Chim. Acta 1962, 26, 31–36. [Google Scholar] [CrossRef]
- Boehm, H.P. Some aspects of the surface-chemistry of carbon-blacks and other carbons. Carbon 1994, 32, 759–769. [Google Scholar] [CrossRef]
- Ministério da Agricultura, Pecuária e Abastecimento (Ed.) Normative Instruction n. 28. Manual de Métodos Analíticos Oficiais para Fertilizantes Min-erais, Orgânicos, Organominerais e Corretivos; 28. Brasília, DF, 31, jul, Diário Oficial da União: Brasília, Brazil, 2007; p. 11. [Google Scholar]
- Bremner, J.M.; Mulvaney, C.S. Nitrogen—Total. In Methods of Soil Analysis. Part 2. Chemical and Microbiological Properties; Page, A.L., Ed.; American Society of Agronomy, Soil Science Society of America: Madison, WI, USA, 1982; pp. 595–624. [Google Scholar]
- Raij, B.V.; Cantarella, H.; Quaggio, J.A.; Furlani, A.M.C.E. Recomendações de Adubação e Calagem Para o Estado de São Paulo, 2nd ed.; Instituto Agronomico: Campinas, Brasil, 1996. [Google Scholar]
- Glaser, B.; Balashov, E.; Haumaier, L.; Guggenberger, G.; Zech, W. Black carbon in density fractions of anthropogenic soils of the Brazilian Amazon region. Org. Geochem. 2000, 31, 669–678. [Google Scholar] [CrossRef]
- Brockhoff, S.R.; Christians, N.E.; Killorn, R.J.; Horton, R.; Davis, D.D. Physical and mineral-nutrition properties of sand-based turfgrass root zones amended with biochar. Agron. J. 2010, 102, 1627–1631. [Google Scholar] [CrossRef]
- Pereira, R.G.; Heinemann, A.B.; Madari, B.E.; de Melo Carvalho, M.T.; Kliemann, H.J.; dos Santos, A.P. Transpiration response of upland rice to water deficit changed by different levels of eucalyptus biochar. Pesqui. Agropecu. Bras. 2012, 47, 716–721. [Google Scholar] [CrossRef]
- Tryon, E.H. Effect of charcoal on certain physical, chemical, and biological properties of forest soils. Ecol. Monogr. 1948, 18, 81–115. [Google Scholar] [CrossRef]
- Falcão, N.P.S.; Moreira, A.; Comerford, N.B. A fertilidade dos solos de Terra Preta de Índio da Amazônia Central. In As Terras Pretas de Índio da Amazônia: Sua Caracterização e Uso Deste Conhecimento na Criação de Novas Áreas, 1st ed.; Teixeira, W.G., Kern, D.C., Madari, B.E., Lima, H.N., Woods, W., Eds.; Embrapa Amazônia Ocidental: Manaus, Brazil, 2010; pp. 189–200. [Google Scholar]
- Regazzi, A.J.; Silva, C.H.O. Testes para verificar a igualdade de parâmetros e a identidade de modelos de regressão não-linear em dados de experimento com delineamento em blocos casualizados. Rev. Ceres 2010, 57, 315–320. [Google Scholar] [CrossRef]
- Gray, D.M.; Dighton, J. Mineralization of forest litter nutrients by heat and combustion. Soil Biol. Biochem. 2006, 38, 1469–1477. [Google Scholar] [CrossRef]
- Strauss, R.; Brummer, G.W.; Barrow, N.J. Effects of crystallinity of goethite.1. Preparation and properties of goethites of differing crystallinity. Eur. J. Soil Sci. 1997, 48, 87–99. [Google Scholar] [CrossRef]
- Penn, C.J.; Camberato, J.J. A critical review on soil chemical processes that control how soil pH affects phosphorus availability to plants. Agriculture 2019, 9, 120. [Google Scholar] [CrossRef]
- Hogue, B.A.; Inglett, P.W. Nutrient release from combustion residues of two contrasting herbaceous vegetation types. Sci. Total Environ. 2012, 431, 9–19. [Google Scholar] [CrossRef]
- DeLuca, T.H.; MacKenzie, M.D.; Gundale, M.J. Biochar effects on soil nutrient transformation. In Biochar for Environmental Man-agement: Science and Technology; Lehmann, J., Joseph, S., Eds.; Earthscan: London, UK, 2009; pp. 251–270. [Google Scholar]
- Raison, R.J.; Khanna, P.K.; Woods, P.V. Mechanisms of element transfer to the atmosphere during vegetation fires. Can. J. For. Res. -Rev. Can. Rech. For. 1985, 15, 132–140. [Google Scholar] [CrossRef]
- Brady, N.C.; Weil, R.R. The Nature and Properties of Soils; Pearson Prentice Hall: Upper Saddle River, NJ, USA, 2008. [Google Scholar]
- Schneider, F.; Haderlein, S.B. Potential effects of biochar on the availability of phosphorus—Mechanistic insights. Geoderma 2016, 277, 83–90. [Google Scholar] [CrossRef]
- Weng, L.P.; Van Riemsdijk, W.H.; Hiemstra, T. Humic nanoparticles at the oxide-water interface: Interactions with phosphate ion adsorption. Environ. Sci. Technol. 2008, 42, 8747–8752. [Google Scholar] [CrossRef]
- Mahan, B.M.; Myer, R.J. Química um Curso Universitário; Edgard Blücher: São Paulo, Brazil, 2002; p. 5. [Google Scholar]
- Barros, N.F.; Filho; Comerford, N.B. Phosphorus sorption, desorption and resorption by soils of the Brazilian Cerrado support-ing eucalypt. Biomass Bioenergy 2005, 28, 229–236. [Google Scholar] [CrossRef]
- Hachiya, K.; Sasaki, M.; Saruta, Y.; Mikami, N.; Yasunaga, T. Static and kinetic-studies of adsorption desorption of metal-ions on a gamma-al2o3 surface. 1. Static study of adsorption desorption. J. Phys. Chem. 1984, 88, 23–27. [Google Scholar] [CrossRef]
- Strauss, R.; Brummer, G.W.; Barrow, N.J. Effects of crystallinity of goethite. 2. Rates of sorption and desorption of phosphate. Eur. J. Soil Sci. 1997, 48, 101–114. [Google Scholar] [CrossRef]
- Papelis, C.; Roberts, P.V.; Leckie, J.O. Modeling the rate of cadmium and selenite adsorption on microporous and mesoporous transition aluminas. Environ. Sci. Technol. 1995, 29, 1099–1108. [Google Scholar] [CrossRef] [PubMed]
- Chintala, R.; Schumacher, T.E.; McDonald, L.M.; Clay, D.E.; Malo, D.D.; Papiernik, S.K.; Clay, S.A.; Julson, J.L. Phosphorus sorption and availability from biochars and soil/biochar mixtures. Clean-Soil Air Water 2014, 42, 626–634. [Google Scholar] [CrossRef]
- Murphy, P.N.C.; Stevens, R.J. Lime and gypsum as source measures to decrease phosphorus loss from soils to water. Water Air Soil Pollut. 2010, 212, 101–111. [Google Scholar] [CrossRef]
- Xu, G.; Sun, J.; Shao, H.; Chang, S.X. Biochar had effects on phosphorus sorption and desorption in three soils with differing acidity. Ecol. Eng. 2014, 62, 54–60. [Google Scholar] [CrossRef]






| Soil Chemical Properties | |||||||||||||
|---|---|---|---|---|---|---|---|---|---|---|---|---|---|
| pH | Ca | Mg | K | Al | H+Al | CEC | P | Zn | Fe | Mn | B | Cu | OM |
| CaCl2 | mmolc kg−1 | mg kg−1 | g kg−1 | ||||||||||
| 4.1 | 3 | 1 | 1 | 11 | 67 | 71 | 6 | 0.1 | 58 | 1 | 0.1 | 1 | 16 |
| Soil/BC Mixture Chemical Properties | |||||||||||||
| 8.0 | 70 | 13 | 41 | 0 | 7 | 132 | 60 | 0.8 | 16 | 7 | 5 | 0.4 | 27 |
| Fast Biochar Chemical Properties | |||||||||||||
| N | P | K | OM | C | C/N | Ca | Mg | S | Na | Cu | Fe | Mn | Zn |
| g kg−1(dry weight) | mg kg–1 (dry weight) | ||||||||||||
| 06 | 1.48 | 16 | 550 | 310 | 48 | 21 | 2 | 190 | 580 | 22 | 4500 | 264 | 42 |
Publisher’s Note: MDPI stays neutral with regard to jurisdictional claims in published maps and institutional affiliations. |
© 2021 by the authors. Licensee MDPI, Basel, Switzerland. This article is an open access article distributed under the terms and conditions of the Creative Commons Attribution (CC BY) license (http://creativecommons.org/licenses/by/4.0/).
Share and Cite
Morales, M.M.; Comerford, N.B.; Behling, M.; de Abreu, D.C.; Guerrini, I.A. Biochar Chemistry in a Weathered Tropical Soil: Kinetics of Phosphorus Sorption. Agriculture 2021, 11, 295. https://doi.org/10.3390/agriculture11040295
Morales MM, Comerford NB, Behling M, de Abreu DC, Guerrini IA. Biochar Chemistry in a Weathered Tropical Soil: Kinetics of Phosphorus Sorption. Agriculture. 2021; 11(4):295. https://doi.org/10.3390/agriculture11040295
Chicago/Turabian StyleMorales, Marina Moura, Nicholas Brian Comerford, Maurel Behling, Daniel Carneiro de Abreu, and Iraê Amaral Guerrini. 2021. "Biochar Chemistry in a Weathered Tropical Soil: Kinetics of Phosphorus Sorption" Agriculture 11, no. 4: 295. https://doi.org/10.3390/agriculture11040295
APA StyleMorales, M. M., Comerford, N. B., Behling, M., de Abreu, D. C., & Guerrini, I. A. (2021). Biochar Chemistry in a Weathered Tropical Soil: Kinetics of Phosphorus Sorption. Agriculture, 11(4), 295. https://doi.org/10.3390/agriculture11040295

