Single-Stage Step-Down Power Factor Corrector without Full-Bridge Rectifier
Abstract
1. Introduction
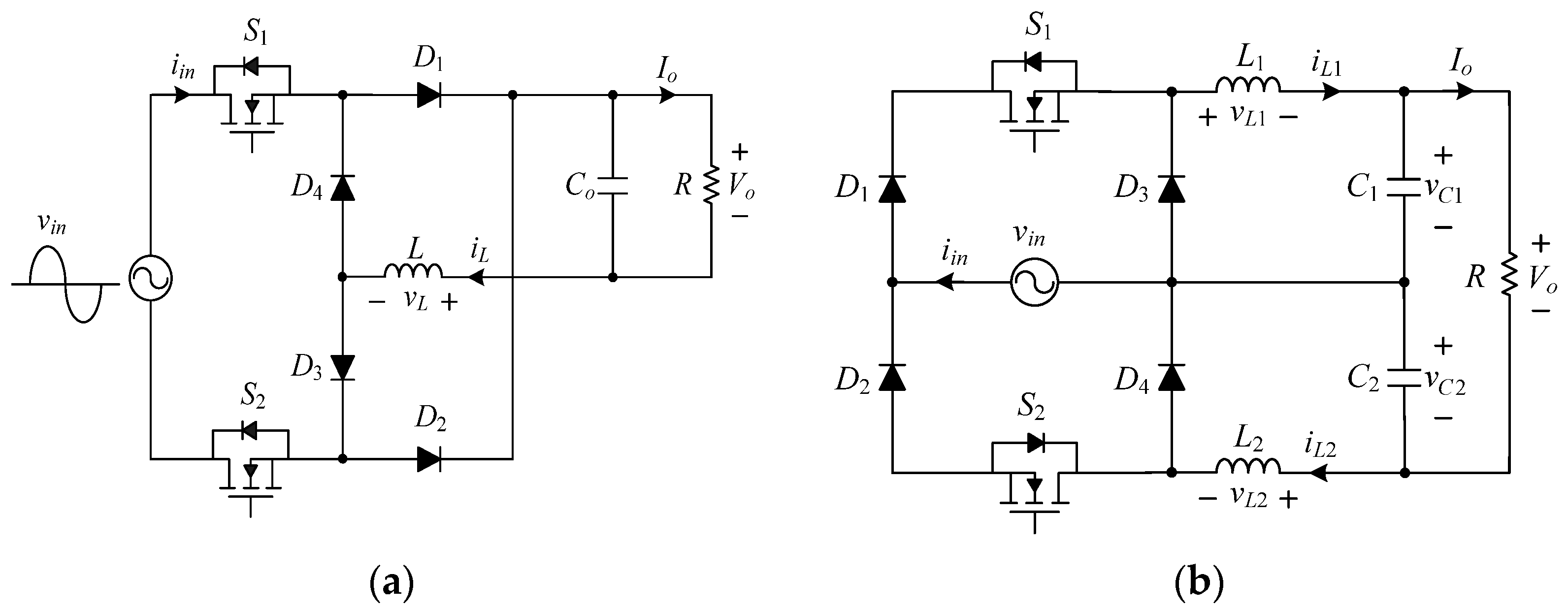
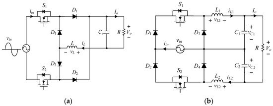
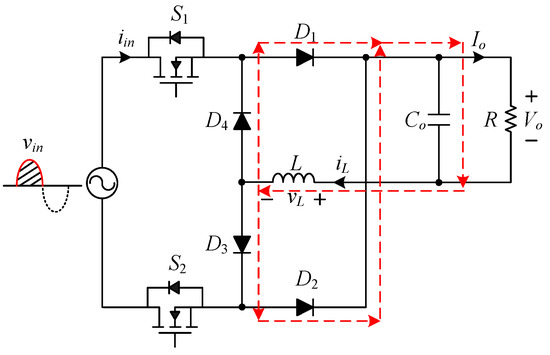
2. System Configuration
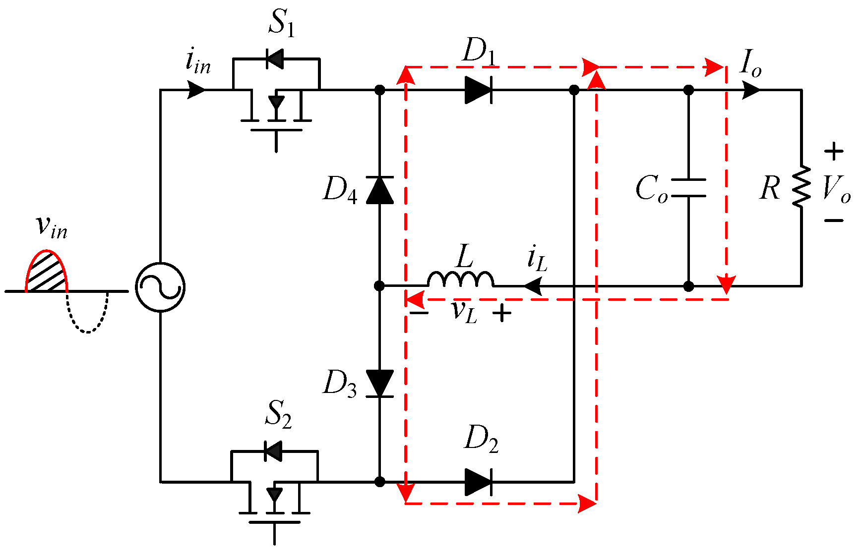
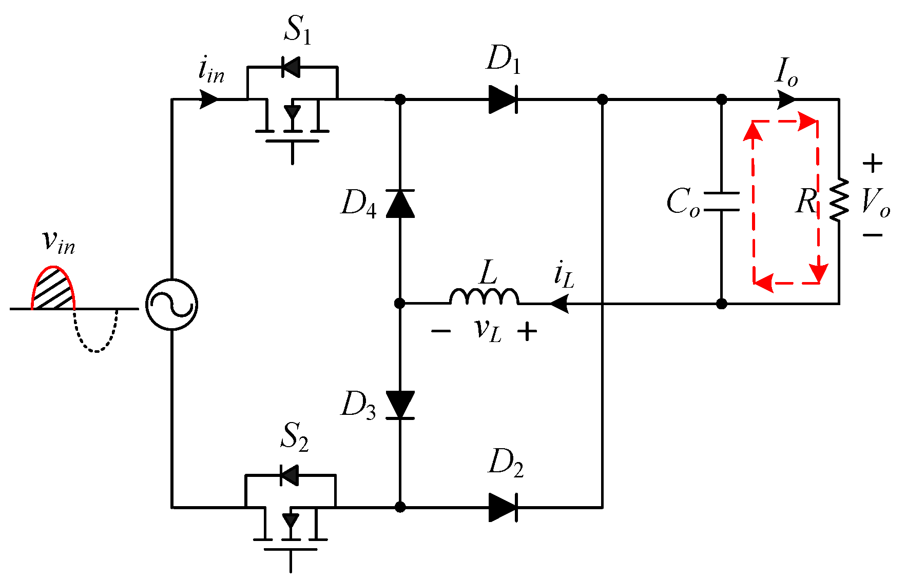
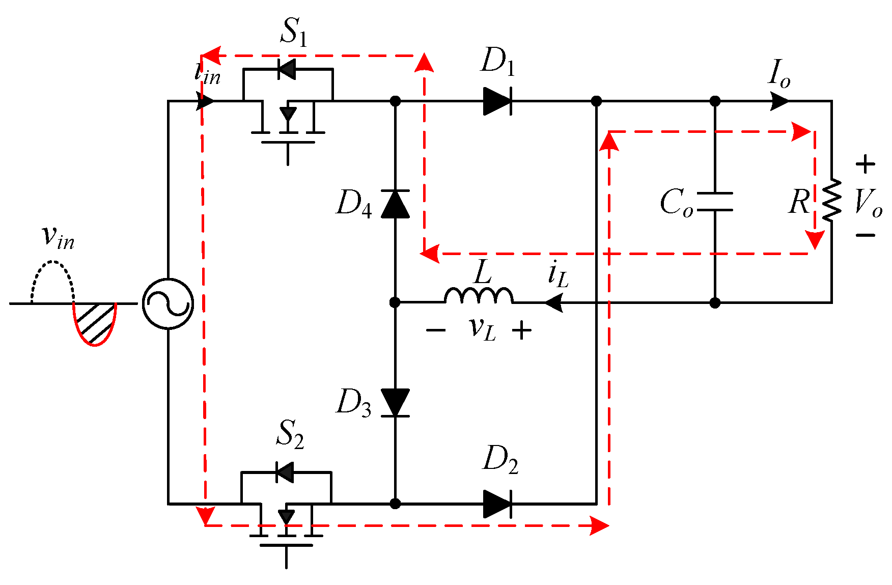
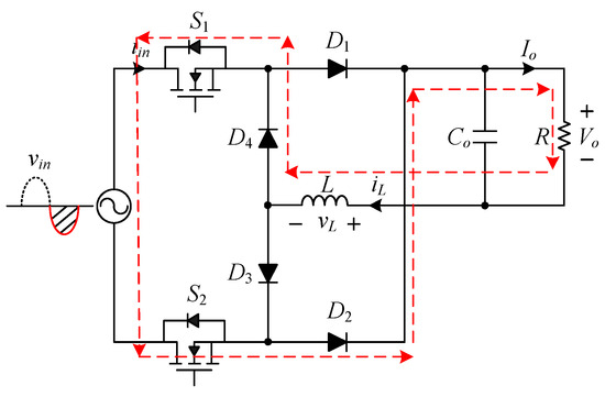
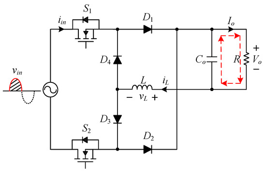
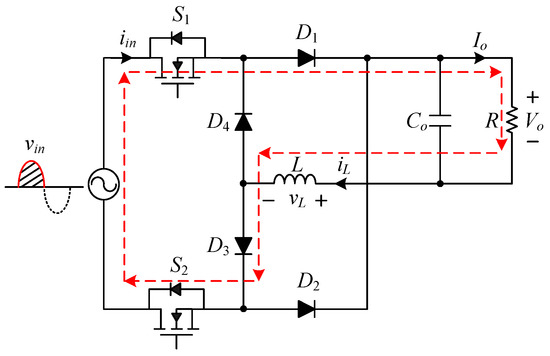
3. Operating Principle
- (1)
- All power switches, diodes, inductors, and capacitors are viewed as ideal components.
- (2)
- The value of the output capacitor Co is large enough so that the voltage across Co is stabilized at some output voltage.
- (3)
- The converter is operated in steady state under DCM.
4. Design Considerations
4.1. Design of Output Inductor

4.2. Design of Output Capacitor
5. Experimental Results
5.1. Measured Waveforms under 110 V Input Voltage
5.2. Measured Output Voltage Ripple under 100% Load at Different Input Voltages
5.3. Measured Curves of THD, PF, and Efficiency
5.4. Comparison between the Proposed and the Existing
6. Conclusions
Author Contributions
Funding
Data Availability Statement
Conflicts of Interest
References
- IEC61000-3-2; Electromagnetic Compatibility (EMC)-Part 3-2: Limits-Limits for Harmonic Current Emissions (Equipment Input Current ≤ 16 A per Phase). International Electrotechnical Commission: Geneva, Switzerland, 2018.
- JIS-C-61000-3-2; Electromagnetic Compatibility (EMC)-Part 3-2: Limits-Limits for Harmonic Current Emissions (Equipment Input Current ≤ 20 A per Phase). International Electrotechnical Commission: Geneva, Switzerland, 2023.
- Farcas, C.; Petreus, D.; Simion, E.; Palaghita, N.; Juhos, Z. A novel topology based on forward converter with passive power factor correction. In Proceedings of the 2006 29th International Spring Seminar on Electronics Technology, St. Marienthal, Germany, 10–14 May 2006; pp. 268–272. [Google Scholar]
- Umesh, S.; Venkatesha, L.; Usha, A. Active power factor correction technique for single phase full bridge rectifier. In Proceedings of the 2014 International Conference on Advances in Energy Conversion Technologies (ICAECT), Manipal, India, 23–25 January 2014; pp. 130–135. [Google Scholar]
- Zhang, F.; Xu, J.; Yang, P.; Yan, T. Tri-state boost PFC converter with high input power factor. In Proceedings of the 7th International Power Electronics and Motion Control Conference, Harbin, China, 2–5 June 2012; pp. 1626–1631. [Google Scholar]
- Pahlevani, M.; Pan, S.; Eren, S.; Bakhshai, A.; Jain, P. An adaptive nonlinear current observer for boost PFC AC/DC converters. IEEE Trans. Ind. Electron. 2014, 61, 6720–6729. [Google Scholar] [CrossRef]
- Cheng, W.; Song, J.; Li, H.; Guo, Y. Time-varying compensation for peak current-controlled PFC boost converter. IEEE Trans. Power Electron. 2014, 30, 3431–3437. [Google Scholar] [CrossRef]
- Mahmud, K.; Tao, L. Power factor correction by PFC boost topology using average current control method. In Proceedings of the 2013 IEEE Global High Tech Congress on Electronics, Shenzhen, China, 17–19 November 2013; pp. 16–20. [Google Scholar]
- Xu, X.; Huang, A.Q. A novel closed loop interleaving strategy of multiphase critical mode boost PFC converters. In Proceedings of the 2008 Twenty-Third Annual IEEE Applied Power Electronics Conference and Exposition, Austin, TX, USA, 24–28 February 2008; pp. 1033–1038. [Google Scholar]
- Wang, Q.; Cai, F.; Miao, Z. A bridgeless dual boost PFC converter with power decoupling based on model predictive current control. In Proceedings of the 2019 4th International Conference on Intelligent Green Building and Smart Grid (IGBSG), Yichang, China, 6–9 September 2019; pp. 397–400. [Google Scholar]
- Jha, A.; Singh, B. A bridgeless boost PFC converter fed LED driver for high power factor and low THD. In Proceedings of the 2018 IEEMA Engineer Infinite Conference (eTechNxT), New Delhi, India, 13–14 March 2018; pp. 1–6. [Google Scholar]
- Ancuti, M.-C.; Svoboda, M.; Musuroi, S.; Hedes, A.; Olarescu, N.-V. Boost PFC converter versus bridgeless boost PFC converter EMI analysis. In Proceedings of the 2014 International Conference on Applied and Theoretical Electricity (ICATE), Craiova, Romania, 23–25 October 2014; pp. 1–6. [Google Scholar]
- Antony, A.S.M.; Immanuel, D.G. Bridgeless PFC rectifier for single stage resonant converter with closed loop and improved dynamic response. In Proceedings of the 2020 3rd International Conference on Intelligent Sustainable Systems (ICISS), Thoothukudi, India, 3–5 December 2020; pp. 1523–1530. [Google Scholar]
- Anand, G.; Singh, S.S.K. Design of single stage integrated bridgeless-boost PFC converter. In Proceedings of the 2014 International Conference on Medical Imaging, m-Health and Emerging Communication Systems (MedCom), Greater Noida, India, 7–8 November 2014; pp. 458–463. [Google Scholar]
- Yu, C.-B.; Hwu, K.-I. Reduction in the number of current sensors of a semi-bridgeless PFC rectifier based on GaNFET characteristics. Processes 2023, 11, 3259. [Google Scholar] [CrossRef]
- Tseng, S.; Fan, J. Bridgeless boost converter with an interleaving manner for PFC applications. Electronics 2021, 10, 296. [Google Scholar] [CrossRef]
- Jin, N.-Z.; Wu, Z.-Q.; Zhang, L.; Feng, Y.; Wu, X.-G. Bridgeless PFC converter without electrolytic capacitor based on power decoupling. Electronics 2023, 12, 321. [Google Scholar] [CrossRef]
- Lopez Lezama, J.M.; Saldarriaga-Zuluaga, S.D. PFC single-phase AC/DC boost converters: Bridge semi-bridgeless and bridgeless topologies. Appl. Sci. 2021, 11, 7651. [Google Scholar] [CrossRef]
- Lu, D.D.-C.; Ki, S.-K. Light-load efficiency improvement in buck-derived single-stage single-switch PFC converters. IEEE Trans. Power Electron. 2013, 28, 2105–2110. [Google Scholar] [CrossRef]
- Ohnuma, Y.; Itoh, J.I. A novel single-phase buck PFC AC-DC converter with power decoupling capability using an active buffer. IEEE Trans. Ind. Appl. 2014, 50, 1905–1914. [Google Scholar] [CrossRef]
- Xie, X.; Zhao, C.; Zheng, L.; Liu, S. An improved buck PFC converter with high power factor. IEEE Trans. Power Electron. 2013, 28, 2277–2284. [Google Scholar] [CrossRef]
- Jovanovic, M.; Jang, Y. Bridgeless high-power-factor buck converter. IEEE Trans. Power Electron. 2011, 26, 602–611. [Google Scholar]
- Chen, Z.; Qi, J.; Chen, X.; Xu, J. Hybrid converter cell-based buck-type bridgeless pfc converters with low THD. In Proceedings of the 2023 IEEE 6th International Electrical and Energy Conference (CIEEC), Hefei, China, 12–14 May 2023; pp. 2221–2226. [Google Scholar]
- Shabana, J.; Renjini, G. Analysis and design of bridgeless buck PFC rectifier with single inductor. In Proceedings of the 2014 International Conference on Circuits, Power and Computing Technologies [ICCPCT-2014], Nagercoil, India, 20–21 March 2014; pp. 861–866. [Google Scholar]
- Malekanehrad, M.; Adib, E. Bridgeless buck PFC rectifier with improved power factor. J. Power Electron. 2018, 18, 223–331. [Google Scholar]
- Lin, X.; Wang, F. A novel bridgeless buck PFC converter with half dead zones. In Proceedings of the 2016 IEEE 11th Conference on Industrial Electronics and Applications (ICIEA), Hefei, China, 5–7 June 2016; pp. 602–606. [Google Scholar]
- Fardoun, A.; Ismail, E.H.; Khraim, N.M.; Sabzali, A.J.; Al-Saffar, M.A. Bridgeless high-power-factor buck-converter operating in discontinuous capacitor voltage mode. IEEE Trans. Ind. Appl. 2014, 50, 3457–3467. [Google Scholar] [CrossRef]
- Chen, Z.; Xu, J.; Liu, X.; Davari, P.; Wang, H. High power factor bridgeless integrated buck-type PFC converter with wide output voltage range. IEEE Trans. Power Electron. 2022, 37, 12557–12590. [Google Scholar] [CrossRef]
- Lin, X.; Wang, F. AC-DC bridgeless buck converter with high PFC performance by inherently reduced dead zones. IET Power Electron. 2018, 11, 1575–1581. [Google Scholar] [CrossRef]
- Lin, X.; Wang, F. New bridgeless buck PFC converter with improved input current and power factor. IEEE Trans. Ind. Electron. 2018, 65, 7730–7740. [Google Scholar] [CrossRef]
- Sahlabadi, F.; Yazdani, M.R.; Faiz, J.; Adib, E. Resonant bridgeless buck PFC converter with reduced components and dead angle elimination. IEEE Trans. Power Electron. 2022, 37, 9515–9523. [Google Scholar] [CrossRef]
- Naveen Kumar, G.K.; Verma, A.K. A high range buck-boost PFC converter for universal input EV applications. In Proceedings of the 2022 IEEE International Conference on Power Electronics, Drives and Energy Systems (PEDES), Jaipur, India, 14–17 December 2022; pp. 1–6. [Google Scholar]
- He, M.; Zhang, F.; Xu, J.; Yang, P.; Yan, T. High-efficiency two-switch tri-state buck–boost power factor correction converter with fast dynamic response and low-inductor current ripple. IET Power Electron. 2013, 6, 1544–1554. [Google Scholar] [CrossRef]
- Yan, Y.-H.; Cheng, H.-L.; Cheng, C.-A.; Chang, Y.-N.; Wu, Z.-X. A novel single-switch single-stage led driver with power factor correction and current balancing capability. Electronics 2021, 10, 1340. [Google Scholar] [CrossRef]
- Jha, A.; Singh, B. Bridgeless buck-boost PFC converter for multistring LED driver. In Proceedings of the 2017 IEEE Industry Applications Society Annual Meeting, Cincinnati, OH, USA, 1–5 October 2017; pp. 1–8. [Google Scholar]
- Hwu, K.I.; Tai, Y.K.; He, Y.P.; Shieh, J.-J. Bridgeless buck-boost PFC Rectifier with positive output voltage. Appl. Sci. 2019, 9, 3483. [Google Scholar] [CrossRef]
- Lee, J.-Y.; Jang, H.-S.; Kang, J.-I.; Han, S.-K. High efficiency common mode coupled inductor bridgeless power factor correction converter with improved conducted EMI noise. IEEE Access 2021, 10, 133126–133141. [Google Scholar] [CrossRef]
- Al Gabri, A.M.; Fardoun, A.A.; Ismail, E.H. Bridgeless PFC SEPIC rectifier with extended gain for universal input voltage applications. In IEEE Transactions on Power Electronics; IEEE: Piscataway, NJ, USA, 2014; pp. 1277–1284. [Google Scholar]
- Etz, R.; Patarau, T.; Petreus, D. Comparison between digital average current mode control and digital one cycle control for a bridgeless PFC boost converter. In Proceedings of the 2012 IEEE 18th International Symposium for Design and Technology in Electronic Packaging (SIITME), Alba Iulia, Romania, 25–28 October 2012; pp. 211–215. [Google Scholar]
- Yang, J.; Zhang, J.; Wu, X.; Qian, Z.; Xu, M. Performance comparison between buck and boost CRM PFC converter. In Proceedings of the 2010 IEEE 12th Workshop on Control and Modeling for Power Electronics (COMPEL), Boulder, CO, USA, 28–30 June 2010; pp. 1–5. [Google Scholar]
- Alawieh, H.; Riachy, L.; Arab Tehrani, K.; Azzouz, Y.; Dakyo, B. A new dead-time effect elimination method for H-bridge inverters. In Proceedings of the IECON 2016—42nd Annual Conference of the IEEE Industrial Electronics Society, Florence, Italy, 23–26 October 2016; pp. 3153–3159. [Google Scholar]





































| Name | Value |
|---|---|
| Input voltage (vin) | 90~130 Vrms |
| Nominal input voltage | 110 Vrms |
| Output voltage (Vo) | 80 V |
| Rated output current (Io,rated) | 1.125 A |
| Rated output power (Po,rated) | 90 W |
| Output voltage ripple () | |
| Switching frequency (fs) | 100 kHz |
| Rated load efficiency (η) | 95% |
| Part No. | |||
|---|---|---|---|
| CM270125 | 157 | 0.654 | 7000 |
| Reference Number | [22] | [23] | [24] | [25] | [26] | [27] | [28] | [29] | [30] | [31] | Proposed |
|---|---|---|---|---|---|---|---|---|---|---|---|
| Input Voltage (Vrms) | 230 | 220 | 230 | 110 | 70.7 | 100 | 110 | 120 | 110 | 110 | 110 |
| Output Voltage (V) | 160 | 160 | 160 | 48 | 50 | 48 | 80 | 85 | 130 | 48 | 80 |
| Power (W) | 75 | --- | 75 | 150 | 31.3 | 100 | 100 | 120 | 100 | 120 | 90 |
| Switch | 2 | 2 | 2 | 2 | 2 | 2 | 3 | 2 | 4 | 3 | 2 |
| Diode | 4 | 5 | 4 | 6 | 4 | 3 | 5 | 4 | 4 | 5 | 4 |
| Magnetic Element | 2 | 1 | 2 | 4 | 3 | 3 | 1 | 2 | 2 | 2 | 1 |
| Capacitor | 2 | 1 | 1 | 4 | 2 | 3 | 1 | 1 | 2 | 2 | 1 |
| THD (%) | 19.6 | 26.7 | 50.69 | 5.1 | --- | 17.7 | 37.2 | --- | --- | 5.3 | 38.2 |
| Power Factor | 0.661 | 0.966 | 0.941 | 0.998 | --- | 0.985 | 0.924 | 0.896 | 0.971 | --- | 0.932 |
| Full-Load Efficiency (%) | 89.5 | --- | --- | 94.5 | 96.6 | 96.3 | 95.3 | 86.2 | 92.1 | 93.1 | 95.7 |
| Switching Frequency (kHz) | 65 | 50 | 65 | 40 | 20 | 50 | 47 | 20 | 50 | 100 | 100 |
Disclaimer/Publisher’s Note: The statements, opinions and data contained in all publications are solely those of the individual author(s) and contributor(s) and not of MDPI and/or the editor(s). MDPI and/or the editor(s) disclaim responsibility for any injury to people or property resulting from any ideas, methods, instructions or products referred to in the content. |
© 2024 by the authors. Licensee MDPI, Basel, Switzerland. This article is an open access article distributed under the terms and conditions of the Creative Commons Attribution (CC BY) license (https://creativecommons.org/licenses/by/4.0/).
Share and Cite
Hwu, K.-I.; Shieh, J.-J.; He, Y.-P. Single-Stage Step-Down Power Factor Corrector without Full-Bridge Rectifier. Appl. Sci. 2024, 14, 3449. https://doi.org/10.3390/app14083449
Hwu K-I, Shieh J-J, He Y-P. Single-Stage Step-Down Power Factor Corrector without Full-Bridge Rectifier. Applied Sciences. 2024; 14(8):3449. https://doi.org/10.3390/app14083449
Chicago/Turabian StyleHwu, Kuo-Ing, Jenn-Jong Shieh, and Yu-Ping He. 2024. "Single-Stage Step-Down Power Factor Corrector without Full-Bridge Rectifier" Applied Sciences 14, no. 8: 3449. https://doi.org/10.3390/app14083449
APA StyleHwu, K.-I., Shieh, J.-J., & He, Y.-P. (2024). Single-Stage Step-Down Power Factor Corrector without Full-Bridge Rectifier. Applied Sciences, 14(8), 3449. https://doi.org/10.3390/app14083449

