Next Article in Journal
Seismic Benefits of a Vibrating Mass Equipped with an Inerter on Frame Structures Due to Soil Interaction
Previous Article in Journal
Thermal Analysis of Radiation Heat Transfer of Improved Fractal Solar Collectors
 
 
Font Type:
Arial Georgia Verdana
Font Size:
Aa Aa Aa
Line Spacing:
Column Width:
Background:
Article

Using Multivalued Cartesian Genetic Programming (M-CGP) for Automatic Design of Digital Sequential Circuits

Department of Applied Computer Science, Faculty of Electrical Engineering, Automatics, Computer Science and Biomedical Engineering, AGH University of Krakow, al. Mickiewicza 30, 30-059 Krakow, Poland
Appl. Sci. 2024, 14(23), 11153; https://doi.org/10.3390/app142311153
Submission received: 23 October 2024 / Revised: 21 November 2024 / Accepted: 25 November 2024 / Published: 29 November 2024
(This article belongs to the Section Computing and Artificial Intelligence)

Abstract

The paper addresses the problem of the automatic design of sequential systems. For a complete description of the operation of the sequential system, a table of states or another representation of transition graphs describing possible changes in system states is necessary. This paper adopts a completely different approach, in which the description of the sequential system results from the study of the responses to signals given from outside and from an unknown system, which is treated as a black box. This approach may be useful when we want to recreate the internal structure of a given, unknown system or when we want to obtain a system based only on the information about the system’s reactions to given external signals, without going into the principles of its operation. The paper presents problems that arise when creating the data strings that describe the reactions of the designed system and ways for solving these problems, and it presents Multivalued Cartesian Genetic Programming (M-CGP)—a new approach used to design sequential circuits. Further research has developed a system based on this model. The paper presents examples of obtained sequential systems generated using the newly created system.

1. Introduction

To fully describe the operation of a digital combinational design, a truth table showing the required output state exhibiting every possible combination of input states is sufficient. However, digital sequential circuits present a much more complex problem. In the case of these systems, a full description of their operation is much more complicated, and a truth table is not enough. To fully describe the operation of a sequential system, a state table or other state diagram representation is necessary. Therefore, there are significantly fewer works concerning the automatic design of sequential systems. These works usually use descriptions of a given system in the form of a state table or other representation of transition graphs to describe possible changes in system states.
This paper takes a completely different approach, in which the description of the sequential system results from the study of the reaction to external signals from a given unknown system, which is treated as a black box. This approach may be useful when we want to recreate the internal structure of a given, unknown system or when we want to obtain a system based only on information about the reactions of this system to signals from outside. It should be noted that in the automatic design of sequential systems, typical functional tests created to test such systems are not as effective as might be expected. Therefore, in the case of the automatic creation of sequential systems, one should create a sequence that describes system operations unlike those used for testing systems; it should be focused on system creation. Generally, there are complete functional tests that allow for 100% determination of the correct operation of the sequential system, but there are no functional tests that allow for a 100% confirmation of the proper operation of the created system. This is due to the fact that for each test predicting states for n clock ticks for arbitrary large n, it may turn out that the system after these n clock ticks will behave contrary to our expectations. This could be caused by the resulting system having more possible states than expected. The paper presents problems that arise when creating descriptive training sequences of such situations and the reasons why they may appear. During the research, a Multivalued Cartesian Genetic Programming (M-CGP), which was used to design sequential systems, was created, as well as a system based on this model.
Generally, in M-CGP, it was assumed that when decoding the genotype, it is possible to additionally divide the types of functions performed by the nodes into any number of groups. This division is used so that the nodes performing the functions of each of these groups can perform calculations based on the results obtained by this group or by other established groups. For this to be the case, the results obtained by the functions of each group can be remembered in separate memory places.
Thanks to this approach, M-CGP allows the designing of common systems for different types of elements, i.e., gates as well as flip-flops. It allows the designing of a system based on the tables that describe the system’s responses. With such a description of the system, and without using the mechanisms proposed in M-CGP, the automatic design of sequential systems, which are treated as a whole using CGP, would simply not be possible. Therefore, no studies using CGP for designing the sequential systems that are based on tables, which describe system response, have been conducted because it simply could not be completed. Thus, what we have here is the qualitative superiority of M-CGP over CGP, namely M-CGP, which allows for designing sequential systems in situations where the basic CGP is of no use.
All the examples of sequential systems presented in this work were created using M-CGP, which is based on the tables that describe the system’s responses. These examples demonstrate the superiority of M-CGP over CGP as the results achieved with M-CGP would not have been possible using traditional CGP alone and without the mechanisms proposed in M-CGP. Therefore, a direct quantitative comparison of the effectiveness of the M-CGP and CGP in the case of the system description being adopted in this work is not possible because CGP cannot be used. At the same time, M-CGP can benefit from all the advantages of CGP. In the case of combinational circuits, M-CGP with a set of functions composed of gates works exactly the same as CGP because these circuits are much simpler.
The paper presents examples of the obtained sequential systems created by using the created system. The adopted solutions allow for the selection of the tables that describe the layout in such a way that it is not too extensive on the one hand, and, on the other hand, it forces the algorithm to ensure that the designed system works as expected. Proposed here is a genetic programming model that enables the creation of sequential systems, based on many data sets. For any given data set, the system operation starts from the beginning (from the RESET signal). The system created should work in such a way that it simultaneously satisfies the entire table, describing the operation of the system for all data sets adopted for a given system. The presented genetic programming model also introduces the possibility of determining a table for each row, or output values in a given line, which is generated as a result of the activation signal appearing on the clk inputs or, perhaps, without this signal. In this way, it is possible to determine that the output change should occur when the inputs are changed without an activation signal given to clk. Consequently, it can also be determined that the output states should not change despite the changing input states. This approach also makes it possible to create circuits, which use various sets of flip-flops and gates, starting with a basic one composed of a JK flip-flop and AND, OR, and NOT gates and ending with a set of eight elements: JK, D, T flip-flops and AND, OR, NOT, NAND, and NOR gates.

2. Related Work

The problem of automatic design of digital electronic systems has been addressed many times. Automatic design of combinational circuits using Cartesian Genetic Programming (CGP) was initiated by the creator of this method [1,2]. He used his own version of genetic programming to synthesize simple circuits such as adders and multipliers. For the automatic design of digital combinational circuits, i.e., much simpler systems than sequential circuits, CGP [3,4], evolutionary strategy [5], and genetic programming [6] were used. Much less work addresses the problem of automatic design of sequential systems. In [7], GA was used to synthesize sequential circuits using a partial input/output signal. In this case, Generic Array Logic (GAL) was used as the target structure; therefore, the results obtained can only be used in GAL hardware. In [8] a four-stage GA for designing synchronous sequential circuits was proposed. At one stage, assigning optimal states was developed, and in another, finding a functional design of separated combinatorial parts. In [9] it was proposed to create a three-step approach to the evolutionary creation of sequential systems. The scalability problem in evolutionary digital circuits design was dealt with in [10] using Developmental CGP (DCGP). Using GA to automate the design of synchronous sequential circuits by using multi-criteria optimization is presented in [11]. In [12] proposition, GA has also been used in the design of sequential logic circuits. The division into blocks consisting of flip-flops and combination parts was presented in the form of tables. A three-step approach where the first step uses a genetic algorithm to simplify the state transition graph of the system and the subsequent development of the combinational part is presented in [13]. Almost all of the works on sequential systems used a description of the structure of a given system in the form of a state table or other representation in the form of transition graphs describing possible changes in system states. An example of an exception is presented in paper [7], in which the description of the system consisted of providing a partial input/output signal. However, in this case, the resulting systems were intended exclusively for GAL and additionally, input/output sequences were generated as random input values and their corresponding outputs. Our approach presents data sets created consciously, taking into account the influence of various types of set modifications on the resulting system using CGP. To conclude, it must be pointed out that CGP is very popular with researchers in various applications and is constantly being improved [14,15,16,17,18,19,20,21,22,23,24,25,26,27,28,29,30,31,32,33,34]. This is particularly significant because advancements in CGP research can directly benefit M-CGP. For example, proposed variations of mutation techniques or crossover operators can be implemented and adapted for use in M-CGP.

3. Multivalued Cartesian Genetic Programming (M-CGP)

In the case of combinational circuits, the way the circuit works can be clearly represented using a truth table. Such a table specifies what output states are to appear for each possible combination of signals given at the system input. Since in combinational circuits the state of the outputs depends only on the current state of the inputs, the number of rows in such a truth table depends directly on the number of inputs and is 2 n , where n is the number of inputs. Conversely, in the case of sequential outputs, the state of the outputs depends not only on the current state of the inputs but also on the state of the system. The state of the system, in turn, depends on what happened before, i.e., the history. A typical description of a sequential system involves presenting an arbitrary graph representing transition, describing possible changes in the states of the system. As this paper assumes that the design of the system will result solely from descriptions of input and output states, a fundamental problem arises. Namely, to fully describe the operation of the sequential system in this case, it would be necessary to describe all possible future situations, additionally taking into account time (in the form of a timing signal). Therefore, if we want the system to operate continuously, the table describing the operation of the system in this situation will have an infinite number of rows, which is not possible for obvious reasons. Therefore, the proposed model assumes the possibility of creating sequential systems based on multiple data sets. For each data set, the system starts from the beginning (from the signal RESET). The created system should operate in such a way as to simultaneously satisfy the table of all data sets adopted for a given system. Additionally, it is also possible to set a table describing the operation or output values for each row in a given line, which are to be created as a result of the appearance of an edge activating the flip-flops on the clk inputs, or without this edge. Thus, it can be determined that the outputs should be changed when the inputs are changed without the edge given on clk. Thanks to this solution, you can also determine that the state of the outputs should not change despite the change in the state of the inputs. In CGP, any acyclic directed graph is represented using a genotype, which is a sequence of numbers. Each node of the graph is represented by several genes, one of which determines the function performed by a given node and the others determining the node numbers, whose outputs are treated as inputs of a given node. The genes that make up the genotype are integers. The inputs of a given node can be connected to the outputs of other nodes as well as to the inputs of the system. The last genes of the genotype represent the node numbers to be treated as outputs of the entire system. The resulting graph, which is the result of decoding the genotype, is called the phenotype. The phenotype is the specific solution obtained, in our case, a specific sequential system.

3.1. The Decoding of M-CGP Genotype

CGP genotype decoding consists of calculations that allow us to obtain the output values for a given obtained system. Traditionally, these calculations consist of two stages: obtaining information about which nodes are active (they have a direct or indirect impact on the output value) and counting the output values of subsequent active nodes and system outputs. This is where the M-CGP approach proposed in this paper differs from classic CGP because it allows calculations for different groups of types of functions performed by nodes based on performance data obtained by this group or by other established groups. To make this possible, the calculation results of each group can be saved in separate memory places. In our case, separate groups are created with logic gates and flip-flops. The values of logic gates and flip-flops are calculated based on other data. This results directly from the way these two groups of elements work. In the adopted M-CGP model, any number of function type groups can be established, for which there will be different input data and the output data saved in a different place, but for sequential functions, three such groups are enough for digital circuits. The first group contains all the flip-flops, and the other two groups (the same) contain logic gates. The genotype decoding method adopted in this paper allows for calculation values corresponding to the output states of each node of the sequential system. All states of a sequential system include the values of all inputs of the system and outputs of all flip-flops and logic gates. The adopted procedure for decoding the M-CGP genotype is as follows:
  • Determining which nodes are active, i.e., have a direct or indirect influence on the output value. This point is implemented in the same way as in classic CGP.
  • States corresponding to the system inputs are set. These inputs are assigned states with initial numbers, i.e., if there are, e.g., five inputs, the first five states correspond to these inputs. These states are stored in two memory tables, under V A L U E S and the V A L U E S _ A L P H A .
  • If the RESET signal indicating the start of the system operation appears, the states of the outputs of all nodes (flip-flop outputs and logic gates) are reset to zero and stored in the A L P H A _ V A L U E S table.
  • The existing A L P H A _ V A L U E S of the flip-flop and logic gate outputs are copied to the V A L U E S table.
  • Consequently, the node values (flip-flop outputs and logic gates) are counted as follows:
    • The values of the flip-flop outputs are counted and changed only if the input data show that an activation signal has appeared on clk inputs. New values of the flip-flop outputs are calculated based on the previous states of their inputs contained in the V A L U E S table; however, they are stored in the A L P H A _ V A L U E S table. This method of operation results directly from the fact that the state of the output flip-flops changes only after some time (after the conventional alpha time). This means that if, for example, the output of flip-flop 1 is connected to the input of flip-flop 2, then when the state of these flip-flops changes synchronously, the state of the flip-flop 2 changes should take place based on the current state of the output of flip-flop 1 before its change, and this state is stored in the V A L U E S table. The same method of analyzing the operation of sequential systems is carried out, for example, in processes in the VHDL hardware description language.
    • The values of the logic gate outputs are calculated based on the data contained in the A L P H A _ V A L U E S table and are stored in the table A L P H A _ V A L U E S . This is needed to determine the output states of the entire system based on the new flip-flop output states.
    • Additionally, for each gate, the values of their outputs are saved in the V A L U E S table, calculated based on the data contained in the V A L U E S table. This is necessary because these values are needed to correctly calculate the values of the flip-flops, i.e., correct determination of the input states of these flip-flops. Thanks to this, the flip-flop inputs can be determined based on the current system input but without taking into account the current changes in other flip-flops.
  • Finally, after counting the values of all flip-flops and logic gates based on the
    A L P H A _ V A L U E S table, system output values are calculated.
The above description of M-CGP genotype decoding in the case of sequential systems shows that two groups of nodes operate on various data. During calculations, nodes that are flip-flops change A L P H A _ V A L U E S based on V A L U E S and nodes being gateways change V A L U E S based on V A L U E S , and additionally change A L P H A _ V A L U E S based on A L P H A _ V A L U E S . Also, the flip-flops change values only when an activation signal appears on the clk, while gates always change values.
Generally, in M-CGP it is assumed that when decoding the genotype, it is possible to additionally divide the types of nodes into any number of groups. This division is used so that the nodes of each of these groups can perform calculations based on the results obtained by this group or by other established groups. To make this happen, the results obtained by the nodes of each group can be stored in separate places of memory. This is the fundamental difference between the M-CGP introduced in this paper and the genotype decoding described in classic CGP [2]. This difference significantly increases the possibilities of the method.

3.2. General Genotype Decoding Model in M-CGP

Let
X—set of values on which calculations will be performed,
M i i-th table in memory: M i = [ w i 1 , w i 2 , , w i m ] , where i = 1 , 2 , . . . , n and j = 1 , 2 , . . . , m : w i j X . So we have n tables in memory.
Z—the set of all possible k of functions f i , which can be used by nodes, f i Z i = 1 , 2 , . . . , k
Z i —subsets of functions Z, thus Z i Z i = 1 , 2 , . . . p . Thus we have p of subsets. Those subsets may have common parts. To each subset Z i two values are assigned:
i n ( Z i ) —index table with input data, which contain arguments on which the functions belonging to Z i will perform calculations,
o u t ( Z i ) —index table on which the results calculated by the functions belonging to Z i are to be entered
Then, for each node, knowing from the genotype that the f i function operates in this node, that the arguments of this function are values counted by the nodes r 1 , r 2 , . . . , r k , and that the number of the node for which we are calculating the output value is r 0 , we calculate the following:
Z j such that f i Z j , we calculate
M o u t ( Z j ) [ r 0 ] : = f i ( M i n ( Z j ) [ r 1 ] , M i n ( Z j ) [ r 2 ] , . . . , M i n ( Z j ) [ r k ] ) , where
j = 1 , 2 , . . . p ,
p—subset count,
k—means the number of arguments accepted by the f i function
In addition to the above calculations, copying M tables is also allowed:
M i : = M j where i { 1 , 2 , , n } , j { 1 , 2 , , n } , n—table count
and copying the values from the inputs to the initial q positions in a given array, where q is the number of inputs:
M i [ 1 : q ] : = I N P U T S , where i { 1 , 2 , , n }
Generally, adopting such calculation methods is useful for complex models, e.g., automatic neuron network generation, where we deal with various types of layers and specific communication between different types of layers (work in progress).
In the case described in this paper, the above general model is as follows:
X = { 0 , 1 } ,
M 1 = V A L U E S , M 2 = A L P H A _ V A L U E S ,
Z—a set of flip-flops and logic gates. Three variants were used during the research: Z = { J K , A N D , O R , N O T } , Z = { J K , D , T , A N D , O R , N O T } as well as Z = { J K , D, T, A N D , O R , N O T , N A N D , N O R }
Z 1 —set of flip-flops, Z 2 – set of gates, Z 3 – also set of gates, Z 3 = Z 2 .
i n ( Z 1 ) = 1 , o u t ( Z 1 ) = 2 ,
i n ( Z 2 ) = 2 , o u t ( Z 2 ) = 2 ,
i n ( Z 3 ) = 1 , o u t ( Z 3 ) = 1 ,
then, according to the general model described, the calculations for each node to which fi is assigned are as follows:
  • (a) If f i Z 1 ( f i being a flip-flop), then
    M 2 [ r 0 ] : = f i ( M 1 [ r 1 ] , M 1 [ r 2 ] )
    thus,
    A L P H A _ V A L U E S [ r 0 ] : = f i ( V A L U E S [ r 1 ] , V A L U E S [ r 2 ] ) .
  • (b) If f i Z 2 ( f i being a logic gate), then
    M 2 [ r 0 ] : = f i ( M 2 [ r 1 ] , M 2 [ r 2 ] )
    thus,
    A L P H A _ V A L U E S [ r 0 ] : = f i ( A L P H A _ V A L U E S [ r 1 ] , A L P H A _ V A L U E S [ r 2 ] ) .
  • (c) If f i Z 3 ( f i being a logic gate), then
    M 1 [ r 0 ] : = f i ( M 1 [ r 1 ] , M 1 [ r 2 ] )
    thus,
    V A L U E S [ r 0 ] : = f i ( V A L U E S [ r 1 ] , V A L U E S [ r 2 ] ) .
and we also note the following:
  • Additionally, before calculations for a given sample, input data are transferred to the initial part of the tables:
    M 1 [ 1 : q ] : = I N P U T S and M 2 [ 1 : q ] : = I N P U T S
    Therefore,
    V A L U E S [ 1 : q ] : = I N P U T S , and A L P H A _ V A L U E S [ 1 : q ] : = I N P U T S .
  • Additionally, after counting the values for all nodes, the following occurs:
    M 1 : = M 2
    thus,
    V A L U E S : = A L P H A _ V A L U E S .

3.3. Target Function

The target function is calculated in such a way that for each data set (there may be many data sets starting with RESET) and for each element contained in a given set, the genotype is decoded, as a result of which we obtain the output value. Based on the obtained output values, the number of differences in the obtained values of individual outputs and the corresponding output values in the element of the training sequence is counted. The sum of the differences obtained in this way for all elements of the training sequence contained in all data sets constitutes the adopted criterion.

3.4. Mutation

The mutation used in CGP was adopted, in which a random gene changes its value to a random value within the allowed range. The mutation occurs with the adoption of this probability. To explain the mutation process in detail, let us assume, for example, the following genotype:
([4]0 1 2), ([5]1 2 2), ([6]2 1 1), ([7]2 3 3), ([8]3 1 1), ([9]1 6 5), ([10]0 6 8), ([11]1 9 10), 0 6 5 7
A node number was added in the square bracket in the above description of the genotype for easier readability. Of course, this node number does not appear as part of the genotype. Node numbering starts from a value equal to the number of system entries. The system’s inputs are numbered from zero. Three numbers inside parentheses denote the following order: the number of the function type, the number of the node whose output is the input number 1, and the number of the node whose output is input number 2. The genotype describes a system composed of 8 nodes, four inputs, and four outputs. It consists of as many genes as the number of nodes multiplied by 3 plus the number of outputs. So, this genotype consists of 28 genes.
The mutation proceeds in such a way that, at the beginning, according to a flat probability distribution, the position of the changed gene is drawn. We mark positions from zero, i.e., in the analyzed case, the random position of the changed gene will take a value from 0 to 27. If the drawn position concerns outputs (values from 24 to 27), then the value of this gene will take on the new randomly selected value from a range denoting the input and output numbers of all nodes. That is, from 0 to the number nodes plus the number of entries minus 1, so it is in the analyzed genotype from 0 to 11. Whereas, if the previously drawn changed gene position concerns a node, then if this gene specifies the function number (gene position %3== 0), a new value of this gene is drawn: range from 0 to the number of functions minus 1. However, if the randomly selected gene does not concern a function (gene position %3!=0), the value of one of the inputs of the system or from the exit nodes to the left of the node to which the gene being changed belongs is randomly drawn. So if the changed gene belongs, for example, to node number 8, its new value is drawn from the range 0 to 7, of which values from 0 to 3 indicate the inputs of the system and values 4 to 7 indicate the outputs of the nodes.

3.5. Evolution of Genotypes

Classic CGP solutions were adopted. A variant of a simple evolutionary algorithm known as the 1 + λ evolutionary algorithm was used. A population of five individuals was assumed. At the beginning, five genes are drawn, with each gene taking a random value from the range consistent with the rules described in the description of mutation. These five individuals constitute the first population of genotypes. Then the best one is selected based on the adopted criterion, and this one and its four mutations pass to the next generation. If there are several best individuals in a given population, then one of the best (different from the one from the previous generation) and four of its mutations proceed to the next generation. Continuing this process, we go through several generations until we get to the population in which there is an individual that meets the adopted criterion or until we reach the maximum number of generations. Then, we stop the operation. As in classic CGP, no crossover operator was used. Figure 1 shows the block diagram displaying the operation of M-CGP applied to designing sequential systems.

4. Experimental Setup

During the research, a special system was created to enable experiments. It was written in C++ based on the model presented in this paper. When conducting experiments, attention should be paid to three CGP parameters: the number of columns, the number of rows, and the levels-back. The product of the first two parameters determines the maximum number of computational nodes allowed. The levels-back parameter limits the columns from which a node can take input. In this study, the number of CGP rows was assumed to be one. The levels-back parameter was assumed to be equal to the number of columns, i.e., each graph node can download data from any node on its left side. In this case, the genotype may represent a directed graph in which the upper limit on the number of nodes in the graph is determined by the number of columns. It was assumed that the number of columns representing the maximum number of nodes with the settings adopted above will be determined during the research as needed. Later in the paper, this parameter will be marked as n u m b e r _ c o l u m n s C G P .
It was assumed that all designed systems will be synchronous, so the clk inputs of all flip-flops will be connected to one common clock signal. Due to the fact that all clk inputs are connected to one clocking signal, for the sake of readability, the clk signal connections have not been drawn in all presented diagrams. The following sets of gates and flip-flops were used in the research:
  • set no. 1: JK flip-flop, AND, OR, NOT gates;
  • set no. 2: JK, D, T flip-flops, AND, OR, NOT gates;
  • set no. 3: JK, D, T flip-flops, AND, OR, NOT, NAND, NOR gates.
In the further description, it was assumed that the activating signal fed to the clk inputs of the flip-flops will be a rising edge.

5. Results and Discussion

As a result of the research, experiments were carried out, and several typical sequential systems were obtained. Some of these systems were selected to present emerging problems and ways of solving them.

5.1. Synchronous Counter

As a first example, an ordinary 4-bit counter was tried. For this purpose, Table 1, which describes the operation of the system, was created, and it consisted of 16 lines.
The first line specifies the initial state of the inputs and outputs that should appear immediately after starting the system. The state obtained after the first activation signal given to clk appears in line 2. The value 1 in the first column denoting the clk signal means that an activation signal (rising edge) appears on all clk inputs, causing a change in the value of the flip-flops. A value of 0 in this column means there is no edge, so there is no change in the state of all flip-flops. Since the circuit does not have access to constants, one input representing the constant value 0 was created, so the circuit could use this constant. In this way, it was intended to obtain a synchronous counter counting the signals appearing on the clk inputs. The assumed n u m b e r _ c o l u m n s C G P = 8 (maximum number of CGP nodes) and the set of functions: JK flip-flop (function type 0), AND gate (function type 1), OR (function type 2), NOT (function type 3). The result was the genotype:
*([1]3 0 0), *([2]0 1 1), *([3]0 2 2), *([4]1 3 2), ([5]1 1 2), *([6]0 4 4), *([7]1 6 4), *([8]0 7 0), 8 6 3 2
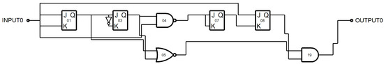
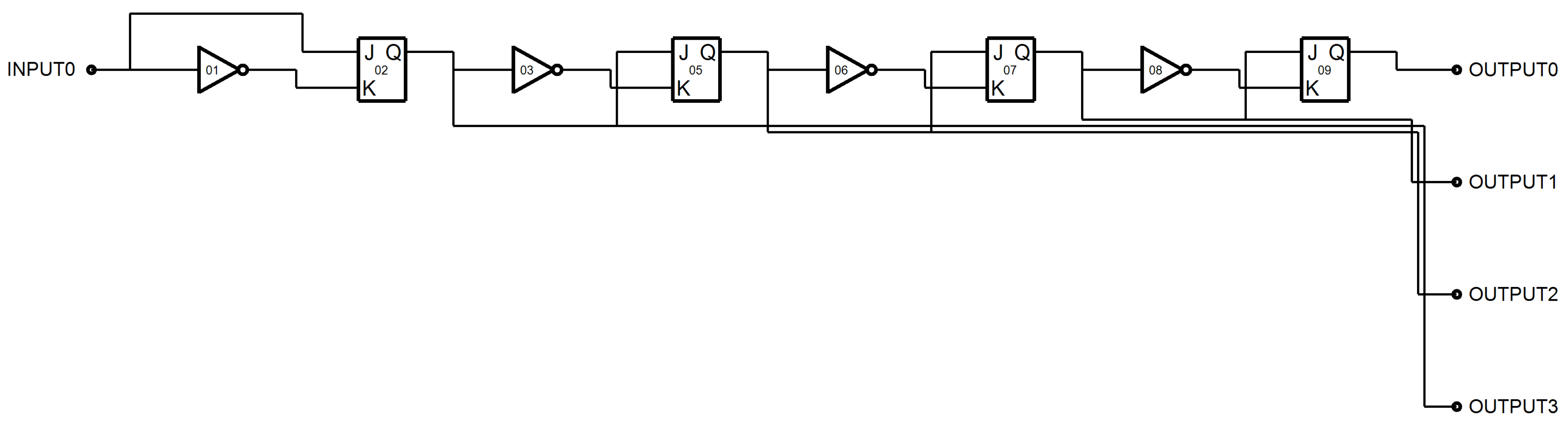
Active nodes are marked with *, i.e., those on which the state of the outputs depends directly or indirectly. In the above description of the genotype, for easier reference to the figure, the node number has been added in square brackets. Of course, this node number does not appear as part of the genotype. The three numbers inside the round brackets denote in the following order: the number of the function type, the number of the node whose output is input number 1 and the number of the node whose output is input number 2. This genotype represents the system shown in Figure 2.
As you can see, the OUTPUT1, OUTPUT2, and OUTPUT3 outputs are obtained correctly. However, the problem occurs with the OUTPUT0, which is the output of the JK 08 flip-flop. As can be seen from the diagram, the K input of this flip-flop is permanently connected with the value 0, while the J input is connected to the output of the AND gate 07, which obtains the value 1 when all outputs JK 02 and JK 03 and JK 06, which are also the outputs OUTPUT1, OUTPUT2, and OUTPUT3 of the system, have the value 1 at the same time. This situation occurs after seven rising edges of clk, so after the eighth edge, the value of the JK 08 flip-flop will change from state 0 to state 1 because then, the J input will have the value 1 and the K input will have the value 0. However, after such a correct change, the output state of this flip-flop 08, which is the OUTPUT0 output of the system, will never be able to change again. In this way, the designed system works in accordance with the table describing the operation of the system, which does not indicate that the counter should count from zero after obtaining its maximum value. On the other hand, the same table does not indicate that this should not be the case. However, if we want to achieve such an effect, we must explicitly define what should happen after obtaining the maximum value. Let us add an additional one line obtaining Table 2.
The parameters n u m b e r _ c o l u m n s C G P and the set of functions have been left unchanged. The result was the genotype:
*([1]3 0 0), ([2]0 1 1), *([3]0 1 1), *([4]0 3 3), *([5]1 3 4), * ([6]0 5 5), *([7]1 6 5), *([8]0 7 7), 8 6 4 3
This genotype represents the system shown in Figure 3.
As can be seen, the resulting system is a classic asynchronous counter. It should be noted, however, that as a result of the research, even with the same parameters determining the operation of genetic programming, many different systems were obtained that met the requirements specified in the same table. For example, the genotype was obtained:
*([1]3 0 0), *([2]0 1 1), *([3]0 2 2), ([4]1 1 3), *([5]0 3 3), * ([6]0 5 5), *([7]1 6 5), *([8]0 7 7), 8 6 3 2
representing the system shown in Figure 4.
It should be noted that instead of using an AND gate, the JK 05 and JK 06 flip-flops were used in this circuit. Despite this, the outputs of this circuit behave exactly like the outputs of the circuit in Figure 3.

5.2. The Fundamental Problem with Sequential Systems

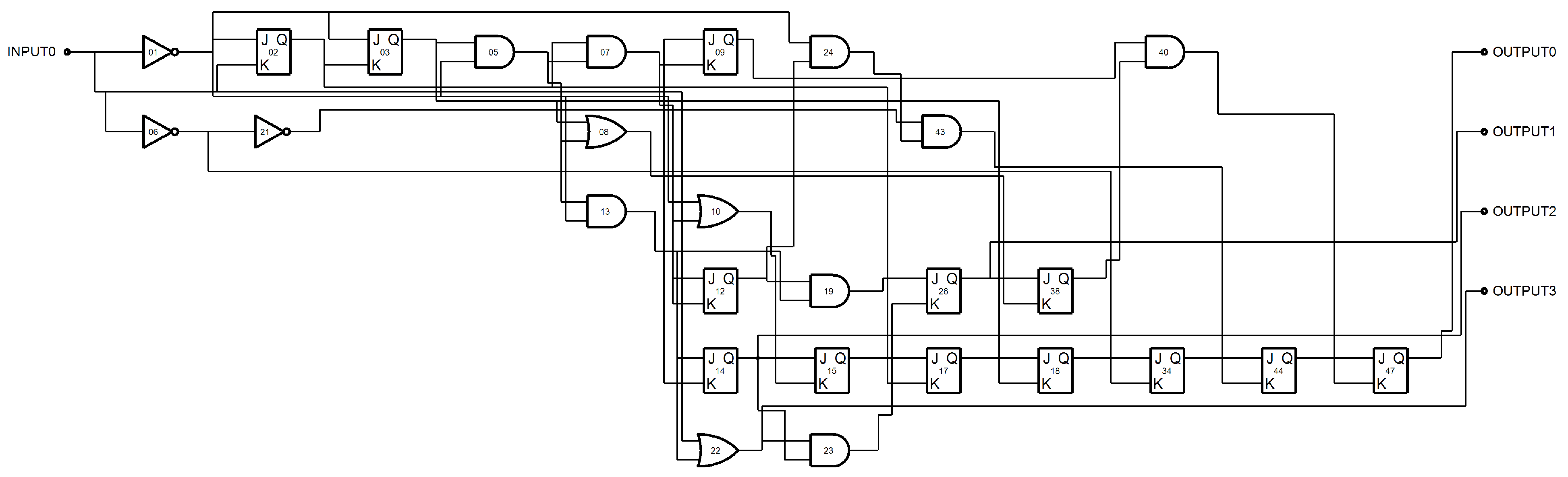
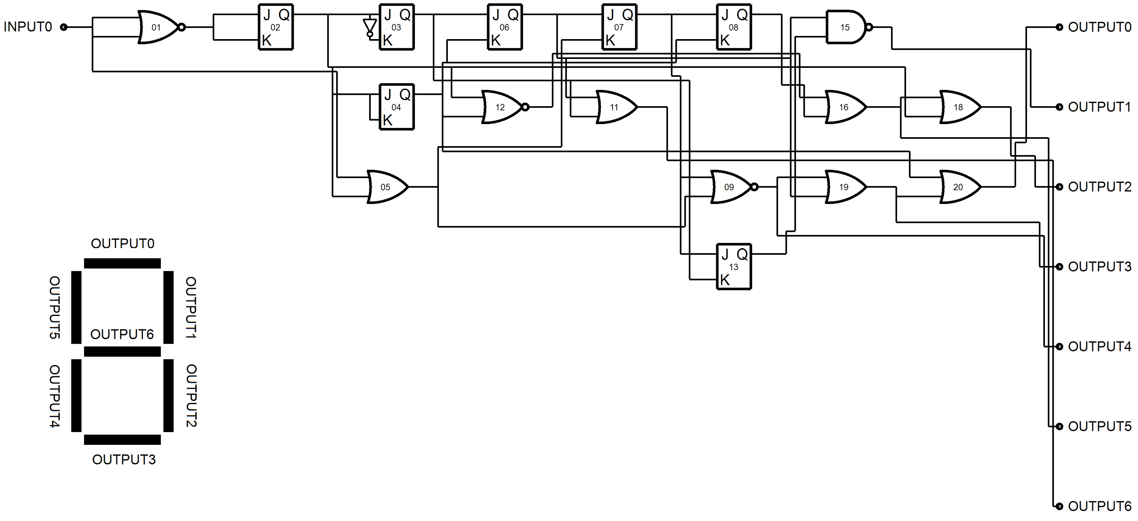
Another example of the obtained system implementing the same Table 2 with the same set of functions but for the parameter n u m b e r _ c o l u m n s C G P = 50 is the following genotype:
*([1]3 0 0), *([2]0 1 0), *([3]0 1 2), ([4]1 0 3), *([5]1 3 1), *([6]3 0 1), *([7]1 2 5), *([8]2 3 5), *([9]0 3 7), *([10]2 1 7), ([11]3 3 6), *([12]0 7 7), *([13]1 5 1), *([14]0 13 3), *([15]0 14 10), ([16]0 13 5), *([17]0 15 2), *([18]0 17 3), *([19]1 12 13), ([20]0 6 15), *([21]3 6 19), *([22]2 0 13), *([23]1 22 14), *([24]1 1 12), ([25]0 7 6), *([26]0 19 23), ([27]0 3 12), ([28]0 26 21), ([29]3 21 19), ([30]1 11 0), ([31]1 27 29), ([32]0 24 18), ([33]3 20 9), *([34]0 18 6), ([35]0 16 31), ([36]1 19 15), ([37]3 19 3), *([38]0 26 8), ([39]3 3 27), *([40]1 9 38), ([41]2 33 33), ([42]2 35 1), *([43]1 21 24), *([44]0 34 43), ([45]1 21 6), ([46]3 2 30), *([47]0 44 40), ([48]0 36 37), ([49]2 20 27), ([50]1 42 42), 47 26 14 22
representing the system shown in Figure 5.
As can be seen in Figure 5, if we do not use optimization due to the number of elements, the “imagination” scope of genetic programming when obtaining sequential systems is enormous. The system shown in the drawing certainly meets the precisely presented table describing the system. However, it may add elements that do not contradict this table. For example, a circuit that, after the 17 lines in Table 2 shown, will operate in such a way that after each subsequent rising edge on clk, the code of the next digit of the PI number expansion will appear on the four outputs of the circuit, which does not contradict the presented table. Of course, it is unlikely that such a system will arise by chance, but it is possible. It is also possible and more likely that the system will behave in accordance with the table, and after the initial 17 lines described in Table 2, an arbitrary sequence of values will appear at the outputs, inconsistent with what we would expect. To present the problem at hand using the simplest example, let us try to create a trivial circuit that will implement a table describing an AND gate. Of course, an AND gate is a combinational circuit, but sequential circuits may contain combinational elements in many places. Let us assume that we will be able to use both gates and JK flip-flops to build it. For the constructed system, the table describing the operation of the system will take the form of Table 3.
For the parameter n u m b e r _ c o l u m n s C G P = 8 and the set of functions left unchanged, the most frequently obtained result shows the genotype:
*([2]1 0 1), ([3]2 1 1), ([4]3 2 0), ([5]0 3 3), ([6]1 1 4), ([7] 1 1 5), ([8]2 5 3), ([9]2 2 3), 2
representing the system shown in Figure 6.
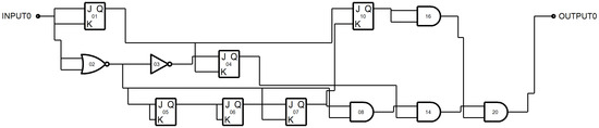
The obtained result is consistent with what we expected. However, for the same parameters n u m b e r _ c o l u m n s C G P , the same set of functions, and the same table, data such as, e.g., genotype was also obtained:
*([2]0 0 1), ([3]2 2 0), ([4]0 2 1), *([5]0 2 1), ([6]0 5 0), ([7 ]0 6 1), ([8]2 1 0), ([9]0 0 8), 5
representing the system shown in Figure 7.
This system works according to the table describing the system, but it is not consistent with what we expected. If, after the sequence of signals described in the table, we set the state of the INPUT0 and INPUT1 inputs to 1 and give a rising edge to clk, the output state will assume the value 0. This is inconsistent with the operation of the AND gate. Another genotype obtained with the same parameters and the same table describes an even more interesting system:
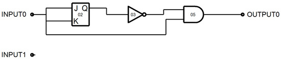
*([2]0 0 0), *([3]3 2 1), ([4]0 2 0), *([5]1 3 0), ([6]0 3 4), ([7]2 6 5), ([8]3 2 1), ([9]3 1 3), 5
Figure 8 shows a diagram corresponding to the obtained genotype. As you can see, the resulting system requires only one input to implement the table presented. Therefore, the system can produce the required sequence of output states based on only one input. If the resulting circuit does not use one of the inputs, even though the resulting circuit implements a given table describing the circuit in a given order, it is certainly not a circuit implementing the functions of an AND gate. This means that when creating tables describing sequential circuits, we must take into account the fact that the resulting circuit may use signal sequences, even where we believe it should not. For this reason, the presented genetic programming model introduced the possibility of determining for each row of the table describing the system whether the output values in a given line are to be created as a result of the appearance of a rising edge at the clk inputs or perhaps without this edge. In this way, you can, for example, determine that the outputs should be changed when the inputs are changed without an edge given on clk. Thanks to this solution, it is also possible to determine that the state of the outputs should not change despite the change in the state of the inputs. Using the above, if we want to obtain an AND gate in the analyzed case, let us change the previous table to Table 4.
Then most of the obtained systems take the form shown in Figure 6, but there are also cases such as genotype:
*([2]1 0 1), *([3]0 1 0), ([4]1 0 3), *([5]2 3 2), ([6]0 4 0), ([7]2 1 0), ([8]1 3 7), ([9]1 2 6), 5
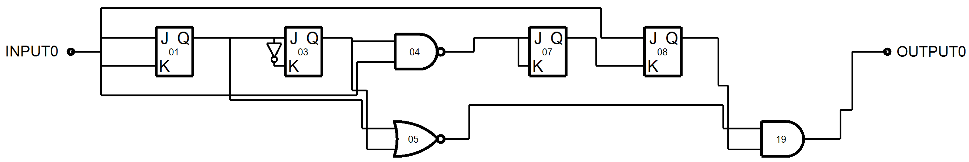
The system representing the obtained genotype is shown in Figure 9. This circuit works as described in Table 4 because the output of the JK 03 flip-flop without providing a rising edge to the clk input is a constant equal to 0. Of course, if rising edges appear at the clk input, the resulting circuit will no longer work in accordance with the operation of the AND gate. In order to force the analyzed system to operate in such a way that the rising edges at the clk input do not cause changes in the operation of the system, the table describing the system should be extended with an additional set of data. This solution is possible because the genetic programming model proposed in this paper allows the creation of sequential systems based on many data sets. For each data set, the system starts from the beginning (from the RESET signal). The created system should operate in accordance with the description of operation included in the table for all data sets adopted for a given system. So let us assume that in Table 5, which describes the system that is composed of two sets of data, the sets are separated by an empty line.
In this way, the first set describes the behavior of input changes without a rising edge applied to the clk input. The second set describes operation with rising edges given to the clk inputs. Most systems created by genetic programming using such a table describing the operation of the system are combinational circuits operating like an AND gate or directly, as in Figure 6. However, it should be clearly stated that there is no way we can fully prevent the situation that after a certain number of rising edges given to the clk inputs, the created system will start to behave contrary to expectations. To explain this in detail, let us look at the system shown in Figure 10.
Signals from INPUT0 and INPUT1 were supplied to the inputs of AND gate 03. Its output through the OR gate 12 is connected to the OUTPUT0 output. If the second input of the OR gate 12, connected to the Q output of the JK 11 flip-flop, has the value 0, the entire system works exactly like an AND gate with INPUT0 and INPUT1 inputs and the OUTPUT0 output. The rest of the system works in such a way that the output of the OR gate 04 always has a value of 1, and the JK 05, JK 06, and JK 08 flip-flops in combination with the AND gate 07 work as a classic 3-bit synchronous counter. Therefore, the value 1 appears at the output of AND gate 09 after seven rising edges given to clk, while the Q outputs of flip-flops JK 05, JK 06 and JK 08 are all 1s at the same time. Therefore, with the eighth rising edge given to the clk inputs, the value 1 is at the J input of the JK 11 flip-flop. At the same time, the output of the NOT 10 gate is connected to the K input of this flip-flop, i.e., a constant value of 0. In such a situation, exactly after the eighth rising edge given to clk, the output Q of the JK 11 flip-flop will assume the value 1 and this state will never be able to change. From this moment on, the OUTPUT0 output of the entire system will also permanently have the value 1.
To sum up, before the eight rising edges appear on the clk inputs, the entire system works as an AND gate, while after the eighth edge appears, the system output permanently takes the value 1 and stops working as AND. Therefore, we would use any tables describing the operation of the circuit to obtain AND, as long as they contain up to 7 clk edges, the circuit in Figure 10 will comply with these tables. Additionally, if, as a result of genetic programming in the above circuit, the 3-bit counter is replaced by a 10-bit counter, then all AND tables will be compatible with it, as long as they contain up to 1023 clk rising edges. Then, from 1024, the rising edge given to clk, the output will permanently assume the value 1 regardless of the contents of these tables. As follows from the above, in the general case when we do not know the number of possible states and the number of flip-flops included in the system, then only tables describing a system of infinite length could fully ensure correct, continuous operation for sequential systems. For obvious reasons, it is not possible to create such tables. On the other hand, the number of flip-flops included in the system, and therefore the maximum number of possible states of the system, which we can easily estimate based on the number of flip-flops, is limited. In turn, knowing the maximum number of possible states and the number of inputs, we can estimate the size of the table that allows us to describe all possible situations. However, we would not like to use such a forceful solution, especially since we assumed that the designed system could be treated as a “black box”. This is all the more so because, during the research, it was noticed that we are not completely helpless; we can perform the following:
  • Create tables to describe the operation of the system as precisely as possible.
  • Create tables with multiple data sets. This possibility is provided by the model proposed in this paper.
  • Create tables using the possibility of determining for each row of the table describing the system whether the output values in a given line are to be created as a result of the occurrence of a rising edge at the clk inputs or perhaps without this edge. In this way, you can, for example, determine that the outputs should be changed when the inputs are changed without an edge given on clk. Thanks to this solution, it is also possible to determine that the state of the outputs should not change despite the change in the state of the inputs. This possibility is provided by the model proposed in this paper.
  • Take the lowest possible value of the n u m b e r _ c o l u m n s C G P parameter, i.e., limit the maximum number of nodes to limit the “imagination” of genetic programming and, at the same time, obtain the expected effect.
  • Run the genetic programming operation repeatedly with different initial random values to obtain the most satisfactory result.
  • Use extended sets of gates and flip-flops to help the algorithm find a solution.
  • Limit the number of nodes (i.e., the number of gates and flip-flops) included in the created system to such an extent that they cannot be used to create a system that can change its operation by the number of rising edges given on clk exceeding those provided for in the table and at the same time implementing the adopted table describing the operation of the system.
  • After obtaining the result, the obtained system should be analyzed for proper operation.

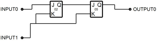
5.3. The Parallel Register

The parallel register works in such a way that the i-th output remembers the state at the i-th input that was at the moment of the rising edge on clk. The first attempt to obtain a 4-bit parallel register was made using the table describing the operation of the system presented in Table 6.
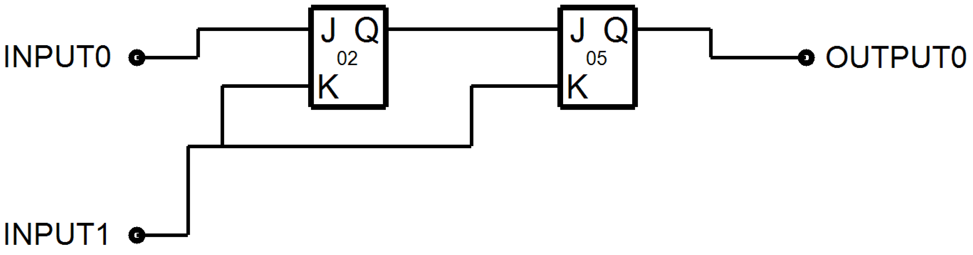
As a result of genetic programming, various systems were obtained that were inconsistent with expectations. For example, for the parameter n u m b e r _ c o l u m n s C G P = 8 and the set of functions as in the previous examples (JK, AND, OR, NOT), the following genotype was obtained:
([4]0 1 2), *([5]1 2 2), *([6]2 1 1), *([7]2 3 3), ([8]3 1 1), ([9]1 6 5), ([10]0 6 8), ([11]1 9 10), 0 6 5 7
representing the system shown in Figure 11. As can be seen from the table used, it does not follow that the signals should be transferred from the inputs to the outputs only when clk appears. Only the table consisting of 4 sets of data, presented in Table 7, contains information that the state from a given input should appear in the appropriate output only after clk and the fact that the state at the output should not depend on inputs that do not correspond to it. Using this table and the n u m b e r _ c o l u m n s C G P parameter and the set of functions left unchanged, the genotype was obtained, for example:
*([4]3 3 1), *([5]3 2 2), *([6]3 0 4), *([7]3 1 1), *([8]0 0 6), *([9]0 2 5), *([10]0 3 4), *([11]0 1 7), 8 11 9 10
which corresponds to the system shown in Figure 12. All systems obtained using the presented table were in the form shown in Figure 12. As you can see, this is a classic parallel register system.

5.4. Serial–Parallel Register

The serial–parallel register works in such a way that the state from the input is sent through all outputs in turn. In this way, in a register of, e.g., 4 bits, 4 outputs show subsequent states appearing at the input during the last 4 rising edges given to CLK. During the experiments, only a table describing the system consisting of 16 sets of data was allowed to obtain satisfactory results. Each of these 16 sets represented a situation consisting of 7 consecutive input and output states for each possible sequence of four bits of data fed to the input of the system. Since the entire table consists of 7*16 rows, Table 8 shows only an example of one of the 16 data sets presenting the situation when the input contains the sequence 1011 and the final 00. One of the obtained results ( n u m b e r _ c o l u m n s C G P = 10 , set of functions: JK, AND, OR, NOT) represents the genotype:
*([1]3 0 0), *([2]0 0 1), *([3]3 2 2), ([4]0 1 1), *([5]0 2 3), *([6]3 5 1), *([7]0 5 6), *([8]3 7 1), *([9]0 7 8), ([10]0 8 9), 9 7 5 2
representing the circuit shown in Figure 13. As you can see, this is a classic diagram of a 4-bit series–parallel register. For comparison, the genotype:
[1]3 0 0), ([2]0 1 0), *([3]1 0 0), ([4]1 0 2), ([5]0 4 4), *([6]1 3 0), *([7]1 6 5), *([8]1 7 6), 8 7 6 3
shows the circuit shown in Figure 14, which was created using the parameter
n u m b e r _ c o l u m n s C G P = 8 and an extended set of flip-flops JK (function type 0), D (function type 1), T (function type 2) and AND gates (function type 3), OR (function type 4) and NOT(function type 5). The D flip-flop in the diagrams will be represented as a JK with a small NOT gate going from the J input to the K input. The T flip-flop in the diagrams will be represented as a JK with the J and K inputs connected. For comparison, this circuit was obtained after 117 generations and the previous one after 8236 generations. As expected, it can be seen that expanding the number of function types makes it much easier to find the correct solution. Additionally, after reducing the number of CGP columns to 6, only the result consistent with Figure 14 was obtained.

5.5. 1010 Limited Sequence Detector

We assume that the limited sequence detector should recognize the fixed sequence 1010 appearing on the data input after startup, along with the next four rising edges appearing on clk. After such a sequence appears, the value 1 should appear at the output. For other sequences, the value 0 should appear in the output. We assume that what is important for us is the way the system operates until the first 6 rising edges appear on clk. We assume that the next course of action does not matter. During the experiments, a table describing the system composed of 16 sets of data was adopted so that each possible combination of the sequence of 4 possible values corresponds to one set of data. Only the data set that corresponded to the sequence 1010 contained the output value 1 when the last value from the sequence 1010 appeared. Table 9 shows only the data set containing the sequence 1010. The remaining data sets output only the values 0 and each of the possible remaining combinations of the four zeros or ones given successively to the input of the system during the first four rising edges given to clk. One of the obtained results ( n u m _ c o l u m n s C G P = 20 , set of functions: JK (function type 0), D (function type 1), T (function type 2), AND (function type 3), OR (function type 4), NOT (function type 5), NAND (type 6 function), NOR (type 7 function)) represents the genotype:
*([1]0 0 0), ([2]0 1 0), *([3]1 1 1), *([4]6 3 0), *([5]7 1 3), ([6]5 5 0), *([7]2 4 1), *([8]0 0 7), ([9]7 7 3), ([10]0 6 1), ([11]3 10 3), ([12]3 6 11), ([13]4 8 7), ([14]5 8 5), ([15]0 6 3), ([16]4 5 4), ([17]3 14 6), ([18]3 17 11), *([19]3 5 8), ([20]4 14 19), 1
representing the system shown in Figure 15. As can be seen from the presented fragment of the table describing the system, the output states were determined only for the first 6 rising edges given on clk. Figure 16 shows another layout obtained using the same table and the n u m b e r _ c o l u m n s C G P parameter and the set of functions left unchanged, which shows the following genotype:
*([1]0 0 0), *([2]7 0 0), *([3]5 2 1), *([4]0 3 1), *([5]2 2 1), *([6]2 5 4), *([7]0 6 2), *([8]3 7 2), ([9]0 5 4), *([10]0 1 7), ([11]0 8 9), ([12]5 4 4), ([13]6 2 4), *([14]3 8 4), ([15]6 14 8), *([16]3 10 10), ([17]6 1 10), ([18]3 16 3), ([19]7 11 16), *([20]3 14 16), 20

5.6. Wondering Point

We will require this circuit to transfer the value 1 to the next output with each rising edge given to clk. At the beginning of the system operation, only the value 1 should be at output 0, then after the first rising edge given on clk it should be transferred to output 1, then to output 2. Finally, after 7 rising edges, the value 1 should appear at output no. 7. We assume that the way the system will behave after the next edges given on clk does not matter. A table describing such an operation is shown in Table 10. The input of the system is a constant with the value 0. As a result of the experiments ( n u m b e r _ c o l u m n s C G P = 20 , set of functions: JK, D, T, AND, OR, NOT, NAND, NOR), e.g., genotype was obtained:
([1]7 0 0), *([2]1 1 0), *([3]4 0 2), *([4]6 2 1), *([5]0 4 3), *([6]1 5 4), ([7]3 0 3), ([8]4 3 6), ([9]5 6 4), ([10]5 2 9), ([11]2 5 4), *([12]1 6 9), ([13]0 0 10), *([14]1 12 7), ([15]1 5 3), ([16]5 12 15), *([17]1 14 13), *([18]1 17 3), ([19]5 8 6), *([20]1 18 5), 4 5 6 12 14 17 18 20
which represents the system shown in Figure 17. It can be seen that the resulting system resembles a series–parallel register, except that a constant value of 1 is given to the input of the D 02 flip-flop. The D flip-flop in the diagrams will be represented as a JK with a small NOT gate going from the J input to the K input. Therefore, after starting the system, the Q output of this flip-flop has the value 0, and after the first rising edge given to clk, it permanently takes the value 1. The output of the NAND gate 04 is the negation of the Q output of the D 02 flip-flop and constitutes the OUTPUT0 output. This value is shifted in turn by the flip-flops 05, 06, 12, 14, 17, 18, and 20 after each rising edge on clk.

5.7. Edge Number Display

The presented circuit should control a seven-segment display. At the beginning of the operation, the circuit should send such values to the outputs that control the display so that it displays the digit 0, and then it should send such values to the outputs that after each rising edge on clk, the display displays subsequent digits up to 9. In other words, the circuit should count the rising edges fed to clk and display the counted value on the seven-segment display. We assume that the method of operation after the 10th rising edge and the next ones is not important. Table 11 presents a table describing the presented operation. An example of the obtained circuit ( n u m b e r _ c o l u m n s C G P = 20 , set of functions: JK, D, T, AND, OR, NOT, NAND, NOR) shows the genotype:
*([1]7 0 0), *([2]0 1 1), *([3]1 2 2), *([4]2 2 0), *([5]4 0 2), *([6]0 3 4), *([7]0 6 5), *([8]0 7 4), *([9]7 7 5), ([10]6 9 1), *([11]4 6 3), *([12]7 2 4), *([13]0 7 3), ([14]0 0 13), *([15]6 6 13), *([16]4 12 8), ([17]1 14 10), *([18]4 16 2), *([19]4 9 6), *([20]4 4 19), 20 15 18 19 9 16 11
Figure 18 shows a diagram corresponding to the obtained genotype and the assumed assignment of outputs to display segments. For the first 9 rising edges given to clk, the system will behave as written in Table 11, while the method of operation after the 10th edge and the following ones is not specified in the table.

5.8. Discussion

The advatage of described here process is that it enables designing the system description adopted in this paper in the form of a table describing the responses of the system without knowing its structure and principles of action. At the same time, it ensures that the designed system will operate exactly as described in the response table. It can be treated as a “black box”. The main advantage is that to obtain the design of a sequential circuit, all you need is the system response table, which can be obtained by connecting probes to any working system. Thus you can create a functional copy of the system without knowing its internal structure. Therefore, even with relatively simple systems such as those presented here, it can have practical applications.
The limitation of the adopted solution is the fact that it is difficult to describe the required reactions of more complex systems. What can be done to obtain a complex description using a table describing the answers of e.g., a simple processor? To fully describe the behavior of a sequential system based solely on descriptions of its input and output states, it would be necessary to account for all possible future scenarios. For continuous operation, this would require an infinite number of rows in the table describing the system, which is obviously impossible. Consequently, we use tables that illustrate only cyclic actions rather than all potential future responses. The difficulties in creating such tables are presented in the examples in Section 5.1, Section 5.2 and Section 5.3. Additional issues may arise where a properly functioning system gradually changes its behavior over time. This challenge is highlighted in Section 5.2. The more complex the system, the harder it becomes to describe its behavior solely based on input and output states. This is one of the challenges for further development using M-CGP in the design of sequential systems. Various directions of research can be adopted here, starting with replacing these tables with a completely different description but still requiring that one can be obtained by testing the response of a system treated as a black box. Other such descriptions can also include, for example, tables containing the relevant symbols.
Another approach concerns the analysis of the impact the parameters have on the efficacy and efficiency of M-CGP in the design of sequential systems. We can study the influence of parameters here such as n u m b e r _ c o l u m n s C G P , mutation probability, population size, mutation method, selection method, it is also possible to introduce crossbreeding. A totally different path is to use M-CGP to automatically generate neural networks, where we can deal with various types of layers and specific communication between layers of different types.
During the experiments, the n u m b e r _ c o l u m n C G P parameter initially started with a predefined value. If a correctly functioning digital system, as described by the table, was achieved within a given number of generations, the parameter was reduced. This process continued until it was no longer possible to obtain a functioning system. This approach determined the minimal value of the n u m b e r _ c o l u m n C G P parameter required to produce a digital system that functioned according to the description. However, if no solution was found for the initial n u m b e r _ c o l u m n C G P parameter value, the parameter was increased until the desired outcome was achieved. The above approach proved superior to using a target function based on the number of elements, which could lead to the system becoming trapped in local minima. At the same time, this solution made it possible to obtain systems without an exceedingly large number of elements. For instance, Figure 5 shows a system generated with n u m b e r _ c o l u m n C G P = 50 , consisting of 27 elements. In contrast, Figure 3 presents a system executing the same function with n u m b e r _ c o l u m n C G P = 8 , which consists of only 7 elements. As shown, this comparison highlights the critical impact of this parameter on system design.
Experiments showed that for presented here systems there was no need to specify the parameter determining the frequency of mutations. It was initially set to the value 2, meaning two mutations per genotype, and by the end of the study, there was no need to change it. Results were obtained in acceptable time from a fraction of a second to tens of seconds. Therefore, in reality, there was no need for a specific analysis of the influence of this parameter. Also, in this case, there are no significant differences between M-CGP and CGP; so in both methods, the impact is exactly the same. To conclude, the previously described limitations for more complex systems are related to the difficulty of their descriptions in the form of answer tables and not to computational difficulties.
It is important to emphasize that none of the presented experiments could have been carried out using classic CGP alone without employing the mechanisms proposed in M-CGP. Therefore, M-CGP consistently outperforms CGP in all these cases. Within the M-CGP model, any number of function type groups can be established, for which there will be different input data and the output data saved in a different place. If only one group is defined, the model reduces to classic CGP. Therefore, M-CGP retains all the capabilities of CGP while enabling calculations for multiple function groups. Wherever CGP can be used, M-CGP can also be applied, offering additional flexibility in handling diverse function groups. Thus, compared to other methods, M-CGP provides all the advantages of CGP with enhanced computational versatility.
The examples provided in this work demonstrate that it is possible to design digital systems effectively based on tables describing their responses without needing detailed information about their internal structure. For instance, a system could be designed to generate sequential output values without requiring knowledge of counters. This practical significance underlines the value of the approach presented. Future research directions include developing alternative system description methods to handle more complex digital systems, as discussed earlier.

6. Conclusions

Based on several examples, this paper demonstrates that by using the introduced Multivalued Cartesian Genetic Programming (M-CGP) model, sequential digital circuits can be effectively and automatically designed. This can be completed based on the tables that describe the way a given circuit reacts to sequences of input data, which change with the activation signals (rising edges) appearing at the clk inputs. It is also shown that the M-CGP model is much more general, and its use for designing sequential circuits is a specific case. Several examples of automatically designed synchronous digital sequential circuits, which are obtained using the proposed methods, are presented: a 4-bit counter, a parallel register, a serial–parallel register, a limited sequence detector, a wandering point, and an edge number display. Using the example of a counter and a parallel register, it has been shown that as a result of automatic design, a circuit that is not in line with our expectations can be created. It is also shown, using the example of these circuits, how the tables describing the reactions of the circuit to external signals can be changed in order to obtain the intended effect. Using the example of a trivial AND gate circuit, the risks associated with designing circuits using flip-flops have been shown, which is related to the fact that, theoretically, it is impossible (without knowing the number of circuit elements) to fully describe the operation of this circuit solely on the basis of the descriptions of the circuit’s response to external signals. However, the ways to solve this problem are indicated, among others, by an appropriate selection of parameters and created tables.
The paper shows that M-CGP allows for designing circuits based on the table that describes the system’s responses. With such a description, and without the use of mechanisms proposed in M-CGP, the automatic design of sequence systems, which are treated as a whole using CGP, is simply not possible. This is why no previous research has been conducted applying CGP to design sequence systems, which use tables that describe the system’s responses, because it simply cannot be performed. Therefore, what we present here is a qualitative superiority of M-CGP over CGP, namely, M-CGP, which allows for sequential circuit design in cases where basic CGP cannot be used.
The description of the systems adopted here in the form of a table that describes the responses of the system has the advantage that allows designing the system without knowledge of its structure and principle actions. In this case, we can treat the system as a “black box”. The advantage of this solution is that to obtain the design of a sequential circuit, all that is necessary is a table of the system’s response, which can be obtained by connecting the probes to any functioning system. In this way, a functional copy of the circuit without knowledge of its internal structure can be obtained. Therefore, even relatively simple systems, such as those presented in this paper, may have practical applications.
The limitation of the adopted solution is the fact that it is difficult to describe the required reactions of more complex systems. What can be done to obtain a complex description using a table to describe the answers of, e.g., a simple processor? This is one of the challenges for further development using M-CGP in the design of sequential systems. Various directions of research can be adopted here, starting with replacing these tables with a completely different description but still requiring that one can be obtained by testing the response of a system treated as a black box. Another approach concerns the analysis of the impact the parameters have on the efficacy and efficiency of M-CGP in the design of sequential systems. We can study the influence of parameters here such as n u m b e r _ c o l u m n C G P , mutation probability, population size, mutation method, and selection method. It is also possible to introduce crossbreeding. A totally different path is to use M-CGP to automatically generate neural networks, where we can deal with various types of layers and specific communication between layers of different types.
During the experiments, the n u m b e r _ c o l u m n C G P parameter and the frequency of mutations were set, which directly influenced system efficiency. The n u m b e r _ c o l u m n C G P parameter was set in a way that allowed for an adequate result with the minimal level of said parameter. Experiments showed that for the systems presented here, there was no need to specify the parameter that determined the frequency of mutations. It was initially set to the value 2, which meant two mutations per genotype, and by the end of the study, there was no need to change it. Results were obtained in an acceptable time, from a fraction of a second to tens of seconds.

Funding

This research received no external funding.

Institutional Review Board Statement

Not applicable.

Informed Consent Statement

Not applicable.

Data Availability Statement

The original contributions presented in the study are included in the article, further inquiries can be directed to the corresponding author.

Conflicts of Interest

The author declares no conflicts of interest.

References

  1. Miller, J.F.; Thomson, P. Cartesian Genetic Programming. In Genetic Programming. EuroGP 2000; Poli, R., Banzhaf, W., Eds.; Lecture Notes in Computer Science; Springer: Berlin/Heidelberg, Germany, 2000; Volume 1802, pp. 121–132. [Google Scholar] [CrossRef]
  2. Miller, J.F. Cartesian Genetic Programming. In Cartesian Genetic Programming; Miller, J., Ed.; Natural Computing Series; Springer: Berlin/Heidelberg, Germany, 2011; pp. 17–34. [Google Scholar] [CrossRef]
  3. Sekanina, L. Evolvable Components. From Theory to Hardware Implementations; Natural Computing Series; Springer: Berlin/Heidelberg, Germany, 2004. [Google Scholar] [CrossRef]
  4. Vasicek, Z.; Sekanina, L. Hardware Accelerators for Cartesian Genetic Programming. In Genetic Programming. EuroGP 2008; O’Neill, M., Vanneschi, L., Gustafson, S., Alcázar, A.I.E., Falco, I., Cioppa, A., Tarantino, E., Eds.; Lecture Notes in Computer Science; Springer: Berlin/Heidelberg, Germany, 2008; Volume 4971, pp. 230–241. [Google Scholar] [CrossRef]
  5. Stomeo, E.; Kalganova, T.; Lambert, C. Generalized Disjunction Decomposition for Evolvable Hardware. IEEE Trans. Syst. Man, Cybern. Part B (Cybern.) 2006, 36, 1024–1043. [Google Scholar] [CrossRef] [PubMed]
  6. Jackson, D. Partitioned Incremental Evolution of Hardware Using Genetic Programming. In Genetic Programming. EuroGP 2008; O’Neill, M., Vanneschi, L., Gustafson, S., Alcázar, A.I.E., Falco, I., Cioppa, A., Tarantino, E., Eds.; Lecture Notes in Computer Science; Springer: Berlin/Heidelberg, Germany, 2008; Volume 4971, pp. 86–97. [Google Scholar] [CrossRef]
  7. Manovit, C.; Aporntewan, C.; Chongstitvatana, P. Synthesis of synchronous sequential logic circuits from partial input/output sequences. In Evolvable Systems: From Biology to Hardware. ICES 1998; Sipper, M., Mange, D., Pérez-Uribe, A., Eds.; Lecture Notes in Computer Science; Springer: Berlin/Heidelberg, Germany, 1998; Volume 1478, pp. 98–105. [Google Scholar] [CrossRef]
  8. Ali, B.; Almaini, A.E.A.; Kalganova, T. Evolutionary Algorithms and Theirs Use in the Design of Sequential Logic Circuits. Genet. Program Evolvable Mach. 2004, 5, 11–29. [Google Scholar] [CrossRef]
  9. Liang, H.; Luo, W.; Wang, X. A three-step decomposition method for the evolutionary design of sequential logic circuits. Genet. Program Evolvable Mach. 2009, 10, 231–262. [Google Scholar] [CrossRef]
  10. Singaram, L.K.; Shanthi, A.P.; Parthasarathi, R. Evolution of Asynchronous Sequential Circuits. In Proceedings of the NASA/DoD Conference on Evolvable Hardware (EH 2005), Washington, DC, USA, 29 June–1 July 2005; pp. 93–96. [Google Scholar] [CrossRef]
  11. Soliman, A.T.; Abbas, H.M. Synchronous sequential circuits design using evolutionary algorithms. In Proceedings of the Canadian Conference on Electrical and Computer Engineering 2004 (IEEE Cat. No. 04CH37513), Niagara Falls, ON, Canada, 2–5 May 2004; Volume 4, pp. 2013–2016. [Google Scholar] [CrossRef]
  12. Soleimani, P.; Sabbaghi-Nadooshan, R.; Mirzakuchaki, S.; Bagheri, M. Using genetic algorithm in the evolutionary design of sequential logic circuits. arXiv 2011, arXiv:1110.1038. [Google Scholar] [CrossRef]
  13. Tao, Y.; Zhang, Y.; Cao, J.; Huang, Y. A module-level three-stage approach to the evolutionary design of sequential logic circuits. Genet. Program Evolvable Mach. 2013, 14, 191–219. [Google Scholar] [CrossRef]
  14. Lima, B.M.; Sachetti, N.; Berndt, A.; Meinhardt, C.; Carvalho, J.T. Adaptive Batch Size CGP: Improving Accuracy and Runtime for CGP Logic Optimization Flow. In Genetic Programming. EuroGP 2023; Pappa, G., Giacobini, M., Vasicek, Z., Eds.; Lecture Notes in Computer Science; Springer: Cham, Switzerland, 2023; Volume 13986. [Google Scholar] [CrossRef]
  15. Malhotra, G.; Duraiswamy, P.; Kishore, J.K. FPGA Accelerated Parallel HsClone GA for Digital Circuit Configuration in CGP Format. J. Inst. Eng. India Ser. B 2023, 104, 1079–1089. [Google Scholar] [CrossRef]
  16. Malhotra, G.; Duraiswamy, P.; Kishore, J.K. Evolution of Configuration Data in CGP Format Using Parallel GA on Embryonic Fabric. In Innovations in Bio-Inspired Computing and Applications. IBICA 2022; Abraham, A., Bajaj, A., Gandhi, N., Madureira, A.M., Kahraman, C., Eds.; Lecture Notes in Networks and Systems; Springer: Cham, Switzerland, 2023; Volume 649. [Google Scholar] [CrossRef]
  17. Cui, H.; Heider, M.; Hähner, J. Positional Bias Does Not Influence Cartesian Genetic Programming with Crossover. In Parallel Problem Solving from Nature—PPSN XVIII. PPSN 2024; Affenzeller, M., Winkler, S.M., Kononova, A.V., Trautmann, H., Tušar, T., Machado, P., Bäck, T., Eds.; Lecture Notes in Computer Science; Springer: Cham, Switzerland, 2024; Volume 15148. [Google Scholar] [CrossRef]
  18. Khan, N.M.; Khan, G.M. Multi-chromosomal CGP-evolved RNN for signal reconstruction. Neural Comput. Applic. 2021, 33, 13265–13285. [Google Scholar] [CrossRef]
  19. Möller, F.J.D.; Bernardino, H.S.; Soares, S.S.R.F.; de Souza, L.A.M. An adaptive mutation for cartesian genetic programming using an -greedy strategy. Appl. Intell. 2023, 53, 27290–27303. [Google Scholar] [CrossRef]
  20. Kalkreuth, R. Crossover in Cartesian Genetic Programming: Evaluation of Two Phenotypic Methods. In Computational Intelligence. IJCCI 2021; Garibaldi, J., Wagner, C., Bäck, T., Lam, H., Cottrell, M., Madani, K., Warwick, K., Eds.; Studies in Computational Intelligence; Springer: Cham, Switzerland, 2023; Volume 1119. [Google Scholar] [CrossRef]
  21. Lavinas, Y.; Haut, N.; Punch, W.; Banzhaf, W.; Cussat-Blanc, S. Adaptive Sampling of Biomedical Images with Cartesian Genetic Programming. In Parallel Problem Solving from Nature—PPSN XVIII. PPSN 2024; Affenzeller, M., Winkler, S., Kononova, A., Trautmann, H., Tušar, T., Machado, P., Bäck, T., Eds.; Lecture Notes in Computer Science; Springer: Cham, Switzerland, 2024; Volume 15148. [Google Scholar] [CrossRef]
  22. Silva, J.E.H.d.; Bernardino, H.S.; de Oliveira, I.L.; Vieira, A.B.; Barbosa, H.J.C. On the Analysis of CGP Mutation Operators When Inferring Gene Regulatory Networks Using ScRNA-Seq Time Series Data. In Intelligent Systems. BRACIS 2021; Britto, A., Valdivia Delgado, K., Eds.; Lecture Notes in Computer Science; Springer: Cham, Switzerland, 2021; Volume 13073. [Google Scholar] [CrossRef]
  23. Kalkreuth, R. Towards Discrete Phenotypic Recombination in Cartesian Genetic Programming. In Parallel Problem Solving from Nature—PPSN XVII. PPSN 2022; Rudolph, G., Kononova, A.V., Aguirre, H., Kerschke, P., Ochoa, G., Tušar, T., Eds.; Lecture Notes in Computer Science; Springer: Cham, Switzerland, 2022; Volume 13399. [Google Scholar] [CrossRef]
  24. Thi, T.P. Cartesian Genetic Programming: Some New Detections. In Advances in Information and Communication. FICC 2022; Arai, K., Ed.; Lecture Notes in Networks and Systems; Springer: Cham, Switzerland, 2022; Volume 439. [Google Scholar] [CrossRef]
  25. Harrison, J.; Alderliesten, T.; Bosman, P.A.N. Gene-pool Optimal Mixing in Cartesian Genetic Programming. In Parallel Problem Solving from Nature—PPSN XVII. PPSN 2022; Rudolph, G., Kononova, A.V., Aguirre, H., Kerschke, P., Ochoa, G., Tušar, T., Eds.; Lecture Notes in Computer Science; Springer: Cham, Switzerland, 2022; Volume 13399. [Google Scholar] [CrossRef]
  26. Torabi, A.; Sharifi, A.; Teshnehlab, M. Using Cartesian Genetic Programming Approach with New Crossover Technique to Design Convolutional Neural Networks. Neural Process Lett. 2023, 55, 5451–5471. [Google Scholar] [CrossRef]
  27. Manazir, A.; Raza, K. Comparative Evaluation of Genetic Operators in Cartesian Genetic Programming. In Intelligent Systems Design and Applications. ISDA 2021; Abraham, A., Gandhi, N., Hanne, T., Hong, T.P., Nogueira Rios, T., Ding, W., Eds.; Lecture Notes in Networks and Systems; Springer: Cham, Switzerland, 2022; Volume 418. [Google Scholar] [CrossRef]
  28. Hodan, D.; Mrazek, V.; Vasicek, Z. Semantically-oriented mutation operator in cartesian genetic programming for evolutionary circuit design. Genet. Program Evolvable Mach. 2021, 22, 539–572. [Google Scholar] [CrossRef]
  29. Kalkreuth, R. An Empirical Study on Insertion and Deletion Mutation in Cartesian Genetic Programming. In Computational Intelligence. IJCCI 2019; Merelo, J.J., Garibaldi, J., Linares-Barranco, A., Warwick, K., Madani, K., Eds.; Studies in Computational Intelligence; Springer: Cham, Switzerland, 2021; Volume 922. [Google Scholar] [CrossRef]
  30. Fang, W.; Gu, M. FMCGP: Frameshift mutation cartesian genetic programming. Complex Intell. Syst. 2021, 7, 1195–1206. [Google Scholar] [CrossRef]
  31. Wendlinger, L.; Stier, J.; Granitzer, M. Evofficient: Reproducing a Cartesian Genetic Programming Method. In Genetic Programming. EuroGP 2021; Hu, T., Lourenço, N., Medvet, E., Eds.; Lecture Notes in Computer Science; Springer: Cham, Switzerland, 2021; Volume 12691. [Google Scholar] [CrossRef]
  32. Bremer, J.; Lehnhoff, S. Hybridizing Lévy Flights and Cartesian Genetic Programming for Learning Swarm-Based Optimization. In Advances in Computational Intelligence Systems. UKCI 2023; Naik, N., Jenkins, P., Grace, P., Yang, L., Prajapat, S., Eds.; Advances in Intelligent Systems and Computing; Springer: Cham, Switzerland, 2024; Volume 1453. [Google Scholar] [CrossRef]
  33. Ramesh, N.; Ashfaq, T.; Kharma, N. A Hybrid Neuroevolutionary Approach to the Design of Convolutional Neural Networks for 2D and 3D Medical Image Segmentation. In Artificial Neural Networks in Pattern Recognition. ANNPR 2024; Suen, C.Y., Krzyzak, A., Ravanelli, M., Trentin, E., Subakan, C., Nobile, N., Eds.; Lecture Notes in Computer Science; Springer: Cham, Switzerland, 2024; Volume 15154. [Google Scholar] [CrossRef]
  34. Danilov, N.A.; Kozlov, K.N.; Surkova, S.Y.; Samsonova, M.G. Cartesian Genetic Programming for Image Analysis of the Developing Drosophila Eye. Biophysics 2023, 68, 462–467. [Google Scholar] [CrossRef]
Figure 1. Block diagram showing the operation of M-CGP applied to designing sequential systems.
Figure 1. Block diagram showing the operation of M-CGP applied to designing sequential systems.
Applsci 14 11153 g001
Figure 2. The counter system obtained on the basis of Table 1 with an incorrect output 0, in which, after the eighth rising edge on clk, it is set to the value 1 with no possibility of changing it to 0 in the future.
Figure 2. The counter system obtained on the basis of Table 1 with an incorrect output 0, in which, after the eighth rising edge on clk, it is set to the value 1 with no possibility of changing it to 0 in the future.
Applsci 14 11153 g002
Figure 3. Correct synchronous counter system obtained based on Table 2.
Figure 3. Correct synchronous counter system obtained based on Table 2.
Applsci 14 11153 g003
Figure 4. The correct synchronous counter circuit obtained based on Table 2, in which a combination of JK 05 and JK 06 flip-flops was used instead of an AND gate.
Figure 4. The correct synchronous counter circuit obtained based on Table 2, in which a combination of JK 05 and JK 06 flip-flops was used instead of an AND gate.
Applsci 14 11153 g004
Figure 5. Synchronous counter system obtained on the basis of Table 2 for the number of CGP columns that are equal to 50.
Figure 5. Synchronous counter system obtained on the basis of Table 2 for the number of CGP columns that are equal to 50.
Applsci 14 11153 g005
Figure 6. The circuit designed to implement an AND gate obtained on the basis of Table 3.
Figure 6. The circuit designed to implement an AND gate obtained on the basis of Table 3.
Applsci 14 11153 g006
Figure 7. Another circuit, obtained on the basis of Table 3, intended to implement an AND gate, inconsistent with our expectations.
Figure 7. Another circuit, obtained on the basis of Table 3, intended to implement an AND gate, inconsistent with our expectations.
Applsci 14 11153 g007
Figure 8. A circuit designed to implement an AND gate, which is also obtained on the basis of Table 3, using only one input.
Figure 8. A circuit designed to implement an AND gate, which is also obtained on the basis of Table 3, using only one input.
Applsci 14 11153 g008
Figure 9. The circuit obtained based on Table 4, which is intended to implement an AND gate. Although it is consistent with Table 4, when rising edges appear on clk, it ceases to function as an AND gate.
Figure 9. The circuit obtained based on Table 4, which is intended to implement an AND gate. Although it is consistent with Table 4, when rising edges appear on clk, it ceases to function as an AND gate.
Applsci 14 11153 g009
Figure 10. A circuit that acts as an AND gate until the eighth rising edge on clk appears. Afterward, the output permanently takes the value 1.
Figure 10. A circuit that acts as an AND gate until the eighth rising edge on clk appears. Afterward, the output permanently takes the value 1.
Applsci 14 11153 g010
Figure 11. An example of a circuit obtained based on Table 6, which is intended for implementing a parallel register. As can be seen from the obtained result, the table does not indicate that the signals should be transferred from the inputs to the outputs only when clk appears.
Figure 11. An example of a circuit obtained based on Table 6, which is intended for implementing a parallel register. As can be seen from the obtained result, the table does not indicate that the signals should be transferred from the inputs to the outputs only when clk appears.
Applsci 14 11153 g011
Figure 12. Example of a layout obtained based on Table 7. This is a classic parallel register layout. All systems obtained using Table 7 and the adopted parameters were of this form.
Figure 12. Example of a layout obtained based on Table 7. This is a classic parallel register layout. All systems obtained using Table 7 and the adopted parameters were of this form.
Applsci 14 11153 g012
Figure 13. An example of a system obtained on the basis of the table describing the system, part of which is shown in Table 8. This is a classic series–parallel register system.
Figure 13. An example of a system obtained on the basis of the table describing the system, part of which is shown in Table 8. This is a classic series–parallel register system.
Applsci 14 11153 g013
Figure 14. An example of a circuit obtained based on the table describing the circuit, part of which is shown in Table 8, using a set of JK, D, T flip-flops and AND, NOT, and OR gates. After reducing the n u m b e r _ c o l u m n s C G P parameter to 6, only layouts fully compatible with this layout were obtained.
Figure 14. An example of a circuit obtained based on the table describing the circuit, part of which is shown in Table 8, using a set of JK, D, T flip-flops and AND, NOT, and OR gates. After reducing the n u m b e r _ c o l u m n s C G P parameter to 6, only layouts fully compatible with this layout were obtained.
Applsci 14 11153 g014
Figure 15. Example of a sequence detector circuit obtained from a table, a part of which is presented in Table 9, using a set of JK, D, T flip-flops and AND, OR, NOT, NAND, and NOR gates.
Figure 15. Example of a sequence detector circuit obtained from a table, a part of which is presented in Table 9, using a set of JK, D, T flip-flops and AND, OR, NOT, NAND, and NOR gates.
Applsci 14 11153 g015
Figure 16. Another example of a sequence detector system obtained on the basis of the table describing the system, part of which is shown in Table 9.
Figure 16. Another example of a sequence detector system obtained on the basis of the table describing the system, part of which is shown in Table 9.
Applsci 14 11153 g016
Figure 17. Example of a circuit obtained from Table 10. The resulting circuit resembles a serial–parallel register with a fixed input.
Figure 17. Example of a circuit obtained from Table 10. The resulting circuit resembles a serial–parallel register with a fixed input.
Applsci 14 11153 g017
Figure 18. Example of a circuit obtained from Table 11, which is used to count rising edges fed to clk and display the counted value on a seven-segment display.
Figure 18. Example of a circuit obtained from Table 11, which is used to count rising edges fed to clk and display the counted value on a seven-segment display.
Applsci 14 11153 g018
Table 1. Description of the synchronous counter response.
Table 1. Description of the synchronous counter response.
ClkInputsOutputs
000 0 0 0
100 0 0 1
100 0 1 0
100 0 1 1
100 1 0 0
100 1 0 1
100 1 1 0
100 1 1 1
101 0 0 0
101 0 0 1
101 0 1 0
101 0 1 1
101 1 0 0
101 1 0 1
101 1 1 0
101 1 1 1
Table 2. Revised description of synchronous counter response.
Table 2. Revised description of synchronous counter response.
ClkInputsOutputs
000 0 0 0
100 0 0 1
100 0 1 0
100 0 1 1
100 1 0 0
100 1 0 1
100 1 1 0
100 1 1 1
101 0 0 0
101 0 0 1
101 0 1 0
101 0 1 1
101 1 0 0
101 1 0 1
101 1 1 0
101 1 1 1
100 0 0 0
Table 3. Description of the AND gate response.
Table 3. Description of the AND gate response.
ClkInputsOutputs
00 00
10 10
11 00
11 11
Table 4. Revised description of the AND gate response.
Table 4. Revised description of the AND gate response.
ClkInputsOutputs
00 00
00 10
01 00
01 11
Table 5. Revised description of the AND gate response.
Table 5. Revised description of the AND gate response.
ClkInputsOutputs
00 00
00 10
01 00
01 11
00 00
10 10
11 00
11 11
Table 6. Description of the parallel register response.
Table 6. Description of the parallel register response.
ClkInputsOutputs
00 0 0 00 0 0 0
10 0 0 10 0 0 1
10 0 1 00 0 1 0
10 1 0 00 1 0 0
11 0 0 01 0 0 0
Table 7. Revised description of parallel register response.
Table 7. Revised description of parallel register response.
ClkInputsOutputs
00 0 0 10 0 0 0
10 0 0 10 0 0 1
00 0 1 00 0 0 1
10 0 1 00 0 1 0
00 1 0 00 0 1 0
10 1 0 00 1 0 0
01 0 0 00 1 0 0
11 0 0 01 0 0 0
00 0 0 01 0 0 0
10 0 0 00 0 0 0
01 1 1 00 0 0 0
11 1 1 01 1 1 0
01 1 0 11 1 1 0
11 1 0 11 1 0 1
01 0 1 11 1 0 1
11 0 1 11 0 1 1
00 1 1 11 0 1 1
10 1 1 10 1 1 1
01 1 1 10 1 1 1
11 1 1 11 1 1 1
01 1 1 10 0 0 0
11 1 1 11 1 1 1
11 1 1 01 1 1 0
11 1 0 11 1 0 1
11 1 0 01 1 0 0
11 0 1 11 0 1 1
11 0 1 01 0 1 0
11 0 0 11 0 0 1
11 0 0 01 0 0 0
10 1 1 10 1 1 1
10 0 0 00 0 0 0
11 1 1 11 1 1 1
10 0 0 00 0 0 0
11 1 1 11 1 1 1
10 0 0 00 0 0 0
11 1 1 11 1 1 1
10 0 0 00 0 0 0
11 1 1 11 1 1 1
10 0 0 00 0 0 0
11 1 1 11 1 1 1
Table 8. Description of the serial–parallel register response.
Table 8. Description of the serial–parallel register response.
ClkInputsOutputs
000 0 0 0
110 0 0 1
100 0 1 0
110 1 0 1
111 0 1 1
100 1 1 0
101 1 0 0
Table 9. Description of sequence detector responses.
Table 9. Description of sequence detector responses.
ClkInputsOutputs
000
110
100
110
101
100
100
Table 10. Description of the wandering point response.
Table 10. Description of the wandering point response.
ClkInputsOutputs
001 0 0 0 0 0 0 0
100 1 0 0 0 0 0 0
100 0 1 0 0 0 0 0
100 0 0 1 0 0 0 0
100 0 0 0 1 0 0 0
100 0 0 0 0 1 0 0
100 0 0 0 0 0 1 0
100 0 0 0 0 0 0 1
Table 11. Description of the edge number display response.
Table 11. Description of the edge number display response.
ClkInputsOutputs
001 1 1 1 1 1 0
100 1 1 0 0 0 0
101 1 0 1 1 0 1
101 1 1 1 0 0 1
100 1 1 0 0 1 1
101 0 1 1 0 1 1
101 0 1 1 1 1 1
101 1 1 0 0 0 0
101 1 1 1 1 1 1
101 1 1 1 0 1 1
Disclaimer/Publisher’s Note: The statements, opinions and data contained in all publications are solely those of the individual author(s) and contributor(s) and not of MDPI and/or the editor(s). MDPI and/or the editor(s) disclaim responsibility for any injury to people or property resulting from any ideas, methods, instructions or products referred to in the content.

Share and Cite

MDPI and ACS Style

Jamróz, D. Using Multivalued Cartesian Genetic Programming (M-CGP) for Automatic Design of Digital Sequential Circuits. Appl. Sci. 2024, 14, 11153. https://doi.org/10.3390/app142311153

AMA Style

Jamróz D. Using Multivalued Cartesian Genetic Programming (M-CGP) for Automatic Design of Digital Sequential Circuits. Applied Sciences. 2024; 14(23):11153. https://doi.org/10.3390/app142311153

Chicago/Turabian Style

Jamróz, Dariusz. 2024. "Using Multivalued Cartesian Genetic Programming (M-CGP) for Automatic Design of Digital Sequential Circuits" Applied Sciences 14, no. 23: 11153. https://doi.org/10.3390/app142311153

APA Style

Jamróz, D. (2024). Using Multivalued Cartesian Genetic Programming (M-CGP) for Automatic Design of Digital Sequential Circuits. Applied Sciences, 14(23), 11153. https://doi.org/10.3390/app142311153

Note that from the first issue of 2016, this journal uses article numbers instead of page numbers. See further details here.

Article Metrics

Back to TopTop